Расчет и выбор допусков и посадок
Содержание
Введение
1. Расчет посадки с натягом
2. Расчет и выбор посадок подшипника качения на вал и в корпус
4. Расчет размерной цепи (прямая задача)
5. Шлицевое соединение
6. Элементы шпоночного соединения
7. Элементы резьбового соединения
8. Допуски на элементы зубчатых передач
Список используемых источников
Введение
Контрольная работа преследует цель более глубокого и
успешного усвоения материала ряда разделов курса "Основы
взаимозаменяемости".
Работа складывается из решения нескольких задач, целью которых
являются развитие навыков в расчете и выборе допусков и посадок, а также
самостоятельности в работе со справочной литературой.
1. Расчет
посадки с натягом
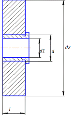
Исходные данные:
d1=24 мм; Мкр=7 Н м Материал охватывающей детали -
сталь;
d=30 мм; Rzd=1.6
l=32 мм; RzD=2.5 Материал охватываемой детали-
d2≈39мм; бронза.
Рис.1 Соединение втулки с корпусом
1.1 Определение наименьшего удельного давления между
поверхностями сопряжения вала и втулки.
Рmin=
=
=1.7 106 Н
где 
-передаваемый крутящий момент;
f-коэффициент трения (примем f=0.09) [3, с.34 т.2]
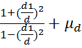
.2 Рассчитываем значение наименьшего допустимого натяга [Nmin]
допуск посадка передача зубчатый
[Nmin] = Рmind (
)
где 
,
-модули упругости материала охватывающей и охватываемой. 
примем 1.96 1011 н/м2; 
примем 0.84 1011
[1, с.34 т.3]
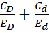
.2.1 Расчет коэффициентов 
,
CD=
=
=4.3
Cd=
=
=4.9
где

,
-коэффициенты Пуассона охватывающей и охватываемой детали. 
=0.3 - сталь; 
=0.35 - бронза [3, с.34 т.3]
[Nmin] = 1.7106 0.03 (
) =0.41 10-5 м=4.1 мкм;
.3 Рассчетное значение натяга с учетом шероховатостей.
Nрасч= [Nmin] +1.2 (RzD+Rzd) =4.1+1.2 (2.5+1.6) =9 мкм;
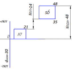
N
≥ Nрасч 14≥9
Принимаем посадку 
[2, с.359 т.2]
Рис.2 Схема полей допусков для посадки 
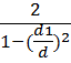
.4 Наибольшее удельное давление на сопрягаемых поверхностях:
Pmax=
=
=17.9 106 Н;
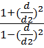
.5 Наибольшее напряжение в охватываемой детали.
σd= Pmax
=17.9 106 
=99.4 МПа
.6 Наибольшее напряжение в охватывающей детали.
σD= Pmax
=17.9 106 
=71,6 Мпа
.7 Проверка на прочность охватывающей и охватываемой деталей.
σd
[σт] d [σт] d=500 106 Н/м2 [3, с.34 т.3] 99.4
500 МПа
σD
[σт] D [σт] D= 400 106 Н/м2 [3, с.34 т.3] 71.6
300 МПа
Рис.3 Охватывающая деталь
RaD= (
…. 
) =0.4….0.32
Рис.4 Охватываемая деталь.
Rad= (
…. 
) = 0.4….0.32
. Расчет и
выбор посадок подшипника качения на вал и в корпус
B=15мм; d=25 мм; №205;
D=52 мм; r=1.5 мм; Р=1700 Н.
Режим работы - легкий;
Значения выбраны по ГОСТ8338-75 [4,c.37 т.14]
ГОСТ 8338-75
.1 Интенсивность нагрузки поверхности под циркуляционно
нагруженное кольцо PR
PR=
, Н/м2
где P-расчетная радиальная реакция опоры, Н;
r-радиус закругления колец подшипника, м;

-рабочая ширина посадочного места подшипника;

-динамический коэффициент посадки, зависящий от характера нагрузки
(примем 
, т.к. режим работы тяжелый); F-коэфффициент, учитывающий ослабление посадочного натяга при полом
вале или тонкостенном корпусе (примем F=2.2,
т.к. вал полый);
FA-коэффициент неравномерности распределения
радиальной нагрузки между рядами сдвоенных подшипников (FA=1, т.к. подшипник одинарный);
PR=
=321750 Н/м2
Принимаем поле допуска k6 [3,
с.14 т.3.1]
.3 Поле допуска для отвертия в корпусе.
Принимаем поле допуска H7 [3,
с.14 т.3.2]
.4 Отклонения для диаметров колец подшипников нулевого класса
точности выбираются согласно ГОСТ520-89.
.4.1 Для наружного кольца 
=-18
.4.2 Для внутреннего кольца 
=-12
[4, с.39 т.15,16]
.5 Вычислим наибольший натяг Nmax между циркуляционно нагруженным кольцом
подшипника и валом и определяется усилие запрессовки подшипника на валPзапр, Н.
Pзапр=fkfeNmax10, Н
где fk-фактор сопротивления, зависящий от
коэффициента трения (примем fk=4);
fe-фактор, зависящий от размеров кольца и
определяемый по формуле:
fe=B [1-
]
где 
-приведенный нагруженный диаметр внутреннего кольца

;
fe=20 [1-
] =6.62
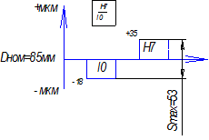
Nmax=30 мкм (см. рис.10)
Pзапр=4
6.62 30 10=5544 Н
Рис.10 Схема полей допусков посадки внутреннего кольца подшипника
на вал.
Рис.11 Схема полей допусков посадки наружного кольца подшипника H7/l0
Рис.12 Подшипник в сборке.
Рис.13 Вал
Рис.14 Втулка
Допуски формы посадочных поверхностей под подшипники качения
выбираются по [4, с.41 т.17]
4. Расчет
размерной цепи (прямая задача)
Исходные данные: 
=
мм;
Рис.15 Схема размерной цепи.
Таблица 1-Показатели размеров.
|
Звено
|
Размер , мм
|
i
|
Квалитет
|
Верхнее
отклонение, мкм
|
Нижнее
отклонение, мкм
|
|
А1
|
20.75
|
известн.
|
|
250
[4, с.35 т.12]
|
-250 [4, с.35 т.12]
|
|
А2
|
12
|
1.08
|
увязочное
|
19
|
-19
|
|
А3
|
30.75
|
1.56
|
JS
|
+31
|
-31
|
.1 Проверим правильность составления размерной цепи.

4.2 Вычисляем допуск Т
Т
.3 Вычисляем коэффициент точности размерной цепи ас
ас=
,
где 
- сумма допусков известных составляющих звеньев (в размерной цепи
2 подшипника Допуск на их ширину определяется по [4, с.39 т.15,16]);

-сумма допусков всех остальных составляющих звеньев. [1, с.33 т.8]
ас=
т.к. ас<аГОСТ, то в качестве увязочного
звена выбираем технологически более простое звено-А2
Принимаем 9 квалитет [3, с.34 т.5]
.4 Отклонения увязочного звена.


Т
(250+19)
- (-31) =300 мкм
(-250-19) - 31 = - 300 мкм.
5. Шлицевое
соединение
Рис.16 Шлицы на валу
Рис.17 Шлицы во втулке
Рис.18 Обозначение шлицев
6. Элементы
шпоночного соединения
Выбираем основные размеры шпоночного соединения bxh=10x8
В зависимости от условий эксплуатации назначаем тип соединия:
нормальный тип шпоночного соединения
Рис. 19 Вал
Рис.20 Втулка
Рис.21 Сборка
7. Элементы
резьбового соединения
Рис.22 Вал
Рис.23 Втулка
Рис.24 Сборка
8. Допуски на
элементы зубчатых передач
m=2, da=162
ммa=m (Z+2) →z= (da/m) - 2
z= (162/2) - 2=79
Делительный
диаметр d=mz=2
79=158 мм
Степень точности
по ГОСТ 1643-81 8-7-7-D
-кинематическая
норма точности;
-плавность работы
зубчатой передачи;
-норма контактов
зубьев;
D-норма бокового зазора между нерабочими
поверхностями зубьев.
Допуски по
степени точности
Fr=63 мкм-допуск радиального биения
зубчатого венца;
Fvw=50 мкм-допуск колебания длины общей
нормали;
fpb=+/-15 мкм;
ff=13 мкм допуск на форму зубьев;
Fβ=25
мкм допуск на направление зуба;
ЕHS=-70 мкм наименьшее дополнительное
смещение исходного контура;
ТH=140 мкм допуск на смещение исходного
контура.
Допуск наружного
диаметра расчитывается по соотношению:
TD=0.5 ТН, мм;
Радиальное биение зубчатого венца 
ТН, мм
Торцевое биение в зависимости от степени точности и диаметра торца
выбираются по [4, с.45 т.21]
Допуск симмертичности расчитывается из соотношения 2Tшп, где Tшп-допуск шпоночного паза;
Допуск параллельности расчитывается по соотношению 0.5 Tшп
Полученные значения округляются по [4, с.47 т.23]
Допуск торцевого биения вала определяется из соотношения 0.25-0.3 Fr, мм округляем по 4, с.47 т.23]
Торцевое биение заплечиков вала и отверстия по [4, с.42]
Шероховатость под посадочные поверхности подшипников качения по
[4, с.43]
Шероховатость поверхностей деталей определяется по [4,c.29-32 т.10]
Список
используемых источников
1.
Анурьев В.И. "Справочник конструктора-машиностроителя: в 3-х т.: Т.2. -
М.: Машиностроение, 2001г
.
Анурьев В.И. "Справочник конструктора-машиностроителя: в 3-х т.: Т.1. -
М.: Машиностроение, 2001г
.
Иголкин А.Ф., Федорова О.А. Основы взаимозаменяемости: Метод. указания к
курсовой работе. - СПб.: СПбГУНиПТ, 2007.
.
Иголкин А.Ф., Федорова О.А. Взаимозаменяемость, стандартизация и технические
измерения. Справочный материал к курсовой работе. СПб.: СПбГУНиПТ, 2007.