Выбор стандартных посадок в соединениях гладких цилиндрических деталей
Содержание
ИСХОДНЫЕ ДАННЫЕ
. ВЫБОР СТАНДАРТНЫХ ПОСАДОК В
СОЕДИНЕНИЯХ ГЛАДКИХ ЦИЛИНДРИЧЕСКИХ ДЕТАЛЕЙ
.1 Расчет и выбор посадок с натягом
1.2 Выбор посадок с зазором
1.3 Выбор переходных посадок
2. РАСЧЕТ И ВЫБОР ПОСАДОК
ПОДШИПНИКОВ КАЧЕНИЯ
3. ОПРЕДЕЛЕНИЕ ПАРАМЕТРОВ
МЕТРИЧЕСКОЙ КРЕПЕЖНОЙ РЕЗЬБЫ
. НОРМИРОВАНИЕ ДОПУСКОВ И НАЗНАЧЕНИЕ
ПОСАДОК ШПОНОЧНЫХ СОЕДИНЕНИЙ
5. РАСЧЕТ РАЗМЕРНЫХ ЦЕПЕЙ
6. ВЫБОР СРЕДСТВ ИЗМЕРЕНИЯ ЛИНЕЙНЫХ
РАЗМЕРОВ
. ЛИТЕРАТУРА
1. ВЫБОР СТАНДАРТНЫХ ПОСАДОК В СОЕДИНЕНИЯХ
ГЛАДКИХ ЦИЛИНДРИЧЕСКИХ ДЕТАЛЕЙ
1.1 Расчет и выбор
посадок с натягом
Цель работы: изучить методику расчета допустимых
значений минимального максимального натяга в посадке и, исходя из назначения
конструктивных особенностей и условий эксплуатации устройств, рассчитать и
выбрать стандартную посадку с натягом.
Рисунок 1 - Эскиз соединения с натягом
Данные:
d(диаметр
соединения)=32мм;
d1(диаметр
соединения)=20мм;
d2(диаметр
соединения)= корпус;
l(длина)=18мм;
Мкр(крутящий момент)=62Hм;
1(вал)=(материал детали) БрОФ10-1,
(корпус)=(материал детали) Сталь 40Х .
Способ сборки -1 (продольная сборка, коэффициент
трения fкр=0,15)
Выбор физико-механических свойств :
Е1(Модуль упругости)=1,*1011Па.
Е2(Модуль упругости)=2*1011Па.
т1(предел текучести)=150МПа.
т2(предел текучести)=786 МПа.
μ1(Коэффициент Пуассона)=0,35.
μ2 Коэффициент Пуассона)=0,3.
Определяем значения минимального
контактного давления в соединении из условия его неподвижности, при действии
крутящего момента.
Рmin=
.
Определяем значения максимально
допустимого контакта давления соединения, из условия отсутствия пластической
деформации охватываемой и охватывающей деталей.
;
.
Для дальнейшего расчета выбираем
меньшее значение:
Рmax=53M
Определение минимального и
максимального расчетных натягов
;
;
;
Определение поправки учитывая срез и снятие
неровностей.
.
Для продольной сборки Ra1=0,8; Ra2=1,2
.
Определения минимального и
максимального расчетных натягов с учетом поправки на шероховатость.
- коэффициент учитывающий увеличение
контактного давления в соединении у торцах охватывающей детали.
Рисунок 2-
Зависимость коэффициента
от
отношения длины соединения к диаметру
;
;
.
Определение среднего квалитета
посадки
где i -единица
допуска.
i=1,56.
Определяем квалитет точности ( в
сторону повышения точности) - IT5
Выбираем посадку в системе отверстия
по таблице в соответствии с условиями.


.
Схему расположений полей допусков
выбранной посадки представлено на рисунок 3.
Рисунок 3- Схема расположения полей допусков
посадки с натягом
1.2 Выбор посадок с
зазором
Цель задания
Изучение методики выбора стандартных посадок с
зазором на основе методов прецедентов (аналогов) или подобия.
Назначаем посадку
Ø52
.
В данной конструкции по посадке с
гарантированным зазором соединяются крышка подшипников узла 1 и стакан 3.
На рисунке 4 предоставлено графическое
изображение полей допусков посадки с зазором.
Рисунок 4 - Схема расположения полей допусков
посадки с зазором
Вывод. Допуск охватывающей детали нельзя
расширять, так как он должен обеспечить работоспособность подшипниковых узлов.
Допуск охватываемой детали сравнительно легко технологически выплним. Посадка
обеспечивает легкую сборку-разборку соединения.
1.3 Выбор переходных
посадок
Цель задания
Изучение методики выбора стандартных переходных
посадок на основе методов прецедентов (аналогов) или подобия.
ø25
По переходной посадке в данной
конструкции соединяются вал 2 и шестерни 6 .
На рисунке 5 предоставлено графическое
изображение полей допусков переходной посадки.
Рисунок 5- Схема расположения полей допусков
переходной посадки
Вывод. Выбранная переходная посадка обеспечивает
хорошее центрирование деталей и достаточно легкую сборку-разборку, так как для
этих посадок более вероятно получение зазора.
2. РАСЧЕТ И ВЫБОР ПОСАДОК ПОДШИПНИКОВ КАЧЕНИЯ
Цель задания:
Рассчитать и выбрать посадки колец подшипников с
валом и корпусом, назначить отклонения формы и шероховатость посадочных
поверхностей.
Рисунок 6-Эскиз посадки колец и присоединяющих
деталей
d=ø20.
Подшипник качения(5) 6-го класса соединяется с валом 2 диаметра ø20.
d=20мм;
R=0,7Кн;
Режим работы 1 - легкий. Перегрузка до 150%.
К1=1.
Класс точности подшипника качения (5)-6.
Выбираем подшипник средней серии с диаметром
внутреннего кольца d=20мм, №
подшипника 6-304.
Диаметр наружного кольца D=52мм.
Ширина колец В=15мм.
Радиус фаски 2мм.
Выбираем предельные отклонения по таблице 2.2
d=20 -0,008;
D=52 -0,008;
В=15-0,120;
Для выбора посадки внутреннего циркуляционно
нагруженного кольца, рассчитаем величину интенсивности радиальной нагрузки.
.
Где b=B-2r=15-4=11мм.
b-рабочая
ширина посадочной поверхности кольца, мм;
К1 - динамический коэффициент,
зависящий от режима работы подшипника;
К2 - коэффициент, учитывающий
степень ослабления натяга при сопряжении кольца подшипника с полым валом или
тонкостенным корпусом;
К3 - коэффициент неравномерности
распределения радиальной нагрузки в двухрядных или сдвоенных подшипниках при
наличии осевой силы А.
R радиальная
нагрузка, кН;
Выбираем поле допуска
Ø
Определяем квалитеты точности вала и
отверстия.
Для вала 6- квалитет, для корпуса
7-квалитет.
Выбираем допуск отверстия в корпусе.
Ø
Рисунок 7- Cхема
расположения полей допусков колец подшипника, вала и отверстия корпуса
Определяем допуск цилиндричности
посадочных мест вала и отверстия.
T|○|(вала)
=
;
T|○|(отверстия)=
.
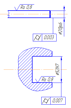
Определяем шероховатость посадочных
мест.
R|○|(вала)=0,8
мкм;
R|○|(корпуса)=0,8
мкм.
Эскизы посадочных мест представлены
на рисунке 8.
Рисунок 8 - Эскизы посадочных мест
3. ОПРЕДЕЛЕНИЕ ПАРАМЕТРОВ МЕТРИЧЕСКОЙ КРЕПЕЖНОЙ
РЕЗЬБЫ
Цель задания
Выбрать размеры и класс точности резьбового
соединения; назначить поля допусков и степени точности изготовления элементов
наружной резьбы (болта) d,
d1, d2
и внутренней резьбы D, D1,
D2.
P=0,8мм;
d(D)=5мм;
d1(D1)=4,459мм;
d2(D2
)=4,675мм.
Выбираем класс точности резьбы и характер
сопряжения болта и гайки.
.
М5-6Н - допуск на изготовление
гайки.
М5-6g- допуск на
изготовление болта.
Определяем предельные размеры гайки.
Предельные отклонения выбираем по таблице 4.5.
ESD=н/огр.
Dmax=D+
ESD= н/огр.
EID=0; Dmin=D+
EID=5мм;=+0,125; D2max=
D2+ ESD2=4,8мм;=0; D2min=
D2+ ESD1=4,675мм;=+0,2; D1max=D1+
ESD1=4,659мм;=0. D1min=D1=
EID1=4,459мм.
На рисунке 9 изображена схема расположения поля
допуска внутренней резьбы М8-Н6.
Рисунок 9 - Схема расположения поля допуска М5-
Н6
Определяем предельные размеры наружной резьбы
М5-6g.
esd=-0,024; dmax=d
+ esd= 4,976мм;=-0,174; dmin=d
+ eid=4,826мм;=-0,024; d2max=d2
+ esd2=4,651мм;=-0,119; d2min=d2
+ eid2=4,556мм;=-0,024; d1max=d1
+ esd1=4,435мм;1=н/огр. d1min=d1
+ eid1=н/огр.
посадка натяг конструктивный деталь
Определяем предельные отклонения.
На рисунке 10 изображена схема расположения поля
допуска наружной резьбы М5-6g.
Рисунок 10- Схема расположения поля допуска
наружной резьбы М5-6g
Схема расположения полей допусков
резьбового соединения
предоставлена
на рисунке 11.
Рисунок 11 - Схема расположения полей допусков
резьбового соединения
4. НОРМИРОВАНИЕ ДОПУСКОВ И НАЗНАЧЕНИЕ ПОСАДОК
ШПОНОЧНЫХ СОЕДИНЕНИЙ
Цель задания
Назначить размеры, допуски и посадки для
деталей, входящих в шпоночные соединения в зависимости от условий эксплуатации
и требований к точности центрирования.
Рисунок 12- соединение с призматической шпонкой
Выбираем соединение с призматической шпонкой,
так как оно получило наибольшее распространение ( рисунок 12). В данной
конструкции шпоночное соединение служит для передачи крутящего момента с вала 2
на сменную шестерню 6.
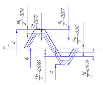
Номинальные размеры шпоночного соединения
выбираются в зависимости от диаметра вала.
d=25мм;
b=8мм;
h=7мм;
t1=4мм;
t2=2,8мм;
l=20мм;
Из условий работы и сборки соединения определяем
вид соединения по ширине шпонки b
. Условия работы нормальные.
Так как шестерня 6 сменная, то соединение с
пазом втулки должно быть свободным (ширина паза - 8D10),
а с пазом вала номинальным (ширина паза 8N9).
Назначаем поля допусков на диаметры вала и
втулки, соединяемых шпонкой.
ø
.
Назначаем допуски на размеры шпонки
.
h9; 7h11; 20h14.
Назначаем поля допусков на глубину
шпоночных пазов на валу и во втулке .
;
; d+t2=
.
На рисунке 13 представлена схема
расположения полей допусков на ширину шпоночных пазов.
Рисунок 13- схема расположения полей допусков на
ширину шпоночных пазов
Назначаем допуски симметричности Тсим шпоночного
паза относительно оси и параллельности Тпар плоскости симметрии паза
относительно оси по длине паза.
Из условия сборки рекомендуется следующие
соотношения.
Где Тш- допуск на ширину шпоночного паза.
Так как в задачи требуется выполнить
деталировочный чертеж только вала, то допуски назначаются на шпоночный паз
вала.
Тсим=72мкм=0,072мм;
Тсим=50мкм=0,05мм;
Тпар=10мкм=0,01мм.
Условное обозначение выбранной
шпонки:
Шпонка
ГОСТ
23360-78.
5. РАСЧЕТ РАЗМЕРНЫХ ЦЕПЕЙ
Цель работы
Установить допуски и предельные
отклонения на составляющие звенья размерной цепи.
Составляем схему размерной цепи,
схема предоставлена на рисунке14
Рисунок 14- схема размерной цепи.
Номинальные размеры звеньев:
А1=27мм;
А2=46мм;
А3=6мм;
А4=4мм;
А5=57мм;
А6=5мм;
Увеличивающие звенья - А1, А2.
Уменьшающие звенья - А3, А4, А5, А6.
Решаем прямую задачу методом «max и min» - способ
равной точности.
Определяем среднюю точность
составляющих звеньев:
А
- допуск замыкающего звена =0,4;
ТAi- допуск на
стандартные звенья =0;
i- единица допуска[1].
[1].Определяем ближайший более точный квалитет IT9
Назначаем на увеличивающие звенья поле допуска,
как на основные отверстия (Н), а на уменьшающие как на основной вал (h),
кроме увязывающего звена.
Определяем номинальный размер
замыкающего звена:
Определяем допуски и предельные
отклонения увязывающего звена:
А4
Формула для расчета отклонений:
Обратная задача:
Условие проверки правильности решения размерных
цепей:
6. ВЫБОР СРЕДСТВ ИЗМЕРЕНИЯ ЛИНЕЙНЫХ РАЗМЕРОВ
Цель работы
Выбрать средства измерения для сопрягаемого и
несопрягаемого размеров и определить влияние погрешности измерения на результаты
разбраковки при приемочном контроле.
.Ознакомимся со стандартом ГОСТ 8.051-81
«Погрешности, допускаемы при измерении линейных размеров до 500мм».
2. Из чертежа задания выбираем один
сопрягаемый и один несопрягаемый размер. В качестве сопрягаемого берется
диаметр вала 10 под посадку внутреннего кольца подшипника ø25js6
,
несопрягаемого - ширину сменной шестерни ø57h7
.
. Выбираем допускаемые значения
погрешности измерения
-
приложения [1].
ø25js6-
=4мкм. ø57h7 -
=9мкм.
4. Из условий распределения размеров и
погрешностей средств измерения по нормальному закону определяем коэффициент
метода измерения по формуле
где IT - допуск
измеряемого размера, мкм;
- среднее
квадратичное отклонение погрешности измерения, мкм (
.
Для ø25js6-
=
Для ø57h7 -
=
. По значению
определяем
предельные значения (m, n, c/IT) - вероятность
предельных велечин параметров разбраковки приложения [1].
Для ø25js6
m=3,5; n=4,75; c/IT=0,14.
Для ø57h7
m=1,7; n=2,25; c/IT=0,06.
6. По паспортным данным каталого
выбираем средства измерения размеров с учетом допускаемых погрешностей
измерения.
Для ø25js6 - скоба
рычажная ( цена деления 0,002мм);
Для ø57h7 - скоба
рычажная ( цена деления 0,01мм).
Литература
1)
Взаимозаменяемость, стандартизация и технические измерения: Методические
указания к выполнению курсовой работы / Под редакцией В. С. Григорьева ПГУ
1996г.
2)
Государственный образовательный стандарт высшего профессионального образования.
Государственные требования к минимуму содержания и уровню подготовки инженера
по спец. 150200 - АиАХ: Утв. гос. комитет РФ по высш. образованию 24.10.94/
Учеб.-метод. объедин. по автотранспортному и дорожному образованию. - М:
ГУОППТ, 1994. - 29 с.
)
Казюта А.М. Метрология, стандартизация и взаимозаменяемость (для студ.спец.
170400). Основы метрологии, стандартизации и сертификации (для студ.спец.
150200): Программа для решения задач с применением ЭВМ и справочные материалы к
выполнению курсовой работы / Воронеж. гос. лесотехн. акад. - Воронеж, 1997. -
46 с.
)
Якушев А.И. и др. Взаимозаменяемость, стандартизация и технические измерения:
Учебник для вузов/ А.И. Якушев, Л.Н. Воронцов, Н.М. Федотов. - М.:
Машиностроение, 1986. - 352 с., ил.
)
Белкин И.П. Допуски и посадки. Основные нормы взаимозаменяемости: Учеб. пособие
для студентов машиностроительных специальностей высших технических заведений. -
М.: Машиностроение, 1992. - 528 с., ил.
)
Дунаев П.Ф. и др. Допуски и посадки. Обоснование выбора: Учеб. пособие для
студентов машиностроительных вузов / П.Ф. Дунаев, О.П. Леликов, Л.П. Варламова.
- М.: Высш. шк., 1984. - 112 с., ил.
)
Галинкин Б.Е., Станчев Д.И. Допуски и посадки подшипников качения в автомобилях
и машинах лесной промышленности и лесного хозяйства: Учебное пособие. -
Воронеж.: Изд-во ВГУ, 1981. 84 с., ил.