Выбор посадок и их расчет для деталей сборочной единицы

  • Вид работы:
    Контрольная работа
  • Предмет:
    Другое
  • Язык:
    Русский
    ,
    Формат файла:
    MS Word
    379,19 Кб
  • Опубликовано:
    2013-08-07
Вы можете узнать стоимость помощи в написании студенческой работы.
Помощь в написании работы, которую точно примут!

Выбор посадок и их расчет для деталей сборочной единицы

1. Расчёт и анализ посадок для гладких цилиндрических поверхностей

 

.1 Расчёт и выбор посадок с натягом


Из условия неподвижности соединения в зависимости от характера передаваемой нагрузки определим требуемое минимальное давление на контактных поверхностях соединения Pmin, МПа.

При действии крутящего момента Мкр(Н×м):

,

где:

.

Используя закон Гука и решения задачи Ламе, можно рассчитать величину наименьшего натяга Nmin расч(мкм), при котором будет обеспечена неподвижность соединения:

.

В данной формуле ED и Ed - модули упругости материалов сопрягаемых деталей. Принимаем материал ступицы Ст45, а зубчатого венца - сталь 12ХН3А, тогда, пользуясь учебным пособием «Основы взаимозаменяемости в авиастроении» (см. приложение, табл. П8), имеем:D=2,1×105 МПа;d=2,1×105 МПа.

СD и Сd - коэффициенты Ламе, определяемые по формулам:

;

.

Здесь, D0 и d0 - наружный диаметр охватывающей детали и диаметр внутренней полости охватываемой детали. В нашем случае:0»300 мм, d0=90 мм.

mD и md - коэффициенты Пуассона, соответственно для охватывающей и охватываемой деталей

mD=md=0.3.

Тогда,

;

;

.

На основании теории о наибольших касательных напряжениях определим максимально допустимое давление Pmax, при котором отсутствуют пластические деформации соединяемых деталей:


где:Dmax - максимально допустимое давление для охватывающей детали;dmax - максимально допустимое давление для охватываемой детали;

sTD=687 МПа - предел текучести охватывающей детали;

sTd=353 МПа - предел текучести охватываемой детали (см. учеб пособие).

Выбираем наименьшее из двух полученных значений Pdmax=116,995 МПа.

Определим величину наибольшего расчётного натяга:


По [1] (см. стр. 31, рис. 14) c=0,5

Учтём поправку на смятие неровностей контактных поверхностей отверстия и вала. Из ряда стандартных значений по [1] (стр. 31) выбираем:aD=0,8 мкм, Rad=0,4 мкм.

.

С учётом поправки определяем минимальную и максимальную величины функциональных натягов:

min функ= Nmin расч+Dш=12 мкм;max функ= Nmax расч+Dш=501 мкм.

По данным (ГОСТ 25364-88 и ГОСТ 25347-82) выбираем посадку, удовлетворяющую условиям:

Nmin cm³Nmin функ,

Nmax cm£Nmax функ,

где: Nmin ст и Nmax ст - значения натяга, обеспечиваемые какой-либо стандартной посадкой.

Для нашего случая подходят посадки, изображённые в таблице 8.

Таблица 8

H7/r6

Nmax cm

109

Nmin cm

34


При этом посадка предпочтительного применения - H7/r6 (она более предпочтительна т. к. для неё имеется в наличии достаточно режущего и измерительного инструмента и при образовании этой посадки не требуется больших усилий).

Изобразим схему полей допусков для посадки H7/r6 на рис. 1:

Рис. 1

1.2 Соединение зубчатого колеса с валом

Данное соединение должно быть по характеру неподвижным, разъёмным. Посадка для этого соединения должна обеспечивать легкость монтажа и хорошее центрирование колеса. Выбираем наиболее рекомендуемую переходную посадку в системе отверстия Н7/к6.

Наибольше вероятен зазор

Принимая Т=6s, определим среднеквадратическое отклонение для отверстия и для вала:

Суммарное значение:


PS=F1+0,5;

F1=F(z);

;

F1=F(0,591)=0,2257;

PN=0,2257+0,5=0,7257.

Вероятность получения соединения с натягом:

PS=1-PN =1 - 0,7257=0,2743.

Таким образом, в данной посадке при достаточно большом количестве деталей в партии можно ожидать появления 72,57% соединений с зазором и 27,43% с натягом. Изобразим поля допусков ПП 68Н7/к6 на рисунке 2.

Рис. 2. Кривая нормального распределения

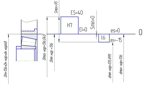
1.3 Выбор посадок для соединений подшипника качения с валом и корпусом

Подшипник изготовлен по классу точности 6. Подшипник работает по схеме I, т.е. наружное кольцо неподвижное, а внутреннее кольцо вращается вместе с валом. В этом случае наружное кольцо подшипника устанавливается в корпус, а внутреннее кольцо напрессовывается на вал. Это достигается за счёт использования полей допусков валов под переходные посадки, что благодаря специфическому расположению поля допуска на внутреннее кольцо позволяет получить в соединении небольшой гарантированный натяг.

Выбираем посадку .

Соединение внутреннего кольца подшипника качения с валом (рис. 3).

Рис. 3

Соединение наружного кольца подшипника качения и корпусом (рис. 4).

Рис. 4

2. Расчёт исполнительных размеров калибров для контроля отверстия и вала, образующих посадку

У готовых изделий необходимо определить, годна ли деталь или нет, т.е. удалось ли изготовить деталь с требуемой точностью или нет. Для этого применяются специальные приборы: калибр - пробка (для отверстий) и калибр - скоба (для валов). Рассчитаем калибры, т.е. инструменты для контроля точности вала и отверстия, сопрягающиеся по посадке

Найдём допуски на посадку . (рис. 5.)

Рис. 5

3. Назначение и анализ посадок для шпоночного соединения

Посадка шпонки в паз вала и в паз ступицы выбирается в системе вала. Это обусловлено тем, что основная деталь - шпонка. Она изготовлена по ГОСТ 23360 - 78. Соединение шпонки с валом должно быть достаточно плотным (с небольшим натягом), чтобы шпонка не перемещалась относительно паза. Соединение шпонки со ступицей должно быть свободным, (желательно с небольшим зазором). Зазор необходим для того, чтобы компенсировать при сборке погрешности формы и расположения поверхностей шпонки и пазов. Руководствуясь учебным пособием, выбираем нормальный характер шпоночного соединения.

Геометрия соединения:

диаметр вала d=84 мм;

ширина шпонки b=22 мм;

высота шпонки h=14 мм;

глубина шпоночного паза вала t1=9 мм;

глубина шпоночного паза ступицы t2=5,4 мм.

Рис. 6

4. Назначение и анализ посадок для резьбового соединения

Для регулирования относительного положения вала регулировочными винтами, выбираем скользящую посадку, причём посадка резьбы корпуса 6Н, посадка резьбы вала 6g.

Исходные данные: D=d=33 мм, класс точности - средний.

Определим и запишем в сводную таблицу параметры резьбы, значения предельных отклонений, а также значения зазоров.

посадка вал подшипник калибр

Номинальные размеры резьбового соединения M33x1,5-6H/6g

D=d=33 мм

D2=d2=32,026 мм

D1=d1=31,376 мм

Внутренняя резьба (гайка) M33x1,6 - 6H

EID, мкм

ESD, мкм

EID2, мкм

ESD2, мкм

EID1, мкм

ESD1, мкм

0

не огранич.

0

+200

0

+300

Dmin, мм

Dmax, мм

D2 min, мм

D2 max, мм

D1 min, мм

D1 max, мм

33

не огранич.

32,026

32,226

31,376

31,676

Наружная резьба (болт) M33x1,4 - 6g

еsd, мкм

еid, мкм

esd2, мкм

eid2, мкм

esd1, мкм

eid1, мкм

-32

-268

-32

-182

-32

не огранич.

dmax, мм

d2 max, мм

d2 min, мм

d1 max, мм

d1 min, мм

32,968

32,732

31,994

31,835

31,344

не огранич.

Величина предельных зазоров, мкм

SD(d) min

SD(d) max

SD2(d2) min

SD2(d2) max

SD1(d1) min

SD1(d1) max

32

не огранич.

32

382

32

не огранич.

Рис. 7

 


Заключение


В данной работе были рассмотрены различные по характеру соединения: подвижные и неподвижные, разъемные и не разъемные. Для них назначены посадки. Для данных посадок вычислены величины предельных размеров, нижних и верхних отклонений, минимальные и максимальные значения натягов и зазоров.

Похожие работы на - Выбор посадок и их расчет для деталей сборочной единицы

 

Не нашли материал для своей работы?
Поможем написать уникальную работу
Без плагиата!
Без нейросетей!