Нормирование точносных параметров соединений деталей сборочной единицы

  • Вид работы:
    Курсовая работа (т)
  • Предмет:
    Другое
  • Язык:
    Русский
    ,
    Формат файла:
    MS Word
    292,17 Кб
  • Опубликовано:
    2013-11-18
Вы можете узнать стоимость помощи в написании студенческой работы.
Помощь в написании работы, которую точно примут!

Нормирование точносных параметров соединений деталей сборочной единицы

Введение

Переход России к рыночной экономике обусловил более высокие требования в отношении качества изделий, уровень которого в основном определяет их конкурентоспособность на внутреннем и международных рынках.

Качественные показатели современных изделий приборостроения и машиностроения в значительной степени зависят от требуемой точности изготовления, соответствия требуемым параметрам и характеристикам их отдельных составных частей: элементов, деталей, узлов.

Конструкторская и технологическая документации обычно представляют собой чертежи и технологические карты, на которых дается изображение деталей и сборочных единиц с целым рядом указаний к процессу обработки или сборки. Большинство из этих указаний направлены на ограничение погрешностей, возникающих при обработке или сборке деталей.

Учесть все погрешности практически невозможно. Поэтому проблема правильного и обоснованного нормирования точности параметров кинематических пар и цепей является особенно актуальной.

Всякое необоснованное назначение допусков приводит к удорожанию производства.

В процессе конструирования изделий необходим всесторонний анализ влияния входных точностных параметров изделия на его функциональные характеристики с учетом технико-экономических показателей, так как точность выходного параметра механизма прибора или машины определяется точностью изготовления и сборки отдельных его звеньев.

1.      Принцип действия и требования к сопрягаемым поверхностям сборочной единицы

Данная сборочная единица является частью редуктора. Крутящий момент передаётся на шестерню (2), установленную на вал (7) при помощи шлицевого соединения. Вал (7) опирается на шариковые подшипники (1) которые установлены в корпус (9). Крутящий момент передается с помощью шестерни (2) на зубчатое колесо (4). Крышка (8) обеспечивает целостность узла. Крышка (8) и втулка (5) предотвращают осевое смещение вала (7).

Требования к поверхностям.

Корпус и наружное кольцо подшипника соединяются по посадке с зазором. Следует применить систему вала в целях экономии, т.к. подшипники изготавливаются стандартных размеров, а значит изготовить отверстие под стандартный подшипник будет дешевле, чем изготавливать нестандартный подшипник под нужный вал. Следует применить 6 или 7 квалитеты, т.к. они чаще всего принимаются в таких посадках. Шероховатость около Ra = 1,6 мкм.

Внутреннее кольцо подшипника с валом соединяются с натягом. Применяют посадку в системе отверстия. Для достижения высокой точности в данном соединении применяют 6 или 7 квалитеты. Обработка с шероховатостью Ra = 1,6 мкм.

Втулка и вал соединяются по посадке с зазором. Следует применить систему отверстия, вал надо изготавливать по 4…7 квалитету, втулку - по - 5…8 квалитету, обработать детали с шероховатостью Ra = 1,6 мкм.

Зубчатое колесо на вал садится с натягом. Предпочтительнее посадка в системе отверстия. Для посадки средненагруженных колес часто применяют 6 и 7 квалитеты. Детали изготовляют с шероховатостью Ra = 1,6 мкм.

2.      Расчёт и выбор посадок колец подшипников качения.

Исходные данные: подшипника качения класса точности 6, d = 40 мм, D = 80 мм, B = 18 мм, r = 2 мм. Расчетная радиальная реакция опоры R = 22 кН. Нагрузка ударная, перегрузка 130%.

2.1.   Определяем вид нагруженности колец

Наружное кольцо имеет местное нагружение.

Внутреннее - циркуляционное.

2.2.   Определяем поля допусков колец подшипника

Ø40L6(-0,010)

Ø80l6(-0,015)

2.3.   Определяем поле допуска разъёмного корпуса

Ø80h7(+0,035)

2.4.   Определяем посадку меснонагруженного кольца

Ø

2.5.   Определяем точностные характеристики детали и соединения

2.5.1. Точностные характеристики Ø80l6(-0,015)

2.5.2. Точностные характеристики Ø80H7(+0,035)

2.5.3. Точностные характеристики соединения Ø


Таблица 2.1 Точностные характеристики посадок подшипника качения

Обозначение соединения

Вид посадки

Точностные характеристики, мм



Smax

Nmax

Nср(Sср)

TNS

ØС зазором0,0250,090,0570,115







2.6.   Схема расположения полей допусков

Рис. 2.1 Схема расположения полей допусков наружного кольца подшипника

2.7.   Установим посадку для циркуляционно нагруженного кольца

2.7.1. Определяем интенсивность радиальной нагрузки


Где R - радиальная реакция опоры на подшипник, Н;

b - рабочая ширина посадочного места, м,


Где r - ширина фаски кольца подшипника, м;

k1 - динамический коэффициент посадки, зависит от характера нагрузки (при умеренных толчках и ударах k1 = 1, при перегрузах k1 = 1.8);

k2 - коэффициент, учитывающий степень ослабления посадочного натяга при полом вале или тонкостенном корпусе, при сплошном вале k2 = 1;

k3 - коэффициент неравномерности распределения радиальной нагрузки pR между рядами роликов в двурядных роликоподшипниках или между сдвоенными шарикоподшипниками при наличии осевой нагрузки на опору Fa. Для радиальных и радиальноупорных подшипников с одним наружным или внутренним кольцом k3 = 1.


2.7.2.        Определяем поле допуска вала

Ø

2.8.   Определим точностные характеристики детали и соединения

Точнистные характеристики вала Ø.

Точностные характеристики отверстия 40l6(-0,010).

Точностные характеристики соединения Ø


Таблица 2.2. - Точностные характеристики посадок подшипника качения

Обозначение соединения

Вид посадки

Точностные характеристики, мм



Nmax

Nср(Sср)

TN

ØС натягом0,0300,0090,0190,021







2.9.   Посадка циркуляционно нагруженного кольца

Ø

2.10. Схема расположения полей допусков


2.11. Определим допускаемый натяг циркуляционно нагруженного кольца


Видно, что, Nmax=30мкм < Nдоп=141мкм.

3.      Выбор посадок и расчёт точностных характеристик соединения «втулка - вал»

3.1.   Для получения необходимого зазора выбираем такое поле допуска отверстия, у которого основное отклонение EI больше верхнего отклонения es на 20 - 30 мкм

 Ø

3.2.   Определяем точностные характеристики деталей, входящих в данное соединение

3.2.1. Точностные характеристики отверстия распорной втулки Ø


3.2.2. Точностные характеристики вала Ø


3.2.3. Точностные характеристики соединения Ø


Где

Таблица 3.1 - Точностные характеристики посадки с зазором

Обозначение соединения

Вид Посадки

Точностные характеристики, мм



Smax

Smin

Sср

TS

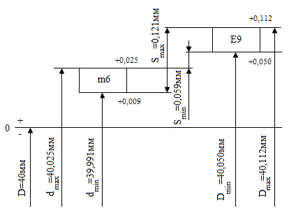
ØС зазором0,1210,0590,1360,062







.3.     Схема расположения полей допусков соединения «втулка - вал»


4.      Выбор посадки и расчёт точностных характеристик соединения «крышка - корпус»

4.1.   Исходные данные D2=80мм

Исходя из анализа принципа действия сборочной единицы выбираем посадку

Ø

4.2.   Определяем точностные характеристики деталей, входящих в данное соединение

4.2.1. Точностные характеристики отверстия корпуса Ø80H7(+0,035)


4.2.2. Точностные характеристики крышки Ø



4.2.3. Точностные характеристики соединения Ø


Где

Таблица 4.1 - Точностные характеристики посадки с зазором

Обозначение соединения

Вид Посадки

Точностные характеристики, мм



Smax

Smin

Sср

TS

ØС зазором0,2090,1000,1540,109







4.3.   Схема расположения полей допусков соединения «крышка - корпус»


5.      Выбор посадок элементов шлицевого соединения

5.1.   Устанавливаем способ центрирования шлицевого соединения

Для данного соединения лучше всего подходит центрирование по внешнему диаметру D.

.2.     Выбираем посадку в зависимости от способа центрирования


5.3.   Определим точностные характеристики всех элементов шлицевого соединения

5.3.1. Определим точностные характеристики соединения

Ø

5.3.1.1.       Точностные характеристики втулки Ø26H11(+0,160).


5.3.1.2.       Точностные характеристики вала Ø26dmin(-2,600).


5.3.2. Определим точностные характеристики соединения

Ø

5.3.2.1.       Точностные характеристики втулки Ø32H7(+0,025).


5.3.2.2.       Точностные характеристики вала Ø


5.3.3. Определим точностные характеристики соединения

Ø

.3.3.2.         Точностные характеристики шлицевого паза Ø


.3.3.2.         Точностные характеристики ширины зуба Ø


Таблица 5.1 - Точностные характеристики элементов шлицевого соединения

Наименование параметра

Номинальный размер, мм

Поле допуска

Значение допуска, мм

Предельные отклонения, мм

Предельные размеры, мм





EI, ei

ES, es

min

max

1. Точностные характеристики параметров шлицевого профиля втулки

1.1 ширина зуба

6

F8

0,018

+0,028

+0,010

6,010

6.028

1.2 наружный диаметр

32

H7

0,025

+0,025

0

32

32,025

1.3 внутренний диаметр

26

H11

0,160

+0,160

0

26

26,160

2. Точностные характеристики параметров шлицевого профиля вала

2.1 ширина шлицевого паза

6

f8

0,018

-0,010

-0,028

5,972

5,990

2.2 наружный диаметр

32

js6

0,016

+0,008

-0,008

31,992

32,008

2.3 внутренний диаметр

26

dmax

2,600

0

-2,600

23,4

26


5.4.   Определим точностные характеристики посадок элементов шлицевого соединения




5.4.2. Определим точностные характеристики посадок соединения

 


5.4.2. Определим точностные характеристики посадок соединения



Таблице 5.2 - Точностные характеристики посадок шлицевого соединения

Обозначение соединения

Вид посадки

Точностные характеристики, мм



Smax

Smin

Sср

Допуск посадки

С зазором02,7602,760






С зазором0,0170,0330,016






С зазором0,0200,0560,036








6.      Расчёт и выбор стандартных значений допусков формы, расположения и шероховатости поверхностей элементов деталей сборочной единицы.

Выбор допусков формы и расположения поверхности вала.

Для обеспечения нормальной кинематической точности зададим допуск соосности.


Найдём стандартное значение.


Что бы ограничить концентрацию давления на посадочную поверхность зададим допуск круглости.


Найдём стандартное значение.


Значение шероховатости следует назначить Ra =0,63мкм.

Выбор допусков формы и расположения поверхности вала.

Для крышки следует назначить следующие допуски:

Допуск параллельности.

T = 20мкм

Допуск торцевого биения.

T=20мкм

Допуск круглости.

T =17мкм

Значение шероховатости следует принять Ra=3,2 - 6,3мкм.

7.      Расчёт размерной цепи

7.1.   Расчёт размерной цепи методом полной взаимозаменяемости

Исходные данные:

= 18= 80= 28- ?= 10


7.1.1. Вычислим неизвестное звено A4

AΔ = A4-(A1+A2+A3+A5)= AΔ+A1+A2+A3+A5= 1+18+80+28+10 = 137 мм

.1.2.  Найдём допуск замыкающего звена

ТAΔ = 640 мкм

7.1.3. Определим среднее количество единиц допуска:


где- допуск замыкающего звена;

- суммарный допуск стандартных деталей, которые входят в состав данной размерной цепи.

i - значение еденицы допуска каждого составляющего звена.

7.1.4. Найдём значения допусков составляющих звеньев

i1=1,08 мкм

i2=1,86 мкм

.1.4.  i3=1,31 мкм4=2,52 мкм

i5=0,9 мкм


Следовательно: IT10 или IT11

7.1.5. Определим допуски составляющих звеньев по выбранному квалитету

ТA1 = 120 мкм

ТA2 = 120 мкм

ТA3 = 130 мкм

ТA4 = 160 мкм

ТA5 = 90 мкм

.1.6.  Проведём проверку условия


< 620 Δ=3,12% следовательно: квалитеты выбраны верно.

Обозначение звена

Номинальный размер

Квалитет

Допуск, мкм

Поле допуска

Предельные отклонения

Примечания






Es

Ei


1

-

640

+580-60




A1

18

-

120




Ум.

A2

80

10

120

H10(+0,120)

+120

0

Ум.

A3

28

11

130

h11(-0,130)

0

-130

Ум.

A4

137

10

160

H10(+0,160)

+160

0

Ув.

A5

10

11

90

h11(-0,058)

0

-58

Ум.








.1.7   Проверка правильности назначенных предельных отклонений составляющих звеньев


≥160-(-130-58) =348

≥348

≤0-(-120+0+0+0)

≤120

7.2.   Расчёт размерной цепи вероятностным методом

7.2.1. Определим среднее количество единиц допуска


где t - коэффициент принятого процента риска замыкающего звена,

λ - коэффициент относительного рассеяния.


Следовательно: IT = 12; IT = 13

7.2.2. Назначим поля допусков составляющих звеньев

ТA1 = 120 мкм

ТA2 = 300 мкм

ТA3 = 330 мкм

ТA5 = 150 мкм

7.2.3. Проведём проверку условия


> 612 Δ=4,37% следовательно: квалитеты выбраны верно.

Таблица 5.2 - Расчётные данные размерной цепи.

Обозначение звена

Номинальный размер

Квалитет

Допуск, мкм

Поле допуска

Предельные отклонения

Примечания






Es

Ei


1

-

640

+580-60




A1

18

-

120




Ум.

A2

80

12

300

H12(+0,300)

+300

0

Ум.

A3

28

13

330

h11(-0,130)

0

-130

Ум.

A4

137

12

400

H12(+0,400)

+400

0

Ув.

A5

10

12

150

h12(-0,120)

0

120

Ум.








7.2.4. Проведём проверку правильности решения задачи


Где =640-612=28

≥114


≤236

Условие выполняется, следовательно поля допусков и квалитеты назначены верно.

7.3.   Анализ методов и выбор метода расчёта.

При использовании теоретико-вероятностного метода, для расчёта размерной цепи получаются поля допусков размеров больше, чем метод, обеспечивающий полную взаимозаменяемость. Вследствие чего брак при изготовлении узла сокращается, а также сокращаются затраты на материал, инструмент, оснастку.

шлицевый кольцо подшипник сборочный

Список использованных источников

1. Палей М. А. Допуски и посадки: Справочник. Ч. 1 / М. А. Палей, А. Б. Романов, В. А. Брагинский. - Л.: Политехника, 1991. - 576 с.

. Лисовская З.П. Нормирование точностных параметров типовых соединений деталей приборов и машин (в курсовом и дипломном проектировании): Учебное пособие / З. П. Лисовская, В. Н. Есипов. - Орел: ОрелГТУ, 2002. - 122 с.

4.  Перель Л.Я. Подшипники качения: Расчёт, проектирование и обслуживание опор: Справочник. - М.: Машиностроение, 1983. - 543с., ил.

Похожие работы на - Нормирование точносных параметров соединений деталей сборочной единицы

 

Не нашли материал для своей работы?
Поможем написать уникальную работу
Без плагиата!
Без нейросетей!