Взаимозаменяемость деталей и размерные цепи
Содержание
Введение
Задание 1.
Расчет и выбор посадок для гладких цилиндрических соединений
Задание 2.
Расчет количества групп деталей для селективной сборки соединения требуемой
точности
Задание 3.
Расчет и выбор полей допусков для деталей, сопрягаемых с подшипниками качения
Задание 4.
Выбор допусков и посадок шпоночных соединений
Задание 5.
Допуски и посадки шлицевых соединений
Задание 6.
Расчет допусков размеров, входящих в заданную размерную цепь
Заключение
Литература
Приложение
Введение
Современное производство машин и оборудования,
приборов, их эксплуатация и ремонт основываются на использовании принципа
взаимозаменяемости деталей, сборочных единиц и агрегатов.
Взаимозаменяемость - это свойство деталей,
сборочных единиц и агрегатов занимать свои места в машине без каких либо
дополнительных операций в соответствии с заданными техническими условиями.
Следовательно, эти детали, сборочные единицы и
агрегаты должны соответствовать каким-то правилам, нормам, т.е. быть
стандартизированы.
Внедрение систем общетехнических стандартов
(ЕСКД, ЕСТП, ЕСТПП, ЕСДП и др.) и контроль за соблюдением требований стандартов
в производстве - важнейший рычаг повышения качества продукции.
Эксплуатационные показатели механизмов и машин
(долговечность, надежность, точность и т.д.) в значительной мере зависят от
правильности выбора посадок, допусков формы и расположения, шероховатости
поверхностей у отдельных деталей.
В собранном изделии детали связаны друг с другом
и отклонения размеров, формы и расположения осей или поверхностей одной из
деталей вызывают отклонения у других. Эти отклонения, суммируясь, приводят к
повышенному и неравномерному изнашиванию деталей, снижает точность работы
подвижных соединений, вызывают интенсивный износ, очаги задиров, неравномерное
распределение напряжений в неподвижных сопряжениях.
Взаимозаменяемость деталей, сборочных единиц и
агрегатов основывается на Единой Системе Допусков и Посадок (ЕСДП) по ГОСТ
25346-89.
Задание 1.
Расчет
и выбор посадок для гладких цилиндрических соединений
Исходные данные
Номинальный размер: Ø32.
2 Значения расчетных натягов: Np(max)=42
мкм, Np(min)=12
мкм.
Система полей допусков: сH.
Выполнение задания
Определяем допуск натяга:
TNр
= Np(max) - Np(min) = 42-12 = 30 мкм,
Число единиц допуска по формуле:
аср. =
,
где TN - допуск
натяга;
i - единица
допуска для заданного размера (определяется по таблице X
приложения);
2 Квалитет определяем по таблице XI
приложения: IT6 - квалитет
шестой.
3 Определяем допуск размера отверстия и
вала по таблице I:
TD = Td
= 16
мкм.
Определяем шероховатость деталей соединения по формуле:
RzD
≤
0,125TD,
Rzd≤
0,125Td
RZD
= Rzd
= 0,125 ∙ 16 = 2 мкм.
Предельные технологические натяги:
NT(max)
= Np(max)
+ 1,4(RzD
+ Rzd);
NT(min) = Np(min)
+ 1,4(Rzd + Rzd),
где Nр(max)
,Nр(min)
- расчетные предельные натяги;
RzD
- величина шероховатости отверстия;
Rzd
- величина шероховатости вала.
NT(max) = 42 + 1,4(2 + 2)
= 47,6 мкмT(min)
= 12 + 1,4(2 + 2) = 17,6 мкм.
5 Определяем квалитеты отверстия и вала по
таблице приложения I, соблюдая
условие:
TD + Td
≤
TN;
отверстие - шестой квалитет TD
= 16 мкм;
вал - пятый квалитет Td
= 11 мкм;
сумма допусков TD
+ Td = 16+11 = 27 мкм.
Назначаем стандартную посадку:
По таблице приложения III
выбираем основное отклонение по условиям:
в системе отверстия (cH):
;
ei ≥ 17,6
+ 16;
ei ≥33,6.
Поскольку в задании система
отверстия, отклонения вала должны быть положительными:
еi = +34 мкм;
что соответствует посадке «r»;
es = ei + Td = 34 + 11
=45 мкм.
Записываем выбранную посадку:
Ø32
.
Проверяем соблюдение условия:
Nc(min) ≥
NT(min); Nc(max) ≤
NT(max);
Nc(max) = dmax - Dmin =
32,045 - 32,0 = 0,045 мм; 0,045 ≤ 0,047мм;
Nc(min)
= dmin - Dmax = 32,034 - 31,984 = 0,05 мм;
0,050 ≥ 0,017мм.
Условие соблюдается - посадка
выбрана верно.
Уточняем шероховатость поверхности
вала и отверстия:
Rzd =
0,125 · Td =
0,125 · 11 = 1,375 мкм;
RZD =
0,125 · TD =
0,125 · 16 = 2 мкм.
Выбираем стандартные значения Rzd и RZD по таблице
1.1:
Rzd = 0,80 мкм;
RZD = 1,6 мкм.
По таблице 1.2 назначаем завершающий
технологический процесс, обеспечивающий требуемую точность и шероховатость:
Вал - круглое шлифование тонкое
Отверстие - развертывание.
Выбираем средства измерения для
отверстия δ
= 5 мкм
(таблица IV
приложения).
Соблюдая условие ±∆lim ≤ δ,по таблице V - индикатор
типа МИГ с ценой деления 0,02 мм с предельной погрешностью ±∆lim = 10 мкм
Для вала - δ = 4 мкм -
микрометр рычажный типа МР с отсчетом 0,002 мм в стойке с предельной
погрешностью ± ∆lim = 4 мкм.
Результаты выбора заносим в таблицу
1.
Строим схему полей допусков
соединения, которая представлена на рисунке 1.
Рисунок 1 - Схема полей допусков
соединения Ø32
9 Чертим эскизы соединения и его
деталей, которые представлены на рисунке 1 приложения.
Таблица 1 - Выбор измерительных
средств
|
Наименование
детали, ее номинальный размер, поле допуска
|
Величина
допуска изделия IT, мм
|
Допустимая
погрешность измерения ±δ,
мкм
|
Предельные
погрешности измерит. Средства Δlim мкм
|
Наименование измерительных средств
|
Концевые
меры для настройки
|
|
|
|
|
|
Разряд
|
Класс
|
|
Отверстие
Ø32Н6
|
0,016
|
5
|
5
|
Индикатор
типа МИГ с ценой деления 0,02 мм
|
-
|
4
|
|
Вал
Ø32r5
|
0,011
|
4
|
4
|
Микрометр
рычажный типа МР с отсчетом 0,002 мм в стойке
|
-
|
-
|
Задание 2.
Расчет
количества групп деталей для селективной сборки соединения требуемой точности
Исходные данные
1 Соединение технологическое,
заданное номинальным размером и полями допусков деталей по возможностям
изготовления: Ø156
.
Точность соединения
(эксплутационного), заданная групповым допуском посадки (зазора, натяга),
требуемое по условиям функционирования соединения: TSЭКС. ГР. = 90 мкм
(групповой допуск соединения - 90).
Выполнение задания
Определим значения допусков, предельных
размеров вала и отверстия по таблице I:
TD = Td
= 16 мкм.
Система отверстия (cH):
TD = 400 мкм;
EI = 0 (выбираем
по таблице II приложения
);
ES = EI
+ TD = 0 + 400 = 400
мкм.
Система вала (ch):
Td = 400 мкм;
ei = +280 мкм
(выбираем по таблице III
приложения );
es
= ei + Td
= 280 + 400 = +680 мкм.
Посадка Ø156
.
2 Определим значения предельных технологических
зазоров в заданном соединении:
ST(max) = Dmax
- dmin = ES - ei = 400 - 280 = 120 мкм;T(min)
= Dmin
-
dmax = EI
- es = 0 - 680 = - 680
мкм - в соединении натяг;
ST(min) = NT(min);
T(max) = dmax - Dmin = es - EI = 680 - 0 = 680
мкм.
Следовательно, посадка - переходная (зазор с
натягом).
Определим допуск посадки (натяга):
TNтех
= NT(max)
+ ST(max)
= 680 + 120 = 800 мкм.
3 Определим число групп вала и отверстия для
обеспечения заданной точности соединения:
nГР =
=
= 8,889,
где TNТЕХ - допуск
посадки по возможностям изготовления;
TNЭКС. ГР. - групповой
допуск посадки по требованиям эксплуатации.
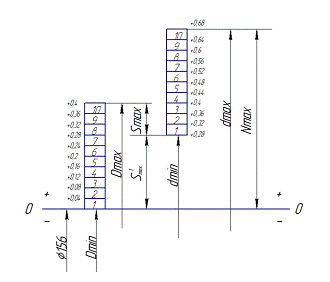
Принимаем nГР = 10.
Групповой допуск вала и отверстия,
т.к. номинальный размер и квалитет одинаковые, определяем по формуле:
TDГР =
; TdГР =
;
TD = Td =
400 мкм;
TDГР = TdГР =
= 40 мкм.
4 Вычертим схему полей допусков
соединения Ø156
, разделив
поля допусков отверстия и вала на требуемое число групп и пронумеровав
групповые поля допусков. Схема представлена на рисунке 2.
Рисунок 2 - Схема полей допусков
соединения Ø156
, детали
которого рассортированы на 10 размерных групп
Составим карту сортировщика, указав
в ней предельные размеры валов и отверстий в каждой размерной группе.
Таблица 2 - Карта сортировщика
|
Номер
размерной группы
|
Размеры
деталей, мм
|
|
Отверстие
|
Вал
|
|
1
|
от
|
156,0
|
156,28
|
|
до
|
156,04
|
156,32
|
|
2
|
свыше
|
156,04
|
156,32
|
|
до
|
156,08
|
156,36
|
|
3
|
свыше
|
156,08
|
156,36
|
|
до
|
156,12
|
156,4
|
|
4
|
свыше
|
156,12
|
156,4
|
|
до
|
156,16
|
156,44
|
|
5
|
свыше
|
156,16
|
156,44
|
|
до
|
156,2
|
156,48
|
|
6
|
свыше
|
156,2
|
156,48
|
|
до
|
156,24
|
156,52
|
|
7
|
свыше
|
156,24
|
156,52
|
|
до
|
156,28
|
156,56
|
|
8
|
свыше
|
156,28
|
156,56
|
|
до
|
156,32
|
156,6
|
|
9
|
свыше
|
156,32
|
156,6
|
|
до
|
156,36
|
156,64
|
|
10
|
свыше
|
156,36
|
156,64
|
|
до
|
156,4
|
156,68
|
В настоящее время для селективной сборки, как
правило, используют посадки, в которых допуски отверстия и вала равны. В таком
случае в различных размерных группах одной и той же посадки соответствующие
предельные зазоры или натяги будут иметь одинаковые значения, т.е.
Smax1
= Smaxi
= Smaxn.
Групповые зазоры равны: Smaxi
= 0,28 мм.
Задание 3.
Расчет
и выбор полей допусков для деталей, сопрягаемых с подшипниками качения
Исходные данные
Номер подшипника качения: 407
Значение радиальной нагрузки на опоре
подшипника: R = 13,5 кН
Чертеж узла в котором используют подшипник
качения: рисунок 14.
Выполнение задания
По таблице VI
приложения методических указаний выбираем конструктивные размеры подшипника:
d = 35 мм, D
= 100 мм, BK
= 25 мм, r = 2,5 мм.
По чертежу узла с учетом условий его работы
обоснуем характер нагрузки подшипника: перегрузка до 300%; сильные толчки и
вибрации (статическая перегрузка); сильные удары и вибрации (динамическая).
3 Определим вид нагружения подшипника:
Внутреннее кольцо - циркуляционное нагружение;
Наружное кольцо - местное нагружение.
Посадку подшипников качения на вал и в корпус
выбираем в зависимости от вида нагружения колец. При циркуляционном нагружении
колец подшипников посадки на валы и в корпусы выбираем по значению
интенсивности радиальной нагрузки на посадочной поверхности, которую определим
по формуле:
PR =
,
где R -
радиальная нагрузка на подшипник;
K1 -
динамический коэффициент посадки, учитывающий характер нагрузки, K1 = 1,8;
K2 -
коэффициент, учитывающий ослабление посадочного натяга при полом вале или
тонкостенном корпусе, K2 = 1;
K3 - коэффициент,
учитывающий неравномерность распределения радиальной нагрузки (R) между
рядами тел качения в двухрядных подшипниках или между сдвоенными
шарикоподшипниками при наличии осевой нагрузки (A) на опору;
для однорядных подшипников K3 = 1;
ВР - рабочая ширина
посадочного места,
ВР = (ВК - 2∙r) nп,
где nп -
количество подшипников на одной опоре;
r - радиус
скругления кромок колец подшипника.
ВР = (25 - 2∙2,5)2
= 40 мм;
PR =
Н/мм.
5 Выберем посадки подшипника на вал
и в корпус при циркуляционном нагружении по таблице 3.2:
На вал: k6
В корпус: L0,
где L0 - поле
допуска внутреннего кольца подшипника нулевого класса точности.
Условное обозначение соединения „внутреннее
кольцо подшипника - вал”:
Ø35
.
Выберем посадку под кольцо, имеющее местный вид
нагружения, по таблице 3.1:
На вал: k6;
В корпус: l0,
где l0
- поле допуска наружного кольца подшипника нулевого класса точности.
Условное обозначение соединения
„корпус - наружное кольцо подшипника”: Ø100
.
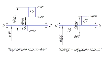
6 Определим отклонения колец подшипников:
Для посадки Ø35
: ES = 0; EI = -12 мкм
(находим по таблице VII); еi = +2 мкм
(по таблице III); Td = 16 мкм
(по таблице I);
es = Td + еi = 16 + 2 =
18 мкм.
Определяем предельные натяги:
Nmax = es -
EI = 0,018 - (- 0,012) = 0,030 мм;= ei - ES = 0,002 - 0 = 0,002 мм.
Для посадки Ø100
: TD = 35 мкм
(находим по таблице I); EI = 0 (по
таблице II);
ES= TD + EI = 35 + 0 =
35 мкм;
es = 0; еi = - 15 мкм
(по таблице VII).
Определяем предельные зазоры:
Smax = ES -ei = 0,035 -
(-0,015) = 0,020 мм;
Smin = EI
- es = 0 - 0 = 0.
Для соединений „корпус-подшипник” и
„подшипник-вал” построим схемы полей допусков. Схемы представлены на рисунке 3.
Рисунок 3 - Схемы полей допусков подшипникового
соединения
Вычертим эскизы подшипникового узла и
деталей, сопрягаемых с подшипником, указав на них посадки соединений и размеры
деталей. Эскизы представлены на рисунке 2 приложения.
Задание 4.
Выбор
допусков и посадок шпоночных соединений
Исходные данные
Диаметр вала d
мм: d = 48 мм.
Конструкция шпонки: призматическая.
Вид соединения: нормальное.
Условия работы: точное центрирование.
Выполнение задания
Выберем номинальные размеры шпоночного
соединения с призматическими шпонками: для d
= 48 мм: ширина призматической шпонки b
= 14 мм, высота h = 9 мм,
глубина паза на валу t1
= 5,5 мм, глубина паза во втулке t2
=
3,8 мм, пределы интервала длины шпонки l
= 36…160 мм.
2 Выберем поля допусков деталей шпоночного
соединения по ширине шпонки по таблице 4.1. При нормальном виде соединения на
ширину шпонки выбираем поле допуска h9,
на ширину паза вала - N9,
на ширину паза втулки - Js9
(в сопряжениях „шпонка - паз вала и паз втулки”).
3 Выберем поля допусков шпоночного
соединения по номинальному размеру «вал - втулка» по таблице 4.2 в зависимости
от условий работы. При точном центрировании втулки на валу выбираем поля
допусков по размеру 
48 для втулки H6, для вала m6:
Ø 48
4 Выполняем схему шпоночного соединения (рисунок
4).
Рисунок 4 - Схема полей допусков шпоночного
соединения по ширине шпонки
Подсчитываем все размерные характеристики
деталей шпоночного соединения и все данные представляем в виде таблицы 3.
Таблица 3 - Размерные характеристики деталей
шпоночного соединения
|
Наименование
размера
|
Номинальный размер, мм
|
Поле
допуска
|
Допуск
размера Т, мм
|
Предельные
отклонения, мм
|
Предельные
размеры, мм
|
|
|
|
|
верхнее
|
нижнее
|
max
|
min
|
|
Ширина
паза вала Ширина паза втулки Ширина шпонки Глубина паза вала Глубина паза
втулки Высота шпонки Диаметр втулки Диаметр вала Длина шпонки Длина паза вала
Диаметр шпонки (для сегментных шпонок)
|
14
14 14 5,5 3,8 9 48 48 60 60 _
|
N9 Js9 h9 Н12 Н12
h11 Н6 m6 h14 Н15 _
|
0,043 0,042
0,043
0,120 0,120
0,090
0,016
0,016 0,74
1,2 _
|
0 +0,021
0
+0,12 +0,12
0
+0,016
+0,025 0
+1,2 _
|
-0,043 -0,021
-0,043
0 0
-0,090
0
+0,009 - 0,74
0 _
|
14,0 14,021
14,0 5,62
3,92
9,0 48,016
48,025
60,0
61,2 _
|
13,957 13,979
13,957 5,5 3,8 8,91 48,0
48,009
59,26
60,0 _
|
6 Определяем предельные зазоры и натяги в
соединениях „шпонка - паз вала”:
Smax = ES - ei = 0 - (- 43) = 43 мкм
= 0,043 мм;
TD = 43 мкм
(находим по таблице I); ES
= 0 (по таблице II);
EI = ES
- TD = 0 - 43 = -43
мкм;
es = 0 (по
таблице III); Td
= 43 мкм (по таблице I);
еi
= es - Td
= 0 - 43 = -43 мкм;
Nmax = es
- EI = 0 - (- 43) =
43мкм = 0,043 мм;
„шпонка - паз втулки”:
TD = 43 мкм
(находим по таблице I); ES
= 21 мкм (по таблице II);
EI = 21мкм;
es = 0 (по
таблице III); Td
= 16 мкм (по таблице I);
еi = es - Td = 0 -
43 = -43 мкм;
S max = ES - ei = 0 - (- 0,043) =
0,043 мм;max
= es - EI = 0 - (-0,021) = 0,021 мм;
в соединении по диаметру „вал - втулка”:
TD
= Td = 16 мкм (по
таблице I);
ES = EI
+ TD = 0 + 16 = 16 мкм;
еi
= +9 мкм (по таблице III);
es = Td
+ еi = 16 + 9 = 25 мкм;
Smax = ES
- ei = 0,016 - 0,009 =
0,007 мм;
Smin = EI
- es = 0 - 0,025 = -
0,025 мм, т.е. Nmax
= 0,025 мм.
7 Вычерчиваем эскизы шпоночного соединения и его
деталей, которые представляем в приложении (рисунок 3).
Задание 5.
Допуски
и посадки шлицевых соединений
Исходные данные
Условное обозначение прямобочного шлицевого
соединения:
b - 10 х 18 х
23
х 3
.
Выполнение задания
1 Для шлицевого соединения b - 10 х 18 х
23
х 3
:
Z
= 10 - число шлицев; = 23 мм - наружный диаметр шлицевого вала; = 18 мм -
внутренний диаметр шлицевого вала; =3 мм - ширина шлицев.
Центрирование
прямобочного шлицевого соединения осуществлено по боковым сторонам зубьев.
Установим
значения основных отклонений, допусков размеров и вычертить схемы полей
допусков центрирующих и нецентрирующих элементов шлицевого соединения. Схема
представлена на рисунке 8 приложения.
Для центрирующего элемента: 3
TD = 14 мкм
(находим по таблице I); EI
= 6 мкм (по таблице II);
ES= TD
+ EI = 14 + 6 = 20 мкм;
es = -6 мкм
(по таблице III); Td
= 14 мкм (по таблице I);
еi
= es - Td
= -6 - 14 = -20 мкм.
Для нецентрирующего элемента: Ø23
TD = 210 мкм
(находим по таблице I); EI = 0 (по
таблице II);
ES= TD + EI = 210 + 0 =
210 мкм;
es = -300 мкм
(по таблице III); Td = 130 мкм
(по таблице I);
еi = es - Td = -300 -
130 = -430 мкм.
Ø18
:
TD = 110 мкм
(находим по таблице I); EI = 0 (по
таблице II);
ES= TD + EI = 110 + 0 =
110 мкм;
es = -290 мкм
(по таблице III); Td = 110 мкм
(по таблице I);
еi = es - Td = -290 -
110 = -400 мкм.
3 Установленные значения предельных отклонений
и размеров элементов деталей шлицевого соединения представляем в виде таблицы
4.
4 Вычерчиваем эскизы данного шлицевого
соединения, которые представлены на рисунке 5, со всеми требуемыми
обозначениями.

Таблица 4 - Размерные характеристики деталей
шлицевого соединения
|
Наименование
элемента шлицевого соединения
|
Номинальный
размер, мм
|
Поле
допуска
|
Допуск
размера, Т, мм
|
Предельные
отклонения, мм
|
Предельные
размеры, мм
|
|
|
|
|
верхнее
ES
(es)
|
нижнее
EI (еi)
|
max
|
min
|
|
Центрирующие
элементы: Ширина впадины отверстия Толщина шлицев
|
3 3
|
F8
f8
|
0,014
0,014
|
+0,020
-0,006
|
+0,006
-0,020
|
3,020
2,994
|
3,006
2,980
|
|
Нецентрирующие
элементы: Отверстие Вал Отверстие Вал
|
23
23 18 18
|
H12
a11 H11 a11
|
0,21
0,13 0,11 0,11
|
0,21
-0,30 +0,11 -0,29
|
0
-0,43 0 -0,40
|
23,21
22,70
18,11 17,71
|
23,0
22,57 18,0 17,6
|
Задание 6.
Расчет
допусков размеров, входящих в заданную размерную цепь
Исходные данные
Чертеж узла с указанием замыкающего звена:
рисунок 15 - А∆.
Номинальный размер и предельные отклонения
замыкающего звена:
А∆ = 43±0,5мм.
Выполнение задания
Выполним размерный анализ цепи с заданным
замыкающим звеном А∆ = 43±0,5мм.
Рисунок 10 - Геометрическая схема размерной цепи
с замыкающим звеном
А∆ = 43±0,5мм по рисунку 14.
А1, А2, А3, А4
- увеличивающие звенья; А5 - уменьшающее звено.
Проверим правильность составления заданной
размерной цепи:
24 + 43 = 27 + 22 + 15 +3;
= 67.
Равенство верно, значит размерная цепь
составлена правильно.
Установим единицы допуска составляющих звеньев,
допуски которых следует определить.
В данной задаче известен допуск подшипника
качения, т.е. размер 15-0,1.
Для А1=27 мм-i=1,44;
для А2=22 мм-i=1,44;
для А3=15 мм-i=1,21
мкм;
для А4=3 мм-i=0,63
мкм; для А5=24 мм-i=1,44.
Допуск замыкающего звена определим при помощи
заданных его предельных отклонений:
ТА
=+0,5-(-0,5)=1,0 мм = 1000 мкм.
5 Определим средний коэффициент
точности заданной размерной цепи:
6 Установим квалитет, по которому следует
назначать допуски на составляющие звенья.
Для аср = 129,87 (а = 160) -
ближайший квалитет 12.
7 По установленному квалитету назначим допуски и
отклонения на составляющие звенья.
Для размеров А1, А2,
А4,А5 назначаем 
12 c
симметричными отклонениями. Для размера А1=27 мм допуск ТА1=210
мкм, отклонения равны
мкм. Для размера А2=22
мм допуск ТА2=210 мкм, отклонения равны 
мкм. Для размера А4=3 мм
допуск ТА4=100 мкм, отклонения равны
мкм. Для размера А5=24
мм допуск ТА5=210 мкм, отклонения равны
мкм.
8 Сделаем проверку правильности назначения
предельных отклонений:
+ 105 + 105 + 0 +50 - (-105) ≤ + 500;
105 + (- 105) + (- 100) + (-50) - (+ 50) ≥
- 500;
≤ 500;
≥ 500.
Условия не соблюдаются.
Поскольку условия не соблюдаются, необходимо
скорректировать отклонения.
Так как а ≥ аср, то в качестве
корректирующего звена выбираем технологически более простое звено А5. А5
- уменьшающее звено, поэтому его отклонения находим по формулам:
ESА5ум
= (EIА1
+ EIА2
+ EIА3
+ EIА4
) - EIА
;
ESА5ум =
- 0,105 + (- 0,105) + (- 0,1) + (- 0,05) - (- 0,5) = 0,13;
EIА5ум =
(ESА1
+ ESА2
+ ESА3
+ ESА4
) - ESА
;
EIА5ум =
+ 0,105 + 0,105 + 0 + 0,05 - (- 0,5) = - 0,24.
Зная предельные отклонения
корректирующего звена, находим его допуск: Т ТА5= ESА5
- EIА5 =
0,13 - (- 0,24) = 0,370 мм.
10 Проверим правильность назначения допусков на
составляющие звенья размерной цепи.
При правильных расчетах сумма допусков размеров
всех составляющих звеньев должна быть равна допуску замыкающего размера.
0,210 + 0,210 + 0,210 + 0,370 = 1,0;
,0 = 1,0.
11 Результаты расчетов занесем в таблицу 5.
Таблица 5 - Допуски размеров, входящих в
заданную размерную цепь
|
Наименование
размера
|
Номинальный
размер, мм
|
Обозначение
размера
|
Квалитет
|
Допуск
размера, мм
|
Поле
допуска
|
Предельные
отклонения, мм
|
Предельные
размеры, мм
|
|
|
|
|
Значение
|
Примечание
|
|
верхнее
ES (es)
|
нижнее
EI (еi)
|
max
|
min
|
|
Составляющие
|
Увеличивающие
|
27
|
А1
|
12
|
0,21
|
|
 12+0,105-0,10527,10526,895
|
|
|
|
|
|
|
22
|
А2
|
12
|
0,21
|
|
 12+0,105-0,10522,10521,895
|
|
|
|
|
|
|
15
|
А3
|
-
|
0,1
|
Изв.
|
-
|
0
|
-0,1
|
15,0
|
14,9
|
|
|
3
|
А4
|
12
|
0,1
|
|
 12+0,05-0,053,052,95
|
|
|
|
|
|
Уменьшающие
|
24
|
А5
|
-
|
0,21
|
Кор.
|
-
|
+0,13
|
-0,24
|
24,13
|
23,76
|
|
Замыкающий
|
43
|
А∆
|
-
|
1,0
|
|
|
+0,5
|
-0,5
|
43,5
|
42,5
|
Заключение
деталь соединение стандарт допуск
посадка
В данной курсовой работе мы углубленно изучили
основы Единой Системы Допусков и Посадок (ЕСДП); освоили навыки выбора посадок
и расчета допусков; приобрели навыки по назначению шероховатости поверхностей и
выборе измерительного инструмента; приобрели навыки пользования справочной
литературой, таблицами, стандартами.
В первом задании «Расчет и выбор посадок для
гладких цилиндрических соединений» мы научились обоснованно назначать посадки
для подвижных и неподвижных соединений и назначать завершающий технологический
процесс обработки деталей. Во втором задании «Расчет количества групп деталей
для селективной сборки соединения требуемой точности» мы разобрались в сущности
метода селективной сборки соединения; научились определять предельные размеры
деталей соединения, входящих в каждую размерную группу, а также предельные
групповые зазоры (натяги). В третьем задании «Расчет и выбор полей допусков для
деталей, сопрягаемых с подшипниками качения» мы научились обоснованно назначать
поля допусков для размеров деталей, соединяемых с подшипниками качения;
научились обозначать на чертежах посадки колец подшипников качения с
сопрягаемыми деталями. В четвертом задании «Выбор допусков и посадок шпоночных
соединений» мы научились выбирать посадки допусков для размеров шпоночных
соединений; научились обозначать посадки шпоночных соединений на чертежах. В
пятом задании «Допуски и посадки шлицевых соединений» мы научились по
обозначению шлицевого соединения и его деталей определять предельные отклонения
и предельные размеры всех элементов шлицевых деталей, научились правильно
изображать эскизы шлицевого соединения и его деталей. В шестом задании «Расчет
допусков размеров, входящих в заданную размерную цепь» мы научились составлять
сборочные размерные цепи и рассчитывать допуски на их составляющие звенья
методом полной взаимозаменяемости.
Литература
1.
Аристов А.И., Карпов Л.И., Приходько В.М., Раковщик Т.М. Метрология,
стандартизация и сертификация - М: издательский центр „Академия”, 2007 - 384с
. Анухин В.И.
Допуски и посадки - СПб: Питер, 2007 - 207 с
. Анурьев
В.И. Справочник конструктора машиностроителя: в 3 т. - М: Машиностроение, 2003
- 674 с
. Серый И.С.
Взаимозаменяемость, стандартизация и технические измерения - М: Агропромиздат,
1987 - 367 с
. ГОСТ
25346-89. Основные нормы взаимозаменяемости. ЕСДП. Общие положения, ряды
допусков и основных отклонений.
. ГОСТ
25347-82. Основные нормы взаимозаменяемости. ЕСДП. Поля допусков и
рекомендуемые посадки.
. ГОСТ
23360-78. Основные нормы взаимозаменяемости. Соединения шпоночные с
призматическими шпонками. Размеры шпонок и сечения пазов. Допуски и посадки.
. ГОСТ
24071-97. Основные нормы взаимозаменяемости. Сегментные шпонки и пазы.
. ГОСТ
1139-80. Основные нормы взаимозаменяемости. Соединения шлицевые прямобочные.
Размеры и допуски.
Приложение
Рисунок 1 - Эскизы соединения и его деталей -
вала и отверстия
Рисунок 2 - Эскизы подшипникового узла и его
деталей - корпуса и вала
Рисунок 3 - Эскизы деталей шпоночного соединения
Рисунок 4 - Сборочный (верхний) и рабочие
(нижние) эскизы шлицевого соединения