Задний мост с тормозами и ступицами в сборе автомобиля ГАЗ-53

  • Вид работы:
    Курсовая работа (т)
  • Предмет:
    Транспорт, грузоперевозки
  • Язык:
    Русский
    ,
    Формат файла:
    MS Word
    173,21 Кб
  • Опубликовано:
    2015-03-19
Вы можете узнать стоимость помощи в написании студенческой работы.
Помощь в написании работы, которую точно примут!

Задний мост с тормозами и ступицами в сборе автомобиля ГАЗ-53















Курсовая работа

по дисциплине

«Метрология, стандартизация и сертификация»

Тема: «Задний мост с тормозами и ступицами в сборе автомобиля ГАЗ-53»

ВВЕДЕНИЕ

Настоящая курсовая работа направлена на практическое применение теории взаимозаменяемости при выборе норм точности на этапе проектирования и изготовления таких базовых сборочных узлов автомобилей, как коробка передач, сцепление, задний мост и др. Использование методик расчета и выбора стандартных посадок типовых соединений деталей автомобилей, расчета размерных цепей, а также выбора универсальных средств измерения ставит цель закрепить теоретические положения материала, излагаемого на лекциях, развить навыки работы со справочными материалами и подготовить студентов к проведению инженерных расчетов типовых конструкторских и технологических задач.

При изучении дисциплины «Метрология, стандартизация и сертификация» полученные сведения осваиваются, закрепляются и развиваются при выполнении курсовых и дипломных проектов.

Курсовая работа охватывает основные разделы дисциплины и включает в себя следующие семь задач:

Описать эксплуатационное назначение и принцип работы сборочной единицы.

Рассчитать и выбрать посадки колец подшипника качения на вал и в корпус.

Определить допуски и посадки элементов шлицевого соединения.

Определить допуски и посадки резьбового соединения.

Определить допуски и посадки цилиндрических зубчатых колес.

Рассчитать допуски размеров, входящих в размерную цепь.

Назначить посадки для восьми соединений деталей сборочного узла.

При выполнении курсовой работы студент приобретает практические навыки: в расшифровке посадок и обозначении их на чертежах; в выборе универсальных измерительных инструментов для контроля деталей гладких цилиндрических соединений; в расчете и выборе посадок подшипников в зависимости от вида нагружения; в обозначении посадок подшипников на чертежах; в выборе и обозначении на чертежах посадок шлицевых и резьбовых соединений; в определении допусков цилиндрических зубчатых колес; в расчете допусков размеров, входящих в размерные цепи и обозначении их на чертежах.

. ЭКСПЛУАТАЦИОННОЕ НАЗНАЧЕНИЕ И ПРИНЦИП РАБОТЫ СБОРОЧНОЙ ЕДИНИЦЫ

Заданная сборочная единица “Задний мост с тормозами и ступицами в сборе” является составной частью заднего моста автомобиля ГАЗ-53А [1].

В автомобиле ГАЗ-53А [2] задний мост является ведущим. Он предназначен для обеспечения вращения задних колес 1,2 , крутящий момент на которые передается от двигателя через коробку передач, карданную передачу, главную передачу, включающую в себя зубчатый редуктор, дифференциал и полуоси 13, прикрепленные к ступицам колес 1,2. При этом редуктор обеспечивает изменение направления вращения полуосей 13 на перпендикулярное к направлению вращения полуосей на перпендикулярное к направлению вращения карданного вала, а дифференциал обеспечивает независимое друг от друга вращение задних колес 1,2 при поворотах, пробуксовке и т.д.

Все механизмы заднего моста размещены в картере заднего моста 12, который представляет собой жесткую пустотелую балку, состоящую из трех основных частей: двух полуосевых кожухов (рукавов) и средней части - картера главной передачи. К рукавам балки приварены стальные трубчатые цапфы, на которых установлены роликовые конические подшипники 11,15 ступиц колес. Внутри полой цапфы расположена полуось 13, передний конец которой представляет собой фланец с отверстиями под шпильки. Фланец шпильками 22 жестко скреплен со ступицей, а ступица в свою очередь жестко соединена с диском колеса. Второй конец полуоси (шлицевой) соединен с шестерней полуоси установленной внутри редуктора главной передачи. ( на сборочном чертеже отсутствует ).

При работе полуоси 13 передают от двигателя на колеса только крутящий момент и полностью разгружены от осевых нагрузок и боковых ударов. Изгибающие моменты осевые нагрузки и боковые удары воспринимаются цапфами и ступицами колес 1,2. Ступицы опираются на конические однорядные роликовые подшипники 11,15. Наружные колеса подшипников запрессованы в корпус-ступицу. Передний подшипник 15, посаженный наружным кольцом в упор ступицы, по наружному кольцу зажат гайкой 16. Задний подшипник внутренним кольцом упирается во втулку 10 сальника 9, наружным в уступ ступицы.

При включенных передачах (движении) автомобиля крутящий момент передается от двигателя, через коробку передач, карданную передачу, главную передачу и полуоси 13 на задние колеса 1,2. Колеса вращаются вместе со ступицей, поэтому наружные кольца нагружены циркуляционно, а внутренние, расположенные на неподвижных цапфах - местно.

Ступица в сборе заднего колеса с подшипниками крепится на цапфе балки заднего моста с помощью гайки 16, стопорной шайбы 17 и контргайки 21. Затяжку подшипников ступиц колес нужно тщательно регулировать. При слабой затяжке подшипники могут разрушиться от ударов, а при тугой затяжке - от перегрева в результате выдавливания смазки, будет происходить интенсивный износ подшипников.

. РАСЧЕТ И ВЫБОР ПОСАДОК КОЛЕЦ ПОДШИПНИКА КАЧЕНИЯ НА ВАЛ И В КОРПУС

2.1 Определение вида нагружения колец подшипника

Задний мост автомобиля ГАЗ-53А предназначен для передачи крутящего момента от двигателя через муфту, коробку скоростей, карданный вал, дифференциал главной передачи к задним колесам. На картер 12 заднего моста опирается рама с кузовом.

Исходя из функционального назначения той части заднего моста, в которую входят диски колес, тормозные барабаны со ступицами 1, 2, подшипники 11 и 15, посаженные на цапфу, приваренную к картеру 12, нагружение колец подшипников качения осуществляется следующим образом. Наружные кольца подшипников вместе со ступицей и дисками колес вращаются вокруг оси, испытывая при этом удары и толчки. Внутренние кольца посажены на шейки цапфы и, следовательно, неподвижны относительно цапфы.

Согласно рассматриваемым схемам нагружения подшипников [6,4] принимаем, что наружные кольца нагружены циркуляционно, а внутренние - местно.

2.2 Расчет и выбор посадок колец подшипника

Исходные данные для расчета и выбора посадок подшипника качения на вал и в корпус представлены в таблице 2.1.

Таблица 2.1 - Исходные данные для расчета и выбора посадок подшипника качения

Номер подшипника

Класс точности

% перегрузки

Радиальная нагрузка, кН

50408

3

280

3,7


Определим основные размеры подшипника по ГОСТ 8338-75 [8, таблица 14]: d = 40 мм - диаметр внутреннего кольца; D = 110 мм - диаметр наружного кольца; B = 27 мм - ширина колец; r = 3 мм - радиус фаски. Класс точности подшипника - 3.

Выбрать посадку циркуляционно-нагруженного кольца из условия интенсивности радиальной нагрузки по формуле:

            F

РF = -------------- * k1*k2*k3, (2.1)

            B - 2r

где РF- интенсивность радиальной нагрузки, Н/мм; k1 - динамический коэффициент; k2 - коэффициент, учитывающий ослабление посадочного натяга при полом вале и тонкостенном корпусе; k3 - коэффициент неравномерности радиальной нагрузки.

Для заданных условий нагружения подшипникового узла выбираем коэффициенты: k1= 1,8 - при перегрузке 280 % [3, таблица 15]; k2 = 1 [8, таблица 16] при сплошном вале и неразъемном корпусе; k3 = 1- при однорядном подшипнике.

Подставив исходные данные в формулу (2.1), получим:

           3700

PF = --------------- *1,8*1*1= 317,1 H/мм.

           27 - 2*3

Используя полученное значение PFпо [6, таблица 6] выбираем поле допуска К6, т.е. посадка наружного кольца подшипника в отверстие корпуса К6/l3.

Для построения схемы расположения полей допусков посадки наружного кольца подшипника класса точности Р3 и отверстия ступицы колеса найдем отклонения наружного кольца по среднему диаметру Dmпо таблице 3[6, с.281]: es = 0; ei = -8 мкм.

Предельные отклонения для диаметра отверстия ступицы К6 найдем по [8, таблица 3]:

основное отклонение верхнее ES = -3 + = -3 + 7 = +4мкм;

второе отклонение нижнее EI = ES - IT7 = +4 - 22 = -18 мкм.

Вычислим предельные размеры:

наибольший и наименьший средние диаметры наружного кольца подшипника:

m max= Dm + es = 110 + 0 = 110мм;m min= Dm+ ei =110 + (-0,008) = 109,992 мм;

наибольший и наименьший диаметры отверстия ступицы

max = Dн + ES = 110 + 0,004 = 110,004 мм;

Dmin = Dн + EI = 110 + (-0,018) = 109,982мм.

Наибольший и наименьший натяги:

max = Dmmax- Dmin = 110 - 109,982 = 0,018 мм;

Nmin = Dm min- Dmax =109,992 - 110, 004 = -0,012 мм,

т.е. вместо наименьшего натяга получился зазор.

Построим схему расположения полей допусков посадки наружного кольца подшипника в отверстие ступицы (рисунок 2.1).

Рисунок 2.1- Схемарасположения полей допусков посадки наружного кольца подшипника в отверстие ступицы К6/l3

Для гарантирования неподвижности соединения необходимо, чтобы наименьший табличный натяг циркуляционно-нагруженного кольца Nmin.T был больше или равен наименьшему расчетному натягу Nmin

min.T≥Nmin. (2.2)

Наименьший расчетный натяг определим по формуле

        13 · F · Kkmin.р= -----, (2.3)

         103(B-2r)

где Kk - конструктивный коэффициент, определяемый при циркуляционном нагружении наружного кольца по формуле

         1

Kk= -----, (2.4)

        1 - (D0/D)2

где D0 - приведенный диаметр

              D - d

D0= D - ---, (2.5)

              4

Подставив исходные данные из пункта 2.2 в формулы (2.5) и (2.4), определим:

                                                   110 - 40

приведенный диаметр D0 = 110 - ------------ = 92,5 мкм;

                                                      4

                                                         1

конструктивный коэффициент Kk = ------ =3,4.

                                                       1 - (92,5/110)2

После чего по формуле (2.3) рассчитаем наименьший натяг, гарантирующий неподвижность соединения

              13*3700*3,4

Nmin = ------ = 7,78 мкм.

              103 (27- 2*3)

В ранее выбранной посадке Ø110К6/l3 Nmin = -0.012 мм, т.е. не соблюдается условие (2.2), поэтому необходимо назначить другую посадку.

По [3, таблица21] выбираем посадку Ø110N6/l3, для которой

Nmin.T. = 8мкм, а Nmax.T. = 38 мкм.

Построим схему расположения полей допусков для посадки Ø110N6/l3 и определим ее основные параметры (рисунок 2.2).

Основное отклонение отверстия Ø110N6 по [3, таблица 3]

верхнее ES = -23 +Δ = -23 + 7 = -16 мкм,

второе отклонение нижнее EI = ES - IT6 = -16 - 22 = -38 мкм.

Предельные размеры наружного кольца вычислены ранее (см. рисунок 2.1).

Наибольший и наименьший диаметры:

 max = Dн + ES = 110 + (-0,016) = 109,984 мм; min = Dн + EI = 110 + (-0,038) = 109,962 мм.

Наибольший, наименьший и средний натяги находим по формулам:

max = Dm max - D min = 110 - 109,962 = 0,038 мм;min = Dm min - D max = 109,992 - 109,984 = 0,008 мм.

          Nmax + Nmin        0,038 + 0,008m = ----- = ------- = 0,023 мм = 23 мкм.

                   2                      2

Проверим наличие зазора между телами качения и дорожками колец после осуществления посадки Sn (в мкм) при циркуляционном нагружении наружного кольца по формуле

n= Gr - δ/· D, (2.6)

где Gr - зазор в состоянии поставки, определяемый по формуле

         Gr max + Gr minr = ------, (2.7)

                  2

где Gr max и Gr min - наибольший и наименьший зазоры, зависящие от группы зазоров (ГОСТ 24810-81) [3, таблица 22], δ/D - наиболее вероятностная деформация наружного кольца, определяемая по формуле

                D0

δ/ D = Nв · - , (2.8)

                   D

где Nв - вероятностный натяг принимаем

Nв = 0,85Nm. (2.9)

Рисунок 2.2- Схема расположения полей допусков посадки наружного кольца подшипника и отверстия Ø110N6/l3

Если в результате расчетов полученная величина Sn > 0, то выбранная посадка при данной группе зазоров подшипника гарантирует наличие зазора после посадки, если Sn < 0, то следует выбрать подшипник из группы с большими зазорами.

Подставив в формулу (2.9) ранее вычисленные параметры, определим вероятностный натяг

Nв = 0,85 · 23 =19,55 мкм.

Вероятностную деформацию наружного кольца вычислим по (2.8)

                    92,5

δ/D = 19,55 · --- = 16,4 мкм.

                     110

Следовательно, чтобы не произошло заклинивание шариков при посадке подшипника, средний (нормальный) радиальный зазор подшипника в состоянии поставки Gr должен быть больше 16,4 мкм. По [3, таблица 22] выбираем подшипник группы зазоров 7, у которого Gr min = 15 мкм,

Gr max = 33 мкм. Подставив эти величины в формулу (2.7), получим

     33 + 15

Gr = ---- = 24 мкм.

            2

Тогда зазор между телами качения и дорожками колец после посадки (посадочный зазор) по формуле (2.6) будет равен

Sn = 24 - 16,4 = 7,6 мкм.

.6 Проверим возможность разрушения циркуляционно-нагруженного наружного кольца при посадке по формуле

          11,4[σр]· Kk·D

Nдоп = ------- , (2.10)

           (2Kk - 2)·103

где Nдоп - допускаемый натяг, не вызывающий разрушения колец, мкм;

р] = 400 Н/м2 - допускаемые напряжения при растяжении подшипниковых сталей;Kk - конструктивный коэффициент.

Подставив исходные данные в формулу (2.10) получим

        11,4*400*3,4*110

Nдоп = ------- = 355 мкм.

          (2*3,4-2)*103

доп > Nmax.T, значит выбранную посадку Ø110N6/l3 принимаем окончательно.

Определим силу запрессовки циркуляционно-нагруженного кольца по формуле

      Nв · f · E · π · B1

F = ------- , (2.11)

              2Kk

где f - коэффициент трения при запрессовке, f = 0,12…0,15 при стальном вале и корпусе; Е - модуль упругости материалов вала и корпуса, для стали

Е = 2 · 1011Па; В1 = В - 2r - ширина кольца, контактирующая с сопрягаемой поверхностью, м; Kk - конструктивный коэффициент.

Подставив исходные данные в формулу (2.11) получим

  19,55*10-6*0,13*2*1011*3,14*21*10-3

F= --------------- = 49*102 Н = 4,9 кН.

                     2*3,4

Прессовое оборудование для запрессовки подшипников выберем согласно [3, таблица 23]. В нашем случае можно использовать ручной реечный или винтовой пресс усилием до 50 кН.

Выберем [6] посадку местно нагруженного кольца, исходя из вида нагружения, конструктивных особенностей. В рассматриваемом примере посадка внутреннего кольца на вал Ø40L3/h5.

Для построения схемы расположения полей допусков посадки внутреннего кольца на вал (рисунок 2.3) по [3, таблица 19] найдем отклонения внутреннего кольца подшипника класса точности Р0 или 0 по номинальному (среднему) диаметру dm: ES = 0, EI = -6 мкм. Предельные отклонения для диаметра вала Ø40h5 найдем из [3, таблицы 1,3].

Основное отклонение es = 0; ei = es - IT5 = 0 - 11 = -11 мкм.

Рисунок 2.3 - Схема расположения полей допусков посадки внутреннего кольца подшипника и вала Ø40L3/h5

Вычислим предельные размеры.

Наибольший и наименьший средние диаметры внутреннего кольца подшипника:

m max = dm + ES = 40 + 0 = 40 мм;m min = dm + EI = 40 + (-0,006) = 39,994 мм.

Наибольший и наименьший диаметры вала:

max = dн + es = 40 + 0 = 40 мм;

dmin = dн + ei = 40 + (-0,011) = 39,989 мм.

Зазоры определим по формулам:

max = dm max - d min = 40 - 39,989 = 0,011 мм;min = dm min - d max = 34,994 - 40 = - 0,006 мм.

Наименьший зазор получился со знаком «минус», т.е. натяг.

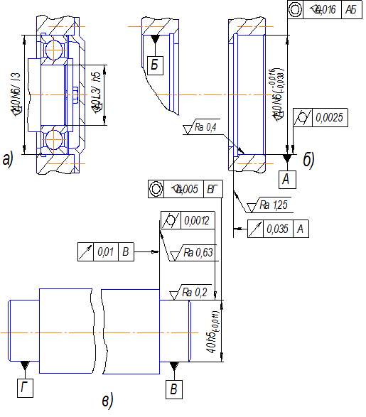
Выполним эскизы подшипникового узла и деталей с указанием посадок, отклонений размеров, формы и шероховатости поверхностей (рисунок 2.4).

Отклонение формы назначим по уровню точности С, по [3, таблицы 5,24], шероховатость по [3, таблица 4].

Рисунок 2.4 - Обозначение допусков и посадок подшипников качения на чертежах: а - узла в сборе - Ø110N6/l3, Ø40L3/h5; б - корпуса Ø110N6;

в - вала Ø40h5

Выполним расчет предельных и исполнительных размеров гладких предельных рабочих калибров и построим схемы расположения их полей допусков.

На гладкие рабочие калибры установлены допуски по ГОСТ 24853-81.

Схема расположения полей допусков приведена на рисунке 2.5, а их значения находим в [3], где Н- допуск на изготовление калибров для контроля отверстия; Z - смещение поля допуска проходного калибра пробки от проходного предела внутрь поля допуска изделия; Y- граница износа проходного калибра за проходной предел.

Для рассматриваемого примера по[3] находим: Н = 4 мкм; Z = 3 мкм; Y = 3 мкм - допуски калибров-пробок.

Предельные размеры проходной (Пр) и (НЕ) калибров - пробок:

Прmax = Dmin + Z + H/2 = 109,962 + 0,003 +0,002 = 109,967 мм;

Прmin = Dmin + Z - H/2 = 109,962 + 0,003 - 0,002 = 109,963 мм;

Призн = Dmin - Y = 109,962 - 0,003 = 109,959 мм;

НЕmax = Dmax + H/2 = 109,984 + 0,002 = 109,986 мм;

НЕmin = Dmax - H/2 = 109,984 - 0,002 = 109,982 мм.

Для контроля валов, изготовленных с допусками по квалитету IT5 скобы не применяются.

Исполнительные размеры рабочих калибров, проставляемые на рисунке 2.6 включают в себя номинальные размеры и допуски на изготовление, а поскольку допуски даются в материал, то исполнительные размеры запишутся следующим образом:

проходной пробки Присп = (Прmax)-H = 109,967-0,004;

непроходной пробки НЕисп = (НЕmax)-H = 109,986-0,004.

 

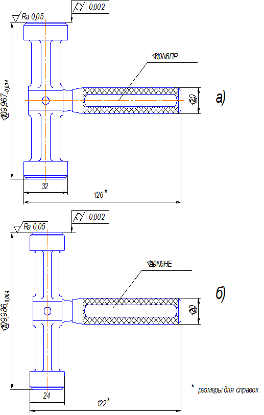
Рисунок 2.5- Схема расположения полей допусков калибров-пробок - Ø110N6ПР, Ø110N6НЕ

Рисунок 2.6 - Гладкие предельные рабочие калибры:

а - пробка проходная Ø110N6ПР;

б - пробка не проходная Ø110N6НЕ;

Выбор универсальных средств измерения для контроля размеров деталей выполним по [8, таблица 7] в последовательности, изложенной в [5, п.1.4.9]. Результаты выбора внесем в таблицу 2.2.

Таблица 2.2 - Результаты выбора универсальных средств измерения

Условное обозначе ние отверстия, вала

Вели чина допус ка, мкм

Допускае мая погре шность измерения δ, мкм

Универсальные средства измерения




Пределы допускае мой погре шности ∆ lim, мкм

Наименование и основные метрологические показатели

  Ø110N6    Ø40h5

  22    11

  6    4

  ±4    ±2

Нутромер мод.155 ГОСТ 9244-75 с головкой 2ИГ с ценой деления0,002 мм и диапазоном измерения 100-160 мм. Скоба рычажная СР-50ГОСТ 11098-75 с ценой деления 0,002 мм и диапазоном измерения 25-50 мм



. ОПРЕДЕЛЕНИЕ ДОПУСКОВ И ПОСАДОК ЭЛЕМЕНТОВ ШЛИЦЕВОГО СОЕДИНЕНИЯ

3.1 Исходные данные

Заданы следующие номинальные размеры элементов шлицевого вала

х30х36х6

В обозначении шлицевого вала отсутствуют поля допусков и посадки основных размеров.

Основные параметры соединения, следующие:

способ центрирования шлицевого соединения выбрать самостоятельно;

z = 10 - число шлицев;

d = 30 мм - внутренний диаметр;

D = 36 мм - наружный диаметр;

b = 6 мм - ширина зуба (паза).

3.2 Определение способа центрирования

В сборочной единице “Задний мост с тормозами и ступицами в сборе автомобиля ГАЗ-53” имеется единственное шлицевое соединение полуоси 13 с шестерней полуоси. По заданию параметр центрирования не задан. Данное шлицевое соединение в процессе работы со знакопеременными нагрузками и с большими скоростями требует хорошего центрирования и должно быть неподвижным, т.е. шлицевые валы не должны перемещаться относительно шлицевых втулок. Однако полуоси при разборке должны сравнительно легко выниматься из шестерен с помощью болта 19. С учетом рекомендаций [4.6] для неподвижного соединения выбираем наиболее простой и экономичный способ центрирования по наружному диаметру D, с обеспечением минимальных зазоров по D и b.

3.3 Выбор посадок основных параметров соединения

По рекомендациям [6] посадками неподвижного шлицевого соединения при центрировании по наружному диаметру D при работе на больших скоростях и реверсивных нагрузках являются:

по не центрирующему размеру d -  мм посадка не предусмотрена.

по центрирующему размеру D - Н7/js6;

по не центрирующему размеру b - 6F8/js7.

Принимаем обозначение заданного соединения:

D- 10х30х36Н7/js6x6F8/js7.

.4 Определение предельных отклонений, размеров, зазоров.

Для центрирующего размера D -Н7/js6:

для отверстия - Н7 - основное отклонение нижнее EI = 0, второе отклонение верхнее ES = EI + IT7 = 0 + 25 = +25 мкм;

для вала - js6 допуск располагается симметрично относительно нулевой линии (IT/2)и поэтому при IT6 = 16 мкм нижнее отклонение ei = - 8 мкм, верхнее отклонение es = + 8 мкм.

Вычисляем предельные размеры:

наибольший диаметр отверстия

max = Dн + ES = 36 + 0,025 = 36,025 мм;

наименьший диаметр отверстия

min = Dн + EI = 36 + 0 = 36 мм;

наибольший диаметр вала

max = dн + es = 36 + 0,008 = 36,008 мм;

наименьший диаметр вала

min = dн + ei = 36 + (-0,008) = 35,992 мм.

Вычисляем наибольший и наименьший зазоры:

max= Dmax- dmin = 36,025 - 35,992 = 0,033 мм;min= Dmin - dmax = 36 - 36,008 = -0,008 мм.

Получили отрицательный наименьший зазор, т.е. натяг.

Для не центрирующего размера “b” - 6F8/js7:

для ширины паза В- 6F8 - основное отклонение нижнее EI = +10 мкм, второе отклонение верхнее ES = EI + IT8= +10 + 18= +28 мкм;

для ширины зуба b-6js7 - допуск располагается симметрично относительно нулевой линии (IT7/2) и поэтому при IT7 = 12 мкм нижнее отклонение ei = -6 мкм, верхнее отклонение es = +6 мкм.

Вычисляем предельные размеры:

наибольший и наименьший размеры ширины паза

max = Bн+ ES = 6 + 0,028 = 6,028 мм;

Bmin = Bн + EI = 6 + 0,01 = 6,01 мм;

наибольший и наименьший размеры ширины зуба

max = bн + es = 6 + 0,006 = 6,006 мм;

bmin = bн + ei = 6 + (-0,006) = 5,994 мм.

Вычисляем наибольший и наименьший зазоры

max = Bmax - bmin = 6,028 - 5,994 = 0,034 мм;

Smin = Bmin - bmax = 6,01 - 6,006 = 0,004 мм.

Результаты выше приведенных вычислений сведены в таблицу 3.1.

Результаты выше приведенных вычислений сведены в таблицу 3.1.

Таблица 3.1 - Результаты определения параметров посадок шлицевого соединения

Наименование пара метров шлицевого соединения

Номинальныйраз- мер, мм

Поле допуска

Величина допус ка, мкм

Предельные отклонения

Предельные размеры,мм

Зазоры, мм

 




верх-нее, мкм

ниж-нее, мкм

наи-больший

наи-меньший

наи- боль ший

наи-меньший

Центрирующий параметр D Отверстие 36 Н7 25 +25 0 36,025 36 0,033 - 0,008 Вал 36 js6 16 + 8 - 8 36,008 35,992 Не центрирующий параметр b Ширина паза 6 F8 18 +28 +10 6,028 6,01 0,034 0,004 Ширина зуба 6 js7 12 +6 -6 6,006 5,994


Построим схемы расположения полей допусков по центрирующему и не центрирующему параметрам (рисунки 3.1, 3.2).

Рисунок 3.1 - Схема расположения полей допусков шлицевого соединения по центрирующему параметру D -Н7/js6

Рисунок 3.2 - Схема расположения полей допусков шлицевого соединения по не центрирующему параметру b - 6F8/js7

3.5 Выполнение рисунков шлицевого соединения

По данным выбора параметров шлицевого соединения выполняем рисунки шлицевого соединения, шлицевого вала и шлицевой втулки с обозначением размеров, посадок, отклонений и шероховатостей (рисунок 3.3).

посадка вал корпус допуск

Рисунок 3.3 - Обозначение шлицевого соединения в сборе (а), шлицевого вала (б) и шлицевой втулки (в)

3.6 Выбор средств измерения

Шлицевые соединения контролируют комплексными проходными калибрами и поэлементными непроходными калибрами или измерительными приборами. При контроле комплексными калибрами отверстие годное, если комплексная пробка проходит, а размеры

диаметров и ширина паза не выходят за установленные верхние пределы; вал - годный, если комплексный калибр - кольцо проходит.

При выборе универсальных средств измерения необходимо выполнять следующее условие

где  допускаемая погрешность измерения,

lim - предел допускаемой погрешности универсальных средств измерения.

Для размера d - 30 мм:

отверстие D -  мм - величина допуска не предусмотрена. Выбираем по [6] нутромер индикаторный НИ18-50-2 (ГОСТ 868-82), с пределами измерения 18-50 мм с ценой деления 0,01 мм и пределами допускаемой погрешности lim = 15мкм.

вал d - величина допуска не предусмотрена, поэтому выбираем штангенциркуль ШЦ-II-250-0,05 (ГОСТ 166-89) с пределами измерения 0-250 мм, класса точности 2, с ценой деления 0,05 мм и пределами допускаемой погрешности lim = 50 мкм.

Для размера D - Н7/js6:

отверстие D - Н7 - величина допуска IT7 = 25 мкм, допускаемая погрешность измерения = 7 мкм. Выбираем по [6] нутромер модели 109 с головкой 2ИГ (ГОСТ 9244-75) с пределами измерения 18-50 мм, с ценой деления 0,002 мм и пределами допускаемой погрешности lim = 3,5 мкм.

вал d - js6 - величина допуска IT6 = 16 мкм, допускаемая погрешность  = 5 мкм. При такой допускаемой погрешности выбираем микрометр МК-50-1 (ГОСТ 6507-90) с пределами измерения 25-50 мм , класса точности 1, с ценой деления 0,01 мм и пределами допускаемой погрешности lim = 2,5 мкм.

Для размера b - 6F8/js7:

паз втулки В- 6F8 - величина допуска IT8 = 18 мкм допускаемая погрешность = 4 мкм. При такой допускаемой погрешности выбираем нутромер модели 104 с головкой 1ИГ (ГОСТ 9244-75) с пределами измерения 6 - 10 мм, с ценой деления 0,001 мм и пределами допускаемой погрешности lim = 1,8 мкм.

зуб вала b - 6js7 - величина допуска IT7 = 12 мкм, допускаемая погрешность 3 мкм. При такой допускаемой погрешности выбираем микрометр МК-25-1 (ГОСТ 6507-90) с пределами измерения 0-25 мм, класса точности 1, с ценой деления 0,01 мм и пределами допускаемой погрешности lim = мкм.

. ОПРЕДЕЛЕНИЕ ДОПУСКОВ И ПОСАДОК РЕЗЬБОВОГО СОЕДИНЕНИЯ

4.1 Исходные данные для выполнения задания

Задано резьбовое соединение - М18х1,5 - 7H/7g.

Расшифровка резьбового соединения:

Буква М обозначает метрическую резьбу, первая цифра - номинальный наружный диаметр резьбы D(d) мм, через знак х обозначение шага резьбы

Р = 1,5 мм, 6H - в числителе поле допуска по среднему и внутреннему диаметрам гайки, 6g - в знаменателе - поле допуска по среднему и наружному диаметрам болта.

4.2 Определение номинальных диаметров резьбы

Номинальные диаметры резьбы определяем по формулам:

средний диаметр d2(D2) = d - 1 + 0,026 = 18 - 1 + 0,026 = 17,026 мм;

внутренний диаметр d1(D1) = d - 2 + 0,376 = 18 - 2 + 0,376 = 16,376 мм.

4.3 Определение предельных отклонений диаметров резьбы гайки и болта

По [8, таблица 31] определяем предельные отклонения диаметров резьбы гайки - М18х1,5 - 7Н.

Нижнее отклонение для всех диаметров (D2, D1, D) EI = 0.

Верхние отклонения: для среднего диаметра D2 - ES2 = +236 мкм;

для внутреннего диаметра D1 - ES1 = +375 мкм;

для наружного диаметра D - ES не регламентируется.

Предельные размеры и допуски среднего TD2 и внутреннего TD1 диаметров определяются по формулам

D min = D + EI = 18 + 0 = 18 мм;2 max = D2 + ES2 = 17,026 + 0,236 = 17,262 мм;2 min = D2 + EI2 = 17,026 + 0 = 17,026 мм;1max = D1 + ES1 = 16,376 + 0,375 = 16,751 мм;1 min = D1 + EI1 = 16,376 + 0 = 16,376 мм.

Допуски диаметров гайки TD2 = ES2 - EI2 = +236 - 0 = 236 мкм;

TD1 = ES1 - EI1 = +375 - 0 = 375 мкм.

По [8, таблица 32] находим предельные отклонения диаметров болта -

М18х1,5 - 7g:

верхнее отклонение для всех диаметров (d2,, d1, d), одинаково и равно es = -32 мкм, нижнее - для d - ei = - 268 мкм;

для d2- ei2 = - 212 мкм;

для d1 - ei1 - не регламентируется.

По формулам определяем предельные размеры диаметров и допуски среднего Td2 и наружного Td диаметров резьбы:

max = d + es = 18 + (-0,032) = 17,968 мм;min = d + ei = 18 + (-0,268)= 17,732 мм;2 max = d2 + es2 = 17,026 + (-0,032)=16,994 мм;2 min = d2 + ei2 = 17,026 + (-0,212)= 16,814 мм;1 max = d1 + es = 16,376 + (-0,032) = 16,344 мм.

Допуски диаметров болта:

2 = es2 - ei2 = -32 - (-212) = 180 мкм;= es - ei = -32 - (-268) = 236 мкм.

Зазоры по среднему диаметру, определяющие посадку резьбового соединения определяем по формулам:

S2 max = ES2 - ei2 = +236 - (- 212) = 448 мкм;2 min = EI2 - es2 = 0 - (-32) = 32 мкм.

Результаты вычислений показаны в таблицах 4.1 и 4.2.

Таблица 4.1 - Величины параметров резьбы гайки

Диаметры гайки, мм

Предельные отклонения, мкм

Предельные размеры, мм

Допуски, мкм


нижнее

верхнее

наибольший

наименьший


D = 18 D2= 17,026 D1= 16,376

0 0 0

-- +236 +375

-- 17,262 16,751

18 17, 026 16,376

- TD2=236 TD1=375


Таблица 4.2 - Величины параметров резьбы болта

Диаметры болта, мм

Предельные отклонения, мкм

Предельные размеры, мм


нижнее

верхнее

наибольший

наименьший


d = 18 d2=17,026 d1=16,376

-268 -212 --

-32 -32 -32

17,968 16,994 16,344

17,732 16,814 --

Td = 236 Td2= 180 --


4.4 Построение схемы расположения полей допусков и профильной схемы резьбового соединения

На рисунке 4.1 построена схема расположения полей допусков и профильная схема резьбового соединения.

При построении следует учитывать, что на половине профиля резьбы, как и на схемах расположения полей допусков, откладываются половины допусков.

4.5 Выполнение чертежа болта

На чертеже представлен болт по ГОСТ 7805-68, на который нанесено условное обозначение, размер, указана шероховатость резьбовых поверхностей.

Рисунок 4.1- Схема расположения полей допусков (а) и профильная схема(б) резьбового соединения М18х1,5 - 7H/7g

.6 Выбор средств контроля и измерения резьбовых соединений

Контроль точности резьбовых изделий выполняется как комплексным, так и дифференцированным методами. В производственных условиях резьбу контролируют преимущественно комплексным методом, т.е. с помощью набора калибров. По виду контролируемой поверхности калибры подразделяются на калибры для контроля внутренней резьбы и калибры для контроля наружной резьбы.

В комплект калибров для контроля наружной резьбы входят гладкие скобы ПР и НЕ, контролирующие поле допуска по наружному диаметру, и два резьбовых кольца ПР и НЕ. Проходной резьбовой калибр-кольцо ПР контролирует приведенный средний диаметр и одновременно внутренний диаметр резьбы, а непроходное кольцо НЕ - наименьший средний диаметр d2min.

В комплект калибров для контроля внутренней резьбы входят гладкие пробки ПР и НЕ, контролирующие поле допуска по внутреннему диаметру, и две резьбовые пробки ПР и НЕ. Проходной резьбовой пробкой ПР контролирует приведенный средний диаметр и одновременно наружный диаметр резьбы, а непроходной пробкой НЕ - наибольший внутренний диаметр D1max.

Дифференцированный контроль предусматривает измерение каждого параметра резьбы (трех диаметров, шага и угла профиля) в отдельности.

Для контроля основных параметров наружной резьбы (резьбы болта) можно использовать следующие средства дифференцированного контроля:

-        для измерения среднего диаметра d2 используются универсальные средства без дополнительных приспособлений или с использованием резьбовых вставок, ножей, проволочек и роликов. Например, можно использовать микрометр со вставками - для диапазона измерения 0-25 мм следует брать пару вставок для резьбы с шагом P = 1,5-1,75 мм; можно также использовать метод трех проволочек совместно с гладким микрометром. Диаметр проволочек для шага Р = 1,5 мм - dn = 0,866 мм.

-        для измерения наружного диаметра резьбы можно использовать гладкий микрометр;

-        для измерения внутреннего диаметра, шага резьбы, угла профиля, а также наружного и среднего диаметров можно использовать инструментальные микроскопы различных моделей: ММИ, БМИ, УИМ. Эти приборы позволяют проводить измерения прямым бесконтактным способом с достаточной степенью точности;

         средний диаметр внутренней резьбы измеряется с помощью штихмасов с резьбовыми вставками с помощью индикаторных приборов или сферических полувставок;

-        можно также использовать метод получения оттисков и отливок с последующим их измерением универсальными средствами;

все параметры внутренней резьбы можно измерять с помощью специального микроскопа ИЗК-59. Существуют автоматические средства контроля параметров резьбы (автомат БВ-538, автомат Львовского политехнического института и др.).

На эскизах резьбового соединения внутренней и наружной резьбы (рисунок 4.2) нанести условные обозначения, размеры и указать шероховатость резьбовых поверхностей.

Рисунок 4.2 - Обозначение резьбового соединения:

а - в сборе М18х1,5 - 7H/7g;

б - внутренней резьбы М18х1,5 - 7H;

в - наружной резьбы М18х1,5 - 7g

. ОПРЕДЕЛЕНИЕ ДОПУСКОВ И ПОСАДОК ЦИЛИНДРИЧЕСКИХ ЗУБЧАТЫХ КОЛЕС

5.1 Исходные данные

Задано зубчатое колесо прямозубое со следующими параметрами

модуль m = 3,75 мм;

число зубьев z = 28;

степени точности 8;

вид сопряжения и допуск В.

Заданы одинаковые степени точности по всем нормам точности

·  по нормам кинематической точности - 8;

·        по плавности работы передачи - 8;

·        по норме контакта зубьев - 8;

·        вид сопряжения и величина допуска - В,b.

Диаметр делительной окружности равен d = m*z = 3,75*28 = 105мм.

Для обеспечения кинематической точности, заданной 8-ой степенью точности, приняты нормы, ограничивающие кинематическую погрешность или показатели (комплексы) точности. Наиболее значимыми являются: допуск Fp на накопленную погрешность шага, которую определяем по таблице 3 [6, с.430]; допуск Fr на радиальное биение зубчатого венца - по таблице 5[6, с.431]; допуск Fi на колебание измерительного межосевого расстояния за один оборот колеса; допуск Fc на погрешность обката для чего определяем окружной шаг.

Определим окружной шаг зацепления по формуле

t = p*m =3,14*3,75 = 11,775 мм.

Найденные параметры внесем в таблицу 5.1

Таблица 5.1 - Показатели норм кинематической точности и их числовые значения

Наименование

Обозначение допусков

Числовые величины

Накопленная погрешность шага Радиальное биение Колебание измерительного межосевого расстояния на одном зубе Погрешность обката

Fp FF’’1 Fc

90 50  71 28


Плавность работы передачи, заданная 8-й степенью, обеспечивается соблюдением норм, включающих показатели и комплексы точности (таблица 5.2): допуск на циклическую погрешность передачи ¦zk из таблицы 9 [6, с.438]; предельные отклонения углового шага ¦pt [6, таблица 10]; предельные отклонения шага зацепления ¦pb; допуск на колебание измерительного межосевого расстояния на одном зубе ¦i; допуск на погрешность профиля зуба ¦¦; допуск на местную кинематическую погрешность ¦i .

Таблица 5.2 - Показатели точности нормы плавности работы передачи и их числовые значения

Наименование

Обозначение допусков

Числовые величины

Циклическая погрешность передачи Отклонение шага Отклонение шага зацепления Колебание измерительного межосевого расстояния на одном зубе Погрешность профиля зуба Местная кинематическая погрешность

fzk fpt fpb  f’’i ff fi

11 ±25 ±24  36 20 45


Нормы контакта зубьев, заданные 8-й степенью точности, характеризуется относительными размерами суммарного пятна контакта в процентах (ГОСТ 1643-81) из таблицы 13 [6, с.445]:

по высоте зубьев не менее 40%

по длине зубьев не менее 50%.

Нормы, обеспечивающие боковой зазор, следует рассматривать только в отношении к зубчатой передаче с нерегулируемым расположением осей. Если межосевое расстояние по масштабу сборочного чертежа установить нельзя, то следует условно считать передаточное отношение равное единице, тогда: w= d = 105 мм.

Наименьший гарантированный (таблица 5.3) боковой зазор jn min, который должен быть обеспечен заданным видом сопряжения B при межосевом расстоянии w , выбираем из таблицы [17 ,6, с.451]: предельные отклонения межосевого расстояния a ; наименьшее дополнительное смещение исходного контура EHs [6, таблица 19]; допуск на смещение исходного контура TH при виде сопряжения B, при допуске на радиальное биение зубчатого венца Fr = 50 мкм и виде допуска b [6, таблица 21]; наименьшее отклонение длины общей нормали Еw [6, таблица 23]; допуск Тw на длину общей нормали [6, таблица 25 ]; наименьшие отклонение Ewm средней длины общей нормали [6, таблица 27]; наименьшее отклонение толщины зуба Ecr [6, таблица 29] допуск на толщину зуба TC [6, таблица 30].

Наименьшее отклонение толщины зуба Ecr можно определить по формуле

cr = 2*EHS*tga = 2* (-160)*tg 20° = 2* (-160)*0,364 = -116,48 мкм,

т.е. почти тоже, что и из [6,таблица 29].

Для нахождения параметров зубчатого колеса при заполнении таблицы на его чертеже вычислим толщину зуба по постоянной хорде по формуле

C = 1,387*m = 1,387*3,75 = 5,2 мм.

С допусками на изготовление SC =

Высота зуба до постоянной хорды равна: hC = 0,748*m = 0,748*3 = 2,8 мм.

Принимаем ширину зубчатого венца - 30 мм.

Таблица 5.3 - Показатели точности нормы бокового зазора и их числовые значения

Наименование

Обозначение допусков

Числовые величины

Гарантированный боковой зазор Отклонения межосевого расстояния Наименьшее дополнительное смещение исходного контура Допуск на смещение исходного контура Наименьшее отклонение длины общей нормали Допуск на длину общей нормали Наименьшее отклонение средней длины общей нормали Наименьшее отклонение толщины зуба Допуск на толщину зуба

jn/min fa  EHs TH Еw Тw Ewm ECr TC

160 ±80  -160 140 -110 100 -11 -120 100


5.2 Выбор средств измерения для контроля показателей точности зубчатого колеса

Точность зубчатых колес проверяют различными методами с помощью специальных средств измерения. Выбор контролируемых параметров (показателей точности) зависит от требуемой точности, особенностей производства и других факторов. При наличии большого количества показателей точности, стандарт ГОСТ 5386-81 устанавливает комплекс контролируемых параметров. Предпочтение при проведении контроля отдается комплексу параметров: F, ¦ и суммарному пятну контакта.

Примеры выбора средств контроля:

Для контроля параметров Fir кинематической погрешности зубчатого колеса выбираем прибор со стеклянными лимбами типа ВВ - 5058.

Для контроля циклической погрешности колеса контроля ¦ir (нормы плавности работы) выбираем прибор с электронным блоком и фотоэлектронным преобразователем типа БВ - 5058.

Суммарное пятно контакта (нормы контакта зубьев) измеряют на контактно-обкатных станках или по приработке, по краске. В цеховых условиях чаще всего применяют специальные приборы для контроля отдельных показателей:

микрометрический прибор типа БВ-5045 - для контроля длины общей нормали Fw [6];

шагомер накладной типа ШМ - 1 - для контроля отклонения шага ¦pt;

тангенциальный зубомер типов 23500-23800 - для контроля минимального бокового зазора jm (смещение исходного контура EHs [6]);

нониусный штангензубомер типа ШЗ -18 - для контроля отклонений толщины зуба Ec [6] и другие приборы.

. РАСЧЕТ ДОПУСКОВ РАЗМЕРОВ, ВХОДЯЩИХ В РАЗМЕРНУЮ ЦЕПЬ

6.1 Обоснование выбора размерной цепи

По заданию замыкающее звено АD = 2+0,3 мм.

Увеличивающее звеноА1, уменьшающие звенья А2,А345.

Используя масштаб сборочного чертежа, вычисленный по заданному подшипнику 15, выполним рисунок 6.1а части сборочного узла, необходимого для расчета допусков размеров, входящих в размерную цепь, определим размеры звеньев и составим схему размерной цепи (рисунок 6.1б).

Рисунок 6.1- Сборочный узел (а) и схема его размерной цепи (б)

Это прямая задача или задача конструктора.

Номинальные размеры составляющих звеньев размерной цепи:

А1= 34 мм - номинальный размер длины шпильки, выступающей от торцевой поверхности ступицы;

А2 = 2 мм - толщина прокладки;

А 3 = 12 мм - толщина фланца;

А4 = 4 мм - толщина шайбы;

А5 = 14 мм - высота гайки.

Вычислим номинальный размер замыкающего (исходного) звена:

 m-1

AD=åАi-åАi1-(А2345) = 34 - (2 + 12 + 4 + 14) = 2 мм.

i =1 m+1

Верхнее Еs(АD), нижнее Еi(AD) отклонение и допуск Т(АD) замыкающего звена: Еs(AD) = +0,3мм; Еi(AD) = 0;

Т(АD) = Es(AD) - Ei(AD) = +300 - 0 = 300 мкм.

При решении прямой задачи лучше использовать способ допусков одного квалитета, преимуществом которого является возможность использования для контроля размеров однотипных универсальных средств измерения.

Для обеспечения полной взаимозаменяемости среднее число единиц допуска аm в размерной цепи определяем по формуле

           TAD

am = m ,           (6.1)

            åi

                   n i=1

где åi - сумма единиц допусков i , которые выбираем по интервалам

i=1

номинальных размеров изтаблицы [4, с. 256] и внесем их в таблицу 6.1.

Подставим найденные значения iв формулу (6.1) и получим

                    300

аm= --――――――――――――――――――― = 60 .

          1,56 + 0,55 + 1,08 + 0,73 + 1,08

По таблице 33[8] принимаем для IT10 аm= 64.

Для удобства выполнения расчетов составим вспомогательную таблицу 6.1.

Таблица 6.1 - Параметры к расчету размерной цепи методом полной взаимозаменяемости

Номиналь-ный размер, мм

Един-ица допу-ска, i, мкм

Величина допуска Тai,мкм

Поле допус-ка

Предельные отклонения, мкм

Координа-та середи- ны поля допуска Ес(Аi), мкм



расчет-ная по IT10

скорре ктиро- ванная


верх- нее Еs(Ai)

ниж- нее Еi(Ai)


А 1=34 А 2= 2 А 3=12 А 4= 4 А5= 14

1,56 0,55 1,08 0,73 1,08

100 40 70 48 70

100 40 43 48 70

Н10 h10 h9 h10 h10

+100 0 0 0 0

0 -40 -43 -48 -70

+50 -20 -21,5 -24 -35


åi =5 åTAi=328 åTAi=301 +150,5

Для проверки правильности решения вычислим координаты середины поля допускаЕс(АD), верхнего Еs(AD) и нижнегоEi(AD) отклонений замыкающего звена:

Ес(АD)=Ес(А1) -[Ес(А2)+Ес(А3)+Ес(А4) +Ес(А5)] = +50-(-20-21,5-24-35) = +150,5 мкм;

Еs(AD) = åEs(Аi)- åEi(Аi) = Es(А1) - [Ei(А2)+ Ei(А3) +Ei(А4) + Ei(А5)]= +100 - (-40 - 43 - 48 - 70) = +301 мкм;

Ei(AD) = åEi(Аi) - åEs(Аi) = Ei(А1) - [Es(А2) +Es(А3) +Es(А4) + Es(А5)] =0.

Наибольший АDmaxи наименьший АDminразмеры замыкающего звена:

АDmax = АD + Еs(AD) = 2 + 0,301 = 2,301 мм;

АDmin= АD + Еi(AD) = 2 + 0 = 2 мм.

Для обеспечения предельных размеров замыкающего звена при полной взаимозаменяемости на составляющие звенья должны быть назначены допуски по IT9 - IT10 и тогда размеры звеньев запишем со следующими отклонениями:

+0,1; 2-0,04; 12-0,043; 4-0,048; 14-0,07.

При решении прямой задачи методом неполной взаимозаменяемости (вероятностным) принимает закон нормального распределения размеров при риске 0,27%. Тогда среднее число единиц допуска

                     TAD

аm= m-1 ,               (6.2)

               Öåi2

                       n=1

 

       m-1

где Öåi2 - среднее геометрическое квадратов единиц допуска i.

      n=1

Подставим значение i2в формулу (6.2) и получим

                           300

аm = ------------------------------------------------- = 126,7.

            Ö1,562 + 0,552 + 1,082 + 0,732 + 1,082

По таблице 33[8] принимаем IT11 для аm= 100 и по таблице 1[8] выбираем допуски IT11и внесем в таблицу 6.2.

Вероятностный допуск T’AD определяем по формуле

 

                  n-1

T’AD=ÖåTAi2=Ö 1602 + 602 + 1102 + 752 +1102 = 242,7 мкм.

                     i=1

Поскольку разность TAD -T’AD= 300 - 242,7 = 57,1 мкм или 19 %, т.е. больше 5 %, то корректировка требуется.

После корректировки:

 

                    n-1

T’AD=ÖåTAi2=Ö1602 + 602 + 1802 + 1202 + 1102 = 296,8 мкм.

                    i=1

Увеличение допусков звеньев А3 и А4 до IT12 позволило получить разность ТАD - Т’АD=300 - 296,8= 3,2 мкм, что составило 1,07%, т.е. меньше 5% и закончить корректировку.

Таблица 6.2 - Параметры к расчету звеньев размерной цепи методом неполной взаимозаменяемости

Номина-льный размер, мм

Единицадопуска, i2, мкм

Величина допуска Тai,мкм

Поле допус-ка

Предельные отклонения, мкм

Коорди- ната сере- дины по- ля допу- скаЕс(Аi),мкм



расчет-ная по IT11

скорре- ктиро- ванная


верх- нее Еs(Ai)

ниж- нее Еi(Ai)


А1=34 А2= 2 А 3=12 А 4= 4 А5= 14

2,4336 0,3025 1,1664 0,5329 1,1664

160 60 110 75 110

160 60 180 120 110

±IT11/2 ±IT11/2 h12 h12 ±IT11/2

+80 +30 0 0 +55

-80 -30 -180 -120 -55

0 0 -90 -60 0


åi2 = 5,6018 T’AD=242,9 T’AD=296,8 +150

После назначения предельных отклонений на составляющие звенья определяем координату середины поля допуска замыкающего звена Ес(АD), верхнее Es(AD) и нижнее Ei(AD) отклонения:

Ес(АD)=Ес(А1) - [Ес(А2)+Ес(А3)+Ес(А4)+Ес(А5)] = 0 - (0-90-60+0) = +150 мкм.

                         T’AD                                   296,8

Es(AD) = Ес(АD) + ------- = +150 + -------- = +298,4 мкм.

                              2                         2

                               T’AD            296,8

Ei(AD) = Ес(АD) - ------- = +150 - -------- = + 1,6 мкм.

                            2                       2

Тогда предельные размеры замыкающего звена:

ADmax = AD + Es(AD) = 2 + 0,298 = 2,298мкм;Dmin = AD + Ei(AD) = 2 + 0,002 = 2,002мкм.

Сравнивая полученные результаты с техническими требованиями на сборку, указанными на сборочном чертеже, следует отметить, что расширенные допуски, рассчитанные вероятностным методом, с очень незначительными отклонениями позволяют сохранить предельные размеры замыкающего звена и тогда размеры звеньев запишем со следующими отклонениями:

±0,08; 2±0,03; 12-0,18; 4-0,12; 14±0,055.

. ПОСАДКИ ДЛЯ ВОСЬМИ СОЕДИНЕНИЙ ДЕТАЛЕЙ СБОРОЧНОГО УЗЛА

         Резьбовое соединение цапфы балки (поз.12) заднего моста автомобиля ГАЗ-53 с гайкой (поз.21)

М40х2-6Н/6g.

2       Посадка болта крепления диска колеса в корпус-ступицу[10]

М12х1,5-6Н/6g.

         Посадка внутреннего кольца переднего роликового конического подшипника (поз.15) на шейку цапфы заднего колеса (поз.12) (см.гл.2)

Ø40L3/h5.

4       Посадка наружного кольца переднего роликового конического подшипника (поз.15) в отверстие корпуса-ступицы (см.гл.2)

Ø110N6/l3.

5       Посадка наружного кольца заднего подшипника (поз.11) в отверстие корпуса-ступицы (аналогичная рассчитанной в гл.2)

Ø130N6/l3.

         Посадка внутреннего кольца заднего подшипника (поз.11) на шейку цапфы балки (поз.12) заднего колеса (аналогичная рассчитанной в гл.2)

Ø50L3/h5.

         Посадка шайбы упорной (поз.10) на цапфу балки (поз.12) заднего колеса [10]

Ø55H8/t8.

8       Посадка фланца на цапфу балки (поз.12) заднего моста [10]

Ø70H8/v11.

ЗАКЛЮЧЕНИЕ

В результате выполнения курсовой работы удалось закрепить полученные теоретические знания по дисциплине МСиС и приобрести практические навыки: в работе с таблицами ЕСДП; в расшифровке обозначений отклонений и посадок на чертежах и в технической документации; в выборе универсальных средств измерения и контроля размеров отклонений деталей гладких цилиндрических соединений; в расчете и выборе посадок подшипников качения в зависимости от вида и условий нагружения подшипникового узла; в обозначении посадок подшипников качения на чертежах; в выборе и обозначении на чертежах посадок шлицевых, зубчатых и резьбовых соединений; в расчете допусков размеров, входящих в размерные цепи.

Самостоятельно выполненная курсовая работа позволила углубить понимание рассматриваемых вопросов и перейти к дальнейшему квалифицированному применению полученных знаний при курсовом и дипломном проектировании, а также в дальнейшей практической деятельности.

СПИСОК ИСПОЛЬЗОВАННЫХ ИСТОЧНИКОВ

1 Бреев Ю.М. Основы метрологии, стандартизации и сертификации: Методические указания к выполнению курсовой работы для студентов 3-го курса спец. 150200 - “Автомобили и автомобильное хозяйство”. - Воронеж: ВГЛТА 2010. - 28 с.

Бреев Ю.М. Альбом чертежей узлов автомобилей ГАЗ-53А, ГАЗ-66, ГАЗ-5204 к курсовой работе “Основы метрологии, стандартизации и сертификации” для студентов 3-го курса спец.150200 - “Автомобили и автомобильное хозяйство”, - Воронеж: ВГЛТА 2000. -15 с.

Автомобиль ГАЗ-53А /под ред. А.Д.Просвирина. Изд.2-е, испр. и доп. - М.: Машиностроение. 1973. -383 с.

Якушев А.И., Воронцов О.В., Федотов Н.М. Взаимозаменяемость, стандартизация и технические измерения: Учебник для втузов. Изд. 6-е - М: Машиностроение 2006. - 528.

Методические указания к выполнению курсовой работы по дисциплине “Метрология, стандартизация и взаимозаменяемость” для спец. 170400; “Основы метрологии, стандартизации и сертификации” для спец. 150200 /Сост. Казюта А.М. - Воронеж: ВГЛТА 2007 - 60 с.

Белкин И.П. Допуски и посадки (основные нормы взаимозаменяемости): Учебное пособие для студентов машиностроительных специальностей высших учебных заведений. - М: Машиностроение 1992. - 528.

Подшипники качения: Справочник-каталог /Под ред. В.Н.Нарышкина и Р.В.Коросташевского. - М.: Машиностроение, 2010. 280 с.

Программы для решения задач с применением ЭВМ и справочные материалы к выполнению курсовой работы по дисциплинам “Метрология, стандартизация и взаимозаменяемость” для студентов специальности 170400 - “Машины и оборудование лесного комплекса; “Основы метрологии, стандартизации и сертификации для студентов специальности 150200 - “Автомобили и автомобильное хозяйство” /Сост.: А.М.Казюта; Воронеж: ВГЛТА. 2007. - 46 с.

Стандарт предприятия СТП ВГЛТА 02.01.2004. Курсовое проектирование. Организация, порядок проведения, оформление пояснительной записки и графической части [Текст] / В.С.Мурзин, Ю.М.Бреев, А.Г.Высоцкий, А.И.Новиков. - Взамен СТП ВЛТИ 02.01.88; введ.2005-01-01. - Воронеж: Воронеж.гос.лесотехн.акад., 2004. - 60 с.

Атлас конструкций автомобилей ГАЗ-53А, ГАЗ-66, ГАЗ 52-04: Чертежи узлов и рабочие чертежи деталей. Изд.2-е перераб. и доп. Ч.I. Шасси. -М.: “Транспорт”, 2010.-495с.

Похожие работы на - Задний мост с тормозами и ступицами в сборе автомобиля ГАЗ-53

 

Не нашли материал для своей работы?
Поможем написать уникальную работу
Без плагиата!
Без нейросетей!