Расчет посадок соединений и размерных цепей
Министерство
образования и науки Республики Татарстан
Альметьевский
государственный нефтяной институт
Кафедра
технологии нефтегазового машиностроения
Курсовая
работа
по
дисциплине «Взаимозаменяемость и технические измерения»
Выполнил: студент гр.23-32.
Хабибуллин А.
Проверил: зав. Кафедры
Матвеев В.Н.
Альметьевск
2015 г.
Содержание
1. Введение
. Расчет посадок для гладких
цилиндрических соединений
.1 Расчет и выбор посадки с зазором
для подшипников скольжения
.2 Расчет и выбор посадки с натягом
.3 Расчет и выбор переходной посадки
3. Расчет и выбор посадок для
подшипников качения
4. Расчет калибров для гладких
цилиндрических деталей
. Расчет размерных цепей
. Заключение
. Список литературы
Исходные данные для разработки курсовой работы.
Дано:
№ подшипника: 1000812
Класс точности подшипника: 6
R = 450 кгс
A = 220 кгс
Перегрузка 300%
l1= 65 мм
d1 = 65 мм
d2 = 55 мм
l2 = 65 мм
d3 = 60 мм
n = 1000 об/мин
R = 2,5 кН (для
расчета подшипника скольжения)
R= 1,5 кН (для
расчета неподвижности посадки)
Масло инд. 20
Мкр = 108 Нм
Б1 = B = 10 мм
Б2 = 30 мм
Б4 = 40 мм
Б5 = Б6 =16 мм
Б7 = 165 мм
Б3 = (Б7+Б0) -Б1 -Б2 -Б4-Б5-Б6=
169-10-30-40-16-16 = 57 мм
1. Введение
подшипник
посадка цепь
Цель курсовой работы по взаимозаменяемости и
техническим измерениям является обучение правильно применять теоретические
знания, полученные в процессе учебы.
В соответствии с этим в процессе выполнения
курсовой работы по взаимозаменяемости и техническим измерениям решаются
следующие задачи:
расширение, углубление и закрепление
теоретических знаний и применение их при решении практических вопросов;
овладение методикой расчета соединений
деталей машин, выбора оптимальных посадок и допусков, а так же измерительных
средств при конструировании и изготовлении машин.
В машиностроении созданы и освоены новые системы
современных, надежных и эффективных машин для комплексной автоматизации
производства, что позволило выпускать продукцию высокого качества с наименьшими
затратами труда; увеличился выпуск автоматических линий, новых видов машин,
приборов, аппаратов, отвечающих современным требованиям. Непрерывно
совершенствуются конструкции машин и других изделий, технология и средства их
производства и контроля, материалы; расширилась внутриотраслевая и
межотраслевая специализация на основе унификации и стандартизации изделий, их
агрегатов и деталей; шире используются методы комплексной и опережающей
стандартизации; внедряются системы управления и аттестации качеством продукции,
система технологической подготовки производства. Увеличилась доля изделий
высшей категории качества в общем объеме их производства.
2. Расчет посадок для гладких цилиндрических
соединений
.1 Расчет и выбор посадки с зазором для
подшипников скольжения
Дано:
d2 = 55 мм
l2 = 65 мм
n = 1000 об/мин
Смазка - масло инд. 20
Материал: вала - сталь 45
втулки - БрАН 9-4
1. Максимальная толщина масляного слоя
обеспечивается при оптимальном зазоре:
Sопт = ψопт
∙ d = 0,0028∙55
= 0,154 мм
где d
- диаметр соединения;
ψопт -
оптимальный относительный зазор;
ψопт = 0,293 ∙
Кφе
= 0,293 ∙
1,12 ∙
= 2∙10-3
где μ - динамическая
вязкость масла μ=0,03 Па∙с;
n - число
оборотов в минуту
Р=
= 6,9∙105 Па - среднее
давление на опору.
R -
радиальная нагрузка на подшипник, Н
Кφе - коэффициент, учитывающий
угол охвата и отклонения l/d = 1,18
Значение Кφе находим
методом интерполяции
Кφе = 1,12
2. Максимально возможная толщина масляного
слоя между поверхностями скольжения:
hmax
= Hmax ∙
d = 0,0005 ∙
55 = 0,03 мм
где Hmax
= 0,252 ∙ ψопт
= 0,252 ∙ 0,002 = 0,0005 - максимально возможная для данного режима
относительная толщина масляного слоя.
3. Средний зазор при нормальной температуре
(20°) для выбора посадки из стандартных полей допусков:
Scp = Sопт
- St ;
Считаем, что температура масла ≈ 50°С;
St = (αА
- βВ) ∙ ( tρ
- 20°) ∙ d = (17.8 -
11.6) ∙ 10-6 ∙ 30 ∙55 = 0,009 мм
где αА
, βВ - коэффициенты
линейного расширения материалов;
tρ -
температура подшипника
Sср = Sопт
- St = 0.154 - 0,009 =
0,145 мм
4.
Выбираем из таблиц СТ СЭВ 144-75 посадку, у которой средний зазор наиболее
близок к расчетному и коэффициент относительной точности максимален.
Для рассматриваемого случая:
или
для которой:
Smax = 0,254 мм;
ТS = 0,194 мм
Smin = 0,060 мм;
Sср = 0,157
мм
Коэффициент относительной точности
посадки:
η =
= 0,8
5. Действующий зазор с учетом шероховатости
поверхности и температурных деформаций:
Sд
= S+St + α ∙ (RZA + RZВ);=
4 мкм;
RZВ
= 2,5 мкм;д
max = 254 + 9 + 2(4 +2,5) = 276 мкмд
min = 60+ 9 + 2(4 +2,5) = 82 мкм
6. Определяем действующую толщину масляного
слоя при наименьшем и наибольшем зазоре:
hд = Sд
min / 2(1-ε');
h''д = Sд
max / 2 ∙(1- ε'');
Находим коэффициент нагруженности:
С¢R
= 9,4 ∙ (р∙ψ2д
min)/(m
∙
n)
ψд
min = Sд
min / d = 0,082/ 55 = 0,0015
С¢R
= 9,4 ∙ (4,2 ∙ 105 ∙ (0,0015)2)/ (0,03 ∙ 1000)) = 0,3
ε' = 0,3¢д
= 82 / 2 ∙ (1-0,3) = 28,7 мкм
С¢¢R
= 9,4 ∙ (р ∙
ψ2д
max / m ∙ n) ;
Ψд
max = Sд
max / d = 0,276/55 = 0,005
С¢¢R
= 9,4 ∙ (4,2 ∙105 ∙ (0,005)2
/ (0,03
∙ 1000))
= 3,29
ε' = 0,8
h¢¢ д = 276/ 2 ∙
(1-0,8) = 27,6 мкм.
7. Проверяем условие наличия жидкостного
трения, задаваясь некоторым запасом надежности:
hд min / 1,2 > RZA + RZВ +((КА +
КВ)/4) ∙ l) + ΔRB/2 +
υ - угол
перекоса оси вследствие прогиба вала
ΔRB = 10 мкм -
радиальное биение
К = 0,125 ∙ 10-3 ;
,6/ 1,2 > 2+ 1,5 + 
т.е. 23 > 11,9 +
Таким образом, повышая или понижая требования к
отклонениям формы и угла перекоса, получаем оптимальный результат.
.2 Расчет и выбор посадки с натягом
Запрессовка механическая
1. Определяем эксплуатационное удельное
давление на поверхности из условия обеспечения прочности соединения:
РЭ =
=4.09∙106 Па
n- коэффициент
запаса прочности n=(1,5+5)
f - 0,85 -
коэффициент трения
2. Определяем характер деформирования,
вызываемый удельным давлением:
РЭ/ δТ
= 4,09 ∙ 106 / 2 ∙ 108 = 0,02
δТ = 2 ∙ 108
. По графику в зависимости от величины РЭ/ δТ
= 0,02 при d1 / d=0,846
устанавливаем, что деформация вала и втулки находится в упругой зоне.
.Так для определения наибольшего допускаемого
контакта давления пользуемся:
Рнб / δТ
=0,259
Рнб = 0,259 ∙ 8∙ 108 = 2∙ 108
Па
. Учитывая неравномерность распределения
удельного давления по поверхности соединения, находим Рнбдоп при l
/ d = 65 / 65 = 1
d1 / d
= 55 /65 = 0,846 , х = 0,9
Рнб доп = Рнб ∙ х = 2 ∙ 108 ∙0,9
= 180∙106 Па
. Определяем предельные значения натягов:
СА=
+ μА = (1+0.452) / (1-0.452) +
0,3 =1,5
СВ =
- μВ = (1+0.8462)/ 1-0,8462) -
0,33 =6
Nmin расч = Рнб
доп ∙d∙(CА/ЕА +
СВ/ЕВ) = 4,09∙106 ∙0,065∙
= 11 мкм
Nmax расч= Рнб
доп ∙d∙(CА/ЕА +
СВ/ЕВ) = 180∙106 ∙0,065∙
= 487,5 мкм
Рассчитываем поправку на смятие
микронеровностей сопрягаемых поверхностей по формуле:
К1=К2 = 0,7
RZA=RZB = 10 мкм
Δ Ш = 2∙ 0,7∙10∙2
= 28мкм
N'min
расч= Nmin расч
+ Δ Ш = 11 +28 = 39 мкм
N'mач
расч = Nmах расч +
Δ Ш
= 487,5+28 = 515,5 мкм
8. Выбираем стандартную посадку по СТ СЭВ
144-75
или
Для этой посадки
Nmin = ei - ES = 172-120 =
52 мкм
Nmax = es - EJ = 218-0 =
218 мкм
Проверим условие:
N'min расч £ Nmin табл. 39 £ 52
N¢¢max расч ³ Nmin табл 515,5³ 218
.3 Расчет и выбор переходной посадки
Расчет сводится к определению
ожидаемого процента получения соединения с натягом или с зазором.
В основу расчета положим
теоретико-вероятностный метод, который применяют в массовом производстве:
1. Для
диаметра d = 60 мм из таблицы
СТ СЭВ 144-75 выбираем стандартную посадку:
или
2. Для
выбранной посадки рассчитываем:
Nmax = es
- EI = 18 мкм
Smax = ES
- ei = 46-(-12) =58 мкм
N(S)ср=(18-58)2=
-20 мкм
ТD
= ES - EI
= 46 -0 = 46 мкм
Тd
= es - ei
= 18-(-12) = 30 мм
3. Определяем
среднее квадратическое отношение натяга по формуле:
σN =
мм
4. Определяем
предел интегрирования
Z = Ncp
/ σN = -20 /9,1 = -2,1
5. Ф(Z)
= Ф (-2,1) = 0,0440
. Рассчитываем вероятность натяга
Р'N
= 0,5 + 0,0440=0,5440
РN
= Р'N · 100 % = 54,4%
. Рассчитываем вероятность зазора
Р'S
= 0,5 - Ф(Z) = 0,5 -0,0440=
0,4560
РS
= Р'S · 100 % = 45,6%
. Проверка
РN
+ PS = 100 %
,4+ 45,6 = 100 %
3. Расчет и выбор посадок для
подшипников качения
1. По
ГОСТ 8338-75 для подшипника 1000812 находим габаритные размеры.
Для нагруженного кольца с местным нагружением
выбор производят для разъемного корпуса с отверстием D
= 78 мм; B = 10 мм, d=60
мм, следует выбрать посадку (по СЭВ - G7)
2. Вид
нагруженности колец: т.к. вращается вал, то нагруженное кольцо имеет местное
нагружение; внутреннее-циркуляционное.
3. Выбор
посадок.
Для внутреннего кольца с циркуляционным
нагружением выбор посадки производят в зависимости от величины интенсивности
нагрузки.
РR
= (Fr / B)
· K1· К2 · К3 ;
Fr = 450 кгс
K1 = 1 К2 = 1,5 К3 =
1
РR
= (450/ 0,5) · 1 · 1,5 · 1= 675 кгс/см
Выбираем посадку по СЭВ js6. Для
сопряжения вала со втулкой выбираем комбинированную (по системам) посадку Ø60
Для сопряжения корпуса с крышкой
получим посадку Ø
78


4.
Расчет калибров для гладких цилиндрических деталей
Предельные гладкие калибры служат для контроля
отверстий и валов (внутренних и наружных размеров) и рассортировки их на
«годные», «брак исправный» и «брак неисправимый»
По назначению предельные калибры делятся на:
рабочие калибры - ПР (проходной) и НЕ
(непроходной)
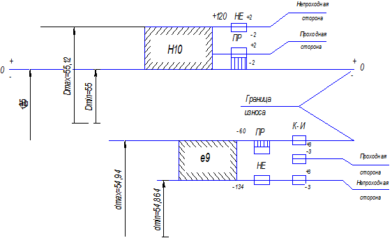
Определим предельные и исполнительные размеры
калибров, необходимых для контроля деталей, выполненных по посадке с зазором:
или
Из соответствующих формул находим:
Dmax = D +
ES = 55 + 0,12 = 55,12 мм=
D + EJ = 55 + 0 = 55 мм=
d + es = 55 + (-0,060) = 54,94 мм= d + ei = 55 +(-0,134) = 54,86 мм
По таблицы СТ СЭВ 157-75 находим
отклонения калибров:
Ø55Н10:
Z, Z1=13;
Н=5;
Н1=8;
HP,HS=3.
Ø55 e9:
Z, Z1=13;
Н=5;
Н1=8
Нp,HS =3.
Подсчет предельных размеров гладких
рабочих калибров для проверки валов и отверстий сопряжения
|
Наименование
калибров
|
Новые
калибры
|
Предельно-изношенные
в мм
|
|
наибольший
размер, мм
|
наименьший
размер, мм
|
|
|
Пробка
f 55
H10
|
ПР
|
ПРmax=Dmin+Z+H/2=
=55+0,013+0,0025=
=55,0155
|
ПРmin=Dmin+Z-H/2
= =55+0,013
-
-
0,0025=
=
55,01
|
ПРизн=Dmin=55
|
|
НЕ
|
НЕmax=Dmax+H/2=
=55,12+0,0025= =55,1225
|
НЕmin=Dmax-H/2=
=55,12-0,0025= =55,1175
|
_
|
|
Скоба
f 55 e9
|
ПР
|
ПРmax=dmax-Z1+H1/2=
=54,94 - -0,013+0,004= =54,931
|
ПРmin=dmax-Z1- - H1/2=
=54,94-0,013-
-0,004=54,923
|
ПРизн=dmax= =54,94
|
|
НЕ
|
НЕmax=dmin+Н1/2=
=54,86+0,004= =54,864
|
НЕmin=dmin- Н1/2=
=54,86-0,004= =54,856
|
_
|
Таблица 2
Подсчет исполнительных размеров
гладких рабочих калибров для сопряжения
|
Наименование
калибров
|
Новые
калибры
|
Простановка
рамера на чертеже в мм
|
|
исполнительные
размеры
|
отклонение
в мм
|
|
|
Пробка
f 55
H10
|
ПР
|
ПРmax=Dmin+Z+H/2=
=55+0,013+0,0025=
=55,0155
|
-0,005
(-Н)
|
f
55,0155-0,005
|
|
НЕ
|
НЕmax=Dmax+H/2=
=55,12+0,0025= =55,1225
|
-0,005
(-Н)
|
f
55,1225-0,005
|
|
Скоба
f 55 e9
|
ПР
|
ПРmin=dmax-Z1- - H1/2=
=54,94-0,013-
-0,004=54,923
|
+0,008
(+Н1)
|
f
54,923+0,008
|
|
НЕ
|
НЕmin=dmin- Н1/2=
=54,86-0,004= =54,856
|
+0,008
(+Н1)
|
f
54,856+0,008
|
5. Расчет размерных
цепей
Размерной цепью называется совокупность
расположенных по замкнутому контуру размеров, определяющих взаимное положение
осей и поверхностей одной детали - в подетальной цепи, или осей и поверхностей
нескольких деталей в узле или механизме - в сборочной цепи.
Замыкающим называется размер не обрабатываемый,
а получающийся в результате обработки составляющих размеров, а в подетальной
цепи, или получающийся в результате сборки зазор, натяг, или расстояние какой -
либо поверхности от базы в сборочной цепи. Замыкающий размер может быть
положительным, отрицательным или равным нулю.
По отношению к замыкающему размеру все
составляющие делятся на увеличивающие (при увеличении которых замыкающий размер
увеличивается) и уменьшается (при увеличении которых замыкающий размер
уменьшается).
Для решения составленной уже подетальной
размерной цепи достаточно знать порядок обработки.
Звеном размерной цепи может быть не только
размер, т.е. расстояние между двумя точками, линиями или плоскостями, но также
эксцентриситет в поперечном сечении, несоосность, не параллельность и другие
отклонения формы.
Назначение допусков и предельных отклонений на
все размеры, входящие в размерную цепь, называется расчетом или решение размерной
цепи.
Расчет может производиться при условии
удовлетворения требованиям полной взаимозаменяемости или при условии
удовлетворения требованиям частичной, или неполной, взаимозаменяемости.
Дано:
Б1 = 10 мм
Б2 = 30 мм
Б3 = 57 мм
Б4 = 40 мм
Б5 = 16 мм
Б6 = 16 мм
Б7 =165 мм
Это прямая задача т.к. дан допуск замыкающего
звена и необходимо определить допуски всех составляющих звеньев.
Определяем увеличивающие и уменьшающие звенья:
- увеличивающее звено
,
,
,
,
,
- уменьшающее звено
Определим номинальный размер
замыкающего звена:
аср =
=
= 150 ед. допуска
Из таблиц СТ СЭВ 145-75 выписываем
допуски для
соответственно
для 11и 12 квалитетов.
При расчете допускается
на 5-6% при
данном методе расчёта ∆=
2%
Условие выполнено.
Правильность назначения допусков можно проверить
по формулам:
EsB0=
B0=4+1,47
Назначим допуски на составляющие
звенья из таблиц стандарта СЭВ 144-75
Таблица 3
|
Бj,,
мм
|
i,
мкм
|
TBj, мкм
|
TBj принятые мкм
|
Bj,,
мм
|
|
|
IT11
|
IT12
|
|
|
|
Б1=10
|
0,9
|
90
|
150
|
150
|
10-0,15
|
|
Б2=30
|
1,31
|
130
|
210
|
210
|
30-0,21
|
|
Б3=57
|
1,56
|
160
|
250
|
250
|
57-0,25
|
|
Б4=40
|
1,56
|
160
|
250
|
250
|
40-0,25
|
|
Б5=16
|
1,08
|
110
|
180
|
180
|
16-0,18
|
|
Б6=16
|
1,08
|
110
|
180
|
180
|
16-0,18
|
|
Б7=165
|
2,52
|
250
|
400
|
250
|
165+0,25
|
|
10,01
|
1010
|
1620
|
1470
|
|
Теоретико-вероятностный расчет: аср =
|
Бj,,
мм
|
i,
мкм
|
I,2
мкм
|
TBj принятые мкм
|
принятые
мкмBj,,
мм
|
|
|
|
|
IT13
|
IT14
|
|
|
|
|
|
|
Б1=10
|
0,9
|
0,81
|
220
|
48400
|
360
|
129600
|
360
|
129600
|
10-0,36
|
|
Б2=30
|
1,31
|
1,7
|
330
|
108900
|
520
|
270400
|
520
|
270400
|
30-0,52
|
|
Б3=57
|
1,56
|
2,43
|
390
|
152100
|
620
|
384400
|
620
|
384400
|
57-0,62
|
|
Б4=40
|
1,56
|
2,43
|
390
|
152100
|
620
|
384400
|
620
|
384400
|
40-0,62
|
|
Б5=16
|
1,08
|
1,16
|
270
|
72900
|
430
|
184900
|
430
|
184900
|
16-0,43
|
|
Б6=16
|
1,08
|
1,16
|
270
|
72900
|
430
|
184900
|
430
|
184900
|
16-0,43
|
|
Б7=165
|
2,52
|
6,35
|
630
|
396900
|
1000
|
1000
|
1000000
|
165+1
|
|
10,01
|
16,04
|
2500
|
1004200
|
3980
|
2538600
|
3980
|
2238600
|
|
EsB0=
B0=4-2,48+3,8
Из таблиц СТ СЭВ 145-75 выписываем
допуски для
соответственно
для 14и 15квалитетов.
погрешность ∆=
=0,2%
допустимо.
Сравнив оба метода, можно сделать вывод, что
применение теоретико-вероятностного метода позволяет расширить допуски составляющих
размеров и тем самым упростить изготовление деталей, поэтому данный метод
экономичнее более выгодный и изготавливать детали в этом случае технологически
проще чем детали с размерами полученными при расчете методом полной
взаимозаменяемости.
6. Заключение
В курсовой работе по взаимозаменяемости и
техническим измерениям я научился применять теоретические знания, подготовился
к выполнению курсовых работ и проектов по специальным дисциплинам.
В соответствии с этим в процессе выполнения
курсовой работы по взаимозаменяемости и техническим измерениям решил следующие
задачи:
расширил, углубил и закрепил теоретические
знания и применил их при решении практических вопросов при конструировании
изделий и технологического оснащения машиностроительных предприятий;
овладел методикой расчета соединений деталей
машин, выбора оптимальных посадок и допусков, а также измерительных средств при
конструировании и изготовлении машин.
7. Список литературы
1. А.И.
Якушев и др. Взаимозаменяемость, стандартизация и технические измерения. М.:
Машиностроение, 1987г., 350 с.
2. В.Д.
Мягков и др. Справочник допуски и посадки. Л: Машиностроение, 1982г., Т1, 542
с., Т2, 448 с.
. В.Н.
Матвеев, Р.А. Гайнетдинов. Методическое указание к курсовой работе
«Взаимозаменяемость и технические измерения», 2008г.,
. Стандарт
СЭВ 144-75, Стандарт СЭВ 145-75, Стандарт СЭВ 157-75,
. А.Д.
Никифоров. Взаимозаменяемость, стандартизация и технические измерения. М.:
Высшая школа, 200г., 430 с.
. Н.Н.
Марков. Нормирование точности в машиностроении. М.: СТАНКИН, 1992г., 342 с.
. Л.
Я.Перель Подшипники качения: Расчет, проектирование
обслуживание
опор: Справочник. - М.: Машиностроение, 193-83г., 543 с.
8. Н.Н.Зябрева,
Е.И. Перельман, М.Я. Шегал. Пособие к решению задач по курсу
«Взаимозаменяемость, стандартизация и технические измерения» Л.: Высшая школа,
1977г., 207 с.
9. ГОСТ
3325-85