Расчет посадок соединений
КУРСОВАЯ
РАБОТА
по
дисциплине «Метрология, стандартизация и сертификация»
"Расчет
посадок соединений"
Содержание
Введение
1. Выбор посадок методом подобия
2. Выбор посадок и точностных
параметров для типовых соединений
3. Выбор посадок расчетным методом
4. Расчет и выбор посадок
подшипников качения
. Расчет линейных размерных цепей
Заключение
Список использованных источников
Введение
соединение
подшипник вал
Для развития машиностроения большое значение
имеет организация производства машин и других изделий на основе
взаимозаменяемости, применение и создание надежных средств технических
измерений и контроля.
В машиностроении созданы и освоены новые системы
современных, надежных и эффективных машин для комплексной автоматизации
производства, что позволяет выпускать продукцию высокого качества с наименьшими
затратами труда. В настоящее время непрерывно совершенствуются конструкции
машин и других изделий, технология и средства их производства и контроля.
Расширяется внутриотраслевая и межотраслевая специализации на основе унификации
и стандартизации изделий, широко используются методы комплексной опережающей
стандартизации, повсеместно внедряются системы управления и аттестации
продукции, а также система технологической подготовки производства.
В данной области широко развита стандартизация,
одной из важнейших целей которой является улучшение качества продукции, ее
способность удовлетворять возрастающие требования народного хозяйства и новой
техники, а также растущие потребности населения. Поэтому комплекс глубоких
знаний и определенных навыков в области точности, взаимозаменяемости,
стандартизации и технических измерений теперь является необходимой составной
частью профессиональной подготовки специалистов в области машиностроения и
приборостроения.
Точность и ее контроль служат исходной
предпосылкой важнейшего свойства совокупности изделий - взаимозаменяемости,
определяющей в значительной мере технико-экономический эффект, получаемый при
эксплуатации современных технических устройств.
Реферат
Перечень ключевых слов:
Стандартизация, метрология, взаимозаменяемость,
допуск, размер, посадка, квалитет, зазор, натяг, контроль, измерение, шпонка,
шлицевое соединение, подшипник качения, размерная цепь, составляющие звенья.
В задании 1-2 методом подобия (аналогии)
произведен выбор посадок для гладких цилиндрических соединений, выбор посадок
для шпоночных соединений, вместо шпоночного соединения зубчатое колесо - вал
назначено шлицевое соединение.
В задании 3 вместо шпоночного соединения
зубчатое колесо - вал рассчитана и выбрана посадка с натягом.
В задании 4 произведен расчет и выбраны посадки
подшипников качения.
В задании 5 рассчитана размерная цепь методом
максимума минимума и вероятностным методом.
1 Выбор посадок и точностных параметров для
гладких цилиндрических соединений
Из начальных условий:
Диаметр делительный
Диаметр вершины зубьев
Диаметр окружности впадин зубьев
Конструктивно принимаем:
диаметр шейки вала под подшипник
;
диаметр вала под манжетное
уплотнение
;
диаметр выходного конца вала
.
По конструкции (из эскиза редкутора)
принимаем входной вал-шестерню.
Так как передача крутящего момента
осуществляется цилиндрическими зубчатыми колесами, следовательно, в зубчатом
зацеплении действует радиальная нагрузка, постоянная по направлению и по
значению. Вал вращается, а корпус неподвижен, внутреннее кольцо испытывает
циркуляционное нагружение, а наружное колесо местное. Примем нормальный режим
работы.
Ø 80
- посадка
подшипника на валу. Для точной фиксации и предохранения от поворотов подшипника
на валу, выбирается посадка с гарантированным натягом, в системе вала.
Ø 140
-
соединение подшипника по наружному кольцу в корпусе. Необходимо чтобы наружное
кольцо изредка поворачивалось для предотвращения образования лунок на
внутренней поверхности наружного кольца подшипника. Поэтому выбирается
переходная посадка в системе отверстия.
Ø 140
-
соединение крышки с корпусом редуктора. Точность крепления не нужна, поэтому
выбирается посадка в системе отверстия с зазором.
Ø 75
- соединение
вал-уплотнение манжетное. Выбирается переходная посадка с зазором, стремящимся
к нулю, так как необходимо обеспечить плотное прилегание уплотнения к шейке
вала.
Для соединений определить предельные
отклонения, размеры, допуски, посадки, назначить допуски формы и расположения,
шероховатость сопрягаемых поверхностей, для соединения 2 построить схему
расположения допусков, выбрать средства измерения
Соединение Ø 24
Предельные отклонения по ГОСТ 25347-82:
Отверстие: ES
= 0,018 мм; EI =-0,031.
Вал: es
= 0; ei = - 0,021
мм.
Отверстие:
Dmax = D
+ ES = 24,0 - 0,018 =
23,982 мм
Dmin = D
+ EI = 24,0 - 0,031 =
23,969мм
TD = ES
- EI = -0,018 + 0,031 =
0,013мм.
Вал:
dmax = d
+ es = 24,0 + 0 = 24,0
мм
dmin = d + ei = 24,0 - 0,021 =
23,979 мм=
es - ei = 0 + 0,021 = 0,021 мм.
Сопряжение:
Nmax = ES - ei = -0,018 - (-0,021) =
0,003 мм=
EI - es = 0 - (-0,031) = 0,031 мм(S,N)
= Nmax + Smax = 0,003 + 0,031 = 0,034 мм (S,N)
= TD + Td
= 0,013 + 0,021 = 0,034 мм
Соединение Ø 85
Предельные отклонения по ГОСТ 25347-82:
Отверстие: ES
= + 0,220 мм; EI = 0.
Вал: es
= -0,380; ei = -0,600
мм.
Расчет:
Отверстие:
Dmax = D
+ ES = 85,0 + 0,220 =
85,220 мм
Dmin = D
+ EI = 85,0 + 0 = 85,000
мм
TD = ES
- EI = 0,220 +0 =
0,220мм
Вал:
dmax = d
+ es = 85,0 - 0,380 =
84,620 мм
dmin = d - ei = 85,0 - 0,600 =
84,400 мм=
es - ei = -0,380 - (-0,600) = 0,220 мм
Сопряжение:
Smin = ei - ES = 0 - (-0,380) =
0,380 мм=
ES - ei = 0,220 - (-0,600) = 0,820 мм(S)
= Smax - Smin = 0,820 + 0,380 = 0,440 мм(S)
= TD + Td = 0,220 + 0,220 = 0,440 мм.
Допускаемые погрешности измерения
отверстия -
; вала -
. По РД50
для наружного размера (вала) принимаем следующие измерительные средства:
а - Микрометры гладкие (МК) с
величиной отсчета 0,01 мм при настройке на нуль по установочной мере.
.
б - Индикаторы многооборотные (2МИГ)
с ценой деления 0,002 мм и пределом измерения 2 мм;
.
Для внутреннего размера (отверстия)
принимаем следующие измерительные приборы:
а - Нутромеры индикаторные (НИ) с
ценой деления отсчетного устройства 0,01; Микропара устанавливается по
установочной мере.
Рисунок 1 - Схема расположения полей допусков
деталей соединения
Ø 85
2. Выбор посадок и точностных параметров для
типовых соединений
Выбор посадок для шпоночного соединения
По ГОСТ 23360-78 для соединения «вал
- колесо зубчатое» выбираем размеры шпонки:
,
;
. Условное обозначение шпонки:
20х12х70 ГОСТ 23360-78. Для тихоходного вала при плотном соединении выбираем
поля допусков: ширина шпонки
; ширина паза на валу
; ширина
паза во втулке
.
: es = 0 мм; ei = -0,052
мм.
: es = -0,022 мм; ei = -0,074.
: es = -0,022
мм; ei = -0,074
мм.
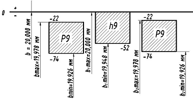
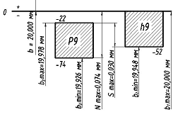
Рисунок 2 - Схема расположения полей
допусков шпоночного соединения
Рассчитаем табличные зазоры по
размеру
:
соединение шпонки
с пазом
вала
S1max = bmax - b1min = 19,978 -
19,948 = 0,030 мм;max
= b1max - bmin = 20,000 - 19,926 = 0,074 мм.
Рисунок 3 - Схема расположения полей допусков
соединения «шпонка - вал»
Рассчитаем табличные зазоры по
размеру
:
соединение шпонки
с пазом
вала
S2max = b3max - b1min = 19,978 -
19,948 = 0,030 мм;max
= b1max - b3min = 20,000 - 19,926 = 0,074 мм
.
Рисунок 4 - Схема расположения полей допусков
соединения «шпонка - паз втулки»
Рассчитаем табличные зазоры по
размеру
:
глубина паза вала
;
высота шпонки
;
глубина паза втулки
;
Тогда
Smax = t1
max + t2
max - hmin
= 7,700+5,100 - 11,890 = 0,910 мм
Smin = t1 min + t2 min - hmax =
7,500 + 4,900 - 12,000 = 0,400 мм
Рассчитаем табличные зазоры по
размеру
:
длина шпонки
;
длина паза вала
;
Тогда
Smax = L2
max - L1
min = 71,200 - 69,260
= 1,940 мм
Smin = L2 min - L1 max = 70,000 -
70,000 = 0
Рисунок 5 - Схема расположения полей допусков
соединения по длине шпоночного паза
Числовые значения допусков расположения
определяем из соотношения:
Полученные значения округляем до
стандартных по ГОСТ 24643
;
.
Шероховатость боковых поверхностей
шпоночного паза - Ra3.2; дна паза - Ra6,3.
Контроль ширину пазов вала и втулки осуществляется специальными предельными
калибрами; глубину паза во втулке - пробками со ступенчатой шпонкой; глубину
паза на валу - кольцевыми калибрами с проходной/непроходной ступенью.
Выбор посадок для шлицевого
соединения. Заменим шпоночное соединение зубчатого колеса с валом на шлицевое
соединение. Принимаем шлицевое прямобочное соединение с центрированием по
наружному диаметру средней серии.
Основные размеры по ГОСТ 1139-90:
;
;
;
Принимаем поля допусков:
для диаметра: втулки Æ
; вала Æ
для ширины шлиц: втулки
; вала
Условное обозначение:
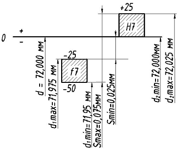
Рассчитаем табличные зазоры по
размеру
:
соединение
Отверстие: ES = +0,025
мм; EI =0.
Вал: es = -0,025
мм; ei = -0,050
мм.
Отверстие:
Dmax = D
+ ES = 72,0 + 0,025 =
72,025 мм
Dmin = D
+ EI = 72,0 + 0 = 72,0
мм
TD = ES
- EI = 0,025 - 0 =
0,025мм
dmax = d
- es = 72,0 - 0,025 =
71,975 мм
dmin = d - ei = 72,0 - 0,050 = 71,95
мм=
es - ei = -0,025 - (-0,050) = 0,025 мм
Сопряжение:
= es - EI = 0,025 - 0 = 0,025 мм
Smax = ES - ei = 0,025 - (-0,05) =
0,075 мм=
(Smax + Smin)/2 = (0,075 +0,025) /2 = 0,05 мм=
Smax - Smin = 0,075 - 0,025 = 0, 05 мм = TD
+ Td = 0,025 + 0,025 =
0, 05 мм
Схема расположения полей допусков приведена на
рисунке 6
Рисунок 6 - Схема расположения полей допусков
шлицевого соединения по размеру D
Рассчитаем табличные зазоры по
размеру
:
соединение
Отверстие: ES = +0,035мм;
EI =+0,015мм.
Вал: es = -0,015мм;
ei = -0,035
мм.
Отверстие:
bmax = b
+ ES = 12,0 + 0,035 =
12,035 мм
bmin = b
+ EI = 12,0 + 0,015 =
12,015 мм
TD = ES
- EI = 0,035 - 0,015 =
0,02мм
Вал:
b 2 max
= b - es
= 12,0 - 0,015 = 11,985 мм
b 2 min = d - ei = 12,0 - 0,035 =
71,965 мм=
es - ei = -0,015 - (-0,035) = 0,02 мм
Сопряжение:
= es + EI = 0,015 + 0,015 = 0,030 мм
Smax = ES + ei = 0,035 + 0,035 =
0,07 мм=
(Smax + Smin)/2 = (0,07 +0,03) /2 = 0,05 мм=
Smax - Smin = 0,07 - 0,03 = 0, 04 мм = TD
+ Td = 0,02 + 0,02 = 0,
04 мм
Схема расположения полей допусков приведена на
рисунке 7.
Рисунок 7 - Схема расположения полей допусков
шлицевого соединения по размеру b
Контроль шлицевых соединений осуществляется с
помощью комплексных проходных калибров (пробковые и кольцевые), которыми
контролируется взаимное расположение поверхностей соединения. Поэлементный
контроль охватывает контроль диаметров, толщину зубьев, ширину впадин и
осуществляется путем использования непроходных калибров или универсальных
измерительных приборов.
Выбор посадок расчетным методом
Расчет и выбор посадок с натягом
Заменим шпоночное соединение зубчатого колеса с
валом на посадку с натягом. Посадка с натягом позволяет упростить конструкцию и
сборку деталей и обеспечивают высокую точность их центрирования.
Определим требуемое минимальное удельное
давление
;
где
- длинна контакта сопрягаемых
поверхностей,
- коэффициент трения при
установившемся процессе распрессовки или проворачивания,
- крутящий момент, передаваемый
валом; из условия прочности
, отсюда
где
=25МПа (для стального вала).
.
Определим необходимую величину
наименьшего расчетного натяга
,
где
и
- модули упругости материалов
охватываемой и охватывающей деталей;
- коэффициенты Ляме
,
где
- коэффициент Пуансона,
;
Определим величину минимального
допустимого натяга с учетом поправочных коэффициентов
;
где
- поправка, учитывающая смятие
неровностей контактных поверхностей деталей при образовании соединения;
.
- поправка, учитывающая различие
рабочей температуры деталей и температуры сборки,
, так как
температура всех узлов сборки одинакова.
- поправка, учитывающая ослабление
натяга под действием центробежных сил;
.
Определяем максимальное допустимое
удельное давление, при котором отсутствует пластическая деформация на
контактных поверхностях детали
;
где
- предел текучести материала деталей
(Сталь 45);
.
Расчет ведем Р1 - наименьшее
значение, так как
.
Определяем величину наибольшего
расчетного натяга
Определяем максимальный допустимый натяг
;
где
- коэффициент увеличения удельного
давления у торцов охватывающей детали;
Выбираем посадку из таблицы системы
допусков и посадок
Принимаем посадку Æ
, для
которой выполняются условия:
Определим усилие запрессовки
собираемых деталей
;
где
- коэффициент трения при
запрессовке; 
Расчет полученной посадки
соединение Æ
Отверстие: ES
= +0,046мм; EI = 0
Вал: es
= +0,256мм; ei = +0,210
мм.
Отверстие:
Dmax = D
+ ES = 75,0 + 0,046 =
75,046 мм
Dmin = D
+ EI = 75,0 + 0 = 75,0
мм
TD = ES
- EI = 0,046 - 0 =
0,046мм
Вал: D
2 max = D
+ es = 75 + 0,256 =
75,256 мм
D 2 min = D + ei = 75 + 0,210 =
75,210 мм=
es - ei = 0,256 - 0,210 = 0,046 мм
Сопряжение:
Nmin = ei - ES = 0,210 - 0,046 =
0,164 мм=
es - EI = 0,256 - 0 = 0,256 мм
Nm = (Nmax + Nmin)/2 = (0,256
+0,164) /2 = 0,210 мм=
Nmax - Nmin = 0,256 - 0,164 = 0, 092 мм = TD
+ Td = 0,046 + 0,046 =
0,092 мм.
Схема расположения полей допусков соединения
«вал - колесо зубчатое» в натяг приведено на рисунке 8.
Рисунок 8 - Схема расположения полей
допусков соединения Æ
4. Расчет и выбор посадок
подшипников качения
Выбор и обоснование тип и класс
точности подшипника. Принимаем подшипник шариковый радиальный однорядный 216
ГОСТ 8338-75. Подшипник предназначен
для восприятия радиальных нагрузок и при небольших частотах вращения допускают
небольшие перекосы валов. Для тихоходного вала принимаем нормальный класс
точности подшипника.
Вид нагружения колец подшипника.
Посадка внутреннего кольца вала всегда осуществляется в системе основного
отверстия, а наружного кольца в корпус - в системе основного вала.
Выбор посадок для подшипников
качения зависит от характера нагружения колец. В подшипниковых узлах редукторов
кольца испытывают циркулярное и местное нагружения. Внутреннее кольцо
подшипника является циркуляционно нагруженным, при котором радиальная нагрузка
воспринимается последовательно всей окружностью ее дорожки качения и передается
всей посадочной поверхности вала. Наружное кольцо подшипника испытывает внешнее
нагружение, при котором постоянная по направлению результирующая радиальная
нагрузка воспринимается лишь ограниченным участком окружности дорожки качения и
передает ее соответствующему ограниченному участку посадочной поверхности
корпуса.
Класс точности подшипников качения
для зубчатой передачи выбирается в зависимости от степени точности зубчатой
передачи по таблице 3.6 [2]. Степень точности зубчатой передачи 9, тогда класс
точности подшипника 6.
Так как в изделии вращается вал,
внутреннее кольцо подшипника является циркуляционно нагруженным, наружное
кольцо, соединяющееся с неподвижным корпусом, испытывает местное нагружение,
следовательно, внутреннее кольцо соединяется с валом по посадке с натягом,
наружное кольцо в корпусе - с небольшим зазором.
Квалитет точности для отверстия и вала
устанавливается в зависимости от класса точности подшипника. При 6 классе
точности подшипника вал обрабатывается по 6, а отверстие по 7 квалитету
точности.
Dотв=140H7+0.04;
dвала=80k6(
).
Предельное отклонение для колец
подшипника определяется по ГОСТ 520-89:
Dподш=140l6(-0.018);
dподш=80L6(-0.012).
Таким образом, посадка по
внутреннему кольцу подшипника Ø80
, по наружному кольцу Ø140
.
Расчет предельных размеров деталей
подшипникового узла
по внутреннему кольцу Ø80
Отверстие: ES
= 0; EI = - 0,012
мм.
Вал: es
= +0,021мм; ei = +0,002
мм.
Отверстие:
Dmax = D
+ ES = 80,0 + 0 = 80,0
мм
Dmin = D
+ EI = 80,0 - 0,012 =
79,988 мм
TD = ES
- EI = 0 + 0,012 =
0,012мм
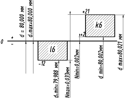
Вал:
D 2 max
= D + es
= 80 + 0,021 = 60,021 мм
D 2 min = D - ei = 80 + 0,002 =
80,002 мм=
es - ei = 0,021 - 0,002 = 0,019 мм
Сопряжение:
Nmin = ei - ES = 0,002 + 0,012 =
0,014 мм=
es - EI = 0,021 + 0,012 = 0,033 мм
Nm = (Nmax
+ Nmin)/2 = (0,033
+0,014) /2 = 0,0235 мм
Схема расположения полей допусков соединения
деталей подшипникового узла по внутреннему кольцу приведена на рисунке 9.
Рисунок 9 - Схема расположения полей допусков
соединения деталей подшипникового узла по внутреннему кольцу
по наружному кольцу Ø140
Отверстие: ES
= +0,04; EI = 0.
Вал: es
= 0; ei = - 0,018
мм.
Отверстие:
Dmax = D + ES = 140,0 + 0,04 =
140,04 мм=
D + EI = 140,0 + 0 = 140,0 мм=
ES - EI = 0,04 + 0 = 0,04мм
Вал:
D 2 max = D + es = 140,0 + 0 = 140,0
мм
D 2 min = D - ei = 140,0 - 0,018 =
139,982 мм=
es - ei = 0 + 0,018 = 0,018 мм
Сопряжение:
Smin = es + EI = 0
Smax = ES + ei = 0,04 + 0,018 =
0,048 мм
= (Smax + Smin)/2
= (0,048 +0) /2 = 0,024 мм.
Схема расположения полей допусков соединения
деталей подшипникового узла по наружному кольцу приведена на рисунке 10.
Рисунок 10 - Схема расположения полей допусков
соединения деталей подшипникового узла по наружному кольцу.
Проводим проверку наличия радиального зазора, который
уменьшается по причине натяга при посадке подшипника на вал. В расчетах
принимаем среднее значение величины натяга и зазора, как наиболее вероятные
Nm = 23,5 мкм.
мм.
мкм.
По ГОСТ 24810 определяем предельные
значения теоретических зазоров в подшипнике 216 до сборки: Smin = 10 мкм; Smax = 30 мкм.
G r ср = (Smax + Smin)/2 = (0,030
+0,010) /2 = 0,020 мм.
Тогда
.
Определение требований к посадочным
поверхностям вала и отверстия в корпусе
Допуски круглости и профиля
продольного сечения:
вала Tкр в = Tкр пр.сеч.в
= 4,0 мкм;
отверстия Tкр отв = Tкр
пр.сеч.отв = 9 мкм.
Допуск торцевого биения опорного
торца вала, не более 25 мкм.
Допуск торцового биения заплечика
корпуса, не более 54 мкм.
Допуск соосности посадочных
поверхностей
для вала
; принимаем
для корпуса:
; принимаем
.
. Решение линейных размерных цепей
Выполним размерный анализ и построим
схему размерной цепи
Примем, что необходимо обеспечить
зазор, между крышкой корпуса и подшипником согласно задания. Необходимо
установить все размеры, которые будут влиять на этот зазор. Обозначим эти
размеры
и построим
размерную цепь.
Схема размерной цепи приведена на
рисунке 11.
Рисунок 11 - Схема размерной цепи
Расчет размерной цепи методом полной
взаимозаменяемости
Исходные данные:
Записываем параметры замыкающего
звена:
;
Составляем размерную цепь по эскизу
сборочного чертежа, конструктивно определяем номинальное значение составляющих
звеньев:
;
- ширина подшипников;
- длина шейки вала под подшипники.
Данная размерная цепь состоит двух
увеличивающих звеньев и 1 уменьшающего.
Составляем уравнение размерной цепи
(линейная размерная цепь):
,
Определяем средние значения допусков
составляющих звеньев по способу одной степени точности:
Найденное число единиц допуска лежит
в пределах 9-10 квалитета.
Назначаем квалитеты точности на
размеры, определяем допуски, отклонения и среднее значение допуска на каждый
размер. Результаты поэтапных расчетов сводим в таблицу 1.
Таблица 1
|
Звено
|
Номинальный
размер
|
,
мкмДопуск
|
Верхнее
|
Нижнее
|
Середина
поля допуска
|
|
|
|
|
|
отклонения
|
|
|
|
|
мкм
|
|
5-0,4+0,2-0,20
|
|
|
|
|
|
|
|
311,560,1500-0,150-0,075
|
|
|
|
|
|
|
|
311,560,1500-0,150-0,075
|
|
|
|
|
|
|
|
571,860,700+0,500-0,200+0,150
|
|
|
|
|
|
|
Определим предельные значения звена
:
верхнее отклонение из формулы
.
нижнее отклонение

Для проверки правильности
проведенных расчетов воспользуемся зависимостью
для координат середины полей
допуска:
= -75 - 75 +150
Вычисления произведены верно.
Расчет размерной цепи вероятностным
методом
Исходные данные:
; процент
брака - 0,27%.
Записываем параметры замыкающего
звена:
;
Составляем размерную цепь по эскизу
сборочного чертежа, конструктивно определяем номинальное значение составляющих
звеньев:
;
- ширина подшипников;
- длина шейки вала под подшипники.
Данная размерная цепь состоит двух
увеличивающих звеньев и 1 уменьшающего.
Составляем уравнение размерной цепи
(линейная размерная цепь):

Принимаем, что рассеяние размеров
звеньев близко к нормальному закону,
. Примем также
.
При
коэффициент
.
Определим среднюю точность размерной
цепи:
Найденное число единиц допуска лежит
в пределах 10-11 квалитета точности. Назначаем допуски на все размеры по 11
квалитету.
Определим истинное значение процента
брака:
Что соответствует 0,01% брака.
Полагаем, что такое количество брака нас устраивает. Следовательно, все размеры
выполняем по 11 квалитету и сводим данные в таблицу 2.
Таблица 2
|
Звено
|
Номинальный
размер
|
Отклонение
|
Допуск
|
Середина
поля допуска
|
Характеристики
рассеяния
|
|
|
|
|
|
ai
|
li
|
|
|
|
|
мкм
|
|
|
|
5-0,4001/3
|
|
|
|
|
|
|
|
31h0,150-0,07501/3
|
|
|
|
|
|
|
|
31h0,150-0,07501/3
|
|
|
|
|
|
|
|
57-0,190+0,15001/3
|
|
|
|
|
|
|
;
;
Заключение
Метод полной взаимозаменяемости
обеспечивает сборку без подбора и подгонки, требуется точность замыкающего
звена размерной цепи при любом сочетании размеров составляющих звеньев. При
этом предполагается, что в размерной цепи одновременно могут оказаться все
звенья с предельными значениями, причем в любом из двух неблагоприятных
сочетаний. Этот метод учитывает эти неблагоприятные сочетания. Размеры
выполняются с достаточно высокой точностью, что вызывает удорожание изделия, но
уменьшает трудоемкость сборки, избегая процесса подбора деталей узла.
Вероятностный метод - метод, при
котором требуемая точность замыкающего звена размерной цепи получается не при
любых сочетаниях, а при ранее обусловленной части сочетаний размеров
составляющих звеньев. Метод исходит из предположения, что сочетание
действительных размеров, составляющих звеньев в изделии носит случайный
характер, и вероятность того, что все звенья с самыми неблагоприятными
сочетаниями окажутся в одном изделии, весьма мала. Метод допускает малый
процент изделий, у которых замыкающее звено выйдет за рамки поля допуска. При
этом расширяются поля допуска размеров, снижается себестоимость изготовления,
но присутствует вероятность возникновения процесса подбора.
Литература
1 Указания по оформлению документов
курсовых и дипломных проектов по специальности С 03.01.00. «Механизация
сельского хозяйства»: /Л.А. Вергейчик [и др.]. - Минск: БГАТУ, 1996. - 198 с.
Расчеты деталей машин: справочное
пособие/ А.В. Кузьмин, И.М. Чернин, Б.С. Козинцов. - Минск: Вышэйшая школа,
1986.- 400 с.: ил.
Допуски и посадки : справочник в 2-х
ч./ Мягков В. Д. [и др.]. - изд. 6-е, перераб. и доп. - Ленинград:
Машиностроение, 1982. -2ч.
Детали машин. Проектирование:
Учебное пособие/ Курмаз Л.В., Скойбеда А.Т. Минск, 2001 - 298 с.
Допуски и посадки : справочник в 2-х
ч./ М.А. Палей, А.Б. Романов, В.А. Брагинский. - изд. 8-е, перераб. и доп. -
Санкт-Петербург: Политехника, 2001. -2ч.
Допуски и посадки: учебное пособие/
В.И. Анухин. - изд. 2-е, перераб. и доп. - Санкт-Петербург: Политехника, 2001.
Конструирование узлов и деталей
машин: учеб. пособие для машиностроит. спец. вузов. / П.Ф. Дунаев, О.П.
Леликов. - изд. 4-е, перераб. и доп. - Москва: Высшая школа, 1985. - 416 с.:
ил.