Расчет посадок типовых соединений

  • Вид работы:
    Контрольная работа
  • Предмет:
    Другое
  • Язык:
    Русский
    ,
    Формат файла:
    MS Word
    733,17 Кб
  • Опубликовано:
    2013-10-30
Вы можете узнать стоимость помощи в написании студенческой работы.
Помощь в написании работы, которую точно примут!

Расчет посадок типовых соединений

Задача 1

Выполнить анализ соединения зубчатого колеса с валом и соединения втулки с валом узла редуктора. Определить характер соединения. Рассчитать значения предельных натягов или зазоров и указать на схеме полей допусков.

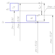
1.1    Анализ посадки Ø 65 Н7/zb6

1.1.1 по ГОСТ 25346-89 определяем значение допуска для отверстия Ø 56 Н7: IT7= 30, ES = +30 мкм, EI = 0

Исполнительный размер отверстия: Ø 65 Н7 (+0,030)

1.1.2 Определяем значение допуска вала Ø 65 zb6: IT6 = 19 мкм, ei= +300 мкм, es=319 мкм.

Исполнительный размер вала Ø 65 zb6

1.1.3 Проводим расчеты предельных значений натяга

Наибольший натяг Nmax=es-EI=+319-0=319

Наименьший натяг Nmin=ei-ES=+300-(+30)=270

Допуск на посадку TN=Nmax-Nmin=+319-(+270)=49

1.1.4 Проверка

Допуск на посадку TN=TD(IT7)+Td(IT6)=30+19=49

Результаты анализа посадки Ø 65 Н7- zb6

Соединение

Допуск

Зазоры (мкм)

Натяги (мкм)

Допуски на посадки (мкм)


Отв.

Вал

Smax

Smin

Sср.

Nmax

Nmin

Nср.


Ø 56 Н7-t6

30

19

-319

-270

-294,5

319

270

294,5

49


Характер посадки - неподвижный с гарантированным натягом.

 

1.2    Анализ посадки Ø 55 E7/k6

1.2.1 по ГОСТ 25346-89 определяем значение допуска для отверстия Ø 55 F7: IT7= 30, ES = +90 мкм, EI = +60 мкм

Исполнительный размер отверстия: Ø 55 E7

1.2.2 Определяем значение допуска вала Ø 55 k6: IT6 = 19мкм, ei= +2 мкм, es=+21 мкм.

Исполнительный размер вала Ø 55 k6

1.2.3 Проводим расчеты предельных значений натяга

Наибольший натяг Smax=ES-ei=+90-(+2)=88

Наименьший натяг Smin=EI-es=+60-(+21)=39

Допуск на посадку TS=Smax-Smin=+88-(+39)=49

1.2.4 Проверка

Допуск на посадку TS=TD(IT7)+Td(IT6)=30+19=49

Результаты анализа посадки Ø 55 E7-k6

Соединение

Допуск

Зазоры (мкм)

Натяги (мкм)

Допуски на посадки (мкм)


Отв.

Вал

Smax

Smin

Sср.

Nmax

Nmin

Nср.


Ø 45 F7-k6

30

19

88

39

63,5

-39

-63,5

49

 

Задача 2

Перегрузка 150 %

Класс точности 6

Условное обозначение № 311

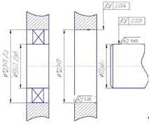
Диаметр внутренней обоймы d = 55 мм

Диаметр внешней обоймы D = 120 мм

Ширина обоймы В = 29 мм

Радиальная реакция опоры F= 5900 Н

Поле допуска вала js6, поле допуска отверстия H7

Предельные отклонения для обработки отверстия Ø 120 Н7 в корпусе и вала Ø 55 js6

Исполнительные размеры:

Отверстие - Ø 120 Н7

Вал - Ø 55 js6

Наружное кольцо подшипника (мм) Æ120l0 (0;-0,015):

Dm max = Dm + es;

Dm max = 120 + 0 = 120;

Dm min = Dm + ei;

Dm min = 120 - 0,015 = 119,85;m = 0,015.

Внутреннее кольцо (мм) подшипника Æ55L0 (0;-0,012):

dm max = dm + ES;

dm max = 55 + 0 = 55;

dm min = dm + EI;

dm min = 55 - 0,012 = 54,988;m = 0,012.

Определяем предельные отклонения (мм) посадочных поверхностей и их предельные размеры (мм)

вал - js6:= +0,0095;= -0,0095; = 55,0095;  = 54,9905.

отверстие Н7:

ES = +0,035;

EI = 0;

D = 120,035;

D = 120.

Определяем предельные зазоры и натяги соединений:

внутреннее кольцо - вал:

N = d  - d = 55,0095 - 54,988= 0,0215 мм ,

S= d  - d  = 55 - 54,9905= 0,0095 мм.

наружное кольцо - корпус:

N = D- D = 120 - 120 = 0 мм,= D - D=120,035 - 119,85 = 0,185 мм.

Определяем шероховатость посадочных отверстий

вала - R = 0,63 мкм,

отверстия - R = 1,25 мкм,

торцы заплечиков валов: R = 2,5 мкм и отверстий корпусов:

R = 2,5 мкм.

Задача 3

вал шероховатость узел редуктор

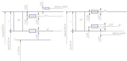
3.1.1 Расчет исполнительных размеров калибров для контроля деталей соединения Ø 55 E7/k6:

Отверстия - Ø 55 E7  и вала Ø 55 k6 .

.1.2 Строим схему СПД для контроля размеров соединения: отверстия - Ø 55 E7 и вала Ø 55 k6.

.1.3 Определяем предельные размеры контролируемых деталей, которым соответствуют номинальные размеры проходных ПР и непроходных НЕ калибров пробок и скоб.

.1.4 Для отверстия Ø 55 E7 :

Dmax=D + ES =55+0,090=55,090 = Ø - HE;

Dmin=D + EI =55+0,060=55,060= Ø - ПР.

Для вала Ø 55 k6 :

dmax=d + es =55+0,021=55,021 = Øск - ПР;

dmin= 55,002 = Øск - HE.

.1.5 Строим СПД для размеров контролируемых деталей и от соответствующих границ предельных размеров ведем построение СПД для калибров

.1.6 По ГОСТ 24853-81 определяем допуски и отклонения размеров калибров:

а) допуски на изготовление калибра-пробки для контроля отверстия - Ø 55 E7, для квалитета IT7: Z=4, Y=3, H=5;

б) допуски для калибра-скобы для контроля вала Ø 55 k6, для квалитета IT6: Z1=4, Y1=3, H1=5;

где Н (Н1)- допуски на изготовление рабочего калибра пробки и скобы, соответственно, мкм;

Z (Z1) - координаты середины поля допуска Н(Н1) проходного калибра пробки и скобы, соответственно, мкм;

Y(Y1) - координаты границы износа проходного калибра пробки и скобы, соответственно, мкм.

.1.7 Определяем размер предельного изношенного проходного калибра-пробки:

Ø изн - ПР = Dmin - Y= 55,060 - 0,003=55,057

Определяем размер предельного изношенного проходного калибра скобы:

Ø изн - ПР = dmax+Y1=55,021+0,003=55,024

Ø - ПР = [Dmin+Z+H/2]=55,0665-0,005

Ø - НЕ = [Dmax+H/2]=55,0925-0,005

3.1.9 Определяем исполнительные размеры проходного Øск - ПР и непроходного Øск - HE калибра-скобы:

Ø - ПР = [dmax-Z1-H1/2]+H=55,0145+0,005

Ø - НЕ = [dmin-H1/2] +H =54,9995+0,005

3.2 Маркировка калибров

.2.1 Проходные калибры маркируются буквами ПР, а непроходные калибры - буквами НЕ. Дополнительно в маркировку калибра вносятся номинальный размер, условное обозначение поля допуска и предельные отклонения контролируемого размера.

.2.2 на эскизах калибра-пробки и калибра-скобы указать исполнительные размеры калибров, погрешности формы и шероховатости измерительных поверхностей калибра, в зависимости от квалитета точности.

 

Задача 4

Провести размерный анализ узла редуктора. Определить допуски и назначить предельные отклонения на все составляющие размеры, если задан номинальный размер и предельные отклонения замыкающего звена АΔ:

АΔ=I

А1=А7=0,25d=0,25×55=13,25=13 мм

А2=А3=А6=Вподш=29 мм

А4=1,5d=82,5 мм=83 мм

А5=3d=3×55=165 мм

А8=(А1+А2+А3+А4+А5+А6+А7+АΔ) = 361 мм

Для заданного узла редуктора составляем расчетную схему размерной цепи в векторной изображении и проводим качественный анализ размерной цепи, выявив уменьшающие и увеличивающие составляющие звенья.

Решение задачи выполняем способом допусков одного квалитета, полагая, что все размеры должны выполняться по одному квалитету, поэтому определяем средний коэффициент точности для данной размерной цепи по формуле:

Аср=ТА/∑Ii

Где ТАΔ - допуск замыкающего звена АΔ:

ТАΔВАΔ - ΔнАΔ=+0,800-0=0,8=800 мкм

ΔВАΔ = +800 и ΔнАΔ = 0 - верхнее и нижнее отклонение замыкающего звена АΔ, соответственно;

Ii -единица допуска

Определяем сумму ∑Ii=I1+I2+I3+I4+I5+I6+I7+I8


Определяем средний коэффициент точности аср:

∑Ii=14,32

аср=900/14.32=62,8

Выбираем ближайший квалитет IT11

ТА1ср × I1=62,8 × 1,08=67,8

ТА2ср × I2=62,8 × 1,31=82,2

ТА3ср × I3=62,8 × 1,31=82,2

ТА4ср × I4=62,8 × 2,17=136,3

ТА5ср × I5=62,8 × 2,52=158,2

ТА6ср × I6=62,8 × 1,31=82,3

ТА7ср × I7=62,8 × 1,08=67,8

ТА8ср × I8=62,8 × 3,54=222,3

Проводим корректировку расчетных данных, при соблюдении условия: ∑ТАi=ТАΔ

ТА4=110

ТА5=120

ТА8=190

Тогда:

= ∑(70+80+80+110+120+80+70+190)


Список использованной литературы

1.   Анурьев, В. И. Справочник конструктора-машиностроителя / В. И. Анурьев. - М. :Машиностроение,1981. - 254 с.

2.   Белкин, И. М. Допуски и посадки (Основные нормы взаимозаменяемости): учеб. пособие для студентов машиностроит. спец. высших технич. Заведений / И. М. Белкин - М.: Машиностроение, 1992. - 528 с.

3.   Выбор и расчет посадок типового соединений: варианты заданий и чертежи для выполнения курсовой работы по дисциплине "Метрология, стандартизация и сертификация". Часть 2 / Сост.: О. И. Медведьева, Е. Г. Кравченко, А. С. Осипкина, В. В. Хруль - Комсомольск-на-Амуре : ГОУВПО "КнАГТУ",2006. - 32 с.

4.   Димов, Ю. В. Метрология, стандартизация и сертификация. Учебник для вузов. 2-е изд. / Ю. В. Димов - СПб.: Питер, 2004. - 432 с.

5.   Никифоров, А. Д. Взаимозаменяемость, стандартизация и технические измерения: учеб. пособие для машиностроит. спец. Вузов / А. Д. Никифоров - М.: Высшая школа, 2000. - 510 с.

Похожие работы на - Расчет посадок типовых соединений

 

Не нашли материал для своей работы?
Поможем написать уникальную работу
Без плагиата!
Без нейросетей!