Расчет посадки с натягом, переходной посадки и посадки подшипника качения

  • Вид работы:
    Курсовая работа (т)
  • Предмет:
    Другое
  • Язык:
    Русский
    ,
    Формат файла:
    MS Word
    430,88 Кб
  • Опубликовано:
    2014-08-26
Вы можете узнать стоимость помощи в написании студенческой работы.
Помощь в написании работы, которую точно примут!

Расчет посадки с натягом, переходной посадки и посадки подшипника качения

Министерство образования и науки Российской Федерации

ФГБОУ ВПО «Южно-Уральский государственный университет»

(Национальный исследовательский университет)

Кафедра «Технология машиностроения»









Пояснительная записка на курсовую работу по дисциплине

«Метрология, стандартизация и сертификация»

Расчет посадки с натягом, переходной посадки и посадки подшипника качения


Руководитель

Столярова Т.В.

Автор проекта - ХХ-111

студент группы

Иванов И.И.

Челябинск 2014 г.

ЗАДАНИЕ

на курсовую работу по дисциплине «Метрология, стандартизация и сертификация»

.Назначить посадки для всех сопрягаемых размеров и обозначить их на выданном узле;

.Рассчитать посадки для гладких цилиндрических соединений с натягом для соединения 8 - 9 переходную для соединения 2 - 3;

.Назначить и рассчитать посадки для подшипника качения 1 и построить схемы расположения полей допусков.

посадка отверстие цилиндрическое соединение подшипник

Аннотация

Иванов И.И., Расчёт точностных параметров изделий и их контроль. - Челябинск: ЮУрГУ, 2014. - 21 с., 15 илл. 2 табл.

В данной курсовой работе приведен расчет и выбор посадки с натягом, переходной посадки и рассчитана посадка подшипника качения. Изображены схемы полей допусков и эскизы корпуса и вала, а так же приведены методы контроля качества поверхностей.

СОДЕРЖАНИЕ

ВВЕДЕНИЕ

. РАСЧЁТ ПОСАДОК

.1 Расчёт посадки с натягом для гладкого цилиндрического соединения

.2 Расчёт переходной посадки

.3 Расчёт посадок подшипников качения

. КОНТРОЛЬ ВАЛА И ОТВЕРСТИЯ

.1 Отклонения и допуски посадочных размеров вала контролируются гладкими ПР и НЕ калибрами - скобами

.2 Отклонения и допуски форм поверхностей можно произвести установкой вала в призму

.3 Контрольно-измерительные инструменты

ЗАКЛЮЧЕНИЕ

БИБЛИОГРАФИЧЕСКИЙ СПИСОК

ВВЕДЕНИЕ

Основной задачей конструирования является создание новых и модернизация существующих машин и приборов, подготовка чертежей и другой технической документации, обеспечивающей высокий технический уровень, качество, необходимую технологичность изделий, их конкурентоспособность. Решение этой задачи в значительной степени связано с выбором необходимой точности изготовления изделий, в том числе допусков их размеров, допусков формы и расположения, шероховатости поверхностей, назначением зазоров и натягов в соединении деталей (посадок), расчетом размерных цепей.

В решении задач совершенствования технологии машиностроения особое значение приобретает стандартизация и взаимозаменяемость. Созданы государственные стандарты, регламентирующие допуски и посадки типовых деталей и соединений. Без этой стандартизации всевозможных изделий промышленности взаимозаменяемость в машиностроении была бы невозможна, а, следовательно, сделалось бы невозможным и создание приборов и машин, разнообразных деталей и прочих изделий, обладающих желаемой технологичностью, качеством и совершенством конструкции. Кроме того, взаимозаменяемость - основной принцип конструирования, изготовления, контроля и эксплуатации машин, позволяющий значительно ускорить проектно-конструкторские работы, удешевить производство машин и их эксплуатацию.

Целью данной работы является ознакомление с основами стандартизации и взаимозаменяемости и обучение использованию разнообразных стандартов, выбору оптимальных расчетных посадок и оптимальной точности размеров при расчете размерных цепей.

1. Расчёт посадок

1.1 Расчёт посадки с натягом для гладкого цилиндрического соединения

Исходные данные для расчета посадки взяты из задания и сведены в табл. 1.

Таблица 1 - Исходные данные для расчета посадок с натягом

Наименование величины

Обозначение

Численная величина

1

Крутящий момент, Нм

0

2

Осевая сила, Н

10000

3

Номинальный диаметр соединения, мм

58

4

Внутренний диаметр вала, мм

48

5

Наружный диаметр втулки, мм

100

6

Длина соединения, мм

65

Коэффициент трения

0,16

8

Модуль упругости материала втулки, Па

1∙

9

Модуль упругости материала вала, Па

0,9∙

10

Коэффициент Пуассона материала втулки

0,25

11

Коэффициент Пуассона материала вала

0,33

12

Предел текучести материала втулки, Па

18∙

13

Предел текучести материала вала, Па

20∙


Минимальный функциональный натяг определяем из условия прочности соединения:

 =  ∙  =  ∙  =мкм.

где f - коэффициент трения при запрессовке;

 и  - модули упругости материала;

  и  - коэффициенты жёсткости конструкции.

 

 

Здесь  и  - коэффициенты Пуассона.

Максимальный функциональный натяг, определяемый из условия обеспечения прочности сопрягаемых деталей:

=  ∙ = 166,16977мкм.

где  - наибольшее допускаемое давление на контактной поверхности, при котором отсутствуют пластические деформации, определяется по формулам:

а) для отверстия:


б) для вала:


 - предел текучести материалов деталей при растяжении.

 рассчитывается по наименьшему значению . В данном случае расчёт производится по .

Из функционального допуска посадки определяем конструкторский допуск

посадки, по которому устанавливаем квалитеты вала и отверстия:

,

ункциональный допуск посадки:

 =  -  = 166,16977 - 24 = 142,16977 мкм,

Конструкторский допуск посадки:

где табличный допуск отверстия, табличный допуск вала.

Эксплуатационный допуск посадки:

,

здесь  - запас на эксплуатацию, - запас на сборку.

Эксплуатационный допуск посадки  должен быть не менее 20% .

Определим квалитеты отверстия вала.

Из ГОСТ 25346 - 82 «Единая система допусков и посадок. Общие положения, ряды допусков и основных отклонений» найдем допуски IT6... IT8 для  = 58 мм: 6 = 19 мкм, 7 = 30 мкм, 8 = 46 мкм.

Возможно несколько вариантов значений  и :

при  =  +  = 7 + 6 = 30 + 19 = 49 мкм,

 142,17  49 = 93,17 мкм, это 65,5 % от .

при  =  +  = 7 + 7 = 30 + 30 = 60 мкм,

 142,17  60 = 82,17 мкм, это 57,8 % от .

при  =  +  = 8 + 7 = 46 + 30 = 76 мкм,

 142,17  76 = 66,17 мкм, это 46,5 % от .

Все три варианта дают удовлетворительный результат.

Учитывая предпочтительность посадок по ГОСТ 25347 - 82, примем для отверстия допуск IT7, для вала - IT6 или IT7, или IT8.

Для учёта конкретных условий эксплуатации в расчетные предельные натяги необходимо ввести поправку, учитывающая смятие неровностей контактных поверхностей соединяемых деталей:

U = 5 ∙ () = 5 ∙ (1,6 + 2,3) = 16 мкм,

где ,  - среднее арифметическое отклонение профиля отверстия и вала. RaD = 0,05·IT7 = 0,05·30 = 1,6 мкм,

Rad = 0,05·IT7 = 0,05·30 = 1,6 мкм.

 =  + U = 24 + 16 = 40 мкм,

 =  + U = 166,16977 + 16 = 182,16977 ≈ 182 мкм.

Для обеспечения работоспособности стандартной посадки необходимо выполнить условия (неравенства):

а)  ≤ ;  -  = ;

б)  ≥ ;  -  = ;

в)  > .

Проверим посадки с натягом из числа рекомендуемых ГОСТ 25346 - 82 «Единая система допусков и посадок. Общие положения, ряды допусков и основных отклонений» в системе отверстия. Анализ посадок приведен в табл. 2.

Таблица 2 - Анализ посадок

Посадки

Æ 58

60

41

182-60=122

41-40=1

Æ 58

72

53

182-72=110

53-40=13

Æ 58

85

66

182-85=97

66-40=26

Æ 58

117

87

182-117=65

87-40=47

Æ 58

133

87

182-133=49

87-40=47


Из таблицы видим, что рекомендуемая посадка  удовлетворяет поставленным условиям. Поля допусков представлены на рис. 1. Выберем посадку  Æ 58 .

Рисунок 1 - Схема рекомендуемых посадок в системе отверстия

Проставляем выбранную посадку на чертеже (рис.2).

Рисунок 2 - Схема полей допусков посадки с натягом Æ 58

1.2 Расчёт переходной посадки

Для соединения 2 - 3 применена переходная посадка, которая обеспечивает лёгкость сборки и высокую точность центрирования.

Точность центрирования определяется величиной , которая в процессе эксплуатации увеличивается:

 =  =  = 30...12 мкм,

 

где  - радиальное биение, определяемое по ГОСТ 24643 - 81 «Допуски формы и расположения поверхностей. Числовые значения» таблица 5., по степени точности 8:

 = 60 мкм,  - коэффициент запаса точности ( 2...5).

В системе основного отверстия из рекомендуемых стандартных полей допусков составляем посадки. Определяем , по которому и подбираем оптимальную посадку так, чтобы  был приблизительно больше или равен .

Такими посадкам по ГОСТ 25347 - 82 «Единая система допусков и посадок. Общие положения, ряды допусков и основных отклонений» будут:

)     Æ 100 ;  = 0,046 мм; 2) Æ 100 ;  = 0,032 мм.

) Æ 100 ;  = 0,022 мм; 4) Æ 100 ;  = 0,012 мм.

Для данного соединения наиболее подходит посадка Æ 100  (рис. 3). Посадка Æ 100  обеспечивает лучшее центрирование, но трудоёмкость сборки увеличится по сравнению с посадкой Æ 100 , так как относительный зазор .

Выбираем посадку Æ 100 ;  = 0,032 мм;  = 0,01 мм.

Средний размер отверстия:

 =  =  = 100,0175 мм.

Средний размер вала:

 =  =  = 100,0014 мм.

Рисунок 3 - Схема полей допусков переходной посадки Æ 100

Лёгкость сборки определяется вероятностью получения натягов в посадке. Принимаем, что рассеяния размеров отверстия и вала, а так же зазора и натяга подчиняется закону нормального распределения и допуск равен величине поля рассеяния:

,

тогда,  =  =  = 5,83 мкм,  =  =  = 2,17 мкм.

Среднеквадратическое отклонение для распределения зазоров и натягов в соединении:

 =  =  = 6,22 мкм.

При средних размерах вала и отверстия получается:

 =  -  = 100,0175 - 100,0014 = 16,1 мкм.

Определяем вероятность зазоров от 0 до 16,1 мкм, т.е. x = 16,1:

 2,59.

Ф(Z) = Ф(2,59) = 0,4953.

Диапазон рассеяния зазоров и натягов:  ∙ 6,22= 37,32.

Вероятность получения зазора в соединении: 0,5 + 0,4953 = 0,9953 = 99 %.

Вероятность получения натяга в соединении: 1 - 0,99 = 0,01 = 1%.

Предельные значения натягов и зазоров:

 = 3 - 2 = 3 ∙ 6,22 - 16,1 = 2,56 мкм;

3 + 2 = 3 ∙ 6,22 + 16,1 = 34,76 мкм.

Кривая вероятностей натягов и зазоров посадки Æ 100  приведена на рис. 4.

Рисунок 4 - Кривая вероятности натягов и зазоров посадки Æ 100

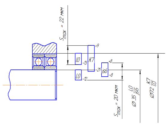
1.3 Расчёт посадок подшипников качения

Выбор посадок зависит от вида нагружения колец подшипника. Определяем виды нагружения. По условиям работы узла внутреннее кольцо подшипника имеет циркуляционное нагружение, наружное - местное. Принимаем класс точности 0 и легкую серию, по которой в зависимости от диаметра d = 35 мм, D = 72 мм определяем ширину кольца B = 17 мм и r = 2,0 мм (ГОСТ 8338 - 85). Для циркуляционного нагруженного кольца подшипника посадку выбирают по интенсивности радиальной нагрузки на посадочной поверхности:

 =  = 38,46 ,

где R = 500 Н - приведенная радиальная реакция опоры на подшипник,

b - рабочая ширина посадочной поверхности кольца подшипника за вычетом фасок: b = B - 2r = 17 - 2  2 = 13 мм,

 - динамический коэффициент посадки, зависящий от характера нагрузки (при перегрузке до 150 % , умеренных толчках и вибрации  = 1),

 - коэффициент, учитывающий степень ослабления посадочного натяга при

полом вале или тонкостенном корпусе (при сплошном вале  = 1),

 - коэффициент неравномерности распределения радиальной нагрузки (в обычных условиях  = 1).

Найденным значениям  и d соответствует основное отклонение k.

Номер квалитета зависит от класса точности подшипника.

При посадке на вал, если подшипник 0 класса, то квалитет вала IT6, в соединении 1 - 10 будет js6 ), поле допуска подшипника L0 ).

Рисунок 5 - Схема расположения полей допусков подшипника качения

Для местно нагруженного кольца выбираем основное отклонение H, а номер квалитета в зависимости от класса точности подшипника. Для 6 класса квалитет отверстия будет IT7. Поле допуска отверстия в соединении 1 - 2 будет K7 , поле допуска вала будет l0 ).

Схема расположения полей допусков подшипников представлена на рисунке 5, технические требования к посадочным поверхностям - на рисунке 6.

а)

б)  

Рисунок 6 - Технические требования к посадочным поверхностям подшипников качения: а) вала; б) корпуса

2. КОНТРОЛЬ ВАЛА И ОТВЕРСТИЯ

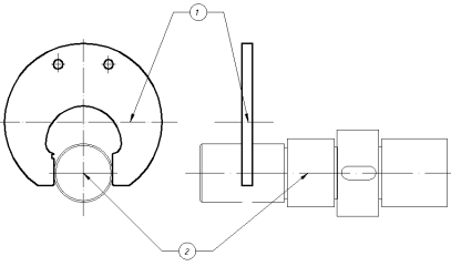
2.1 Отклонения и допуски посадочных размеров вала контролируются гладкими ПР и НЕ калибрами - скобами

Рисунок 7 - Контроль отклонений размеров вала калибром-скобой 1 - калибр-скоба; 2 - контролируемая деталь.

Контроль шпоночного паза осуществляется специальными предельными калибрами:

§ ширина паза проверяется пластинами с ПР и НЕ сторонами

§  глубина паза - кольцевыми калибрами, имеющими стержень с ПР и НЕ ступенями

Рисунок 8 - Контроль ширины шпоночного паза пластиной

Рисунок 9 - Контроль глубины шпоночного паза кольцевым калибром

2.2 Отклонения и допуски форм поверхностей можно произвести установкой вала в призму

Рисунок 10 - Контроль формы посадочной поверхности вала в призме 1 - индикатор часового типа; 2 - призма; 3 - контролируемая деталь; 4 - контрольная плита.

Отклонение от круглости можно определить, измерив сечение в 2-х (или более) направлениях, вращая деталь в призме.

 

Рисунок 11 - Направления для измерения отклонений от круглости сечения

Отклонение профиля продольного сечения можно определить, измерив три - в начале, в середине, в конце (или более) сечения, передвигая деталь в призме в осевом направлении.

Рисунок 12 - Сечения для измерения отклонений профиля продольного сечения

По совокупности отклонений круглости и профиля продольного сечения оценивается отклонение от цилиндричности .

2.3 Контрольно-измерительные инструменты

Измеряют и проверяют размеры отверстий различными контрольно-измерительными инструментами, которые выбирают в зависимости от требуемой точности измеряемого размера и характера производства.

Измерительными инструментами: измерительной линейкой, нутромером, угольниками, штангенциркулем, калибрами гладкими и резьбовыми.

Измерительная линейка представляет собой жесткую стальную ленту длиной от 150 до 1000 мм и более с нанесенными на нее делениями через 1 мм и используется для приближенных измерений габаритных размеров обрабатываемых заготовок, расстояний между центрами отверстий, диаметров отверстий и т. д. Возможная точность измерения линейкой до 0,5 мм.

Индикаторный нутромер (рис.13а) применяют для измерения точных отверстий диаметром от 6 мм и более. Погрешность показаний нутромера от ±0,15 до 0,025 мм. Цена деления 0,01 мм. В комплект нутромеров входит набор сменных вставок, с помощью которых устанавливают нужные пределы измерения. Установка индикатора на нуль производится по аттестованному кольцу или блоку концевых мер. При измерении диаметра отверстия нутромер, предварительно наклонив, осторожно, без ударов наконечниками о стенки заготовки вводят в отверстие.

Нутромер перпендикулярно оси отверстия устанавливают легким покачиванием его, после чего отмечают отклонение стрелки от нуля. Если при измерении стрелка индикатора отклоняется вправо, измеряемый размер меньше настроенного, если влево - больше настроенного.

Для проверки точных отверстий применяют микрометрические нутромеры (рис. 13б), которые имеют цену деления 0,01 мм и погрешность показаний не менее чем ±0,006 мм. Нутромеры выпускают в виде микрометрической головки и нескольких удлинителей, свинчивая которые можно получить различные пределы измерения.

Штангенциркули (Рис.14) имеют особую шкалу - нониус, позволяющий снимать показания с точностью до 0,1 и 0,05 мм.

Штангенциркуль с точностью отсчета по нониусу 0,05 мм. Предназначается для наружных и внутренних измерений, а также для разметочных работ. Штангенциркуль состоит из штанги с миллиметровыми делениями, на одном конце которой имеются две губки. По штанге перемещается рамка с губками. На рамке укреплена нониусная линейка.

Для облегчения точных измерений в отдельных конструкциях штангенциркулей имеется микрометрическое устройство для подачи рамки, состоящее из винта, гайки и зажимного винта. Стопорный винт служит для закрепления рамки на штанге. Нониус служит для отсчета дробных частей деления шкалы штанги. Длина его 39 мм и разделен он на 20 частей. Цифрами отмечается число сотых долей миллиметра через каждые пять делений. Поэтому против пятого штриха нониуса стоит цифра 25, против десятого - 50 и т. д. Длина каждого деления нониуса равна 39:20= 1,95 мм, т.е. отсчет может быть произведен с точностью до 0,05 мм.

При измерении штангенциркулем к количеству целых миллиметров, которое пройдено нулевыми штрихами нониуса, надо прибавить столько сотых долей миллиметра, сколько покажет штрих нониуса, совпадающий со штрихами измерительной штанги.

Штангенциркули изготовляют с пределами измерения от 0 до 125, 160, 250, 400, 630, 1000 мм и более.

При измерении диаметра отверстия губки и штангенциркуля вводят в отверстие и фиксируют винтом их положение. Затем по показаниям нониуса определяют размер диаметра. При этом к отсчитанному размеру прибавляется действительная толщина губок и для внутренних измерений.

Штангенциркуль с отсчетом по индикатору применяют для наружных и внутренних измерений, а также для разметочных работ. На подвижной рамке штангенциркуля укреплен индикатор с ценой деления на циферблате 0,02 мм. Один оборот стрелки равен 2 мм. Максимальная погрешность при измерении с большими измерительными губками ±30 мкм. При измерении штангенциркулем происходит комбинированный отсчет измеряемых величин: грубая индикация положения движка на линейной шкале, а также точная индикация эффективного измеряемого значения по положению стрелки на циферблате. Диапазон измерения 0-150 мм.

Рисунок 14 - Штангенциркуль

Микрометр (Рис.15) - универсальный инструмент <#"793086.files/image147.gif">

Рисунок 15 - Микрометр

ЗАКЛЮЧЕНИЕ



БИБЛИОГРАФИЧЕСКИЙ СПИСОК

1. Метрология, взаимозаменяемость и стандартизация: Учебное пособие по выполнению курсовой работы. Компьютерная версия. - 2-е изд., пе-рер. / Т.В. Столярова, В.А. Кувшинова, О.В. Ковалерова, Т.А. Поляева; Под ред. к.т.н. В.Н. Выбойщика. - Челябинск: Изд-во ЮУрГУ, 2005 - 110 с.

. ГОСТ 2.307-68. Единая система конструкторской документации. Нанесение размеров и предельных отклонений. Межгосударственный стандарт. - М.:2001.

. ГОСТ 25346-89 Основные нормы взаимозаменяемости. Единая система допусков и посадок. Общие положения, ряды допусков и основных отклонений. - М.:1990.

. ГОСТ 25347-82 Единая система допусков и посадок. Поля допусков и рекомендуемые посадки. - М.:1990.

. ГОСТ 1643-81 Основные нормы взаимозаменяемости. Передачи зубчатые цилиндрические. Допуски. - М.:1981.

Похожие работы на - Расчет посадки с натягом, переходной посадки и посадки подшипника качения

 

Не нашли материал для своей работы?
Поможем написать уникальную работу
Без плагиата!
Без нейросетей!