Расчет подшипника

  • Вид работы:
    Контрольная работа
  • Предмет:
    Другое
  • Язык:
    Русский
    ,
    Формат файла:
    MS Word
    120,2 Кб
  • Опубликовано:
    2012-11-07
Вы можете узнать стоимость помощи в написании студенческой работы.
Помощь в написании работы, которую точно примут!

Расчет подшипника

1. Назначение посадок для всех сопрягаемых соединений

подшипник посадка натяг допуск

Сопряжение 1-2

 - посадка с зазором («скользящая»), применяется для подвижных соединений.

Сопряжение 2-9

Ø60 - посадка с натягом («прессовая тяжелая»), предназначены для соединений, на которые воздействуют тяжелые, в том числе динамические нагрузки.

Сопряжение 1-7

 - посадка с натягом («прессовая средняя»), предназначены для передач в которых применение посадок с большим натягом недопустимо по условиям прочности деталей.

Сопряжение 3-6

 - посадка с зазором. Посадка для наружного кольца подшипника (по расчетам).

Сопряжение 4-5

- посадка с натягом. Посадка для внутреннего кольца подшипника (по расчетам).

Сопряжение 9-10

 - переходная посадка, предназначена для установки втулок в корпуса.

Сопряжение 8-9

 - посадка с зазором. Предпочтительная посадка для среднего класса точности.

2. Расчет посадки с натягом для соединения 2-9

Расчетная схема посадки с натягом приведена на рис. 1.

Рисунок 1 - Схема посадки с натягом

Расчет посадки с натягом выполняем с целью обеспечения прочности соединения, то есть отсутствие смещений сопрягаемых деталей под действием внешних нагрузок, и прочности сопрягаемых деталей.

Исходные данные для расчета: внутренний диаметр охватываемой детали 2 d1 = 50 мм, наружный диаметр охватываемой и внутренний диаметр охватывающей деталей d = 60 мм, наружный диаметр охватывающей детали 9 d2 = 120 мм, длина сопрягаемых поверхностей деталей 2-9 L = 50 мм, крутящий момент МКР = 500 Н×м.

Материал детали 2 БрОф10-1 с пределом текучести σт1= 20·107 Н/м2, модуль упругости.

Е1 = 0,9·1011 Н/м2, коэффициент Пуассона µ1=0,33. Материал детали 9 Сталь 45Л с пределом текучести  Н/м2, модуль упругости Е1 = 2,1·1011 Н/м2, коэффициент Пуассона , коэффициент трения f = 0,2.

Исходные данные для расчета:

Rad - шероховатость детали 2, RaB=0,32;

RaD - шероховатость детали 9, RaA=0,63;

Ad - коэффициент линейного расширения детали 2, Ad=11×10-6 град-1;

AD - коэффициент линейного расширения детали 9, AD=17,6×10-6 град-1;

Td - рабочая температура детали 2, Td=20°С;

TD - рабочая температура детали 9, TD=20°С;

Gd - предел текучести детали 2, Gd=18·107 Н/м2;

GD - предел текучести детали 9, GD=20·107 Н/м2;

Результаты расчета:

Nmin Р - минимальный расчетный натяг, Nmin Р=23 мкм;

Nmax Р - максимальный расчетный натяг, Nmax Р=85 мкм;

По дополнительным условиям

Nmax Т £ Nmax Р, тогда Nmax Р - Nmax Т = Dсб;

Nmin Т ³ Nmin Р, тогда Nmin Т - Nmin Р = Dэ;

определяем посадку Ø60

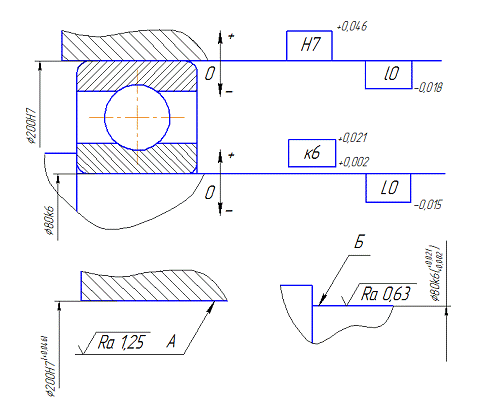
3. Назначение и расчет посадки подшипника качения

Схема расположения полей допусков показана на рисунке 2.

Посадки подшипников качения на вал и в корпус назначаются в зависимости от типа подшипников, его размеров, условий эксплуатации и характера действующих нагрузок на кольца.

Расчет внутреннего кольца подшипника (циркуляционное нагружение)

Исходные данные:

d - внутренний диаметр, d=80 мм;

D - наружный диаметр, D=200 мм;

R - наибольшая радиальная нагрузка на подшипник, R=3800Н;

Рисунок 2 - Схема расположения полей допусков

N - коэффициент для средней серии, N=2.3;

b - рабочая ширина кольца подшипника, b=50 мм;

Результаты расчета:

[Nmin] - расчетный минимальный натяг, [Nmin]=12,539 мкм;

[N] - расчетный допустимый натяг, [N]=221,862 мкм;

[dФ] - дополнительный натяг, [dФ]=228,612 мкм;

Выбранная посадка ;

Расчет наружного кольца подшипника (местное нагружение)

Исходные данные:

D - наружный диаметр, D=200 мм;

По таблице назначаю посадку для нормального режима работы.

4. Расчет исполнительных размеров калибров гладкого цилиндрического соединения

При расчете будут использованы следующие обозначения размеров и допусков (в соответствии с ГОСТ 24853-81):

D - номинальный размер изделия, D=60 мм;

Dmin - минимальный предельный размер изделия (вал - 60,053 мм, отверстие - 60 мм);

Dmax - максимальный предельный размер изделия (вал - 60,083 мм, отверстие - 60,030 мм);

Т - допуск изделия (вал - 30 мкм, отверстие - 30 мкм);

Н - допуск на изготовление калибров, Н= 5 мкм;

Н1 - допуск на изготовление калибров для вала, Н1= 5 мкм;

НР - допуск на изготовление контрольного калибра для скобы, НР=2 мкм;

Z1 - отклонение середины поля допуска на изготовление проходного калибра для вала относительно наибольшего предельного размера изделия, Z1= 4 мкм;

Y - допустимый выход размера изношенного проходного калибра для отверстия за границу поля допуска изделия, Y= 3 мкм;

Y1 - допустимый выход размера изношенного проходного калибра для вала за границу поля допуска изделия, Y1= 3 мкм.

Определяем рабочий калибр для отверстия

Проходная сторона новая: размер мм,

допуск мкм.

Проходная сторона изношенная: размер мм,

Непроходная сторона: размер мм, допуск мкм.

Определяем рабочий калибр для вала

Проходная сторона новая: размер мм,

допуск мкм.

Проходная сторона изношенная: размер мм,

Непроходная сторона: размер мм, допуск мкм.

Определяем контрольный калибр для вала

Проходная сторона новая: размер мм,

допуск мкм.

Проходная сторона изношенная: размер мм,

допуск мкм,

Непроходная сторона: размер , допуск мкм.

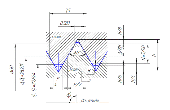
5. Расчет рабочих калибров для резьбовой детали 9 соединения 8-9

Для резьбового соединения схема расположения полей допусков показана на рисунке 3.

Определяем основные размеры резьбы по ГОСТ 24705-81:

наружный диаметр d (D) = 30 мм;

средний диаметр d2(D2) = 27,727 мм;

внутренний диаметр d1(D1) = 27,624 мм;

шаг резьбы Р=3,5 мм.

Рисунок 3 - Схема расположения полей допусков резьбового соединения

Расчет рабочего калибра-пробки для наружной резьбы детали 9

Определяем предельные отклонения диаметров резьбы по ГОСТ 16093-81 ([2] с. 153 табл. 4.29):

нижнее отклонение D, D2, D1 EI = 0 мкм;

верхнее отклонение D2 ESD2 = -53 мкм;

верхнее отклонение D1 ESD1 = -478 мкм.

Исполнительные размеры резьбовых калибров-пробок (в мм)

Диаметр = 30.000

Средний диаметр = 27.727

Внутренний диаметр = 26.211

Шаг резьбы = 3.50

Степень точности, основное отклонение 6H

ПР

Наружный диаметр = 30.0300

Допуск = -0.028

Средний диаметр = 27.7497

Допуск = -0.014

Износ рабочего калибра = 27.7217

Внутренний диаметр = 26.2111

Внутренний диаметр по канавке, не более 25.7071

Ширина канавки = 0.875

Радиус канавки = 0.504

Допуск угла = 9

Допуск шага = 6

НЕ

Наружный диаметр = 28.7277

Допуск = -0.028

Средний диаметр = 28.0207

Допуск = -0.014

Износ рабочего калибра = 27.9987

Внутренний диаметр = 26.2111

Внутренний диаметр по канавке = 25.7071

Ширина канавки = 1.10

Допуск на B3 = 0.08

Радиус канавки = 0.504

Допуск угла =12

Допуск шага = 4.

6. Расчет размерной цепи А

На рисунке 4 показана размерная цепь. Для размерной цепи даны номинальные значения составляющих звеньев А1 =5 мм, А2 = 211 мм, А3 = 5 мм, А4 = 200 мм, замыкающее звено по служебному назначению устройства требуется, чтобы он был выдержан в пределах  мм.

Размерную цепь решаем методом одного квалитета ([2] с. 22) по ГОСТ 16320-80.

Рисунок 4 - Схема размерной цепи А

В данной задаче исходным звеном является зазор . Предельные размеры замыкающего звена  мм и  мм. В схеме размерной цепи уменьшающими звеньями являются звенья А3 и А1, остальные звенья цепи - увеличивающие.


.

Производим вычисления размера

Рассчитываем допуски составляющих звеньев по способу одной степени точности. Определяем среднее число единиц составляющих размеров

, (6.1)

где  среднее число единиц составляющих размеров;

допуск замыкающего звена, ;

i - значение единицы допуска([4] c. 20), мкм.

Находим, что такому числу единиц допуска соответствует примерно 13 квалитету в ЕСПД ([1] с. 45 табл. 1.8). Принимаем допуски составляющих звеньев с учетом степени сложности изготовления: Т1 =0,14 мм, Т2 = 0,72 мм, Т3 = 0,14 мм, Т = 0,12 мм.

Проведем проверку правильности выбора квалитета


Подставляя ранее найденные значения получим

Для обеспечения равенства допусков выбираем в качестве увязочного звена, звено А4 и округляем для него отношение:


Таким образом, получаем что

,

звено А4= 199 мм.

Произведем проверку:


7. Схема контроля технических требований к детали 6

Контроль радиального биения осуществляется при помощи измерительных головок при базировании вала в центрах и повороте его на 3600. На результаты измерения влияет отклонение от круглости проверяемого сечения. Контроль торцевого биения производят на заданном диаметре торцевой поверхности.

На рисунке 6 изображена схема контроля торцевого биения и отклонение формы цилиндрических поверхностей, в которую входит: 1 - проверяемая деталь, 2 - измерительная головка для измерения отклонение формы цилиндрических поверхностей.

В таблице 7.1 приведены приборы для контроля размеров и параметров контролируемой детали.

Рисунок 6 - Схема контроля радиального и торцевого биений

Таблица 7.1 - Приборы для контроля размеров и параметров

Контролируемый размер и параметры

Вид

Средство измерения

250

диаметр

Скоба рычажная СР-50 (ц. д. 0,002 мм)


шероховатость

Профилограф-профилометр 252


Список литературы

1)   Полей, М.А. Допуски и посадки: Справочник/ М.А. Полей, В.Д. Мягков, А.Б. Романов, В.А. Брагинский; - Л.: Машиностроение, 1982. 573 с. Ч. 1.

2)       Полей, М.А. Допуски и посадки: Справочник/ М.А. Полей, В.Д. Мягков, А.Б. Романов, В.А. Брагинский; - Л.: Машиностроение, 1982. 573 с. Ч. 2.ГОСТ 24853-81 «Калибры гладкие для размеров до 500 мм. Допуски».

)        Якушев, А.И. Взаимозаменяемость, стандартизация и технические измерения: Учебник для вузов./ Якушев, А.И., Воронцов Л.И., Федотов И.Н. - М.: Машиностроение, 1987. 352 с.

)        ГОСТ 24853-81 «Калибры гладкие для размеров до 500 мм. Допуски».

)        Бойков, Ф.И. Взаимозаменяемость, стандартизация и технические измерения: Учеб. пособие для выполнения курсовой работы./ Бойков Ф.И., Серадская И.В. и др. - ЧПИ, 1987. 93 с.

Похожие работы на - Расчет подшипника

 

Не нашли материал для своей работы?
Поможем написать уникальную работу
Без плагиата!
Без нейросетей!