мм
Предельные размеры паза вала:
мм,
мм.
Определяем предельные зазоры в посадке:
мм,
мм.
Производим расчет по длине шпонки l=67h14:
Предельные размеры шпонки по длине:
мм,
мм.
Предельные размеры длины шпоночного паза в валу:
мм,
мм.
Определяем предельные зазоры в посадке:
мм,
мм.
Строим схему расположения полей допусков шпоночного соединения
по длине:
Рисунок 7 - схема расположения полей допусков шпоночного соединения
по длине.
Назначаем шероховатость сопрягаемых поверхностей шпонки, вала
и втулки Ra = 3.2 мкм, а несопрягаемых
поверхностей - Ra=6,3 мкм. Выбираем экономические методы
окончательной обработки деталей соединения: шпонка - шлифование плоское получистовое;
паз вала - фрезерование чистовое концевой фрезой; паз втулки - протягивание чистовое.
Эскизы нормального шпоночного соединения, его деталей, схема
расположения полей допусков на размер b приведены дальше. Для обеспечения взаимозаменяемости шпоночного
соединения допуск на ширину паза следует рассматривать как комплексный, в пределах
которого находятся как отклонения ширины паза, так и отклонения его расположения.
Ограничение всех этих отклонений в пределах допуска на ширину паза вала достигается
контролем комплексными и элементными калибрами. Контроль элементными калибрами производится
до контроля комплексными калибрами.
На заводах автотракторного и сельскохозяйственного машиностроения
контроль деталей шпоночных соединений производит с помощью предельных калибров.
Ширину пазов вала и втулки проверяют пластинами, имеющими проходную
и непроходную стороны. Размер от образующей цилиндрической поверхности втулки до
дна паза (d + t2)
контролируют пробкой со ступенчатым выступом. Глубину паза вала tl проверяют кольцевыми калибрами-глубиномерами;
симметричность расположения паза относительно осевой плоскости проверяют у втулки
пробкой со шпонкой, а у вала - накладной призмой с контрольным стержнем.
При ремонте машин можно использовать как универсальные средства
измерения, так и калибры. Из большого числа размеров шпоночного соединения за счет
пластических деформаций изменяется только ширина шпоночных пазов и ширина самой
шпонки. Поэтому при дефектации можно использовать универсальные средства измерения,
а при восстановлении желательно применять предельные калибры.
Для шлицевого соединения b-8x42H11/ не менее d1
х46H12/a11x8F8/js7 выбрать допуски посадок, формы и расположения.
Шлицевое соединение - вид соединения валов со втулками по поверхностям
сложного профиля с продольными выступами (шлицами) и впадинами.
Существуют три способа центрирования сопрягаемых прямобочных
шлицевых втулки и вала: по наружному диаметру D (рис.26 а); по внутреннему
диаметру d (рис.26 б); по боковым сторонам зубьев b (рис.26 в).
Рис.8 Центрирование в прямобочных
шлицевых соединениях
При назначении допусков формы
и расположения элементов шлицевых соединений можно руководствоваться следующими
рекомендациями (рис.9).
1) для прямобочных шлицевых
соединений:
·
допуски параллельности плоскости симметрии зубьев вала и пазов втулки
относительно оси центрирующей поверхности не должны превышать на длине 100 мм: 0,03 мм - в соединениях повышенной точности, определяемой допусками размеров b от IТ6 до IT8; 0,05 мм - в соединениях нормальной точности при допусках размеров b от IT9 до IT10. При центрировании
по боковым сторонам шлиц выбирают дополнительную базу - ось одной из нецентрирующих
поверхностей шлицевого вала (обычно с более жестким допуском);
·
допуски радиального биения центрирующих поверхностей шлицев относительно
общей оси посадочных поверхностей под подшипники следует назначать по 7-ой степени
точности ГОСТ 24643 при допусках центрирующих поверхностей 6.8 квалитетов и по 8-ой
степени точности при допусках центрирующих поверхностей 9.10 квалитетов;
2) для эвольвентных шлицевых
соединений предельные значения радиального биения Fr и допуска
направления зуба Fβ следует принимать по ГОСТ 6033.
Рис.9 Обозначения допусков параллельности и радиального биения
элементов наружной шлицевой поверхности:
а - при центрировании по внутреннему диаметру;
б - при центрировании по наружному диаметру;
в - при центрировании по боковым сторонам шлиц.
Рассмотрим прямобочное шлицевое соединение с центрированием по
внутреннему диаметру b: b-8x42H11/ не менее d1 х46H12/a11x8F8/js7
шлицевого соединения с числом
зубьев z = 8,внутренним диаметром d = 42 мм,
наружным диаметром D
= 46 мм,
шириной зуба b = 8 мм.
По ГОСТ - 1139-80 определяем, что данное шлицевое соединение
относится к средней серии.
Рассчитаем предельные размеры, зазоры (натяги) для сопряжения
8F8/js7:
мм,
мм,
мм,
мм.
Smax = ES - ei = +0.035-
(-0.007) =0.042мм.
Smin = EI - es = 0,013-0,007=0.006мм.
Строим схему расположения полей допусков сопрягаемых деталей
Рис.12 - схема расположения полей допусков сопрягаемых деталей
Рассчитаем предельные размеры, зазоры (натяги) для сопряжения
42H11/не менее d1:
мм,
мм,
Smax = Dmax - dmin = +42.16-40,4=1.56мм.
Строим схему расположения полей допусков сопрягаемых деталей
Рис.10 - схема расположения полей допусков сопрягаемых деталей
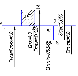
Рассчитаем предельные размеры, зазоры (натяги) для сопряжения
46H12/a11:
мм,
мм,
мм,
мм.
Smax = ES - ei = +0.25- (-0.48) =0.73мм.
Smin = EI - es = 0- (-0.32) =0.32мм.
Строим схему расположения полей допусков сопрягаемых деталей
Рис.11 - схема расположения полей допусков сопрягаемых деталей
Точность и шероховатость центрирующего размера b предпочтительно:
для втулки Ra≤1,6мкм
для вала Ra≤0,8мкм
Контроль шлицевых соединений осуществляется комплексными и поэлементными
методами. Пробковыми и кольцевыми комплексными калибрами контролируется взаимное
расположение поверхностей соединения, Поэлементный контроль охватывает диаметры
валов, отверстий, толщину зубьев и ширину впадины отверстия. Поля допусков, назначенные
на элементы деталей шлицевого соединения и указанные в условном обозначении, контролируют
в условном обозначении, контролируют независимо друг от друга специальными гладкими
калибрами.
Для подшипникового узла (подшипник № 408) выбрать и обосновать
посадки по наружному и внутреннему диаметрам колец подшипника. Построить схемы расположения
полей допусков сопрягаемых деталей. Рассчитать предельные размеры сопрягаемых деталей;
зазоры (натяги).
Подшипники качения - это наиболее распространенные стандартные
изделия (сборочные единицы) множества конструкций и модификаций, которые изготавливаются
на специализированных заводах и встраиваются в более сложные изделия (редукторы,
коробки подач и скоростей, шпиндели металлорежущих станков и др.).
По ГОСТ 8338-75 класс точности подшипников 0. Определяем
размеры подшипника и назначаем посадки и по ГОСТ 520-2002 определяем отклонения:
диаметр внутреннего кольца Æ40
диаметр наружного кольца Æ110
ширина кольца подшипника B=27мм
мм,
мм,
мм,
мм.
Для вала Æ40m6 определяем предельные размеры:
мм,
мм.
Определяем предельные натяги и зазоры в посадке Æ40
:
мм,
мм.
Допуск посадки: TN=TD+Td=12+16=28 мкм,
Строим схему расположения полей допусков сопрягаемых деталей
Рис.13 - схема расположения полей допусков посадки внутреннего
кольца подшипника на вал Æ40
Для отверстия Æ110H7 определяем предельные размеры:
мм,
мм.
Определяем предельные натяги и зазоры в посадке Æ110
:
мм,
мм.
Допуск посадки: TN=TD+Td=35+15=50 мкм,
Строим схему расположения полей допусков сопрягаемых деталей
Рис.14 - схема расположения полей допусков посадки внутреннего
кольца подшипника на вал Æ110
.
Выполняем проверку наличия радиального зазора в подшипнике после
посадки его на вал или в корпус с натягом.
По /1/ таблица 42, с.247 определяем предельные значения зазоров в подшипнике:
Gre min=6мкм; Gre max=20мкм;
Gre m=0,5* (6+20) =13мкм.
Вычисляем диаметральную деформацию дорожки качения внутреннего
кольца. Для этого определяем приведённый наружный диаметр внутреннего кольца:
d0=d+ (D-d)
/4
d0=40+ (110-40) /4=57,5мм
Действительный натяг: Ne»0,85Nmax Ne =0,85×20=17мкм
Определяем диаметральную деформацию дорожки качения внутреннего кольца:
Dd1=
Ne×d/d0
Dd1=17*40/57,5=11,8мкм
Посадочный зазор определяем по формуле:
Cr=Crem-Dd1=13-12,9=1,2мкм.
Расчет показал, что в назначенной посадке заклинивания не произойдет.
Рассчитываем крутящий момент на валу:
Т = 9550 Рв/n =
9550х1,8/48= 358Нм
где Рв - мощность на выходном валу редуктора, кВт
Определяем диаметр выходного конца вала:
d= (Т/ (0,2 [τ])) 1/3
= ( (358/2) *103/0.2*30) 1/3=31,01 мм;
где [τ] =30 МПа - допускаемые напряжения кручения.
Принимаем значение диаметра из стандартного ряда Ra40 предпочтительных чисел стр.74 [2] равным d =32мм.
Проектируемый вал имеет ступенчатую конструкцию. При конструировании
перехода от одного диаметра к другому в сторону увеличения или уменьшения диаметров
вала учитываем следующее di=d (i+1) ±2…10мм.
Рассчитываем диаметры вала:
d2=d1+3=32+3=35мм;
d3=d2+5=35+5=40мм-диаметр
вала под подшипник;
d4=d3+2=40+2=42мм-диаметр
вала под колесо;
d5=d4+3=42+3=45мм-диаметр
буртика;
По схеме задания определяем, с помощью линейки диаметр выходного
конца вала dвых=10,0мм. Расчет длин вала вычисляем по масштабному
коэффициенту К=dрасчетное вых. конца вала/dизмеренное=32/10,0=3.2, Принимаем К=3,2. Вычисляем длины валов:
l=K*x;
где х - длина вала на чертеже.
l1 =14*3,2=45мм;
l2 =8*3,2=25мм;
l3 =8,5*3,2=27мм;
l4 =28*3,2=90мм;
l5 =8,2*3,2=26мм;
lобщ.=l1*2+l2*2+l3*2+l4+l5=320мм.
Все значения длин и диаметров приняты в соответствии с Ra 40.
1. Кузьмин А.В. и др. Расчеты деталей машин: Справ. Пособие/А.В. Кузьмин
и др. -3-е изд., перераб. и доп. - Мн.: Выш.шк., 1986. -400с.: ил.
2. Допуски и посадки. Справочник. В 2-х ч. (Под ред.В.Д. Мягкова - 6-е
изд.Л. Машиностроение, 1983, ч.1.543 с.; ч.2.477 с.
3. Сашко К.В.; Романюк Н.Н. и др. Стандартизация, метрология, взаимозаменяемость:
методическое пособие по выполнению курсовой работы. Минск 2006.
4. Цитович Б.В. и др. Нормирование точности и технические измерения.
Методические указания к выполнению курсовой работы (контрольной работы). Часть 1.
/ Б.В. Цитович, П.С. Серенков, К.И. Дадьков, Л.В. Купреева, А.В. Кусяк, Г.В. Боровец;
Под общ. ред. Б.В. Цитовича и П.С. Серенкова. - Мн.: БНТУ, 2006. - 182 с.
5. ГОСТ 25346-89 "Основные нормы взаимозаменяемости. Единая система
допусков и посадок. Общие положения, ряды допусков и основных отклонений"
7. ГОСТ 23360-78 "Основные нормы взаимозаменяемости. Соединения
шпоночные с призматическими шпонками. Размеры шпонок и сечений пазов. Допуски и
посадки"
8. ГОСТ 1139-80 "Основные нормы взаимозаменяемости. Соединения
шлицевые прямобочные. Размеры и допуски"
9. ГОСТ 3325-85 "Подшипники качения. Поля допусков и технические
требования к посадочным поверхностям валов и корпусов. Посадки"
10. ГОСТ 24810-81 "Подшипники качения. Зазоры"