Расчёт посадки гладкого цилиндрического соединения. Выбор средств измерения (контроля) деталей соединения
Содержание
Введение
. Расчёт
посадки гладкого цилиндрического соединения с зазором для соединения 3-12.
Выбор средств измерения (контроля) деталей соединения
2. Расчет
селективной сборки
3. Назначение
и расчет посадок подшипника качения
. Расчет
посадок шпоночного соединения
. Расчет
посадок шлицевого соединения
. Расчет
размерной цепи
. Расчет
калибра для детали соединения
. Расчет
предельных размеров деталей резьбового соединения
. Назначение
комплекса контролируемых параметров зубчатого колеса и выбор средств контроля
. Средства
контроля точности шпоночных, шлицевых и резьбовых соединений
Список
использованных источников
Приложение
Введение
При выполнении курсовой работы по дисциплине «Взаимозаменяемость и
нормирование точности» анализируются основные стандарты на допуски и посадки
типовых сопряжений, рассматриваются вопросы выполнения рабочих чертежей и
контроля размеров деталей, разработки технических требований к стандартизации
продукции в машиностроении.
1. Расчёт посадки гладкого цилиндрического соединения с
зазором для соединения 3-12. Выбор средств измерения (контроля) деталей
соединения
Известны данные: D =
45мм, L=35мм, n=1900об/мин, Fr=1300H, масло турбинное 30.
Средняя удельная нагрузка на контактных поверхностях
соединения, Н/м2:
где
(1.1)
Fr -
нагрузка на цапфу, Н;
d - номинальный
диаметр соединения, м;
l - длина
соединения, м.
Угловая
скорость вала, с-1:
, где
(1.2)
n - частота
вращения вала, об/мин.
Динамическая
вязкость масла при рабочей температуре tp=60°С,
Па∙с:
где
(1.3)
-
динамическая вязкость масла при температуре 50 °С.
=0,0252 -
0,0288 Пас [3,т.1,стр.292], для расчета принято среднее значение
=0,027 Па∙с.
Рассчитывают комплекс (произведение) величин hS по формуле:
(1.4)
Определяют наивыгоднейший зазор:
(1.5)
Определяют расчетный зазор:
(1.6)
По ГОСТ 25347-82 назначают посадку, соответствующую
условию
,
де
- средний зазор посадки, выбранной по таблицам,
равный полусумме предельных зазоров [3,т.1, стр.146]:
(1.7)
Этому условию соответствует предпочтительная посадка:
Ø45

Проводят проверку выбранной посадки на достаточность
наименьшей толщины масляного слоя hmin, определяемой по формуле:
(1.8)
>
Условие выполняется, посадка выбрана правильно.
Схема расположения полей допусков назначенной посадки
приведена на рисунке 1.1.
Рисунок
1.1 - Схема расположения полей допусков посадки Ø45
Предельные размеры деталей соединения:
1) Ø45H7:
;
;
.
;
2) Ø45f7:
;
;
.
;
.
Выбор средств измерения (контроля) деталей соединения
Выбор универсальных средств измерений линейных размеров осуществляют в
зависимости от измeряeмого размeра, допуска на изготовлeниe и допускаeмой
погрeшности измeрeния по ГОСТ 8.051-81.
В допускаемую погрешность измерений входят погрешности средств измерений,
установочных мер, отклонений от нормальных условий измерений, а также
погрешности базирования изделия на измерительной позиции и погрешности,
вызываемые измерительной силой прибора.
Каждое средство измерений характеризуется основной погрешностью, величина
которой указана в характеристике этого средства измерений. Выбор средства
измерений состоит в сравнении его основной погрешности с допускаемой
погрешностью измерения; при этом основная погрешность должна быть меньше (или
равна) допускаемой погрешности измерения.
Для ускорения выбора средств измерения пользуются
таблицами.
Измерение
вала Ø45
(Δизм =
7мкм,[7]) с требуемой точностью обеспечивает скоба индикаторная рычажная с
ценой деления 2 мкм (в соответствующем интервале размеров имеет предельное
значение погрешности, равное 6мкм) [4, стр. 378].
Для
измерения отверстия Ø45
(Δизм=7мкм,[7])
подходит индикаторный нутромер повышенной точности (ΔСИ = 6мкм
в соответствующем интервале размеров) [4, стр. 378].
Таблица 1
Допускаемые погрешности измерения для деталей соединения 3-12
|
Номинальный размер, мм
|
Квалитет
|
Контролируемый допуск Т, мкм
|
Допускаемая погрешность измерения δ,
мкм
|
|
Ø45 7257
|
|
|
|
|
Ø45 7257
|
|
|
|
Погрешности измерения не должны нарушать взаимозаменяемости изделий и
ухудшать их качество. Влияние погрешности измерения может проявляться в том,
что часть измеренных деталей m
будет отнесена к годным, хотя истинные значения их размеров находятся за
пределами поля допуска (необнаруженный брак), а часть деталей n, имеющих размеры в пределах поля
допуска, будет отнесена к бракованным (ложный брак).
Важное значение имеет параметр, характеризующий вероятностную предельную
величину с выхода размера за каждую границу поля допуска у неправильно принятых
деталей.
Величины m, n, c определяют вероятностным расчетом, они зависят от
законов распределения погрешностей изготовления и измерения. Данные величины
могут быть определены по графикам, в зависимости от относительной погрешности
измерения Амет(σ).
Для 7-го квалитета принимают Амет(σ) = 16% [4, стр. 379]. Примем
нормальный закон распределения для контролируемых размеров.
Тогда m = 5%, n = 7,8%, с/IT =
0,25/7 = 0,036 мкм (для вала и отверстия).
Это значит, среди годных деталей может оказаться 5% неправильно принятых
деталей с предельными отклонениями:
-
0,024964мм и -0,050036мм у валов Ø45
+
0,025036мм и -0,000036мм у отверстий Ø45
.
Если
по условиям работы изделия влияние погрешностей измерения признаётся
допустимым, то оставляют выбранный допуск и этим устанавливают, что приёмочными
границами будут являться предельные размеры изделия. Если признают влияние
погрешности измерения существенным и недопустимым, то есть два способа
уменьшения этого влияния:
)
можно выбрать другой квалитет или другое поле допуска, при которых влияние
погрешности измерения будет признано допустимым;
)
можно ввести производственный допуск, когда приемочные границы смещаются внутрь
поля допуска (происходит уменьшение допуска на изготовление). Варианты
установления приемочных границ иллюстрирует рисунок 1.3.
Рисунок 1.3 - Варианты установления приемочных границ
2. Расчет селективной сборки
Предельные отклонения размеров деталей по ГОСТ 25347-82:
Ø45
Схема
полей допусков соединения приведена на рисунке 2.1.
Рисунок
2.1 - Схема полей допусков соединения Ø45
Назначим
количeство групп вала и отвeрстия: nгр
= 4.
Групповые допуски деталей для селективной сборки:
; (2.1)
Предельные зазоры в соединении:
Smin = EI-es = 0-(-0,025) = 0,025 мм;
Smax = ES-ei = 0,025 - (0,-050) = 0,075 мм.
Предeльные групповые зазоры определяют по формулам:
(2.2)
Для
сортировки дeталeй на размeрныe группы
составляют карту сортировщика, вычисляя прeдeльныe
размeры дeталeй соeдинeний для каждой размeрной группы.
Карта сортировщика приведена в таблице 2.1, схема сортировки деталей на группы
приведена на рисунке 2.2 и в приложении.
Таблица 2.1
Карта сортировщика для сортировки деталей соединения на четыре размерные
группы
|
Номер размерной группы
|
Размеры деталей, мм
|
|
отверстие
|
вал
|
|
1
|
От
|
45,000
|
49,950
|
|
До
|
45,00625
|
49,95625
|
|
2
|
Свыше
|
45,00625
|
49,95625
|
|
До
|
45,0125
|
49,9625
|
|
3
|
Свыше
|
45,0125
|
49,9625
|
|
До
|
45,01875
|
49,96875
|
|
4
|
Свыше
|
45,01875
|
49,96875
|
|
До
|
45,025
|
49,975
|
Рисунок
2.2 - Схема полей допусков соединения Ø45
детали
которого рассортированы на чeтыре размерные группы
.
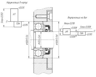
Назначение и расчет посадки подшипника качения
Подшипник
6-309 по ГОСТ 8338-75 - шариковый радиальный однорядный подшипник класса
точности 6, средней серии.
Конструктивные
размеры подшипника, мм: d = 45, D = 100, B = 25, r = 2,5 [8].
Подшипник 6-309 посажен в разъемный широкий корпус со сквозным
отверстием, на вращающийся сплошной вал, с нагрузкой на опору Fr = 1300 Н; характер нагрузки -
спокойная, перегрузка до 150%.
Рисунок 3.1 - Конструктивные размеры подшипника качения 6-309 ГОСТ
8338-75
Внутреннее кольцо подшипника вращается вместе с валом, наружное кольцо,
установленное в корпус, неподвижно. Радиальная нагрузка постоянна по величине.
Следовательно, нагружение наружного кольца - местное, внутреннего -
циркуляционное.
) Для посадки в корпус Ø100 рекомендовано основное отклонение H, поле допуска по 7-ому квалитету
точности H7 [3, т.2, стр. 282].
) При циркуляционном нагружении колец подшипников посадки на вал выбирают
по интенсивности воздействия радиальной нагрузки Pr, Н/мм, на поверхность посадочного места:
, (2.1)
где
Fr - радиальная нагрузка на опору, Н;
B - ширина
подшипника, мм;
r - радиус
скругления кромки внутреннего кольца, мм;
КП
- динамический коэффициент посадки, зависящий от характера нагрузки;
К1
- коэффициент, учитывающий степень ослабления посадочного натяга;
К2
- коэффициент неравномерности распределения радиальной нагрузки.
КП
= 1 - при умеренных толчках и вибрациях и при перегрузке до 150%;
К1
= 1 - при сплошном вале;
К2
= 1 - для радиальных подшипников с одним внутренним кольцом.
При
посадке на вал основное отклонение принимаем js, поле допуска
по 6-ому квалитету точности js6 [3, т.2, стр. 287]
Предельные
отклонения размеров посадочных диаметров внутреннего и наружного колец
подшипника:
)
для диаметра
класса точности 6:
;
;
.
)
для диаметра
класса точности 6:
;
.
Предельные
отклонения размеров посадочных поверхностей вала и отверстия в корпусе:
1) Ø45js6:
2) Ø100H7:
Натяги
в соединении внутреннего кольца подшипника с валом:
;
Nmin
Nmin = Smax.
Зазоры
в соединении наружного кольца подшипника с корпусом:
;
Схема
полей допусков подшипника качения 6-309 по ГОСТ 8338- 75 приведена на рисунке
3.1.
Рисунок
3.1 - Схема полей допусков подшипника качения 6-309 ГОСТ 8338-75 (
-
внутреннее кольцо, 
-
наружное кольцо)
4. Расчет посадки шпоночного соединения 3-10
Исходные данные: d=45мм.
Размеры, допуски, посадки и предельные отклонения
соединений с призматическими шпонками установлены ГОСТ 23360-78 [1, стр.
28-30].
Выбор полей допусков деталей шпоночного соединения по
ширине шпонки зависит от вида соединения. Шпоночное соединение данного узла
принято нормальным.
Посадки шпоночных соединений осуществляются по боковым сторонам шпонки в
системе вала. На ширину шпонки принят допуск h9. Допуски на ширину пазов вала и втулки назначают в
зависимости от вида соединения. Нормальному шпоночному соединению соответствуют
допуски: на ширину паза вала - N9,
ширину паза втулки - Js9.
На высоту шпонки ГОСТ 23360-78 установлен допуск h11, на длину шпонки - h14, на длину пазов вала и втулки - H15.
Размеры, поля допусков, допуски и предельные отклонения размеров
соединения приведены в таблице 4.1. Рассчитанные размерные характеристики
деталей соединения также записаны в таблице 4.1.
Таблица 4.1
Размерные характеристики деталей шпоночного соединения
|
Номинальный размер, мм
|
Поле допуска
|
Допуск размера Т, мм
|
Предельные отклонения, мм
|
Предельные размеры, мм
|
|
|
|
|
Верхнее ES,es
|
Нижнее EI,ei
|
max
|
min
|
|
Ширина паза вала
|
14
|
N9
|
0,043
|
0
|
-0,043
|
14,000
|
13,957
|
|
Ширина паза втулки
|
14
|
Js9
|
0,043
|
+0,0215
|
-0,0215
|
14,0215
|
13,9785
|
|
Ширина шпонки
|
14
|
h9
|
0,043
|
0
|
-0,043
|
14,000
|
13,957
|
|
Глубина паза вала
|
5,5
|
-
|
0,2
|
+0,2
|
0
|
5,7
|
5,5
|
|
Высота шпонки
|
9
|
h11
|
0,090
|
0
|
-0,090
|
9,000
|
8,910
|
|
Глубина паза втулки
|
3,8
|
-
|
0,2
|
+0,2
|
0
|
4,0
|
3,8
|
|
Диаметр втулки
|
45
|
Н7
|
0,025
|
+0,025
|
0
|
45,025
|
45,000
|
|
Диаметр вала
|
45
|
k6
|
0,016
|
+0,018
|
+0,002
|
45,018
|
45,002
|
|
Длина шпонки
|
32
|
h14
|
0,620
|
0
|
-0,620
|
32,000
|
31,380
|
|
Длина паза вала
|
32
|
H15
|
1,000
|
+1,000
|
0
|
33,000
|
32,000
|
Предельные зазоры и натяги в соединениях «шпонка-паз
вала» и «шпонка-паз втулки» определяют, как в гладких соединениях. Для данного
соединения:
- в соединении «шпонка-паз вала»:
Nmax = es- EI = 0-(-43) = 43
мкм;
Nmin = ei- ES =-43-0=-43 мкм;
Nmin = Smax.
в соединении «шпонка-паз втулки»:
Nmax = es- EI = 0-(-21,5)
= 21,5 мкм;min = ei- ES =
-43-21,5 = -64,5 мкм;
- Nmin = Smax.
Схема полей допусков шпоночного соединения приведена
на рисунке 4.1.
Рисунок 4.1 - Схема полей допусков шпоночного
соединения 3-10 (соeдинeниe нормальное)
5. Расчет посадки шлицевого
соединения
Исходные данные: шлицевое соединение D-8´36´40´7 ГОСТ 1139-80.
Центрирование по D используется для подвижных и неподвижных соединений,
при передаче небольших крутящих моментов и в других соединениях, подвергаемых
малому износу.
Допустим, рассматриваемое соединение - подвижное.
Посадки шлицевого соединения назначаются по параметру центрирования D и боковым сторонам шлицев b.
Условное обозначение прямобочного шлицевого соединения:
D
- 8 ´ 36 ´ 40
´ 7
ГОСТ
1139-80.
Размерные
характеристики деталей шлицевого соединения приведены в таблице 5.1.
Схемы
полей допусков прямобочного шлицевого соединения-8 ´ 36 ´ 40
´ 7
ГОСТ 1139-80 приведены на
рисунке 5.1.
Условные
обозначения деталей шлицевого соединения:
вала
D - 8 ´ 36 ´ 40f7 ´ 7f7 ГОСТ 1139-80;
втулки
D - 8 ´ 36Н11 ´ 40Н7 ´ 7F8 ГОСТ 1139-80.
Рисунок
5.1 - Схемы полей допусков прямобочного шлицевого соединения
точность допуск посадка соединение
D
- 8 ´ 36 ´ 40
´ 7
ГОСТ
1139-80
Таблица 5.1
Размерные характеристики деталей шлицевого соединения
|
Наименование элементов шлицевого соединения
|
Номинальный размер, мм
|
Поде допуска
|
Допуск размера Т, мм
|
Предельные отклонения, мм
|
Предельные размеры, мм
|
|
|
|
|
Верхнее ES, es
|
Нижнее EI, ei
|
max
|
min
|
|
Центрирующие элементы
|
|
Отверстие
|
40
|
H7
|
0,025
|
+0,025
|
0
|
40,025
|
40,000
|
|
Вал
|
40
|
f7
|
0,025
|
-0,025
|
-0,050
|
39,975
|
39,950
|
|
Ширина впадин отверстия
|
7
|
F8
|
0,022
|
+0,013
|
7,013
|
7,035
|
|
Толщина шлицев
|
7
|
f7
|
0,015
|
-0,013
|
-0,028
|
6,987
|
6,972
|
|
Нецентрирующие элементы
|
|
Отверстие
|
36
|
H11
|
0,160
|
+0,160
|
0
|
36,160
|
36,000
|
|
Вал
|
36
|
-
|
-
|
-
|
-
|
-
|
34,5
|
6. Расчет размерной цепи Б-Б
Рисунок 6.1 - Схема размерной цепи Б-Б
|
Звенья размерной цепи, мм
|
|
БΔ
|
Б1
|
Б2
|
Б3
|
Б4
|
Б5
|
Б6
|
Б7
|
|
3,5-1,5
|
25
|
25
|
12
|
36
|
16
|
16
|
133
|
Для данной размерной цепи: m = 8,
n = 1, p = 6, где n, p - число увеличивающих и уменьшающих звеньев размерной цепи; m - общее число звеньев цепи, включая замыкающее.
Проверяют номинальный размер замыкающего звена:
(6.1)
Предельные
отклонения и допуск замыкающего звена:
Смысл
корректного расчета размерной цепи заключается в том, чтобы допуски на
составляющие звенья размерной цепи были бы одного или двух ближайших
квалитетов. С этой целью используют способ равноточных допусков.
Решим
задачу двумя методами способом равноточных допусков.
Метод
обеспечения полной взаимозаменяемости
Так
как известен допуск стандартного звена (подшипника качения) [3, т.2, стр. 273],
можно найти предельные отклонения и допуски размеров Б1:

Среднее
число единиц допуска:
(6.2)
Поскольку
допуск стандартного звена исключен из расчета, формула для определения среднего
числа единиц допуска имеет вид:
(6.2’)
Выбирают
единицы допуска
[1, стр.95] и рассчитывают
:
Устанавливают квалитeт
точности: IТ12=160i.
По
ГОСТ 25347 - 82 по 12-му квалитету точности назначают допуски
составляющих размеров цепи
Предельные
отклонения на составляющие звенья назначают на размеры, относящиеся к валам -
по h, относящиеся к отверстиям - по Н; на остальные -
симметричные предельные отклонения, ±IT/2.
Результаты
поэтапных расчетов внесены в таблицу 6.1.
Критерием правильности выбора служит уравнение:
(6.3)
120+210+180+250+180+180+400=1520
Условие НЕ выполняется.
Если условия не соблюдаются, необходимо
скорректировать отклонения, выбрав резервное звено. В качестве резервного звена
принимают одно звено, в технологическом отношении наиболее легко изготовляемое.
Таблица 6.1
Расчет допусков и отклонений звеньев размерной цепи методом обеспечения
полной взаимозаменяемости
|
Бi ном, мм
|
ii, мкм
|
ТБi,
мкм
|
ESБi, мкм
|
EIБi, мкм
|
C, мкм
|
|
Б0
|
3
|
-
|
1500
|
0
|
-1500
|
-750
|
|
25-1200-120-60
|
|
|
|
|
|
|
|
251,312100-210-105
|
|
|
|
|
|
|
|
121,08160130011401220
|
|
|
|
|
|
|
|
361,562500-250-125
|
|
|
|
|
|
|
|
161,081800-180-90
|
|
|
|
|
|
|
|
161,081800-180-90
|
|
|
|
|
|
|
|
1332,52400+200-2000
|
|
|
|
|
|
|
|
|
|
|
|
|
|
|
|
|
|
В рассматриваемой задаче резервным звеном принято
звено Б3.
Определяют предельные отклонения резервного звена Б3 по
формулам предельных отклонений замыкающего звена:
а) верхнее отклонение:
(6.4)
б)
нижнee отклонение:
(6.5)
Допуск
резервного звена:
Проверка:
Условие выполняется.
Итак, звенья размерной цепи имеют следующие отклонения:
Чтобы
убедиться в правильности проведенных расчетов, воспользуемся зависимостью для
координат середин полей допусков:
(6.6)
что
подтверждает правильность проведенных расчетов.
Теоретико-вероятностный метод
Допустим,
процент риска P = 0,27% (тогда коэффициент риска t =
3,00) [1, стр. 99]. При неизвестном характере рассеяния размеров принимают
закон равной вероятности.
Определение номинального размера и предельных отклонений замыкающего
звена полностью соответствует первому пункту при расчете на максимум-минимум.
Среднее число единиц допуска
рассчитывают по формуле:
(6.7)
Значение
наиболее соответствует 13-му квалитету точности.
Назначают
допуски на размеры
по 13 квалитету точности.
Таблица 6.2
Расчет допусков и отклонений звеньев размерной цепи
теоретико-вероятностным методом
|
Бi ном, мм
|
ii, мкм
|
ТБi,
мкм
|
ESБi, мкм
|
EIБi, мкм
|
C, мкм
|
|
Б0
|
3
|
-
|
1500
|
0
|
-1500
|
-750
|
|
25-1200-120-60
|
|
|
|
|
|
|
|
251,313300-330-165
|
|
|
|
|
|
|
|
121,0811960
|
|
|
|
|
|
|
|
361,563900-390-195
|
|
|
|
|
|
|
|
161,082700-270-135
|
|
|
|
|
|
|
|
161,082700-270-135
|
|
|
|
|
|
|
|
1332,52630+315-3150
|
|
|
|
|
|
|
Проверяют равенство:
(6.8)
Равенство не соблюдается.
Определяют допуск резервного звена Б3:
Для
звена Б3 принят допуск по IT16, равный 1,1мм.
Проверяют
равенство:
Условия
не выполняются.
Определяют координату середины поля допуска для составляющих звеньев по
формуле:
(6.9)
Координату
середины поля допуска резервного звена Б3 определяют из равенства:
(6.10)
Предельные отклонения резервного
звена:
Следовательно,
Проверяют равенство:
Истинный
процент брака определяют по формуле:
(6.11)
что
соответствует около 8% брака. Сочтем такой процент брака приемлемым.
Результаты расчетов допусков в размерной цепи обоими методами
представлены в таблице 6.3.
Таблица 6.3
Результаты расчетов допусков в размерной цепи
|
Номинальный размер Бi ном, мм
|
Допуск размера ТБi, мкм
|
Поле допуска, квалитет
|
Предельные отклонения
|
Предельные размеры,мм
|
|
|
|
ESБi, мкм
|
EIБi, мкм
|
max
|
min
|
|
Метод max-min
|
|
Б0
|
3
|
1500
|
-
|
0
|
-1500
|
3,000
|
1,500
|
|
25120-0-12025,00024,880
|
|
|
|
|
|
|
|
|
25210h120-21025,00024,790
|
|
|
|
|
|
|
|
|
12160резерв.
зв.1300114013,30013,140
|
|
|
|
|
|
|
|
|
36250h120-25036,00035,750
|
|
|
|
|
|
|
|
|
16180h120-18016,00015,820
|
|
|
|
|
|
|
|
|
16180h120-18016,00015,820
|
|
|
|
|
|
|
|
|
133400±IT12/2+200-200133,200132,800
|
|
|
|
|
|
|
|
|
Теоретико-вероятностный метод
|
|
Б0
|
3
|
1500
|
-
|
0
|
-1500
|
3,000
|
1,500
|
|
25120-0-12025,00024,880
|
|
|
|
|
|
|
|
|
25330h130-33025,00024,670
|
|
|
|
|
|
|
|
|
121196резерв.
зв.173854213,73812,542
|
|
|
|
|
|
|
|
|
36390h130-39036,00035,610
|
|
|
|
|
|
|
|
|
16270h130-27016,00015,730
|
|
|
|
|
|
|
|
|
16270h130-27016,00015,730
|
|
|
|
|
|
|
|
|
133630±IT13/2+315-315133,315132,685
|
|
|
|
|
|
|
|
При решении задачи теоретико-вероятностным методом обычно назначаются
более грубые квалитеты точности, которые являются технологически легче
выполнимыми и экономически более выгодными.
7. Расчет калибра для детали 3 соединения 3-12
По назначению предельные калибры делят на рабочие, приемные и
контрольные. Рабочие калибры (проходной Р-ПР и непроходной Р-НЕ) предназначены
для проверки изделий в процессе их изготовления. Предельные калибры определяют
не числовое значение измеряемой величины, а годность детали, т.е. находится ли
её размер между заданными предельными размерами.
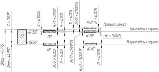
Необходимо рассчитать калибр для детали 3 соединения 3-12 (Ø45f7). Номинальный размер изделия dн = 45мм. Наименьший предельный размер вала dmin=44,950мм, наибольший - dmax=44,975мм.
Для контроля валов используют калибры-скобы различных конструкций.
Исполнительные размеры калибров определяют по формулам ГОСТ 24853-81. Формулы
для определения исполнительных размеров калибров-скоб для валов диаметром до
180мм приведены в таблице 7.1.
Таблица 7.1
Формулы для определения исполнительных размеров калибров-скоб
|
Калибр
|
Рабочий калибр
|
Контрольный калибр
|
|
размер
|
допуск
|
размер
|
допуск
|
|
Для вала
|
Проходная сторона новая
|
Dmax - z1
|
± H1/2
|
Dmax - z1
|
± HP/2
|
|
Проходная сторона изношенная
|
Dmax + y1
|
-
|
Dmax + y1
|
± HP/2
|
|
Непроходная сторона
|
Dmin
|
± H1/2
|
Dmin
|
± HP/2
|
D - номинальный размер изделий;
Dmin - наименьший предельный размер изделий;
Dmax - наибольший предельный размер изделий;
Н1 - допуск на изготовление калибров для вала;
НP - допуск на изготовление
контрольного калибра для скобы;
z1 - отклонение середины поля допуска
на изготовление проходного калибра для вала относительно наибольшего
предельного размера изделия;
y1 - допустимый выход размера
изношенного проходного калибра для вала за границу поля допуска изделия.
По ГОСТ 24853-81 для диаметра 45мм 7-го квалитета: Н1 = 4мкм,
z1 = 3,5 мкм, у1 = 3мкм, НP = 1,5 мкм.
Подставляя данные значения в формулы, получают размeры рабочeго и контрольного калибров (размеры округлены до 0,5мкм в
сторону уменьшения допуска, согласно ГОСТ 24853-81):
Схема
расположения полей допусков калибра-скобы для контроля детали Ø45f7 приведена на рисунке 7.1.
Чертеж
сборного калибра-скобы 8113-0266 f7 ГОСТ 16775-93 приведен в приложении.
Калибр-скоба
8113-0266 f7 ГОСТ 16775-93 состоит из деталей:
корпус
(конструкция и размеры - по ГОСТ 16775-93);
гладкая
пластина (по ГОСТ 21125-75);
ступенчатая
пластина (по ГОСТ 21125-75);
ручка-накладка
(по ГОСТ 18369-73).
Рисунок 7.1 - Схема расположения полей допусков калибра-скобы для
контроля детали Ø45f7
8. Расчет предельных размеров и построение схемы расположения
полей допусков деталей резьбового соединения 3-11
Параметры резьбового соединения М40×1,5 по ГОСТ 9150-2002, ГОСТ 8724-2002,
ГОСТ 24705-81 приведены в таблице 8.1.
Таблица 8.1
Параметры резьбового соединения М40х1,5
|
d (D)
|
d1 (D1)
|
d2 (D2)
|
P
|
a
|
H
|
H/8
|
H/6
|
H/4
|
|
40
|
38,376
|
39,026
|
1,5
|
60
|
1,299
|
0,162
|
0,217
|
0,324
|
d (D) - наружный диаметр резьбы, мм;
d1 (D1) -
внутренний диаметр резьбы, мм;
d2 (D2) -
средний диаметр резьбы, мм;
Р - шаг резьбы, мм;
a - угол профиля резьбы;
Н - высота исходного треугольника
резьбы, мм;
Н/8 - срез вершин
резьбы у болта, мм;
Н/6 - радиус
закругления впадины внутренней резьбы, мм;
Н/4 - срез вершин
резьбы у гайки, мм.
Для рассматриваемого резьбового соединения принят средний класс точности.
Назначим поле допуска резьбы с нормальной длиной свинчивания: внутренняя
резьба - 6H, наружная резьба - 6g, т.е. резьба М40×1,5-6H/6g.
Предельные отклонения размеров, соответствующие выбранному характеру
резьбового соединения, приведены в таблице 8.2. В таблице 8.3 приведены
предельные значения диаметров наружной и внутренней резьбы, вычисленные для
выбранной посадки.
Схема расположения полей допусков деталей резьбового соединения 1-8
приведена на рисунке 8.1.
Таблица 8.2
Предельные отклонения размеров метрической резьбы
|
Диаметры
|
Отклонения
|
Наружная резьба 6g
|
Внутренняя резьба 6Н
|
|
Наружный d (D)
|
верхнее ES, es
|
es = - 32 мкм
|
-
|
|
нижнее EI, ei
|
ei = - 268 мкм
|
EI = 0
|
|
Средний d2 (D2)
|
верхнее ES, es
|
es = - 32 мкм
|
ES = +200 мкм
|
|
нижнее EI, ei
|
ei = - 182 мкм
|
EI = 0
|
|
Внутренний d1 (D1)
|
верхнее ES, es
|
es = - 32 мкм
|
ES = +300 мкм
|
|
нижнее EI, ei
|
-
|
EI = 0
|
Таблица 8.3
Предельные значения диаметров резьбы М40×1,5-6H/6g
|
Диаметры
|
Обозначение
|
Наружная резьба
|
Внутренняя резьба
|
|
Наружный d (D)
|
dmax (Dmax) dmin (Dmin)
|
39,968 39,732
|
- 40,000
|
|
Средний d2 (D2)
|
d2max (D2max) d2min (D2min)
|
38,994 38,844
|
39,226 39,026
|
|
Внутренний d1 (D1)
|
38,344 -
|
38,676 38,376
|
Рисунок 8.1 - Схема расположения полей допусков деталей резьбового
соединения 3-11
9. Назначение комплекса контролируемых параметров зубчатого
колеса 4 и выбор средств контроля
Исходные
данные: диаметр посадки колеса на вал -
; модуль:
; число зубьев колеса:
.
Рассчитывают
геометрические параметры зубчатого колеса:
-
коэффициент смещения;
-
основной угол наклона линии зуба;
-
делительный диаметр;
-
диаметр вершин зубьев;
-
диаметр впадин зубчатого колеса.
Для
данного колеса принята 7 степень точности (по всeм нормам) и вид сопряжения B.
По
ГОСТ 1643-81 принят комплeкс контролируeмых парамeтров колeса:
по
нормам кинематической точности:
- допуск
на радиальное биение зубчатого венца;
- допуск
на колебание длины общей нормали.
по
нормам плавности работы:
- допуск на колебание измерительного межосевого
расстояния на одном зубе;
по
нормам контакта зубьев: относительные размеры суммарного пятна контакта - по
высоте зубьев - не менее 45%, по длине - не менее 60%.
по
нормам бокового зазора: длина общей нормали W=m∙k=4∙7,800=31,200мм.
Наименьшее
отклонение длины общей нормали:
зависит
от вида сопряжения и делительного диаметра колеса,
зависит
от допускаемого радиального биения
Допуск
на среднюю длину общей нормали
Измерение
и контроль зубчатых колёс производится специальными и универсальными
измерительными средствами:
)
для измерения радиального биения зубчатого венца используют ролики и
рычажно-чувствительные приборы;
)
для измерения основного шага применяют штангенциркуль;
)
для измерения суммарного пятна контакта используют контрольно-обкатные станки;
)
для измерения толщины зубьев, смещения исходного контура и длины общей нормали
используют два ролика и микрометр, микрометрический нормалемер, жёсткие
предельные скобы.
Схемы
измерений и контроля представлены на рисунках 9.1-9.3.
Рисунок 9.1 - Схемы измерения радиального биения:а) на
приборах-биениемерах; б) с помощью сферического наконечника - для зубчатых
колес внутреннего зацепления; в) на контрольных центрах с помощью ролика и
индикаторного прибора
Контроль пятна контакта производят как в собранной передаче, так и для
отдельных зубчатых колес (проверяемое колесо устанавливают на обкатных станках
вместе с измерительным колесом с установкой их на номинальное межосевое
расстояние). Боковые поверхности зубьев измерительного колеса покрывают тонким
слоем краски (свинцовый сурик, берлинская лазурь или др.), после чего
производят обкатку пары колес при легком торможении. На боковых поверхностях
зубьев проверяемого колеса остаются следы краски, так называемые пятна контакта
(рис. 9.2), по размерам которых определяют полноту контакта зубьев колеса. Если
требуется проконтролировать пятно контакта в собранной зубчатой передаче, то о
качестве зубчатых колес судят по размерам пятна, оставленного на ведомом колесе
передачи.
Рисунок 9.2 -Контроль комплексных показателей цилиндрических зубчатых
колес
Рисунок 9.3 - Измерение длины общей нормали:
а) зубомерным микрометром;
б) индикаторным нормалемером;
в) предельным калибром-скобой;
г) принцип измерения с помощью прибора индикаторного типа зубчатых колес
внутреннего зацепления
10. Средства контроля точности шпоночных, шлицевых и
резьбовых соединений
Средства контроля деталей шпоночного соединения показаны на рисунке 10.1.
Контроль ширины шпоночных пазов производят предельным калибром в виде
пластины 1 со сторонами ПР и НЕ (рис. 10.1, а).
Контроль глубины шпоночного паза втулки производят гладкой пробкой 2 со
ступенчатой предельной шпонкой 3 (рис. 10.1, б).
Отклонение от симметричности паза втулки относительно оси контролируют
гладкой пробкой 4 со шпонкой 5 (рис. 10.1, в). У этого калибра гладкая часть
пробки по размеру равна наименьшему предельному диаметру отверстия, ширину
шпонки рассчитывают с учетом допускаемого смещения паза. Годность определяют по
полному заходу калибра в отверстие втулки. Глубину шпоночного паза калибр не
проверяет - между дном паза и плоскостью шпонки должен быть зазор.
Рисунок 10.1 - Средства контроля деталей шпоночных соединений
Для контроля глубины шпоночного паза на валу используют кольцевой калибр
7 со стержнем 6 (рис. 10.1, г), на котором нанесены две риски (или две
ступеньки), соответствующие проходной и непроходной сторонам калибра. У годной
детали, при контакте торца стержня с дном паза, торец калибра должен находиться
между рисками, расстояние между которыми равно допуску на глубину паза. Диаметр
кольцевого калибра принимают равным наибольшему предельному размеру вала.
Для контроля отклонений от симметричности шпоночного паза вала
относительно оси используют калибр с призмой 9 и стержнем 8 (рис. 10.1, д). При
наложении призмы на вал стержень должен заходить в шпоночный паз. Если стержень
упирается в кромки паза, то это означает, что действительное смещение паза
превышает допустимое.
Контроль прямобочных шлицевых деталей в массовом и серийном производстве
осуществляют комплексным методом. Для комплексного контроля шлицевых втулок в
цеховых условиях применяют комплексные шлицевые калибры-пробки, а для шлицевых
валов - комплексные шлицевые калибры-кольца.
Калибры-пробки для контроля шлицевой втулки с прямобочным профилем
показаны на рисунке 10.2.
Контроль шлицевой втулки осуществляют по прохождению комплексного калибра
через шлицевое отверстие. Его прохождение означает, что размеры наружного D и
внутреннего d диаметров втулки и ширины впадины b не меньше их наименьших
предельных размеров. Одновременно проходной шлицевой калибр контролирует также
правильность расположения впадин втулки и допускаемые отклонения их формы от
прямолинейности и параллельности относительно оси втулки.
Шлицевой калибр контролирует только один диаметр втулки (D или d) в
зависимости от того, какой из них принят в соединении в качестве центрирующего
элемента. По второму (нецентрирующему) диаметру калибр имеет гарантированный
зазор.
Аналогично осуществляют контроль шлицевых валов проходными комплексными
шлицевыми калибрами-кольцами. Если калибр-кольцо проходит по всей длине
шлицевого вала, то это означает, что размеры наружного и внутреннего диаметров
проверяемого вала, а также размер ширины шлица вала не превышают наибольших
предельных размеров. С помощью шлицевого кольца контролируют правильность
расположения и отклонения формы шлицев вала. Калибры для контроля шлицевого
прямобочного вала приведены на рисунке 10.3.
Рисунок 10.2 - Калибры-пробки для контроля шлицевой втулки:
а) комплексный проходной;
б) неполный непроходной для контроля ширины пазов b;
в) неполный непроходной для контроля параметра D;
г) полный гладкий непроходной для контроля параметра d
Контроль резьбовых деталей, в основном, осуществляется резьбовыми
калибрами. Комплект рабочих предельных резьбовых калибров состоит из проходных
(ПР) и непроходных (НЕ) калибров. Для контроля внутренней резьбы (гайка) - это
резьбовые пробки (рис. 10.4, а), а для контроля наружных резьб (болт)-
резьбовые кольца: проходное (рис. 10.4, б) и непроходное (рис. 10.4, в).
Непроходные резьбовые кольца, для отличия их от проходных, имеют проточенную
канавку 2.
Рисунок 10.3 - Калибры для контроля шлицевого прямобочного вала:
а) комплексный калибр-кольцо проходной;
б) калибр-скоба непроходной для контроля параметра D;
в) калибр-скоба непроходной для контроля параметра d;
г) калибр-скоба непроходной для контроля толщины шлица b
Рисунок 10.4 - Рабочие предельные резьбовые калибры
Список использованных источников
1. Анухин
В.И. Допуски и посадки. Учебное пособие.- СПб.: Питер, 2008. - 207 с.
2. Афанасьев,
А.А., Взаимозаменяемость: учебник для студ. высш. учебн. заведений / А.А.
Афанасьев, А.А. Погонин. - М.: Издательский центр «Академия». 2010.-352с.
. Допуски
и посадки: Справочник / Под ред. В.Д. Мягкова. Ч.1 и Ч.2. - Л.: Машиностроение, 1983. - 986 с.
. Метрология,
стандартизация и технические измерения: учебник/ А.Г. Схиртладзе, Я.М.
Радкевич. - Старый Оскол:ТНТ, 2010. - 420с.
5. Сергеев
А.Г. Метрология: учебник. - М.: Логос, 2005 - 272с.
6. Учебное
пособие по выполнению курсовой работы по учебной дисциплине «Взаимозаменяемость
и нормирование точности» / Л.Н. Кубышко, Э.В. Сафин - Уфимск. гос. авиац. техн.
унив-т; - Уфа, 2014 г. - 170 с.
. ГОСТ
8.051-81. Погрешности, допускаемые при измерении линейных размеров до 500мм.
. ГОСТ
8338-75. Подшипники шариковые радиальные однорядные. Основные размеры.
. ГОСТ
24853-81. Калибры гладкие для размеров до 500мм.
. ГОСТ
16775-93. Калибры-скобы гладкие, оснащенные твердым сплавом, для диаметров от 3
до 180мм. Размеры
. ГОСТ
18369-73. Ручки-накладки для калибров скоб. Конструкция и размеры
. ГОСТ
9150-2002 (ИСО 68-1-98) «Основные нормы взаимозаменяемости. Резьба метрическая.
Профиль.
. ГОСТ
1643-81. Передачи зубчатые цилиндрические. Допуски.
14. ГОСТ
2789-73. Шероховатость поверхности. Параметры и характеристики.