Расчет установившихся режимов линейных электрических цепей
КУРСОВАЯ РАБОТА
"Расчет установившихся режимов
линейных электрических цепей"
РЕФЕРАТ
ЗАКОНЫ
КИРХГОФА, МЕТОД КОНТУРНЫХ ТОКОВ, МЕТОД УЗЛОВЫХ ПОТЕНЦИАЛОВ, МЕТОД
ЭКВИВАЛЕНТНОГО ГЕНЕРАТОРА, МЕТОД НАЛОЖЕНИЯ, КОМПЛЕКСНЫЙ МЕТОД РАСЧЕТА,
ЧЕТЫРЕХПОЛЮСНИКИ, ТРЕХФАЗНЫЕ ЦЕПИ, БАЛАНС МОЩНОСТЕЙ, ВЕКТОРНАЯ ДИАГРАММА,
МАГНИТНАЯ СВЯЗЬ, ФАЗА, НЕСИНУСОИДАЛЬНЫЕ ТОКИ И НАПРЯЖЕНИЯ.
В курсовой
работе "Расчет установившихся режимов линейных электрических цепей"
рассматриваются методы расчета линейных электрических цепей при постоянных,
синусоидальных напряжениях и токах, однофазных цепей при несинусоидальном
питающем напряжении и трехфазных цепей. Курсовая работа содержит теоретические
сведения по каждому разделу, пример расчета установившихся режимов и примеры решения
задач. Кроме того, в ней содержатся примеры решения задач по теме
«Четырехполюсники»
Содержание:
Введение
. Исследование и расчет цепей постоянного тока
.1 Цель работы
.2 Сведения из теории
.3 Экспериментальная часть
.4. Расчетная часть
. Исследование и расчет цепей синусоидального тока
.1 Цель работы
.2 Сведения из теории
.3 Экспериментальная часть
.4 Расчет установившихся режимов в цепях синусоидального тока
. Исследование и расчет линейных однофазных цепей при
несинусоидальном питающем напряжении
3.1 Цель работы
.2 Сведения из теории
3.3 Исследуемая схема
.4 Расчетная часть
.5 Задачи
. Исследование трехфазной цепи
.1 Цель работы
.2 Сведения из теории
.3 Практическая часть
.4 Задачи на трехфазные цепи
. Четырехполюсники
.1 Сведения из теории
.2 Задача на расчет параметров четырехполюсника
. Заключение
. Библиографический список
Введение
Данная работа представляет собой обобщение работы, проведенной за время
обучения теоретических основ электротехники. Фактически всю работу можно
разделить на четыре части, каждая из которых состоит из разделов, посвященных
соответствующей теме. В каждом разделе имеются теоретические сведения, которые
помогают легче освоить изложенный далее материал.
Первая часть посвящена исследованию и расчету цепей постоянного тока, где
рассматриваются вопросы по решению задач различными методами:
методом контурных токов;
методом узловых потенциалов;
методом наложения;
методом эквивалентного генератора.
Также приведено сравнение вышеуказанных методов.
Вторая часть описывает исследования и расчет цепей синусоидального тока.
Дается представление резонанса, причины и необходимые условия его
возникновения. На примере показано построение векторных диаграмм тока и
напряжения.
Третья часть предусматривает исследование и расчет линейных однофазных
цепей при несинусоидальном питающем напряжении. Большое внимание уделялось на
теоретические сведения. Имеются примеры решения задач.
Четвертый раздел посвящен исследованию трехфазных цепей, наиболее сложной
теме курса. Решены и разобраны конкретные задачи.
Пятый раздел содержит краткие теоретические сведения из теории
четырехполюсников и пример решения задачи на нахождение параметров A-матрицы четырехполюсника по заданной
схеме.
1. Исследование и расчет цепей постоянного тока
.1 Цель работы
. Освоение методики измерения токов, напряжений, потенциалов.
. Опытная проверка законов Кирхгофа и принципа наложения.
. Расчёт токов в ветвях заданной электрической цепи методами контурных
токов, узловых потенциалов, эквивалентного генератора.
. Построение потенциальной диаграммы.
. Составление баланса мощностей.
. Сравнение результатов опыта и расчёта.
.2 Теоретические сведения
Законы Кирхгофа
Законы Кирхгофа являются фундаментальными законами электротехники.
Первый закон Кирхгофа формулируется для узла электрической цепи:
алгебраическая сумма токов ветвей, сходящихся в узле электрической цепи, равна
нулю. При этом подходящие к узлу токи записываются с одним знаком, отходящие -
с другим. Например, для узла, изображенного на рис. 1, можно записать первый
закон Кирхгофа:
Рис. 1 Узел электрической цепи
I1 + I2 - I3 - I4 = 0 или - I1 - I2 + I3 + I4 = 0
Число линейно независимых уравнений, составляемых по первому закону
Кирхгофа, на единицу меньше числа узлов схемы.
Второй закон Кирхгофа формулируется для контура электрической цепи:
алгебраическая сумма падений напряжений на участках контура равна
алгебраической сумме ЭДС того же контура. При этом если направление ЭДС
совпадает с направлением обхода контура, то она берется со знаком „плюс",
если не совпадает - со знаком „минус”. Падение напряжения на элементе берется
со знаком „плюс", если направление тока в элементе совпадает с
направлением обхода, если не совпадает - со знаком „минус".
Например, для контура, показанного на рис. 2, можно записать:
Рис. 2
I1 + R2I2 - R3I3 - R4I4 = E1 - E2
Уравнения по второму закону Кирхгофа составляются для независимых
контуров - контуров, отличающихся друг от друга хотя бы одной новой ветвью.
Последовательность определения токов ветвей по законам Кирхгофа:
) Выбирается направления токов ветвей. Число токов равно числу ветвей
схемы. Токи ветвей с источниками тока известны.
) Записываются уравнения по первому закону Кирхгофа, их число на единицу
меньше числа узлов схемы.
) Выбираются независимые контуры и направления их обхода.
) Записываются уравнения по второму закону Кирхгофа для независимых
контуров, при этом уравнения для контуров, включающих источники тока, не
составляются.
) В результате совместного решения уравнений, составленных по первому и
второму законам Кирхгофа, определяются токи ветвей.
Метод контурных токов
В этом методе за неизвестные принимают токи независимых контуров
(контурные токи), а токи ветвей выражают через контурные.
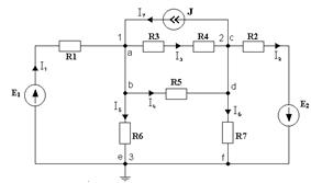
Рассмотрим правила формирования уравнений на примере схемы, приведенной
на рис. 3, в которой известны величины ЭДС и ток источника тока, а также все
сопротивления.
Рис. 3
Выберем независимые контуры и направления их обхода. Допустим, что в
каждом контуре протекает свой контурный ток, совпадающий с направлением обхода
- I11 , I22 , I33
.Выберем направления токов ветвей и составим уравнения по второму закону
Кирхгофа для выбранных контуров (для контура с источником тока уравнение не
составляется, так как I33 = J):
R1I1 + (R2 + R3)I2 = E1
(R2 + R3)I2 - R4I3 + R5I4 = -E2 (*)
Выразим токи ветвей через контурные:
I1 = I11 ; I2 = I11 - I22 ; I6 = I3 = -I22;= I22 + I33 ; I5 =
I33 ; I33 = J ; I5 = J
и подставим в систему (*):
R1I11 + (R2 + R3)(I11 - I22) = E1
-(R2 + R3) (I11 - I22) - R4(-I22) + R5(I22 + I33) = -E2
После группировки получим:
(R1 + R2 + R3)I11 - (R2 + R3) I22 = E1
-(R2 + R3) I11 + -(R2 + R3 + R4 + R5 )I22 + R5I33 = -E2
В общем виде для трехконтурной схемы с одним источником тока:
R11I11 + R12I22 + R13I33 = E11I11 + R22I22 + R23I23 = E22,
где R11 , R22 - собственные сопротивления контуров I11 и I22, каждое из которых равно сумме сопротивлении, входящих в
данный контур;
R12 = R21 , R13 ,R23 - общие сопротивления контуров. Общее сопротивление равно
сопротивлению ветви, общей для рассматриваемых контуров, Общие сопротивления
берутся со знаком “плюс”, если контурные токи в них направлены одинаково и со
знаком “минус”, если контурные токи в них направлены встречно. Если контуры не
имеют общей ветви, то их общее сопротивление равно нулю. В рассматриваемом
примере R13 = 0;
Е11 , Е22 - контурные ЭДС, каждая из которых равна алгебраической сумме
ЭДС данного контура. ЭДС берется со знаком ”плюс”, если ее направление
совпадает с направлением контурного тока, если не совпадает - со знаком
“минус”.
Последовательность определения токов ветвей методом контурных токов
) Выбираются независимые контуры и направления контурных токов.
) Записывается система уравнений в общем виде. Число уравнений равно числу
независимых контуров схемы минус число контуров, содержащих источники тока.
Количество слагаемых в левой части уравнения равно числу независимых контуров.
) Определяются коэффициенты при неизвестных - собственные и общие
сопротивления контуров, а также контурные ЭДС. Если общей ветвью контуров
является источник ЭДС без сопротивления, то общее сопротивление этих контуров
равно нулю.
) Рассчитываются контурные токи.
) Выбираются направления токов ветвей.
) Определяются токи ветвей.
Метод узловых потенциалов
В этом методе за неизвестные принимают потенциалы узлов схемы, а токи
ветвей находят по закону Ома.
Рассмотрим правила формирования уравнений на примере схемы, приведенной
на рис. 4, в которой известны величины ЭДС и ток источника тока, а также все
сопротивления.
В
этой схеме два неизвестных потенциала:
и
, поскольку
=
,
=
,
=
, а потенциал одного из узлов, в данном случае
, принимается равным нулю, что на схеме обозначается
заземлением узла 3.
Запишем
уравнения по первому закону Кирхгофа, предварительно выбрав направления токов в
ветвях:
Рис. 4
узел 1: -I1 + I3 + I4 + I5 -I7 = 0
узел
2: I2 - I3 - I4 + I6 + I7 = 0 (*)
Выразим
токи ветвей через потенциалы узлов:
;
;
;
;
;
;
и
подставим в систему (*):
После
группировки получим:
В
общем виде:
где
,
-
собственные (узловые) проводимости узлов 1 и 2, каждая из которых равна сумме
проводимостей ветвей, сходящихся в данном узле;
,
- общая проводимость - взятая со знаком “минус” сумма
проводимостей ветвей, соединяющих узлы 1 и 2 (проводимость ветви, содержащей
источник тока, равна нулю);
,
- задающие (узловые) токи узлов 1 и 2, каждый из
которых равен алгебраической сумме произведений ЭДС на проводимость ветвей, в
которых они находятся (рассматриваются ветви, подключенные к данному узлу), и
алгебраической сумме токов источников тока, подключенных к данному узлу. Знаки
слагаемых: “плюс” - если направление ЭДС (источника тока) к узлу, “минус” -
если направление ЭДС (источника тока) от узла.
Последовательность определения токов ветвей методом узловых потенциалов:
) Записывается система уравнений в общем виде. Число уравнений системы на
единицу меньше числа узлов схемы. Если в схеме содержится ветвь с источником
ЭДС без сопротивлений, то j2 = j1 + E1. Приняв j1 = 0, получим j2 = E1.
) Определяются коэффициенты при неизвестных - собственные и общие
проводимости, также задающие токи узлов.
) Рассчитывается потенциалы узлов.
) Выбираются направления токов ветвей.
) Определяются токи ветвей.
Метод эквивалентного генератора
При расчетах линейных электрических цепей возможна замена части цепи,
содержащей источник ЭДС и тока, относительно зажимов выделенной ветви ab (рис. 5,а) активным двухполюсником,
состоящим из последовательно соединенных ЭДС и сопротивления. В этом случае
указанную ветвь можно рассматривать как нагрузку эквивалентного генератора с
ЭДС ЕГ и сопротивлением RГ.
Рис. 5
Эквивалентная ЭДС ЕГ равна напряжению на зажимах ab при разомкнутой ветви RH, т.е. напряжению холостого хода Uх.х. Сопротивление RГ равно входному сопротивлению цепи относительно зажимов ab при разомкнутой ветви RH. Источники при этом исключаются из
схемы.
Эквивалентные параметры ЕГ и RГ могут быть определены опытным путем из режимов холостого хода (рис.
5,б) и короткого замыкания (рис. 5,в):
ЕГ
= Uх.х.;
Сравнение
методов.
Наиболее
эффективным методом при расчете цепи постоянного тока является тот метод,
который приводит к наименьшему числу уравнений, составляющих систему решения.
Поэтому выбор способа решения напрямую зависит от исследуемой схемы. Если в
этой схеме малое количество узлов, то решение удобнее проводить методом узловых
потенциалов, если же в схеме небольшое количество независимых контуров, то
удобней решать методом контурных токов. Метод эквивалентного генератора можно
применять в очень сложных цепях, когда требуется найти один какой-либо
параметр. При использовании этого метода число ветвей в схеме для анализа
уменьшается на одну, что упрощает расчет.
.3
Экспериментальная часть
1) Измеряем Е1 и Е2 , показания заносим в таблицу 1.
Параметры исследуемой цепи
Таблица 1
|
Значения ЭДС, В
|
Сопротивления резисторов,
Ом
|
Сопротивления амперметров,
Ом
|
|
Е1
|
Е2
|
R1
|
R2
|
R3
|
R4
|
R5
|
R6
|
RA1
|
RA2
|
RA3
|
|
10
|
9
|
123
|
80
|
50
|
80
|
80
|
20
|
2
|
2
|
1
|
При замкнутом ключе S
измеряем токи от действия обеих ЭДС, полученные значения заносим в таблицу 2 и
4.
Сравнение значений токов, полученных расчётами и в опыте
Таблица 2
|
Токи в ветвях, мА
|
Способ определения
|
|
I1
|
I2
|
I3
|
I4
|
I5
|
|
|
39,5
|
-1,5
|
38
|
|
|
Опытным путём
|
|
39,3
|
-1,38
|
38
|
91,1
|
89,7
|
Методом контурных токов
|
|
39,6
|
-1,18
|
37,5
|
90,9
|
89,8
|
Методом узловых потенциалов
|
|
|
38,3
|
|
|
Методом эквивалентного
генератора
|
2) Принимаем потенциал одного из узлов схемы (узла номер 3) равным
нулю, измеряем потенциалы указанных точек, заносим их в таблицу 3
Сравнение значений потенциалов, полученных расчетом и в опыте
Таблица 3
|
Потенциалы точек цепи, В
|
Способ определения
|
|
φ1
|
φ2
|
φ3
|
φ4
|
φ5
|
φ6
|
|
|
1,8
|
1,9
|
0
|
-7,2
|
-3,1
|
6,85
|
Опытным путём
|
|
1,82
|
1,91
|
0
|
|
|
|
Методом узловых потенциалов
|
3) Измеряем и заносим в таблицу 4 значения токов от действия Е1, Е2
.
Проверка принципа наложения
Таблица 4
|
включены ЭДС, В
|
Токи, мА
|
|
опыт
|
расчёт
|
|
Е1
|
I'1
|
I'2
|
I'3
|
преобразованием цепи
|
|
|
|
|
I'1
|
I'2
|
I'3
|
|
42
|
-14,5
|
27,5
|
41,9
|
-14,3
|
27,6
|
|
Е2
|
I''1
|
I''2
|
I''3
|
преобразованием цепи
|
|
|
|
|
I''1
|
I''2
|
I''3
|
|
-2,5
|
13
|
10,5
|
-2,6
|
13
|
10,4
|
|
Е1, Е2
|
I1
|
I2
|
I3
|
методом наложения
|
|
|
|
|
I1
|
I2
|
I3
|
|
39,5
|
-1,5
|
38
|
39,3
|
-1,3
|
38
|
4) Включаем в схему Е1 и Е2, измеряем ток I3 при R3=0,
затем размыкаем ключ S и
измеряем напряжение между точками 2 и 3. полученные значения заносим в таблицу
5
Параметры эквивалентного генератора
Таблица 5
|
Напряжение холостого хода Eг=U23Х,X,
В
|
Ток короткого замыкания IЗ
К.З, А
|
Сопротивление RГ
, Ом
|
Способ определения
|
|
4,5
|
0,067
|
67,1
|
Опыт
|
|
4,45
|
|
66,3
|
Расчёт
|
Потенциальная диаграмма
Потенциалы всех узлов, обозначенных на схеме:
Рис. 6 Потенциальная диаграмма для внешнего контура схемы (узлы
3-4-1-2-6-5-3)
1.4 Расчётная часть
Рис. 7 Эквивалентная схема стенда, используемая для проведения расчетов
Составим уравнения по законам Кирхгофа:
-по первому закону Кирхгофа:

I1+I2=I3 39,5-1,5=38 (мА)
по второму закону Кирхгофа:
Метод контурных токов
Выберем три независимых контура. Обозначим контурные токи: I11, I22, I33,
выбрав направление обхода произвольно.
Составим систему уравнений для определения контурных токов:
Для данной схемы при выбранных направлениях обхода контуров их параметры
выражаются следующим образом:
Рис. 8 Метод контурных токов
Решив полученную систему уравнений, найдем контурные токи:
Выразим токи ветвей через контурные:
Метод
узловых потенциалов
Рис. 9 Метод узловых потенциалов
Запишем систему уравнений для потенциалов узлов 1 и 2:
По исходным данным вычислим значения задающих токов и проводимостей
ветвей:
Решив полученную систему уравнений, получим потенциалы узлов:
Исходя из потенциалов узлов и 2-го закона Кирхгофа, найдем токи ветвей:
Расчет
токов методом наложения
Метод основан на предположении о линейности цепи, т.е. о том, что все
источники в схеме действуют независимо и токи в ветвях схемы можно представить
как алгебраическую сумму токов каждого из источников.
Преобразуем исходную схему, исключив второй источник напряжения.
Рис. 10 Преобразование схемы для метода наложения.
Рассчитаем вспомогательные сопротивления (между узлами схемы):
Теперь
рассчитаем токи в ветвях схемы с учетом принятых для них направлений.
Проведем
аналогичный расчет, исключив первый источник.
Рис.
11 Преобразование схемы для метода наложения
Токи
и межузловые сопротивления в данной схеме находятся следующим образом:
Найдем
теперь токи I1, I2, I3.
+
Метод
эквивалентного генератора
Метод
эквивалентного генератора основан на том, что вся схема, подключенная к
какой-нибудь одной ее ветви, ток в которой нужно найти, заменяется
эквивалентным генератором с ЭДС и внутренним сопротивлением такими, что ток в
этой ветви не изменяется по сравнению с исходной схемой.
Рис.
12 Преобразование схемы для метода эквивалентного генератора
Для
заданной схемы ЭДС эквивалентного генератора, рассчитанная с использованием
метода узловых потенциалов,
.
Внутреннее
сопротивление эквивалентного генератора найдем по формуле:
Ток
I3 рассчитаем по закону Ома:
.
Проверка
баланса мощностей в схеме
Баланс
мощностей в схеме определяется следующими выражениями:
Погрешность
вычислений найдем по формуле:
Для
заданной схемы баланс мощностей запишется в виде:
Проверка
баланса мощностей в схеме
Таблица
6
|
Способ определения
|
Мощность источников, Вт
|
Мощность потребителей, Вт
|
Относительная погрешность,
%
|
|
Метод узловых потенциалов
|
1,2043
|
1,204
|
<0.02
|
|
Метод контурных токов
|
1,2009
|
1,2009
|
0
|
|
Метод наложения
|
1,2009
|
1,2009
|
0
|
|
|
|
|
|
2. Исследование и расчет цепей синусоидального тока
.1 Цель работы
1. Экспериментальное и расчетное определение эквивалентных
параметров цепей переменного тока, состоящих из различных соединений активных,
реактивных и индуктивно связанных элементов.
2. Применение символического метода расчета цепей синусоидального
тока.
. Расчет цепей с взаимной индукцией
. Проверка баланса мощностей
. Исследование резонансных явлений в электрических цепях
. Построение векторных топографических диаграмм.
.2 Теоретические сведения
Синусоидальный ток представляет собой ток, изменяющийся во времени по
синусоидальному закону:
,
где
- максимальное значение или амплитуда тока;
-
угловая частота
- полная
фаза колебания;
-
начальная фаза.
Угловая
частота
, частота
и период
T связаны соотношением:

.
Проекция
вращающегося против часовой стрелки с постоянной угловой скоростью
вектора
на
вертикальную ось изменяется во времени по синусоидальному закону. Поэтому любая
синусоидальная функция (ток, напряжение, ЭДС) может быть изображена вектором.
При
проведении расчета очень удобным оказывается рассмотрение вращающегося вектора
на комплексной плоскости. В этом случае вектор
можно представить как комплексную амплитуду тока
, а сам синусоидально изменяющийся ток I -
как мнимую часть произведения комплексной амплитуды на
:
.
Тогда
при t=0 можно записать:
.
На
практике широкое распространение получил символический метод расчета цепей
синусоидального тока.
Сущность
данного метода состоит в том, что при синусоидальном токе можно перейти от
дифференциальных уравнений, составленных для мгновенных значений, к
алгебраическим, составленным относительно комплексов амплитудных значений тока
, напряжения
, и ЭДС
либо их действующих значений
,
и
. Например, если
,
то
комплексное действующее значение напряжения
,
где
.
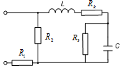
Рис.
13 Схема цепи с реактивными элементами
Аналогично
осуществляется запись комплексов действующих значений величин ЭДС и тока.
Например, для схемы (рис. 13) уравнение для мгновенных значений напряжений,
составленное по второму закону Кирхгофа, запишется следующим образом:
, или
.
Переходя
к комплексным действующим значениям напряжений, получим:
,
где
R - активное сопротивление цепи,
-
комплексное индуктивное сопротивление цепи,
-
комплексное емкостное сопротивление цепи.
Множитель
свидетельствует о том, что вектор напряжения
на индуктивности L опережает
вектор тока
на
.
Множитель
свидетельствует о том, что вектор напряжения
на емкости С отстает от вектора тока
на
. На
активном сопротивлении R векторы напряжения
и тока
совпадают по направлению.
Величина
называется комплексным сопротивлением цепи (рис. 13),
а
- ее комплексной проводимостью, где G и B -
активная и реактивная составляющие проводимости цепи.
Комплексные
числа записываются в одной из следующих форм:
алгебраическая
-
;
показательная
-
;
тригонометрическая
-
;
полярная
-
.
Геометрически
любому комплексному числу
можно сопоставить в соответствие точку комплексной
плоскости
с координатами x=a, y=jb
или радиус-вектор длиной A единиц, проведенный из начала координат в точку A и
расположенный под углом к оси абсцисс. Из рисунка очевидны формулы
перехода из одной формы записи комплексного числа к другой:
Алгебраическая
форма применяется при сложении и вычитании комплексных чисел, а показательная -
при умножении, делении, возведении в степень и извлечении корня. Умножении
числа на мнимую единицу
сводится к повороту вектора на угол 900 против
часовой стрелки, умножение на
- к
повороту на угол 900 по часовой стрелке, а умножение на -I
соответствует повороту на
.
Полное
комплексное сопротивление цепи
и ее
участков (R, L и С) геометрически связаны треугольником
сопротивлений:
а)
если
, то
б)
если
, то
, где
Расчет
электрической цепи в комплексной форме требует записи одного и того же
комплексного числа в алгебраической и показательной формах.
Рассмотрим
несколько примеров.
Векторные
диаграммы
Представление комплексных величин на комплексной плоскости векторами дает
возможность строить векторные диаграммы токов и напряжений в цепях
синусоидального тока. Топографическая диаграмма позволяет проверить
правильность расчетов и дает наглядное представление о фазовых сдвигах между
напряжениями и токами.
Перед построением диаграммы предварительно выбираются положительное
направление тока в цепи, а так же масштабы напряжений и токов на комплексной
плоскости.
Для токов обычно строится лучевая диаграмма, когда токи откладываются из
одной точки.
Для напряжений обычно строится топографическая диаграмма, на ней
напряжения элементов откладываются в той же последовательности, как эти
элементы расположены на схеме. Обход контура выбирают против положительного
направления тока. На комплексной плоскости стрелка указывает в сторону большего
потенциала. Сложение всех векторов напряжений дает входное напряжение цепи.
Цепи с индуктивно связанными элементами
В любой цепи переменного тока между катушками индуктивности существует
взаимодействие, которое характеризуется величиной взаимной индуктивности M.
Если токи в катушках протекают в одном направлении относительно зажимов,
то магнитный поток самоиндукции катушки совпадает с магнитным потоком
взаимоиндукции. Такое включение катушек называется согласным. В этом случае
напряжение взаимоиндукции прибавляется к напряжениям на соответствующих
индуктивностях.
В противном случае включение катушек встречное. Напряжение взаимоиндукции
вычитается из соответствующих напряжений на индуктивностях.
Начальный зажим на схемах помечается точкой.
Взаимная индуктивность рассчитывается по формуле:
,
где
M - взаимная индуктивность, Гн;
Lс
-индуктивность цепи при согласном включении, Гн;
Lв -
индуктивность цепи при встречном включении, Гн.
Магнитная
связь катушек характеризуется коэффициентом связи, который рассчитывается по
формуле:
,
где
K - коэффициент связи;
L1 -
индуктивность первой катушки, Гн;
L2 -
индуктивность второй катушки, Гн.
Резонанс
в электрических цепях
Признаком резонанса в электрической цепи, содержащей индуктивности и
емкости, является совпадение по фазе напряжения и тока на ее входе.
При последовательном соединении индуктивности и емкости или при
последовательном соединении участков, содержащих индуктивность и емкость,
возможен резонанс напряжений.
При резонансе напряжений индуктивное сопротивление цепи компенсируется
емкостным, в результате входные реактивные сопротивление и мощность равны нулю,
напряжения на реактивных элементах могут значительно превышать входное.
При параллельном соединении индуктивности и емкости или при параллельном
соединении участков, содержащих индуктивность и емкость, возможен резонанс
токов.
При резонансе токов индуктивная проводимость цепи компенсируется
емкостной, в результате реактивная проводимость и реактивная мощность на входе
цепи равна нулю, токи в реактивных элементах могут значительно превышать
входной ток.
Частота, при которой наблюдается резонанс, называется резонансной. При
исследовании резонансных режимов обычно определяется резонансная частота,
значения индуктивности или емкости, при которых на заданной частоте возникает
резонанс, а также рассчитываются частотные характеристики - зависимости токов,
напряжений, сопротивлений, проводимостей от частоты.
2.3 Экспериментальная часть
Исследование
элементов цепи в отдельности.
Собираем схему для определения параметров элементов цепи по методу трех
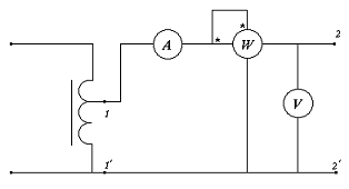
приборов (вольтметра, амперметра, ваттметра), изображенную на рис. 14.
Напряжение в схеме регулируется лабораторным автотрансформатором (ЛАТР).
Рис. 14 Схема для определения параметров цепи по методу трёх приборов
Поочередно подключаем к выходным зажимам 2 - 2/ схемы реостат, катушки
индуктивности и конденсатор (элементы 1, 2, 3, 4 рис. 15).
Рис. 15 Эквивалентные схемы элементов стенда
Произведенные измерения токов, напряжений, и мощностей заносим в таблицу.
Исследование
цепи с элементами, соединенными последовательно.
Присоединяем к зажимам 2 - 2/ схемы (см. рис. 14) последовательно
включенные конденсатор, реостат, катушки индуктивности (элементы 4, 1, 2, 3, рис.
15).
Произведенные измерения тока, напряжения, и мощности заносим в таблицу.
Рис. 16 Схема с последовательно включенными элементами.
Параметры элементов
Таблица 7
|
Элемент схемы
|
Опыт
|
Расчет
|
Измерения осциллографом
|
|
U
|
I
|
P
|
Z
|
X
|
R
|
Z
|
L
|
C
|
φ
|
φ
|
|
В
|
А
|
Вт
|
Ом
|
Гн
|
мкФ
|
град
|
град
|
|
Реостат R=35.8Ом
|
34
|
0,926
|
31
|
36,7
|
|
36,15
|
36,15+6,41i
|
|
|
10,06
|
|
|
Катушка 1 (№18)
|
41
|
1,48
|
36
|
27,7
|
22,3
|
16,44
|
16,44+22,3i
|
0,071
|
|
53,61
|
51
|
|
Катушка 2 (№22)
|
65
|
0,6
|
8
|
108,3
|
106
|
22,22
|
22,22+106i
|
0,338
|
|
78,16
|
|
|
Конденсатор, С=20мкФ
|
80
|
0,53
|
1,5
|
150,9
|
150,85
|
5,34
|
8,34-150,85i
|
|
21,1
|
-87,97
|
-85
|
С
помощью осциллографа определяем действующее значение тока I и
заносим полученное значение в таблицу 8. Вычисляем амплитуду тока по известным
значениям амплитуды напряжения и сопротивления R1:
, а затем и действующее его значение:
. Определяем с помощью осциллографа максимальное
значение напряжения на первой катушке
(канал II) и
заносим полученное значение в таблицу:
.
Определяем
период T, частоту f тока в цепи, фазовый сдвиг φ между напряжением и током катушки 1. Результат
измерения угла φ
заносим в таблицу.
Значения
электрических величин при последовательном соединении элементов
Таблица
8
|
U
|
I
|
P
|
Zэ
|
S
|
q
|
UK1
|
Способ определения
|
|
В
|
А
|
Вт
|
Ом
|
В·А
|
вар
|
В
|
|
|
25
|
0,28
|
6,5
|
|
|
|
|
Опыт
|
|
0,3 e35.7°
|
7,5
|
80,1-16,1i
|
7,65
|
-1,5
|
11,85
|
Расчет
|
|
0,28
|
|
|
|
|
12,0
|
Измерения осциллографом
|
Исследование
цепи со смешанно соединенными элементами.
Собираем схему смешанного соединения элементов (рис. 17)
Рис. 17 Схема смешанного соединения элементов
и подключаем ее к зажимам 2 - 2/ схемы, приведённой на рис. 14. Измеряем
ток, напряжение и активную мощность, результаты заносим в таблицу.
Значения электрических величин при смешанном соединении элементов
Таблица 9
|
U
|
U1
|
I
|
I1
|
I2
|
Zэ
|
P
|
S
|
Q
|
Способ определения
|
|
В
|
А
|
Ом
|
Вт
|
В·А
|
вар
|
|
|
82
|
73
|
0,26
|
0,49
|
0,7
|
|
13
|
|
|
Опыт
|
|
75,2
|
0,246
|
0,498
|
0,693
|
226+244,2i
|
13,72
|
20,2
|
14,83
|
Расчет
|
Исследование
цепей с взаимной индукцией.
Подключаем к зажимам 2 - 2/ схемы, приведённой на рис. 14 последовательно
включенные катушки индуктивности (рис. 18). При одном и том же напряжении
проводим измерения тока и активной мощности для трех случаев:
a) согласное включение;
b) встречное включение;) отсутствие магнитной связи (М = 0) -
катушки разнесены или их оси перпендикулярны.
Рис. 18 Схема включения катушек с взаимной индуктивностью.
При встречном включении ток по величине больше, чем при согласном.
Измеренные значения токов, напряжений и мощностей заносим в таблицу.
Параметры элементов
Таблица 10
|
Вид включения Катушек
|
U
|
I
|
P
|
Zэ
|
Rэ
|
Xэ
|
Lэ
|
φэ
|
Способ определения
|
|
В
|
А
|
Вт
|
Ом
|
Гн
|
град
|
|
|
Согласное
|
84
|
0,49
|
9
|
|
|
|
|
|
Опыт
|
|
|
|
|
171,4
|
38,7
|
167
|
0,5
|
77
|
По опытным данным
|
|
|
0,488
|
9,2
|
172
|
38,7
|
167,6
|
0,53
|
77
|
Расчет
|
|
Встречное
|
84
|
0,87
|
30
|
|
|
|
|
|
Опыт
|
|
|
|
|
96,5
|
38,8
|
88,3
|
0,29
|
70
|
По опытным данным
|
|
|
0,865
|
29
|
97
|
38,7
|
89
|
0,28
|
66,5
|
Расчет
|
|
M = 0
|
84
|
0,62
|
15
|
|
|
|
|
|
Опыт
|
|
|
|
|
135,5
|
38,7
|
129,8
|
0,41
|
71
|
По опытным данным
|
|
|
0,627
|
15,1
|
134
|
38,7
|
128,3
|
0,41
|
73,2
|
Расчет
|
|
М =0,0625
Гн; K = 0,4041
|
Исследование
явления резонанса в электрических цепях.
a) Исследование явления резонанса
напряжений в электрических цепях.
Подключаем к зажимам 2 - 2/ схемы, приведённой на рис. 14 последовательно
включенные конденсатор и реостат с катушкой индуктивности (рис. 19).
Из
условия для входного реактивного сопротивления
находим
величину резонансной емкости Срез.
Рис.
19 Схема для исследования явления резонанса напряжений в электрических цепях
При
одном и том же входном напряжении измеряем ток и мощность для трех значений
емкости: С < С рез, С = С рез, С > С рез, фазовый сдвиг между апряжением
и током (по осциллографу), напряжения на участках ab, bc и ac.
Результаты заносим в таблицу.
Значения
электрических величин при резонансе напряжений
Таблица
11
|
C
|
U
|
I
|
P
|
Uab
|
Ubc
|
Uac
|
I град
|
Примечание
|
В
|
А
|
Вт
|
В
|
расчет
|
измерение осциллографом
|
|
|
18,3
|
22,6
|
0,27
|
4
|
46,3
|
33,8
|
22.6
|
46.45
|
47
|
C < Cрез
|
|
28,3
|
22,6
|
0,39
|
9
|
43,5
|
49
|
22.6
|
0
|
-2
|
C = Cрез
|
|
38,3
|
22,6
|
0,35
|
7
|
28,7
|
43,8
|
22.6
|
-26.69
|
-27
|
C > Cрез
|
b) Исследование явления резонанса
токов в электрических цепях.
Подключаем к зажимам 2 - 2/ схемы, приведённой на рис. 14 реостат и
параллельно включенные конденсатор с катушкой индуктивности (рис. 20).
Рис. 20 Схема для исследования явления резонанса токов в электрических
цепях
Из
условия для входной реактивной проводимости
находим
величину резонансной емкости Срез.
При
одном и том же входном напряжении измеряем ток и мощность для трех значений
емкости: С < С рез, С = С рез, С > С рез, фазовый сдвиг между напряжением
и током (по осциллографу). Результаты заносим в таблицу.
Значения
электрических величин при резонансе токов
Таблица
12
|
C
|
U
|
I
|
P
|
I1
|
I2
|
I град
|
Примечание
|
|
мкФ
|
В
|
А
|
Вт
|
А
|
А
|
Расчет
|
|
|
46,2
|
82
|
2,12
|
144
|
2,96
|
1,19
|
-34,15
|
C < Cрез
|
|
92,5
|
82
|
1,76
|
144
|
2,96
|
2,38
|
0
|
C = Cрез
|
|
185
|
82
|
2,96
|
144
|
2,96
|
4,77
|
53,61
|
C > Cрез
|
.4 Расчетная часть
Рассчитаем параметры элементов стенда по отдельности по измеренным
значениям тока, напряжения и активной мощности в них:
Абсолютное
значение угла сдвига фаз определяется по формуле:
,
при
этом для индуктивных элементов
, а для
емкостных
.
По
известным значениям реактивного сопротивления XL и XС
можно определить параметры реактивных элементов:
,
.
Подставляя
в расчетные формулы значения токов и напряжений, полученные из опыта, получим:
1. Для реостата R
(ввиду конструктивных особенностей - длинный провод, намотаный на каркас,
считаем, что его реактивное сопротивление носит индуктивный характер):
2. Для катушки 1 (№18) и катушки 2(№22):
3. Для конденсатора:
Определим
комплексное входное сопротивление цепи на рис. 16:
Найдем
ток в цепи, полную, активную, реактивную мощность и напряжения на зажимах
первой катушки:
Определим
комплексное входное сопротивление цепи на рисунке 17, принимая, что амперметры
имеют чисто активное сопротивление 1 Ом:
Теперь
рассчитаем токи в ветвях схемы и напряжение на параллельно включенных элементах
3 и 4. После расчета проверяем баланс мощностей:
По
результатам расчета убеждаемся, что баланс мощностей выполняется.
Рассчитаем
эквивалентные параметры цепи и угол сдвига фаз между током и напряжениям для
трех видов включения катушек.
А)
для согласного включения:
Б)
для встречного включения:
В)
при отсутствии магнитной связи:
Рассчитаем
взаимную индуктивность и коэффициент магнитной связи между катушками:
По
известным данным элементов теоретически рассчитаем сопротивления катушек,
охваченных магнитной связью и токи в них (включение катушек согласное):
Проведем
аналогичные расчеты для встречного включения катушек:
Рассчитаем
ток и индуктивность для случая с отсутствием магнитной связи:
Построим
векторные диаграммы напряжений при последовательном и смешанном соединении
элементов.
А)
При последовательном соединении: рассчитаем токи и напряжения на всех
элементах:
Для
наглядности на графике вектор тока увеличен в 100 раз.
Рис.
21 Векторная диаграмма напряжений для схемы на рис. 16
Б)
Рассчитаем токи и напряжения на элементах цепи при смешанном соединении
элементов. Сопротивления амперметров полагаем активным, величиной 1 Ом.
По
результатам расчетов строим векторную диаграмму напряжений для схемы на рис. 17
(векторы тока на этой диаграмме изображены увеличенными в сто раз):
Рис.
22 Векторная диаграмма напряжений для смешанного включения элементов
Аналогичным
образом строится и векторная диаграмма напряжений для трех видов включения
катушек (рис. 18) (согласное, встречное, отсутствие магнитной связи между
катушками; диаграммы построены по результатам теоретического расчета параметров
элементов).
А)
Согласное включение (ток в катушках для каждого вида включения рассчитан
ранее):
Рис.
23 Векторная диаграмма напряжений для согласного включения катушек
Б)
Встречное включение
Рис.
24 Векторная диаграмма напряжений для встречного включения катушек
В)
Отсутствие магнитной связи:
Рис.
25 Векторная диаграмма напряжений для индуктивно не связанных катушек
Построим
векторную диаграмму напряжений для схемы на рис. 19 (на этих диаграммах вектор
тока увеличен в 30 раз)
А)
Для случая, если емкость конденсатора меньше резонансной (С=18,3 мкФ):
Рис.
26 Векторная диаграмма напряжений для случая, если емкость конденсатора меньше
резонансной
Б)
Для случая резонанса (C=Cрез=28,3 мкФ):
Рис.
27 Векторная диаграмма напряжений для случая резонанса
В)
Для случая, если емкость конденсатора больше резонансной (С=38,3 мкФ):
Рис.
28 Векторная диаграмма напряжений для случая, если емкость конденсатора больше
резонансной
Построим
векторные диаграммы для схемы на рис. 20.
А)
Емкость конденсатора в схеме меньше расчетного значения и равна его половине
(для первой катушки расчетное значение емкости для достижения параллельного
резонанса
Ф). В данном расчете считаем амперметры идеальными -
их полное сопротивление равно 0. Действующее входное напряжение - 84 вольта,
начальная фаза напряжения 0 градусов.
Рассчитаем
токи в ветвях данной схемы:
Рис.
29 Векторная диаграмма напряжений для случая, если емкость конденсатора меньше
резонансной
Б)
Емкость конденсатора в схеме равна расчетному значению, при котором возникает
резонанс токов.
Токи
в ветвях схемы при этом можно найти по формулам:
Рис.
30 Векторная диаграмма напряжений для случая резонанса
В)
Емкость конденсатора в схеме в 2 раза больше расчетного значения. Токи в схеме
при этом выразятся так:
Рис.
31 Векторная диаграмма напряжений для случая, если емкость конденсатора больше
резонансной
3. Исследование цепей несинусоидального тока
.1 Цель работы
. Выполнение разложения несинусоидального входного напряжения в ряд
Фурье.
. Расчет линейной электрической цепи с помощью метода наложения гармоник.
. Проверка баланса мощностей.
. Построение графиков входного напряжения и тока по результатам расчета и
сравнение их с экспериментальными.
.2 Теоретические сведения
Существует класс линейных электрических цепей, которые содержат источники
периодических несинусоидальных ЭДС, напряжений или токов. Под воздействием
таких источников в цепи возникают токи, которые также являются периодическими
несинусоидальными функциями времени. Периодические несинусоидальные функции,
как известно, описываются рядами Фурье, одна из форм которых имеет вид:
где
- угловая частота функции;
T - период функции;
- нулевая гармоника, или постоянная составляющая;
- соответственно коэффициенты синусных и косинусных составляющих ряда.
При
интегрировании по переменной
формулы
принимают вид:
Связь
между этими выражениями осуществляется в соответствии с равенством
.
Используя
соотношение
,
где
;
,
разложение исходной функции можно переписать в форме:
где
- первая (основная) гармоника;
- высшая гармоника.
Соответственно
- амплитуды гармоник;
- начальные фазы гармоник;
- номер (порядок) гармоники.
Поскольку
рассматриваются линейные цепи, то согласно принципу наложения действие каждой
гармоники напряжения (ЭДС) источника можно считать независимым. Поэтому расчет
для каждой гармоники проводится отдельно и представляет собой расчет цепи
синусоидального тока на частоте соответствующей гармоники
. Для нулевых гармоник применяются методы расчета
цепей постоянного тока.
Например,
ЭДС источника описывается рядом:
.
Последовательным расчетом определяются токи соответствующих гармоник, и в
конечном итоге для тока формируется ряд в форме:
,
по структуре аналогичный ряду для разложения напряжения.
Здесь
- нулевая гармоника тока;
- первая (основная)
гармоника;
- высшие гармоники тока.
В
случае, когда периодическая несинусоидальная функция задана графически,
например в виде осциллограммы, используется приближенный способ определения
коэффициентов ряда Фурье. При этом период несинусоидальной функции
, равный
,
разбивают на m частей
и
интегралы Фурье заменяют суммами:
Число
интервалов m зависит от порядка конечной учитываемой гармоники.
Например, если разложение заканчивается пятой гармоникой и минимальное число
точек на периоде этой гармоники принять m5 = 6, то число
m в формулах перехода к суммам должно быть не меньше
значения
.
Свойства периодических несинусоидальных функций, обладающих симметрией
Прежде чем приступить к расчету коэффициентов ряда, необходимо выяснить,
не обладает ли функция симметрией относительно осей координат. Наличие того или
иного вида симметрии позволяет предсказать, какие гармоники будет содержать
ряд.
Если
для функции выполняется условие
,
то функция симметрична относительно оси абсцисс (рис. 32).
Рис. 32 Функция, симметричная относительно оси абсцисс
Ряд
Фурье таких функций не содержит постоянную составляющую и четные гармоники
:
Функция, для которой выполняется условие
,
симметрична относительно оси ординат (рис. 33) - четная функция.
Рис. 33. Функция, симметричная относительно оси ординат
В этом случае отсутствуют синусные составляющие (А1 = А2 = А3 = … = 0):
В случае выполнения условия
функция симметрична относительно начала координат (рис. 34) - нечетная функция.
Рис. 34 Функция, симметричная относительно начала координат
В
разложении функции отсутствуют постоянная составляющая и косинусные гармоники
:
Действующие значения несинусоидальных ЭДС, напряжений и токов
Действующее (среднеквадратичное) значение периодической функции f(t)
Например,
для тока
в соответствии с выражением для мощности
Однако
а
следовательно,
,
или
.
Учитывая,
что
можно записать:
.
Аналогично
действующее значение ЭДС
действующее значение напряжения
Как
видно из этих формул, действующее значение несинусоидального тока (ЭДС,
напряжения) равно корню квадратному из суммы квадратов действующих значений
гармоник этого тока (ЭДС, напряжения). Действующие значения измеряются
приборами электромагнитной, электродинамической, ферродинамической,
электростатической и тепловой систем.
Мощности
Под активной мощностью Р понимают среднее значение мгновенной мощности р
= ui за период функции или ее первой
гармоники:
Так
как для каждой гармоники
и
то
Вт
где
,
- действующие значения соответственно напряжения и тока k-й
гармоники;
- угол сдвига фаз между напряжением и током
-й гармоники.
Реактивная
мощность Q равна сумме реактивных мощностей гармоник, вар:
.
Полная
мощность S определяется как произведение действующих значений
напряжения и тока, В×А:
.
Коэффициент мощности
.
Для оценки энергетических свойств цепи применяется также отношение
реактивной мощности к активной Q / P.
Расчет токов и напряжений в цепях с несинусоидальными
напряжениями и токами
Напряжение
или ток источника представляется рядом Фурье. В соответствии с принципом
наложения расчет проводят для каждой из гармоник в отдельности. При этом
следует учитывать, что активное сопротивление
не
зависит от частоты, индуктивное и емкостное сопротивления для k-й
гармоники равны соответственно:
.
В
электрической цепи, содержащей индуктивности и емкости, при выполнении условия
или
возникает
резонанс на k-й гармонике. В случае резонанса напряжений схема
выделяет эту гармонику в спектре тока или подавляет ее в случае резонанса
токов.
.3 Экспериментальная часть
Для
схемы (рис.35) при заданных значениях амплитуды Um, периода T и
продолжительности импульса Д1 питающего напряжения зарисовал с экрана
осциллографа кривые входного напряжения и тока (рис.2), указав масштабы по
вертикали
,
и
горизонтали -
.
Рис.35
Исследуемая схема
Рис. 36 Экспериментальная кривая напряжения и тока
Порядок
проведения эксперимента
а)
установил на выходе генератора напряжение
= 7 В.
б)
с помощью переключателей “Период Т” и “Временной сдвиг Д1” генератора установил
заданный период Т=1000 (реально период следования импульсов составила 960 мкс)
и длительность Д1=600 мкс импульса. При этом переключатель “ Х ” генератора
установил в положении “ 1 ”;
в)
подключил к заданной схеме (рис. 1) выход генератора и входы осциллографа и
зарисовал кривые тока i и напряжения u
,
.4
Расчетная часть
Разложение
входного напряжения в ряд Фурье:
В
комплексной форме амплитуды гармоник найдем по формуле:
где
Umax - амплитуда прямоугольных импульсов от генератора, k -
номер гармоники, a - скважность прямоугольных
импульсов (отношение длительности импульса к его периоду).
Скважность
импульсов
.
Рассчитаем
амплитуды и фазы первых сорока гармоник (нулевая соответствует постоянному
току):
Амплитуды
гармонических составляющих входного несинусоидального напряжения
Таблица
13
|
Номер гармоники
|
Угловая частота гармоники,
рад/сек
|
Амплитуда гармоники, В
|
Номер гармоники
|
Угловая частота гармоники,
рад/сек
|
Амплитуда гармоники, В
|
|
0
|
0
|
4,375
|
21
|
137400
|
0,081
|
|
1
|
6545
|
4,117
|
22
|
144000
|
0,143
|
|
2
|
13090
|
1,576
|
23
|
150500
|
0,179
|
|
3
|
19630
|
0,568
|
24
|
157100
|
0
|
|
4
|
26180
|
1,114
|
25
|
163600
|
0,165
|
|
5
|
32720
|
0,341
|
26
|
170200
|
0,121
|
|
6
|
39270
|
0,525
|
27
|
176700
|
0,063
|
|
7
|
45810
|
0,588
|
28
|
183300
|
0,159
|
|
8
|
0
|
29
|
189800
|
0,059
|
|
9
|
58900
|
0,457
|
30
|
196300
|
0,105
|
|
10
|
65450
|
0,315
|
31
|
202900
|
0,133
|
|
11
|
71990
|
0,155
|
32
|
209400
|
0
|
|
12
|
78540
|
0,371
|
33
|
216000
|
0,125
|
|
13
|
85080
|
0,131
|
34
|
222500
|
0,093
|
|
14
|
91630
|
0,225
|
35
|
229100
|
0,049
|
|
15
|
98170
|
0,274
|
36
|
235600
|
0,124
|
|
16
|
104700
|
0
|
37
|
242200
|
0,046
|
|
17
|
111300
|
0,242
|
38
|
248700
|
0,083
|
|
18
|
117800
|
0,175
|
39
|
255300
|
0,106
|
|
19
|
124400
|
0,09
|
40
|
261800
|
0
|
|
20
|
130900
|
0,223
|
|
|
|
Начальные фазы гармоник
Таблица 14
|
Номер гармоники
|
Начальная фаза, град.
|
Номер гармоники
|
Начальная фаза, град.
|
Номер гармоники
|
Начальная фаза, град.
|
Номер гармоники
|
Начальная фаза, град
|
|
1
|
90
|
11
|
90
|
21
|
-90
|
31
|
-90
|
|
2
|
-90
|
12
|
-90
|
22
|
-90
|
32
|
-90
|
|
3
|
-90
|
13
|
90
|
23
|
90
|
33
|
90
|
|
4
|
90
|
14
|
90
|
24
|
90
|
34
|
-90
|
|
5
|
-90
|
15
|
-90
|
25
|
-90
|
35
|
-90
|
|
6
|
-90
|
16
|
-90
|
26
|
90
|
36
|
90
|
|
7
|
90
|
17
|
90
|
27
|
90
|
37
|
-90
|
|
8
|
90
|
18
|
-90
|
28
|
-90
|
38
|
-90
|
|
9
|
-90
|
19
|
-90
|
29
|
90
|
39
|
90
|
|
10
|
90
|
20
|
90
|
30
|
90
|
40
|
-90
|
Запишем аналитическое выражение входного напряжение через ряд Фурье для
первых пяти гармоник:
Рис.
37 Кривые входного напряжения
Расчет
мгновенных значений гармоник входного тока
Входное
сопротивление цепи на постоянном токе:

Входное
сопротивление цепи на переменном токе - для тока гармоник:
Зависимость
входного сопротивления исследуемой цепи от номера гармоники
Таблица
15
|
Номер гармоники
|
Комплексное входное
сопротивление цепи, Ом
|
|
1
|
1748-405,363i
|
|
2
|
1584-101,237i
|
|
3
|
1555+83,661i
|
|
4
|
1554+225,407i
|
|
5
|
1563+347,776i
|
|
6
|
1578+459,545i
|
|
7
|
1598+564,57i
|
|
8
|
1622+664,752i
|
|
9
|
1650+761,095i
|
|
10
|
1680+854,157i
|
|
11
|
1714+944,25i
|
|
12
|
1751+1032i
|
|
13
|
1790+1116i
|
|
14
|
1832+1198i
|
|
15
|
1876+1277i
|
|
16
|
1922+1354i
|
|
17
|
1970+1428i
|
|
18
|
2021+1499i
|
|
19
|
2073+1568i
|
|
20
|
2126+1634i
|
|
21
|
2181+1697i
|
|
22
|
2237+1758i
|
|
23
|
2294+1816i
|
|
24
|
2353+1871i
|
|
25
|
2412+1923i
|
|
26
|
2472+1973i
|
|
27
|
2532+2021i
|
|
28
|
2593+2066i
|
|
29
|
2654+2108i
|
|
30
|
2715+2148i
|
|
31
|
2777+2186i
|
|
32
|
2838+2221i
|
|
33
|
2900+2254i
|
|
34
|
2961+2285i
|
|
35
|
3022+2313i
|
|
36
|
3082+2340i
|
|
37
|
3143+2364i
|
|
38
|
3202+2387i
|
|
39
|
3262+2408i
|
|
40
|
3320+2427i
|
Рассчитаем входной ток цепи на гармониках входного напряжения:
,
здесь
k - номер гармоники, Um k -
амплитуда напряжения k-ой гармоники, Zvh(k) - входное сопротивления цепи на частоте k-ой гармоники.
Токи
гармоник
Таблица
16
|
Номер гармоники
|
Амплитуда тока, А
|
Фаза, град.
|
|
0
|
0,001556
|
|
|
1
|
0,002295
|
103,058
|
|
2
|
0,000993
|
-86,343
|
|
3
|
0,000365
|
-93,08
|
|
4
|
0,00071
|
81,744
|
|
5
|
0,000213
|
-102,547
|
|
6
|
0,00032
|
-106,236
|
|
7
|
0,000347
|
70,543
|
|
8
|
0
|
67,716
|
|
9
|
0,000252
|
-114,768
|
|
10
|
0,000167
|
63,054
|
|
11
|
7,92E-05
|
61,15
|
|
12
|
0,000183
|
-120,508
|
|
13
|
6,22E-05
|
58,053
|
|
14
|
0,000103
|
56,812
|
|
15
|
0,000121
|
-124,254
|
|
16
|
0
|
-125,162
|
|
17
|
9,95E-05
|
54,069
|
|
18
|
6,96E-05
|
-126,575
|
|
19
|
3,45E-05
|
-127,108
|
|
20
|
8,31E-05
|
52,458
|
|
21
|
2,94E-05
|
-127,888
|
|
22
|
5,03E-05
|
-128,156
|
|
23
|
6,12E-05
|
51,645
|
|
24
|
0
|
51,508
|
|
25
|
5,34E-05
|
-128,573
|
|
26
|
3,83E-05
|
51,394
|
|
27
|
1,95E-05
|
51,404
|
|
28
|
4,8E-05
|
-128,546
|
1,74E-05
|
51,537
|
|
30
|
3,03E-05
|
51,651
|
|
31
|
3,76E-05
|
-128,209
|
|
32
|
0
|
-128,045
|
|
33
|
3,4E-05
|
52,141
|
|
34
|
2,48E-05
|
-127,656
|
|
35
|
1,28E-05
|
-127,436
|
|
36
|
3,2E-05
|
52,797
|
|
37
|
1,17E-05
|
-126,956
|
|
38
|
2,08E-05
|
-126,7
|
|
39
|
2,6E-05
|
53,566
|
|
40
|
0
|
-126,16
|
Запишем аналитическое выражение для входного тока пяти первых гармоник
(ток измеряется в микроамперах):
Действующие
значения входного напряжения и тока
,
,
Рис. 38 Кривая входного тока
Значения активной, реактивной и полной мощности цепи, коэффициентов
мощности и несинусоидальности напряжения и тока рассчитывается по формулам:
Мощность
в исследуемой цепи
Таблица
17
|
Номер гармоники
|
Полная мощность цепи, В*А
|
Активная мощность, Вт
|
Реактивная мощность, вар
|
|
0
|
6,85E-03
|
0,006849
|
0
|
|
1
|
4,72E-03
|
0,004602
|
-0,001067
|
|
2
|
7,82E-04
|
0,000781
|
-0,00004989
|
|
3
|
1,04E-04
|
0,000104
|
5,574E-06
|
|
4
|
3,95E-04
|
0,000391
|
0,00005677
|
|
5
|
3,63E-05
|
3,55E-05
|
7,893E-06
|
|
6
|
8,39E-05
|
8,06E-05
|
0,00002346
|
|
7
|
1,02E-04
|
9,62E-05
|
0,00003399
|
|
8
|
0
|
0
|
0
|
|
9
|
5,76E-05
|
5,23E-05
|
0,00002413
|
|
10
|
2,63E-05
|
2,35E-05
|
0,00001194
|
|
11
|
6,14E-06
|
5,38E-06
|
2,963E-06
|
|
12
|
3,39E-05
|
2,92E-05
|
0,00001723
|
|
13
|
4,08E-06
|
3,46E-06
|
2,158E-06
|
|
14
|
1,16E-05
|
9,69E-06
|
6,335E-06
|
|
15
|
1,66E-05
|
1,37E-05
|
9,342E-06
|
|
16
|
0
|
0
|
0
|
|
17
|
1,21E-05
|
9,76E-06
|
7,072E-06
|
|
18
|
6,09E-06
|
4,89E-06
|
3,629E-06
|
|
19
|
1,55E-06
|
1,24E-06
|
9,351E-07
|
|
20
|
9,26E-06
|
7,34E-06
|
5,641E-06
|
|
21
|
1,19E-06
|
9,42E-07
|
7,328E-07
|
|
22
|
3,61E-06
|
2,84E-06
|
2,227E-06
|
|
23
|
5,48E-06
|
4,29E-06
|
3,398E-06
|
|
24
|
0
|
0
|
0
|
|
25
|
4,40E-06
|
3,44E-06
|
2,741E-06
|
|
26
|
2,32E-06
|
1,82E-06
|
1,449E-06
|
|
27
|
6,16E-07
|
4,81E-07
|
3,841E-07
|
|
28
|
3,82E-06
|
2,99E-06
|
2,381E-06
|
|
29
|
5,10E-07
|
4E-07
|
3,173E-07
|
|
30
|
1,59E-06
|
1,25E-06
|
9,886E-07
|
|
31
|
2,50E-06
|
1,96E-06
|
1,544E-06
|
|
32
|
0
|
0
|
0
|
|
33
|
2,12E-06
|
1,67E-06
|
1,301E-06
|
|
34
|
1,15E-06
|
9,09E-07
|
7,016E-07
|
|
35
|
3,12E-07
|
2,48E-07
|
1,896E-07
|
|
36
|
1,98E-06
|
1,58E-06
|
1,197E-06
|
|
37
|
2,70E-07
|
2,16E-07
|
1,624E-07
|
|
38
|
8,61E-07
|
6,9E-07
|
5,144E-07
|
|
39
|
1,37E-06
|
1,11E-06
|
8,163E-07
|
|
40
|
0
|
0
|
0
|
Коэффициент мощности:
Коэффициент
несинусоидальности тока и напряжения:
- номера
гармоник, участвующие в расчете коэффициента несинусоидальности;

Построим
зависимости амплитуд и начальных фаз от частоты для входного напряжения и тока.
А)
Зависимость начальной фазы входного напряжения от частоты (номера гармоники):
Рис.
39 Начальные фазы входного напряжения
Б)
Зависимость начальной фазы входного тока от частоты (номера гармоники):
Рис.
40 Начальные фазы входного тока
В)
Зависимость амплитуды напряжения гармоник от частоты (номера гармоики):
Рис.
41 Амплитуды гармонических составляющих входного напряжения.
Г)
Зависимость амплитуды тока гармоник от частоты (номера гармоники):
Рис.
42 Амплитуды гармонических составляющих входного тока.
.5
Задача 1
На
расчет ЛЭЦ при несинусоидальных входных воздействиях
К
цепи приложено напряжение u:
.
Определить U, I, S, P, Kнс u,
Kнс i
Решение:
Действующее
значение приложенного напряжения:
)
Рассмотрим нулевую гармонику
,
)
Рассмотрим первую гармонику
)
Рассмотрим третью гармонику
)
Рассмотрим девятую гармонику
Общий
ток в цепи:
Действующее
значение тока:
Активная
мощность:
Полная
мощность:
Коэффициенты
несинусоидальности входного напряжения и тока:
Задача
2
К
цепи приложен ток i:
i = 1 + 1sin(wt) + 1sin(3wt) + 1sin(9wt)
=
2300 Ом;
wL = 115 Ом;
/wC =
1035 Ом.
Определить:
U, I, P, U 1m, U 9m, U3m
Действующее
значение приложенного тока:
Рассчитаем
входную проводимость цепи для каждой гармоники:
Амплитудные
значения напряжений:
Действующее
значение напряжения:
Активная
мощность:
4.
Исследование трехфазных цепей
.1
Цель работы
.
Изучение различных режимов работы трехфазной цепи.
.
Определение фазных, линейных напряжений и токов
.
Построение векторных топографических диаграмм для различных режимов работы
трехфазной схемы.
.
Измерение мощностей в цепях трехфазного тока.
.2
Сведения из теории
Трёхфазной
системой называется электрическая цепь, в которой действуют три ЭДС одной и той
же частоты, сдвинутые друг относительно друга по фазе и создаваемые общим
источником электромагнитной энергии.
Трёхфазная
электрическая цепь представляет совокупность трёхфазных источника и приёмника
электрической энергии ЭДС, напряжения и токи в такой цепи образуют
соответственно трехфазные системы ЭДС, напряжений и токов.
a2 =
=
Так
как сумма токов равна нулю, то режим цепи не изменится, если нейтральные точки N и n
соединить проводом с нулевым сопротивлением (нулевым или нейтральным проводом).
Это соответствует условию равенства потенциалов
и
, т.е. потенциалов нейтральных точек генераторов и
нагрузок. Напряжение смещения нейтрали
в
симметричной системе равно нулю.
Поскольку
в симметричной трехфазной цепи фазные токи и напряжения одинаковы для всех фаз
и сдвинуты на угол 120°, в расчетах можно взять лишь одну фазу цепи, провести
для нее расчет и результат обобщить на всю трехфазную цепь. Возьмем, например,
фазу А (рис. 4.1).
Рис. 43 Схема
участка трехфазной цепи
Ток в фазе А:
.
Тогда
токи в фазах B и C соответственно:
;
Для
симметричной нагрузки, соединенной треугольником (рис.44),
.
Фазные
токи нагрузки:
;
;
,
где
;
;
.
По
модулю токи одинаковы и имеют сдвиг по фазе относительно друг друга, равный
120о:
Линейные
токи нагрузки определяются по первому закону Кирхгофа:
Рис.44
Таким образом, в частном случае, когда система напряжений и токов
симметрична, имеем:
а) при соединении нагрузки звездой (см. рис.45)
;
б) при соединении нагрузки треугольником (см. рис.44)
Рис
45. Трехфазная цепь с соединением нагрузки звездой
Активная, реактивная и полная мощности симметричной нагрузки независимо
от соединения:
где j - сдвиг по
фазе между фазными напряжением и током.
Несимметричные трехфазные цепи
Задача расчета токов и напряжений в трехфазной электрической цепи
усложняется, если хотя бы в одном месте нарушено условие симметрии:
несимметрична трехфазная система ЭДС или источников тока, различны параметры
соответствующих элементов фаз. В таких случаях всю трехфазную цепь
рассматривают как разветвленную цепь с несколькими однофазными источниками.
Схема замещения при этом составляется для всех фаз.
Рассмотрим
трехфазную цепь (рис. 46), состоящую из источника питания, соединенного в
звезду, трехпроводной линии с сопротивлением нейтрали
, а также несимметричной нагрузки с сопротивлениями
,
,
(



),
соединенными звездой.
Рис.46 Несимметричная трехфазная система
Расчетная
схема содержит два узла - N и n. Принимая потенциал узла
, в соответствии с методом узловых потенциалов
получим:
,
где
=
+
+
+
;
;
;
;
;
+
+
.
С
учетом приведенных обозначений потенциал в точке n
.
Тогда
смещение нейтрали нагрузки n относительно нейтрали N
.
Линейные токи и ток в нейтральном проводе:
;
;
;
.
=
+
+
.
Если
сопротивление
=0, то
=
,
и
;
;
,
а
ток
определится по первому закону Кирхгофа.
При отсутствии нейтрального провода (рис.46)
.
В соответствии с первым законом Кирхгофа
+
+
=0.
Таким образом, в частном случае, когда система напряжений и токов
симметрична, имеем:
а) при соединении нагрузки звездой (см. рис.45):
;
Рис.47
б) при соединении нагрузки треугольником (см. рис.44):
Активная, реактивная и полная мощности симметричной нагрузки независимо
от соединения:
,
где
j - сдвиг по фазе между фазными напряжением и током.
Наличие
нулевого провода приводит к уменьшению смещения нейтрали, а следовательно, - к
уменьшению несимметрии фазных напряжений на нагрузке 
,
,
.
При соединении несимметричной нагрузки треугольником для определения
токов можно воспользоваться одним из известных методов расчета (контурных
токов, узловых потенциалов и др.)
Расчет трехфазной электрической цепи в ряде случаев упрощается, если
предварительно нагрузку, соединенную треугольником, преобразовать в
эквивалентную звезду и для этого соединения рассчитать линейные токи с
применением метода узловых потенциалов, как указано выше. При этом фазные
напряжения на зажимах нагрузки, соединенной треугольником, могут быть
определены по выражениям:
;
;
,
где
Za, Zb, Zc - сопротивления лучей звезды, эквивалентной
треугольнику.
4.3 Экспериментальная часть
Результаты измерения режимов трехфазной цепи
Таблица 18
|
Характер
|
Токи, мА
|
Фазные напряжения, В
|
Ток в нейтральном проводе IN,
мА
|
Напряжение смещения
нейтрали, UnN, В
|
|
IA
|
IB
|
IC
|
UA
|
UB
|
UC
|
|
|
|
Симметричная нагрузка
|
С нейтральным проводом
|
265
|
275
|
265
|
38
|
39
|
37,5
|
0
|
0
|
|
Без нейтрального провода
|
265
|
270
|
265
|
38,5
|
38
|
37,5
|
|
0
|
|
Увеличение активной
нагрузки фазы по сравнению с другими
|
С нейтральным проводом
|
265
|
115
|
105
|
38
|
39,5
|
37,5
|
145
|
0
|
|
Без нейтрального провода
|
196,25
|
132,5
|
127,5
|
19,0
|
49,5
|
49,5
|
|
17,5
|
|
Неравномерная нагрузка всех
фаз
|
С нейтральным проводом
|
265
|
157,5
|
112,5
|
37,5
|
39
|
38
|
133,8
|
0
|
|
Без нейтрального провода
|
215
|
167,5
|
127,5
|
23,5
|
45
|
48
|
|
12
|
|
Отключение фазы А
|
С нейтральным проводом
|
0
|
275
|
265
|
38
|
39
|
37,5
|
275
|
0
|
|
Без нейтрального провода
|
0
|
255
|
255
|
57,5
|
32
|
33
|
|
19
|
|
В фазу А включена емкость
вместо активной нагрузки
|
С нейтральным проводом
|
110
|
420
|
115
|
37,5
|
39,5
|
37,5
|
425
|
0
|
|
Без нейтрального провода
|
125
|
245
|
157,5
|
48
|
29,0
|
75
|
|
37,5
|
|
Короткое замыкание фазы А
|
Без нейтрального провода
|
147,5
|
260
|
150
|
0
|
66
|
66
|
|
39,5
|
Фазные токи нагрузки определяются по предварительно найденным фазным
напряжениям приемника:
;
;
.
Построим векторные диаграммы напряжений по результатам замеров:
1. Симметричная нагрузка с нейтральным проводом (рис. 48):
2. Симметричная нагрузка без нейтрального провода (рис. 49)
3. Увеличение активной нагрузки фазы по сравнению с другими с
нейтральным проводом (рис. 50):
4. Увеличение активной нагрузки фазы по сравнению с другими без
нейтрального провода (рис. 51).
5. Неравномерная нагрузка всех фаз с нейтральным проводом (рис.52):
6. Неравномерная нагрузка всех фаз без нейтрального провода (рис.
53):
7. Отключение фазы А с нейтральным проводом (рис. 54):
8. Отключение фазы А без нейтрального провода (рис. 55):
9. В фазу А включена емкость вместо активной нагрузки с нейтральным
проводом (рис. 56):
10. В фазу А включена емкость вместо активной нагрузки без
нейтрального провода (рис. 57):
11. Короткое замыкание фазы А без нейтрального провода (рис. 58):
5. Четырехполюсники
.1 Теоретические сведения
В различных областях радиотехники часто возникает задача исследования
электрических цепей с двумя парами выводов, при помощи которых они могут
соединиться с другими участками электрической цепи.
Теория четырехполюсников является развитием теории двухполюсников.
Часть электрической цепи, рассматриваемая по отношению к любым двум парам
выводов, называется четырехполюсником.
Условное изображение четырехполюсника показано на рис. 59.
Рис. 59 Общая схема четырехполюсника
Одна пара зажимов 1-1' называется входной, а другая 2-2'- выходной.
Заметим, что ток 1-1’, поступающий в четырехполюсник через вывод 1, будет
всегда равен току, вытекающему через вывод 1', а ток 12, входящий через вывод
2, всегда равен току, вытекающему через вывод 2'.
В общей теории четырехполюсников устанавливаются зависимости, которые
остаются справедливыми независимо от топологии, т. е. схемы соединения
элементов, составляющих сам четырехполюсник. Использование этих зависимостей
значительно упрощает анализ сложных электрических цепей.
До расчета режима выберем положительные направления четырех величин: двух
напряжений и двух токов. Так, как показано на рис. 59.
Задача анализа четырехполюсника состоит в том, что две из четырех
величин, определяющих режим четырехполюсника, известны: они задаются
воздействием. Требуется найти две остальные величины, т. е. отклик.
Следовательно, для решения этой задачи необходимо составить систему из
двух уравнений с двумя неизвестными. Такие уравнения называются основными
уравнениями теории четырехполюсников.
Системы
параметров вводятся уравнениями
связывающими напряжения
и токи
на входе
и выходе четырехполюсника.
Для
указания направлений токов и напряжений между параметрами существуют
соотношения
Параметры
симметричного четырехполюсника связаны также соотношениями:
А
- параметры четырехполюсника связаны также соотношениями с параметрами его
эквивалентной схемы
а)
Т - образной:
б)
П - образной:
По
расчетным или полученным из опытов трем величинам, а именно сопротивлениям
четырехполюсника со стороны его входных зажимов при разомкнутых
или замкнутых
выходных
зажимах, сопротивлению
четырехполюсника со стороны его выходных зажимов при
разомкнутых входных зажимах можно найти А - параметры четырехполюсника с
помощью соотношений
При
каскадном соединении четырехполюсников матрицы
их А -
параметров перемножаются:
(А - матрица А - параметров четырехполюсника,
эквивалентного соединенным четырехполюсникам). При параллельном соединении
четырехполюсников складываются матрицы их Y - параметров:
а при последовательном соединении - матрицы их Z -
параметров:
При последовательном соединении четырехполюсников со
стороны входных зажимов и параллельном соединении со стороны выходных зажимов
складываются матрицы их Н - параметров:
Полюсы
передаточной функции
пассивного четырехполюсника имеют отрицательные
вещественные части, т.е. лежат в левой полуплоскости, тогда как ее нули могут
лежать как в левой, так и в правой полуплоскости. Четырехполюсник называют минимально-фазовым,
если все нули его передаточной функции расположены в левой полуплоскости.
6.
Заключение
ток напряжение
четырехполюсник
В курсовом проекте на простых примерах - цепях постоянного тока -
показано применение методов расчета различных электрических цепей. Причем
весьма важным является то, что методы расчета цепей постоянного тока
универсальны (метод узловых потенциалов, контурных токов и метод наложения) и
могут использоваться для расчета любых линейных электрических цепей.
Также рассмотрено применение других фундаментальных соотношений
(например, баланса мощностей), являющегося частным случаем общефизического
закона сохранения энергии.
Исследование цепей синусоидального тока выполнялась с целью более
глубокого изучения процессов, происходящих в линейных электрических цепях
синусоидального тока, явлений резонанса, сдвига фаз между током и напряжением.
При проведении расчетов широко использовался комплексный метод расчета таких
цепей, который очень мощен и в то же время прост в применении при машинном
способе расчета. При этом всегда следует учитывать то, что выбор конкретного
метода для расчета заданной электрической цепи всегда стоит осуществлять,
ориентируясь не только на ее структуру, но и учитывая глубину понимания данного
метода расчета. Это в конечном итоге может сократить требуемое время для
расчета, что при одинаковых результатах расчета может служить критерием
оптимального способа решения.
Хотелось бы отметить, что часто расхождение между опытом и теорией
оказывается довольно большим. Это связано с наличием нелинейности у
электромагнитных приборов на начальном участке измерения (особенно велика) и по
всей шкале (меньше) и погрешностью измерений, наличие которой подразумевается,
но не учитывается количественно. Для ее уменьшения следует применять
электронные приборы с линейной шкалой либо проводить все измерения
осциллографом.
Проведенное исследование электрической цепи при негармоническом входном
воздействии показывает, что принятый метод расчета для линейных электрических
цепей - с помощью метода наложения - дает мало отличающиеся от истины
результаты только при машинном способе расчета (учтено много гармоник), ввиду
большой вычислительной трудоемкости. Для практических расчетов рассмотрения
первых двадцати гармоник вполне достаточно.
Раздел «Четырехполюсники» представлен лишь обзорно. Более подробно он
изучается в других дисциплинах.
Одной из особенностей курсового проекта по ТОЭ является то, что в нем не
ставилась задача синтеза объекта (в конкретном случае - электрических цепи), а
только его анализа теоретически и на практике.
По ходу выполнения работы получены навыки моделирования линейных
электрических цепей на компьютере (использовалась программа Micro-Cap 7) и расчетов в интегрированной системе MathCAD, которые будут весьма полезны при
изучении специальных дисциплин на старших курсах.
7. Библиография
1. Зажирко В.Н., Петров С.И., Тэттэр А.Ю. / Под ред. В.Н.
Зажирко. Режимы постоянного и синусоидального токов в линейных электрических
цепях. Учебное пособие / Омский государственный университет путей сообщения.
Омск, 1999. 108 с.
. Периодические режимы однофазных и трехфазных электрических
цепей: Учебное пособие / В.Н. Зажирко, Т.В. Ковалева, А.Ю. Тэттэр, В.Т.
Черемисин; Под ред. В.Н. Зажирко / Омский государственный университет путей сообщения.
Омск, 1998. 126 с.
. Четырехполюсники: методические указания и задания для
самостоятельной работы студентам специальностей 2101, 2102, 10.04, 17.09.06 /
В.Н. Зажирко, А.Ю. Тэттэр - Омский институт инженеров ж.-д. транспорта, 1990 -
40 с.
. Основы теории цепей./ Учебное пособие. - М.: ИП РадиоСофт,
2002. - 288 с.: ил.