Анализ установившихся и переходных режимов в линейных электрических цепях
Расчетно-пояснительная записка
к курсовой работе на тему:
«Анализ установившихся и переходных
режимов в линейных электрических цепях»
Техническое задание
напряжение ток
электрический
1. Расчет источника гармонических колебаний (ИГК)
.1. Представить исходную схему ИГК относительно первичной обмотки
трансформатора эквивалентным источником (напряжения или тока). Определить его
параметры и значение тока в первичной обмотке трансформатора.
.2. Записать мгновенные значения тока и напряжения первичной обмотки
трансформатора ТР и построить их волновые диаграммы.
.3. Определить значения Mnq, Mnp, Lq, Lp ТР
из условия, что индуктивность первичной обмотки L4 известна, U1=5В, U2=10В, а
коэффициент магнитной связи обмоток k следует выбрать самостоятельно из
указанного диапазона: 0,5<k<0,95 (n, q, p - номера индуктивностей T1).
. Расчет установившихся значений напряжений и токов в четырехполюснике
при синусоидальном входном воздействии
.1. Рассчитать значение параметра реактивного элемента (индуктивности или
емкости по вариантам) из условия, что постоянная времени цепи равна периоду
входного воздействия.
2.2.
Рассчитать токи и напряжения в схеме четырехполюсника методом входного
сопротивления (или входной проводимости) при 
.3.
Записать мгновенные значения u1=u3=uвх, iвх и uвых, определить сдвиг по фазе
между выходным и входным напряжениями, а также отношение их действующих
значений.
.4.
Определить передаточную функцию W(jw)=Uвых/Uвх.
.5.
Определить и построить амплитудно- и фазочастотные характеристики. Используя
частотные характеристики, определить uвых при заданном uвх.
.6.
Построить годограф - линию семейства точек комплексной передаточной функции при
разных частотах в диапазоне частот от 0 до ¥ на комплексной
плоскости.
.
Расчет резонансных режимов в электрической цепи
.1.
Включить в схему четырехполюсника реактивное сопротивление (индуктивность или
емкость таким образом, чтобы 
совпадали
по фазе. Определить значение параметра реактивного элемента, а также входное
сопротивление, входной ток, добротность и ширину полосы пропускания
резонансного контура.
.2.
Определить и построить амплитудно- и фазочастотную характеристики I(ω), z(ω), W(ω).
Частотные характеристики тока и
сопротивления построить по оси ординат в относительных единицах.
.
Расчет переходных процессов классическим методом
4.1. Определить и построить переходную и импульсную характеристики цепи
для входного тока и выходного напряжения.
.2. Переключатель Кл перевести в положение 2 (см. рис. 2) в момент
времени, когда входное напряжение u3(t)=0, du3/dt>0, т.е. в момент начала
положительного импульса напряжения u4(t). Это условие будет выполнено при
равенстве аргумента входного напряжения (wt+yu3)=2kp, где k=0, 1, 2, 3.
Рассчитать
и построить графики изменения тока iвх и напряжения Uвых
четырехполюсника при подключении его к клеммам с напряжением 
в момент
времени t=(2kp - yu3)/w с учетом запаса энергии в элементах цепи от предыдущего режима:
а)
на интервале t [0+, T], где T - период изменения напряжения u4;
б)
с использованием ЭВМ на интервале t [0+, nT], где n - количество периодов, при
котором наступает квазиустановившийся режим. Построить uвых, iвх в интервале t
[nT, (n+1)T].
5. Расчет установившихся значений напряжений и токов в электрических
цепях при несинусоидальном воздействии.
5.1.
Рассчитать законы изменения тока iвх(t) и напряжения uвых(t) частотным методом,
представив напряжение uвх(t)=u4(t) в виде ряда Фурье до 5-й гармоники: u’вх(t)=
(4Um/kp)sin kwt, где k - целое нечетное число.
.2.
Построить графики uвх(t),uвых(t) , iвх(t) в одном масштабе времени один под другим,
где uвх(t) , iвх(t) и uвых(t) - суммарные мгновенные значения.
.3.
Определить действующие значения несинусоидальных токов и напряжений uвх(t),uвых(t) ,
iвх(t), а также активную мощность, потребляемую четырехполюсником и
коэффициенты формы кривых iвх(t), uвых(t).
.4.
Заменить несинусоидальные кривые uвх(t), iвх(t) эквивалентными синусоидами и
построить их графики.
рис.1
рис.2
Параметры
цепи:
J1=6, A; e2=300√2 sin(103t+900), B; e6=300√2
sin(103t-1800), B; r1=100, Ом;=100,мГн; L3=200, мГн; C3=10/3, мкФ; L4=100, мГн; L5=115, мГн; C5=200/3, мкФ; r6=100, Ом;
L6=0, мГн.
Роль
первичной обмотки линейного трансформатора (ТР) выполняет индуктивность L4 ,
входящая в состав источника гармонических колебаний. Линейный (воздушный)
трансформатор имеет две вторичные обмотки L7 и L8 .
Напряжение U1 вторичной
обмотки L8 ТР подается на вход повторителя, собранного
на операционном усилителе (ОУ) DA1.
Ориентировочные параметры такого усилителя следующие: Rвх≥0.5 мОм, Rвых ≤100 Ом, µ0≥5·104, fв=20 мГц, где µ0 - коэффициент усиления по напряжению, fв - верхняя рабочая частота. Часто
такой ОУ используется не для получения усилительного эффекта, а для предания
электрическим цепям особых свойств, получить которые без него сложно или
невозможно. Для работы ОУ к нему необходимо подвести постоянное питающее
напряжение U= ± 10...15 В. Цепь питания на схеме
обычно не изображают.
В большинстве практических расчетов характеристики ОУ идеализируют. При
этом считают, что входная проводимость и выходное сопротивление равны нулю, а
коэффициент усиления имеет бесконечно большое значение. Выходное напряжение
повторителя U3=U1, мощность входного сигнала равна нулю, а мощность выходного
может принимать любое значение в зависимости от нагрузки - это не противоречит
закону сохранения энергии, так как она обеспечивается источником питающего
напряжения ОУ.
Напряжение U2 со вторичной обмотки
L9, ТР подается на инвертирующий вход
компаратора - порогового элемента, преобразующего гармоническое
(синусоидальное) колебание в разно-полярные импульсы прямоугольной формы: U4=10 В при U2≤0, U4=-10
В при U2>0. Компаратор собран на ОУ DA2 с разомкнутой отрицательной
обратной связью (ООС). В цепи без ООС коэффициент усиления ОУ оказывается
чрезвычайно большим и синусоидальный сигнал преобразуется в прямоугольный.
Напряжения U1 и U2 находятся в противофазе, а напряжению U3≥0 соответствует U4=10 В.
Токи во вторичных обмотках трансформатора ТР для идеальных ОУ (Rвх→∞) равны нулю, поэтому
нагрузка трансформатора никакого влияния на активный двухполюсник не оказывает.
Переключатель позволяет подключить заданную схему четырехполюсника либо к
выходу повторителя, либо к выходу компаратора. Переключение из одного положения
в другое происходит мгновенно. В исходной схеме (начальном) состоянии
переключатель находится в положении, когда четырехполюсник подключен к
повторителю (рис.2). Изменение положения переключателя вызывает в схеме
четырехполюсника изменение режима работы и возникновение переходного процесса.
1. Расчет источника гармонических колебаний (ИГК)
Представить исходную схему ИГК относительно первичной обмотки
трансформатора эквивалентным источником (напряжения или тока). Определить его
параметры и значение тока в первичной обмотке трансформатора.
Задача определения тока в одной выделенной ветви может быть решена с
помощью метода эквивалентного генератора. Сущность этого метода заключается в
том, что по отношению к выделенной ветви с сопротивлением Z вся остальная часть сложной цепи,
содержащей источники и сопротивления, может быть заменена одним эквивалентным
генератором: генератором напряжения с ЭДС Еэг и внутренним сопротивлением Zвн или генератором тока с источником
тока Jэг и внутренней проводимостью Yвн=1/Zвн. Воспользуемся методом эквивалентного источника
напряжения. ЭДС Еэг равна напряжению холостого хода на зажимах разомкнутой
ветви Uхх. Сопротивление Zвн равно входному сопротивлению
относительно этих же зажимов, при условии, что все источники заменены их
внутренним сопротивлением. Неизвестный ток в ветви равен I= Еэг/( Zвн+Z)= Uхх/( Zвн+Z).
E2=300j, B; E6=-300, B; Z6=r6+jXL6=100, Ом; Z3=jXL3- jXC3=-100j, Ом;
Z2=jXL2=100j, Ом; Z5= jXL5- jXC5=100j, Ом;
Z1=jXL4=100j, Ом.
Воспользуемся методом контурных токов, в данной схеме один независимый
контур, так как одна ветвь содержит источник тока (I22`=J1=6).
Z11·I11`+Z12·I22`=E11`
Z11=Z6+Z3+Z2=100=Z6=100`= E6 +E2=300j-300
рис.3
Решение
уравнения дает следующий результат: I11`=3+3j.
I2`= I22`=3+3j I5`= -6
Для
определения Uхх рассмотрим контур, обозначенный знаком «+», по
второму закону Кирхгофа:
Uхх=Z3·I3`+Z5·I5`=-100j·(3+3j)+100j·6=300+300j
Определим
входное сопротивление.
рис.4
I4= Uхх/( Zвx+ZL4)=(300+300j)/(100+100j)=3, A.
Полученное
значение тока соответствует ранее определенному току в п. 1.1. Изобразим схему
эквивалентного генератора (рис.5).
рис.5
Записать мгновенные значения тока и напряжения первичной обмотки
трансформатора ТР и построить их волновые диаграммы

, А(2)

, В(3)
Построим
кривые мгновенных значений тока i(t) (рис.6) и напряжения u(t)
(рис.7).
рис.6
рис.7
Определить
значения М47, М48, L7, L8 ТР из условия, что индуктивность первичной обмотки
известна, U1=5B, U2=10B, а коэффициент магнитной связи обмоток к следует
выбрать самостоятельно из диапазона 0.5<к<0.95.
рис.8
Значения
тока i(t) и напряжения u(t)
приведены в выражениях (2) и (3) из пункта 1.2.
U1=Xm47·I=ω·M47·I, где I действующее значение тока i(t)
M47=U1/(ω·I)=1.66
мГн
U1=jω·M47·I=5j,
где I комплекс тока i(t)
В,
мгновенное значение напряжения U1
Коэффициент
магнитной связи к47 выберем равным 0.5 и определим значение индуктивности L7.
Из
этой формулы получим, что L7=11 мГн.
Аналогичный
расчет произведем для второй вторичной обмотки трансформатора.
U2=Xm48·I=ω·M48·I, где I действующее значение тока i(t)
M48=U2/(ω·I)=3.33 мГн
U2=-jω·M48·I=-10j, где I комплекс тока i(t),
минус так как встречной включение
В,
мгновенное значение напряжения U2
Коэффициент
магнитной связи к48 выберем равным 0.5 и определим значение индуктивности L8.
Получим,
что L8=4.44 мГн.
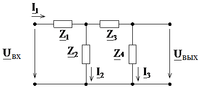
2. Расчет установившихся значений напряжений и токов в четырехполюснике
при синусоидальном входном воздействии
Рассчитать значение параметра реактивного элемента (индуктивности или
емкости по вариантам) из условия, что постоянная времени цепи равна периоду
входного воздействия.
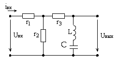
рис.9
r1=12 Ом
r2=400 Ом
r3=8 Ом
Составим
комплексную схему замещения четырехполюсника (рис.10).
рис.10
Uвх=5j
Z1=12
Z2=400
Z3=8
Рассчитаем
параметр индуктивного элемента L4 . Из условия нам известно, что 
=> 
; 


, тогда
а
так как 
, то
=> 
=> L =
0.1 (Гн), Z4= ZL=100j
Рассчитать
токи и напряжения в схеме четырехполюсника методом входного сопротивления (или
входной проводимости) при 
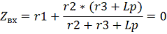
Определим
входное сопротивление четырехполюсника 
Определим
входной ток четырехполюсника
Рис.11
Составим
ЗКН для контура I:
Теперь
найдём ток 
Найдём
ток 
:
Теперь,
зная все токи, найдем напряжения на всех элементах цепи:
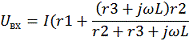
Записать
мгновенные значения u1=u3=uвх, iвх и uвых, определить сдвиг по фазе между
выходным и входным напряжениями, а также отношение их действующих значений.
φвых-φвх=91˚-90˚=1˚
Напряжение uвх опережает
напряжение uвых на угол 1˚.
Определим отношение действующих значений входного и выходного напряжений.
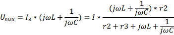
Определить передаточную функцию W(jw)=Uвых/Uвх.
Тогда передаточная функция имеет следующий вид:
Определить и построить амплитудно- и фазочастотные характеристики.
Используя частотные характеристики, определить uвых при заданном uвх.
АЧХ:
На рис.12 показана АЧХ:
Рис.12
ФЧХ:
На рис.13 показана ФЧХ:
Рис.13
Построить годограф - линию семейства точек комплексной передаточной
функции при разных частотах в диапазоне частот от 0 до ¥ на комплексной плоскости.
Годограф представлен на рис.14:
Рис.14
. Расчет резонансных режимов в электрической цепи
Включить
в схему четырехполюсника реактивное сопротивление (индуктивность или емкость
таким образом, чтобы 
совпадали
по фазе. Определить значение параметра реактивного элемента, а также входное
сопротивление, входной ток, добротность и ширину полосы пропускания
резонансного контура.
Включим
конденсатор С последовательно с индуктивностью L, тогда С будет
равняться:

(условие
резонанса)

=>

; 
Рис.15
Входное
сопротивление будет равняться:
Входной
ток будет равняться:
Определим
добротность Q:
Ширина
полосы пропускания будет равняться:
Определить
и построить амплитудно- и фазочастотную характеристики I(ω), z(ω),
W(ω). Частотные характеристики тока и сопротивления
построить по оси ординат в относительных единицах.
Определим передаточную функцию W(ω):
Построим АЧХ:
На рис.16 показана АЧХ:
Рис.16
Построим ФЧХ:
На рис.17 показана ФЧХ:
Рис.17
Передаточная функция по входному сопротивлению будет иметь вид:
Построим АЧХ:
График АЧХ представлен на рис.18:
Рис.18
Построим ФЧХ для входного сопротивления:
ФЧХ представлена на рис.19:
Рис.19
Теперь найдем передаточную функцию по току:
Построим АЧХ:
График АЧХ изображен на рис.20:
Рис.20
Построим ФЧХ:
График ФЧХ изображен на рис.21:
Рис.21
. Расчет переходных процессов классическим методом
Определить и построить переходную и импульсную характеристики цепи для
входного тока и выходного напряжения.
Переходная характеристика цепи численно равна реакции цепи на единичное
воздействие (рис.22).
рис.22
В схеме (рис.23) нулевые начальные условия.
рис.23
Z1=r1=12
Z2=r2=400
Z3=r3=8
Z4=Lр
Составим характеристическое уравнение и определим его корни.
р=-200 единственный корень уравнения
Уравнение
для 
примет
вид:
Найдем
начальные и вынужденные значения тока. Ток в момент времени 
протекает
через резистор r1 и r2.
Определим
вынужденный ток:
Определим
A в момент времени 
A+0.05=0.0024
A=-0.0476

(A)
Тогда
переходная характеристика для входного тока имеет вид:
Аналогично
найдем переходную характеристику для выходного напряжения.
Найдем
B при 
B+0=0.97
B=0.97
Тогда
переходная характеристика для выходного напряжения имеет вид:
Найдем
импульсные характеристики ф-ий 
:
Графики
переходных и импульсных характеристик для Iвх и Uвых
приведены на рис.24,25,26,27:
Рис.24
Рис.25
Рис.26
Рис.27
Переключатель
Кл перевести в положение 2 (см. рис. 2) в момент времени, когда входное
напряжение u3(t)=0, du3/dt>0, т.е. в момент начала положительного импульса
напряжения u4(t). Это условие будет выполнено при равенстве аргумента входного
напряжения (wt+yu3)=2kp, где k=0, 1, 2, 3.
Рассчитать
и построить графики изменения тока iвх и напряжения Uвых
четырехполюсника при подключении его к клеммам с напряжением 
в момент
времени t=(2kp - yu3)/w с учетом запаса энергии в элементах цепи от предыдущего режима:
а)
на интервале t [0+, T], где T - период изменения напряжения u4;
б)
с использованием ЭВМ на интервале t [0+, nT], где n - количество периодов, при
котором наступает квазиустановившийся режим. Построить uвых, iвх в интервале t
[nT, (n+1)T].
а)
Интервал 
Из
приведенных выше расчётов известно следующее:=-200 - корень характеристического
уравнения Z(p)=0
T=6.28*
- период
изменения напряжения 
1. Приведем
расчет для первой половины периода 
для
данного интервала времени 
.
Определим
момент времени 
первой
коммутации:
Независимые
начальные условия 
.
Определим время коммутации из условия

В
последующем расчёте за время коммутации можно принять t=0, 
.
Таким
образом, изменения токов можно записать в следующем виде:
Таким
образом:
Рассмотрим
первую коммутацию на интервале времени 
Запишем
общий вид выходного напряжения.
Определим
вынужденную составляющую выходного напряжения при t=∞ и постоянном
напряжении питания. 
0.026=A+0.5
.0016=B+0.49
A=-0.47
B=-0.49
Таким
образом ток 
(*)
Окончательно
получим:
. Приведем
расчёт для второй половины периода периода 
для
данного интервала времени 
.
Из
(**) найдем начальные условия 
(A)
Вынужденные
значения находятся аналогично, как и для первой половины периода.
Таким образом:
Для
определений постоянных А и В, запишем данные уравнения для момента временит 
- начала
второй коммутации:

(**)
Запишем
законы Кирхгофа для момента времени 
Подставляя
числа и принимая во внимания независимые начальные условия, получим:

Откуда 
Подставим
полученный результат в систему (**):
.2=-0.5+AA=0.7
Таким
образом, ток 
Окончательно
получаем:
Графики
uвых, iвх приведены на рис.28,29. 
Рис.28
Рис.29
5. Расчет установившихся значений напряжений и токов в электрических
цепях при несинусоидальном воздействии
Рассчитать
законы изменения тока iвх(t) и напряжения uвых(t) частотным методом, представив
напряжение uвх(t)=u4(t) в виде ряда Фурье до 5-й гармоники: u’вх(t)=
(4Um/kp)sin kwt, где k - целое нечетное число.
Входное
воздействие можно записать в виде:
Определим
зависимость входного сопротивления от частоты синусоидального сигнала.
Тогда
входной ток выражается следующим образом: 
Выразим
теперь выходное напряжение, для этого воспользуемся ранее найденной
комплексно-передаточной функцией:
Разложение
в ряд Фурье: uвх(t)=
(4Um/kp)sin kwt, где k - целое нечетное число.
Входной
ток и выходное напряжение является суперпозицией токов и напряжений от каждой
гармоники:
) При k=1 
Uвх=9
2) При k=3 
Uвх=3
3) При k=5 
Uвх=1.8
Построить графики uвх(t),uвых(t) , iвх(t) в одном масштабе времени
один под другим, где uвх(t) , iвх(t) и uвых(t) - суммарные
мгновенные значения.
Суммарные мгновенные значения:

+
Графики
суммарных мгновенных значений выходного и входного напряжения и входного тока
приведены на рис.30,31,32:
Рис.30
Рис.31
Рис.32
Определить
действующие значения несинусоидальных токов и напряжений uвх(t),uвых(t) ,
iвх(t), а также активную мощность, потребляемую четырехполюсником и
коэффициенты формы кривых iвх(t), uвых(t).
Определим
действующие значения uвх(t),uвых(t) , iвх(t):
Определим
активную мощность:
Найдем
коэффициенты искажения:
Заменить
несинусоидальные кривые uвх(t), iвх(t) эквивалентными синусоидами и построить
их графики.

где

-фазовый
сдвиг между эквивалентными син.вх. напряжению и экв.син.вх. током.
Пусть

, тогда
Тогда

Построим
графики, они приведены на рис.33,34:
Рис.33
Рис.34
Вывод
Исследование
источника гармонических колебаний показало, что расчет напряжений и токов на
его элементах можно проводить разными методами. Например, методом контурных
токов или методом эквивалентного генератора. Как и предполагалось, все методы
дают один и тот же результат. Но использование метода контурных токов позволяет
уменьшить количество вычислений по сравнению с методом эквивалентного
источника.
Расчет
баланса мощностей для схемы позволяет проверить правильность поведенных
расчетов по определению напряжений и токов на элементах схемы.
Расчеты
переходных процессов в четырехполюснике для определения входного тока и
выходного напряжения и расчеты процессов в четырехполюснике с использованием
разложения несинусоидального входного воздействия в ряд Фурье дают близкие
результаты. Их небольшое отличие объясняется тем, что разложение сигнала в ряд
Фурье имеет некоторую погрешность по сравнению с его истинным значением .
Анализ
четырехполюсника показал, что проходящий через него сигнал претерпевает
значительные изменения и ослабевает. Это объясняется тем, что в
четырехполюснике происходит потеря энергии на его элементах.
В
ходе работы использовалась вычислительная техника при различных расчетах, в
особенности при расчетах переходных процессов, так как этот расчет требует
больших вычислений. С целью упрощения вычислений и построения графиков удобно
использование такой математической программы, как Advanced
Grapher.
Список
использованных источников информации.
Стрелков Б.В. , Шерстняков Ю.Г. "Анализ установившихся и
переходных режимов в линейных электрических цепях"