Анализ установившихся и переходных режимов в линейных электрических цепях
Анализ
установившихся и переходных режимов в линейных электрических цепях
Курсовая
работа
Техническое задание
Расчет источника гармонических колебаний (ИГК)
Определить все токи, показания вольтметра и
амперметра электромагнитной системы.
Составить и рассчитать баланс мощностей
Записать мгновенные значения тока и напряжения
первичной обмотки трансформатора ТР и построить их волновую диаграмму.
Представить исходную схему ИГК относительно
первичной обмотки трансформатора эквивалентным источником (напряжения или
тока). Определить его параметры и значение тока в первичной обмотке
трансформатора. Сравнить значение тока со значением, полученным в п.1.1.
Определить значения M48,
M49, L8,
L9 ТР из условия,
что индуктивность первичной обмотки L2
известна, U1=5В, U2=10В,
а коэффициент магнитной связи обмоток k
следует выбрать самостоятельно из указанного диапазона: 0,5<k<0,95.
Расчет четырехполюсника
Рассчитать токи и напряжения методом входного
сопротивления (или входной проводимости), построить векторную диаграмму токов и
напряжений.
Записать мгновенные значения u1=u3=uвх,
iвх и uвых,
определить сдвиг по фазе между выходным и входным напряжениями, а также
отношение их действующих значений.
Определить, какое реактивное сопротивление нужно
подключить к выходным зажимам четырехполюсника, чтобы uвх
и iвх совпадали по
фазе. Если при заданных значениях элементов схемы не удается получить требуемый
результат (это должно быть теоретически обосновано), то для его достижения
следует подключить реактивное сопротивление к входным зажимам параллельно
четырехполюснику. В обоих случаях при этом необходимо определить входное
сопротивление (проводимость), входной ток и добротность колебательного контура.
Сравнить полученные результаты с полученными в п. 2.1.
Определить передаточные функции W(s)=Uвых(s)/Uвх(s),
W(jw)=Uвых/Uвх
Определить и построить амплитудно- и
фазочастотные характеристики. Используя частотные характеристики, определить uвых
при заданном uвх. Сравнить этот
результат с полученным в п. 2.2.
Построить годограф - линию семейства точек
комплексной передаточной функции при разных частотах в диапазоне частот от 0 до
¥
на комплексной плоскости.
Расчет установившихся значений напряжений и
токов в электрических цепях при несинусоидальном воздействии
Переключатель Кл перевести в положение 2 (см.
рис. 1) в момент времени, когда входное напряжение u3(t)=0,
du3/dt>0,
т.е. в момент начала положительного импульса напряжения u4(t).
Это условие будет выполнено при равенстве аргумента входного напряжения (wt+yu3)=2kp,
где k=0, 1, 2, 3, …
Рассчитать законы изменения тока iвх(t) и
напряжения uвых(t) частотным
методом, представив напряжение uвх(t)=u4(t) в виде
ряда Фурье до 5-й гармоники:
=
(4Um/kp)sinkwt, где k - целое
нечетное число.
Построить графики uвх(t),
, iвх(t), uвых(t) в одном
масштабе времени один под другим, где
, iвх(t) и uвых(t) -
суммарные мгновенные значения.
Определить действующие значения
несинусоидальных токов и напряжений из расчетов п. 3.1, полную (кажущуюся)
мощность, а также активную мощность, потребляемую четырехполюсником, реактивную
мощность, коэффициенты формы кривых
, iвх(t), uвых(t).
Заменить несинусоидальные кривые uвх(t), iвх(t)
эквивалентными синусоидальными.
Расчет переходных процессов
классическим методом
Определить и построить переходную и
импульсную характеристики цепи для входного тока и выходного напряжения. Показать
связь этих характеристик с передаточными функциями, с АЧХ.
Рассчитать и построить графики
изменения тока iвх и напряжения uвых
четырехполюсника при подключении его к клеммам с напряжением u4(t) в момент
времени t=(2kp - yu3)/w с учетом
запаса энергии в элементах цепи от предыдущего режима на интервале t [0+, T], где T - период
изменения напряжения u4;
Рассчитать и построить графики
напряжения на выходе uвых(t) и на
емкостях, а также токи на входе iвх(t) и в
индуктивностях в квазиустановившемся режиме на интервале t [nT, (n+1)T] методом
припасовывания. Сравнить результаты с полученными в п. 3.1.
Вариант задания
Расчет источника гармонических колебаний
Определить все токи, показания вольтметра и
амперметра электромагнитной системы
Исходные данные
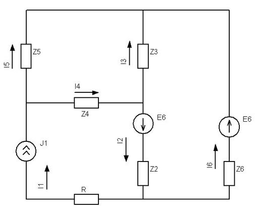
Рис.1. Схема ИГК
Номиналы элементов:
I1 = 1-3jA;
e2 =
В= -300+200j В
= 50 мГн= 150 мГн= 100 мГн= 4 мкФ=
100 мГн= 120 мГн= 50 мкФ= 100 Ом= 200 мГн
Переведем все данные в комплексную форму для
последующих расчетов:
E2 =
=
2 =
3 =
4 =
5 =
6 =
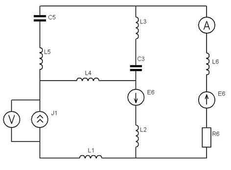
Тогда схему ИГК можно заменить
эквивалентной:
Рис. 2. Эквивалентная схема ИГК
Для расчета токов, показаний вольтметра и
амперметра воспользуемся методом контурных токов:
Отсюда рассчитываем токи в ветвях:
Теперь найдем показания приборов:
а) амперметр
б) вольтметр
Для нахождения показания вольтметра
запишем второй закон Кирхгофа для первого контура:
Тогда:
Составить и рассчитать баланс мощностей
Полная комплексная мощность
источников-генераторов схемы должна быть равно полной комплексной мощности
потребителей этой схемы:
, где:
- произведение комплексного
напряжения на источнике ЭДС на комплексно сопряженный ток этого источника,
- произведение комплексного
напряжения на источнике тока на комплексно сопряженный ток этого источника,
- произведение квадрата
действующего значения тока k-го пассивного элемента на его реактивное
сопротивление.
Следовательно имеет место:
и
- мощности потребителей и
источников совпали, значит токи в цепи расчитаны правильно
Записать мгновенные значения тока и напряжения
первичной обмотки трансформатора Т1 и построить их волновую диаграмму
Рассчитаем мгновенные значения тока и напряжения
на индуктивности L4:
Соответствующая волновая диаграмма
на Рис.3.
Рис.3. Волновая диаграмма тока
Соответствующая волновая диаграмма
на Рис.4.
Рис.4. Волновая диаграмма напряжения
Представить исходную схему относительно
первичной обмотки трансформатора эквивалентным источником. Определить его
параметры и значение тока в первичной обмотке трансформатора. Сравнить значение
тока со значением, полученным в пункте 1.1.
Рассмотрим контур a-b-c-a и запишем для него 2-е
уравнение Кирхгофа:
=>
Таким образом, для нахождения
напряжения холостого хода необходимо посчитать токи
и
, рассчитаем
их методом контурных токов:
=>
Отсюда:
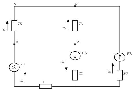
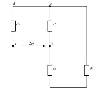
Рис. 5. Схема ИГС, с разорванной
ветвью ab
Рассчитаем Zвх,
Вернемся к закону Кирхгофаи Uхх:
Ток совпал с током рассчитанным
методом контурных токов, значит ток рассчитан правильно.
Рис. 6. Схема для расчета входного
сопротивления
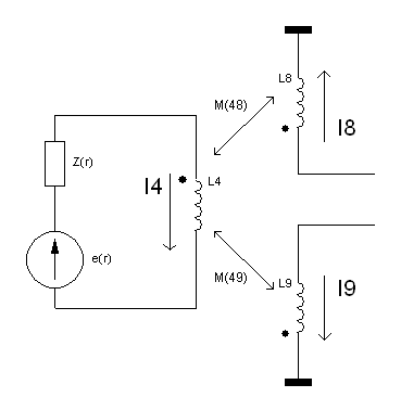
Определить значения М48, М49, L8, L9
трансформатора
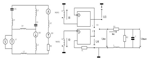
Рис. 7. Схема трансформатора
Для удобства расчета будем считать, что
первичная обмотка трансформатора подключена к эквивалентному генератору, как в
пункте 1.4:
Напряжения на индуктивностях сонаправлены с
токами.
Параметры схемы:
U8=5В
U9=10В
K=0.5 (коэффициент
магнитной связи обмоток)
eг=
В
Zг=
Z4=100j (L4=100мГн)
А,
В (из пункта 1.4)
РассчитаемM48:
Тогда
=
(временная форма: U8(t)=5√2sin(10³t))
=>
Аналогично рассчитаем M49 и L9:
Рассчитаем M49:
Тогда
=
(временная форма: U8(t)=10√2sin(10³t))
=>
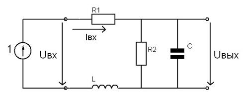
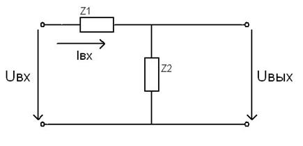
Расчет четырехполюсника
Рассчитать токи и напряжения методом
входного сопротивления, построить векторную диаграмму токов и напряжений.
Схема четырехполюсника приведена на
рис. 8.
Рис. 8. Схема четырехполюсника.
Параметры четырехполюсника:
R1=55 Ом
R2=8 Ом
L=50 мГн
С=250 мкФ
Подготовим схему к расчету, заменив
сопротивления комплексными.Полученная схема представлена на рис.9.
Рис. 9. Эквивалентная схема
четырехполюсника.
Рассчитаем
:
Теперь найдем
:
Для нахождения токов и напряжений на
каждом элементе схемы, детализируем эквивалентную схему:
Ом
Ом
Ом
Ом
Детализированная схема представлена
на рис. 10:
Рис. 10. Детализированная
эквивалентная схема четырехполюсника
Рассчитаем комплексные токи:
Примем напряжения сонаправленными с
токами, и рассчитаем комплексные значения напряжений:
По полученным значениям токов и
напряжениям построим векторные диаграммы, на рис. 11. представлена диаграмма
токов, а на рис. 12. - диаграмма напряжений.
Рис. 11. Диаграмма токов
Рис. 12. Диаграмма напряжений.
На диаграммах видно, что входной ток
равен сумме токов в параллельных ветвях, а входное напряжение равно сумме
падений напряжений на элементах, что означает правильность проведенных
расчетов.
Записать мгновенные значения uвх,iвх и uвых,
определить сдвиг по фазе между выходным и входным напряжениями, а также
отношение их действующих значений
Из пункта 2.1. нам известны
комплексные значения uвх,iвх и uвых:
Зная комплексные значения, можем
перейти к временной форме по формуле:
,
где:
- комплексное значение величины A
a(t) -
временная форма величины A
Найдем действующие значения величин:
А
В
В
Теперь запишем временные формы
величин:
А
В
В
Найдем разность фаз между выходным и
входным напряжением:
А также отношение действующих
значений выходного и входного напряжения:
ток трансформатор
индуктивность напряжение
Определить, какое реактивное
сопротивление необходимо подключить к выходным клеммам четырехполюсника, чтобы uвх иiвхсовпали по
фазе.
Подключим к выходным клеммам
четырехполюсника некоторое сопротивление X, которое
должно быть реактивным, чтобы обеспечить в цепи резонанс и сравнять фазы тока и
напряжения. Схема, с подключенным X-сопротивлением,
представлена на рис. 13.
Рис. 13. Схема четырехполюсника с
добавленным X-сопротивлением.
Рассчитаем величину X, из условия
наступления резонанса: при равенстве мнимой части сопротивления цепинулю, в
этой цепи возникает резонанс. Найдем входное сопротивление цепи
Выражая из полученного соотношения
мнимую часть и приравнивая её к нулю, получаем уравнение:
Подставляя численные значения и
приводя подобные слагаемые, получаем уравнение:
Дискриминант данного уравнения
оказывается меньшим нуля:
Это означает, что корни у данного
уравнения могут быть только комплексными, притом как с действительной (так как
коэффициент перед первой степенью X не равен
нулю), так и с мнимой (дискриминант меньше нуля) частью. Таким сопротивлением
не обладает ни один из идеализированных элементов (емкость, индуктивность,
сопротивление). Таким образом, заключаем, что к выходным клеммам четырехполюсника
нельзя подключить такое сопротивление, что uвх иiвх совпадут
по фазе. Следовательно следует попробовать подключить к входным клемма
четырехполюсника такое сопротивление, чтобы uвх иiвх совпали
по фазе.
Схема с подключенным
Х-сопротивлением к входным клеммам представлена на рис. 14.
Рис. 14. Схема четырехполюсника с
добавленным на входе X-сопротивлением.
Найдем входное сопротивление
четырехполюсника при таком способе подключения дополнительного сопротивления,
так как добавочное сопротивление подключено параллельно четырехполюснику,
входное сопротивление имеет вид:
,
где
- входное сопротивление контура без
добавочного сопротивления.
(из пункта 2.1.)
Отсюда из условия резонанса получаем
уравнение:
=>
или
Тогда
Ом
Теперь можно найти входной ток:
А
И добротность колебательного
контура:
Определить передаточные функции W(s)=Uвых(s)/ Uвх(s), W(jω)
Будем искать передаточную функцию
операторным методом:
Запишем 2-й закон Кирхгофа для
четырехполюсника (см. рис. 8):
Тогда:
Отсюда:
Заменой s на jω, получим
комплексную передаточную функцию:
Определить и построить амплитудно- и
фазочастотные характеристики. Используя частотные характеристики, определить uвых, при
заданном uвх
Преобразуем комплексную передаточную
функцию, помножив её на сопряженное выражение:
Определим АЧХ, как модуль
комплексной передаточной функции:
Теперь определим ФЧХ, как аргумент
комплексной передаточной функции:
Графики АЧХ и ФЧХ представлены на
рис. 15. и рис. 16. соответственно.
Рис. 15. Амплитудно-частотная
характеристика
Рис. 16. Фазо-частотная
характеристика
Таблица 1. Значения АЧХ и ФЧХ в
контрольных точках
|
Частота,
ω
|
АЧХ
|
ФЧХ
|
|
0
|
0,127
|
-3.142
|
|
10
|
0,127
|
-3.116
|
|
100
|
0,125
|
-2.889
|
|
1000
|
0,049
|
-1.344
|
|
10000
|
0,007
|
-0.160
|
|
100000
|
0,000
|
-0.016
|
Определим uвых,
при заданном
:
uвых.ампл.=W(1000)*uвх.ампл=0,049*7,07=0,34643
Δφ=φ(1000)+ φвх=-103,02°
Тогда:
,
Что совпадает с результатом,
полученным в пункте 2.2:
Построить годограф
Рис. 17. Годограф
Рассчитать законы изменения тока
iвх(t) и напряжения
uвых(t) частотным
методом, представив напряжениеuвх(t)= u4(t)в виде ряда
Фурье
Выберем условно положительные
направления токов и напряжений, как на рисунке:
Рис. 18.Схема четырехполюсника
Разложим входное напряжение в ряд
Фурье до 5-й гармоники:
,
где k- целое
нечетное число.
Распишем эту сумму:
,
или
В частотном методе, расчет ведется
для каждой гармоники отдельно, поэтому запишем комплексные значения напряжений
каждой гармоники входного сигнала:
;
;
;
Найдем входное сопротивление в общем
виде для данного четырехполюсника:
Теперь можем найти входное
сопротивление для каждой гармоники:
;
;
;
Зная входные сопротивления, можем
найти входные токи:
;
;
;
Выходные напряжения найдем,
воспользовавшись комплексной передаточной функцией (из п. 2.4.):
Напряжения будем искать по формуле:
Найдем соответствующие частотам
гармоник значения передаточной функции:
;
;
;
Теперь найдем выходные напряжения:
;
;
Запишем мгновенные значения iвх(t) и
напряжения uвых(t), учитывая нижеприведенную формулу:
;
;
;
;
;
;
;
Построить графики
,
,
,
в одном
масштабе времени один под другим
Рис. 19. График входного напряжения
Используя зависимости величин
,
,
,
от времени,
полученные в п. 3.1., построим следующие графики:
Рис. 20. График входного напряжения 
Рис. 21. График выходного напряжения
Определить действующие значения
несинусоидальных токов и напряжений из расчетов п. 3.1, полную (кажущуюся)
мощность, а также активную мощность, потребляемую четырехполюсником, реактивную
мощность.
Найдем действующие значения величин Iвх, Uвх, Uвых:
А
В
В
Определим полную (кажущуюся)
мощность:
Теперь определим активную мощность:
И реактивную мощность:
Заменить несинусоидальные кривые
и
эквивалентными
синусоидами
Определим фазу синусоиды:
Знак угла определяется знаком
реактивной мощности цепи Q< 0 =>
.
Тогда:
А
В
Соответствующие графики приведены на
рисунках ниже.
Рис. 23. График эквивалентного
входного напряжения
Рис. 24. График эквивалентного
входного тока
Расчет переходных процессов
классическим методом
Определить и построить переходную и
импульсную характеристики цепи для входного тока и выходного напряжения.
Показать связь этих характеристик с передаточными функциями, с АЧХ.
Для нахождения переходных и передаточных
характеристик, будем считать, что ко входу четырехполюсника в момент времени
t=0 подключают источник напряжения 1В. Условно положительные направления токов
и напряжений выберем так, как показано на рисунке ниже. Кроме того поскольку iвх=iL
и uвых=uC
переходные характеристики соответствующих величин не будут рассматриваться
отдельно.
Рис. 25. Схема четырехполюсника.
Поскольку независимые начальные условия нулевые,
для момента времени t=0-можно записать:
Определим общий вид переходных
характеристик, решив характеристическое уравнение, составленное по методу
входного сопротивления:
Приравнивая полученное выражение к
нулю, получим уравнение:
Решая его, находим корни:
Тогда можем записать общий вид
переходных характеристик:
а также их производные:
и
где A, B, C, D - постоянные
интегрирования, которые будут определены ниже.
При
, катушка становится
короткозамкнутой, а конденсатор - разрывом, что отображено на схеме
соответствующей данному моменту времени, основываясь на этом определим
вынужденные составляющие токов и напряжений:
Рис. 26. Эквивалентная схема
четырехполюсника при
Поскольку независимые начальные
условия нулевые, можно считать, что в момент коммутации конденсатор становится
короткозамкнутым, а катушка - разрывом, что отображено на схеме соответствующей
моменту коммутации (t=0+). зная независимые начальные условия и основываясь на
законах коммутации (
,
), найдем
постоянные интегрирования и определим окончательный вид переходных
характеристик:
Рис. 27. Эквивалентная схема
четырехполюсника при t=0+
Запишем законы Кирхгофа для данной
цепи, в момент коммутации:
=>
=>
что, учитывая
=0+
можно записать в виде:
Теперь можем составить две системы
уравнений для нахождения постоянных интегрирования:


|
|
|
|
Решая
эти системы уравнений, находим константы A, B, C, D
|

Теперь можем записать переходные характеристики
четырехполюсника:
А также определить импульсные
характеристики, как производные от передаточных характеристик по времени:
Для подтверждения правильности
нахождения переходных характеристик покажем их связь с передаточными функциями.
В случае правильности нахождения
переходной характеристики
должно
выполняться равенство:
,
где L(a) -
преобразование Лапласа.
Выражения идентичны, а значит
выполняется равенство
,
откуда следует, что переходная характеристика
найдена
верно.
В случае правильности нахождения
переходной характеристики
должно
выполняться равенство:
,
где L(a) -
преобразование Лапласа, а Z(s)- -отображение сопротивления цепи.
Выражения идентичны, а значит
выполняется равенство
,
откуда следует, что переходная
характеристика
найдена
верно.
Графики переходных и импульсных
характеристик приведены ниже.
Рис. 28. График переходной
характеристики hu(t)
Рис. 29. График импульсной
характеристики ku(t)
Рис. 30. График переходной
характеристики hi(t)
Рис. 31. График импульсной
характеристики ki(t)
Рассчитать и построить графики
изменения тока
и
напряжения
четырехполюсника
при подключении его к клеммам с напряжением u4(t) в момент
с учетом
запаса энергии в цепи от предыдущего режима работы.
На рисунках ниже приведена схема
четырехполюсника с выбранными условно положительными направлениями токов и
напряжений, а также вид входного сигнала с переключением режима, в момент
времени t=0
Рис. 32. Схема четырехполюсника.
Рис. 33. График входного сигнала в
окрестности момента переключения режима.
Рассмотрим промежуток времени
:
Рассчитаем независимые начальные
условия. Для этого используем рассчитанные в п. 2.2. токи и напряжения:
А
В
В
А
В
Поскольку схема четырехполюсника не
изменилась, общий вид реакции цепи можно взять из пункта 4.1:
При
, катушка становится
короткозамкнутой, а конденсатор - разрывом, что отображено на схеме
соответствующей данному моменту времени, основываясь на этом определим
вынужденные составляющие токов и напряжений:
Рис. 34. Эквивалентная схема
четырехполюсника при
Теперь, зная
независимые начальные условия и основываясь на законах коммутации (
,
), найдем
постоянные интегрирования и определим окончательный вид реакций цепи:
Рис. 35. Схема четырехполюсника.
Запишем законы Кирхгофа для данной
цепи, в момент коммутации:
=>
=>
что, учитывая
=0+
можно записать в виде:
Теперь можем составить две системы
уравнений для нахождения постоянных интегрирования:


|
|
|
|
Решая
эти системы уравнений, находим константы A, B, C, D
|

Теперь можем записать изменения тока и
напряжения:
В
А
Рассмотрим промежуток времени
:
Рассчитаем независимые начальные
условия. Для этого используем рассчитанные в п. 4.2.1. токи и напряжения:
В
В
А
А
В
Общий вид реакции цепи такой же, как
в п. 4.2.1:
При
, катушка становится
короткозамкнутой, а конденсатор - разрывом, что отображено на схеме
соответствующей данному моменту времени, основываясь на этом определим
вынужденные составляющие токов и напряжений:
Рис. 34. Эквивалентная схема
четырехполюсника при
Теперь, зная
независимые начальные условия и основываясь на законах коммутации (
,
), найдем
постоянные интегрирования и определим окончательный вид реакций цепи:
Рис. 35. Схема четырехполюсника.
Запишем законы Кирхгофа для данной
цепи, в момент коммутации:
=>
=>
что, учитывая
=0+
можно записать в виде:
Теперь можем составить две системы
уравнений для нахождения постоянных интегрирования:


|
|
|
|
Решая
эти системы уравнений, находим константы A, B, C, D
|

Теперь можем записать изменения тока и
напряжения:
В
А
Или тоже, с учетом сдвига по оси
времени:
В
А
Построим графики реакций цепи на
промежутке времени
:
Рис. 36. График выходного напряжения
Рис. 37. График входного тока
Рис. 38. График входного напряжения
Чтобы убедиться в правильности
полученных результатов, выполним проверку:
Сначала проверим нет ли скачков тока
на индуктивности в точке t=T/2, должно
выполняться равенство:
,
в этом равенстве левая и правая
части рассчитываются по соответствующим законам, полученным в п. 4.2.1 и 4.2.2
соответственно:
=0,165
=0,165
Значения точно совпадают, значит
реакция тока на входное воздействие найдена правильно.
Изменение входного напряжение uвх(t) в момент
времени t=T/2на
(-2Uвх)=-20В может уравновесить в данной схеме только напряжение на
индуктивности, так как остальные напряжения скачком изменяться не могут (это
следует из закона Кирхгофа:
), а значит должно выполняться
равенство:
выразим uL из закона
Кирхгофа:
тогда
Равенство выполняется с достаточной
точностью, что еще раз подтверждает правильность расчета реакций цепи.
Рассчитать и построить графики
напряжения на выходе
и на
емкостях, а также токи на входе
и в индуктивностях в
квазиустановившемся режиме на интервале
методом припасовывания
Рис. 39. Схема четырехполюсника.
Составим систему уравнений состояний
схемы, на основании законов Кирхгофа:
Эта система справедлива на всём
промежутке
. Тогда
решение для любого тока или напряжения на двух интервалах записывается в виде:
Определим изменения токов и
напряжений на границе первой коммутации для t=0
На основании законов коммутации:
Вычтем из уравнений системы (1) для
времени t=0+
уравнения системы для t=T-
Обозначим:
Запишем и решим систему уравнений в
разностях для первой коммутации:
Теперь рассмотрим момент времени
t=T/2, то есть вторую коммутацию:
Обозначим:
Запишем и решим систему уравнений в
разностях для первой коммутации:
Запишем решение для
и его
производной
на
интервалах, в соответствии с системой (1)
Для первого интервала
Для второго интервала
Проведем сопряжение решений на
интервалах для тока iL(t) и
напряжения uL(t) используя
значения разностей полученные выше.
В результате получим систему
уравнений:
Решение данной системы: A=-0,839; B=0,514; C=0,839; D=-0,514
Теперь можно записать окончательный
вид решения на интервалах:
Для первого интервала
Для второго интервала
Теперь из закона Кирхгофа найдем
закон изменения напряжения на конденсаторе:
=>
Тогда
на интервалах:
Для первого интервала
Для второго интервала
Для проверки результатов расчета из
найденных решений определим значение разности напряжения
на границе
первой коммутации
что соответствует с достаточной
точностью действительной разности
, а значит законы изменения токов и
напряжений найдены верно.
Рис. 40. График выходного напряжения
Рис. 41. График входного тока
Рис. 42. График входного напряжения
Выводы
Исследование источника гармонических колебаний
показало, что расчет токов и напряжений в схеме можно проводить разными
способами. Например, при расчете тока, протекающего через сопротивление,
использовались два метода: метод контурных токов и метод эквивалентного
генератора ЭДС. Как и предполагалось, оба метода дали одинаковый результат, но
использование метода контурных токов позволяет уменьшить количество вычислений
по сравнению с методом эквивалентного источника и рассчитать большее количество
токов схемы. При исследовании был произведен расчет баланса мощностей для
схемы, что позволило проверить правильность поведенных расчетов по определению
напряжений и токов на элементах схемы.
Расчеты переходных процессов в четырехполюснике
для определения входного тока и выходного напряжения и расчеты процессов в
четырехполюснике с использованием разложения несинусоидального входного
воздействия в ряд Фурье дают близкие результаты. Их небольшое отличие можно
объяснить тем, что разложение сигнала в ряд Фурье имеет некоторую погрешность
по сравнению его истинным значением. Наибольшую точность расчета в данном
случае дает классический метод расчета переходных процессов. Дополнительное
отличие результатов полученных этим методом по сравнению с методом,
использующим разложение в ряд Фурье, дает то, что при расчете переходного
процесса учитывается запасы энергии от предыдущего режима работы, что не
учитывалось в другом методе.
Свободная составляющая в переходном процессе за
половину периода затухает примерно в 2,5 раза, в связи с этим установившийся
режим в схеме сразу не возникает и его появление следует ожидать через 2-3
периода.
В целом основные результаты расчета, полученные
различными методами, практически совпадают.
Список литературы
1.
Новгородцев А. Б. Теоретические основы электротехники. 30 лекций по теории
электрических цепей: Учебное пособие. 2-е издание. - СПб.:Питер, 2006. -
576с.:ил..
.
Б.В. Стрелков, Ю.Г. Шерстников Анализ установившихся и переходных режимов в
линейных электрических цепях. Учебное пособие по курсу «Теоретические основы
электротехники» - М.: Изд-во МГТУ им. Н.Э. Баумана, 2001. - 44 с. ил.