Анализ установившихся и переходных процессов в линейных электрических цепях
Техническое задание
. Расчет источника гармонических колебаний (ИГК)
Представить исходную схему ИГК относительно
первичной обмотки трансформатора эквивалентным источником напряжения.
Определить его параметры и значение тока в первичной обмотке трансформатора. В
качестве первичной обмотки трансформатора выбрать индуктивность в любой ветви,
кроме ветви с идеальным источником тока.
Записать мгновенные значения тока и напряжения в
первичной обмотке трансформатора и построить их волновые диаграммы.
Определить значения Mnq,
Mnp, Lq,
Lp из условия, что
индуктивность первичной обмотки Ln
известна, U1=5В, U2=10В.
Коэффициент магнитной связи обмоток k
следует выбрать самостоятельно в диапазоне: 0,5<k<0,95.
. Расчет установившихся значений напряжений и
токов четырехполюснике при синусоидальном входном воздействии
Рассчитать значение параметра реактивного
элемента из условия, что постоянная времени цепи равна периоду входного
воздействия.
Рассчитать токи и напряжения в схеме
четырехполюсника методом входного сопротивления (или входной проводимости) при u1=u3=uвх.
Записать мгновенные значения uвх,
iвх и uвых,
определить сдвиг по фазе между выходным и входным напряжениями, а также
отношение их действующих значений.
Определить передаточные функции W(s)=Uвых(s)/Uвх(s),
W(jw)=Uвых/Uвх.
Определить и построить амплитудно- и
фазочастотные характеристики. АЧХ и ФЧХ построить в диапазоне частот от 0 до
5000 1/с. Используя частотные характеристики, определить uвых
при заданном uвх. Сравнить этот
результат с полученным в п. 2.3.
Построить годограф - линию семейства точек
комплексной передаточной функции при разных частотах в диапазоне частот от 0 до
¥
на
комплексной плоскости.
. Расчет резонансных режимов в электрической
цепи
Включить в схему четырехполюсника реактивное
сопротивление (индуктивность или емкость) таким образом, чтобы uвх
и iвх совпадали по
фазе (режим резонанса напряжений). Определить значение параметра реактивного
элемента, а также входное сопротивление, входной ток, добротность и ширину
полосы пропускания резонансного контура.
Определить и построить амплитудно- и
фазочастотную характеристики I(ω),
z(ω),
φ(ω).
Частотные характеристики тока и сопротивления построить по оси ординат в
относительных единицах.
Пользуясь этими характеристиками, определить
добротность и ширину полосы пропускания цепи. Сравнить этот результат с
результатом, полученным в п. 3.1.
. Расчет переходных процессов классическим
методом
Определить и построить переходную и импульсную
характеристики четырехполюсника для входного тока и выходного напряжения.
Показать связь переходной и импульсной характеристик с передаточной функцией.
Переключатель Кл перевести в положение 2 (см.
рис.2) в момент времени, когда входное напряжение u3(t)=0,
du3/dt>
0, т.е. в момент начала положительного импульса напряжения u4(t).
Это условие будет выполнено при равенстве аргумента входного напряжения (wt
+ yu3) = 2 kp,
где k = 0, 1, 2, 3.
Рассчитать и построить графики изменения тока iвх
и напряжения uвых
четырехполюсника при подключении его к клеммам с напряжением u4(t)
в момент времени t=(2kp
- yu3)/w
с учетом запаса энергии в элементах цепи от предыдущего режима:
а) на интервале t
[0+, T], где T
- период изменения напряжения u4;
б) с использованием ЭВМ на интервале t
[0+, nT], где n
- количество периодов, при котором наступает квазиустановившийся режим.
. Расчет установившихся значений напряжений и
токов в четырехполюснике при несинусоидальном входном воздействии
Рассчитать законы изменения тока iвх(t)
и напряжения uвых(t)
частотным методом, представив напряжение uвх(t)
= u4(t)
в виде ряда Фурье до 5-й гармоники:uвх(t)
= S (4 Um
/ kp) sinkwt,
где k - целое нечетное
число.
Построить графики uвх(t)
= u4(t),
uвх(t),
iвх(t),
uвых(t)
в одном масштабе времени один под другим, где uвх(t),
iвх(t),и
uвых(t)
- суммарные мгновенные значения.
Определить действующие значения uвх(t),
iвх(t),и
uвых(t),
а также активную мощность, потребляемую четырехполюсником, коэффициенты
искажения iвх(t),
uвых(t).
Сделать выводы.
Заменить несинусоидальные кривые uвх(t),
iвх(t)
эквивалентными синусоидами и построить их графики.
Вариант задания
Рис. 1. Схема источника гармонических колебаний.
Исходные данные:
|
J6
|
-5-2j
|
A
|
|
Е1
|
500√2sin(103t+36º50′) Â
|
|
|
Å2
|
200√2sin(103t+90º)
|
Â
|
|
R1
|
80
|
Îì
|
|
L1
|
50
|
ìÃí
|
|
Ñ1
|
20
|
ìêÔ
|
|
R2
|
100
|
Îì
|
|
L3
|
400
|
ìÃí
|
|
Ñ3
|
10/3
|
ìêÔ
|
|
Ñ4
|
10
|
ìêÔ
|
|
R5=R6
|
100
|
Îì
|
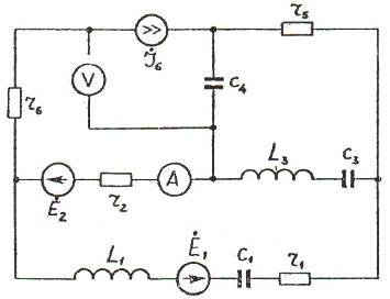
Ðèñ. 2. Ñõåìà
÷åòûð¸õïîëþñíèêà.
Èñõîäíûå
äàííûå:
1. Ðàñ÷åò èñòî÷íèêà
ãàðìîíè÷åñêèõ
êîëåáàíèé (ÈÃÊ)
Ïðåäñòàâèòü
èñõîäíóþ ñõåìó
ÈÃÊ îòíîñèòåëüíî
ïåðâè÷íîé îáìîòêè
òðàíñôîðìàòîðà
ýêâèâàëåíòíûì
èñòî÷íèêîì íàïðÿæåíèÿ.
Îïðåäåëèòü åãî
ïàðàìåòðû è çíà÷åíèå
òîêà â ïåðâè÷íîé
îáìîòêå òðàíñôîðìàòîðà.
 êà÷åñòâå ïåðâè÷íîé
îáìîòêè òðàíñôîðìàòîðà
âûáðàòü èíäóêòèâíîñòü
â ëþáîé âåòâè,
êðîìå âåòâè ñ
èäåàëüíûì èñòî÷íèêîì
òîêà.
Ïåðåõîä â
êîìïëåêñíóþ
ôîðìó:
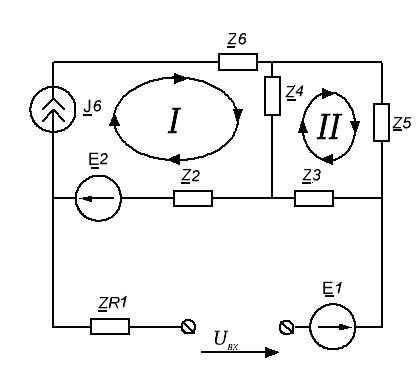
Ðèñ. 3. Ñõåìà
ÈÃÊ äëÿ ìåòîäà
ýêâèâàëåíòíîãî
ãåíåðàòîðà.
Ðèñ. 4. Ñõåìà
íàõîæäåíèÿ Zâõ
äëÿ ìåòîäà ýêâèâàëåíòíîãî
ãåíåðàòîðà.
Íàõîäèì
Uâx.
, èñïîëüçóÿ ìåòîä
êîíòóðíûõ òîêîâ:
Ðèñ. 5. Ïðåäñòàâëåíèå
ñõåìû ÈÃÊ îòíîñèòåëüíî
ïåðâè÷íîé îáìîòêè
òðàíñôîðìàòîðà
ýêâèâàëåíòíûì
èñòî÷íèêîì íàïðÿæåíèÿ.
.1 Çàïèñàòü
ìãíîâåííûå çíà÷åíèÿ
òîêà è íàïðÿæåíèÿ
ïåðâè÷íîé îáìîòêè
òðàíñôîðìàòîðà
è ïîñòðîèòü èõ
âîëíîâûå äèàãðàììû
Ðàññ÷èòàåì
ìãíîâåííûå çíà÷åíèÿ
òîêà è íàïðÿæåíèÿ
íà èíäóêòèâíîñòè
:
Ðèñ. 6. Ãðàôèê
Ðèñ. 7. Ãðàôèê
1.2 Îïðåäåëèòü
çíà÷åíèÿ Ì58 , Ì59
, L8 , L9
òðàíñôîðìàòîðà
èç óñëîâèÿ, ÷òî
èíäóêòèâíîñòü
ïåðâè÷íîé îáìîòêè
L5 èçâåñòíà,
U1=5 B,
U2=10 B,
à êîýôôèöèåíò
ìàãíèòíîé ñâÿçè
îáìîòîê k
ñëåäóåò
âûáðàòü èç óêàçàííîãî
äèàïàçîíà: 0.5 <k<
0.95
Âûáèðàåì
k = 0.7.
2. Ðàñ÷¸ò ÷åòûð¸õïîëþñíèêà
.1. Ðàññ÷èòàòü
òîêè è íàïðÿæåíèÿ
ìåòîäîì âõîäíîãî
ñîïðîòèâëåíèÿ
(èëè âõîäíîé ïðîâîäèìîñòè),
ïîñòðîèòü âåêòîðíóþ
äèàãðàììó òîêîâ
è íàïðÿæåíèé
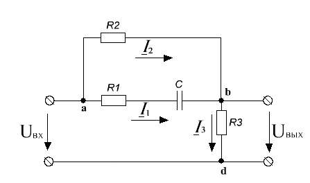
ðèñ.8. Ñõåìà
÷åòûðåõïîëþñíèêà
2.2 Ðàññ÷èòàåì
çíà÷åíèå ïàðàìåòðà
ðåàêòèâíîãî
ýëåìåíòà èç óñëîâèÿ,
÷òî ïîñòîÿííàÿ
âðåìåíè öåïè ðàâíà
ïåðèîäó âõîäíîãî
âîçäåéñòâèÿ.
Èç óñëîâèÿ,
÷òî ïîñòîÿííàÿ
âðåìåíè öåïè ðàâíà
ïåðèîäó âõîäíîãî
âîçäåéñòâèÿ:
.3 Ðàññ÷èòàòü
òîêè è íàïðÿæåíèÿ
â ñõåìå ÷åòûðåõïîëþñíèêà
ìåòîäîì âõîäíîãî
ñîïðîòèâëåíèÿ
(èëè âõîäíîé ïðîâîäèìîñòè)
ïðè u1=u3=uâõ
Îïðåäåëèì
âõîäíîå ñîïðîòèâëåíèå
÷åòûðåõïîëþñíèêà:
Íàéäåì
òîêè è íàïðÿæåíèÿ:
2.4 Çàïèñàòü
ìãíîâåííûå çíà÷åíèÿ
uâõ ,iâõ
è uâûõ
;îïðåäåëèòü ñäâèã
ïî ôàçå ìåæäó
âûõîäíûì è âõîäíûì
íàïðÿæåíèÿìè,
à òàêæå îòíîøåíèå
èõ äåéñòâóþùèõ
çíà÷åíèé.
Ôàçîâûé
ñäâèã è îòíîøåíèå
äåéñòâóþùèõ
çíà÷åíèé âõîäíîãî
è âûõîäíîãî íàïðÿæåíèÿ:
2.5 Îïðåäåëèòü
ïåðåäàòî÷íûå
ôóíêöèè: W(s)=
Uâûõ(s)/
Uâõ(s),
W(jw)
= Uâûõ/Uâõ
.
.6 Îïðåäåëèòü
è ïîñòðîèòü àìïëèòóäíî-
è ôàçî÷àñòîòíûå
õàðàêòåðèñòèêè.
À×Õ è Ô×Õ ïîñòðîèòü
â äèàïàçîíå ÷àñòîò
îò 0 äî 5000 1/ñ. Èñïîëüçóÿ
÷àñòîòíûå õàðàêòåðèñòèêè,
îïðåäåëèòü uâûõ
ïðè çàäàííîì
uâõ.
À×Õ:
Ô×Õ:
Ñòðîèì ãðàôèêè
À×Õ è Ô×Õ :
ðèñ.9 Àìïëèòóäíî-÷àñòîòíàÿ
õàðàêòåðèñòèêà
.
ðèñ.10 Ôàçî-÷àñòîòíàÿ
õàðàêòåðèñòèêà
.
Îïðåäåëèì
Uâûõ:
Ïîëó÷åííîå
çíà÷åíèå âûõîäíîãî
íàïðÿæåíèÿ ñîâïàäàåò
ñ íàéäåííûì â
ï. 2.2.
.6 Ïîñòðîèòü
ãîäîãðàô - ëèíèþ
ñåìåéñòâà òî÷åê
êîìïëåêñíîé
ïåðåäàòî÷íîé
ôóíêöèè â äèàïàçîíå
÷àñòîò îò 0 äî
¥
íà
êîìïëåêñíîé
ïëîñêîñòè. Óêàçàòü
íà ãîäîãðàôå
òî÷êè, ñîîòâåòñòâóþùèå
÷àñòîòàì 0, 1000 1/ñ.
ãàðìîíè÷åñêèé
êîëåáàíèå íàïðÿæåíèå
òîê
À×Õ: 
ðèñ.11Ãîäîãðàô.
3. Ðàñ÷åò ðåçîíàíñíûõ
ðåæèìîâ
.1 Âêëþ÷èòü
â ñõåìó ÷åòûðåõïîëþñíèêà
ðåàêòèâíîå ñîïðîòèâëåíèå
(èíäóêòèâíîñòü
èëè åìêîñòü) òàêèì
îáðàçîì, ÷òîáû
uâõ è
iâõ ñîâïàäàëè
ïî ôàçå (ðåæèì
ðåçîíàíñà íàïðÿæåíèé)
Îïðåäåëèòü
çíà÷åíèå ïàðàìåòðà
ðåàêòèâíîãî
ýëåìåíòà, à òàêæå
âõîäíîå ñîïðîòèâëåíèå,
âõîäíîé òîê, äîáðîòíîñòü
è øèðèíó ïîëîñû
ïðîïóñêàíèÿ ðåçîíàíñíîãî
êîíòóðà.
ðèñ.12
Âõîäíîå
ñîïðîòèâëåíèå
â ýòîì ñëó÷àå
áóäåò èìåòü âèä:
Óñëîâèåì
ðåçîíàíñà ÿâëÿåòñÿ
ðàâåíñòâî íóëþ
ìíèìîé ÷àñòè
âõîäíîãî ñîïðîòèâëåíèÿ:
.2 Îïðåäåëèòü
è ïîñòðîèòü àìïëèòóäíî-
è ôàçî÷àñòîòíóþ
õàðàêòåðèñòèêè:
I(ω), z(ω), φ(ω).
Ðèñ. 13. À×Õ
òîêà â îòíîñèòåëüíûõ
åäèíèöàõ.
Ðèñ. 14. À×Õ
ñîïðîòèâëåíèÿ
â îòíîñèòåëüíûõ
åäèíèöàõ.
Ðèñ. 15. Ô×Õ.
.3 Ïîëüçóÿñü
ýòèìè õàðàêòåðèñòèêàìè,
îïðåäåëèòü äîáðîòíîñòü
è øèðèíó ïîëîñû
ïðîïóñêàíèÿ öåïè.
Ñðàâíèòü ýòîò
ðåçóëüòàò ñ ðåçóëüòàòîì,
ïîëó÷åííûì â
ï. 3.1
Íà ãðàíèöàõ
ïîëîñû ïðîïóñêàíèÿ:
. Ýòî
çíà÷åíèÿ ÷àñòîò
è
, è èç
ýòîãî ñëåäóåò
, à
. Ýòîò
ðåçóëüòàò ñîâïàäàåò
ñ ðåçóëüòàòîì,
ïîëó÷åííûì â
ï.3.1
4.Ðàñ÷¸ò
ïåðåõîäíûõ ïðîöåññîâ
êëàññè÷åñêèì
ìåòîäîì
.1 Îïðåäåëèòü
è ïîñòðîèòü ïåðåõîäíóþ
è èìïóëüñíóþ
õàðàêòåðèñòèêè
÷åòûðåõïîëþñíèêà
äëÿ âõîäíîãî òîêà
è âûõîäíîãî íàïðÿæåíèÿ.
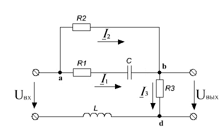
Ðèñ 16. Ñõåìà
÷åòûðåõïîëþñíèêà.
Ïðèìåíèì
êëàññè÷åñêèé
ìåòîä ðàñ÷¸òà
ïåðåõîäíûõ ïðîöåññîâ.
Õàðàêòåðèñòè÷åñêîå
óðàâíåíèå ïðè
çàäàííûõ ïàðàìåòðàõ
ýëåìåíòîâ ñõåìû:
Ðåøåíèå
áóäåò èìåòü âèä:
Íàéäåì
íà÷àëüíûå è âûíóæäåíèÿ
çíà÷åíèÿ íàïðÿæåíèÿ
íà êîíäåíñàòîðå:
Îïðåäåëèì
ïîñòîÿííóþ
èç
íà÷àëüíûõ óñëîâèé:
Òîãäà
ñîãëàñíî çàêîíàì
Êèðõãîôà:
Îïðåäåëèì
ïåðåõîäíûå è èìïóëüñíûå
õàðàêòåðèñòèêè
ñõåìû:
Íèæå ïðèâåäåíû
ãðàôèêè íàéäåííûõ
ôóíêöèé
Ðèñ. 17. Ïåðåõîäíàÿ
õàðàêòåðèñòèêè
äëÿ òîêà
.
Ðèñ. 20. Èìïóëüñíàÿ
õàðàêòåðèñòèêè
äëÿ òîêà
.
Ðèñ. 21. Ïåðåõîäíàÿ
õàðàêòåðèñòèêè
äëÿ íàïðÿæåíèÿ
.
Ðè.ñ 22. Èìïóëüñíàÿ
õàðàêòåðèñòèêè
äëÿ íàïðÿæåíèÿ
.
Ïîêàæåì
ñâÿçü ìåæäó ïåðåõîäíîé
è ïåðåäàòî÷íîé
ôóíêöèÿìè:
Ïîëó÷åííûå
çíà÷åíèÿ ñîâïàäàþò.
.2 Ðàñ÷åò
è ïîñòðîåíèå
ãðàôèêîâ èçìåíåíèÿ
òîêà iâõ è íàïðÿæåíèÿ
uâûõ
÷åòûð¸õïîëþñíèêà
ïðè ïîäêëþ÷åíèè
åãî ê êëåììàì
ñ íàïðÿæåíèåì
u4(t) â ìîìåíò
âðåìåíè t0 = (2k- u3)/ñ ó÷åòîì
çàïàñà ýíåðãèè
â ýëåìåíòàõ ñõåìû
îò ïðåäûäóùåãî
ðåæèìà ðàáîòû
.2 Ïåðåêëþ÷àòåëü
Êë ïåðåâåñòè â
ïîëîæåíèå 2 (ñì.
ðèñ.2) â ìîìåíò
âðåìåíè, êîãäà
âõîäíîå íàïðÿæåíèå
u3(t)=0,
du3/dt>
0, ò.å. â ìîìåíò íà÷àëà
ïîëîæèòåëüíîãî
èìïóëüñà íàïðÿæåíèÿ
u4(t)
Ýòî óñëîâèå
áóäåò âûïîëíåíî
ïðè ðàâåíñòâå
àðãóìåíòà âõîäíîãî
íàïðÿæåíèÿ (wt
+ yu3) = 2 kp,
ãäå k
= 0, 1, 2, 3. Ðàññ÷èòàòü
è ïîñòðîèòü ãðàôèêè
èçìåíåíèÿ òîêà
iâõ è
íàïðÿæåíèÿ uâûõ
÷åòûðåõïîëþñíèêà
ïðè ïîäêëþ÷åíèè
åãî ê êëåììàì
ñ íàïðÿæåíèåì
u4(t)
â ìîìåíò âðåìåíè
t=(2kp
- yu3)/w
ñ
ó÷åòîì çàïàñà
ýíåðãèè â ýëåìåíòàõ
öåïè îò ïðåäûäóùåãî
ðåæèìà:
à) íà èíòåðâàëå
t [0+, T],
ãäå T
- ïåðèîä èçìåíåíèÿ
íàïðÿæåíèÿ u4;
Ïîñëå êîììóòàöèè
íà ñõåìó ïîäàþòñÿ
ïðÿìîóãîëüíûå
èìïóëüñû ñ àìïëèòóäîé
10Â.
Äëÿ èíòåðâàëà
Èç ï. 2.1. íàéä¸ì
ìãíîâåííîå çíà÷åíèå
íàïðÿæåíèÿ íà
êîíäåíñàòîðå:
Îïðåäåëèì
çíà÷åíèå íàïðÿæåíèÿ
íà êîíäåíñàòîðå
â ìîìåíò êîììóòàöèè:
Èùåì ðåøåíèå
â âèäå:
Èç ïðåäûäóùåãî
ðàñ÷åòà íàì èçâåñòíî:

Òîãäà:
Äëÿ îïðåäåëåíèÿ
è
âîñïîëüçóåìñÿ
çàêîíàìè Êèðõãîôà:
Àíàëîãè÷íî
äëÿ èíòåðâàëà
, ó÷èòûâàÿ,
÷òî çíàê âõîäíîãî
íàïðÿæåíèÿ ìåíÿåòñÿ
è, ñëåäîâàòåëüíî,
ìåíÿåòñÿ çíàê
âûíóæäåííîãî
òîêà. Ïî çàêîíó
êîììóòàöèè:
Îïðåäåëèì
ïîñòîÿííóþ
èç
íà÷àëüíûõ óñëîâèé:
Òîãäà:
Äëÿ îïðåäåëåíèÿ
è
âîñïîëüçóåìñÿ
çàêîíàìè Êèðõãîôà:
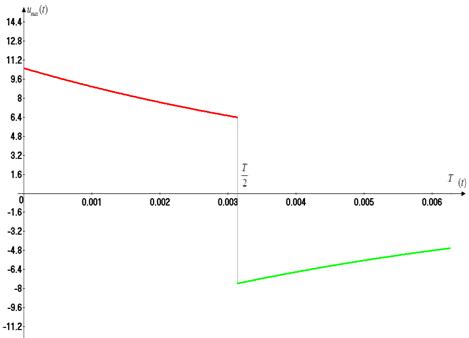
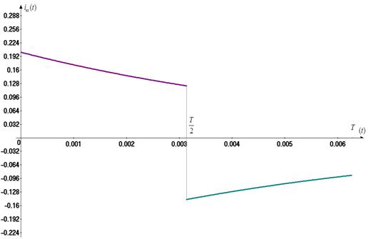
Ðèñ. 23. Ãðàôèê
âûõîäíîãî íàïðÿæåíèÿ
äëÿ ïåðâîãî ïåðèîäà.
Ðèñ. 24. Ãðàôèê
âõîäíîãî òîêà
äëÿ ïåðâîãî ïåðèîäà.
á) Ðàñ÷åò
è ïîñòðîåíèå
ãðàôèêîâ èçìåíåíèÿ
òîêà iâõ
è íàïðÿæåíèÿ uâûõ
÷åòûð¸õïîëþñíèêà
íà èíòåðâàëå,
ïðè êîòîðîì íàñòóïàåò
êâàçèóñòàíîâèâøèéñÿ
ðåæèì.
Ðàññ÷èòàåì
ïðîìåæóòîê âðåìåíè
 íà èíòåðâàëå
Èç ïðåäûäóùåãî
ðàñ÷åòà íàì èçâåñòíî:
Ïî
çàêîíó êîììóòàöèè:
Òîãäà:
Äëÿ îïðåäåëåíèÿ
è
âîñïîëüçóåìñÿ
çàêîíàìè Êèðõãîôà:
Àíàëîãè÷íî
äëÿ èíòåðâàëà
, ó÷èòûâàÿ,
÷òî çíàê âõîäíîãî
íàïðÿæåíèÿ ìåíÿåòñÿ
è, ñëåäîâàòåëüíî,
ìåíÿåòñÿ çíàê
âûíóæäåííîãî
òîêà. Ïî çàêîíó
êîììóòàöèè:
 íà
èíòåðâàëå
Îïðåäåëèì
ïîñòîÿííóþ
èç
íà÷àëüíûõ óñëîâèé:
Òîãäà:
Äëÿ îïðåäåëåíèÿ
è
âîñïîëüçóåìñÿ
çàêîíàìè Êèðõãîôà:
Ïðèìåíèì
ñôîðìóëèðîâàííûé
îáùèé àëãîðèòì
äëÿ ÷åòûð¸õ ïåðèîäîâ:
Ïåðâûé ïåðèîä:
ïåðâûé
ïîëóïåðèîä
âòîðîé
ïîëóïåðèîä
Âòîðîé
ïåðèîä:
ïåðâûé
ïîëóïåðèîä
âòîðîé
ïîëóïåðèîä
Òðåòèé
ïåðèîä:
ïåðâûé
ïîëóïåðèîä
âòîðîé
ïîëóïåðèîä
Ðèñ. 25. Ãðàôèê
âûõîäíîãî íàïðÿæåíèÿ
äëÿ òð¸õ ïåðèîäîâ.
Ðèñ. 26. Ãðàôèê
âõîäíîãî òîêà
äëÿòð¸õ ïåðèîäîâ.
5. Ðàñ÷¸ò óñòàíîâèâøèõñÿ
çíà÷åíèé òîêîâ
è íàïðÿæåíèé
â ÷åòûðåõïîëþñíèêå
ïðè íåñèíóñîèäàëüíîì
âõîäíîì âîçäåéñòâèè
.1 Ðàññ÷èòàòü
çàêîíû èçìåíåíèÿ
òîêà iâõ(t)
è íàïðÿæåíèÿ uâûõ(t)
÷àñòîòíûì ìåòîäîì,
ïðåäñòàâèâ íàïðÿæåíèå
uâõ(t)
= u4(t)
â âèäå ðÿäà Ôóðüå
äî 5-é ãàðìîíèêè
Âõîäíîå
íàïðÿæåíèå çàäàíî
ôîðìóëîé (ðÿä Ôóðüå):
Âõîäíîå
âîçäåéñòâèå
ìîæíî çàïèñàòü
â âèäå:
Ðàññ÷èòàåì
äëÿ
êàæäîé ãàðìîíèêè:
Òîãäà
âûõîäíîå íàïðÿæåíèå
èìååò âèä:
Âõîäíîé
òîê èìååò âèä
:
Èòàê:
.2 Ïîñòðîèòü
ãðàôèêè uâõ(t) = u4(t), uâõ(t), iâõ(t), uâûõ(t) â îäíîì
ìàñøòàáå âðåìåíè
îäèí ïîä äðóãèì,
ãäå uâõ(t), iâõ(t),è uâûõ(t) - ñóììàðíûå
ìãíîâåííûå çíà÷åíèÿ
Ðèñ 27. Ãðàôèêè
âõîäíîãî è âûõîäíîãî
íàïðÿæåíèé.
Ðèñ 15. Ãðàôèê
âõîäíîãî òîêà.
.3 Îïðåäåëèòü
äåéñòâóþùèå
çíà÷åíèÿ uâõ(t),
iâõ(t),
uâûõ(t),
à òàêæå àêòèâíóþ
ìîùíîñòü, ïîòðåáëÿåìóþ
÷åòûðåõïîëþñíèêîì,
è êîýôôèöèåíòû
èñêàæåíèÿ iâõ(t),
uâûõ(t)
Äåéñòâóþùèå
çíà÷åíèÿ ñèãíàëîâ:
Àêòèâíàÿ
ìîùíîñòü:
Ïîëíàÿ
ìîùíîñòü:
Êîýôôèöèåíò
èñêàæåíèÿ ,
ãäå
F - äåéñòâóþùåå
çíà÷åíèå ôóíêöèè,
-äåéñòâóþùåå
çíà÷åíèå ôóíêöèè
ïðè ïåðâîé ãàðìîíèêå.
Äëÿ íàïðÿæåíèÿ
:
Äëÿ íàïðÿæåíèÿ
:
Äëÿ òîêà
:
.4. Çàìåíèòü
íåñèíóñîèäàëüíûå
êðèâûå uâõ(t),
iâõ(t)
ýêâèâàëåíòíûìè
ñèíóñîèäàìè
è ïîñòðîèòü èõ
ãðàôèêè
Îïðåäåëèì
êîýôôèöèåíò
ìîùíîñòè:
Òîãäà ñîîòâåòñòâóþùèå
ýêâèâàëåíòíûå
ñèíóñîèäû áóäóò
èìåòü âèä:
Ðèñ 28. Ãðàôèêè
íåñèíóñîèäàëüíîãî
âõîäíîãî òîêà
è åãî ýêâèâàëåíòíîé
ñèíóñîèäû.
Ðèñ 29. Ãðàôèêè
íåñèíóñîèäàëüíîãî
âõîäíîãî íàïðÿæåíèÿ
è åãî ýêâèâàëåíòíîé
ñèíóñîèäû.
Âûâîäû
Èññëåäîâàíèå
èñòî÷íèêà ãàðìîíè÷åñêèõ
êîëåáàíèé ïîêàçàëî,
÷òî ðàñ÷åò íàïðÿæåíèé
è òîêîâ íà åãî
ýëåìåíòàõ ìîæíî
ïðîâîäèòü ðàçíûìè
ìåòîäàìè. Íàïðèìåð,
ìåòîäîì êîíòóðíûõ
òîêîâ èëè ìåòîäîì
ýêâèâàëåíòíîãî
ãåíåðàòîðà ÝÄÑ.
Êàê è ïðåäïîëàãàëîñü,
âñå ìåòîäû äàþò
îäèí è òîò æå ðåçóëüòàò.
Íî èñïîëüçîâàíèå
ìåòîäà êîíòóðíûõ
òîêîâ ïîçâîëÿåò
óìåíüøèòü êîëè÷åñòâî
âû÷èñëåíèé ïî
ñðàâíåíèþ ñ ìåòîäîì
ýêâèâàëåíòíîãî
èñòî÷íèêà.
Ðàñ÷åò áàëàíñà
ìîùíîñòåé äëÿ
ñõåìû ïîçâîëÿåò
ïðîâåðèòü ïðàâèëüíîñòü
ïîâåäåííûõ ðàñ÷åòîâ
ïî îïðåäåëåíèþ
íàïðÿæåíèé è
òîêîâ íà ýëåìåíòàõ
ñõåìû.
Ðàñ÷åòû
ïåðåõîäíûõ ïðîöåññîâ
â ÷åòûðåõïîëþñíèêå
äëÿ îïðåäåëåíèÿ
âõîäíîãî òîêà
è âûõîäíîãî íàïðÿæåíèÿ
è ðàñ÷åòû ïðîöåññîâ
â ÷åòûðåõïîëþñíèêå
ñ èñïîëüçîâàíèåì
ðàçëîæåíèÿ íåñèíóñîèäàëüíîãî
âõîäíîãî âîçäåéñòâèÿ
â ðÿä Ôóðüå äàþò
áëèçêèå ðåçóëüòàòû.
Èõ íåáîëüøîå
îòëè÷èå îáúÿñíÿåòñÿ
òåì, ÷òî ðàçëîæåíèå
ñèãíàëà â ðÿä
Ôóðüå èìååò íåêîòîðóþ
ïîãðåøíîñòü ïî
ñðàâíåíèþ åãî
èñòèííûì çíà÷åíèåì.
Íàèáîëüøóþ òî÷íîñòü
ðàñ÷åòà â äàííîì
ñëó÷àå äàåò êëàññè÷åñêèé
ìåòîä ðàñ÷åòà
ïåðåõîäíûõ ïðîöåññîâ.
Äîïîëíèòåëüíîå
îòëè÷èå ðåçóëüòàòîâ
ïîëó÷åííûõ ýòèì
ìåòîäîì ïî ñðàâíåíèþ
ñ ìåòîäîì, èñïîëüçóþùèì
ðàçëîæåíèå â
ðÿä Ôóðüå, äàåò
òî, ÷òî ïðè ðàñ÷åòå
ïåðåõîäíîãî ïðîöåññà
ó÷èòûâàåòñÿ
çàïàñû ýíåðãèè
îò ïðåäûäóùåãî
ðåæèìà ðàáîòû,
÷òî íå ó÷èòûâàëîñü
â ïåðâîì ñëó÷àå.
Àíàëèç ÷åòûðåõïîëþñíèêà
ïîêàçàë, ÷òî ïðîõîäÿùèé
÷åðåç íåãî ñèãíàë
ïðåòåðïåâàåò
çíà÷èòåëüíûå
èçìåíåíèÿ è îñëàáåâàåò.
Ýòî îáúÿñíÿåòñÿ
òåì, ÷òî â ÷åòûðåõïîëþñíèêå
ïðîèñõîäèò íåêîòîðàÿ
ïîòåðÿ ýíåðãèè
íà åãî ýëåìåíòàõ.
 õîäå ðàáîòû
ñòàëà ÿñíà î÷åâèäíîñòü
èñïîëüçîâàíèÿ
âû÷èñëèòåëüíîé
òåõíèêè ïðè ðàçëè÷íûõ
ðàñ÷åòàõ, â îñîáåííîñòè
ïðè ðàñ÷åòàõ
ïåðåõîäíûõ ïðîöåññîâ,
òàê êàê ýòîò ðàñ÷åò
òðåáóåò áîëüøèõ
âû÷èñëåíèé. Ñ
öåëüþ óïðîùåíèÿ
âû÷èñëåíèé è
ïîñòðîåíèÿ ãðàôèêîâ
èñïîëüçîâàëèñü
ìàòåìàòè÷åñêèå
ïðîãðàììûMathCAD14
è AdvancedGrapher
2.11
Ñïèñîê ëèòåðàòóðû
1.
Ïîïîâ Â.Ï. Îñíîâû
òåîðèè öåïåé:
Ó÷åáíèê äëÿ âóçîâ
ñïåö. ðàäèîòåõíèêà
- Ì.: Âûñøàÿ øêîëà,
1985.
.
Àòàáåêîâ Ã.È.
Îñíîâû òåîðèè
öåïåé: Ó÷åáíèê
äëÿ âóçîâ. -Ì.: Ýíåðãèÿ,
1969.
.
Áåññîíîâ Ë.À. Òåîðåòè÷åñêèå
îñíîâû ýëåêòðîòåõíèêè.
Ýëåêòðè÷åñêèå
öåïè: Ó÷åáíèê
äëÿ ýëåêòðî-òåõí.,
ýíåðã., ïðèáîðîñòðîèò.ñïåö
âóçîâ. - Ì.: Âûñøàÿ
øêîëà, 1996.
.
Ìàëàíüèí Â.À.,
Øåðñòíÿêîâ Þ.Ã.
Àíàëèç óñòàíîâèâøèõñÿ
è ïåðåõîäíûõ ïðîöåññîâ
â ëèíåéíûõ ýëåêòðè÷åñêèõ
öåïÿõ. - Ì.: Èçä-âî
ÌÃÒÓ, 1991.
Ðàçìåùåíî
íà Allbest.ru