Переходные процессы в линейных электрических цепях
Введение
Часть
1. Переходные процессы в линейных электрических цепях
Переходным называется процесс, возникающий в электрической
цепи при переходе из одного установившегося состояния в другой. Переходные
процессы возникают в электрических цепях при различных коммутациях и других
воздействиях, приводящих к изменению режима работы цепи - изменению параметров
токов и напряжений на отдельных ветвях, таких как амплитуда, фаза или частота,
на отличающиеся от параметров действующей в цепи ЭДС. Коммутации происходят при
действии различного рода коммутационной аппаратуры, например ключей,
переключателей для включения или отключения источника энергии, при обрывах в
цепи, при коротких замыканиях, при включениях и отключениях пассивных и
активных ветвей, при внезапных изменениях параметров цепи и т.д.
Физически переходные процессы представляют собой процессы
перехода от энергетического состояния, соответствующего докоммутационному
режиму, к энергетическому состоянию, соответствующему послекоммутационному
режиму.
Переходные процессы обычно являются быстро протекающими.
Длительность их зависит от запасов энергии в реактивных элементах цепи и
составляет десятые, сотые, а иногда даже миллиардные доли секунды. Сравнительно
редко длительность переходных достигает секунд и десятков секунд. Тем не менее,
изучение переходных процессов важно, так как оно даёт возможность установить,
как деформируются по форме и амплитуде сигналы при прохождении их через
усилители и другие устройства, позволяет выявить превышения напряжения на отдельных
участках цепи, которые могут оказаться опасными для электротехнических
устройств и для их изоляции, увеличения амплитуд токов, которые могут в десятки
раз превышать амплитуду тока установившегося периодического процесса и вызвать
недопустимые механические усилия.
Часть
2. Линейные электрические цепи периодических несинусоидальных токов
Синусоидальные колебания являются самой простой формой
периодического процесса. В сетях электротехнических систем принимается ряд мер
для поддержания синусоидальной формы переменных токов и напряжений и устранения
различных отклонений от синусоидальной формы. Но всё же невозможно достичь
идеальных форм синусоидальности у ЭДС из-за несовершенства конструкций
генераторов, присутствия в электрических цепях нелинейных элементов, внешних
несинусоидальных воздействий на цепи через магнитные связи и т.д.
С другой стороны, в цепях электросвязи, электронных и
полупроводниковых устройств отклонение от синусоидальной формы переменных
частот обусловлено самим рабочим процессом устройства. Поэтому знание элементов
теории несинусоидальных периодических токов необходимо для понимания принципов
действия устройств автоматики, электронных приборов и самой различной
аппаратуры современной техники.
Теоретическая
часть
Часть
1. Переходные процессы в линейных электрических цепях
1)
Общие сведения
Как и при расчёте установившихся режимов, для расчёта
переходного процесса в электрической цепи все входящие в неё электротехнические
устройства представляют соответствующими моделями, то есть схемами замещения,
которые содержат резистивные, индуктивные и емкостные элементы, источники ЭДС и
тока, а также коммутационные ключи.
При рассмотрении переходных процессов в линейных
электрических цепях с сосредоточенными параметрами исключают нелинейный элемент
- электрическую дугу или искру, которая возникает на контактах переключателя во
время коммутации. Для исключения влияния электрической дуги, принимают, что
длительность коммутации по сравнению с продолжительностью переходного процесса
очень мала, то есть теоретически мгновенная. При расчёте переходного процесса в
электрической цепи допускают, что к моменту коммутации предыдущие переходные
процессы закончились. Теоретически переходный процесс длится бесконечно большое
время, но на практике можно считать, что он заканчивается, то есть в цепи
возникает установившийся режим, через незначительное время. Время переходного
процесса отсчитывается от момента коммутации.
Изменения токов и напряжений вызывают одновременное изменение
энергии электрического и магнитного полей, связанных с элементами цепи -
емкостями и индуктивностями. Однако энергия электрического и магнитного полей
могут изменяться только непрерывно, так как скачкообразное изменение
потребовало бы от источника бесконечно большой мощности. На этом рассуждении
основаны два закона коммутации.
Первый закон коммутации. В любой ветви с
индуктивностью ток (и магнитный поток) не может измениться скачком и в момент
коммутации сохраняет то значение, которое он имел непосредственно перед
моментом коммутации и начинает изменяться именно с этого значения, то есть:
, (1.1)
где
- значение тока в ветви с индуктивностью
непосредственно после коммутации;
- ток в индуктивности непосредственно перед коммутацией.
Второй закон коммутации. Напряжение на емкостном элементе (и заряд на её обкладках) сразу
после коммутации сохраняет то значение, которое оно имело непосредственно перед
моментом коммутации, то есть:
, (1.2)
где
- напряжение на ёмкости непосредственно
после моментом коммутации;
- напряжение на ёмкости непосредственно перед моментом
коммутации.
Действительно, если допустить, что ток, протекающий через индуктивный
элемент изменится скачком, то энергия магнитного поля на нём, которая прямо
пропорциональна квадрату этого тока, тоже изменится скачком. Скачкообразное
изменение напряжения на емкостном элементе, также приведёт к скачкообразному
изменению энергии электрического поля внутри него, так как эта энергия прямо
пропорциональна квадрату падению напряжения на этом элементе. Так как мощность
равна первой производной от энергии по времени, изменение энергии на конечное
значение за бесконечно малый промежуток времени потребует бесконечной большой
мощности от источника. Это лишено физического смысла, потому что реальные
источники питания не могут обеспечить бесконечно большие мощности.
Существует несколько методов расчёта переходных процессов в
линейных электрических цепях: классический, операторный, с помощью интеграла
Дюамеля, переменных состояния и т.д. Рассмотрим два из них: классический и
операторный.
2)
Классический метод расчёта переходных процессов в линейных электрических цепях
Классический метод расчёта переходных процессов в линейных
электрических цепях основан на интегрировании системы линейных дифференциальных
уравнений, составленных с помощью I и II законов Кирхгофа. Действительно, составив с
помощью I
и II законов Кирхгофа систему
алгебраических уравнений и выразив напряжения на индуктивностях и емкостях
через токи или, наоборот, токи через напряжения, и продифференцировав
уравнения, содержащие интегралы, получаем систему дифференциальных уравнений.
В классическом методе, пользуясь методом наложения
(суперпозиции), который применим к линейным электрическим цепям, искомый
переходный ток (переходное напряжение) рассматривают как величину, состоящую из
принуждённой и свободной составляющих.
Принуждённая составляющая тока
(напряжения) физически представляет собой составляющую, которая создается
только действующими в цепи источниками электрической энергии. Эта составляющая
изменяется с той же частотой, что и принуждающий источник. Если в схеме
действует принуждающая синусоидальная ЭДС или принуждающий синусоидальный ток,
то принуждённая составляющая любого тока и любого напряжения в схеме является
соответственно синусоидальным током или синусоидальным напряжением той же
частоты. Если в схеме действует только источник постоянной ЭДС или источник
постоянного тока, то принуждённый ток (принуждённое напряжение) есть постоянный
ток (постоянное напряжение).
Свободная составляющая тока (напряжения) вызывается
несоответствием между энергией, сосредоточенной в электрических и магнитных
полях емкостных и индуктивных элементов в момент времени, непосредственно
предшествовавший коммутации, и энергией этих элементов при новом установившемся
режиме в момент времени, непосредственно следующий за коммутацией. Энергия этих
элементов не может изменяться скачком, и её непрерывное изменение и
обуславливает переходный процесс. Эта составляющая тока (напряжения) быстро
затухает из-за необратимых потерь энергии на резистивных элементах.
Так как свободный процесс - это процесс, который происходит в
цепи, освобождённой от вынуждающих источников энергии, при рассмотрении
свободных процессов, в системе дифференциальных уравнений, записанных с помощью
I и II законов Кирхгофа, правые
части можно заменить нулями. А это значит, что свободная составляющая тока или
напряжения есть общее решение однородного линейного дифференциального
уравнения, описывающего искомый переходный процесс. Как известно из курса
математического анализа, решение неоднородного линейного дифференциального
уравнения, является алгебраической суммой общего решения однородного линейного
дифференциального уравнения и частного решения исходного неоднородного
дифференциального уравнения. Так как полный переходный ток (полное переходное
напряжение) есть алгебраическая сумма принуждённого и свободного составляющих,
принуждённая составляющая тока (напряжения) есть частное решение линейного
неоднородного дифференциального уравнения, описывающего переходный процесс.
Отсюда получаем что, частное решение этого дифференциального
уравнения можно найти, вычислив принуждённую составляющую искомого тока или
напряжения. Для нахождения этой составляющей рассчитывают исходную цепь в
установившемся режиме после коммутации любыми известными методами: методом
непосредственного применения I и II законов Кирхгофа, методом контурных токов,
узловых потенциалов, символическим методом и т.д. Если в цепи действуют только
источники постоянной ЭДС (постоянного тока), то следует учитывать, что
постоянный ток через конденсатор не проходит. Также, при постоянном токе,
протекающем через индуктивный элемент, падение напряжения на нём равно нулю.
Следовательно, при расчёте принуждённых токов или напряжений, при постоянных
принуждающих ЭДС и токов, в схемах замещения ёмкость можно заменить разрывом, а
индуктивность простым проводом.
Свободная составляющая, которая является общим решением
однородного дифференциального уравнения, которое, согласно курсу
математического анализа, в зависимости от корней характеристического уравнения,
записывается в виде:
) Если все корни характеристического уравнения неравные между
собой действительные числа:
, (1.3)
где
- постоянные интегрирования;
- корни характеристического уравнения для
линейного дифференциального уравнения, описывающего искомый переходный процесс;
) Если корни попарно сопряжённые комплексные числа:
, (1.4)
переходный линейная электрическая цепь
где
и
- постоянные интегрирования;
- корни характеристического уравнения;
) Если все корни характеристического уравнения равные между собой
действительные числа:
, (1.5)
где
- постоянные интегрирования;
- корни характеристического уравнения:
Если среди корней характеристического уравнения имеются корни
различного типа, то искомое решение будет определяться как сумма решений для
каждого типа по отдельности.
Если в системе дифференциальных уравнений, составленных с помощью I и II законов
Кирхгофа, токи и напряжения и их производные связаны только линейно, то корни
характеристического уравнения являются одинаковыми для всех токов и напряжений
в схеме. Для определения корней характеристического уравнения необязательно
составлять дифференциальное уравнение относительно искомой величины. Для
вычисления разработано несколько методов.
Первый метод основан на том факте, что если система алгебраических
уравнений имеет хоть одно ненулевое решение и только нулевые правые части, то
главный определитель этой системы должен равняться нулю. Если в системе
линейных дифференциальных уравнений, записанной с помощью I и II законов
Кирхгофа, правые части всех уравнений заменить нулями, то получится переход к
системе дифференциальных уравнений связывающие только свободные составляющие
токов и напряжений. Тогда, если считать, что свободная составляющая хотя бы
одного тока не равна нулю, то главный определитель этой системы должен
равняться нулю. Записав все корни характеристического уравнения как одну
переменную не зависящую то времени, выражение (1.3) можно переписать в виде:
.
Тогда:
(1.6)
(1.7)
Такие же выражения можно получить и для свободных составляющих
(1.4) и (1.5).
Подставив выражения (1.5) и (1.6) вместо производных и интегралов
в исходную систему, получаем систему алгебраических уравнений. Записав главный
определитель системы и приравняв его к нулю, имеем уравнение, которое имеет
такие же корни, что и характеристическое.
Метод главного определителя удобен, если в схеме имеются только
два независимых контура. Если же число независимых контуров больше, этот метод
становится громоздким. В этих случаях применяют метод входного сопротивления. С
целью получения характеристического уравнения составляют выражение входного
сопротивления пассивного двухполюсника на переменном токе [обозначим его
], заменяют в нём
на р [получают
] и приравнивают
нулю. Корни уравнения
совпадают с корнями характеристического
уравнения. Этот метод основан на том, что в схеме отсутствуют магнитно-связанные
ветви.
Постоянные интегрирования определяются с помощью начальных
условий, то есть значений токов и напряжений в схеме в момент
. Начальные значения тока в ветви с
индуктивность и напряжения на емкостном элементе называют независимыми
начальными условиями. Согласно первому и второму законам коммутации они
равны тем значениям, которые они имели непосредственно до коммутации. Начальные
значения других токов и напряжений называют зависимыми начальными
условиями. Их значения могут быть не равны тем значениям, которые они
имели непосредственно до коммутации. Зависимые начальные условия можно найти,
записав законы Кирхгофа для момента
и выразив их через независимые начальные условия.
3)
Операторный метод расчёта переходных процессов в линейных электрических цепях
Операторный метод расчёта переходных процессов в линейных
электрических цепях основан на том, что функции действительного переменного
(например времени)
, называемой оригиналом,
соответствует другая функция комплексного переменного
, называемая изображением.
Это соответствие производится по формуле:
(1.8)
и обозначается:
.
Интеграл (1.8) называется интегралом Лапласа. В
курсе математического анализа доказывается, что этот несобственный интеграл
сходится только в том случае, когда модуль функции
, если и увеличивается с ростом t, но всё же медленнее, чем модуль функции
, равный
, где
- действительная часть комплексной
переменной р. Все функции, характеризующие переходные процессы в
линейных электрических цепях, удовлетворяют этому условию.
Переход от изображения к оригиналу может быть выполнен при помощи интеграла
Бромвича:
, (1.9)
которое представляет собой решение интегрального уравнения (1.8)
относительно неизвестной функции
и может быть получено методами теории функций комплексного
переменного. Интеграл (1.9) вычисляется по бесконечной прямой на комплексной
плоскости
, параллельной мнимой оси и расположенной
правее всех полюсов функции
. Интеграл (1.9) сложен для вычисления, поэтому для перехода от
изображения к оригиналу пользуются таблицами оригиналов. Если полученное
изображение является дробно-рациональной функцией, то можно также
воспользоваться теоремой разложения, по которому:
, (1.10)
где
- полюса функции
;
- первая производная от
по переменной p.
Если уравнение
имеет комплексно сопряжённые корни, то нет необходимости
вычислять слагаемые суммы, стоящей в правой части равенства (1.10) для каждого
из сопряжённых корней в отдельности. Достаточно вычислить слагаемое суммы
(1.10) только для одного комплексного корня
, а для другого корня
взять сопряжённое этому слагаемому, то есть:
. (1.11)
Следует отметить что, при переходе от оригиналов к изображениям и
обратно выполняется свойство линейности: линейной комбинации оригиналов
(изображений) соответствует такая же линейная комбинация изображений
(оригиналов).
Идея операционного исчисления основана на том, что при его помощи
можно преобразовать интеграло-дифференциальные уравнения в алгебраические.
Действительно:
; (1.12)
. (1.13)
При расчёте переходных процессов в линейных электрических цепях
операторным методом можно преобразовать интеграло-дифференциальные уравнения,
записанные с помощью I и II законов Кирхгофа, в алгебраические, и,
решив эту систему, найти изображение искомой величины и получить окончательное
решение, перейдя к оригиналу. Но для большей наглядности в операторном методе
расчёта переходных процессов исходную схему цепи заменяют эквивалентной
операторной. Рассмотрим, как преобразуются напряжения на пассивных элементах
схемы замещения при переходе к изображениям токов.
Рассмотрим изображение напряжения на активном сопротивлении. Так
как
, если
является изображением тока в ветви с сопротивлением, то по
свойству линейности, получим:
; (1.14)
Из выражения (1.14) видим, что при преобразовании схемы на
эквивалентный операторный, активные сопротивления в ней изменения не
претерпевают.
Рассмотрим изображение напряжения на индуктивности. Так как,
, если
является изображением тока, протекающего через индуктивность, то
согласно выражению (1.12) и свойству линейности изображение напряжения на
индуктивности примет вид:
. (1.15)
Выражение (1.15) представляет собой одну из записей закона Ома в
операторной форме. Символически величину
принято называть операторным индуктивным сопротивлением, а
величину
- внутренним ЭДС индуктивного элемента.
Он возникает за счёт запасенной энергии магнитного поля внутри
элемента, вследствие протекания тока через неё до коммутации. Как видно из
выражения (1.15) внутренняя ЭДС индуктивного элемента направлена в ту же
сторону, что и ток в ветви с индуктивностью. Отсюда в эквивалентной операторной
схеме замещения индуктивный элемент можно заменить операторным индуктивным
сопротивлением и направленным согласно с направлением тока источником ЭДС.
Напряжение на емкостном элементе можно выразить следующим образом:
;
. (1.16)
Выражение (1.16) также является одной из записей закона Ома в
операторной форме. Символично величина
называется операторным емкостным сопротивлением, а величина
- внутренним ЭДС емкостного элемента.
Внутренняя ЭДС обусловлена запасом энергии в электрическом поле емкостного
элемента вследствие наличия напряжения на нём до коммутации. Как видно из
выражения (1.16) внутренняя ЭДС емкостного элемента будет направлена встречно
току, протекающему через неё. Тогда емкостной элемент в эквивалентной
операторной схеме замещения заменяется операторным емкостным сопротивлением и
источником ЭДС, направленной встречно току, протекающему через этот емкостной
элемент.
Так как в эквивалентной операторной схеме замещения все токи и
напряжения заменены их изображениями, то естественно ЭДС и токи соответствующих
источников тоже следует заменить их изображениями.
Заменив исходную цепь эквивалентным операторным и рассчитав её
одним из известных способов, получаем изображение искомого тока (напряжения) и
находим сам закон его изменения от времени, перейдя к оригиналу рассмотренными
выше способами.
Расчётная
часть
Часть
1. Переходные процессы в линейных электрических цепях
Постановка задачи:
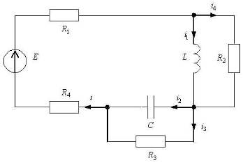
Дана электрическая цепь, в которой происходит коммутация (рис
2.1). В цепи действует постоянная ЭДС
В и подключены сопротивления
Ом,
Ом,
Ом,
Ом, индуктивность
мГн и ёмкость
мкФ.
Определить закон изменения тока на емкости после коммутации.
Рис.2.1
Дано:
Найти:
.
Решение:
1) Определим независимые начальные условия, рассмотрев схему
замещения исходной цепи до момента коммутации:
Рис.2.2
До коммутации в данной электрической цепи имеются два разрыва: в
виде коммутационного ключа и емкостного элемента, следовательно, тока в цепи не
будет, в том числе и в ветви с индуктивностью. Записав II закон Кирхгофа для контура с источником ЭДС и ёмкостью, получим,
что емкостной элемент зарядится до разности потенциалов, равной ЭДС источника.
Имеем:
(2.1)
) Решение задачи классическим методом:
Рассмотрим цепь после коммутации и запишем систему уравнений с
помощью I и II законов Кирхгофа:
Рис.2.3
(2.2)
Запишем искомую величину в виде:
.
Найдём принуждённую составляющую тока, рассчитав цепь в
установившемся режиме постоянного тока после коммутации. Емкость в цепи
постоянного тока равносилен разрыву, следовательно, тока на ёмкости в
установившемся режиме не будет, то есть:
Чтобы найти свободную составляющую тока составим
характеристическое уравнение для системы дифференциальных уравнений (2.2)
методом входного сопротивления.
;
Получили свободную составляющую тока на емкости:
Тогда искомое решение примет вид:
Определим постоянные интегрирования для полученного решения:
(2.3)
Чтобы найти
запишем систему уравнений (2.2) для
момента
:
(2.4)
Так как нам известны значения
и
по законам коммутации, имеем систему из
пяти алгебраических уравнений с пятью неизвестными.
Выразим
из второго уравнения системы (2.3):
(2.5)
Из четвёртого уравнения системы (2.3) получим:
. (2.6)
Выразим
из пятого уравнения и подставим в третье:
(2.7)
Выразим
из первого уравнения и подставим в
уравнение (2.7):
Получим:
. (2.8)
Подставив выражения (2.8) и (2.6) в уравнение (2.5), получим:
Продифференцируем уравнения системы (2.2), учитывая, что
, и запишем их для момента
:
(2.9)
Система из пяти уравнений имеем шесть неизвестных, но с помощью
системы (2.4) можем найти
:
Выразим
из второго уравнения системы (2.9):
(2.10)
Из четвёртого уравнения получим:
(2.11)
Выразим
из пятого уравнения и подставим в третье:
(2.12)
Выразим
из первого уравнения системы (2.9) и
подставим в уравнение (2.12):
Получим:
. (2.13)
Подставив выражения (2.13) и (2.11) в уравнение (2.10), получим:
Можем записать систему алгебраических уравнений:
Окончательно имеем:

Заменим исходную схему на рис.2.3 на эквивалентную операторную
(рис.2.4) и рассчитаем её методом узловых потенциалов.
Рис.2.4.
За базисный узел возьмём узел 2, т.е.
.
Запишем I закон Кирхгофа
для узла 1:
. (2.14)
Выразим токи
,
и
через закон Ома и подставим их в уравнение
(2.14):
, где
;
;
, где
;
;
;
. (2.15)
Запишем I закон Кирхгофа
для узла 3:
. (2.16)
Выразим токи через закон Ома и подставим их в уравнение (2.16):
, где
;
(2.17)
, где
;
;
. (2.18)
Согласно уравнениям (2.15) и (2.18) можем записать систему
алгебраических уравнений:
(2.19)
Найдем
из системы (2.18), воспользовавшись
методом Крамера:

Из выражения (2.7) имеем:

Перейдем к оригиналу с помощью теоремы разложения:
График закона изменения тока
представлен в приложении 1.
Ответ:
Заключение
Часть
1. Переходные процессы в линейных электрических цепях
При расчёте переходного процесса в линейной электрической
цепи и в классическом, и в операторном методе пришли к одному и тому же
решению. Оба эти метода можно применять для решения задач любой сложности.
Каким из них пользоваться, во многом зависит от навыка и привычки. Однако,
классический метод физически более прозрачен, чем операторный, в котором
решение уравнений во многом формализовано. Если при сравнении этих методов
исходить из объёма вычислительной работы, то решение уравнений первого,
второго, а иногда и третьего порядков для источников постоянной
(синусоидальной) ЭДС или тока целесообразно проводить классическим методом, а
решение уравнений более высоких порядков - операторным. Объясняется это тем,
что чем выше порядок характеристического уравнения, тем более громоздкой и
трудоёмкой оказывается операция нахождения постоянных интегрирования в
классическом методе. Операторный метод имеет перед классическим явное
преимущество при решении задач, в которых определение принуждённой составляющей
искомой величины оказывается затруднительным вследствие сложного характера
принуждающей силы.
Действительно, получили, что переходный процесс в цепи происходит
за очень короткий промежуток времени. Но, зная закон изменения тока на ёмкости,
можем найти закон изменения напряжения на конденсаторе и шунтированием
предотвратить его пробой в результате возможного перенапряжения.
Список
литературы
1. Бессонов
Л.А. Теоретические основы электротехники. Электрические цепи: Учебник для
электротехнических, энергетических и приборостроительных специальностей вузов.
- М.: Высшая школа, 1996.
2. Бычков
Ю.А., Золотницкий В.М., Чернышёв Э.П. Основы тории электрических цепей: Учебник
для вузов. - СПб.: Лань, 2002.
. Касаткин,
Немцов. Электротехника: Учебное пособие для вузов. - М.: Энергоатомиздат, 1995.
. Электротехника:
Учебное пособие для вузов. Книга 1. Теория электрических и магнитных цепей.
Электрические измерения. / Под ред. Бутырина А.П., Гафиятуллина Р.Х., Шестакова
А.Л. - Челябинск: ЮУрГУ, 2003.
. Ярыш
Р.Ф., Шакирьянова Э.М. Переходные процессы в линейных электрических цепях:
Методические указания к выполнению расчётно-графических работ. - Альметьевск:
Типография АлНИ, 2003.
. Прянишников
В.А., Петров Е.А., Осипов Ю.М. Электротехника и ТОЭ в примерах и задачах.
Практическое пособие. - СПб.: Корона Принт, 2003.
Приложение
Приложение
1. График закона изменения тока
Приложение
2. График закона изменения тока