Анализ установившихся и переходных режимов в линейных электрических цепях
МГТУ им.
Н.Э. Баумана
Курсовая
работа
Анализ
установившихся и переходных режимов в линейных электрических цепях
СОДЕРЖАНИЕ
Техническое
задание
Вывод
Список
использованной литературы
ВВЕДЕНИЕ
Цель курсовой работы - закрепить теоретический
материал, научить студентов приемам и методам познавательной деятельности,
умению обобщать и вырабатывать навыки творческого мышления и самостоятельной
работы.
Для расчета цепей, построения графиков и
оформления отчета целесообразно применять персональные ЭВМ (ПЭВМ). При этом
можно пользоваться готовыми программами систем инженерных и научных расчетов
или самостоятельно написанными, что способствует закреплению навыков работы с
вычислительной техникой. Умение правильно использовать компьютер становится важным
показателем работы специалиста. Отсутствие у студента доступа к ЭВМ не является
причиной невыполнения курсовой работы или отдельных ее пунктов.
Описание схемы
Предметом курсовой работы является исследование
электрической цепи, структурная и функциональная схемы которой показаны на рис.
1 и 2 соответственно. Схемы активного двухполюсника - источника гармонических
колебаний (ИГК), четырехполюсника и параметры их элементов выдаются
преподавателем по вариантам в виде раздаточного материала.
Схема источника гармонических колебаний состоит
из источников ЭДС и тока одинаковой частоты и пассивных элементов разного
характера, соединенных определенным образом (см. рис.2).
Роль первичной обмотки линейного трансформатора
(ТР) выполняет одна из индуктивностей, входящих в состав источника. При этом
последовательно с индуктивностью не должен быть включен источник тока, и ток в
этой ветви не равен нулю, например, L3
на рис. 2. Если в схеме нет такой индуктивности, то ее нужно создать, включив в
любую ветвь без источника тока индуктивность 100 мГн и емкость 10 мкФ.
Установившийся режим в схеме источника от этого не нарушится. Линейный
(воздушный) трансформатор имеет две вторичные обмотки.
Напряжение вторичной обмотки ТР подается на вход
повторителя, собранного на операционном усилителе (ОУ) DA1.
Ориентировочные параметры такого усилителя следующие: Rвх>=0,5
мОм, Rвых<=100 Ом,
коэффициент усиления по напряжению более 50000, верхняя рабочая частота 20 мГц.
Часто такой ОУ используется не для получения усилительного эффекта, а для
предания электрическим цепям особых свойств, получить которые без него сложно
или невозможно. Для работы ОУ к нему необходимо подвести постоянное питающее
напряжение 10-15 В. Цепи питания на схемах обычно не изображают.
В большинстве практических расчетов
характеристики ОУ идеализируют. При этом считают, что входная проводимость и
выходное сопротивление равны нулю, а коэффициент усиления имеет бесконечно
большое значение. Мощность входного сигнала равна нулю, а мощность выходного
может принимать любое значение в зависимости от нагрузки - это не противоречит
закону сохранения энергии, так как она обеспечивается источником питающего
напряжения ОУ.
Напряжение со вторичной обмотки ТР подается на
инвертирующий вход компаратора - порогового элемента, преобразующего
гармоническое (синусоидальное) колебание в разнополярные импульсы прямоугольной
формы: +10 В при U2<=0 и
-10 в противном случае. Компаратор собран на ОУ DA2
с разомкнутой отрицательной обратной связью (ООС). В цепи без ООС коэффициент
усиления ОУ оказывается чрезвычайно большим и синусоидальный сигнал
преобразуется в прямоугольный. Следует обратить внимание, что напряжения U1
и U2 находятся в
противофазе, а напряжению U1>=0
соответствует положительный прямоугольный импульс 10 В.
Токи во вторичных обмотках трансформатора ТР для
идеальных ОУ (входное сопротивление равно бесконечности) равны нулю, поэтому
нагрузка трансформатора никакого влияния на активный двухполюсник не оказывает.
Переключатель Кл позволяет подключить заданную
схему четырехполюсника любо к выходу повторителя, либо к выходу компаратора.
Переключение из одного положения в другое происходит мгновенно. В исходном
(начальном) состоянии переключатель Кл находится в положении 1 (см. рис. 2).
Изменение положения переключателя вызывает в схеме четырехполюсника изменение
режима работы и возникновения переходного процесса.
ЗАДАНИЕ НА ВЫПОЛНЕНИЕ КУРСОВОЙ
РАБОТЫ
. Расчет источника гармонических колебаний (ИГК)
.1 Определить все токи, показания вольтметра и амперметра
электромагнитной системы
.2 Составить и рассчитать баланс мощностей
.3 Записать мгновенные значения тока и
напряжения первичной обмотки
.4 Представить исходную схему ИГК относительно
первичной обмотки трансформатора эквивалентным источником (напряжения или
тока). Определить его параметры и значение тока в первичной обмотке
трансформатора. Сравнить значение тока со значением, полученным в п. 1.1.
1.5 Определить значения
ТР из
условия , что индуктивность первичной обмотки
известна,
а
коэффициент магнитной связи k обмоток следует выбрать
самостоятельно из указанного диапазон: 0.5<k<0.95 (n, p, q - номера
индуктивностей ТР).
. Расчет четырехполюсника
.1 Рассчитать токи и напряжения
методом входного сопротивления (или входной проводимости), построить векторную
диаграмму токов и напряжений.
.2 Записать мгновенные значения
,
и
, определить
сдвиг по фазе между выходным и входным напряжениями, а также отношение их
действующих значений.
.3 Определить, какое реактивное
сопротивление нужно подключить к выходным зажимам четырехполюсника, чтобы
входное напряжение и входной ток совпадали по фазе. Если при заданных значениях
элементов схемы не удается получить требуемый результат (это должно быть
теоретически обосновано), то для его достижения следует подключить реактивное
сопротивление к входным зажимам параллельно четырехполюснику. В обоих случаях
при этом необходимо определить входное сопротивление (проводимость), входной
ток и добротность контура. Сравнить полученные результаты с полученными в п.
2.1.
.4 Определить комплексную и
операторную передаточные функции.
.5 Определить и построить
амплитудно- и фазочастотные характеристики. Используя частотные характеристики,
определить выходное напряжение при заданном входном. Сравнить этот результат с
полученным в п. 2.2.
.6 Построить годограф - линию
семейства точек комплексной передаточной функции при разных частотах в
диапазоне частот от 0 до бесконечности на комплексной плоскости
. Расчет установившихся значений
напряжения и токов в электрических цепях при несинусоидальном воздействии.
.1 Рассчитать законы изменения
входного тока четырехполюсника и его выходного напряжения частотным методом,
представив входное напряжение uвх(t)=u4(t) в виде
ряда Фурье до 5-й гармоники:
,
где k=1,3,5
.2 Построить графики мгновенных
суммарных значений разложения входного напряжения в ряд Фурье, выходного
напряжения и входного тока.
.3 Определение действующих значений
несинусоидальных токов и напряжений из расчёта пункта 3.1, полной (кажущейся)
мощности, а также активной мощности, потребляемой четырёхполюсником, реактивной
мощности, коэффициентов формы кривых
,iвх(t), uвых(t).
3.4 Замена несинусоидальных кривых входного тока
и входного напряжения эквивалентными синусоидами.
4. Расчет переходных процессов классическим
методом.
.1 Определить и построить переходную и
импульсную характеристики цепи для входного тока и выходного напряжения.
Показать связь этих характеристик с передаточными функциями, с АЧХ.
.2 Расчёт и построение графиков изменения тока iвх
и
напряжения uвых
четырёхполюсника при подключении его к клеммам с напряжением u4(t)
(рис. 21) на интервале t
[0+,T], где T-период
изменения напряжения u4.
.3 Квазиустановившийся режим. Метод
припасовывания
. Оформление расчетно-пояснительной записки
РАСЧЕТНАЯ ЧАСТЬ
. Расчет источника гармонических
колебаний (ИГК)
.1 Определить все токи, показания
вольтметра и амперметра электромагнитной системы
Рисунок 1 - Источник гармонических колебаний
(ИГК)
Параметры элементов схемы источника
гармонических колебаний, приведенного на рисунке 1:
Переведем исходные данные в
комплексную форму:
Рисунок 2 - Источник гармонических колебаний
(ИГК) после перевода элементов его цепи в комплексную форму
Составим систему уравнений по методу контурных
токов.
1) Второй закон Киргхофа для
контура тока
(см.
рисунок 2):
) Второй закон Киргхофа для
контура тока
(см.
рисунок 2):
3) Второй закон Киргхофа для
контура тока
(см.
рисунок 2):
Третий контурный ток совпадает с
током источника тока:
Подставив числовые данные, получим:
После преобразований получаем
окончательные значения контурных токов:
Рассчитаем токи в ветвях. Согласно
методу контурных токов ток в каждой ветви равен алгебраической сумме контурных
токов, протекающих по этой ветви.
Рассчитаем показания приборов.
Вольтметр измеряет напряжение на
источнике тока. Для его нахождения запишем закон напряжений Кирхгофа для
контура тока
:
Вольтметр показывает действующее
значение измеряемого напряжения. Для нахождения показаний вольтметра найдем
модуль вычисленного значения
:
Амперметр измеряет действующее
значение тока
. Для
определения показаний прибора найдем модуль комплексного числа:
1.2 Составить и рассчитать баланс
мощностей
Составим баланс мощностей, записав выражения для
мощностей всех источников и всех потребителей схемы.
Заметим, что баланс сошелся (
), что
говорит о правильности расчета.
1.3 Записать мгновенные значения
тока и напряжения первичной обмотки трансформатора Т1 и построить их волновую
диаграмму
В качестве первичной обмотки
линейного трансформатора выберем индуктивность
.
Через первичную обмотку протекает
ток
. В п. 1.1
было получено его значение в комплексной форме:
Перейдем от комплексной формы к
временной:
Рассчитаем падение напряжения на
первичной обмотке трансформатора:
Перейдем к временной форме:
Построим волновые (временные)
диаграммы указанных величин:
Рисунок 3 - Временная диаграмма тока
на первичной обмотке
Рисунок 4 - Временная диаграмма
напряжения на первичной обмотке
1.4 Представить исходную схему ИГК
относительно первичной обмотки трансформатора эквивалентным источником
(напряжения или тока). Определить его параметры и значение тока в первичной
обмотке трансформатора. Сравнить значение тока со значением, полученным в п.
1.1
Воспользуемся методом эквивалентного
источника напряжения. Для этого разомкнем цепь на зажимах первичной обмотки
трансформатора. Рисунок 5 поясняет сказанное.
Рисунок 5 - Эквивалентный источник
напряжения
Воспользуемся методом контурных
токов для определения токов в цепи эквивалентного источника напряжения.
Составим уравнение по методу
контурных токов для контурных токов
и
:
Отсюда найдем контурные токи:
Учитывая, что ток в ветви равен
алгебраической сумме контурных токов, протекающих в этой ветви, определим далее
напряжение холостого хода на зажимах первичной обмотки. Для этого запишем
второй закон Кирхгофа для контура
:
Откуда получаем:
Вычислим входное сопротивление
эквивалентного генератора относительно зажимов первичной обмотки. Для этого
закоротим все источники напряжения и разомкнем цепь с источником тока.
Последовательность дальнейших эквивалентных преобразований схемы показана на
рисунке 6.
Рисунок 6 - Последовательность
преобразований схемы эквивалентного генератора для нахождения его входного
сопротивления (последовательность - слева направо и сверху вниз)
После вычислений получаем:
Согласно теореме об эквивалентном
источнике справедливо преобразование, представленное на рисунке 7:
Рисунок 7 - Преобразование,
удовлетворяющее теореме об эквивалентном источнике
Наконец, рассчитаем ток, протекающий
через первичную обмотку линейного трансформатора:
Заметим, что полученное значение
совпадает со значением
из п.1.1,
что подтверждает правильность расчета.
1.5 Определить значения
ТР из
условия , что индуктивность первичной обмотки
известна,
, а
коэффициент магнитной связи k обмоток
следует выбрать самостоятельно из указанного диапазон: 0.5<k<0.95 (n, p, q - номера
индуктивностей ТР)
Известно, что
. Отсюда
.
Воспользовавшись соотношением
и приняв
и учтя, что
по условию
, получаем:
Аналогично, для катушек nи q:
2. Расчет четырехполюсника
.1 Рассчитать токи и напряжения
методом входного сопротивления (или входной проводимости), построить векторную
диаграмму токов и напряжений
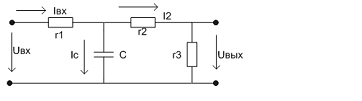
Рисунок 8 - Схема четырехполюсника (вариант 5)
По условию, входное напряжение, подаваемое на
четырехполюсник:
Его фаза совпадает с фазой
напряжения на первичной обмотке трансформатора
Восстановим по действующему значению
и фазе комплексную запись входного напряжения:
Данные варианта (см. рисунок 8):

Воспользовавшись законами Кирхгофа,
определим далее все токи и напряжения схемы (они понадобятся нам при построении
векторной диаграммы):
Векторные диаграммы, построенные по
результатам расчетов, представлены на рисунке 9.
Рисунок 9 - Векторные диаграммы
токов (
) и
напряжений(
)
2.2 Записать мгновенные значения
,
и
,
определить сдвиг по фазе между выходным и входным напряжениями, а также
отношение их действующих значений
В п. 2.1. были подсчитаны
комплексные значения указанных в задании величин. Переведем их во временную
(мгновенную) форму:
Сдвиг по фазе между выходным и входным
напряжениями, таким образом, составляет
Отношение действующих значений
выходного и входного напряжений составляет 0,05
2.3 Определить, какое реактивное
сопротивление нужно подключить к выходным зажимам четырехполюсника, чтобы
входное напряжение и входной ток совпадали по фазе
Если при заданных значениях
элементов схемы не удается получить требуемый результат (это должно быть
теоретически обосновано), то для его достижения следует подключить реактивное
сопротивление к входным зажимам параллельно четырехполюснику. В обоих случаях
при этом необходимо определить входное сопротивление (проводимость) и входной
ток в контуре. Сравнить полученные результаты с полученными в п. 2.1.
Пусть к выходным зажимам
четырехполюсника подключена нагрузка сколь угодно сложной внутренней структуры.
Чтобы входное напряжение и входной ток совпадали по фазе, нужно, чтобы общее
входное сопротивление схемы (с учетом сопротивления нагрузки) не имело
реактивной составляющей. Таким образом, проводя преобразования схемы,
аналогичные преобразованиям, проведенным в п. 2.1, найдем входное сопротивление
нагруженного четырехполюсника.
Применив метод свертки, получаем
,
где
- пока не известное сопротивление
нагрузки.
Закладывая условие отсутствия
реактивной составляющей сопротивления
, получаем выражение для нахождения
:
Решением последнего уравнения
является
,
что дает нам комплексное значение
необходимого сопротивления нагрузки.
Входное сопротивление схемы в этом
случае будет равно
Отметим отсутствие комплексной
составляющей, подтверждающее правильность расчетов.
Определим входной ток при
рассчитанном сопротивлении нагрузки:
Сравнивая это значение с полученным
в п.2.1, отметим незначительное падение входного тока после подключения
нагрузки.
2.4 Определить комплексную и
операторную передаточные функции
Определим сначала передаточную
функцию по наряжению.
Составим уравнение цепи:
В операторной форме при нулевых ННУ:
Заметим, что
Подставляя эти зависимости в
уравнение цепи, записанное в операторной форме, получаем:
Разделив уравнение на выходное
напряжение, перевернем дробь, выразив операторную передаточную функцию:
Комплексную передаточную функцию
получим из операторной, заменивpна jw:
Определим теперь передаточную
функцию по току - входную проводимость. В п. 2.1 уже было вычислено входное
сопротивление четырехполюсника:
. Определим теперь входное
сопротивление в операторной форме. Методом свертки относительно входных зажимов
легко получаем входную проводимость:
Аналогично передаточной функции по
напряжению, заменим pна jw в
операторной функции по току, получая комплексную передаточную функцию по току:
Далее по ходу выполнения работы нам
потребуются также и следующие величины:
2.5 Определить и построить
амплитудно- и фазочастотные характеристики. Используя частотные характеристики,
определить выходное напряжение при заданном входном. Сравнить этот результат с
полученным в п. 2.2
Определим АЧХ и ФЧХ по напряжению:
Графики частотных характеристик
представлены на рисунках 10 и 11.
Рисунок 10 - АЧХ четырехполюсника
Рисунок 11 - ФЧХ четырехполюсника
Определим выходное напряжение при
заданном входном с помощью частотных характеристик:
Сравнивая полученные значения при
заданной частоте с результатами п. 2.2,
отмечаем правильность вычислений.
электрический цепь
переходный процесс
3. Расчет установившихся значений
напряжения и токов в электрических цепях при несинусоидальном воздействии
Переключатель переведен в положение
2 в момент начала положительного импульса напряжения
.
.1 Рассчитать законы изменения
входного тока четырехполюсника и его выходного напряжения частотным методом,
представив входное напряжение uвх(t)=u4(t) в виде
ряда Фурье до 5-й гармоники:
,
где k=1,3,5
Представим входное напряжение в виде
ряда Фурье до 5-й гармоники. При этом помним, что kпринимает
лишь нечетные значения (по условию), а максимальное входное напряжение (оно
прямоугольное) равно 10 В:

позволяют найти выходное напряжение
следующим образом:
Найдем далее входной ток.
С помощью полученной в п. 2.4
передаточной функции по току вычислим входной ток:
3.2 Построить графики мгновенных
суммарных значений разложения входного напряжения в ряд Фурье, выходного
напряжения и входного тока
Графики представлены на рисунках
13-15:
Рисунок 13 - Входное напряжение в
виде ряда Фурье до 5-й гармоники
Рисунок 14 - Входной ток
Рисунок 14 - Выходное напряжение
3.3 Определение действующих значений
несинусоидальных токов и напряжений из расчёта пункта 3.1, полной (кажущейся)
мощности, а также активной мощности, потребляемой четырёхполюсником, реактивной
мощности, коэффициентов формы кривых
,iвх(t), uвых(t)
Вычислим сначала действующие значения
несинусоидальных напряжений uвх
и
uвых
и тока iвх.
Для этого рассчитаем корень из суммы квадратов действующих значений по
гармоникам
Далее рассчитаем мощности.
Активная мощность:
Реактивная мощность:
Полная мощность:
В соответствии с заданием теперь
требуется определить коэффициенты формы полученных несинусоидальных кривых.
3.4 Замена несинусоидальных кривых
входного тока и входного напряжения эквивалентными синусоидами
4. Расчет переходных процессов
классическим методом
.1 Определить и построить переходную
и импульсную характеристики цепи для входного тока и выходного напряжения.
Показать связь этих характериситкс передаточнми функциями, с АЧХ
Определим реакцию цепи на единичное воздействие
по напряжению. Для этого рассчитаем классическим методом переходный процесс,
возникающий при подаче в момент времени t=0
на вход четырехполюсника напряжения U=1
В.
Рисунок 15 - Четырехполюсник
1) t=0_
В момент времени t=0_
на схему по условию не подано никакого напряжения (Uвх=0)
и все ее параметры, включая напряжение на емкости, также нулевые.
) t=0+
Подаем на вход единичное напряжение.
По второму закону коммутации:
Напишем два ЗНК и один ЗТК для цепи
после коммутации:
Отсюда:
3)
Установившийся режим. Сопротивление
емкости бесконечно велико - разомкнем ветвь с емкостью. Uвх=1 (В)
Сведем результаты в таблицу 1:
Таблица
1
Результаты расчета переходного процесса
классическим методом
|
T
|
iвх
|
uвых
|
uc
|
|
0-
|
0
|
0
|
0
|
|
0+
|
0.05
|
0
|
0
|
|
|
0.01
|
0.2
|
0.8
|
4) Найдем характеристическое уравнение цепи
методом входного сопротивления. Для этого, алгебраизовав схему и исключив из
нее все источники токов и напряжений, разорвем цепь в любом месте
(короткозамкнутые ветви отсутствуют) и вычислим входное сопротивление
относительно разрыва. Затем приравняем результат к нулю.
Разорвем цепь между емкостью и сопротивлением r3
и вычислим входное сопротивление относительно точек разрыва. Сопротивления r3
и r2 окажутся
соединенными последовательно между собой и параллельно емкости C
и сопротивлению r1. Не
забудем алгебраизовать схему, заменив C
на 1/pC:
Рисунок 16 - Алгебраизованная схема
Заметим, что p
отрицательно. Этот факт подтверждает правильность расчетов.
5) Входной ток:
6) Выходное напряжение
4.2 Расчёт и построение графиков
изменения тока iвх
и напряжения uвых
четырёхполюсника при подключении его к клеммам с напряжением u4(t)
(рис.21) на интервале t[0+,T],
где T-период
изменения напряжения u4
Рисунок 21 - U4(t)
Пункт а) [0,T/2]
Рассчитаем напряжение на емкости в момент
коммутации. Ранее вычислено, что:
По условию коммутация совершается в
момент равенства нулю входного напряжения. Отсюда
Входной ток в этот момент:
По ЗНК:
На рисунке 22 представлена методика
учета ненулевых ННУ при расчете переходных процессов классическим методом.
Рисунок 22 - Метод учета ненулевых
ННУ
1) t=0_
) t=0+
На вход подается напряжение 10В,
включается источник ЭДС E=2.88 (В)
По второму закону коммутации:
Напишем два ЗНК и один ЗТК для цепи
после коммутации:
, Отсюда:
3)
Установившийся режим. Сопротивление
емкости бесконечно велико - разомкнем ветвь с емкостью.
Сведем результаты в таблицу:
|
Tiвхuвыхuc
|
|
|
|
|
0-
|
-
|
-
|
1.4
|
|
0+
|
0.43
|
0.35
|
1.4
|
|
|
0.1
|
2
|
6.6
|
Входной ток:
Выходное напряжение
[T/2,T]
Аналогично, но с новыми ННУ:
1) t=0_
) t=0+
На вход подается напряжение -10В,
включается источник ЭДС E=6,6 (В)
По второму закону коммутации:
Напишем два ЗНК и один ЗТК для цепи
после коммутации:
Отсюда:
3)
Установившийся режим. Сопротивление
емкости бесконечно велико - разомкнем ветвь с емкостью.
Сведем результаты в таблицу:
|
Tiвхuвыхuc
|
|
|
|
|
0-
|
-
|
-
|
6.6
|
|
0+
|
-0.83
|
6.6
|
|
|
-0.1
|
-2
|
-2.8
|
Входной ток:
Выходное напряжение
Графики найденных функций
представлены на рисунках 23 и 24:
Рисунок 23 - Входной ток
Рисунок 24 - Выходное напряжение
Пункт б) Построение указанных
величин на интервале [0, nT]
Аналогично пункту а), расчитаем
выходное напряжение и входной ток на протяжении k-го периода
(k<n), учитывая
произвольное ненулевое ННУ в общем виде.
Расчет на интервале [0,T/2]
1) t=0_
UC(0_)=E
2) t=0+
UC(0+)= UC(0_)=E
)
Расчет на интервале [T/2,T]
1) t=0_
Переобозначим ненулевое ННУ E,
основываясь на предыдущем расчете:
C(0_)=E,
где E - уже новое
ННУ, вычисленное строкой выше.
Далее расчет аналогичен, но входное
напряжение уже сменило полярность.
) t=0+
UC(0+)=
UC(0_)=E
)
Применим только что сформулированный
общий алгоритм для четырех периодов, укладывающихся во время
Первый период, первый полупериод
Первый период, второй полупериод
Второй период, первый полупериод
Второй период, второй полупериод
Третий период, первый полупериод
Третий период, второй полупериод
Четвертый период, первый полупериод
Четвертый период, второй полупериод
Результаты вычислений представлены
на рисунках 25 и 26:
Рисунок 25 - Входной ток
Рисунок 26 - Выходное напряжение
4.3 Квазиустановившийся режим. Метод
припасовывания
Запишем общий вид решения для напряжения на
емкости для интервалов [0,T/2]
и [T/2,T]
(интервалы показаны нижними индексами)
На первом интервале U=10,
на втором U=-10. Поэтому:
Найдем постоянные интегрирования из
второго закона коммутации, сшив (припасовав) решения:
, Откуда
Запишем решение для напряжения на
емкости:
Прочие величины найдем из законов
Кирхгофа:
Графики входного тока, выходного
напряжения и напряжения на емкости представлены на рисунках 27-29:
Рисунок 27 - Входной ток
Рисунок 28 - Выходное напряжение
Рисунок 29 - Напряжение на емкости
ВЫВОД
В процессе выполнения данной курсовой работы
были проведены основные расчеты для электрической цепи, состоящей из активного
двухполюсника, воздушного трансформатора и пассивного четырехполюсника. Были
применены некоторые методы расчета цепей синусоидального тока, такие, как метод
контурных токов и метод эквивалентного генератора. При расчете трансформатора
были применены на практике теоретические основы электромагнитных явлений. Также
был проведен анализ некоторых характеристик пассивного четырехполюсника,
результатом которого стал расчет переходной функции, передаточной и импульсной
характеристик, а также некоторых других его параметров. В заключение был
проведен расчет переходных процессов, имеющих место в четырехполюснике при
различных коммутациях схемы.
СПИСОК ИСПОЛЬЗОВАННОЙ ЛИТЕРАТУРЫ
1. Стрелков
Б.В., Шерстняков Ю.Г. - «Анализ установившихся и переходных режимов в линейных
электрических цепях» - МГТУ, 2001
2. Попов
В.П. - «Основы теории цепей»
. Агабеков
- «Теоретические основы электротехники»