|
-1 - 2jА
|
|
|
|
1 + jА
|
|
|
|
1А
|
|
|
|
-jА
|
|
|
|
-2jА
|
|
|
|
-jА
|
|
|
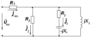
Определим показания амперметра:
Определим показания вольтметра:
ЗКН для контура а-б-г-а:
1.2 Составить
и рассчитать баланс мощностей
Источники:
Потребители:
1.3 Записать
мгновенные значения тока и напряжения первичной обмотки трансформатора ТР и
построить их волновую диаграмму
Рис.5. График
Рис.6. График
1.4
Представить исходную схему ИГК относительно первичной обмотки трансформатора (
) эквивалентным источником
напряжения. Определить его параметры и значение тока в первичной обмотке
трансформатора. Сравнить это значение тока со значением, полученным в п.1.1
Рис. 7. Схема ИГК для метода эквивалентного генератора.

Рис. 8. Схема для расчёта Zэ.
линейная электрическая цепь четырехполюсник
Рис. 9. Схема для Uхх.
Находим Uxx., используя метод контурных токов:
Рис.10. Представление схемы ИГКотносительно первичной обмотки
трансформатора эквивалентным источником напряжения.
1.5
Определить значения М58, М59, L8, L9
трансформатора из условия, что индуктивность первичной обмотки L5
известна, U1=5 B, U2=10 B, а коэффициент магнитной связи
обмоток k следует выбрать из указанного диапазона: 0.5 < k< 0.95
Выбираем k = 0.5.
2. Расчёт четырёхполюсника
2.1
Рассчитать токи и напряжения методом входного сопротивления (или входной
проводимости), построить векторную диаграмму токов и напряжений
Рис. 11. Схема четырёхполюсника.
Возьмём значение С равным 10 мкФ, тогда
Комплексное входное сопротивление схемы:
Рис. 12. Векторная диаграмма токов.
Рис. 13. Векторная диаграмма напряжений.
2.2
Записать мгновенные значения u=u=u,u,
определить сдвиг по фазе между выходным и входным
напряжениями, а также отношение их действующих значений
Сдвиг по фазе между выходным и входным напряжением:
Отношение действующих значений напряжений
,
:
Мгновенное значение
:
2.4
Определить, какое реактивное сопротивление нужно подключить к выходным зажимам
четырёхполюсника, чтобы
и
совпадали по фазе
Если при заданных значениях элементов схемы не удается
получить требуемы результат (это должно быть теоретически обоснованно), то для
его достижения следует подключить реактивное сопротивление к выходным
зажимам параллельно четырехполюснику. В обоих случаях при этом необходимо определить
входное сопротивление (проводимость), входной ток и добротность контура.
Сравнить эти результаты с полученными в п.2.1.
Рис.14. Схема четырехполюсника с дополнительным реактивным сопротивлением.
Приравнивая мнимую часть к нулю, находим
:
В этом случае входное сопротивление равно:
Найдём добротность колебательного контура:
. Преобразование первое:
Рис. 15. Получаем:
. Преобразование второе:
Рис. 16
. Преобразование третье:

. Преобразование четвёртое:
Рис. 18.
Добротность колебательного контура:
2.5
Определить передаточные функции четырёхполюсника
и
.
Рис. 19.
,
где
Операторная передаточная функция напряжения:
Комплексная передаточная функция напряжения (замена
на
):
Комплексная передаточная функция тока:
;
Операторная передаточная функция тока (замена
на
):
2.6
Определить и построить амплитудно - и фазочастотные характеристики. Используя
частотные характеристики, определить
при заданном
. Сравнить результат с полученным в пункте 2.2
АЧХ:
Рис.20. График АЧХ.
Рис.21. График ФЧХ.
ФЧХ:
Определим
:
Найденное значение
совпадает со значением, полученным в пункте 2.2.
2.7
Построить годограф - линию семейства точек комплексной передаточной функции при
разных частотах в диапазоне частот от 0 до
на комплексной плоскости
Рис.22. Годограф комплексной передаточной функции W (jw).
3. Расчет
установившихся значений напряжений и токов в электрических цепях при
несинусоидальном воздействии
Переключатель Кл перевести в положение 2 (см. рис.2) в момент
времени, когда входное напряжение u3 (t) =0,
, т.е. в момент начала положительного импульса напряжения u4 (t).
Это условие будет выполнено при равенстве аргумента входного напряжения (
) =2k
, где k = 0, 1, 2, 3…
Рассчитать законы изменения тока
и напряжения
частотным методом, представив напряжение
в виде ряда Фурье до 5-й гармоники:
(t) =
, где k - целое нечётное число.
Составим таблицу (табл.1) для значений w=1000, 3000, 5000:
Табл.1
|
|
  
|
|
|
|
|
1000
|
0.542
|
-18.6
|
0.009
|
19.55
|
|
3000
|
0.361
|
-33.52
|
0.012
|
15.92
|
|
5000
|
0.272
|
-33.2
|
0.013
|
10.92
|
Представим напряжение uвх (t) в виде ряда Фурье до 5-ой
гармоники:
, где k=1,3,5; Um
подставив соответствующие значения, пользуясь таблицей, получим:
подставив соответствующие значения, пользуясь таблицей, получим:
Построить графики uвх (t),
, iвх (t), uвых (t) в одном масштабе времени один под другим, где
, iвх (t), и uвых (t) - суммарные
мгновенные значения.
Рис.23. График uвх (t).
Рис.24. График
(t).
Рис.25. График uвsх (t).
Рис.26. График iвх (t)
Определить действующие значения несинусоидальных токов и
напряжений из расчетов п.3.1., полную (кажущуюся) мощность, а так же
активную мощность, потребляемую четырёхполюсником, реактивную мощность,
коэффициенты формы кривых
(t),
(t),
(t).
Действующие значения:
,
,
.
Полная мощность:
.
Активная мощность:
Реактивная мощность:
Коэффициенты формы кривых:
Заменить несинусоидальные кривые
, iвх (t) эквивалентными синусоидами.
=
4. Расчет
переходных процессов классическим методом
Определить и построить переходную и импульсную характеристики
цепи для входного тока и выходного напряжения. Показать связь этих
характеристик с передаточными функциями, с АЧХ.
Переходная функция напряжения:
Рис. 27. График переходной функции напряжения.
Переходная функция тока:
Рис. 28. График переходной функции тока.
Импульсная функция напряжения:
Рис. 29. График импульсной функции напряжения.
Импульсная функция тока:
Рис. 30. График импульсной функции тока.
Рассчитать и построить графики напряжения на выходе
и на ёмкостном элементе
, а также тока на входе
на интервале на интервале [nT, (n+1) T].
Рис. 31. Схема четырёхполюсника.
Первый интервал: [0,T/2].
Подаётся напряжение
) Используя пункт 3.1 (1), выражаем искомые величины через
переменные составляющие:
;
.
)
)
)
)
Второй интервал: [0,T/2].
Подаётся напряжение
) Используя пункт 4.1 (б), выражаем искомые величины через
переменные составляющие:
;
.
)
)
)
)
Рис. 32. График
.
Рис. 33. График
.

Рис. 35.