Анализ устойчивости электроэнергетической системы
СОДЕРЖАНИЕ
Введение
1.
Анализ статической устойчивости электроэнергетической системы
.1
Выбор базисных условий
.2
Определение параметров режима и схемы замещения
.3
Анализ устойчивости электропередачи при отсутствии АРВ без учета явнополюсности
ротора эквивалентного генератора
.4
Анализ устойчивости электропередачи при отсутствии АРВ с учетом явнополюсности
ротора эквивалентного генератора
.5
Определение запаса статической устойчивости электропередачи при наличии на
генераторах АРВ пропорционального действия
.6
Определение запаса статической устойчивости электропередачи при наличии на
генераторах АРВ сильного действия
.7
Определение запаса статической устойчивости системы с учетом регулирующего
эффекта нагрузки
.
Анализ динамической устойчивости электроэнергетической системы
.1
Оценка динамической устойчивости электропередачи при двухфазном коротком
замыкании на землю
.2
Оценка динамической устойчивости электропередачи при трехфазном коротком
замыкании
Список
использованных источников
ЗАДАНИЕ
1.
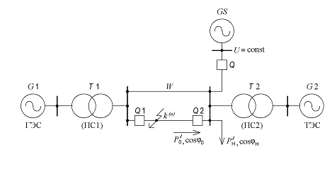
Для заданной электрической схемы системы (рисунок 1) определить запас
статической устойчивости по мощности при передаче от эквивалентного генератора G1
мощности S0
1.1
Генераторы не снабжены автоматическими регуляторами возбуждения (АРВ),
явнополюсность гидрогенераторов не учитывается
1.2
Гидрогенераторы не имеют АРВ
.3
Гидрогенераторы снабжены АРВ пропорционального типа
.4
Гидрогенераторы имеют АРВ сильного действия
.
Определить запас статической устойчивости по действительному пределу
передаваемой мощности с учетом нагрузки и без АРВ на генераторах
.
Выполнить расчет динамической устойчивости при трехфазном коротком замыкании и
двухфазном коротком замыкании на землю на линии W
при наличии АРВ пропорционального типа на генераторах
.1
Рассчитать и построить угловые характеристики мощности нормального, аварийного
и послеаварийного режимов в простейшей схеме электропередачи
.2
Определить предельные углы отключения при коротких замыканиях графически и
аналитически
3.3
Произвести численные расчеты динамических переходов и построить зависимости
изменения угла
для обоих
видов короткого замыкания
.4
Вычислить предельное время отключения короткого замыкания
ИСХОДНЫЕ ДАННЫЕ
Рисунок 1 - Электрическая схема системы
Таблица
1
Параметры станции 1 (ГЭС)
|
Кол.
G1, n1
|
Sном,
МВ·А
|
Uном,
кВ
|
Сопротивление
в относительных номинальных единицах
|
n, об/мин
|
|
|
|
|
 
|
|
|
|
|
|
2
|
190
|
15,75
|
0,38
|
1,1
|
0,28
|
71,5
|
82000
|
Таблица
2
Параметры станции 2 (ТЭС)
|
Кол.
G2, n2
|
Sном,
МВ·А
|
Uном,
кВ
|
Синхронное
сопротивление в отн. ном. ед.
|
|
|
|
|
|
2
|
235,3
|
15,75
|
1,84
|
Таблица
3
Параметры подстанции ПС1
|
Кол.
Т1, n1
|
Sном,
МВ·А
|
uК,
%
|
|
|
|
|
|
|
2
|
200
|
242/15,75
|
11
|
Таблица
4
Параметры подстанции ПС2
|
Кол.
Т2, n2
|
Sном,
МВ·А
|
uК,
%
|
|
|
|
|
|
|
2
|
250
|
242/15,75
|
11
|
Таблица
5
Параметры линии W
|
Передаваемая
мощность, , МВт Uном,
кВl, км ,
Ом/км
|
|
|
|
|
|
290
|
0,96
|
220
|
115
|
0,42
|
Таблица
6
Параметры нагрузки
|
,
МВт
|
|
|
650
|
0,88
|
ВВЕДЕНИЕ
При изменениях электромеханического состояния
электроэнергетической системы (ЭЭС) необходим анализ как переходных
электромеханических процессов, так и средств, обеспечивающих нормальную работу
ЭЭС при малых возмущениях (статическую устойчивость) и благополучный исход
аварийных режимов (динамическую устойчивость).
Расчет переходных процессов проведем при
упрощениях, принятых в [1].
При исследовании устойчивости ЭЭС
воспользуемся критериями статической устойчивости
и
динамической устойчивости
.
1. Анализ статической устойчивости
электроэнергетической системы
Выключатели линии Q1
и Q2 и выключатель
системы бесконечной мощности Q
включены. Системы GS
обладает бесконечным регулирующим эффектом нагрузки, что приводит к
неизменности напряжения на шинах эквивалентной системы, а поэтому при
изменениях режима напряжение Uн
будет постоянным, рисунок 2.
Рисунок 2 - Схема электропередачи
.1 Выбор базисных условий
Расчет проводим в относительных единицах при
базисных условиях и точном приведении параметров схемы к выбранной ступени
напряжения, т. е. с учетом действительных коэффициентов трансформации [2].
За базисное напряжение примем напряжение на
шинах эквивалентной системы GS
«бесконечной» мощности Uб1 = 220 кВ. Базисную мощность примем равной
Sб
= 1000 МВ∙А.
Определим базисные напряжения других ступеней,
кВ
1.2 Определение параметров режимов и схемы
замещения
Определим сопротивления элементов:
эквивалентного генератора G1
;
;
;
эквивалентного генератора G2
;
эквивалентного трансформатора Т1
;
эквивалентного трансформатора Т2
;
линии W:
Исходная схема замещения системы представлена на
рисунке 3.
Представим номинальную полную мощность нагрузки
и мощность, подтекающую к шинам неизменного напряжения, в виде суммы активной и
реактивной составляющих.
Мощность нагрузки
Рисунок 3 - Исходная схема замещения
системы
Передаваемая мощность электропередачи
Напряжение основной ступени
1.3 Анализ устойчивости электропередачи при
отсутствии АРВ без учета явнополюсности ротора эквивалентного генератора
Расчетная схема замещения электропередачи
представлена на рисунке 4.
Рисунок 4 - Схема замещения электропередачи
В данном случае имеет место равенство синхронных
индуктивных сопротивлений по продольной и поперечной осям xd
=
xq, а также
постоянство синхронной ЭДС Еq
=
const, которая
пропорциональна току возбуждения if.
Определим сопротивление электропередачи
(суммарное сопротивление электрической сети между шинами эквивалентного
генератора G1 и шинами
неизменного напряжения)
Суммарная реактивность
Определяем синхронную ЭДС (холостого
хода) генерирующей станции
Угол сдвига векторов
и
Для проверки исходного режима
воспользуемся выражением, определяющим передаваемую мощность
Определим предел (идеальный)
передаваемой мощности
Угловая характеристика мощности
представлена на рисунке 5.
Коэффициент запаса статической
устойчивости по передаваемой мощности, %
Анализируя значение коэффициента
запаса статической устойчивости, можно сделать вывод о том, что система
является слабо загруженной, работающей с большим запасом по статической
устойчивости.
Рисунок 5 - Угловая характеристика мощности
генератора G1 без учета
явнополюсности и отсутствии АРВ
.4 Анализ устойчивости
электропередачи при отсутствии АРВ с учетом явнополюсности ротора
эквивалентного генератора
Гидрогенератор представляем в
расчетах синхронной реактивностью по поперечной оси xq и фиктивной
расчетной ЭДС
( зависит
от режима), рисунок 6
Рисунок 6 - Схема замещения электропередачи
Суммарная реактивность
Расчетная ЭДС ЕQ
Угол сдвига векторов
и
Синхронная ЭДС
Проверка исходного режима
Угловая характеристика мощности
представлена на рисунке 7 .
Рисунок 7 - Угловая характеристика
мощности генератора G1 с учетом явнополюсности и
отсутствии АРВ
Для определения предельной величины
активной мощности в этом случае нужно найти угол, обеспечивающий максимальное
значение последнего выражения. Приравниваем производную активной мощности по
углу нулю, получим квадратное уравнение и решаем его относительно cosd.
;
;
;
,
;
,
не существует.
Определим предел передаваемой
мощности
Коэффициент запаса статической
устойчивости по передаваемой мощности, %
Сравнительный анализ влияния
конструктивных особенностей гидрогенератора приведен в таблице 7.
Таблица
7
Сравнительные параметры режима генератора G1
при отсутствии АРВ с учетом и без учета явнополюсности
|
Параметр
режима
|
Учет
явнополюсности
|
|
нет
|
да
|
|
1,8581,829
|
|
|
|
,
град42,532,82
|
|
|
|
,
град9074,28
|
|
|
|
0,4290,441
|
|
|
|
,
%47,952,07
|
|
|
Учет явнополюсности увеличивает предел
передаваемой мощности и, как следствие, возрастает запас статической
устойчивости по передаваемой мощности. Характеристика мощности явнополюсного
генератора кроме основной синусоидальной составляющей содержит вторую
составляющую - синусоиду двойной частоты, амплитуда которой пропорциональна
разности индуктивных сопротивлений xd
и
xq. Составляющая
двойной частоты смещает максимум характеристики мощности в сторону меньших
углов. Амплитуда характеристики мощности возрастет по сравнению с
характеристикой, не учитывающей явнополюсности машины. У явнополюсной
вращающейся машины устойчивость (по углу) нарушается раньше неявнополюсной
машины равной мощности.
.5 Определение запаса статической устойчивости
электропередачи при наличии на генераторах АРВ пропорционального действия
Рисунок 8 - Схема замещения электропередачи
При установке на генераторах АРВ
пропорционального действия (АРВп) в качестве самой простой математической
модели генератора G1 принимается неизменной поперечная
составляющая переходной ЭДС (
) за переходным сопротивлением
Суммарная реактивность
Переходная ЭДС
Угол сдвига векторов
и
Определим поперечную составляющую
переходной ЭДС
Определим исходную передаваемую
мощность
Угловая характеристика мощности
представлена на рисунке 9.
Определим предельную величину
активной мощности
;
Рисунок 9 - Угловая характеристика
мощности генератора G1 с АРВп и учетом явнополюсности
;
;
,
;
,
не существует;
Коэффициент запаса статической
устойчивости по передаваемой мощности, %
У генераторов, снабженных АРВп, увеличивается
предел передаваемой мощности и предельный угол. Это происходит из-за
регулирования тока возбуждения.
.6 Определение запаса статической устойчивости
электропередачи при наличии на генераторах АРВ сильного действия
Схема замещения электропередачи представлена на
рисунке 10.
Рисунок 10 - Схема замещения электропередачи
При установке на генераторах АРВ сильного
действия (АРВс) в качестве простой математической модели генератора принимается
неизменной поперечная составляющая напряжения генератора, реактивность самого
генератора принимается равной нулю.
Напряжение на выводах эквивалентного
генератора и угол сдвига векторов
и
;
Определим поперечную составляющую
напряжения генератора
Определим исходную передаваемую мощность.
Угловая характеристика мощности
представлена на рисунке 11; здесь же отражены характеристики
предыдущих
расчетов.
Определим предельную величину
активной мощности.
;
;
;
,
;
,
не существует;
Коэффициент запаса статической
устойчивости по передаваемой мощности, %
Анализируя угловые характеристики
мощности генераторов с АРВ и без АРВ, можно сделать вывод, что применение устройств
АРВ значительно увеличивает предел передаваемой мощности за счет регулирования
тока возбуждения синхронной машины. Увеличение запаса по мощности увеличивает
способность электрической системы сохранять устойчивость при малых возмущениях.
Рисунок 11 - Угловые характеристики
мощности электропередачи при различных способах регулирования возбуждения
генераторов G1
.7 Определение запаса статической
устойчивости системы с учетом регулирующего эффекта нагрузки
Предел (действительный) передаваемой
активной мощности определим, представляя генераторы обеих станций неизменными
синхронными ЭДС и сопротивлениями (рисунок 12), при учете регулирующего эффекта
нагрузки. В этом разделе выключатель Q отключен и
связи с системой GS нет. Поэтому при изменениях режима
напряжение Uн не будет
постоянным, так как комплексная нагрузка на шинах приемной системы, соизмеримая
по мощности с эквивалентным генератором, не обладает бесконечным регулирующим
эффектом. Следовательно, устойчивость передачи изменится.
статистический
динамический устойчивость электропередача
Рисунок 12 - Схема замещения электропередачи
Определим параметры схемы замещения.
Для эквивалентного гидрогенератора G1
(см. подраздел 1.4)
,
Для эквивалентного турбогенератора G2 (см.
подраздел 1.2)
Определим значение передаваемой
мощности от второй станции
Вычислим значение ЭДС эквивалентного
генератора G2
Угол сдвига векторов
и
Определим сопротивление комплексной нагрузки по
формуле
Определим собственные и взаимные
сопротивления.
Взаимный угол между роторами
генераторов двух станций, град
Активная мощность, выдаваемая первой
и второй станциями:
Выражения для построения угловых
характеристик мощности
Угловые характеристики мощности
обеих станций представлены на рисунке 13 по данным таблицы 8.
Таблица
8
Результаты расчетов для построения угловых
характеристик мощности с учетом нагрузки
|
,
град
|
|
|
|
-20
|
0,145
|
0,409
|
|
0
|
0,233
|
0,341
|
|
20
|
0,302
|
0,253
|
|
40
|
0,342
|
0,156
|
|
60
|
0,35
|
0,0623
|
|
80
|
0,324
|
0,0177
|
|
100
|
0,268
|
0,074
|
Определим величину максимума характеристики
активной мощности
при
Рисунок 13 - Угловые характеристики
мощности с учетом нагрузки
Коэффициент запаса статической
устойчивости по передаваемой мощности, %
Запас устойчивости при Uн = const (рисунок 6)
составит, %
,
Где
Таким образом, при учете нагрузки и
подключении второй станции, предел передаваемой мощности несколько уменьшается
и, следовательно, запас устойчивости снижается.
Результаты расчетов коэффициента
запаса статической устойчивости по мощности электропередачи сведем в таблицу 9.
Таблица
9
Коэффициент запаса статической устойчивости, в
процентах
|
Коэффициент
запаса
|
АРВ
отсутствует
|
АРВ
имеется
|
|
1.4
|
1.7
|
1.5
|
1.6
|
|
52,07
(84,36)47,24109,66174,14
|
|
|
|
|
2. Анализ динамической устойчивости
электроэнергетической системы
При включенном выключателе Q
системы бесконечной мощности GS
схема замещения в нормальном режиме будет аналогична схеме замещения простейшей
системы (см. рисунок 2).
Расчеты выполняются для трехфазного и
двухфазного на землю коротких замыканий. Короткое замыкание происходит в начале
цепи линии W. Качественный
анализ устойчивости ЭЭС проведем при наличии на эквивалентном генераторе G1
регуляторов возбуждения пропорционального действия, принимая изменяющуюся в
момент коммутации ЭДС за постоянную величину Е¢
=
const [3].
.1 Оценка динамической устойчивости
электропередачи при двухфазном коротком замыкании на землю
Для нормального режима работы все параметры
берем из подраздела 1.5. Характеристика мощности имеет следующий вид
;
( см. подраздел 1.5)
В послеаварийном режиме (режим II) происходит
отключение цепи линии W, на которой произошло короткое
замыкание. Тогда сопротивление сети составит
Находим взаимное сопротивление
Характеристика мощности в
послеаварийном режиме примет следующий вид
В аварийном режиме в месте аварии
вводится шунт с сопротивлением
Определим результирующие
сопротивления схем обратной (рисунок 14) и нулевой последовательностей (рисунок
15). В схеме замещения обратной последовательности сопротивления трансформатора
Т1 и линии W остаются
неизменными (см. раздел 1), а сопротивление генератора G1
пересчитывается. ЭДС источников равны нулю.
Рисунок 14 - Схема замещения
обратной последовательности
Преобразуем схему замещения обратной
последовательности.
;
;
В схеме замещения нулевой
последовательности сопротивления двухцепной линии W
увеличивается в пять раз.
Генератор G1 в схеме
замещения нулевой последовательности участвовать не будет, так как находится за
обмоткой трансформатора Т1, соединенной в треугольник.
Рисунок 15 - Схема замещения нулевой
последовательности

Рисунок 16 - Схема замещения
аварийного режима
Преобразуем схему к расчетному виду.
Рисунок 17 - Комплексная схема
замещения прямой последовательности
Характеристика мощности в аварийном
режиме примет следующий вид
,
Где
Для определения предельного угла отключения
пользуются критерием динамической устойчивости.
Выражение для определения предельного угла
отключения:
,
где
- максимальная мощность генератора в
послеаварийном режиме;
- максимальная мощность генератора в
аварийном режиме;
- мощность генератора в нормальном
режиме;
- критический угол, равный
;
;
Угловые характеристики мощности
соответствующих режимов представлены на рисунке 18 по данным таблицы 10.
Таблица
10
Результаты расчетов для построения угловых
характеристик мощности
|
,
град 
|
|
|
|
|
0
|
0
|
0
|
0
|
|
10
|
0,112
|
0,09
|
0,0335
|
|
20
|
0,22
|
0,177
|
0,0660
|
|
30
|
0,322
|
0,259
|
0,0965
|
|
40
|
0,414
|
0,333
|
0,124
|
|
50
|
0,493
|
0,397
|
0,148
|
|
60
|
0,558
|
0,449
|
0,167
|
|
70
|
0,605
|
0,489
|
0,181
|
|
80
|
0,634
|
0,51
|
0,19
|
|
90
|
0,644
|
0,518
|
0,193
|
|
100
|
0,634
|
0,51
|
0,19
|
|
110
|
0,605
|
0,489
|
0,181
|
|
120
|
0,558
|
0,449
|
0,167
|
|
130
|
0,493
|
0,397
|
0,148
|
|
140
|
0,414
|
0,333
|
0,124
|
|
150
|
0,322
|
0,259
|
0,0965
|
|
160
|
0,22
|
0,177
|
0,0660
|
|
170
|
0,112
|
0,09
|
0,0335
|
|
180
|
0
|
0
|
0
|
Рисунок 18 - Угловые характеристики
мощности при двухфазном коротком замыкании на землю
Система неустойчива при двухфазном
коротком замыкании на землю и требует отключения по условию сохранения
динамической устойчивости.
Характер изменения угла δ/(t), по
которому можно найти предельное время отключения короткого замыкания
определится
решением дифференциального уравнения относительно движения ротора
эквивалентного генератора
,
где Тj -
постоянная инерции эквивалентного генератора G1, равная
где 1,1 - учет турбины гидрогенератора.
Решим дифференциальное уравнение методом
последовательных интервалов. Принимаем шаг интегрирования Δt
= 0,05 с. При этом коэффициент k
будет равен
Первый интервал (0-0,05) с
;
;
;
Второй интервал (0,05-0,1) с
;
;
;
Расчет остальных интервалов сведем в
таблицу 11. По полученным значениям строим график
Таблица
11
Решение дифференциального уравнения относительно
движения ротора при двухфазном коротком замыкании на землю
|
t, c
|
d/,
град
|
,
о. е. ,
о. е. град
|
|
|
|
0,00
|
26,78
|
0,087
|
0,203
|
1,81
|
|
0,05
|
28,59
|
0,0924
|
0,198
|
5,334
|
|
0,10
|
42,499
|
0,108
|
0,182
|
8,575
|
|
0,15
|
53,924
|
0,13
|
0,16
|
11,425
|
|
0,20
|
67,736
|
0,156
|
0,134
|
13,812
|
|
0,25
|
83,532
|
0,177
|
0,111
|
15,796
|
|
0,30
|
101,09
|
0,192
|
0,0982
|
17,545
|
|
0,35
|
120,376
|
0,189
|
0,101
|
19,286
|
По рисунку 19 графически определим:
предельное время отключения равно
.
Рисунок 19 - Зависимость δ/(t) при
двухфазном КЗ на землю
.2 Расчет динамической устойчивости
электропередачи при трехфазном коротком замыкании
При трехфазном коротком замыкании
характеристики мощности нормального и послеаварийного режимов остаются
прежними, как и при двухфазном коротком замыкании на землю.
Определим взаимное сопротивление
аварийного режима (см. рисунок 17)
Характеристика мощности в аварийном
режиме
,
Где
Определим предельный угол отключения
;
Угловые характеристики мощности
соответствующих режимов представлены на рисунке 20 по данным таблицы 10.
Система неустойчива и требует отключения по
условию сохранения динамической устойчивости. Решим дифференциальное уравнение
методом последовательных интервалов.
Рисунок 20 - Угловые характеристики
мощности при трехфазном коротком замыкании
Первый интервал (0-0,05) с
;
;
;
Второй интервал (0,05-0,1) с
;
;
;
Расчет остальных интервалов сведем в
таблицу 12. По полученным значениям строим график
Таблица
12
Решение дифференциального уравнения относительно
угла при трехфазном коротком замыкании
|
t, c
|
d/,
град
|
,
о. е. ,
о. е. град
|
|
|
|
0
|
26,78
|
0
|
0,219
|
2,582
|
|
0,05
|
29,36
|
|
|
7,747
|
|
0,1
|
37,107
|
|
|
12,912
|
|
0,15
|
42,272
|
|
|
18,077
|
|
0,2
|
60,349
|
|
|
23,242
|
|
0,25
|
83,591
|
|
|
28,407
|
Рисунок 21 - Зависимость δ/(t) при
трехфазном КЗ
По рисунку 21 предельное время
отключения составит
.
Без выявления характера изменения
угла
предельное
время можно найти интегрированием уравнения движения ротора при
. В
результате получим
,
где 
СПИСОК ИСПОЛЬЗОВАННЫХ ИСТОЧНИКОВ
1.
Веников, В.А. Переходные электромеханические процессы в электрических системах:
учеб. для вузов / В.А. Веников. - М.: Высш. школа, 1985. - 415 с.
.
Электромеханические переходные процессы в электроэнергетических системах: метод.
указания по курсовой работе / А.Э. Бобров, А.М. Дяков, В.Б. Зорин, Л.И.
Пилюшенко; Краснояр. гос. техн. ун-т. - Красноярск: ИПЦ КГТУ, 2006. - 48 с.
3.
Анисимова, Н.Д. Переходные процессы электрических систем в примерах и
иллюстрациях: учеб. пособие для втузов / Н.Д. Анисимова, В.А. Веников, В.В.
Ежков и др.; под ред. В.А. Веникова. - М. - Л.: Энергия, 1967. - 456 с.
4.
СТО 4.2-07-2010. Система менеджмента качества. Общие требования к построению,
изложению и оформлению документов учебной и научной деятельности. - Взамен СТО
4.2-07-2008; дата введ. 22.11.2010. - Красноярск: БИК СФУ, 2010. - 57 с.