Линейные электрические цепи в установившемся синусоидальном режиме

  • Вид работы:
    Дипломная (ВКР)
  • Предмет:
    Физика
  • Язык:
    Русский
    ,
    Формат файла:
    MS Word
    673,40 kb
  • Опубликовано:
    2012-02-13
Вы можете узнать стоимость помощи в написании студенческой работы.
Помощь в написании работы, которую точно примут!

Линейные электрические цепи в установившемся синусоидальном режиме















Линейные электрические цепи в установившемся синусоидальном режиме

Введение


Целью выполнения курсовой работы по разделу «Анализ линейных электрических цепей в режиме установившегося синусоидального тока» дисциплины «основы теории электрических цепей» является:

·  Закрепление теоретических знаний, но этому разделу и самостоятельное применение их к анализу простейших и сложных электрических цепей,

·  Выработка навыков и умений в выполнении типового анализа цепей,

·        Знакомство с правилами оформления технической документации в соответствии с действующими стандартами.

В данной работе мною рассмотрены и описаны основные принципы анализа линейных электрических цепей в установившемся синусоидальном режиме.

В первой части работы проведен анализ простейшей электрической цепи под воздействием синусоидального ЭДС, т. е. цепи, содержащей лишь один источник ЭДС и лишь последовательное и параллельное соединение элементов. Этот анализ осуществляется на основе комплексного метода, который можно применять только в случае, когда сигнал синусоидальный, а также на основе первого и второго законов Кирхгофа в комплексной форме.

Во второй части работы провожу расчеты, пользуясь следующими лекционными материалами: «Метод узловых напряжений».

Задание на курсовую работу


1.  Анализ простейшей электрической цепи синусоидального тока

Определить комплексные действующие значения токов ветвей

Записать выражение мгновенных значений токов i1(t), i2(t), i3(t), построить их графики

Проверить баланс активных и реактивных мощностей

Приняв потенциал точки с=0, определить потенциалы точек n, f, b, d, a. Построить топографическую диаграмму

2.  Анализ сложных (разветвленных) электрических цепей

Рассчитать узловые напряжения

Построение схем. Исходные данные

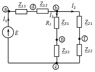
Схема простейшей электрической цепи. Простейшие схемы электрических цепей - одноконтурные схемы, цепные схемы с одним источником электрической энергии, схемы с двумя узлами. В данной работе, в соответствии с вариантом, задана такая простейшая цепь, показанная на рисунке 1; общий вид которой показан на рисунке 2.

Рисунок 1 - Схема простейшей электрической цепи.

Рисунок 2 - Общий вид рассчитываемой схемы

Исходные данные

Em

ΨE

f

R1

R2

R3

L1

L2

L3

C1

C2

C3

В

град

Гц

Ом

Ом

Ом

мГн

мГн

мГн

мкФ

мкФ

мкФ

4

60

100

0,5

1,5

1

0,8

2,39

1,59

995

531

796


Кодировка схемы: Вариант №1

Z11

Z12

Z21

Z22

Z31

Z32

1

8

2

3

1


Анализ простейшей электрической цепи

Расчет простейшей электрической цепи Прежде чем приступить к анализу простейшей электрической цепи, необходимо рассчитать индуктивные и емкостные сопротивления отдельных элементов. Зная, что для индуктивных элементов сопротивления находятся по формуле , а для емкостных - , найдем:

 Ом,

 Ом,

 Ом,

Ом,

Ом,

Ом,

Для определения сопротивлений ветвей необходимо рассчитать сопротивления двухполюсников (рисунок 2):

 Ом,

 Ом,

 Ом,

Ом,

 Ом,

 Ом.

Найдем сопротивления ветвей:

 Ом,

 Ом,

 Ом.

Отсюда находим входное сопротивление цепи:


Зная значения входного сопротивления и ЭДС источника, найдем комплексные значения действующих токов в ветвях электрической цепи:

 В,

 А,

 В,

 А,

 А.

Для записи мгновенных значений токов , , осуществляется переход от действующих комплексов токов , ,  к их временным аналогам:

А

 А,

 А.

Построим графики этих мгновенных значений токов:


Проверка баланса мощности в простейшей цепи Из закона сохранения энергии следует, что для любой электрической цепи должен соблюдаться баланс активных мощностей: мощность, генерируемая источником, должна быть равна мощности, потребляемой всеми приемниками. Для электрической цепи выполняется также и баланс реактивной мощности. При проверке баланса мощности необходимо определить мощность источника:

 В∙А,

где  - комплексная мощность источника, определяющая его активную  и реактивную  мощности;  - сопряженный действующий комплекс тока в ветви с источником. Затем определим мощность , потребляемую в нагрузке цепи. Учитывая, что для участка цепи с сопротивлением  и током  комплексная мощность определяется из выражения:

,

находим  в виде: , , где ,  - активная и реактивная мощности приемника соответственно; , ,  - количество всех резистивных, индуктивных и емкостных элементов соответственно; , ,  - активное, индуктивное емкостное сопротивления k-го элемента схемы;  - действующее значение (модуль соответствующего комплекса) тока k-го элемента схемы.

В,

 В,

 A,

 A,

 A,

 A,

 Вт,

 Вар.

Проверка баланса мощностей сводится к расчету мощностей и анализу равенств:

, .

Построение векторно-топографической диаграммы Векторной диаграммой называют совокупность векторов, изображающих синусоидально изменяющиеся функции времени одной и той же частоты и построенных с соблюдением правильной ориентации их относительно друг друга по фазе. Векторно-топографическая диаграмма напряжений предполагает, что вектор напряжения каждого последующего участка строится из конца вектора предыдущего, в порядке соединения элементов. Для построения диаграммы напряжений необходимо обозначить все точки схемы (рисунок 1). Примем потенциал точки c равным нулю. Затем последовательно рассчитаем падения напряжения между каждой парой точек в схеме:

электрический цепь мощность напряжение

 В,

 В,

 В,

() = 1.32+j1.5 В,

(1.32+j1.5) + (

Определение напряжения  по известному току  Задан ток (А), отсюда  (А). Найдем значение токов , :

В,

 А,

 А.

По второму закону Кирхгофа:

 В,

 В.

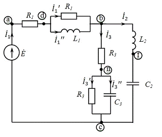
Расчет сложных электрических цепей

Исходные данные


Кодировка схемы: Вариант №1

2

6

1

1

1

4


Для расчета разветвленной электрической цепи задана достаточно сложная схема, которую нельзя привести к схеме одноконтурной цепи или цепи с двумя узлами (рисунок 3). Также в соответствии с вариантом задан граф с определенными хордами (рисунок 4)

 

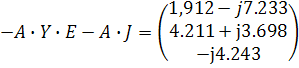
В соответствии с заданным базисным узлом, определяемым вариантом, сформируем матрицу инциденций A, а также матрицу параметров цепи Y.

 - Матрица инциденции - прямоугольная таблица, число строк которой равно числу узлов без 1, число столбцов равно числу всех ветвей.

 

 - Квадратная матрица на главной диагонали которой располагаются комплексные сопротивления

 - Квадратная матрица на главной диагонали, в которой располагаются комплексные проводимости.

 ; ;

E - вектор-столбец ненулевые элементы которого соответствуют включённым в схему источников ЭДС.

J - вектор-столбец ненулевые элементы которого соответствуют включённым в схему источников токов.

Формализовано, в соответствии с матричной записью метода узловых напряжений, сформируем систему уравнений, подлежащую решения с целью определения токов в хордах (контурных токов):


матрица контурных проводимостей

 

задающие токи узлов

 



Зная напряжения в ветвях, найдем токи в ветвях:

A

A

A

A


Запишем выражения мгновенных токов , ,, , ,:

 A,

 A,

 A,

 A,

 A,

 A.

Заключение

Итогами данной курсовой работы являются: - закрепление теоретических знаний по этому разделу и самостоятельное применение их к анализу простейших и сложных линейных электрических цепей; - выработка навыков и умений в выполнении типового анализа цепей; - знакомство с правилами оформления технической документации в соответствии с действующими стандартами.

Литература

1. Линейные электрические цепи в установившемся синусоидальном режиме/ Владивосток.: Изд-во ДВГТУ, 1994. 50с.

. Правила оформления текстовых документов/ Владивосток.: Изд-во ДВГТУ, 2000. 31с.

. Атабеков Т.И. Теоретические основы электротехники. Ч.1. Линейные электрические цепи. М.: Энергия, 1978. 592с.

Похожие работы на - Линейные электрические цепи в установившемся синусоидальном режиме

 

Не нашли материал для своей работы?
Поможем написать уникальную работу
Без плагиата!
Без нейросетей!