Балочное перекрытие рабочей площадки
ФГОУ ВПО
«Башкирский государственный аграрный университет»
Факультет
природопользование и строительство
Кафедра ТПМ
Специальность
строительство
Форма
обучения очная
Курс, группа
401
РАСЧЕТНО -
ГРАФИЧЕСКАЯ РАБОТА
Балочное
перекрытие рабочей площадки
Вариант 863
Галяутдинова
Юлия Раяновна
«К
защите допускаю»
Руководитель:
Пермяков
В.Н
к.т.н,
доцент
УФА-2015
Номер зачетной книжки: 120863
Номер варианта: 863
Таблица 1 Исходные данные
|
Таблица
1Нормативная нагрузка, кН/м
|
рn ≤ 25
|
|
Материал
главной балки и колонны
|
С235
|
|
Материал
вспомогательных балок и стального настила
|
С235
|
|
Материал фундаментов. Бетон класса
|
В12,5
|
Таблица 2 Размеры ячейки балочной клетки l
× b (м)
|
Сумма
всех цифр шифра
|
Третья
цифра варианта
|
|
2
|
|
17
|
11,0x5,4
|
Таблица 3 Временная нормативная нагрузка (рн,
кН/м2) и отметка верха настила балочной клетки (h2,
м)
|
Вторая
цифра варианта
|
Третья
цифра варианта
|
|
3
|
|
6
|
20
|
|
7,2
|
Рабочие площадки.
Расчет несущего настила балочной клетки
. Исходные данные:
1. Нормативная равномерно распределенная
нагрузка: pn = 20 кН/м2 = 0,0020 кН/см2;
2. Коэффициент надежности по нагрузке: γf
= 1,2;
3. Коэффициент условий работы: γс
= 1;
4. Предельный прогиб настила
, (n0 =
150);
5. Материал настила сталь С
235, E = 2,06∙104
кН/см2, ν = 0,3;
6. Настил приварен к балкам с помощью
полуавтоматической сварки в нижнем положении шва с вреде углекислого газа
сварочной проволокой Cв-08А,
Rwf = 18 кН/см2.
II. Определяем отношение пролета настила к
его толщине по формуле:
Принимаем t = 10 мм,
тогда пролет
Определяем силу, растягивающую и
приходящуюся на полоску единичной ширины настила в 1 см (lw = 1 см) по
формуле:
Определяем расчетное сечение шва по
металлу шва (f) и по
металлу границы сплавления (z):
βf = 0,8; βz = 1,05; Run = 37
кН/см2- допускаемое номинальное расчетное сопротивление
βf ∙Rwf = 0,8∙18
= 14,4 кН/см2;
βz ∙Rwz = βz ∙0,45Run = 1,05∙0,45∙37
= 17,48 кН/см2;
Расчетным сечением является сечение
(min) по металлу
шва (f)
Толщину углового шва, прикрепляющего
настила к балкам при полуавтоматической сварке в нижнем положении шва
определяем по формуле:
Принимаем kf = 4 мм.
Расчет
балочных клеток
Вариант 1. Компоновка нормального типа балочной
клетки. Расчет балки настила
. Исходные данные:
1. Нормативная равномерно распределенная
нагрузка: pn = 20кН/м2 = 0,0020 кН/см2;
2. Коэффициент надежности по нагрузке: γf
= 1,2;
3. Коэффициент условий работы: γс
= 1;
. Толщина настила t = 10 мм, ρ = 7850
кг/м3;
. Материал балки сталь С
245, Ry = 24
кН/см2.
II. Расчет балки выполняем с учетом
развития пластических деформаций
(п. 5.18 СНиП II-23-81*)
с коэффициентом cx
= 1,1.
Расстояние между балками настила
Масса настила
Нормативная нагрузка на балку
настила:
Расчетная нагрузка на балку настила:

Расчетный изгибающий момент
Требуемый момент сопротивления балки
По ГОСТ 8239 принимаем двутавр №33, Wx =407 см3, Ix = 5500 см4,
g = 33,9
кг/м, b = 135 мм.
Фактический пролет настила
Проверяем прогиб балки по формуле:
Условие не соблюдается. Принимаем По
ГОСТ 8239 двутавр №30, Wx =472 см3, Ix = 7080 см4,
g = 36,5
кг/м, b = 135 мм.
Определяем расход металла на 1 м2
перекрытия:
Вариант 2. Компоновка усложненного типа балочной
клетки. Расчет балки настила и вспомогательной балки
Расчет балки настила
Настил принимаем как в первом варианте.
Расстояние между балками настила
Шаг вспомогательных балок (2-5м)
Шаг балок настила b = lб.н. = 3,67
м
Нормативная и расчетная нагрузки на
балку настила:
Расчетный изгибающий момент и
требуемый момент сопротивления балки:
Принимаем двутавр №20, Wx =184 см3, Ix = 1840 см4,
g = 21 кг/м.
Проверяем прогиб балки по формуле:
Расчет
вспомогательной балки
Нагрузку на вспомогательную балку от
балок настила считаем равномерно распределенной.
Определяем нормальную и расчетную
нагрузку на балку:
Определяем расчетный изгибающий
момент и требуемый момент сопротивления:
Принимаем двутавр №60 , Wx =2560 см3, Ix = 75806
см4, g = 108кг/м, bf = 19 см, tf = 0,178 см.
Проверяем прогиб балки
Проверяем общую устойчивость
вспомогательных балок в середине пролета. Их сжатый пояс закреплен от
поперечных сечений балкам настила шагом lef = 100 см.
Общую устойчивость балки можно не
проверять при соблюдении следующих условий:
и
,так как cx = с = 1,1
Принятое сечение удовлетворяет
условиям прочности, устойчивости и прогиба.
Расход стали составляет
По расходу стали вариант 1 выгоднее.
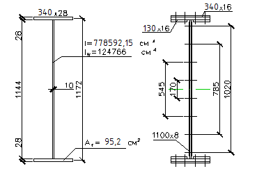
Подбор
сечения главной балки
Балки проектируют сварными из трех
листов.
I. Исходные данные:
1. Пролет балки L=11 м;
2. Шаг колонн l = 5,4 м;
3. Вертикальный предельный
прогиб
;
. Временная нормативная
нагрузка: pn = 20 кН/м2;
. Масса балок настила g2 = 0,30
кН/м2;
. Собственную массу главной
балки принимаем ориентировочно 2% нагрузки на нее (учитываем коэффициентом
1,02);
. Балка из стали С 245, Ry = 23 кН/см2
при t > 20 мм,
Rs = 0,58Ry = 13,3
кН/см2;
. Строительная высота
балочного перекрытия - не ограничено;
. Коэффициент условий
работы: γс = 1.
II. Расчетные схемы
Определяем нормативную и расчетную нагрузку на
балку:
Определяем расчетный изгибающий
момент в середине пролета и поперечную силу на опоре:
Главную балку рассчитываем на
прочность с учетом развития пластических деформаций (п. 5.18 СНиП II-23-81*),
первоначально принимая C1 = C = 1,12.
Определяем требуемый момент
сопротивления:
Определяем оптимальную высоту балки,
предварительно задав ее высоту h = 0,1L = 1,1м.
Приближенно (для балок высотой 1-2
м) определяем толщину стенки по эмпирической формуле:
Принимаем tw = 11 мм.
,15 - коэффициент для сварных балок.
Определяем минимальную высоту балки:
Сравнивая полученные высоты,
принимаем высоту балки h = 100 см с учетом ширины,
выпускаемых листов по ГОСТ 19903-74 и общей толщиной 2-х поясов не > 60 мм.
Определяем толщину стенки из условия
работы стенки на срез от касательных напряжений у опоры:
Определяем необходимую толщину
стенки из условия местной устойчивости, при котором не требуется укрепление ее
продольными ребрами:
Окончательно принимаем tw = 1,0 см.
Размеры горизонтальных поясных
листов находим исходя из необходимой несущей способности балки при tw = 1,0 см.
Задаемся толщиной поясных листов tf ≤ 3tw = 3∙10
= 30 мм и не > 30 мм и в соответствии с ГОСТ 82-70 (сокращенный сортамент)
принимаем tf = 28 мм.
Вычисляем требуемый момент инерции
сечения балки:
Находим момент инерции стенки балки:
,
где
Момент инерции, приходящийся на
поясные листы:
Момент инерции поясных листов балки
относительно ее нейтральной оси:
,
где Af - площадь
сечения одного пояса (моментом инерции поясов относительно их собственной оси
ввиду его малости пренебрегаем). Отсюда получаем требуемую площадь сечения
поясов балки:
,
где
.
Ширину полки bf принимаем в
пределах
,
но не более
,
не менее 180 мм и в соответствии с
ГОСТ 82-70.
Принимаем пояса из универсальной
стали 300 x 28 мм (по
ГОСТ 82-70).
Уточняем принятый ранее коэффициент
учета развития пластических деформаций C1 исходя из
отношения
:
По СНиП II-23-81*,
табл. 66 принимаем C1 = 1,07
Проверяем принятую ширину (свес)
поясов исходя из их местной устойчивости:
А) В сечениях, работающих упруго
Б) В сечениях, работающих с учетом
развития пластических деформаций
Проверяем несущую способность балки
исходя из устойчивости стенки в области пластических деформаций балки в месте
действия максимального момента Mmax, где Q и τ = 0:
Предварительно вычисляем гибкость
стенки
и параметр
Несущая способность балки
обеспечена.
Подобранное сечение проверяем на
прочность с учетом развития пластических деформаций. Для этого определяем
момент инерции и момент сопротивления балки.

Недонапряжение
, что больше
5% и требуется перерасчет.
Принимаем пояса из универсальной
стали 310 x 28 мм (по
ГОСТ 82-70).
Уточняем принятый ранее коэффициент
учета развития пластических деформаций C1 исходя из
отношения
:
По СНиП II-23-81*,
табл. 66 принимаем C1 = 1,12
Проверяем принятую ширину (свес)
поясов исходя из их местной устойчивости:
А) В сечениях, работающих упруго
Б) В сечениях, работающих с учетом
развития пластических деформаций
Проверяем несущую способность балки
исходя из устойчивости стенки в области пластических деформаций балки в месте
действия максимального момента Mmax, где Q и τ = 0:
Предварительно вычисляем гибкость
стенки
и параметр
Несущая способность балки
обеспечена.
Подобранное сечение проверяем на
прочность с учетом развития пластических деформаций. Для этого определяем
момент инерции и момент сопротивления балки.
Наибольшее напряжение в балке
Недонапряжение
, что меньше
5% и не требуется перерасчет.
Проверка прогиба балки. Проверку
прогиба балки делать не нужно, так как принятая высота сечения больше hmin и
фактический прогиб будет меньше предельного.
Изменение
сечения балки
Место изменения сечения принимаем на
расстоянии 1/6 пролета от опоры.
Сечение изменяем уменьшением ширины
поясов. Разные сечения поясов соединяем прямым сварным швом встык, выводом
концов его на технологические планки, ручной сварки электродами Э42 с
применением физических методов контроля. При этих условиях для растянутого
пояса Rwy = Ry, табл. 3
СНиП.
Определяем расчетный момент и
перерезывающую силу в сечении:
Подбор измененного сечения ведем по
упругой стадии работы материала.
Определяем измененную ширину пояса bf1, сохраняя
другие параметры сечения.
Вычисляем требуемый момент
сопротивления и момент инерции измененного сечения исходя из прочности сварного
стыкового шва, работающего на растяжение:
Вычисляем требуемый момент инерции
поясов:
Вычисляем
площадь сечения поясов:
Принимаем пояс 200 x 28 мм, Af1 = 56см2.
Принятый пояс удовлетворяет
рекомендациям
,
и
Вычисляем момент инерции и момент
сопротивления уменьшенного сечения:
Максимальное напряжение в
уменьшенном сечении
,
что меньше предельно допустимого
расчетного сопротивления стыкового шва по пределу текучести.
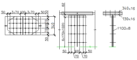
Расчет монтажного стыка сварной балки
I. Исходные данные:
1. M
= 2959,74 кН∙м, Q
= 0; сталь С 255, Ry
= 23 кН/см2;
2. Стык осуществляем высокопрочными
болтами d = 24 мм из стали
40х «селект», Rbun = 110
кН/см2 (табл. 61 СНиП), Abn
= 3,52 см2 (табл. 62 СНиП), Rbh
= 0,7Rbun = 0,7∙110=77
кН/см2 - расчетное сопротивление материала болта растяжению;
. Обработка поверхности - газопламенная
без консервации, µ = 0,42 (табл. 36* СНиП);
4. Принимаем способ регулирования
натяжения болта по моменту закручивания (M)
и разницу в диаметрах отверстия болта δ
= 1-4 мм, γh = 1,12
(табл. 36* СНиП);
. Ks = 2 - две плоскости
трения
. Сечение балки:
II. Каждый стык пояса перекрываем тремя
накладками: одна сечением 340 x
16 и две - 130 x 16.
Общая площадь сечения накладок одного пояса:
Усилие в поясе определяем из условия
равнопрочности соединения:
Несущую способность одного болта,
имеющего две плоскости трения, вычисляем по формуле:

Принимаем 12 болтов и размещаем их
согласно табл. 39 СНиП.
Проверяем ослабление нижнего
растянутого пояса отверстиями под болты d = 24 мм (на
2 мм больше диаметра болта). Пояс ослаблен двумя отверстиями по краю стыка:
Условие не выполняется. Возьмем болт
d = 22 мм из
стали 40х «селект»
Проверяем ослабление нижнего
растянутого пояса отверстиями под болты d = 22 мм (на
2 мм больше диаметра болта). Пояс ослаблен двумя отверстиями по краю стыка:
Условие соблюдается, ослабление
пояса можно не учитывать.
Проверяем ослабление накладок в
середине стыка четырьмя отверстиями:
Условие соблюдается, ослабление
накладок можно не учитывать.
Стык стенки перекрываем двумя
вертикальными накладками сечением 340 x 1100 x 8 мм.
Принимаем расстояние между крайними
по высоте рядами болтов:
Вычисляем коэффициент стыка
α:
= 2 - число вертикальных рядов
болтов на полунакладке (принимаем). Из табл. 7.9 («М.К.» Кудишин): принимаем K = 6.
Проверяем стык на максимальное
горизонтальное усилие от изгибающего момента, действующего на каждый крайний
наиболее нагруженный болт по формуле:
,
где
Условие соблюдается, принятый болт
воспринимает усилие (203,28 кН) больше чем фактическое (108кН).
Расчет
сплошной колонны
I. Исходные данные:
1. Длина колонны с шарнирным соединением
обоих концов lк0 =760-1-33-120=
606 см = 6,06 м;
2. Марка стали С 255, расчетное
сопротивление Ry = 24
кН/см2, Rs = 0,58Ry
= 0,58∙24 = 13,92 кН/см2;
. Присоединение планок осуществляется
ручной сваркой электродами Э42А;
4. Расчетная
нагрузка
;
5. Расчетная длина стержня lк = lк0 = 6,06 м;
. Коэффициент условий работы
γc = 1; γwf = γwz = 1.
II. Задаемся гибкостью λ
= 60 и находим соответствующее значение φ
= 0,805. Подбираем сечение стержня, рассчитывая его относительно материальной
оси x-x,
определяя требуемые:
А) Площадь сечения
Б) Радиус инерции
По сортаменту принимаем два двутавра
№33 со значениями A и i, близкими к
требуемым:
и
Рассчитываем гибкость относительно
оси x-x:
;
Проверяем устойчивость относительно
оси x-x:
Недонапряжение
.
БИБЛИОГРАФИЧЕСКИЙ СПИСОК
1. СНиП
П-23-81*. Стальные конструкции. Нормы проектирования./ Госстрой СССР. - М.:
ЦИТП Госстроя СССР, 1990 - 96 с.
2. СНиП
2.01.07-85* Нагрузки и воздействия (Дополнения. Раздел 10. Прогибы и
перемещения.). / Госстрой СССР - М.: ЦИТП Госстроя СССР, 1988. - 36 с.
3. Металлические
конструкции: Учебник для студ. высш. учебн. заведений / Ю.И. Кудишин, Е.И.
Беленя, B.C.
Игнатьева и др.; Под ред. Ю.И. Кудишина, 8-е изд., перераб. и доп. - М.:
Издательский центр «Академия», 2006. - 688 с.
4. Металлические
конструкции. Общий курс: Учебник для вузов. Под ред. Г.С. Веденикова. - 7-е.
изд., перераб. и доп. - М.: Стройиздат, 1998, - 760 с.: ил.
. Металлические
конструкции в 3 т., Т. 1. Элементы конструкций : Учебник для строительных
вузов. Под ред. В.В. Горева. 2-е издание - М.: Высш. шк., 2001. - 521 с.: ил.
. Металлические
конструкции в 3 т., Т. 2. Конструкции зданий: Учебник для строительных вузов.
Под ред. В.В. Горева. 2-е издание - М.: Высш. шк., 2002. - 528 с.: ил.
. Расчет
и конструирование элементов балочной клетки и колонны. Методические указания к
курсовой работе по металлическим конструкциям. Составили В. И. Горбачев, И.А.
Мяконьких, Л.Л. Чумилович. - Иркутск, 1983. - 55 с.