Балочная клетка рабочей площадки
Министерство
Образования и Науки Республики Казахстан
Международная
Образовательная Корпорация
Казахская
Головная Архитектурно-Строительная Академия
Курсовой
проект
по
дисциплине: Строительные конструкции II
на
тему
«Балочная клетка рабочей площадки»
Выполнила
ст.гр.Стр(РПЗС)08-1
Афуксениди
Анна
Проверил
ассоц. проф.
Бакиров
К.К.
Алматы 2011
Содержание
1.
Расчет настила, балок настила и вспомогательных балок
2.
Компоновка и подбор сечения главной балки
. Изменение
сечения балки по длине
. Проверка
прочности , прогибы и устойчивости составной главной балки
. Проверка и
обеспечение местной устойчивости сжатого пояса и стенки балки
. Расчет
поясного шва сварной балки
. Расчет
монтажного стыка сварной балки
. Расчет
опорного ребра сварной балки
. Подбор
сечения сплошной центрально- сжатой колонны
. Расчет базы
сплошной колонны
Исходные данные
шаг колонн в продольном направлении ℓ =14
м
- шаг колонн в поперечном направлении b=5м
нормативная временная нагрузка
рn
=20 кПа
- материал настила С235
- материал главной балки С245
- материал
балок
настила
С245
- класс
бетона фундамента В10
-отметка верха настила 6,5
м
- строительная
высота перекрытия 1,8
м
Уақытша жүктеме бойынша
сенімділік коэффициент 𝛾fp=1,2.
Төсемнің шекті
салыстырмалы майысымы 
Төсем арқалығының
шекті майысымы 
Рассмотрим два варианта компоновки
балочной клетки рабочей площадки: первый - нормальный тип, второй - усложненный
тип.
Вариант 1 - нормальный тип балочной
клетки
Шаг балок настила а1
определяется несущей способностью настила и обычно принимается равным 0,6 - 1,6
м при стальном настиле. Определим максимальное и минимальное количество балок
Принимаем количество шагов балок
настила
n =16
Определяем шаг балок настила
Определяем пролет настила
Вычисляем соотношение пролета
настила к его толщине
104
Тогда толщина настила будет равна
Принимаем по сортаменту
=10 мм.
Определяем вес настила, зная что 1 м2
стального листа толщиной 10 мм весит 78,5 кг
78,5·1,0=78,5 кг/м2=0,8
кН/м2
Нормативная нагрузка на балку
настила
Расчетная нагрузка на балку настила
Расчетный изгибающий момент (при ℓ
= b = 5 м)
Мmax=qℓ2/8
= 20,47·
52/8
= 63,96
кНм = 6396 кНсм
Требуемый момент сопротивления балки
По сортаменту принимаем
двутавр №24 Wx=289см3, g=27,3кг/м , Ix=3460см4,
b=115мм)
Проверяем только прогиб, так как W = 289 см3
> Wтр = 242,3 см3
Проверяем условие
жёсткости
=
1,96
см ˂ 2 см.
Принятое сечение балки удовлетворяет
условиям прочности и прогиба. Проверку касательных напряжений прокатных балках
при отсутствии ослабления опорных сечений обычно не производят, так как она
легко удовлетворяется из-за относительно большей толщины стенок балок.
Общую устойчивость балок настила
проверять не надо, так как их сжатые пояса надежно закреплены в горизонтальном
направлении приваренным к ним настилом.
Определяем расход металла на 1 м2
перекрытия
- балка настила g/a1 = 27,3/0,824 = 33,13
кг/м2
Весь расход металла составит 78,5+33,13= 111 кг/м2
= 1,11 кН/м2
Вариант 2 - усложненный тип балочной
клетки
Определяем количество шагов балок
настила
Принимаем n =6
Определяем шаг балок настила
Шаг вспомогательных балок
рекомендуется назначать в пределах 2-5 м. Поэтому принимаем количество шагов
вспомогательных балок равным 4., тогда шаг этих балок будет равен
Из соотношения
определим
толщину настила
)
Принимаем по сортаменту
=10 мм.
Определяем вес настила, зная что 1 м2
стального листа толщиной 10 мм весит 78,5 кг
78,5·1 =78,5 кг/м2=0,8
кН/м2
Нормативная нагрузка на балку
настила
Расчетная нагрузка на балку настила
Расчетный изгибающий момент (при ℓ=а2=3,5
м)
Мmax=qℓ2/8
= 20,692·3,52/8 = 31,685кН/м=3169 кН/см
Требуемый момент сопротивления балки для стали
С245
Ry = 240 Мпа
тр =
По сортаменту принимаем двутавр №20,
имеющий:Wx=184см3, g=21кг/м , Ix=1840см4, b=100мм.
Проверяем только прогиб, так как W = 184 см3
> Wтр = 120,04 см3
<350/250=1,4см .
Принятое сечение балки удовлетворяет
условиям прочности и прогиба.
Нагрузка на вспомогательную балку от
балок настила считаем равномерно распределенной, так как число балок не меньше
5. Определяем
нормативную и расчётную нагрузку на вспомогательную балку
Определяем расчетный
изгибающий момент и требуемый момент сопротивления
М= ql2/8=79,8·52/8=249,375кН·м=24938
кН·смтр.=М/(Сх·Ry·
=24938/(1,1·24·1)
=944,6см3
Выбираем по сортаменту двутавр № 40,
имеющий Wx
= 953 см3, Ix = 19062 см4,
g =57
кг/м,
bf =155
мм,
tf =13
мм
Проверяем общую устойчивость
вспомогательных балок в середине пролета, в сечении с наибольшими нормальными
напряжениями. Их сжатый пояс закреплен от поперечных смещений балками настила,
которые вместе с приваренным к ним настилом образуют жесткий диск. В этом
случае за расчетный пролет принимаем расстояние между балками настила ℓef = 8,33 см.
Общую устойчивость можно не
проверять, если выполняется условие:
Проверим условия применения формулы:
и
В сечении ℓ/2
τ =
0, следовательно
с1 = с и δ =1-
0,7
Подставим полученные значения
т.е. общую устойчивость балки можно
не проверять.
Принятое сечение удовлетворяет
требованиям прочности, устойчивости и прогиба.
По варианту 2 суммарный расход
металла составляет
По расходу металла вариант №1
выгоднее, так как 1,11 кН/м2 < 1,21кН/м2.
Компоновка и подбор сечения
составной главной балки
Сечение составной главной балки
подбираем по первому варианту компоновки балочной площадки. Балку проектируем
из стали С 255, имеющей при толщине t ≤ 20
мм с Ry = 240 МПа и
Rs = 0,58·Ry=139 МПа =
13,9кН/см2. Её предельный прогиб составляет f ≤
(1/400)L.
Масса настила и балок настила g = 1,11
кН/см2, собственную массу балки
принимаем ориентировочно в размере 1-2 % от нагрузки на неё.
Максимально возможная строительная высота перекрытия по заданию hстр. =1,8 м.
Рисунок Расчетные схемы
а - расчётная схема главной балки; б
- сечение балки
Определим нормативную и расчетную нагрузку на
балку:
n
= 1,02(pn + gn)·В =1,02(20+1,11)·5=107,66 кН/м
Определим расчетный изгибающий
момент в середине пролета
Поперечная сила на опоре
Главную балку рассчитываем с учетом
развития пластических деформаций. Определяем требуемый
момент сопротивления балки, первоначально принимая с1=с =1,1:
Определяем оптимальную высоту балки,
предварительно задав высоту и толщину стенки
Сравнив с имеющимися
толщинами проката листовой стали, принимаем толщину стенки 10 мм.

Строительную высоту балки определяем
исходя из максимально возможной заданной высоты перекрытия и его конструкции:
Сравнивая полученные высоты,
принимаем высоту балки больше чем hmin , близкой к hopt и
кратной 100 мм h = 130см .
Проверяем принятую толщину стенки
балки:
из условия прочности стенки
балки на касательные напряжения при опирании с помощью опорного ребра,
приваренного к торцу балки
из условия обеспечения
местной устойчивости стенки балки без укрепления её продольным ребром жёсткости
Сравнивая полученную расчетным путем
толщину стенки с принятой (10мм), приходим к выводу, что она удовлетворяет условию
прочности на действия касательных напряжений и местной
устойчивости.
Размеры горизонтальных поясных
листов находят исходя из необходимой несущей способности балки. Для этого
вычисляем требуемый момент инерции сечения балки
Находим момент инерции стенки балки,
принимая толщину поясов tf = 2 см
Момент инерции, приходящийся на
поясные листы
Момент инерции поясных листов балки
относительно ее нейтральной оси
где Аf - площадь
сечения пояса. Моментом инерции поясов относительно их собственной оси ввиду
его малости пренебрегаем.
Отсюда получаем требуемую площадь
сечения поясов балки:
где hef = h - tf
= 130 - 2 = 128 cм.
Принимаем пояса из универсальной стали
400×20
мм,
для которой отношение
bf / h =400 /
1300=1 / 3,25 находится в пределах (1/3 - 1/5) рекомендуемого.
Уточняем принятый ранее коэффициент
учета пластической работы «с» исходя из:
По табл.66
уточняем
коэффициент с
= 1,11
который практически
соответствует ранее
принятому с
= 1,1,
поэтому его оставляем без изменения.
Проверяем принятую ширину (свес)
поясов в
сечениях, работающих с учётом
развития пластических деформаций, исходя из их местной устойчивости:
Проверяем несущую способность балки исходя из
устойчивости стенки в области пластических деформаций балки в месте действия
максимального момента, гдеи
τ
= 0.
где α =
0,24 - 0,15·(τ/Rs
- 8,5·10-3(λw-
2,2)2 = 0,24-8,5·10-3·(4,2-2,2)2 = 0,21.
Устойчивость стенки балки
обеспечена.
Подобранное сечение балки проверяем
на прочность.
Для
этого определяем момент инерции и момент сопротивление балки
Наибольшее напряжение в балке:
Подобранное сечение балки
удовлетворяет условию прочности. Высота сечения балки принята больше
минимальной, поэтому проверку прогиба балки делать не нужно.
Изменение сечения балки по длине
Место изменения сечения принимаем на
расстоянии 1/6 пролета от опоры. Сечение изменяем уменьшением ширины поясов. Разные
сечения поясов соединяем сварным швом встык, электродами Э 42 без применения
физических методов контроля, то есть для растянутого пояса
Определяем расчетный изгибающий
момент и перерезывающую силу в сечении
Рисунок к примеру изменения
сечения
а - место изменения сечения;
б - проверка приведённых напряжений
Подбор изменённого сечения ведем по
упругой стадии работы стали.
Определяем требуемый момент
сопротивления и момент инерции измененного сечения исходя из прочности сварного
стыкового шва, работающего на растяжение:
Определяем требуемый момент
инерции поясов
Требуемая площадь
сечения поясов
Принимаем пояс 250×20 мм Af1 = 50 см2. Принятое
сечение пояса удовлетворяет рекомендациям bf1˃18 см
и bf1˃h/10 = 130/10
=13 см.
Определяем момент инерции и момент
сопротивления уменьшенного сечения:
Проверка прочности, общей
устойчивости и прогиба составной балки
Проверка прочности балки.
Проверяем максимальные нормальные
напряжения в поясах в середине балки
Проверяем максимальное касательное
напряжение в стенке на опоре балки
,
где
Проверяем местные напряжения в
стенке под балками настила:
,
где F =
2·20,47·5/2 =102,35 кН - опорные реакции балок настила; lef = b +2tf = 11,5
+2·2= = 15,5 см - длина передачи нагрузки на стенку балки.
Проверяем приведенные напряжения в месте
изменения сечения балки
Прочность балки обеспечена.
Проверяем общую устойчивость балки в
месте действия максимальных нормальных напряжений, принимая за расчетный
пролет lef -
расстояние между балками настила:
а) в середине пролёта, где
учтены пластические деформации
при
и
кезінде
где
б) в месте
уменьшения сечения балки (балка работает упруго, поэтому δ =1)
Обе проверки показали, что общая
устойчивость балки обеспечена.
Проверку прогиба балки может
не проводиться, так как принятая высота балки больше минимальной h =130 см ˃
hmin = 125,4 см.
Проверка местной устойчивости сжатого
пояса и стенки сварной балки
. Проверка устойчивости сжатого пояса
производится в месте максимальных нормальных напряжений в нем- в середине
пролета балки, где возможны пластические деформации.
Рассчитываем
тогда проверку ведем
по формуле:
Проверка показала, что местная
устойчивость пояса обеспечена.
Проверка
устойчивости стенки балки
Первоначально определяем
необходимость постановки ребер жесткости по формуле:
следовательно.
вертикальные ребра жесткости необходимы. В зоне учета
пластических деформации необходима постановка ребер жесткости под каждой балкой
настила, т.к. местные напряжения в стенке, в этой зоне, не допустимы.)
Определяем длину области учёта
пластических деформаций в стенке балки
Расстановку вертикальных ребер
принимаем по чертежу.
Устанавливаем необходимость
проверки устойчивости стенки. Так как условная гибкость стенки
проверка
устойчивости стенки необходима.
Проверяем отсек «а». Определяем
средние значения M и Q в сечении
на расстоянии
х = 247 см от опоры
(под балкой настила)
Определим действующие напряжения:
Определяем критические напряжения
где

Определим
значение коэффициента степени упругого защемления стенки в поясах
где β - коэффициент,
принимаемый по табл. 22
; hef - расчётная
высота стенки составной балки, для сварных балок hef = hw.
При δ = 2,06 и а
/ hef = 2,77 по
табл. 24
предельное
значение отношения напряжений
Расчетное значение
поэтому σcr определяем
по формуле
где Сcr =33,34 получили
по табл. 21
при δ = 2,06.
Затем определяем σloc, cr, принимая а
= а/2 при вычислении
:
где с1 = 29,0
получили по табл.23
при δ = 2,06 и
Подставляем полученные значения напряжений
в
формулу:
Проверка показала, что устойчивость
стенки обеспечена.
балка сечение
пояс устойчивость
Расчет поясного шва сварной балки
Балка работает с учетом пластических
деформаций, а также имеется местная сосредоточенная нагрузка от балок настила,
действующий на сжатый пояс балки. Поэтому швы выполняем двусторонние,
автоматической сваркой в лодочку, сварочной проволокой Св - 08А.
Определяем толщину шва в сечении Х =
87,5 см, под первой от опоры балкой настила, где сдвигающая сила максимальна
где n = 2 (при
двусторонних швах), I1 = 535720,7
см4,
Sf1 = 3100
см3,
F =102,35кН, ℓef = =15,5 cм.
Определяем Q = q·
По табл. 56
для
сварочной проволоки Св-08А Rwf =180 МПа =
18 кН/см2. В соответствии с табл.3 и 51
для стали
С255 Rwz= 0,45Run= 0,45·37 =
16,6 кН/см2. По табл. 35
находим коэффициенты глубины
проплавления угловых швов βf = 1,1 и βz = 1,15.
Затем определяем более опасное сечения шва βf Rwf= 1,1·18
=19,8 кН/см2˃ ˃βz Rwz= 1,15·16,6
= 19,09 кН/см2. Отсюда выбираем меньшее значение 19,09 кН/см2) и
определяем требуемую тощину шва
Принимаем по табл.39
минимально допустимый
при
толщине пояса
tf = 20мм шов толщиной
kf = 6мм, что
больше получившегося по расчету kf = 2,5мм.
Расчет монтажного стыка сварной
балки на высокопрочных болтах
Монтажный стык делаем в
середине пролета балки, где M = 3143,35 кН·м и Q = 0.
Стык осуществляем высокопрочными
болтами d = 20 мм из
стали марки
40Х «селект», имеющей по
табл. №61
наименьшее
временное сопротивление Rbun =1100МПа =
110 кН/см2. Способ обработкии
соединяемых
поверхностей -
газопламенная.
Несущая способность болта, имеющего две плоскости трения
где 
определяется из табл. 62
так как
количество болтов n ˃10 коэффициент
принимаем
способ регулирования натяжения болта по углу закручивания, разница в диаметрах
отверстия и болта δ
= 1…4
мм, поэтому по табл.37
коэффициенты μ
=0,42
и
количество
поверхностей трения k = 2.
Стык поясов
Стык каждого пояса балки
перекрываем тремя накладками сечениями 400 × 12 мм и 2×180х12
мм.
Общая площадь сечения накладок
Определяем усилие в поясе:
Количество болтов для прикрепления
накладок
Принимаем 16 болтов.
Стык стенки
Стык стенки
перекрываем двумя вертикальными накладками размером
340×1200×12
мм.
Момент, действующий на стенку балки:
Принимаем расстояние между крайними
по высоте рядами болтов
Находим коэффициент стыка
(где m = 2 - число
вертикальных рядов на полунакладке; из таб. 7.9
находим количество
рядов
болтов
k
по вертикали при α
= 2,2, k =11 (α =
2,2 ˃ 2,14). Принимаем 11 рядов с шагом 110мм, так как 110 ·10 = 11000
мм.)
Поверяем несущую способность стыка
стенки балки
где
Монтажный стык сварной балки
Проверяем ослабление нижнего
растянутого пояса отверстиями под болты dо =22 мм (на
2мм больше диаметра болта). Пояс ослаблен двумя отверстиями по краю стыка
т.е. ослаблением пояса можно
пренебречь.
Проверяем ослабление накладок в
середине стыка четырьмя отверстиями
Ослабление
накладок также можно не учитывать.
Расчет опорного ребра сварной балки
Опорная реакция балки F =
898,1 кН.
Опирание балки выполняем с
помощью опорного ребра, приваренного к торцу балки. Определяем
площадь смятия торца опорного ребра:
где Rp - расчетное
сопротивление стали смятию торцевой поверхности. Для стали С255 при толщине
проката 10-20 мм по табл. 51 
Принимаем ребро
с поперечным сечением 250×12 мм, тогда
Проверяем опорную стойку балки на
устойчивость относительно оси z-z.
Ширина участка стенки
балки,
включенной в работу опорной стойки:
Площадь сечения опорного участка:
см2.
Момент инерции сечения опорного
участка:
тогда
По табл. 72
φ = 0,946
Устойчивость опорного участка балки
обеспечена.
Рассчитываем прикрепления опорного
ребра к стенке балки двусторонними швами полуавтоматической сваркой проволокой
Св -08А.
Определяем минимальное значение β Rw,
для этого
по табл. 56
принимаем Rwf = 180 МПа = 18,0 кН/см2;по табл. 51
Rwz= 0,45Run= 0,45·37
=16,65кН/см2; по табл. 35
βf = 0,9, βz = 1,05,
тогда βf·Rwf = 0,9·18 = 16,2 кН/см2 ˂
βz·Rwz = 1,05·16,65
= 17,48 кН/см2.
Определяем катет сварных швов:
Принимаем шов kf = 7 мм, что
больше значения
kf min приведенного
в таб. 39
Проверяем длину сварного шва
Опорное ребро
привариваем к стенке балки по всей высоте сплошными швами.
Подбор сечения сплошной
центрально-сжатой колонны
Геометрическая высота колонны l = 6,5 -0,01
-0,24-1,3 +0,6=5,55 м
Расчётная продольная сила,
действующая на колонну, равна сумме опорных реакций от двух главных балок
опирающихся на неё
F = 2 · Qmax =
2·898,1=1814,4 кН,
где к-коэффициент,
учитывающий собственный вес колонны.
Материал колонны - сталь
С245, расчётное сопротивление которой при t =1,5-20 мм Rу= 240 МПа = 24 кН/см2.
Коэффициент условий работы γс=1.
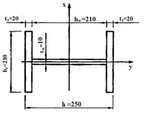
Принимаем сечение колонны
двутавровым, свариваемой из трех листов.
Расчетная длина стержня колонны lef=0,7·l=0,7·5,55=3,885
м.
Задаемся гибкостью λ=80 ( для
сплошных колонн при N =1500…2500 кН можно принять в
пределах λ =100…70;
при N =2500…4000
кН - λ =70…50).
Условная гибкость колонны
По табл. 8
определим
тип кривой устойчивости - тип «b». В соответствии с прилож. 8
по проекту
новых норм для кривой типа «b» коэффициент устойчивости при
центральном сжатии φ = 0,697.
Предварительно определяем требуемые: площадь сечения колонны при
= F
радиус
инерции1795
ширина сечения по табл. 8.1
Принимаем сечение полки, равное
2·(21·2)=84 см2, сечение стенки 21·1,2=25,2 см2.
Площадь поперечного сечения:
А=84+25,2=109,2 см2.
Сечение колонны со сплошной стенкой
Проверяем общую устойчивость колонны
относительно оси «у»
Условная гибкость колонны
По проекту новых норм (прилож. 8
) для
кривой типа «b»
коэффициент устойчивости при центральном сжатии φ = 0,743.
Так как запас превышает 5%,
производим корректировку сечения. Для этого уменьшаем
толщину стенки и назначаем tw=10 мм.
Тогда изменённое сечение колонны имеет:
А = 2·21·2 +21·1,0=105 см2;
Гибкость колонны
условная
гибкость колонны
Коэффициент
устойчивости φ
= 0,752.
Запас не превышает 5%, поэтому
принимаем изменённое сечение.
Проверяем
местную устойчивость стенки колонны.
Стенка
колонны будет устойчивой, если
условная гибкость стенки
не превысит предельную
условную гибкость
по табл.29
Условие
выполняется, значит, стенка колонны
устойчива.
Проверяем
местную устойчивость поясных листов колонны.
Устойчивость
поясных листов центрально-сжатых элементов считается обеспеченной, если
условная гибкость свеса сжатого пояса
не
превышает значений предельной условной гибкости пояса
Условие выполняется, т.е.
полка
колонны
устойчива.
Расчет базы сплошной колонны
Материал базы - сталь С245,
расчетное сопротивление которой при толщине tw = 1,5-20мм
по табл.51
Ry = 24 кН/см2.
Бетон фундамента В10 - расчётное сопротивление для первой группы предельных
состояний по табл.13
Rb = 6 МПа =
0,6 кН/см2.
Расчётная сила давления на фундамент
N = F + Gкол. =1814,4 +
4,71 = 1819 кН.
Здесь Gкол = A·H·ρs·γf·g =
0,0105·5,55·7,85·1,05·9,81 = 4,71 кН - вес колонны;
А - площадь сечения колонны; Н -
геометрическая высота колонны; ρs = 7,85 т/м3
- плотность стали; γf -
коэффициент надёжности по нагрузке от веса колонны; g = 9,81 м/с2
- ускорение свободного падения.
Требуемая площадь опорной плиты базы
где
- расчётное сопротивление бетона
смятию; α
= 1 для
бетона класса ниже В25, для бетона классов В25 и выше
φb принимают
не более 2,5 для бетонов класса выше В7,5 и для бетонов класса В3,5; В5; В7,5
не более 1,5 (п.п 3.39
).
Считая в первом приближении плиту
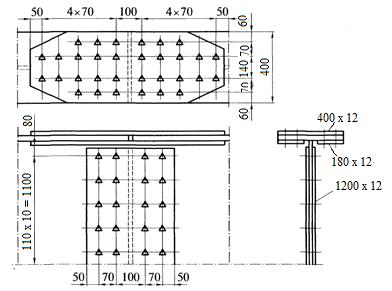
базы квадратной, будем иметь стороны плиты равными B = L =
= 38,94 см.
Принимаем размер плиты B = L= 39 см.
Уточняем площадь плиты
см2.
Напряжение под плитой
Конструируем базу колонны с
траверсами, привариваем их к полкам колонны и к опорной плите
угловыми швами. Вычисляем изгибающие моменты на разных участках для определения
толщины плиты. В плите имеются три участка с различным количеством опертых
кантов.
На участке 1 плита опёрта на
четыре канта. Соотношение сторон b/a = 21/10 =
2,1 ˃ 2. Изгибающий момент
= 0,125 ·1,2 ·
где q - расчётное
давление на 1 см2 плиты, равное напряжению в фундаменте под плитой;
α = 0,125 -
коэффициент, зависящий от отношения более длинной стороны участка «b» к более
короткой «a» и
принимаемый по табл. 8.5
На участке 2 плита работает как
консоль длиной
(390 - 210
- 2·10)/2 = 80 мм, где 10 мм - толщина траверсы.
На участке 3 плита опёрта на три
канта, где коэффициент α зависит от
отношения закреплённой стороны к незакреплённой 7/21 = 0,33 ˂ 0,5. При
таких соотношениях сторон участка плита работает тоже как консоль с длиной
консоли 7 см.
Определяем толщину опорной плиты по
максимальному моменту
Принимаем плиту толщиной tпл = 32 мм.
Расчёт траверсы. Считаем в запас
прочности, что усилие на плиту передаётся только через швы, прикрепляющие
стержень колонны к траверсам.
Прикрепление траверсы к колонне
выполняется полуавтоматической сваркой в углекислом газе сварочной проволокой
Св08Г2С. Толщину траверс принимаем tтр = 12 мм. По
табл.56
расчётное
сопротивление металла шва Rwf = 215 МПа =
21,5 кН/см2. По табл. 3
расчётное сопротивление металла
границы сплавления Rwz =0,45Run и по табл.
51
для стали
С245 Run = 370 МПа =
37 кН/см2.
Определяем расчётное сечение
соединения. Задаёмся катетом шва kf = 12 мм,
тогда по табл. 36
βf = 0,8; βz = 1.
βf · Rwf = 0,8·21,5
= 17,2 ˃
βz · Rwz =1· 0,45·37
= 16,65 кН/см2,
таким образом, расчётным сечением
является сечение по металлу границы сплавления.
Расчётная длина шва
Высота траверсы hтр = lw + 1 = 22,8
+ 1 = 23,8 см. Принимаем высоту траверсы 24 см. Проверяем прочность траверсы
как балки с двумя консолями. Момент в середине пролёта
-
=352,8 кН·см2.
Момент сопротивления траверсы Wт = 1,0·242
/ 6 = 96 см3. Напряжение
σ = 352,8 / 96 = 3,7 кН/см2
˂ Ry = 24 кН/см2,
сечение траверсы удовлетворяет требованию прочности.
Список используемой литературы
1.
Ю.И.Кудишин Металлические конструкции. М.: Издательский центр «Академия»,
2007г.
.
СНиП РК 5.04-23-2002. Стальные конструкции. - Астана, КАЗГОР, 2002.
.СНиП
2.03.01-84*. Бетонные и железобетонные конструкции. Минстрой России. - М.: ГП
ЦПП, 1996.
.Е.И.Беленя
«Металлические конструкции» Стройиздат, 1986г.
5.
Бакиров К.К. Строительные конструкции II.
Раздел «Металлические конструкции». Учебное пособие. Аламты, КазГАСА 1996 г.