Вариантное проектирование балочной клетки рабочей площадки
Содержание
1. Выбор схемы балочной клетки
1.1 Расчетные характеристики
материала и коэффициенты
.2 Выбор вариантов компоновочных
схем
.3 Определение удельных показателей
.3.1 Проверка прочности настила
.3.2 Проверка жесткости настила
.4 Расчет крепления настила к балкам
.5 Расчет прокатной балки
.5.1 Расчетные характеристики
материала и коэффициенты
.5.2 Геометрические характеристики
двутавра №30Б1
.5.3 Статический расчет
.5.4 Проверка прочности
.5.5 Проверка жесткости
. Статический расчет и подбор
сечения составной сварной балки
.1 Расчетные характеристики
материала и коэффициенты
.2 Статический расчет
.3 Компоновка и предварительный
подбор сечения составной балки
.4 Проверка принятого сечения на
прочность
. Изменение сечения сварной балки по
длине
.1 Компоновка сечения
.2 Определяем место изменения
сечения
.3 Проверка прочности измененного
сечения
. Проверка жесткости балки
. Проверка общей устойчивости балки
. Расстановка ребер жесткости и
проверка местной устойчивости элементов балки
.1 Проверка устойчивости сжатого
пояса
.2 Проверка устойчивости стенки
. Расчет поясных швов составной
балки
. Расчет опорной части балки
.1 Расчетные характеристики
материала и коэффициенты
.2 Определяем размеры опорного ребра
.3 Проверка принятого сечения
.4 Рассчитываем сварные швы,
необходимые для крепления ребра к стенке
. Расчет укрупнительного стыка балки
.1. Расчетные характеристики
материала и коэффициенты
.2 Конструктивное решение
.3 Расчетная длина косого шва
.4 Расчет стыка стенки
. Подбор сечения колонны
.1 Расчетные характеристики
материала и коэффициенты
.2 Определение расчетной длины
колонны
.3 Определение продольной силы
.4 Подбор сечения стержня колонны
.5 Расчет планок
. Расчет оголовка центрально-сжатой
колонны
.1 Определение толщины траверсы
оголовка
.2 Определение высоты траверсы
.3 Проверка прочности траверсы
. Расчет центрально-сжатых колонн
.1 Определение требуемой площади
опорной плиты
.2 Определение размеров опорной
плиты в плане
.3 Определение толщины опорной плиты
.4 Определение размеров траверс
.5 Проверка прочности траверс
.6 Определение требуемой высоты
катета угловых швов
.7 Назначение анкерных болтов
.8 Определение площади верхнего
обреза фундамента
1.
ВЫБОР СХЕМЫ БАЛОЧНОЙ КЛЕТКИ
Задание:
Требуется выполнить компоновку балочной клетки
рабочей площадки располагаемой в отапливаемом здании II
уровня ответственности при следующих данных:
·
шаг
колонн в продольном направлении - 15,0 м;
·
шаг
колонн в поперечном направлении - 5,5 м;
·
габариты
рабочей площадки в плане - 45´11 м ;
·
временная
нормативная равномерно-распределенная нагрузка - 24 кН/м2;
·
материал
настила, балок настила, вспомогательных и главных балок, а так же колонн -
сталь обычной прочности.
При заданных пролете и шаге главных балок
находим оптимальную схему расположения балок настила и вспомогательных балок.
Решение этой задачи производим методом вариантного проектирования.
1.1
Расчетные характеристики материала и коэффициенты
Настил относится к 3-й группе конструкций (табл.
50* [1]), поэтому сталь обычной прочности может быть С235 по ГОСТ 27772-88. Для
этой стали расчетное сопротивление растяжению, сжатию, изгибу равно Ry
=230 МПа при толщине листов от 2 до 20 мм, временное сопротивление стали
разрыву Run
=360 МПа (табл. 51* [1]).
Балки настила и вспомогательные балки прокатного
профиля относятся ко 2-й группе конструкций, принимаем сталь С245 по ГОСТ
27772-88. Для этой стали Ry
=240 МПа при толщинах листов от 2 до 20 мм, Run
=370 МПа (табл. 51* [1]).
Модуль упругости стали Е = 2,06×105
МПа. Коэффициент поперечной деформации (Пуассона) n=0,3
(табл. 63 [1]).
Для сооружений II
уровня ответственности коэффициент надежности по ответственности gn
= 0,95 (прил. 7* [ 2 ]).
Коэффициент условий работы настила и прокатных
балок gс
= 1,0 (табл. 6* [1]). Коэффициенты надежности по нагрузке для постоянной
нагрузки gfg
= 1,05 (табл. 1 [2]), для временной нагрузки gfv
= 1,20 (п.3.7 [2]).
Предельные относительные прогибы для настила и
балок принимаются в зависимости от величины пролета по табл.19 [2]. При l
£ 1 м - fu
= l/120, при l
=
3 м - fu
= l/150, при l
=
6 м - fu
= l/200
1.2
Выбор вариантов компоновочных схем
Для сравнения принимаем два варианта
компоновочных схем: балочную клетку нормального типа и усложненного.
Вариант 1. Принимаем нормальный тип балочной
клетки. Определяем возможное отношение пролета настила к его толщине,
предварительно вычислив:
и задавшись n0
=lsh
/ fsh
= 130, при величине временной нагрузки для расчета настила по второму
предельному состоянию
nn
= gn
v0
= 0,95×0,0024 = 0,00228 кН/см2
,
Для величины временной нагрузки v0
= 24 кН/м рекомендуемая толщина настила 10-12мм.
Принимая толщину настила 10 мм, получим предельный пролет настила
Поскольку пролет настила равен расстоянию между
краями полок балок настила, то предельный шаг балок, при предварительно
принятой ширине полки bf,fb
= 13 см, равен
afb,u
= lsh
+ bf,fb
= 121,44 + 13 = 134,44 см
Принимаем шаг балок настила из условия кратности
пролету главной балки и возможности выполнения монтажного стыка главной балки в
середине пролета. Принимаем число шагов 13, при этом 10 шагов по 130 см и 2 по
100 см. Расчетный шаг балок настила afb
= 130
см < 134,44 см
Подбор сечения балки настила.
Погонная (линейная) нагрузка для расчета на
прочность определяется по формуле
где gfb
- вес 1 м.п. балки настила, принимаем gfb
= 0,35 кН/м.
Линейная нагрузка для расчета на жесткость
равна:
Балка настила является однопролетной, статически
определимой с равномерно распределенной нагрузкой. Максимальный расчетный
изгибающий момент в середине пролета балки определяется по формуле
Требуемый момент сопротивления
где с1 - коэффициент,
учитывающий развитие пластических деформаций, предварительно принимаем с1
= 1,1.
Требуемый момент инерции сечения балок из
условия обеспечения жесткости находим по формуле
По сортаменту (ГОСТ 26020-83) подбираем двутавр
с параллельными гранями полок №35Б1, для которого I
= 10060 см4, W
= 581,7 см3, g
= 38,9 кг/м
Вариант 2.
Балочная клетка усложненного типа. Как и в первом варианте, толщину настила
принимаем 10 мм, при котором максимальный шаг балок 134,44 см. При расстоянии
между главными балками 5,5 м количество шагов балок настила равно n
= 550/134,44 =4,1, округлив до 5, получим шаг балок настила
аfb
= 550/5 = 110 см.
Шаг вспомогательных балок при их пролете l’fb
= 5 м определяем по формуле [9]
Принимаем конструктивно удобный шаг
вспомогательных балок а’fb
= lfb
=
3 м (схема балочной клетки приведена на рис.1.1)
В данном случае балки настила имеют пролет 3 м и
шаг 1,375 м. Тогда погонная (линейная) нагрузка для расчета на прочность
определяется по формуле
где gfb
- вес 1 м.п. балки настила, принимаем gfb=0,25
кН/м.
линейная нагрузка для расчета на жесткость
равна:
Балка настила является однопролетной, статически
определимой с равномерно распределенной нагрузкой. Максимальный расчетный
изгибающий момент в середине пролета балки определяется по формуле
Требуемый момент сопротивления
Требуемый момент инерции сечения балок из
условия обеспечения жесткости находим по формуле:
По сортаменту (ГОСТ 26020-83) подбираем двутавр
с параллельными гранями полок №20Б1, для которого I
= 1943см4, W
= 194,3 см3, g
= 22,4 кг/м
Аналогично подбираем сечение вспомогательной
балки, пролет которой l’fb
=
5,5 м и шаг а’fb
= 3 м. Балка загружена сосредоточенными силами (реакциями балок настила),
которых 4. На стадии вариантного проектирования можно считать, что
вспомогательные балки загружены равномерно распределенной нагрузкой
По сортаменту (ГОСТ 26020-83) подбираем двутавр
с параллельными гранями полок №45Б2, для которого I
= 28870 см4,
W
= 1291,9 см3, g
= 67,5 кг/м
1.3
Определение удельных показателей
Варианты компоновочных схем несущих элементов балочной
площадки приведены на рис. 1.1.
а) - вариант 1: балочная клетка нормального
типа;
б) - вариант 2: балочная клетка усложненного
типа.
Расход стали на балки, приведенный к 1 м2
площади рабочей площадки, найдем по формуле
Рис.1.1. Варианты балочной клетки
Расход стали по 1 варианту (msh
- вес настила)
Расход стали по 2 варианту
Из сопоставления показателей следует, что по
расходу материала наилучшим является первый вариант, который и принимаем как
основной.
1.3.1
Проверка прочности настила
Поскольку отношение большей стороны листа
настила к меньшей равно 5,5/1,3 = 4,2 что больше 2, то в этом случае настил
рассчитывается как длинная пластина, работающая в условиях цилиндрического
изгиба только вдоль короткой стороны.
Полное напряжение в пластине равно
sх
= sох
+ sих,
где sох
- осевые напряжения вдоль оси х; sux
- изгибные напряжения вдоль оси х.
Условие прочности по упругой стадии работы стали
запишем по [5] в виде
,
где kp - коэффициент пластины,
;
k0 и ki - коэффициенты,
определяемые в зависимости от kp по табл. 8.3
qn -
нормативная равномерно распределенная нагрузка
gf - коэффициент
надежности по нагрузке;
lmin - наименьшая сторона пластины;
tsh - толщина настила.
Определяем
коэффициент kp
, при
величине нагрузки
qn
=
gn(gsh
+vn)
= 0,95
(0,785 + 24) = 23,54 кН/м2 = 0,002354 кН/см2
Этому значению kp
соответствуют
в табл. 8.3 [5] величины коэффициентов k0
= 0,036 и ki
= 0,43
Тогда
Условие прочности выполняется.
1.3.2
Проверка жесткости настила
Максимальный прогиб в середине пластины
определяем по [5] в виде
fmax
= kd tsh,
где kd - коэффициент, принимаемый
по табл.8.3 [5] в зависимости от величины kpПри
kp
=24,74
kd = 0,605 и fmax
= 0,605*1 = 0,605 см
Предельный прогиб настила по [ 2 ]
равен fu
=
lsh/130 =
130/130 = 1см
Требование второго предельного
состояния для настила выполняется
fmax
= 0,605
см < fu
=
1см
1.4
Расчет крепления настила к балкам
Для крепления настила к балкам принимаем
полуавтоматическую сварку. Для стали С235 рекомендуется сварочная проволока
Св-08А и Св-08ГА (табл. 55* [1]). Принимаем Св-08А, для которой расчетное
сопротивление металла швов (по табл.56 [1]) равно Rwf
= 180 МПа = 18 кН/см2, расчетное сопротивление металла границы
сплавления для стали С235 при Run
= 360 МПа равно
Rwz
=
0,45Run
=
0,45×360 = 162 МПа
Для полуавтоматической сварки bf=0,7;
bz
= 1,0 (табл. 34* [1]).
Проверяем, выполняется ли условие п. 11.2* [1]
правильности выбора сварочного материала Rwz<
Rwf
£ Rwzbz/bf
162 < 180< 162*1,0/0,7 = 231
Материал принят правильно, расчет можно
выполнять только по металлу шва.
Цепное усилие в настиле определяем по
приближенной формуле
Расчетная высота углового шва, прикрепляющего
настил к балке, по металлу сварного шва равна
,
где lw
- расчетная длина углового шва, lw
= 1,0 см
Минимальный катет шва, в соответствии с табл.
38* [1], при толщине свариваемых элементов - 10 мм (настил) и 8,5 мм (полка
двутавра 30Б1) будет 4мм. Принимаем сварной шов для крепления настила к балкам
высотой по катету kf
= 4мм.
1.5
Расчет прокатной балки
Выполнить проверку балки настила варианта
балочной клетки, принятого в качестве основного в примере 1.
Исходные данные (по результатам компоновки
основного варианта)
·
настил
- лист толщиной 10 мм;
·
балка
настила - двутавр №35Б1 по ГОСТ 26020-83;
·
пролет
балок настила lfb
=
5,5 м;
·
шаг
балок настила аfb = 130 см;
·
материал
балок сталь обычной прочности.
1.5.1
Расчетные характеристики материала и коэффициенты
Балки настила прокатного профиля относятся ко
второй группе конструкций, принимаем сталь С245 по ГОСТ 27772-88. для этой
стали Ry=240 Mпа
при толщине проката от 2 до 20 мм. Run=370Mпа.
Модуль упругости=2,06*105Мпа. Для сооружений II
уровня ответственности коэффициент надежности по ответственности gn
= 0,95 (прил. 7* [2]).
Коэффициент условий работы настила и прокатных
балок gс
= 1,0 (табл. 6* [1]).
Коэффициенты надежности по нагрузке для
постоянной нагрузки gfg
= 1,05 (табл. 1 [2]), для временной нагрузки gfv
= 1,20 (п.3.7 [2]).
Предельные относительные прогибы для балок
принимаются в зависимости от величины пролета по табл.19 [2]. При l
=
6 м - fu
= l/200=3 см.
1.5.2
Геометрические характеристики двутавра №35Б1
Геометрические характеристики принимаем по
сортаменту горячекатаных двутавров по ГОСТ 26020-83:
·
высота
сечения h
=
346 мм,
·
толщина
стенки tw
= 6,2 мм,
·
ширина
полки bf
=
155 мм,
·
толщина
полки tf
=
8,5 мм,
·
площадь
сечения А = 49,53
см2,
·
момент
инерции I
= 10060 см4,
·
момент
сопротивления W
= 581,7 см3.
Масса профиля g
= 38,9 кг/м
Площадь полки Af
= tf
bf
=
0,85×15,5 = 13,175 см2.
Площадь стенки Aw
= A
- 2Af
= 49,53 - 2×13,175 = 23,28см2
1.5.3
Статический расчет
Уточняем нагрузку на балку
Погонная (линейная) нагрузка для расчета на
прочность
где gfb
- вес 1 м.п. балки настила, gfb=0,389
кН/м.
Линейная нагрузка для расчета на жесткость
равна:
Определяем расчетные усилия
Максимальный расчетный изгибающий момент в
середине пролета балки
Максимальная поперечная сила на опоре
1.5.4
Проверка прочности
Касательные напряжения в опорном сечении балки
проверяем по формуле
где Rs
= 0,58Ry
= 0,58×240 = 139,2 МПа
Поскольку t = 56,7 МПа <
0,5Rs = 0,5×139,2
= 69,6 МПа, то с1 = с в формуле проверки нормальных
напряжений. Коэффициент с принимаем по табл. 66 [1], а зависимости от
отношения Af/Aw
= 13,175/23,18 = 0,56, при котором с = 1,11. Выполняем проверку нормальных
напряжений
Требование прочности выполняется
1.5.5
Проверка жесткости
Определяем прогиб балки в середине пролета
Требование второго предельного состояния
выполняется, так как
f
=2,05
см < fu
=
2,5 см
2.
СТАТИЧЕСКИЙ РАСЧЕТ И ПОДБОР СЕЧЕНИЯ СОСТАВНОЙ СВАРНОЙ БАЛКИ
Подобрать сечение составной сварной балки,
являющейся главной балкой рабочей площадки, компоновка которой выполнена в
предыдущем пункте.
Исходные данные:
(а) по заданию на проектирование
·
пролет
главной балки lm
b
= 15,0 м;
·
шаг
главных балок am
b
= 5,5 м;
·
строительная
высота перекрытия неограниченна;
·
материал
- углеродистая сталь обычной прочности;
·
временная
равномерно распределенная нагрузка на площадку vn
= 24 кН/м2 (вся временная нагрузка длительная).
(б) по результатам выполнения предшествующих
разделов
·
количество
балок настила, опирающихся на главную балку 12 (10 шагов по 1,3 м и 2 шага по 1
м);
·
шаг
балок настила af
b
=
1,3 м;
·
балки
настила - двутавры 35Б1 (по ГОСТ 26020-83), ширина полки bf,f
b
=
155 мм;
·
реакция
балки настила Qfb = 98,12 кН;
·
постоянные
нагрузки: от массы настила gsh,n
=
0,785 кН/м2, от балок настила gf
b,n
=
0,35кН/м2.
2.1
Расчетные характеристики материала и коэффициенты
Сварные балки перекрытия относятся к 1-й группе
конструкций (табл. 50* [1]). Сталь обычной прочности, соответствующую этой
группе, принимаем С255 по ГОСТ 27772-88. Расчетное сопротивление стали
принимаем для листов толщиной до20 мм (предполагаемая толщина поясов балки) Ry
=
240МПа, Run
= 370 МПа (табл. 51* [1]), E
= 2,06×105 МПа, n
= 0,3 (табл. 63 [1]). Для сооружений II
уровня ответственности (прил.7* [2]) коэффициент надежности по ответственности
равен gn
= 0,95.
Коэффициент условий работы при расчете на
прочность gc=1,0,
при расчете на устойчивость gc=0,95
(табл. 6 [1]).
Коэффициенты надежности по нагрузке gfg
=1,05 (п.2.2 [2]), gfv
=1,20
(п.3.7 [2]).
Предельный относительный прогиб главной балки fmb,u
= lmb/250,
(п.2, табл. 19 [2]).
2.2
Статический расчет
Расчетную схему главной балки принимаем в виде
разрезной шарнирно-опертой однопролетной балки. Поскольку число сосредоточенных
грузов от давления балок настила более 5, то нагрузку принимаем в виде
равномерно распределенной.
Рис. 2.1. Расчетная схема балки
Погонная (линейная) нагрузка для расчета на
прочность определяется по формуле
где gmb
- вес 1 м.п. главной балки, принимаем gmb=2,5
кН/м.
Линейная нагрузка для расчета на жесткость
равна:
Максимальный расчетный изгибающий момент в
середине пролета балки
Максимальная поперечная сила на опоре
.
Изгибающий момент в середине пролета балки от
нагрузки для расчета на жесткость
2.3
Компоновка и предварительный подбор сечения составной балки
Принимаем гибкость стенки lw=125,
в соответствии с рекомендациями [3]. Минимальная толщина стенки равна tw,min=
12 мм.
Определяем минимальную высоту сечения сварной
балки при предельном относительном прогибе (fm
b
/lmb
u
=1/250)
Находим минимальную толщину стенки из условия
предельного прогиба
.
Толщина стенки из условия прочности на срез
равна
где Rs=0,58Ry=0,58×240=139,2
МПа.
Определяем наименьшую толщину стенки из условия
смятия, поскольку принимаем этажное сопряжение балок в балочной клетке. В
каждом узле опираются две балки настила, поэтому F=2Qf
b
= 2 ×98,12=196,24 кН. Толщиной полки
главной балки задаемся tf=2
см.
Находим толщину стенки, соответствующую балке
оптимальной высоты.
Сравниваем все полученные значения толщины
стенки: tw,min
=
1,2см; tw,f
=
0,6см; tw,s
=
0,82см; tw,loc
=
0,42см; tw,opt
=
1,21см.
Наибольшее
значение из этого ряда tw.opt
=
1,21 см показывает, что следует принимать высоту балки, соответствующую tw,opt
.
Принимаем толщину стенки 13 мм, тогда высота
стенки будет равна
hw = tw lw=1,3×125
= 156 см.
Принимаем
размеры стенки с учетом стандартных размеров ГОСТ 19903-74*
hw
х tw
= 1700 х 13
мм.
Определяем размеры поясных листов. Требуемая
площадь поясов (принимая h=hw)
равна
Требования, предъявляемые к размерам поясных
листов и диапазон определяемых величин следующие:
bf =(1/3…1/5)h
= 57…34см;
bf,min
= 18,0см;
tf,max
= 3 tw= 3×1,3=3,9
см;
Принимаем размеры поясных листов с учетом
ослабления верхнего пояса отверстиями для болтов крепления балок настила bf
x
tf = 500 x
20 мм, которые удовлетворяют всем вышеуказанным требованиям. Подобранное
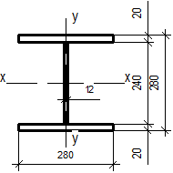
сечение показано на рис. 2.2.
2.4
Проверка принятого сечения на прочность
Определяем геометрические характеристики
принятого сечения балки.
Для крепления балок настила к главным принимаем
болты диаметром 16 мм (каждая балка крепится двумя болтами). Верхний пояс
оказывается ослабленным отверстиями диаметром 19 мм (d0
= 1,9см), в каждом сечении два отверстия.
Расстояние от центра тяжести сечения до оси, проходящей через середину высоты
балки
где Af1=bf1tf1
- n
d0tf1=
50×2 - 2×1,9×2,0
= 92,4 см2- площадь сечения верхнего пояса;
Af2=bf1
tf1
=
50×2,0
= 100 см2 - площадь сечения нижнего пояса;
A=
Af1+
Af2+
Aw=
92,4 + 100 +170×1,3=413,4 см2-
площадь сечения балки;
а1 = a2
= 170/2 + 2/2 = 86
см.
Момент инерции равен.
где a1=
86 + 1,58 = 87,58 см - расстояние от центра тяжести сечения до центра тяжести
верхнего пояса; a2=
86 - 1,58 = 84,42 см - расстояние от центра тяжести сечения до центра тяжести
нижнего пояса;
Минимальный момент сопротивления нетто (с учетом
ослабления сечения)
где y
=
87,58 + 1,0 = 88,58 см - расстояние от центра тяжести сечения до наиболее
удаленного волокна.
Статический момент полусечения
Рис.2.2. Сечение сварной балки
Проверка прочности:
а). по нормальным напряжениям от изгиба
Недонапряжение составляет Ds
= (240-203) ×100/240
= 15,4% > 5%
б). по касательным напряжениям
в). по напряжениям смятия в стенке
Прочность балки обеспечена
проект балка клетка рабочая площадка
3.
ИЗМЕНЕНИЕ СЕЧЕНИЯ СВАРНОЙ БАЛКИ ПО ДЛИНЕ
Изменить сечение по длине балки, рассчитанной в
пункте 1
Исходные данные (принимаются по результатам
выполнения примера 1):
·
lm b
= 15,0 м;
·
qmb,
= 159,2 кН/м;
·
сечение
главной балки: bf
=50 см, tf
= 2,0 см, hw=170
см, tw
= 1,3 см;
·
шаг
балок настила afb
= 130 см (крайние шаги по 0,75 м);
·
поперечная
сила на опоре Qmax
=
1194 кН;
Изменение сечения главной балки осуществляем за
счет изменения ширины поясных листов. Стыки листов выполняем прямым швом с
визуальным контролем качества.
3.1
Компоновка сечения
Находим
требуемую минимальную ширину пояса
b1f
= bf
/2 = 500/2 = 250 мм, b1f
=
180 мм, b1f
= h/10
= 170 мм.
Учитывая, что верхний пояс ослаблен отверстиями,
ширину сечения принимаем больше, чем требуется. Принимаем сечение пояса b1f
x
tf
=
300 x 20 мм. Сечение
стенки не изменяется hw=170
см, tw
= 1,3 см.
3.2
Определяем место изменения сечения
Определяем геометрические характеристики
измененного сечения с учетом возможного ослабления верхнего пояса двумя
отверстиями d0
= 19 мм.
Расстояние от центра тяжести сечения до оси,
проходящей через середину высоты балки, равно
где Af1=bf1
tf1
- n
d0
tf1=
30×2,0 - 2×1,9×2,0
= 52,4 см2- площадь сечения верхнего пояса;
Af2=bf1
tf1
=
30×2,0 = 60,0 см2- площадь
сечения нижнего пояса;
A= Af1+
Af2+
Aw=
52,4 + 60,0 + 170×1,3 = 171,4 см2-
площадь сечения балки.
Момент инерции измененного сечения балки равен
где a1=
86 + 1,96 = 87,96 см - расстояние от центра тяжести сечения до центра тяжести
верхнего пояса;
где y
=
87,96 + 1 = 88,96 см - расстояние от центра тяжести сечения до наиболее
удаленного волокна.
Статический момент полусечения
Предельный изгибающий момент, воспринимаемый
измененным сечением, определяем по формуле
M1r
= W1x
Rwygc
= 15313,29*20,40*1,0 = 312391,12 кН×см = 3123,91 кН×м
где Rwy
=0,85 Ry
= 0,85 ×240
= 204 МПа
Находим место изменения сечения при равномерно
распределенной нагрузке по формуле
x1=3,38
м, x2
= 11,7 м.
Принимаем место изменения сечения на
расстоянии от опор 3,30 м (рис. 2.1)
3.3
Проверка прочности измененного сечения
а). по нормальным напряжениям:
изгибающий момент в месте измененного сечения (х
= 3,00 м)
б) по касательным напряжениям:
Рис.2.1. Изменение сечения сварной балки по
длине
·
в
месте изменения сечения
·
на
опоре
в) по приведенным напряжениям:
балки настила опираются на расстоянии 0,1 м, 2,3
м и 3,6 м от опор, а расстояние до места изменения сечений 3,3 м, то есть в
месте изменения сечения sloc
= 0.
На уровне поясных швов нормальные напряжения
равны
y
=a1 - tf /2 = 87,96
- 2,0/2 = 86,96
см
Приведенные напряжения
Проверки
показали, что прочность измененного сечения обеспечена.
4.
ПРОВЕРКА ЖЕСТКОСТИ БАЛКИ
Выполнить проверку жесткости балки, подобранной
в примерах 1 и 2.
Исходные данные:
·
lmb
= 15,0 м;
·
qmb,f
=
133,7 кН/м;
·
Ix
=
1954198,7 см4;
·
Ix,1
=
1362270 см4.
Находим прогиб главной балки переменного
сечения, предварительно определив:
·
прогиб
главной балки постоянного сечения
·
коэффициент
a
·
fmb=f0mb
a = 2,18×1,052
= 2,29 см.
Предельный прогиб
fmb,u
=
lm
b
/ 250 = 1500/250 = 6 см.
Сравниваем фактический прогиб с предельным fmb
= 2,29 см.< fmb,u = 6 см.
Подобранное сечение балки удовлетворяет
требованиям второй группы предельных состояний - жесткости.
5.
ПРОВЕРКА ОБЩЕЙ УСТОЙЧИВОСТИ БАЛКИ
Проверить общую устойчивость балки, подобранную
в примерах 1 и 2.
Исходные данные:
·
размеры
поясов балки bf
= 500 мм, tf
= 20 мм;
·
расстояние
между осями поясных листов - h
= 1720мм.
Нагрузка на главную балку передается через балки
настила, установленные с шагом afb=1,5
м и закрепляющие главную балку в горизонтальном направлении. Проверяем условие
п. 5.16,б [1] в середине пролета
По табл. 8* [1] находим наибольшее значение (lef/bf)u,
при котором не требуется расчета на устойчивость, принимая lef
=
afb = 1,5 м
Поскольку
(lef/bf) =
150/50 = 3 < (lef/bf)u = 17,17
то устойчивость балки обеспечена и расчет на
общую устойчивость выполнять не требуется.
6.
РАСТАНОВКА РЕБЕР ЖЕСТКОСТИ И ПРОВЕРКА МЕСТНОЙ УСТОЙЧИВОСТИ ЭЛЕМЕНТОВ БАЛКИ.
Проверить устойчивость элементов балки,
подобранной в примерах 1 и 2. Исходные данные:
·
сечение
балки - bf =50 см, tf = 2,0 см, hw=170 см, tw
= 1,3 см;
·
шаг
балок настила afb
= 130 см.
6.1
Проверка устойчивости сжатого пояса.
Отношение ширины свеса пояса к толщине при bef
=
(bf
-tw)/2
= (50-1,3)/2=24,35 см равно bef/tf
= 24,35/2,0=12,18 Предельное отношение ширины пояса к толщине по табл.30 [1]
равно
При bef/tf
= 12,18 < (bef/tf)u
= 14,65 устойчивость пояса обеспечена.
6.2
Проверка устойчивости стенки
Проверяем необходимость постановки ребер
жесткости. Условная гибкость стенки при hef=hw=
170 см и tw
=1,3 см равна
Поскольку
,
то постановка ребер жесткости необходима (п.7.10 [1]). Максимальное расстояние
между поперечными ребрами жесткости при
равно
amax
=
2hef=2×170
= 340 см.
Расстояние между поперечными ребрами жесткости
принимаем 300 см (2,3 шага балок настила).
Расстановка поперечных ребер жесткости показана
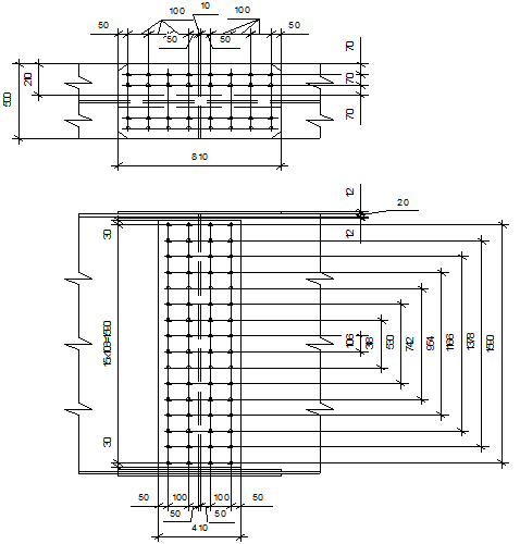
на рис. 6.1. с учетом выполнения монтажного стыка в середине пролета.
Принимаем парные ребра жесткости, ширина которых
по [2] равна:
Толщина ребра
определяется по п. 7.10 [1]
Принимаем размеры двухсторонних ребер жесткости bh
x
ts
=100x7 мм
Проверяем необходимость выполнения проверки
стенки на устойчивость по п. 7.3 [1], учитывая, что в каждом отсеке имеется
местная нагрузка от давления балок настила (sloc
¹
0):
В
этом случае проверка стенки балки на устойчивость необходима.
Проверяем отсек стенки балки, в котором
изменяется сечение ее пояса. Ширина отсека а = 300 см, расчетная высота
стенки 170 см.
Так как длина отсека превосходит его расчетную
высоту, то при вычислении средних значений M
и Q в отсеке принимаем
расчетный участок, равный по длине расчетной высоты отсека.
Рис. 6.1. К расчету
устойчивости стенки составной балки
Последовательно определяем:
·
изгибающий
момент в сечении на границе расчетного участка отсека в точках 1 и 2 (рис. 6.1)
х1=
300 - 170 = 130 см,
х2=300
см,
·
среднее
значение момента на расчетном участке отсека
Mx=(M1+M2)/2
= (2071,98+3438,72)/2
= 2755,35 кН×м;
·
поперечную
силу в сечениях 1 и 2
·
среднюю
поперечную силу в пределах расчетного участка отсека
Qx=(Q1+Q2)/2
= (987,04+716,4)/2
= 851,72 кН.
Определяем компоненты напряженного состояния по
п.7.2 [1] в стенке для уменьшенного сечения
где I1x=1362270
см4;
y
= h/2+z
= 170/2 + 1,96 = 86,96 см.
,
sloc=7,7
кН/см2 (см. пункт 2.4.)
Определяем критические значения компонентов
напряженного состояния.
При отношении a/hef
= 300/170 = 1,76> 0,8 и sloc
/ s = 7,7/17,58=0,43 предельное отношение (sloc
/s)u
принимается по табл.24 [1] в зависимости от параметра d
и отношения a/hef
, при b=0,8
по табл.22[1].
При d= 0,22 и a/hef
= 2,12 (sloc
/ s)u=
0,618.
Тогда при a/hef
= 2,12 > 0,8 и sloc
/ s = 0,4 < (sloc
/s)u=
0,618 находим scr
по
формуле (75) [1] и sloc,cr
- формуле (80) [1], но с подстановкой 0,5а
вместо а при вычислении
в формуле 80 и в
табл. 23 [1]
,
Сcr
=
30 по табл. 21 [1]
Для определения sloc,cr
предварительно находим c1
по табл.23 [1] при 0,5a/hef
= 150/170 =0,88 и d = 0,22 c1
= 18,25
Определяем tcr
по формуле (76) [1] при m = 360/170 = 2,12
Проверку устойчивости стенки выполняем по
формуле (79) [1]
Принятая расстановка ребер жесткости
обеспечивает устойчивость стенки.
7.
РАСЧЕТ ПОЯСНЫХ ШВОВ СОСТАВНОЙ БАЛКИ
Рассчитать поясные швы в составной сварной
балке.
Исходные данные:
·
сечение
балки на опоре hw x tw =1700x1,3 мм, bf x tf
= 500x20 мм;
·
поперечная
сила на опоре Qmax
=
1194 кН;
·
опорная
реакция балки настила Qfb
= 98,12 кН.
Для поясного соединения принимаем двусторонние
угловые швы, поскольку не выполняются требования, предъявляемые к балке для
случая применения односторонних швов, в частности, сжатый пояс не раскреплен
сплошным настилом и не во всех местах приложения к поясу сосредоточенных
нагрузок (опирание балок настила) установлены ребра жесткости (см. п. 13.26
[1]) Расчет выполняем для наиболее нагруженного участка шва у опоры под балкой
настила.
Определяем геометрические сечения брутто относительно
нейтральной оси
где a1=
86 + 1,96 = 87,96 см - расстояние от центра тяжести сечения до центра тяжести
верхнего пояса;
a2=
86 - 1,96 = 84,04 см - расстояние от центра тяжести сечения до центра тяжести
нижнего пояса;
Статический момент полусечения
Определяем
расчетные усилия на единицу длины шва:
·
погонное
сдвигающее усилие
·
давление
от сосредоточенного груза F
= 2Qfb
= 2×98,12
= 196,24 кН
где lef
- условная длина распределения сосредоточенного
груза (см. пример 1) lef
=bf,fb
+ 2tf
=
15,5 + 2×2,0 = 19,5 см
Поясные угловые швы выполняются автоматической
сваркой в положении «в лодочку» сварочной проволокой Св-08А (табл.55[1]).
Расчетное сопротивление металла швов для Св-08А (по табл.56 [1] равно Rwf
= 180 МПа = 18 кН/см2, нормативное сопротивление металла шва по
временному сопротивлению Rwun
= 410 МПа. Расчетное сопротивление металла границы сплавления для стали С245
при Run
= 370 МПа равно
Rwz
=
0,45Run
=
0,45×370 = 159,75 МПа
Для автоматической сварки bf=1,1;
bz
= 1,15 (табл. 34 [1]).
По табл. 38 [1] находим, что при толщине более
толстого элемента (пояса) из свариваемых 20 мм kf,min
= 6мм. Принимаем поясной шов высотой kf=
6мм и проверяем его на прочность по формулам (138) и (139)[1].
Отсюда следует, что необходимая прочность
соединения обеспечивается минимально допустимой толщиной шва.
8.
РАСЧЕТ ОПОРНОЙ ЧАСТИ БАЛКИ
Рассчитать опорную часть главной балки рабочей
площадки.
Исходные данные:
·
сечение
балки на опоре hw
x
tw
=1700x1,3
мм, bf
x tf
=
300x20 мм;
·
опорная
реакция балки F
= Qmax
= 1194 кН;
8.1
Расчетные характеристики материала и коэффициенты
Опорные ребра балки выполняем из стали С255 по ГОСТ
27772-88, для которой Ry
=
240 МПа, Run
= 370 МПа (табл. 51* [1]), Rp
=
336 МПа, (табл. 52* [1]). Опорную часть балки конструируем с торцевым опорным
ребром (рис. 6.1).
8.2
Определяем размеры опорного ребра
Требуемая площадь опорного ребра равна:
Ширину опорного ребра принимаем равной ширине
пояса балки на опоре bh
= b1f
= 30 см. Определяем толщину опорного ребра при bhp
= 30 см
Принимаем ребро толщиной 14 мм. Нижний край
ребра не должен выступать за грань полки более чем на а=1,5th
=
1,5×1,4 =2,1 см. Принимаем а =
20мм.
Рис.8.1. К расчету опорной части балки
8.3
Проверка принятого сечения
Проверяем опорную часть балки на устойчивость.
Площадь таврового сечения с учетом полосы стенки
шириной lh
(п.7.12 [1])
равна
Момент инерции сечения относительно оси х - х
Радиус инерции
Гибкость стойки при высоте, равной высоте стенки
балки (см. рис. 6.1), равна
Коэффициент продольного изгиба определяем по
табл. 72 [1] j = 0,942. Проверка устойчивости
выполняется по формуле
Проверяем ребро на местную устойчивость в
соответствии с указаниями [1]. п.7.22
При

,
предельное отношение свеса ребра к толщине по
табл. 29* [1] равно
Устойчивость опорной части балки и опорного
ребра обеспечены, поскольку
.
8.4
Рассчитываем сварные швы, необходимые для крепления ребра к стенке
Принимаем, что швы выполняются
полуавтоматической сваркой в нижнем положении с использованием сварочной
проволоки Св-08А, для которой (по табл.56 [1] расчетное сопротивление равно Rwf
= 180 МПа = 18 кН/см2, расчетное сопротивление металла границы
сплавления для стали С255 при Run
= 370 МПа равно Rwz
=
0,45Run
=
0,45×370 = 166,5 МПа, bf=0,9;
bz
= 1,05 (табл. 34* [1])
Rwf
= 180 МПа > Rwz
=
166,5 МПа,
Rwf=
180 Мпа < Rwzbz/bf
= 166,5×1,05/0,9 = 194,25 МПа
Выполненные проверки показывают на правильный
выбор сварочных материалов и на то, что расчет можно производить только по
металлу шва. Определяем требуемую высоту шва при количестве угловых швов nw
= 2
По табл.38* [1] при толщине более толстого
элемента 20 мм kf,min=
6мм. Принимаем толщину сварного шва 6 мм.
9.
РАСЧЕТ УКРУПИТЕЛЬНОГО СТЫКА БАЛКИ
Рассчитать и законструировать монтажный стык на
высокопрочных болтах в середине пролета главной балки составного сечения.
Исходные данные:
·
размеры
пояса bf
x
tf
=
500 x 20 мм, размеры
стенки hw
x tw
= 1700 x 13 мм;
·
Ix=
1954198,7 см4; Iw
= 1,3*1703/12 = 532241,7 см4- момент инерции стенки;
·
в
середине пролета балки Mx
= Mmax
= 4477,5 кН×м, Qx
=
0.
9.1
Расчетные характеристики материала и коэффициенты
Стык выполняем на высокопрочных болтах диаметром
20 мм из стали 40Х «селект», с Rbun
= 1100 МПа (табл.61* [1]). Очистка поверхности газопламенная, при которой
коэффициент трения μ=0,42, коэффициент
надежности γh
= 1,12 (табл. 36* [1]).
9.2
Расчет стыка поясов
Определяем распределение момента между поясами и
стенкой
Mf
= Mx
- Mw
= 4477,5 - 1219,48
= 3258,02 кН×м
Усилия в поясных накладках равны
Требуемая площадь накладок на пояс нетто равна
Принимаем двусторонние накладки с наружной
стороны 500х12 мм, с внутренней стороны пояса две накладки 210х12 мм.
Предполагая в каждом ряду по 4 болта, найдем
площадь накладок с учетом ослабления, диаметр отверстия под болты d
=
20 мм - d0
=
23 мм.
>
=
78,92 см2
Площадь пояса с учетом ослабления отверстиями
Суммарная площадь сечения накладок нетто больше,
чем сечение пояса, поэтому проверку на прочность выполняем только послабленному
сечению пояса. Поскольку A
f,n
=
81,6 см2 < 0,85Af
=
0,85*100 = 85 см2, то проверка производится по условной площади A
f,c
=
1,18*A
f,n
=
1,18*81,6 = 96,29 см2 (см. п. 11.14 [1]).
Проверка прочности выполняется.
Расстояние между центрами болтов вдоль усилия
должно быть не менее e+1,5d0
(e - расстояние между
рядами поперек усилия). По табл. 39 [1] е = 2,5 d0
, отсюда минимальное расстояние между болтами
равно 4 d0
=
4*23 = 92 мм. Принимаем шаг 100 мм.
Расчетное усилие, которое может быть воспринято
одним высокопрочным болтом, определяется по формуле (131)* [1]
где Rbh
- расчетное сопротивление растяжению высокопрочного болта; Rbh
= 0,7Rbun
= 0,7*110 = 77 кН/см2;
Аbh
- площадь сечения болта нетто, Аbh
= 2,45 см2
k - число
поверхностей трения, k
= 2;
γb
- коэффициент работы соединения, γb
= 1,0 при числе болтов 10 и более;
γh
- коэффициент надежности, принимаемый по табл. 36* [1], γh
= 1,12;
μ - коэффициент трения,
принимаемый по табл. 36* [1], для газопламенного способа очистки μ
= 0,42
Необходимое число высокопрочных болтов:
Принимаем 16 болтов.
9.3
Расчет стыка стенки
Стык перекрываем двумя накладками толщиной 13 мм
каждая. Принимаем по два вертикальных ряда болтов на каждой полунакладке (m=2),
число горизонтальных рядов k
найдем в зависимости от
где hmax
- расстояние между крайними рядами болтов, hmax
= 159 см;
При α = 0,168
k = 15. Принимаем 16
рядов болтов, получаем расстояние между ними 106 мм, что больше аmin
= 2,5d0
= 2,5*23 = 57,5 мм и меньше amax = 18t = 18*13 = 234 мм
Наибольшее усилие в крайнем болте от изгибающего
момента
Поскольку поперечная сила Qx
= 0, то проверка сводится к виду:
Рис.8.2. Монтажный стык балки на высокопрочных
болтах.
10.
ПОДБОР СЕЧЕНИЯ КОЛОННЫ
Подобрать сечение стержня сплошной
центрально-сжатой колонны рабочей площадки. Исходные данные:
а) по заданию на проектирование:
·
высота
этажа H = 7,2 м;
·
материал
- углеродистая сталь обычной прочности;
б) по результатам выполнения предшествующих
разделов:
·
толщина
настила tsh
= 10 мм;
·
высота
второстепенной балки hfb
=
34,6 см;
·
высота
главной балки hmb
= 174,0 см;
·
реакция
главной балки Vmb
=
Qmb,max
=
1194 кН;
·
главная
балка опирается на колонну сверху.
10.1
Расчетные характеристики материала и коэффициенты
Колонны относятся к группе 3 по табл. 50* [1].
Принимаем сталь обычной прочности, соответствующую группе 3 конструкций, сталь
С245 по ГОСТ 27772-88. Расчетное сопротивление принимаем для фасонного проката
толщиной до 20 мм, для которого Ry
=
240 МПа, Run
= 370 МПа (табл. 51* [1]), E
= 2,06×105 МПа, n=
0.3 (табл. 63 [1]). Для сооружений II
уровня ответственности (прил.7* [2]) коэффициент надежности по ответственности
равен gn=0,95.
Коэффициент условий работы при расчете на прочность gc=1,0
(табл. 6 [1]). Коэффициенты надежности по нагрузке gf
g
=1,05 (п.2.2 [2]), gf v
=1,20 (п.3.7 [2]).
10.2
Определение расчетной длины колонны
Геометрическую длину колонны находим с учетом
глубины заделки hb
= 0,7 м.
lc
=H
- (tsh+
hfb+
hmb)
+ hb
=
720 - (1,0+34,6+174,0) + 70 = 580,4 см.
Для дальнейших расчетов принимаем lc
= 580 см.
Принимаем шарнирное закрепление колонны к
фундаменту и шарнирное сопряжение колонны с балкой. При такой расчетной схеме
коэффициент расчетной длины m = 1.
lef = lef,x
= m lef,y
= 1,0 ×
580 = 580 см.
10.3
Определение продольной силы
Рассчитывается средняя колонна, на которую
опираются две главные балки. Принимаем собственный вес колонны gc
= 0,7 кН/м. Расчетная продольная сила определяется по формуле
N
= 2Vmb
+ gfg
gn
gc
lc
= 2×1194 + 1,05×0,95×0,7×5,8
= 2392,05 кН
10.4
Подбор сечения стержня колонны
Сплошную колонну компонуем двутаврового сечения
из трех листов. Задаемся в первом приближении значением гибкости λ
= 75,
которому соответствует коэффициент продольного изгиба φ
= 0,716
(табл. 72 [1]).
Определяем требуемую площадь сечения колонны
Требуемый радиус инерции сечения
Находим αx
= 0,43 и αy
= 0,24 и определяем высоту и ширину сечения
Принимаем hc
= bc= 32 см.
Требуемая площадь пояса
При bc=
32 см получим толщину стенки tf
= Af/bc
= 52,2/32 = 1,6 см
Принимаем размеры пояса bfxtf
= 320x16 мм.
Площадь стенки равна Aw
= Ac,r
- 2Af = 139,2 - 2*32*1,6
= 36,8 см2.
Поскольку высота сечения стенки hw
= hc - 2 tf
= 28 см, находим толщину стенки tw
= Aw/hw
= 36,8/28 = 1,32 см. Принимаем размеры стенки 280х14
мм
Рис. 10.1. Скомпонованное сечение стержня
сплошной колонны.
10.5
Проверка подобранного сечения
Определяем геометрические характеристики
сечения. Фактическая площадь Ac
= Aw + 2Af
= 28*1,4 + 2*32*1,6 = 141,6 см2
Моменты инерции
По наименьшему моменту инерции находим радиус
инерции
imin
= iy = 7,85
см.
Наибольшая гибкость
При λmax
= 74; φ = 0,743
(табл. 72 [1]).
Проверяем устойчивость сплошной колонны по
формуле 7 [1]
Недонапряжение составляет ∆σ
= (240-227)*100/240
= 5%
Предельная гибкость
где
Требование λmax
= 74 < λu
= 123,18 выполняется.
10.6
Проверка местной устойчивости элементов сплошной колонны
Местная устойчивость поясов проверяется в
соответствии с п. 7.23* [1]. Отношение ширины свеса пояса к толщине при bef
= (bf - tw)/2
= (28-1,4)/2 = 13,3 см равно bef/tf
= 13,3/2 = 6,65.
Предельное отношение ширины пояса к его толщине
по табл. 29* [1] равно
где
При bef/tf
= 6,65 < (bef/tf)u
= 17,92 устойчивость пояса обеспечена.
Местная устойчивость стенки проверяется в
соответствии с п. 7.14* [1], при hef
= hw. Предельное
отношение расчетной высоты стенки к толщине принимается равным
где
Устойчивость стенки обеспечена.
10.7
Установка ребер жесткости
При
стенку не следует укреплять ребрами жесткости (п. 7.21* [1]). Тем не менее,
согласно того же пункта норм, принимаем два ребра по длине колонны и ставим их
на равных расстояниях по длине.
Ширина ребра жесткости должна быть не менее bh
= hw/30 + 40 = 280/30 +
40 = 49 мм, а толщина
Принимаем ребра жесткости hef
x tw
= 90*6 мм
10.8
Поясные швы
Поясные швы принимаем высотой, равной
минимальному катету по табл. 38* [1], который при толщине более толстого
свариваемого элемента 20 мм для автоматической сварки составляет 6 мм.
11.
РАСЧЕТ ОГОЛОВКА ЦЕНТРАЛЬНО-СЖАТОЙ КОЛОННЫ
Рассчитать и законструировать оголовок сплошной
центрально-сжатой колонны для опирания сверху балки с торцевым опорным ребром.
Исходные данные:
·
опорное
давление двух балок на колонну F
=2 Vmb
= 2×1194 = 2388 кН;
·
ширина
опорного ребра балки bh
=
30 см;
·
материал
оголовка колонны С245 (Ry
=240
МПа, Ryn
=
370 МПа табл. 51*[1]).
Принимаем конструкцию оголовка по рис. 11.1 для
балки с торцевым опорным ребром.
11.1
Определение толщины вертикальных ребер оголовка
Принимаем толщину опорной плиты оголовка tbp
= 20 мм. Расчетная ширина опорного ребра оголовка ls,ef
= bh + 2tbp
= 30 + 2*2,0 = 34 см.
Расчетное сопротивление стали смятию торцевой
поверхности (табл. 52* [1])
при Ryn = 370 МПа
равно Rp = 336 МПа
(33,6 кН/см2).
Толщину ребра принимаем 20 мм.
11.2
Определение размеров ребра
Для ручной сварки принимаем электроды типа Э46,
для которых Rw,f
= 200 МПа (табл. 56 [1]), Rwz
= 0,45, Run
= 0,45*370 = 166,5 МПа, γwz
= γwf
= 1,0, βf
= 0,7, βz
= 1,0.
Поскольку условия Rw,f
/ Rwz = 200 /
166,5 = 1,2 > 1,1 и Rw,f
= 200 МПа < Rwz
βz
/ βf
= 166,5*1,0/0,7 = 237,85 МПа выполняются, достаточно расчета по металлу шва.
При максимальной высоте шва kf,max
= 1,2 tmin
(tmin = tw
= 14 мм), то есть kf,max
= 16,8 мм, принимаем kf
= 13 мм. Длина швов равна
Требуемая длина оголовка
Принимаем длину оголовка hs
= 500 мм. Ширину опорных ребер принимаем из условия опирания балки bs
= 170 мм (2bs
>
ls,ef).
11.3
Проверка прочности ребра
11.4
Проверка прочности стенки колонны на срез
Прочность стенки на срез определяется по формуле
Прочность стенки на срез не обеспечена. В
пределах оголовка увеличиваем толщину стенки до tw’
= 1,8 см, тогда
Стык листов стенки разной толщины выполняем на
100 мм ниже горизонтального ребра оголовка.
11.5
Расчет крепления опорных ребер к плите оголовка
Общая длина швов Σlwf
= 2 ls,ef
- 4*1 = 2*34 - 4 = 64 см, тогда
Такая высота катета углового шва превосходит
максимальную kf,max
= 1,2 tmin
= 1,2*2 = 2,4 см., поэтому принимаем передачу усилий через фрезерованный конец,
а сварные швы принимаем конструктивно по табл. 38*(1) kf,min
= 7мм Вертикальные ребра подкрепляем горизонтальными ребрами толщиной 10 мм,
шириной, равной ширине вертикального ребра, то есть 170 мм.
12.
РАСЧЕТ БАЗ ЦЕНТРАЛЬНО-СЖАТЫХ КОЛОНН
Рассчитать и законструировать базу сплошной
центрально сжатой колонны.
Исходные данные:
·
продольная
сила N = 2392,05 кН;
·
сечение
колонны: полки bfxtf
= 280x20 мм, стенка hwxtw
= 240x14 мм;
·
материал
элементов базы - сталь С245 по ГОСТ 27772-88;
·
материал
фундамента бетон B15 (Rb
=
8,5 МПа = 0,85 кН/см2)
12.1
Определение требуемой площади опорной плиты
Принимая a = 1,0 и
находим
по ф.102 [4] расчетное сопротивление бетона смятию
Rb,loc
= a
jb
Rb = 1,0×1,2×0,85
= 1,02 кН/см2.
Требуемая площадь опорной плиты
12.2
Определение размеров опорной плиты в плане
Принимая толщину траверсы ttr
=
10 мм, величину свеса с= 60 мм, находим ширину плиты
Bp
= bc
+2ttr
+2 c = 28,0 + 2×1,0
+ 2×6,0 = 42 см Требуемая длина плиты
равна
Длину плиты принимаем конструктивно, с учетом
размещения анкерных болтов, Lp
= 50 см.
12.3
Определение толщины опорной плиты
Напряжение в фундаменте под плитой
Рассматриваем участки плиты, отличающиеся
условиями опирания (рис. 12.1) Участок 1. Плита закрепленная одной
стороной. Вылет консоли с = 6,0 см. Изгибающий момент равен
Участок 2.
Плита опирается на три стороны. Размеры участка b
= 28 см (незакрепленная сторона), а = (Lp
- hc)/2
= (50 - 28)/2 = 11 см. Отношение a/b
= 11/28 = 0,39 < 0,5, при котором плита работает как консоль
Участок 3. Плита
опирается на четыре стороны. Размер a1
= (bc
- 2tw)/2
= (28 - 2,8)/2 = 12,6 см, b1
= hw
- 2tf
= 24 см.
При b1/a1
= 24/12,6 = 1,9 < 2 по табл. прил. a = 0,098.
По наибольшему моменту определяем толщину плиты
Для листов толщиной более 20 мм для стали С245 Ry
= 23 кН/см2, поэтому уточняем толщину плиты
Принимаем плиту толщиной tp
= 40 мм из стали С245 (Ry
= 230 Мпа).
12.4
Определение размеров траверс
Высоту траверсы находим по требуемой длине
сварных швов, необходимых для крепления траверсы к полкам колонны.
Принимаем ручную сварку электродами типа Э46,
для которых Rw,f
= 200 МПа (табл. 56 [1]), Rwz
= 0,45, Run
= 0,45*370 = 166,5 МПа, γwz
= γwf
= 1,0, βf
= 0,7, βz
= 1,0. Поскольку условия Rw,f
/ Rwz = 200 /
166,5 = 1,2 > 1,1 и Rw,f
= 200 МПа < Rwz
βz
/ βf
= 166,5*1,0/0,7 = 237,85 МПа выполняются, достаточно расчета по металлу шва.
Принимая в запас, что Ntr
= N/2 = 2392,05/2 =
1196,02 кН находим требуемую длину сварных швов при катете 8 мм
Требуемая высота траверсы htr,r
= lw,r
+ 1,0 = 53,39 см. Принимаем высоту траверсы htr
= 550 мм и толщину ttr
= 10 мм.
12.5
Проверка прочности траверсы
Погонная нагрузка на траверсу (при ширине
грузовой площади dtr
= c
+ ttr
+ b/2
= 6,0 +1+28/2 = 21 см) равна
qtr
= s dtr
= 1,14×21
= 23,94 кН/см
Находим расчетные усилия
где ltr = a =
11
см.
Проверяем траверсы на прочность в опорном
сечении
Проверяем прочность траверсы в пролетном сечении
Q =0
Принятые размеры траверс удовлетворяют условиям
прочности.
12.6
Определение требуемой высоты катета угловых швов, необходимых для крепления
траверс к плите
Общая длина сварных швов
С учетом непроваров по 10 мм на каждый шов
получим расчетную длину шва
Принимаем толщину угловых швов kf
=
kf
min
= 10 мм
12.7
Назначение анкерных болтов
Принимаем два анкерных болта диаметром 20 мм (их
расположение указано на рис.12.1)
12.8
Определение площади верхнего обреза фундамента
Площадь верхнего обреза фундамента определяем из
формулы
.
При принятой величине jb
= 1,3
A = jb3Ap
= 1,33
× 42×55
= 3903,9 см2 =
0,3903 м2
Принимаем размеры верхнего обреза фундамента
больше на 28-30 см размеров опорной плиты, то есть 70 х 80 см.
ЛИТЕРАТУРА
1. СНиП II-23-81*. Стальные
конструкции / Минстрой России.- М.: ГП ЦПП, 1996. - 96 с.
. СНиП 2.01.07.-85*. Нагрузки и
воздействия / Минстрой России.- М.: ГП ЦПП, 1996. - 44 с.
. Металлические конструкции: Общий
курс: Учеб.для вузов / Г.С. Ведеников, Е.И. Беленя, В.С. Игнатьева и др.; Под
ред. Г.С. Веденикова. - 7-е изд., перераб и доп. - М.: Стройиздат, 1998. - 760
с.
. СНиП 2.03.01-84 Бетонные и
железобетонные конструкции / Госстрой России.- М.: ГУП ЦПП, 2000. - 76с
. Колесов А.И., Поликарпов Б.С.
Стальная рабочая площадка промздания. Компоновка, конструирование и расчет
несущих элементов. Учебное пособие. - Н. Новгород: ННГАСУ, 1998 - 91 с.
. Металлические конструкции. В 3 т.
Т. 1. Элементы стальных конструкций: Учеб. Пособие для строит. Вузов / В.В.
Горев, Б.Ю. Уваров, В.В. Филиппов и др.; Под ред. В.В. Горева. - М.: Высш. шк.,
1997. - 527 с.
. Металлические конструкции. В 3 т.
Т.1. Общая часть.(Справочник проектировщика) / Под общ. ред. В.В. Кузнецова
(ЦНИИпроектстальконструкция им. Н.П. Мельникова) - М.: изд-во АСВ, 1998. - 576
с.
. Металлические конструкции. В 3 т.
Т.2. Стальные конструкции зданий и сооружений.(Справочник проектировщика) / Под
общ. ред. В.В. Кузнецова (ЦНИИпроектстальконструкция им. Н.П. Мельникова) - М.:
изд-во АСВ, 1998. - 512 с.
. Металлические конструкции. Вопросы
и ответы. Учебное пособие для вузов / В.В. Бирюлев, А.А. Кользеев, И.И. Крылов,
Л.И Стороженко. - М.: изд-во АСВ, 1994. - 336 с.
. Лихтарников Я.М. Вариантное
проектирование и оптимизация стальных конструкций. - М.: Стройиздат, 1979. -
319с.
. СТП ННГАСУ 1-1-98 - 1-7-98.
Стандарт студенческой проектной документации. - Н. Новгород: ННГАСУ, 1998.