|
№ п/п
|
Название элемента
конструкции
|
Масса стали кг/м2
|
%
|
Число соединений
|
|
|
по элементам
|
по вариантам
|
|
поэтажное
|
в одном уровне
|
|
II
|
Настил t=10мм
второстепенные балки I№12 вспомогательные балки I№45
|
78,5
|
115,35
|
122,24
|
|
(6∙20)∙2+22∙2=284
|
|
III
|
Настил t=10мм
второстепенные балки I№14Б1 вспомогательные балки I№40Б3
|
78,5
|
112,85
|
119,59
|
|
(5∙20)∙2+22∙2=244
|
|
IIII
|
Настил t=10мм
второстепенные балки I№30Б2
|
94,63
|
100
|
|
(2∙11)∙2=44
|
По всем показателям преимущество отдаём III варианту.
2. Расчёт главной балки составного сечения
Расчётная схема балочной клетки по варианту III
2.1
Подбор поперечного
сечения балки
Определяем реакции, максимальную силу, момент в пролёте с учётом
ориентировочного веса балки
Определяем требуемый момент сопротивления с учётом развития пластических
деформаций материала балки
Определим оптимальную высоту балки
по эмпирической формуле определяем толщину стенки балки
w=7+3h=7+3∙1,09=10,27мм
Принимаем толщину стенки 11мм
По условию жесткости находим минимальную высоту балки
Из условия работы стенки балки на касательные напряжения у опоры
определяем допустимую толщину стенки
Обозначим минимально допустимую толщину стенки балки, исходя из условия
неприменения продольных рёбер жесткости для обеспечения местной стойкости
Сравнивая полученные расчётным путём толщины стенки балки с принятой tw=11мм, приходим к выводу, что она
соответствует условиям прочности на действие касательных напряжений и не
требует подкрепления её продольными рёбрами жесткости для обеспечения местной
стойкости
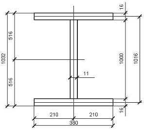
Компоновка сечения балки
Согласно с сортаментом листовой стали по ГОСТ 19903-74 стенку балки
принимаем 1000х11 мм. Толщина поясных листов
,
Тогда высота балки будет h=1000+22+22=1044
мм
Так как принятая высота балки h=1044>hопт=103,39 мм, то ориентировочную
площадь каждого из поясов балки находим по формуле
Поперечный разрез балки
Ширину пояса определим в промежутке рекомендуемого отношения
Принимаем согласно с сортаментом универсальной листовой стали по ГОСТ
82-70 ширину пояса балки bf=380 мм, тогда
принимаем толщину пояса балки tf=16 мм, т.е.пояс балки берём 380х16
мм
Проверим местную стойкость сжатого пояса в упруго пластичной стадии
работы.
Условие выполняется.
Вычислим свес пояса балки
Находим фактическое отношение
Поперечный разрез балки
Определяем геометрические характеристики поперечного сечении балки
А1=2Af+Aw=2(38∙1,6)+100∙1,1=231,6см2
Находим собственный вес одного погонного метра балки с учётом
конструктивного коэффициента ψ=1,2
Определяем реальный максимальный момент, реакции и максимальную
поперечную силу балки с учётом её собственного веса.
11) Проверяем мощность подобранного сечения поперечного разреза балки по
формулам
Запас прочности составляет
12) Проверяем жесткость балки
Жесткость балки удовлетворяет требованиям. Берем это сечение балки
2.2
Изменение поперечного
сечения балки
Место изменения сечения поясов балки принимаем на расстоянии
от опоры
Обозначим в разрезе "х" величины М и Q как М* и Q*
Находим требуемый момент сопротивления в месте смены сечения балки
Устанавливаем требуемую площадь каждого из поясов изменённого сечения
балки
Оставляем толщину поясных швов постоянную, находим новую ширину
Согласно с сортаментом (по ГОСТ 82-70) принимаем новую ширину пояса
320мм, т.е. с листа 320х16 мм.
При этом новая ширина пояса соответствует условиям:
Изменённое сечение балки
Определяем геометрические характеристики изменённого сечения балки
Проверим прочность подобранного сечения балки
Что нас устраивает при проверке сварочного шва физическими методами
Проверяем приведенные напряжения в уровне поясных швов в месте замены
сечения поясов балки
Где σ1х* и τ1х* нормальные и касательные напряжения в точке 1 сечения балки (на уровне
поясных швов)
f статический момент пояса относительно нейтральной оси
"Х" сечения балки
Так как условие формулы
выполняется, то прочность балки в месте изменения сечения
поясов обеспечена.
2.3
Проверка общей
устойчивости балки
В соответствии с требованиями пункта 5,16а СНиП общую устойчивость балки
можно не проверять если выполняется условие формулы:
Где
-расстояние между второстепенными балками, если отношение
, то в формуле надо принимать эту
величину равную 15.
Условие выполнено и общую устойчивость балки проверять не надо.
2.4
Расчёт поясных швов
балки
Находим сдвигающую силу на 1 см длины балки по формуле
Определяем толщину поясных швов, которые выполняют автоматической
сваркой.
Расчёт производим по металлу границы сплавления
Конструктивно принимаем по таблице 38 СНиП kf=4мм > 0,153мм, где βf, βz - коэффициенты условия работы шва и
конструкции; Rwf=18кН/см2 - расчетное
сопротивление угловых швов по металлу границы сплавления; Ru=36кН/см2 - расчетное
сопротивление стали растяжению-сжатию.
2.5
Проверка местной
устойчивости стенки балки
) Проверяем необходимость проведения проверки местной устойчивости стенки
балки
В соответствии с пунктом 7.3 СНиП местную устойчивость стенки балки
проверять не надо, если выполнено условие по приведенным напряжениям, а также
условная гибкость стенки не превышает (при отсутствии местных напряжений) 3,5.

Первое условие выполнено, проверяем второе
Находим условную гибкость стенки балки


т.е. в нашем случае сошлись оба условия поэтому проверку местной
устойчивости стенки балки проводить не надо.
2.6
Определяем ширину и
толщину ребра жесткости
Конструктивно принимаем bh=100 мм
Конструктивно принимаем ts=8 мм
Рёбра будем приваривать к стенке балки ручной сваркой согласно с данными
таблицы 38 СНиП, двухсторонним швом kf=6 мм
2.7
Расчет опорного ребра
балки
Расчетная схема опорного ребра
Определяем размеры опорного ребра. По формулам находим требуемую площадь
его поперечного сечения.
Конструктивно зададимся шириной опорного ребра bcf=bf*=20см, тогда:
т.е. условие выполнено.
Находим требуемую толщину ребра
Конструктивно принимаем ts=14мм.
Проверяем напряжения в ребре при условии его изменения
Проверяем устойчивость опорного ребра из площади балки.
Опорное ребро рассмотрим как условно шарнирно опертый сжатый стержень сложного сечения, высота
которого равняется высоте стенки балки.
Общая площадь стержня состоит из площади опорного ребра и площади части
стенки балки длинной
.
Находим необходимые геометрические характеристики рассматриваемого
сечения.
, тогда
Определяем катеты швов kf, которые присоединяют опорное ребро к стенке балки. tw=hw-2=100-2=98см.
Т.к швы будем выполнять ручной сваркой, то βf=0,7; βz=1.
Катет шва определяем из условия среза по металлу шва, или:
Согласно с требованиями таблицы 38 СНиП в этих условиях катет шва должен
быть не менее 6мм. Конструктивно принимаю его равным kf=8мм.
2.8
Расчет соединения
второстепенных балок с главной балкой
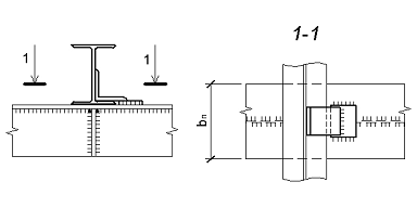
Этажное опирание может передавать только небольшие реакции, т.к. может
происходить изгиб главной балки. Такое опирание можно усилить Поставив под
балку настила ребро жесткости и этим самым предостеречь местный изгиб верхнего
пояса главной балки, поэтому узел соединения второстепенных балок находим
конструктивно.
Конструктивное решение этажного опирания балок
3. Расчет
центрально сжатой колонны балочной клетки
.1
Расчет стержня колонны
· Отметка верха колонны 7,1м;
· Колонна центрально сжатая;
· Шарнирно оперта вверху и внизу;
· Сталь С235→Ry=23кН/см2;
· Реакция главной балки VГБ=934,75кН;
Определяем геометрическую длину колонны
геом=H1+h3-hбо=7,1+0,7-1,016=6,7м
Максимальная сила, сжимающая колонну
Определяем расчетную длину колонны
Определяем требуемую площадь сечения колонны, предварительно задавшись ее
гибкостью и коэффициентом продольного изгиба.
Определяем требуемый радиус инерции сечения колонны
По требуемой площади и требуемому радиусу инерции, подбираем профиль
швеллера.
Швеллер №33
Находим действительную гибкость стержня относительно оси Х.
Производим расчет стержня колонны относительно свободной оси y.
Определяем расстояние между ветвями колонны исходя из равноустойчивости
ее в 2-х плоскостях. λпр=
λх.
Определяем расстояние между соединительными планками исходя из того, что
гибкость ветви между планками должна быть не более 40. Принимаем 30.
λв≤40→ λв=30
Принимаем l1=90см.
Предварительно задаемся размерами плана, при этом во избежание
выпучивания планки, должны быть соблюдены следующие отношения:
Задаемся минимально возможной шириной колонны
Определяем
Принимаем hпл=22см.
Для определения приведенной гибкости скомпонованного сечения колонны
вначале определяем параметр n.
Т.к.
Используя приближенную зависимость радиуса инерции от конфигурации
сечения.
,
Находим раздвижку ветвей колонны
Принимаем
Определяем геометрические характеристики сечения колонны относительно
свободной оси у.
Определяем гибкость колонны относительно свободной оси у.
Проверяем устойчивость колонны относительно оси у.
Запас прочности составляет
3.2
Расчет соединительных
планок колонны сквозного сечения
Расчет планок состоит в проверке их сечения и расчете швов, прикрепляющих
их к ветвям колонны. Соединительные планки рассчитывают на условную поперечную
силу.
Тогда сила приходящаяся на планку одной грани равна:
Определяем силу F,
действующую на нашу планку:
Проверяем напряжения в планке:
Швы, крепящие планку к швеллеру, рассчитываем на срез только по металлу
шва, т.к.
Принимаем катет шва равный
Проверяем напряжения в шве по формулам:
3.3
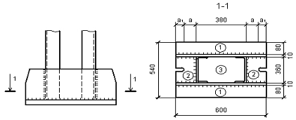
Расчет базы колонны
Принимаем бетон В15 (Rb=0,85кН/см2)
max=1884,5 кН
Находим требуемую площадь опорной плиты колонны
, где:
Ψ=(1,2…1,5)
Для определения габаритных размеров плиты, задаемся Lпл из конструктивных соображений.
Определяем требуемую ширину плиты.
Определяем конструктивный размер ширины плиты
Определяем действительное опорное давление на плиту башмака
Определяем толщину опорной плиты.
Для определения толщины опорной плиты работающей на изгиб, определяем
максимальный изгибающий момент в плите башмака (проведем анализ на участках
1,2,3)
Участок 1
Участок 2
Участок 3
Принимаем сталь марки С235 (Ry=22кН/см2) толщина от 20 до 40мм
Определяем толщину плиты по максимальному моменту
Принимаем толщину плиты 40мм.
Определяем высоту траверсы и длину сварных швов, которыми она крепится к
стержню колонны.
Катет шва, крепящий траверсу к телу колонны должен быть:
·
·
, который определяется по таблице 38
СНиП в зависимости от вида сварки
Т.к. сварка выполняется вручную, то
Конструктивно принимаем tтр=10мм; tполки=12,6мм; tстенки=7,5мм
Длину шва, прикрепляющего траверсу к колонне определяем из условия его
среза по металлу шва, т.к.:
,
Определяем толщину швов, которыми траверсы и стержень колонны крепятся к
опорной плите.
Принимаем катет шва равный 10мм.
3.4
Расчет оголовка колонны
Принимаем ребра стали С235 (Ry=23кН/см2) толщина от 20 до 40мм → → Ry см=35кН/см2.
Определяем условную длину распределения lст:
Определяем требуемую площадь смятия торца ребра
Определяем толщину ребра колонны
Согласно с сортаментом принимаем толщину ребра 16мм.
Определяем длину швов, крепящих стальные ребра к стенкам ветвей колонны.
Сварку выполняют ручным способом, при этом: βf =0,7; βz=1
Т.к.
, следовательно:
Принимаем lшв=42см.
Определяем высоту ребра:
Принимаем высоту ребра равной 45см.
Список
использованной литературы
1. Методические указания для выполнения раздела
дипломного проекта и курсового проекта "балочная клетка и колонны рабочей
площадки" по дисциплине "металлические конструкции". Мазур В.А.
- Харьков: ХГАГХ, 2002
2. СНиП 2.01.07-85 "Нагрузки и воздействия"
. СНиП ІІ-23-81
Часть ІІ "Стальные конструкции".