Расчет железобетонного монолитного каркаса промышленного здания
Федеральное
агентство железнодорожного транспорта
Уральский
государственный университет путей сообщения
Кафедра СК и
СП
Курсовой
проект
по
дисциплине: Железобетонные и каменные конструкции
Выполнил
студент гр. ПГСу-420
Кичигина Н.В.
Проверил преподаватель Файзрова И.Н.
Екатеринбург
Содержание
1. Исходные данные
. Расчет и конструирование
многопустотной предварительно напряженной плиты перекрытия
.1 Расчетный пролет и нагрузки
.2 Внутренние усилия в плите от
расчетных и нормативных нагрузок
.3 Установление размеров сечения
плиты
.4 Характеристики прочности бетона и
арматуры
.5 Расчет продольных ребер плиты
перекрытия по 1 группе предельных состояний
.5.1 Расчет прочности плиты по
сечению, нормальному к продольной оси
.5.2 Расчет прочности по сечению,
наклонному к продольной оси
.6 Расчет плиты по предельным
состояниям второй группы
.6.1 Определение геометрических
характеристик приведенного сечения
.6.2 Расчет потерь предварительного
напряжения. Определим первые потери предварительного напряжения арматуры
.6.3 Расчет по образованию трещин,
нормальных к продольной оси
.6.4 Расчет по раскрытию трещин,
нормальных к продольной оси
.6.5 Расчет прогиба плиты
. Расчет ригеля
.1 Расчетная схема и нагрузки
.1.1 Определение геометрических
характеристик поперечного сечения ригеля
.1.2 Вычисление изгибающих моментов
в расчетных сечениях ригеля
.1.3 Опорные моменты ригеля по грани
колонны
.1.4 Поперечные силы ригеля
.2 Сведения об арматуре и бетоне
.2.1 Подбор продольной арматуры в
расчетных сечениях ригеля
.3 Расчет прочности ригеля по
сечениям, наклонным к продольной оси
.4 Конструирование арматуры ригеля
. Расчет средней колонны
.1 Определение усилий в средней
колонне
.1.1 Определение продольных сил от
расчетных нагрузок
.1.2 Определение изгибающих моментов
колонны от расчетных нагрузок
.2 Расчет прочности средней колонны
.2.1 Характеристики прочности бетона
и арматуры
.2.2 Подбор сечений симметричной
арматуры
.2.3 Консоль колонны для опирания
ригеля
.2.4 Конструирование арматуры
колонны
. Расчет монолитного
перекрытия
.1 Расчет многопролетной плиты
монолитного перекрытия
.1.1 Разбивка плана монолитного
междуэтажного перекрытия
.1.2 Выбор оптимального класса
бетона
.1.3 Расчетный пролет и нагрузка
.1.4 Подбор сечения продольной
арматуры
.2 Расчет многопролетной
второстепенной балки
.2.1 Расчетный пролет и нагрузки
.2.2 Расчетные усилия
.2.3 Определение высоты сечения
балки
.2.4 Расчет прочности второстепенной
балки по сечениям, наклонным к продольной оси
. Расчет кирпичного простенка
6.1 Расчет схема
.2 Сбор нагрузок
.3 Расчет на внецентренное сжатие
кирпичного простенка
Список литературы
1.
. Исходные данные
Компоновка конструктивной схемы здания (рис.1)
Пролеты по ширине каркаса, м: 6х3=18;
Пролеты по длине каркаса, м: 6х8=48;
Высота первого этажа: 4,8м;
Высота типового этажа: 4,2м;
Количество этажей: 3;
Привязка торцевых колонн к осям и тип плит
перекрытия: осевая, при многопустотных плитах;
Временная нагрузка на перекрытие, кН/м2: 14;
Снеговая нагрузка, кН/м2: 0,7;
Рекомендуемый тип сечения ригеля и высота
сечения:
Здание каркасное , в которым несущими
вертикальными конструкциями являются железобетонные колонны, на которые
опираются ригели в поперечном направлении. Сопряжение ригелей с крайними и
средними колоннами жесткое. При длине здания 48м температурно-усадочные швы
отсутствуют. На ригели опираются плиты перекрытия по длине в продольном
направлении.
Пространственная жесткость здания в поперечном
направлении обеспечивается по рамной схеме, в продольном - вертикальными
металлическими связями, устанавливаемыми в середине здания по каждому ряду
колонн, т.е. по связевой схеме.
Ригели двухполочные предварительно напряженные,
плиты перекрытия - многопустотные предварительно напряженные одного
типоразмера: с номинальной шириной 1500мм. Опирание плит - на консольные полки
ригелей.
Для распределения местных нагрузок на соединение
элементы и эффективной работы перекрытия швы между плитами замоноличиваются.
Стеновые панели - навесные из легкого бетона, в торцах здания замоноличиваются
совместно с торцевыми рамами, образуя вертикальные связевые диаграммы.
2.
. Расчет и конструирование
многопустотной предварительно напряженной плиты перекрытия
.1 Расчетный пролет и нагрузки
Расчетный пролет плиты (расстояние между линиями
действия опорных реакций) составляет:
lп=l-(b+40)-2*a-c,
Где l=6000мм
- номинальный пролет плит (расстояние между осями колонн);
b+40=(300+40) мм -
ширина ригеля на уровне его консольных полок (т.е. с учетом технологических
уклонов боковых граней);
а = 55мм - зазор между плитой и ригелем,
необходимый для монтажа и последующего замоноличивания;
с= 100мм - глубина опирания плиты на полку
ригеля.
Lп=6000-340-2*55-100=5450
мм
Конструктивная длина панели: l0=l-(b+40)-2*a
l0=6000-340-2*55=5550
мм
Рисунок 2. Расчетная схема плиты
Таблица 1. Сбор нагрузок на перекрытие
|
Нагрузка
|
Нормативная
нагрузка, кН/м2
|
Коэффициент
надежности по нагрузке, ɣf
|
Расчетная
нагрузка, кН/м2
|
|
Постоянные
нагрузки
|
|
1.
Собственный вес плиты рБ=25 кН/м3 - вес железобетона t=0,22
м - толщина плиты 2. Стяжка цементно-песчаная, t=0,02м,
рр=22 кН/м3 3. Керамическая плитка, t=0.009м,
рк=18кН/м3
|
25*0,22=5,5
22*0,02=0,44 18*0,009=0,162
|
1,1
1,3 1,1
|
6,05
0,57 0,18
|
|
Итого
q
|
6,10
|
|
6,8
|
|
Временная
нагрузка
|
|
4.
Временная нагрузка V
В том числе: -длительная д=0,5*V
-кратковременная
к=0,5*V
|
14
7 7
|
1,2
1,2 1,2
|
16.8 8,4 8,4
|
|
5.
Полная нагрузка q+V
В том числе: - постоянная и длительная q+
д - кратковременная к
|
20,1
13,1 7
|
1,2
1,2 1,2
|
24,12
15,72 8,4
|
Таблица 2 - Сбор нагрузок на покрытие
|
Нагрузка
|
Нормативная
нагрузка, кН/м2
|
Коэффициент
надежности по нагрузке, ɣf
|
Расчетная
нагрузка, кН/м2
|
|
Постоянные
нагрузки
|
|
1.
Собственный вес плиты 2. Обмазочная пароизоляция 3. Утеплитель
(минераловатные плиты) 4. Асфальтовая стяжка t=0,02м
5. Рулонный ковер
|
5,5
0,05 0,4 0,35 0,15
|
1,1
1,3 1,2 1,3 1,3
|
6,05
0,07 0,48 0,46 0,2
|
|
Итого
q:
|
6,45
|
|
7,26
|
|
Временная
нагрузка
|
|
6.
Временная нагрузка S
В том числе: - длительная 0.5*S
- кратковременная S
|
0,7
0,35 0,7
|
1,4
1,4 1,4
|
0,98
0,49 0,98
|
|
7.
Полная нагрузка q+S
|
7,15
|
|
8,24
|
Таблица 3 - Нормативные и расчетные нагрузки на
1 м.п. плиты перекрытия
g=q*B* ɣn= V *B* ɣn
|
Наименование
нагрузки
|
Нагрузка,
кН/м2
|
Ширина
плиты В, м
|
Коэффициент
надежности по нагрузке, ɣn
|
Нагрузка
кН/м
|
|
нормативная
|
расчетная
|
|
|
нормативная
|
расчетная
|
|
1.Постоянная
q 2.Полная q+
V
3.
Постоянная и длительная q+
д Временная V
|
6,45
20,1 13,1 14
|
7,26
24,12 15,72 8,4
|
1,5
|
0,95
|
9,19
28,64 18,67 19,95
|
10,35
34,37 22,40 11,97
|
2.2 Внутренние усилия в плите от
расчетных и нормативных нагрузок
Расчет производим одновременно для обоих
продольных ребер, причем плиту рассматриваем как балку таврового сечения.
Расчетная схема плиты - однопролетная свободно опертая балка, загруженная
равномерно распределенной нагрузкой.
Q= g*l0/2,
M=g*l02/8
Таблица 4. Максимальные усилия в плите
|
Наименование
нагрузки
|
Нагрузки,
кН/м
|
Поперечная
сила Q, кН
|
Изгибающий
момент М, кНм
|
|
нормативная
|
расчетная
|
от
нормативной
|
от
расчетной
|
от
нормативной
|
от
расчетной
|
|
Полная
q+ V
|
28,64
|
34,37
|
79,5
|
95,4
|
110,3
|
132,3
|
|
Постоянная
и длительная q+
д
|
18,67
|
22,40
|
51,8
|
62,2
|
71,9
|
86,2
|
2.3 Установление размеров сечения
плиты
В курсовом проекте
разрабатывают одну из плит перекрытия. Она опирается на ригели короткими
сторонами и рассчитывается как балка двутаврового профиля, свободно лежащая на
двух опорах.
Предварительно уточняют размеры
поперечного сечения плиты и приводят его к эквивалентному двутавровому на
основе следующих конструктивных требований:
·
конструктивная
ширина плиты на 1 см меньше номинальной;
·
диаметр,
количество и размещение пустот назначают, из условия максимального снижения
веса плиты, при этом толщина бетона выше и ниже пустот должна быть не менее
25-30 мм, а между пустотами - 30-35 мм;
·
контуры
продольных боковых поверхностей плит устраивают с выступами для улучшения
заполнения швов бетоном; ширина швов должна быть не 20 мм, высота выступа -
60-100 мм;
·
для
удобства расшивки швов и во избежание местных околов на нижних поверхностях
продольных боковых граней плит устаивают продольные фаски размером 15x15 мм.
Кроме того, для обеспечения совместной работы плит в составе диска перекрытия
на их боковых поверхностях устраиваются круглые или прямоугольные углубления
(шпонки). Пример поперечного сечения плиты представлен на рис. 3.
Рисунок 3. Поперечное сечение
многопустотной плиты
Высота сечения плиты перекрытия назначается из
условий прочности и жесткости:
h = (1/10-1/15)·l=(0,1-0,07)*6=0,18м
Принимаем высоту сечения многопустотной плиты
перекрытия 220мм.
Рабочая высота сечения: h0=h-38=220-3=182мм,
Где 30мм - защитный слой бетона.
Расчетное поперечное сечение плиты по предельным
состояниям первой и второй групп - тавровое.
Приведение сечения плиты к
двутавровому осуществляют путем вычитания суммы ширины квадратных пустот,
эквивалентных по площади круглым (а = 0,9·d).
Поэтому при ширине плиты по верху b'f,
высоте h, Рисунок 4.
Эквивалентное двутавровое сечение плиты диаметре пустот d
основные размеры двутаврового сечения следующие:
- ширина верхней полки b'f,
нижней - bf;
- высота верхней и нижней полки
- h'f
=
hf
=(h
-
0,9d)/2;
- ширина ребра - b
=
b'f-n·0,9·d,
где n
- число
пустот.
h'f
=
hf
=(220-0,9*160)/2=38мм
b
=1550-8*0,9*160=398мм
2.4 Характеристики
прочности бетона и арматуры
Многопустотную предварительно
напряженную плиту армируют стержневой арматурой класса А-V
с электротермическим натяжением на упоры форм. Класс бетона В30.
Затем выполняют расчеты плиты по первой (подбор
продольной и поперечной арматуры) и второй (по образованию трещин, деформациям
и раскрытию трещин) группам предельных состояний.
Характеристики бетона класса В30 (4, табл.
1,2,4):
ɣb=0,9
- коэффициент условия работы бетона;
Rb,n=Rb,ser=22МПа=22*103кН/м2
- сжатие осевое (призменная прочность - нормативная);
Rb=17МПа=17*103кН/м2
- сжатие осевое (призменная прочность - расчетная);
Rbt,n=
Rbt,ser=1.75МПа=1,75*103кН/м2
- растяжение осевое - нормативное;
Rbt=1.15МПа=1,15*103кН/м2
- растяжение осевое - расчетное;
Eb
=32,5*103МПа=32,5*106кН/м2 - начальный модуль упругости бетона.
Характеристики арматуры продольных ребер класса
А-V (4, таблицы 7,8 п.
2.2.2.6);
Rs,n=
Rs,ser=800МПа=800*103кН/м2
- нормативное сопротивление растяжению;
Rs=695МПа=695*103кН/м2
- расчетное сопротивление растяжению;
Es=200*103МПа=200*106кН/м2
- модуль упругости бетона;
σsp=0.6*
Rs,n=0.6*800=470МПа=470*103кН/м2
- предварительное напряжение арматуры.
Выбираем способ предварительного натяжения
арматуры - электротермический. Проверяем выполнение условия σsp+р≤
Rs,n,
Где р - усилие предварительного обжатия с учетом
потерь предварительного напряжения в арматуре,
Р=30+360/l=30+360/6=90МПа
(l=6м - длина
натягиваемого стержня, принимаемая как расстояние между наружными гранями
упоров)
+90=560МПа<800МПа - условие выполняется.
Предельное отклонение предварительного
напряжения при числе напрягаемых стержней n=9:
Δɣsp
Коэффициент точности натяжения ɣsp=1-Δ
ɣsp=1-0,13=0,87
При проверке по образованию трещин в верхней
зоне плиты при обжатии принимаем: ɣsp=1+
Δɣsp=1+0,13=1,13
Предварительное напряжение с учетом точности
натяжения : σsp=0,87*
σsp=0,87*470=408,9*103кН/м2.
2.5 Расчет продольных ребер плиты
перекрытия по 1 группе предельных состояний
Расчет плиты перекрытия по 1 группе предельных
состояний включает:
расчет прочности изгибаемого элемента по
нормальному сечению;
расчет прочности изгибаемого элемента по
наклонному сечению.
2.5.1 Расчет прочности плиты по
сечению, нормальному к продольной оси
Физический смысл расчета заключается в
следующем: в момент загружения плиты полной нагрузкой в месте максимального
изгибающего момента возникает нормальная трещина (направленная перпендикулярно
продольной оси балки), которая свидетельствует о начале разрушения конструкции.
Во избежание разрушения конструкции (плиты)
выполняется расчет в сечении а-а на действие изгибающего момента Мmax
от полной расчетной нагрузки. Результатом расчета служит определение площади
продольной арматуры Аs.
Рисунок 4. Расчетная схема плиты перекрытия
Рисунок 5. Расчетная схема плиты перекрытия -
тавровое сечение с полкой в сжатой зоне
h0 - рабочая высота
сечения;
As - площадь
продольной арматуры;
Ab - сжатая
площадь сечения
. Определим положение нейтральной оси для
таврового сечения с полкой в сжатой зоне из условий х≤h’f
M<Rb*ɣb2*b’f*h’f*(h0-0.5*h’f),
Где М=132,3 кНм - момент, определяемый в
продольном ребре от полной расчетной нагрузки (табл.4);
Rb=17*103кН/м2
- расчетное сопротивление бетона;
b’f=1550
мм; h’f=38мм;
h0=182мм - параметры
таврового сечения, устанавливаемые при компоновке поперечного сечения;
ɣb2=0,9
- коэффициент, учитывающий неоднородность бетона
,3 кН<17*103*0,9*1,55*0,038*(0,182-0,5*0,038)=147кНм
Условие выполняется.
.Граничная относительная высота сжатой зоны
бетона
Где ω=α-0,008*Rb*ɣb2
- характеристика сжатой зоны бетона;
α=0,85 - для тяжелого
бетона;
ω=0.85-0.008*17*0.9=0.73
σsR -
напряжение в арматуре, принимаемое для арматуры класса А-V;
σsR =Rs+220-σsp=695+220-408.9=506*103
кН/м2
σsc,u
- предельное напряжение в арматуре;
σsc,u
= 500*103кН/м2 - при ɣb2=0.9
3. Коэффициент αm
.
5.
6. Высота сжатой зоны
Х=ξ*h0=0.18*182=33<hf=38мм
Следовательно, нейтральная ось проходит в
пределах высоты сжатой зоны полки.
. Площадь рабочей арматуры
Где ɣsб
- коэффициент, определяемый для высокопрочной арматуры класса А-V
по формуле:
ɣsб=ɳ-(ɳ-1)*
где ɳ=1,15 - для арматуры класса А-V
Условие не выполняется. Принимаем ɣSб=ɳ=1.15
По сортаменту Приложения 6 определяем диаметр,
количество стержней и площадь рабочей арматуры Аs
8Ø12 А-V
As=9.05 см2
. Определяем процент армирования
2.5.2 Расчет прочности по сечению,
наклонному к продольной оси
Физический смысл расчета заключается в
следующем: в момент загружения плиты полной нагрузкой в месте максимальной
поперечной силы (на опоре или у опоры) возникает наклонная трещина, которая
свидетельствует о начале разрушения конструкции. Для того чтобы наклонные
трещины не возникали.
Во избежание разрушения балки расчет выполняют
по сечению б-б на действие поперечной силы Qmax
от полной расчетной нагрузки. Результатом расчета служит определение площади
поперечной арматуры Asw.
Qmax=95,4
(таблица 4) - максимальная поперечная сила от полной расчетной нагрузки.
. Проверяем требуется ли поперечная
арматура по следующим условиям: Q
.5*ɣb2*Rbt*b*h0=2.5*0.9*1.15*103*0.398*0.182=187.4кН
Q=95.4<187.4кН
Условие выполняется - арматура не требуется
Qс≤ϕb4*(1+ϕn)*Rbt*b*h02/c=Q-q1*c
Где q1=22,4кН/м
(таблица 4) - постоянная и длительная расчетная нагрузка.
Проверим выполнение условие:
q1≤0.16*ϕb4*(1+ϕn)*ɣb2*Rbt*b
где ϕb4
- коэффициент, учитывающий влияние вида бетона, ϕb4=1,5
- для тяжелого бетона;
ϕn
- коэффициент, учитывающий влияние продольных сил; при наличии продольных
сжимающих сил:
ϕn =0,1*
=3,5
ϕn
=3,5> 0,5, принимаем ϕn
=0,5 (СНиП 2.03.01-84 п. 3.31*) принимаем для тяжелых бетонов ϕb3
=0.6
где N=Р
- усилие обжатия с учетом полных потерь Р=0,7*σsp*Asp=0.7*408.9*103*905=259.0кН
q=22.4
кН/м<0,16*1,5*(1+ 3,5)*0,9*1,15*103*0,398=445кН/м
Условие выполняется, принимаем с=2,5*h0
Где с - длина проекции наиболее опасного
наклонного сечения на продольную ось элемента
с=2,5*0,182=0,455м
Qс=95,4-22,4*0,455=85,2кН
ϕb4*(1+ϕn)*Rbt*b*h02/c=1,5*(1+0,5)*1,15*103*0,398*0,1822/0,455=75кН
Qc=85.2кН>75кН
Условие выполняется, поперечная арматура по
расчету не требуется.
2.6 Расчет плиты по предельным
состояниям второй группы
Учет потерь предварительного напряжения арматуры
зависит от способа и метода напряжения арматуры.
Рассмотрим натяжение арматуры на упоры при
электротермическом способе, бетон при этом подвергнут тепловой обработке при
атмосферном давлении.
Согласно СНиП 2.03.01-84 табл. 2 пустотная
плита, эксплуатируемая в закрытом помещении и армируемая напрягаемой арматурой
А-V должна
удовлетворять 3-й категории требований по трещиностойкости, т.е. допускается
непродолжительное раскрытие трещин шириной аcrc1
=0.3 мм и продолжительное аcrc2
=0.2 мм.
Прогиб плиты от действия постоянной и длительной
нагрузок не должен превышать fn=40
мм (СНиП 2.01.07-85 табл.19)
.6.1
2.6.1 Определение геометрических
характеристик приведенного сечения
Исходя из равенства деформаций арматуры и
бетона, приведение выполняют по отношению модулей упругости этих материалов:
α=Esp
/Eb=200*103/32,5*103=6,15
Сечение для расчетов по второй группе предельных
состояний:
Аred=b*h+(b’f
-b)*hf’+(bf
-b)*hf+α*Asp
Аred=39,8*22,0+(155-39,8)*3,8+(156-39,8)*3,8+6,15*9,05=1810,8*102мм2
Статический момент приведенного сечения
относительно оси, проходящей по нижней грани плиты:
Sred=ΣAiyi=b*h2/2+(bf’-b)*hf’*(h-0.5hf’)+(bf’-b)*hf’*0.5*hf’+α*Asp*a
=39.8*222/2+(155-39.8)*3.8*(22-0.5*3.8)+(155-39.8)*3.8*0.5*3.8+6.15*9.05*3.5=9631.6+8799.8+831.74+194.8=19458
см3
Расстояние от нижней грани до центра тяжести
приведенного сечения:
y0=Sred/Ared=19458/1810.8=10.75см=107,5мм
Момент инерции приведенного сечения:
Ired=Σ[Ii]+Ai(y0-yi)2=bh2/12+bh(0.5h-y0)2+2(bf’-b)(hf’)3/12+(bf’-b)
hf’(h-y0-0.5
hf’)2+(bf-b)
hf(h-y0-0.5
hf)2+αAsp(y0-a)2
=39.8*222/12+39.8*22*(0.5*22-10.75)2+2*(155-39.8)*3.83/12+(155-39.8)*3.8*(22-10.75-0.5*3.8)2+(156-39.8)*3.8*(10.75-0.5*3.8)2+6.15*9.05*(10.75-3.5)2=1605.3+54.73+1053.54+38270.07+34584.08+2925.5=78493.22
см4=784,9*106мм4
Момент сопротивления приведенного сечения по
нижней зоне:
=
см3
Момент сопротивления приведенного сечения по
верхней зоне:
=
см3
Расстояние от центра тяжести приведенного
сечения до верхней ядровой точки, наименее удаленной от растянутой зоны:
r=ϕ
0.7≤ϕ≤1.6-
Где
-
отношение напряжения в бетоне от нормативных нагрузок и усилия обжатия к
расчетному сопротивлению бетона, для предельных состояний второй группы
предварительно принимают равным 0,75
ϕ=1,6-0,75=0,85
r=0.85*
см
Расстояние от центра тяжести приведенного
сечения до верхней ядровой точки, наименее удаленной от растянутой зоны
(нижней):
перекрытие монолитный ригель
простенок
rinf=ϕ
=0,85*
Упругопластический момент сопротивления по
растянутой зоне при эксплуатации плиты:
Wpl=ɣ*Wred=1,75*7301,7=12778
см3
Где ɣ=1,75 - для таврового сечения с полкой
в сжатой зоне.
Упругопластический момент сопротивления по
растянутой зоне в стадии изготовления и обжатия элемента:
Wpl’=ɣ*W’red=1,5*6977.2=10465,8
см3
Где ɣ=1,5 - для таврового сечения с полкой
в растянутой зоне при
bf'/b=145.5/40.8=3.6>2;
h’f/h=3.8/22=0.17<0.2
2.6.2 Расчет потерь предварительного
напряжения. Определим первые потери предварительного напряжения арматуры
Потери от релаксации напряжений в арматуре при
электротермическом способе натяжения стержневой арматуры:

Потери при деформации анкеров:
Где l=60
000 мм - длина каната, Δl=1,25+0,15*d=1,25+0,15*12=3,05мм
Определим усилие обжатия:
Р1=As*(σsp-
σ1- σ2-
σ3)=905*(408,9-5,1-81,25-10,2)=282кН
Где Аs=9,05
см2 площадь продольной арматуры.
Эксцентриситет этого усилия относительно центра
тяжести приведенного сечения:
Еор=у0-а=107,5-35=72,5
Напряжение в бетоне при обжатии:
=
2,52
М
Устанавливаем передаточную прочность бетона из
условий:
σбр/Rбр≤0.75 и Rбр≥0,5*В
где В - первоначальный класс бетона
Rбр=2,52/0,75=3,36<Rb.n=0.5*B30=15
МПа
Принимаем Rбр=15
МПа=15*103 кН/м2, тогда
σбр/Rбр=2,52/15=0,17<0,75
Сжимающие напряжения в бетоне на уровне центра
тяжести напрягаемой арматуры от усилия обжатия Р1 и с учетом изгибающего
момента от веса плиты:
М=
=
Где m=5,5
кН/м2 - собственный вес плиты 1м2 плиты (табл.1)
=
2.52
МПа
Потери от быстронатекающей ползучести для бетона
подвергнутого тепловой обработке:
α=0,25+0,025*Rбр=0,25+0,025*15=0,625<0,8
Уровень напряжений в бетоне при его обжатии:
σбр/Rбр=2,52/15=0,17<0,625
σ6=0,85*40* σбр/Rбр
σ6=0,85*40*0,17=5,78МПа
Первые потери: σlos1=
σ1+ σ6+ σ2 +σ3=5,1+81,25+10,2+5,78=102,33МПа
Вычислим усилие обжатия с учетом первых потерь:
Р1=As*(σsp-
σlos1)=905*(408,9-102,33)=277,4кН
Напряжение в бетоне при обжатии с учетом первых
потерь:
=
2,3МПа
Определим вторые потери (при эксплуатации
плиты):
Потери от усадки бетона
=35МПа
по СНиП 2.03.01-84 табл.5 в зависимости от класса бетона (В30) и условий
твердения (бетон подвергнут тепловой обработке при атмосферном давлении).
Потери от ползучести бетона при σбр/Rбр=0,17<0,75;
σ9=150*α
* σбр/Rбр=150*0.85*0.17=21,7
МПа
где α=0,85 - для
бетона подвергнутого тепловой обработке при атмосферном давлении.
Вторые потери: σlos2=
σ8+ σ9=35+21,7=56,7 МПа
Полные потери: σlos=
σlos1+ σlos2=102,33+56,7=159
МПа>100МПа, т.е. больше установленного минимального значения потерь.
Вычисляем усилие установленного минимального
значения потерь:
Р2=Аs*(σsp-σlos)=9.05(40.89-15.9)=226.16кН
2.6.3 Расчет по образованию трещин,
нормальных к продольной оси
Рисунок 9. Образование трещин на стадии: а)
изготовления; б) эксплуатации
В стадии изготовления возможно образование
начальных трещин на верхней грани плиты вследствие её изгиба от внецентренного
приложения усилия Р1.
Проверяем, образуется ли начальные трещины в
верхней зоне плиты при её обжатии,
ɣsp*P1*(eop-rinf)-Mnn<Rbt,ser*W’pl
Где ɣsp=1.2
- коэффициент точности натяжения;
Mnn - момент от
собственного веса плиты
Mnn =
Где q
= 6,05 кН/м2 - расчетная нагрузка от собственного веса плиты (табл.1)
Rbt,ser=1,75*103
кН/м2 - растяжение осевое - нормативное;
.2*277.4*(72.5-3.3)*10-2-33.8=2.3кНм
<1.75*103*10.47*10-3=18,3кНм
Условие выполняется, значит при обжатии плиты
трещины в верхней зоне не образуются.
В стадии эксплуатации в сечении посередине
пролета действуют усилия обжатия с учетом всех потерь Р2=226,16 кН и
нормативный момент от полной нагрузки М=110,3 кНм (табл. 4)
Поскольку на возможность образования трещин в
плите выполняем по формулам СНиП 2.01.03-84 п. 4.5 для выявления случая расчета
по деформациям.
Расчет по образованию трещин производим из
условия Mr<Mcrc.
Где Mcrc
- момент, воспринимаемый нормальным сечением при образовании трещин,
определяется по формуле:
Mcrc=ɣb2*Rbt,ser*Wpl+Mгр
Где Мгр - ядровый момент усилия обжатия:
Мгр=ɣsp*P2*(eop+r)=1.2*226.16*(72.5+3.4)*10-3=20,6 кНм
М=110,3 кНм>Мсrc=1,2*1,75*103*12,78*10-3+20,6=47кНм
Условие выполняется, значит в растянутой нижней
зоне плиты от эксплуатационных нагрузок не происходит образование трущин.
2.6.4 Расчет по раскрытию трещин,
нормальных к продольной оси
Расчет ведется на нагрузки с коэффициентом
надежности по нагрузке ɣf=1
и коэффициентом точности натяжения ɣsp=1
Изгибающие моменты от нормальных нагрузок:
- постоянной и длительной М=47кНм
полной М=110,3 кНм
Приращение напряжений в растянутой арматуре от
действия постоянной и длительных нагрузок:
σs=(M-P2*(z1-esn))/Ws
где z1≈h0-0.5*hf’=18.2-0.5*3.8=16.3 см -
плечо внутренней пары сил:
esn=0, т.к.
усилие обжатия Р1 приложено в центре тяжести площади напрягаемой арматуры;
Ws - момент
сопротивления по растянутой арматуре:
Ws=As*z1=9.05*16.3=147.5 см3
σs=(47-226.16*(0.163-0))/147.5*10-6=68,7*103
кН/м2
Приращение напряжений в арматуре от действия
полной нагрузки:
σs=(110.3-226.16*(0.163-0))/147.5*10-6=498*103
кН/м2
Коэффициент армирования принимается без учета
сжатых свесов полок
μ=
Ширина раскрытия трещин от непродолжительного
действия полной нагрузки при δ=1, ϕ=1,
ɳ=1, d=12мм - диаметр
продольной арматуры:
acrc1=20*(3.5-100*μ)*δ*ɳ*ϕ1*
acrc1=20*(3.5-100*0.012)*1*1*1*
=0.26мм
Ширина раскрытия трещин от непродолжительного
действия постоянной и длительной нагрузок:
a'crc1=20*(3.5-100*μ)*δ*ɳ*ϕ1*
a'crc1=20*(3.5-100*0.012)*1*1*1
*
=0.036
мм
Ширина раскрытия трещин от продолжительного
действия постоянной и длительной нагрузок:
ϕ1=1,6-15*μ=1,6-15*0,012=1,42
acrc2=20*(3.5-100*μ)*δ*ɳ*ϕ1*
acrc2=20*(3.5-100*0,012)*1*1*1,42*
=0,051
мм
Непродолжительная ширина раскрытия трещин:
acrc= acrc1- acrc1 +
acrc2=0.26-0.036+0.051=0.275 мм<[
acrc]=0.3мм
Продолжительная ширина раскрытия трещин:
acrc= acrc2
=0,036 мм<[ acrc]=0.2мм
Условия выполняются, ширина раскрытия трещин
меньше допустимой.
2.6.5 Расчет прогиба плиты
Предельно допустимый прогиб для рассчитываемой
плиты с учетом эстетических требований согласно нормам принимается равным:
fu=
Прогиб от постоянной и длительной нагрузок
составит:
f=
где
- кривизна плиты
На участках, где не образуются нормальные к
продольной оси трещины, полная величина кривизны изгибаемого элемента
определяется по формуле:
=
Где М=38,4кНм - момент от нормативной
кратковременной нагрузки.
=
Где М=71,9 кНм - момент от нормативной постоянной
и длительной нагрузок
=
=
Где
*10-4=58.76*10-4
Прогиб от постоянной и длительной нагрузок
составит:
f=
Прогиб не превышает предельную величину:
f=1.88 см<fu=2.725
см
3.
. Расчет ригеля
.1 Расчетная схема и нагрузки
Поперечная многоэтажная рама имеет регулярно
расчетную схему с равными пролетами ригелей и равными длинами стоек. Сечение
ригелей и стоек по этажам также принято постоянными. Такую многоэтажную раму
для расчета расчленяем на вертикальную нагрузку на одноэтажные рамы с нулевым
точками моментов - шарнирами, расположенными по концам стоек, - в середине
длины стоек всех этажей, кроме первого. Расчетная схема рассчитываемой рамы средних
этажей приведена на рисунке
Вычисляем нагрузку на 1м длины ригеля. Погонные
нагрузки на ригель(табл.1) на ширину грузовой полосы, равную шагу рам l=6м
. Постоянная нагрузка:
от перекрытия с учетом коэффициента надежности
по назначению здания ɣn=0.95:
qп=q*l*
ɣn=6,8*6*0,95=38,76
кН/м
где q=6,8
кН/м2 - постоянная нагрузка (от веса ригеля)
qр= ɣn*
ɣf *pб*Ap
=0.95*1.1*25*0,13=3,4 кН/м
где ɣn,
ɣf=0,95, 1,1 -
коэффициент надежности;
рб=25кН/м3 - средняя плотность железобетона
Ар - площадь поперечного сечения ригеля (рис.
11)
Ар=
м2
Рисунок 11. Размеры сечения ригеля, мм
g=qп
+qр =38,76+3,4=42,16
кН/м
. Временная, с учетом ɣn=0,95:
16,8*6*0,95=95,76
кН/м
В том числе: длительная д =8,4*6*0,95=47,88 кН/м
кратковременная к= 8,4*6*0,95=47,88 кН/м
Где V
= 16.8
кН/м2 - временная нагрузка
д = 8.4 кН/м2 - длительная нагрузка
к = 8,4 кН/м2 - кратковременная нагрузка
. Полная нагрузка
g+
=42.16+95.76=137.88
кН/м
3.1.1 Определение геометрических
характеристик поперечного сечения ригеля
Расстояние от центра тяжести до нижней грани
ригеля:
Yц.т.=
Где Ар = 130000 мм2 - площадь поперечного
сечения ригеля;
Sp -
статический момент площади поперечного сечения ригеля относительно нижней грани
Sp=200*250*175+200*400*150=20750*103мм3
Расстояние от центра тяжести до верхней грани
ригеля:
Н-Yц.т.=450-160=290мм
Момент инерции сечения ригеля относительно
центра тяжести:
Ip=b*h3/12+b*h*(h/2-y)2
=
400*4503/12+400*450(450/2-160)=30.5*108мм4
Для расчета принимаем стандартное сечение
колонны 400х400 мм, длина колонны 4,8м.
Момент инерции сечения колонны относительно
центра тяжести:
=a4/12=4004/12=21.3*108
мм4
Отношение погонных жесткостей ригеля и колонны:
δ=Ip/Ik=30.5*108/21.3*108=1.43
δ=1.43<10
- в этом случае ригель рассматриваем совместно с примыкающими колоннами, где
высота колонны равна высоте этаже. Узел сопряжения ригеля с колонной принимать
жестким. Расчет производим по приложению 11 (Байков В.Н. «Железобетонные
конструкции»)
3.1.2 Вычисление изгибающих моментов
в расчетных сечениях ригеля
1. Опорные моменты ригеля от постоянной и
различных комбинаций временных нагрузок определяют по формулам:
M=α*g*l2
или M=β*v*l2
Где α, β - коэффициенты,
зависящие от схем загружения ригеля постоянной и временной нагрузками и
коэффициента k.
k=
Вычисление опорных моментов ригеля от постоянной
нагрузки различных схем загружения временной нагрузкой приведено в табл. 5
Таблица 5. Опорные моменты ригеля при различных
схемах загружения
|
Схема
загружения
|
Опорные
моменты, кНм
|
|
М12
|
М21
|
М23
|
М32
|
|
I
|
-0,069*
42.16*62= -104.73
|
-0,0902*
42.16*62= -136.9
|
-0,0836*
42.16*62= -126.88
|
-0,0836*
42.16*62= -126.88
|
|
II
|
-0,0748*
42.16*62= -113.53
|
-0,0774*
42.16*62= -117.47
|
-0,0078*
42.16*62= -11.84
|
-0,0078*
42.16*62= -11.84
|
|
III
|
0,0056*
42.16*62= 8.5
|
-0,0216*
42.16*62= -32.78
|
-0,0757*
42.16*62= -114.89
|
-0,0757*
42.16*62= -114.89
|
|
IV
|
-0,0681*
42.16*62= -103.36
|
-0,0929*
42.16*62= -141
|
-0,0898*
42.16*62= -136.29
|
-0,0701*
42.16*62= -106.39
|
|
Расчетные
схемы для опорных моментов
|
I+IV -208,09
|
I+IV -277,9
|
I+IV -263,17
|
I+IV -233,27
|
|
Расчетные
схемы для пролетных моментов
|
I+II -218,26
|
I+II -254,37
|
I+II -138,72
|
I+II -138,72
|
2. Пролетные моменты ригеля определяются
по формуле:
M
,
или M
Определим пролетные моменты ригеля при различных
сочетаниях загружений (I+II,
I+III,
I+IV)
1) Левый пролет.
I+II: M
кНм
I+III:
кНм
I+IV:
кНм
2) Правый пролет:
I+II: M
кНм
I+III:
кНм
I+IV:
кНм
3. Перераспределение моментов под влиянием
образования пластических шарниров. Уменьшаем на 30% опорные моменты ригеля М21
и М23 по схемам загружения I+IV;
при этом намечаем образование пластических шарниров на опоре.
К эпюре моментов схем загружения I+IV
добавляем выравнивающую эпюру моментов так, чтобы уравнять опорные моменты
М21=М23 и были обеспечены удобства армирования опорного узла.
Ординаты выравнивающей эпюры моментов:
ΔМ21=0,3*277,9=83,37
кНм
ΔМ23=0,3*263,17=78,95
кНм
При этом:
ΔМ12= ΔМ21/3=83,37/3=-27,79кНм
ΔМ32= ΔМ23/3=78,95/3=-26,32кНм
Рисунок 13. Выравнивающая эпюра моментов, кНм
4. По результатам расчета строим огибающую
эпюру изгибающих моментов с учетом перераспределения моментов. Огибающая эпюра
- это график изменения наибольших изгибающих моментов по длине балки от
наиболее неблагоприятного сочетания постоянной и одной из временных нагрузок.
Разность ординат в узле выравнивающей эпюры
моментов передается на стойки.
Пролетные моменты на огибающей эпюре превышают
значения пролетных моментов при схемах загружения I+II,
I+III,
они и будут являться расчетными.
3.1.3 Опорные моменты ригеля по
грани колонны
На средней опоре при схеме загружения I+IV
опорный момент ригеля по грани колонны не всегда оказывается расчетным
(максимальным по абсолютному значению). При большой временной нагрузке и
относительно малой погонной жесткости колонн он может оказаться расчетным при
схемах загружения I+II
или I+III.
Необходимую схему загружения для расчетного опорного момента ригеля по грани
колонны можно установить следующим расчетом.
1. Опорный момент ригеля по грани средней
колонны слева М2л:
- по схемам загружения I+IV
и выравненной эпюре моментов
М2л=М21-(Q21*hk/2)=277,9-(115.045*0,4/2)=254,89кНм
Q21=
кНм
- по схемам загружения I+III
без распределения моментов
М2л=М21-(Q21*hk/2)=277,9-(115.65*0,4/2)=254,77
кНм
Q21=
кНм
- по схемам загружения I+II
без распределения моментов
М2л=М21-(Q21*hk/2)=277,9-(109.4*0,4/2)=256.02 кНм
Q21=
кНм
2. Опорный момент ригеля по грани средней
колонны справа М2п:
- по схемам загружения I+IV
и выравненой эпюре ммоментов
М2п=М23-(Q23*hk/2)=263,17-(108.4*0,4/2)=241,49кНм
Q23=
кНм
по схемам загружения I+II
без распределения моментов
М2п=М23-(Q23*hk/2)=263,17-(103.41*0,4/2)=242,49
кНм
Q23=
кНм
Расчетный опорный момент ригеля по грани средней
колонны слева возникает при схеме загружения I+IV:
М2л=254,89 кНм
3. Опорный момент по грани крайней колонны:
М=М12-(Q23*hk/2)=208,09-(91,78*0,4/2)=189,73кНм
Q21=
=91,78кНм
Рисунок 14. Огибающая эпюра моментов по граням
колонн, кНм
3.1.4 Поперечные силы ригеля
Для расчета прочности по сечениям, наклонным к
продольной оси, принимают значения поперечных сил ригеля большие из двух
расчетов:
а) с учетом перераспределения моментов:
На крайней опоре
Q1=
=91,78кНм
б) упругого расчета по схеме загружения I+IV
На средней опоре слева
Q2л=
=109,43кНм
На средней опоре справа
Q2п=
=108,4кНм
3.2 Сведения об арматуре и бетоне
Сечение ригеля рассматривают как прямоугольное
450х200; площадь сечения консольных свесов в расчет не вводят, т.к. они
расположены вне сжатой зоны. Бетон класса В30. Арматура класса Ат-VI.
В опорных сечениях ригеля и в сечениях колонн в целях упрощения конструкции
стыков целесообразно применить ненапрягаемую арматуру класса А-III.
Rb,n=Rb,ser=22МПа=22*103кН/м2
- сжатие осевое (призменная прочность - нормативная);
Rb=17МПа=17*103кН/м2
- сжатие осевое (призменная прочность - расчетная);
Rbt,n=
Rbt,ser=1.75МПа=1,75*103кН/м2
- растяжение осевое - нормативное;
Rbt=1.15МПа=1,15*103кН/м2
- растяжение осевое - расчетное;
Eb
=32,5*103МПа=32,5*106кН/м2 - начальный модуль упругости бетона.
Характеристику сжатой зоны бетона определим по
СНиП 2.03.01-84 по формуле: ω=0,85-0,008*0,9*17=0,728
Предельное напряжение в арматуре сжатой зоне при
ɣb2<1 принимаем σsc,u=500
МПа. Напряжение в растянутой арматуре Ø 10…40 А-III
σsR=Rs=365
МПа.
Предельное значение относительной высоты сжатой
зоны бетона
=0.584
Соответствующий коэффициент αR=0.584(1-0.5*0.584)=0.413
Высокопрочную стержневую арматуру напрягают
прогрессивным электротермическим способом. Допускаемое отклонение значения
предварительного натяжения р=30+360/l=30+360/6=90
МПа. Максимальное эффективное предварительное напряжение арматуры класса Ат-VI
Rs,ser
- p=1000-90=910 МПа
Характеристика арматуры Aт-VI
СНиП 52-102-2004
Rs,n=
Rs,ser=1000МПа=1000*103кН/м2
- нормативное сопротивление растяжению;
Rs=830МПа=830*103кН/м2
- расчетное сопротивление растяжению;
Es=200*103МПа=200*106кН/м2
- модуль упругости бетона.
Потери напряжения арматуры до обжатия бетона
) От релаксации напряжения σ1=0,03*910=27,3
МПа
) От температурного перепада на 65°С при
прогреве σ2=1,25*65=81МПа
Величина погрешности точности натяжения четырех
стержней арматуры
ɣsp
=0.5*p(1+1
)/
σsp=0.5*90*(1+1
)/910=0.15
Напряжение арматуры с учетом потерь при
коэффициенте точности натяжения ɣsp
=1-0,15=0,85; σsp=(910-27.3-81)=802
МПа
Приращение напряжения
Δσsp=1500*(σsp/Rs)-1200=1500*(802/830)-1200=249
МПа
Напряжение в растянутой арматуре
Rs,R=Rs+400-σsp
-Δσsp
=830+400-802-249=179МПа
Величины
0,65;
αR2=0.65*(1-0.5*0.65)=0.439
Определим рабочую высоту сечения ригеля по
опорному моменту:
h0=
По пролетному моменту:
h0=
Требуемая высота сечения ригеля: h=h0+a=30+4=34
см, где а - защитный слой бетона
Высота сечения ригеля, принятая по заданию,
больше требуемой, следовательно принимаем высоту сечения h=450см
Рисунок 15. Размеры сечения ригеля, мм
3.2.1 Подбор продольной арматуры в
расчетных сечениях ригеля
1. В пролетах: h0=100-6=94см
Сечение в первом пролете М=384,15 кНм:
=0.067 (табл. 3.1
Байков В.Н. «Железобетонные конструкции»)
см2
Принимаем арматуру 4Ø25А-III
с As=19.63 см2
Сечение в среднем пролете М=254,89кНм
=0,04 (табл. 3.1
Байков В.Н. «Железобетонные конструкции»)
см2
Принимаем арматуру 4Ø25
А-III с As=19.63
см2
2. На опорах: h0=450-4=41 см
Сечение на крайней опоре в первом пролете
М=189,73кНм
=0.03 (табл. 3.1
Байков В.Н. «Железобетонные конструкции»)
см2
Принимаем арматуру 2Ø36А-III
с As=20,36 см2
Сечение на средней опоре в среднем пролете
М=241,49кНм
=0.04 (табл. 3.1
Байков В.Н. «Железобетонные конструкции»)
см2
Принимаем арматуру 4Ø25
А-III
с As=19.63 см2
Арматуру для восприятия отрицательного момента в
пролете устанавливают по эпюре моментов. Принята арматура 2Ø12
А-III
с As=2,26 см2
3.3 Расчет прочности ригеля по
сечениям, наклонным к продольной оси
На средней опоре поперечная сила Q=109,43
кН
Диаметр поеречной арматуры устанавливаем из условия
сварки их с продольной арматурой диаметром d=36мм
и принимаем равным dsw=12мм
(прил. 9 Байков В.Н.) с площадью Asw=1.313
см2
При классе арматуры А-III
Rsw=285*103 кН/м2
(табл. 5.8 СП 52.101-2003). Поскольку
,
Вводим коэффициент ɣs2=0.95,
тогда Rsw=0.95*285*103
=270.75*103 кН/м2
Число каркасов - 2, при этом Asw=2*1.313=2.63
см2.
Шаг поперечных стержней по конструктивным
условиям s=h/3=100/3=33.3
см. На всех приопорных участках длиной l/4
принимаем шаг s=30 см, в средней
части пролета шаг s=3*h/4=3*45/4=33,75см≈35см
qsw=Rsw*Asw/s=270.75*103*2.63*10-4/0.3=237.4
кН/м
Qbmin=ϕb3*Rbt*h0=0.6*1.15*103*0.4*0.96=264.96
кН
qsw=237.4
кН/м>
- условие удовлетворяется.
Smax= ϕb4*Rbt*b*h02/Q =1.5*1.15*103*0.4*0.412/109.43=5,8
м
Smax=580см>s=30см
требование удовлетворяется.
Mb= ϕb2*Rbt*b*h02
=2*1.15*103*0.4*0.412=847.87 кН/м
Поскольку q1=g+v/2=42,16+95,76/2=90,04
кН/м > 0,56*qsw=0.56*138=77.28
кН/м
Длина проекции наклонного сечения определяется
по формуле:
< 3,33*h0=3.33*0.96=3.2м
При этом
кН
> Qbmin=264.96 кН
Поперечная сила в вершине наклонного сечения:
Q=Qmax-q1*c=109.43-90.04*3.07=167кН
Длина проекции расчетного наклонного сечения:
м > 2*h0=2*0.96=1.92
Принимаем с0=1,65 м
Вычисляем
Qsw=qsw*c0=1.65*77.28=127.5
кН
Qb+Qsw=276.18+127.5=403.68
кН > Q=167 кН - условие
прочности обеспечивается.
ϕw1=1+5*α*μw=1+5*7.27*0.002=1.073
ϕb1=1-0.01*ɣb2*Rb
=1-0.01*0.9*17=0.85
где
μw=Asw/b*s=2.63/40*30=0.002
α=Es/Eb=200/27.5=7.27
Проверим выполнение условия:
Q<0.3*ϕw1*ϕb1*ɣb2*Rb*b*h0
Q=109.43<0.3*1.073*0.85*17*103*0.4*0.41=1789
кН - условие удовлетворяется.
3.4 Конструирование арматуры
ригеля
Стык ригеля с колонной выполняется на ванной
сварке выпусков верхних надопорных стержней и сварке закладных деталей ригеля и
опорной консоли колонны. Ригель армируется двумя сварными каркасами, часть
продольных стержней каркаосв обрывают в соответствии с изменением огибающей
эпюры моментов и по эпюре материалов. Обрываемые стержни заводят за место
теоритеческого обрыва на длину заделки W.
Рассмотрим сечение 1го пролета.
. На средней опоре арматура 4Ø25
А-III
с Аsw=19.63 см2
μ=As/b*h0=19.63/40*41=0.005
(табл. 3.1 Байков
В.Н. «Железобетонные конструкции»)
Определим значение изгибающего момента,
воспринимаемого в расчетном сечении, по фактически принятой арматуре.
M=Rs*As*
*h0=355*103*19.63*10-4*
0.947*0.41=633.5 кНм
В месте теоретического обрыва пролетных стержней
остается арматура 2Ø12 A-III
с As=2,63 см2
μ=2,63/40*41=0,0007
=0,9925 (табл. 3.1
Байков В.Н. «Железобетонные конструкции»)
М=355*103*2,63*10-4*0,9925*0,41=88,96 кНм
Устанавливаем на огибающей эпюре моментов по
ординатам М места теоретического обрыва стержней. Поперечная сила в месте
теоретического обрыва стержня принимается соответствующей изгибающему моменту в
этом сечении (рис. 15). Поперечная сила в данном сечении Q=91.74
кН.
Поперечные стержни 2Ø25
сохраняются
с шагом s=30 см.
qsw=Rsw*As/s=256*103*2.63*10-4/0.3=224.43
кН/м
Определяем длину анкеровки обрываемых стержней
по формуле:
W1=Q/2*qsw+5*d>20*d
91.74/2*224.43+5*0.025=0.525м>20*0,025=0,5м
Условие выполняется, принимаем длину анкеровки W1=0.525
м
. На крайней опоре арматура 2Ø36
A-III
с As=20,36см2
μ=As/b*h0=20,36/40*41=0.005
=0,9475 (табл. 3.1
Байков В.Н. «Железобетонные конструкции»)
M=Rs*As*
*h0=355*103*19.63*10-4*
0.947*0.41=633.5 кНм
В месте теоретического обрыва пролетных стержней
остается арматура 2Ø12 A-III
с As=2,63 см2
μ=0.0007
0.015;
=0,9925
М=355*103*2,63*10-4*0,9925*0,41=88,96 кНм
Поперечная сила в этом сечении Q=108.4
Поперечные стержни 2Ø12
A-III
с As=2,63 см2в месте
теоретического обрыва стержней 4Ø25
сохраняется с шагом 30 см; qsw=224.43
кН/м
Длина анкеровки:
W2=Q/2*qsw+5*d>20*d
108,4/2*224,43+5*0,025=0,56м >20*0,025=0,5м
Принимаем W2=0.6
м
. Арматура в пролете 4Ø25
A-III
с Asw=19.63см2
μ=As/b*h0=19.63/40*41=0.005
(табл. 3.1 Байков
В.Н. «Железобетонные конструкции»)
Определим значение изгибающего момента,
воспринимаемого в расчетном сечении, по фактически принятой арматуре.
M=Rs*As*
*h0=355*103*19.63*10-4*
0.947*0.41=633.5 кНм
В месте теоретического обрыва пролетных стержней
остается арматура 4Ø25 A-III
с As=16,08 см2
μ=16,08/40*41=0,006
=0,9375 (табл. 3.1
Байков В.Н. «Железобетонные конструкции»)
М=355*103*16,08*10-4*0,9375*0,41=513,7кНм
Максимальная поперечная сила в этом сечении Q=103.41
кН
Поперечные стержни 2 Ø12
A-III
Asw=2.63 см2 в месте
теоретического обрыва стержней 4 Ø25 сохраняется
с шагом 30 см; qsw=224.43
кН/м
Длина анкеровки:
W2=Q/2*qsw+5*d>20*d
103,41/2*224,43+5*0,025=0,52м >20*0,025=0,5м
Принимаем W2=0.5
м
Рисунок 16. Поперечная сила в месте
теоретического обрыва стержня
4.
. Расчет средней
колонны
.1 Определение
усилий в средней колонне
4.1.1 Определение
продольных сил от расчетных нагрузок
Грузовая площадь средней колонны
при сетке колонн 6х6=36м2.
. Постоянная нагрузка от
перекрытий одного этажа с учетом коэффициента надежности по назначению здания ɣn=0.95
.95*q*36=0,95*6,8*36=232,56
кН
Где q=6,8
кН/м2 - постоянная нагрузка (табл.1)
Нагрузка от ригеля:
Где qp=3.4
кН/м - нагрузка от веса ригеля (п. 3.1.1)
Нагрузка от колонны сечением
0,4х0,4 ; l=4,8м; ρ=2500
кг/м3;
ɣf=1.1; ɣn=0.95
0.4*0.4*4.8*25*1.1*0.95=20.06
кН
Итого: G=274,22
кН
. Временная нагрузка от
перекрытий одного этажа с учетом ɣn=0.95
Q=16,8*36*0,95=574,56
кН,
Q=8,4*36*0,95=287,28
кН,
Q=8,4*36*0,95=287,28
кН,
Где V
= 16.8
кН/м2 - временная нагрузка
д = 8.4 кН/м2 - длительная нагрузка
к = 8,4 кН/м2 - кратковременная нагрузка
. Постоянная нагрузка от покрытия при
весе кровли и плит 5 кН/м2 составляет:
*36*0,95=171 кН
От ригеля - 21,6кН
От колонны - 20,06 кН
Итого: G=212,66
кН
. Временная нагрузка от снега Sg=0.7
кН/м2 при коэффициентах надежности от нагрузки ɣf=1.4
и по назначению здания ɣn=0.95
Q=0.7*1.4*36*0.95=33.5
кН
В том числе: длительная Q=0,5*33,5=16,8
кН
Кратковременная Q=0,5*33,5=16,8
кН
Продольная сила колонны первого этажа рамы:
От длительной нагрузки:
N=G2
+Q кр2+(G1+
Q
кр1)*2=212.66+16.8+(274.22+287.28)*2=1352.46 кН
От полной нагрузки:
N=N+
Q кр2+ Q
кр1*2=1352.46+16.8+287.28*2=1943.82 кН
4.1.2 Определение изгибающих
моментов колонны от расчетных нагрузок
Вычисляем опорные моменты ригеля перекрытия
первого этажа рамы. Отношение погонных жесткостей, вводимых в расчет,
увеличивается в 1,2 раза (прил. 11 Байков В.Н. «Железобетонные конструкции»):
k1=1.2*k=1.2*0,64=0,77
Определяем максимальный момент колонны при
загружении I+II
без перераспределения моментов.
При действии длительных нагрузок:
М=(α*g+β*д)*l2
Где α, β - коэффициенты,
зависящие от схем загружения ригеля постоянной и временной нагрузками и
коэффициентами k (приложение
11. Байков В.Н. «Железобетонные конструкции»)
д = 8.4 кН/м2 - длительная нагрузка (п. 3.1)
к = 8,4 кН/м2 - кратковременная нагрузка (п.
3.1)
g=42.16 Кн/м - постоянная
нагрузка (п. 3.1)
М21 =-(42,16*0,0901+8,4*0,0783)*62= - 160,5 кНм
М23 =-(42,16*0,084+8,4*0,009)*62= - 130,2 кНм
При действии полной нагрузки:
М=М+β*к*l2
М21=-160,5-0,0783*8,4*62= -184,18 кНм
М23=-130,2-0,009*8,4*62= -132,92 кНм
Разность абсолютных значений опорных моментов в
узле рамы:
При длительных нагрузках ΔМ=160,5-130,2=30,3
кНм
При полной нагрузке ΔМ=184,15-132,92=51,23
кНм
Изгибающий момент колонны:
От длительных нагрузок М=0,6*ΔМ=0,6*30,3=18,18
кНм
От полной нагрузки М=0,6*ΔМ=0,6*51,23=30,74
кНм
Вычисляем изгибающие моменты колонны,
соответствующие максимальным продольным силам, используя загружение полетов
ригеля о схеме 1. (табл. 2 прил.11 Байков В.Н.).
От длительных нагрузок:
М=(0,0901-0,084)*(42,16+8,4)*62=11,1 кНм
Изгибающие моменты колонны: М=0,6*11,1=6,66 кНм
От полной нагрузки:
М=(0,0901-0,084)*(42,16+8,4+8,4)*62=12,93 кНм
Изгибающий момент колонны: М=0,6*12,93=7,77 кНм
.2
4.2 Расчет прочности средней колонны
4.2.1 Характеристики прочности
бетона и арматуры
Характеристики тяжелого бетона класса В30
ɣb2=0.9
- коэффициент условия работы бетона
Rb,n=Rb,ser=22МПа=22*103кН/м2
- сжатие осевое (призменная прочность - нормативная);
Rb=17МПа=17*103кН/м2
- сжатие осевое (призменная прочность - расчетная);
Rbt,n=
Rbt,ser=1.75МПа=1,75*103кН/м2
- растяжение осевое - нормативное;
Rbt=1.15МПа=1,15*103кН/м2
- растяжение осевое - расчетное;
Eb
=32,5*103МПа=32,5*106кН/м2 - начальный модуль упругости бетона.
Характеристики рабочей продольной арматуры
колонны класса A-III
Rs,n=
Rs,ser=400МПа=400*103кН/м2
- нормативное сопротивление растяжению;
Rs=355МПа=355*103кН/м2
- расчетное сопротивление растяжению;
Es=200*103МПа=200*106кН/м2
- модуль упругости бетона;
Комбинация расчетных усилий (для колонны 1го
этажа):
1. max N и
Мсоотв
max
N=1943.82 кНм, в том
числе от длительных нагрузок Nl=1352.46
кН и соответствующий момент
Мсоотв=7,77 кНм в том числе от длительных
нагрузок Мl=6.66 кНм
2. max N и
Мсоотв
max
M=30.74 кНм в том
числе от длительных нагрузок max
Мl=18.18 кНм
4.2.2 Подбор сечений симметричной
арматуры
1. Подбор сечений по первой комбинации
усилий.
max
N=1943.82 кНм, в том
числе от длительных нагрузок Nl=1352.46
кН и соответствующий момент
Мсоотв=7,77 кНм в том числе от длительных
нагрузок Мl=6.66 кНм
Рабочая высота сечения h0=h+a=40-4=36
см, ширина b=40 см.
Эксцентриситет силы: e0=M/N=7.77/1943.82=0.004
м=0.4 см
Случайный эксцентриситет (не менее 1 см):
e0=h/30=40/30=1.33
см или e0=lk/600=480/600=0.8
см
Поскольку эксцентриситет силы e0=0.4
см меньше случайного эксцентриситета e0=1,33
см, принимаем для расчета статически неопределимой системы 1.33 см.
Определим значение моментов в сечении
относительно оси, проходящей через центр тяжести наименее сжатой (растянутой)
арматуры:
При длительной нагрузке:
М1l=Ml+Nl*(h/2-a)=6.66+1352.46*(0.4/2-0.04)=223.05
кНм
При полной нагрузке:
М1=M+N*(h/2-a)=7,77+1943,82*(0,4/2-0,04)=318,78
кНм
Lk/r=480/11.56=41.52>14
Где r=0.289*h=0.289*40=11.56
см - радиус ядра сечения.
Выражение для критической продольной силы при
прямоугольном сечении с симметричным армированием As=A’s
(без предварительного напряжения) с учетом, что
Lb=r2*A, ls=μ1*A*(h/2-a)2;
μ=2*As/А
Принимает вид
Ncr=
Расчетную длину колонн многоэтажных зданий при
жестком соединении ригелей с колоннами в сборных перекрытиях принимают равной
высоте этажа l0=l=4.8
м
Для тяжелого бетона
.7
Значение
Принимаем δ=0,412
Отношение модулей упругости: α=Es/Eb=200*106/32.5*106=6.15
Задаемся коэффициентом армирования μ1=2*As/A=2*19.63/40*40=0.0245
Вычисляем критическую силу
Граничная относительная высота
сжатой зоны
Где ω=0,85-0,008*ɣb2*Rb=0.85-0.008*0.9*17=0.728МПа
σsR=Rs=355
МПа;
σsuR=500Мпа
Где δ=а/h0=4/36=0.111
Определяем площадь арматуры по формуле:
Т.к. требуемая площадь арматуры для второй комбинации
усилий больше, чем для первой, принимаем 4Ø28 с
As=24,63 см2
μ1=2*As/A=2*24.63/40*40=0.031>μ=0.0245
Перерасчет не требуется.
4.2.3 Консоль колонны для опирания
ригеля
Опорное давление ригеля Q=109,43
кН (см. п.3.1.5).
Принимаем длину опорной площадки l=25
см при ширине ригеля bp=30
см и проверяем условие на прочность:
Вылет консоли с учетом зазор 5 см составляет l1
=30 см. Расстояние от грани колонны до точки приложения опорной реакции Q:
a=l1-l/2=30-25/2=17.5
см
Высота сечения консоли у грани колонны:
h=(0.7
)*hp=0.8*100=80
см
При угле наклона сжатой грани ɣ=45° высота
консоли у свободного края
h1≈h/2=80/2=40
см
Рабочая высота сечения консоли h0=h-a=80-4=76
см
Поскольку l1=30
см<0,9*h0=0.9*76=68.4 см -
консоль короткая
Консоль армируем горизонтальными хомутами Ø8
A-I
(Rs=215*103кН/м2) с Asw=2*0.503=1.01
см2, с шагом s=10 см (при этом s<60/4=15
см) и отгибами 2Ø25 A-III
с As=9.82см2
Проверка прочности сечения консоли:
Q<0.8*ϕω2*ɣb2*Rb*b*l*sin2θ<3.5*Rbt*b*h0
μω1=Asw/b*s=1.01/40*10=0.0025
αs=ES /Eb=200*106/32.5*106=6.15
ϕω2=1+5* αs*
μω1=1+5*6.15*0.0025=1.077θ=h2/(h2+l12)=802/(802
+302)=0.88
0.8*ϕω2*ɣb2*Rb*b*l*sin2θ=0.8*1.077*0.9*1.7*40*25*0.88=1160.06
кН
3,5*Rbt*b*h0=3.5*0.115*40*76=1223.6
кН
Q=109.43
кН<1160,06 кН<1223,6 кН - прочность обеспечена.
Изгибающий момент консоли у грани колонны:
M=Q*a=109.43*0.175=19.15
кНм
Площадь сечения продольной арматуры при
=0,9
As=1.25*M/Rs*
*h0=1.25*19.15*102/35.5*0.9*76=1
см2
Принимаем 2Ø8 A-III
с As=1.01см2
4.2.4 Конструирование арматуры
колонны
Колонны армируется пространственными каркасами,
образованными их плоских сварных каркасов. Диаметр поперечных стержней при
диаметре продольной арматуры 36мм на первом и втором этажах здания (согласно
прил. 9 Байков В.Н.) принимаем Ø8 A-III
с шагом s=400 мм<20*d=20*25=500
мм (по размеру стороны сечения колонны b=400
мм).
Колонну рамы расчленяем на два элемента длиной:
Ннк=0,8+Н1эт+1=0,8+4,8+1=6,6 м
НВк=Н2эт-1+Н3эт=4,2-1+4,2=7,4 м
Стык колонн выполняют на вантовой сварке
выпусков стержней с обетонированием, концы колонн усиливаются поперечными
сетками. Элементы сборной колонны должны быть проверены на усилия, возникающие
на монтаже от собственного веса с учетом коэффициента динамичности и по сечению
в стыке до его обетонирования.
5.
. Расчет монолитного перекрытия
5.1 Расчет многопролетной плиты
монолитного перекрытия
5.1.1 Разбивка плана монолитного
междуэтажного перекрытия
Рисунок 20. Разбивка плана монолитного
междуэтажного перекрытия
5.1.2 Выбор оптимального класса
бетона
Требуемая призменная прочность Rb бетона может
быть определена из выражения:
Если в данное выражение подставить в целях
экономии стали, характеризуемой расчетным сопротивлением растяжению Rs,
наименьший из рекомендуемых коэффициентов армирования μ=0,003
и
наибольшее значение
=0,15. Для плит
принимают сварные рулонные сетки из следующих видов арматуры: Ø6
A-III
с Rs=355 МПа, Вр-I
с Rs=415 МПа
Коэффициент условия работы бетона: ɣb1=0.85
Оптимальная прочность бетона:
Rb=μ*Rs/
*ɣb1=0.003*355/0.15*0.85=8.4
МПа
Rb=μ*Rs/
*ɣb1=0.003*360/0.15*0.85=8.5
МПа
Оптимальный класс бетона В15 с Rb=8.5
МПа и с Rbt=0,75 Мпа
5.1.3 Расчетный пролет и нагрузка
Определим толщину плиты и нагрузку на плиту.
Минимальная толщина монолитной жб плиты для междуэтажных перекрытий
производственных зданий h=60
мм
Таблица 6. Сбор нагрузок на 1 м2 перекрытия
|
Нагрузка
|
Нормативная
нагрузка, кН/м2
|
Коэффициент
надежности по нагрузки, ɣf
|
Расчетная
нагрузка, кН/м2
|
|
Постоянные
нагрузки
|
|
1.
Собственный вес плиты рБ=25 кН/м3 - вес железобетона t=0,06
м - толщина плиты 2. Стяжка цементно-песчаная, t=0,02м,
рр=22 кН/м3 3. Керамическая плитка, t=0.009м,
рк=18кН/м3
|
25*0,06=1,5 22*0,02=0,44
0,009*18=0,162
|
1,1 1,1 1,1
|
1,65 0,484
0,178
|
|
Итого
g
|
2.102
|
|
2.312
|
|
Временная
нагрузка
|
|
Временная
нагрузка V
|
14
|
1,2
|
16,8
|
|
Полная
нагрузка g+ V
|
16.102
|
|
19.112
|
Несущая способность сечения плиты:
h0=h-a=6-1,5=4,5см
α0=
(1-
)=0,15*(1-0,15/2)=0,14
где
=0,15
- высота сжатой зоны бетона
Несущая способность сечения плиты:
Madm=α0* ɣb1*b*h02=0.14*0.85*8.5*100*4.52=2.05
кНм
Расчетный пролет плиты равен расстоянию в свету
между гранями ребер второстепенных балок: l0=bf’-b/2-190=(6000/3)-200/2-190=1710
мм; l=bf’-b=2000-200=1800
мм.
Монолитное перекрытие компонуют с поперечными
главными балками и продольными второстепенными балками. Второстепенные балки
размещаются по осям колонн и в четвертях пролета главной балки: 6/3=2м.
Предварительно задаемся размером сечения балок:
главная балка h=l/8=600/8=75см;
b=0.5*h=0.5*75=37.5
см; второстепенной балки: h=40см,
b=20см
Момент для средних пролетов плиты:
М=±ql2/16=±19,112*1,82/16=3,87кНм
Для крайних пролетов плиты:
М=±ql02/11=±19,112*1,712/11=5,08
кНм
Т.к. V=16.8
кНм>3*g=3*2.312=4,624 кНм
прочность плиты должна быть проверена на отрицательный момент в пролете:
-М=0,5*(Моп1+Моп2)-(g+0.5*V)*l02/8=0.5*(3.87+5.08)-(2.312+0.5*16.8)*1.712=0,27
кНм
-М=0,27кНм<Rbt*b*h/3.5=0.75*103*0,75*0.06/3,5=9,64
кНм
Условие выполняется, постановка дополнительных
сеток не требуется. Средние пролеты плиты окаймлены по всему контуру монолитно
связанными с ними балками и под влиянием возникающих распоров изгибающие
моменты уменьшаются на 20%, если h/l>1/30.
При 6/171=1/28>1/30 - условие выполняется, в
сечениях средних пролетов и на средних опорах значение изгибающих моментов
будет равно: М=0,6*3,87=2,322 кНм
5.1.4 Подбор сечения продольной
арматуры
В средних пролетах и на средних опорах h0=4,5
см
αm=M/Rb*b*h02=2.322/8.5*103*0.75*0.0452=0.182
As=М/Rs*
*h0=2.322*104/415*103*0.899*0,045=1.38
см2
Где
=0,899
Принимаем 10Ø5 Вр-I
с As=1.96 см2 и
соответствующую рулонную сетку марки
В первом пролете и на первой промежуточной опоре
h0=4.5см
αm=
M/Rb*b*h02=5.08/8.5*103*0.75*0.0452=0.398
Где
=0,724
As=М/Rs*
*h0=5.08*104/415*103*0.724*0,045=3.75
см2
Принимаем 2 сетки: основную
И доборную 10Ø8 Вр-IIс
As=5.03 см2
5.2 Расчет многопролетной
второстепенной балки
.2.1 Расчетный пролет и нагрузки
Расчетный пролет равен расстоянию в свету между
главными балками l0=6-0.4=5.6м.
Расчетные нагрузки на 1м длины второстепенной
балки.
Постоянная:
От собственного веса плиты и пола 2,312*2=4,624
кН/м
От собственного веса балки сечением 0,2х0,4м; ρБ=25
кН/м3; ɣf=1.1
.2*0.4*25*1.1=2.2 кН/м
Итого g=6.824
кН/м
Постоянная с учетом коэффициента надежности по
назначению здания ɣn=0.95:
g=0.95*6.824=6.483кН/м
Временная с учетом ɣn=0.95:
V=16,8*2*0,95=31,92
кН/м
Полная нагрузка:
g+V=6.483+31,92=38,403
кН/м
5.2.2 Расчетные усилия
Изгибающие моменты определяют как для
многопролетной балки с учетом перераспределения усилий:
В первом пролете: М=ql2/11=38,403*5,62/11=109,48
кНм
На первой промежуточной опоре: М=±ql2/14=38,403*5,62/14=86,02
кНм
В средних пролетах и на средних опорах:
М=±ql2/16=38,403*5,62/16=75,27
кНм
Отрицательные моменты в средних пролетах
определяем по огибающей эпюре моментов; они зависят от отношения временной
нагрузки к постоянной V/g.
В расчетном сечении в месте обрыва надопорной арматуры отрицательный момент при
V/g=16,8/2,312=7,27>3
можно принять равным 50% момента на первой промежуточной опоре. Тогда
отрицательный момент в среднем пролете.
М=0,5*75,27=37,635 кНм
Поперечные силы:
на крайней опоре Q=0.4*q*l0=0.4*38.403*5.6=86.02
кН
на первой промежуточной опоре слева Q=0.6*q*l0=0.6*38.403*5.6=129.03
кН
На первой промежуточной опоре справ Q=0.5*q*l0=0,5*38,403*5,6=107,53
кН
5.2.3 Определение высоты сечения
балки
Высоту сечения балки подбираем по опорному
моменту при
=0,35, поскольку на
опоре момент определяется с учетом образования пластического шарнира. По табл.
3.1 (Байков В.Н.) находим αm=0.289.
На опоре момент отрицательный - полка ребра в растянутой зоне. Сечение работает
как прямоугольник с шириной ребра b=
0,2 м.
h=h0+а=26,26+4=30,26
см
Принимаем h=32
см; b=20 см, тогда h0=32-4=28см.
В полетах сечение тавровое - полка в сжатой
зоне. Расчетная ширина полки при h’f/h=6/32=0.19>0.1
b'f=l/3=600/3=200см
Расчет прочности по сечениям нормальным к
продольной оси
. Сечение в первом пролете М=109,48 кНм
αm=
M/Rb*ɣb2*bf’*h02=109.48/8.5*103*0.9*2*0.282=0.091
=0.096 (табл. 3.1
Байков В.Н.)
X=
*h0=0.952*28=2.688см
<h’f=6
см
Следовательно, нейтральная ось проходит в сжатой
полке.
=0.952 (табл. 3.1
Байков В.Н.)
As=M/Rs*
*h0=109.48*104/355*103*0.952*0,28=11,57
см2
Принимаем 2Ø28 А-III
c As=12.32
см2.
2. Сечение в среднем пролете М=75,27
αm=
M/Rb*ɣb2*bf’*h02=75,27/8.5*103*0.9*2*0.282=0.063
=0.065 (табл. 3.1
Байков В.Н.)
X=
*h0=0.065*28=1,82
см <h’f=6
см
=0.9675 (табл. 3.1
Байков В.Н.)
As=M/Rs*
*h0=75,27*104/355*103*0.9675*0,28=7,83
см2
Принимаем 2Ø25 А-III
c As=9,82
см2.
3. На отрицательный момент М=37,64
αm=
M/Rb*ɣb2*bf’*h02=37,64/8.5*103*0.9*2*0.282=0.031
=0.031 (табл. 3.1
Байков В.Н.)
X=
*h0=0.031*28=0,9
см <h’f=6
см
=0.986 (табл. 3.1
Байков В.Н.)
As=M/Rs*
*h0=37,64*104/355*103*0.986*0,28=3,84
см2
Принимаем 2Ø16
А-III c
As=4,02 см2.
. Сечение на первой промежуточной опоре
М=86,02 кНм. Сечение работает как прямоугольное
αm=
M/Rb*ɣb2*bf’*h02=86,02/8.5*103*0.9*2*0.282=0.072
=0.075 (табл. 3.1
Байков В.Н.)
=0.9625 (табл. 3.1
Байков В.Н.)
As=M/Rs*
*h0=86,02*104/355*103*0.9625*0,28=8,99
см2
Принимаем 6Ø14 А-III
c As=9,23
см2 - две гнутые сетки по 3Ø14 А-III
в каждой.
. Сечение на средних опорах М=75,27 кНм.
Сечение работает как прямоугольное
αm=
M/Rb*ɣb2*bf’*h02=75,27/8.5*103*0.9*2*0.282=0.072
=0.075 (табл. 3.1
Байков В.Н.)
X=
*h0=0.075*28=2,1
см <h’f=6
см
=0.9625 (табл. 3.1
Байков В.Н.)
As=M/Rs*
*h0=86,02*104/355*103*0.9625*0,28=8,99
см2
Принимаем 5Ø16 А-III
c As=10,05см2.
5.2.4 Расчет прочности
второстепенной балки по сечениям, наклонным к продольной оси
Qmax=129.03 кН -
максимальная поперечная сила
Диаметр поперечных стержней назначаем из условия
свариваемости с продольными стержнями d=28
мм и принимаем dsw=8мм
(приложение 9 Байков В.Н.) класса А-III
с Rsw=285 МПа
Число каркасов - 2 Asw=2*0.503=1.01
см2
Шаг поперечных стержней до конструктивным
условиям s=h/2=32/2=16
см, но не более 15см. Для всех приопорных участков промежуточных и крайней опор
балки принят шаг s=15см. В
средней части пролета ≈l/2
s=3/4*h=3/4*32=24
см
Принимаем s=24
см
qsw=Rsw*Asw/s=285*103*1.01*10-4/0.15=191.9
кН/м
Влияние свесов сжатой полки
ϕf=0.75*(3*h’f)*h’f/b*h0=0.75*(3*6)*6/20*32=0.126<0.5
Qb
min=ϕb3*(1+ϕf)*ɣb2*Rbt*b*h0=0.6*(1+0.126)*0.9*0.75*103
*0.2*0.28=22.3 кН
Проверим необходимое условие расстановки
поперечной арматуры:
Qsw=191.9
кН/м>Qb
min/2*h0=22.3/2*0.28=46.6
кН/м
Условие удовлетворяется.
Проверяем шаг хомутов:
Smax=ϕb4*ɣb2*Rbt*b*(h02/Qmax)=
1.5*0.9*0.75*103*0.2*(0.282/129.03)*102=12.35 см
S=15 см > Smax=12.35
см - требование не удовлетворяется, принимаем s=
12см
Mb=ϕb2*(1+ϕf)*
Rbt*ɣb2*b*h02=2*1.126*0.75*103*0.9*0.2*0.282=23.8
кН/м
Поскольку
q1=g+V/2=6.483+31.92/2=22.443
кН/м < 0,56*qsw=0.56*46.6=26.1
кН/м
значение с определением по следующему отношению:
Условие выполняется, принимаем с=1,03 м.
Qb=Mb/c=23.08/1.03=22.41
кН> Qb
min=22.3 кН
Поперечная сила в вершине наклонного сечения
Q=Qmax-q1*c=129.03-22.443=106.6
кН
Длина расчетного наклонного сечения:
Принимаем с0=0,35м
Qsw=qsw*c0=191.9*0.35=85,6
кН
Проверяем условие прочности по наклонной
трещине:
Qb+Qsw=22.41+85,6=108
кН> Q=106,6 кН
Условие выполняется.
Проверка по сжатой наклонной полосе:
μw
=Asw/b*s=1.01/20*12=0.0042
α=Es/Eb=200*106/23*106=8.69
ϕw1=1+5*α*μw=1+5*8.69*0.0042=1.18
ϕb1=1-β*Rb=1-0.01*8.5=0.915
Условие прочности:
Qmax<0.3* ϕb1*
ϕw1*ɣb2*Rb*b*h
Qmax=129.03 кН
0,3*0,915*1,18*0,9*0,75*20*32=140 кН
Условие удовлетворяется, следовательно,
прочность по наклонной сжатой полосе обеспечена.
6.
6. Расчет кирпичного простенка
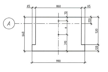
6.1 Расчет схема
На наружные стены здания опирается монолитное
ребристое перекрытие, через главные и второстепенные балки. Необходимо
просчитать простенок первого этажа, на который опирается главная балка.
Параметры окна:
- ширина b=1375
мм
высота h=2010
мм
Параметры простенка:
ширина 990 мм ((6000-2*2010)/2=990 мм)
высота (толщина стены) 640 см.
Рисунок 21. Схема опирания главной балки
6.2
6.2 Сбор нагрузок
Таблица 7. Сбор нагрузок на 1 м2 покрытий и
перекрытий
|
Нагрузка
|
Нормативная
нагрузка, кН/м2
|
Коэффициент
надежности по нагрузки, ɣf
|
Расчетная
нагрузка, кН/м2
|
|
Постоянные
нагрузки
|
|
1.
Собственный вес плиты рБ=25 кН/м3 - вес железобетона t=0,06
м - толщина плиты 2. Вес кровли 3. Вес главной балки bxh=0,75*0,4
Временная S: -снег
|
25*0,06=1,5
0,95 0,3
0,7
|
1,1
1,3 1,1
1,4
|
1,65
1,24 0,33 0,98
|
|
Итого
qпокр
|
3.45
|
|
4.2
|
|
Нагрузка
на перекрытие
|
|
1.
Собственный вес плиты рБ=25 кН/м3 - вес железобетона t=0,06
м - толщина плиты 2. Вес пола 3. Вес главной балки bxh=0,75*0,4
Временная V:
|
25*0,06=0,15 0,602 0,3
14
|
1,3 1,1 1,1
1,2
|
1,65 0,6622
0,33 16,8
|
|
Итого
qпер
|
15,052
|
|
19,44
|
Вес покрытия, приходящийся на расчетный
простенок:
Fпокр=qпокр*а*b/2=4,2*6*6/2*0,95=71,82
кН
Вес перекрытия:
Fпер=qпер*а*b/2=19,44*6*6/2*0,95=332,424
кН
Где а, b
- размеры шага пролета по длине и ширине, м
Вес стены до расчетного сечения (простенок
первого этажа):
Fкл=Акл*tкл*ρ*ɣf
*ɣn=18*0,64*18*1,1*0,95=216,7
кН
Где Акл=18 м2 - площадь кладки,
tкл =0,64м - толщина
стены,
ρ =18 кН/м3 - удельный
вес кладки,
ɣf
=1,1 - коэффициент надежности по нагрузке,
ɣn
=0,95 - коэффициент условия работы.
Продольная сила в расчетном сечении:
N=Fпокр+2*
Fпер+Fкл=71,82+2*332,424+216,7=953,37
кН
6.3 Расчет на внецентренное
сжатие кирпичного простенка
Определим геометрические характеристики сечения
простенка.
Статический момент:
Sx=A1*y1+A2*y2=86*52*38+99*12*6=177064
см3
Где А=86*52+99*12=5660 см2
Центра тяжести сечения:
Yc=Sx/A=177064/5660=31
см
Рисунок 20. Геометрические характеристики
простенка
Глубина заделки плиты перекрытии в стену с=20
см, тогда равнодействующая усилий от перекрытий будет приложена на расстоянии
20/3=6,7≈70 см от внутренней грани стены.
Расстояние от центра тяжести сечения до точки
приложения продольной силы: е=tкл-ус-13=64-31-7=26
см
Изгибающий момент в стене, вызываемый этой
силой:
М=Fпер*е=332.424*26=8643.024
кНсм
Эксцентриситет приложения продольной силы N
относительно центра тяжести расчетного сечения:
е0=М/N=8643.024/953.37=9.0см
Расчетная высота простенка l0=4.8
(высота первого этажа).
Гибкость:
Так как толщина стены 64 см > 30см, то mq=1
и выделение из полной продольной силы ее длительной составляющей не требуется.
Радиус инерции:
Гибкость:
Для принятых материалов упругая характеристика
кладки α=1000.
По табл. 18 СНиП II.22.81
«Каменные и армокаменные конструкции» коэффициенты ϕ=0,94; ϕс=0,93.
Средний коэффициент продольного изгиба:
ϕ1=(ϕ+ϕс)/2=(0,94+0,93)/2=0,935
Коэффициент ω=1+е0/tкл=1+9/64=1,14<1,45
(табл. 19 СНиП II.22.81
«Каменные и армокаменные конструкции»)
Площадь сжатой зоны сечения
Ас=А*(1-2*е0/tкл)=5660*(1-2*9/64)=4068,125
см2
σ=N/ϕ1*mq*ω*Ac=953.37/0.95*1*1.14*4068.125=0.22
кН/см2=2,2 МПа
σ=2,2 МПа < R=3.2
МПа
Кирпич марки 200 на растворе марки М100
обеспечивает необходимое сопротивление сжатию. Кладка удовлетворяет нормативным
требованиям и условию прочности.
Список литературы
1. СНиП 2.03.01-84* «Бетонные
и железобетонные конструкции». Госстрой России. - М.: ГУП ЦПП, 1996
2. СНиП II.22.81*
«Каменные и армокаменные конструкции». Госстрой Росии. - М.: ФГУП ЦПП, 2004
. СП 52-102-2004.
«Предварительно напряженные железобетонные конструкции». Госстрой Росии. - М.:
ФГУП ЦПП, 2004
. Байков В.Н., Сигалов Э.Е.,
«Железобетонные конструкции: Общий курс. Учебник для вузов». - М.: Стройиздат,
1991
. Зайкин А.И.,
«Проектирование железобетонных конструкций многоэтажных промышленных зданий:
Учеб. пособие». - М.: АСВ, 2005
|
СПЕЦИФИКАЦИЯ
ЖЕЛЕЗОБЕТОННЫХ ЭЛЕМЕНТОВ
|
|
Наименование
элемента
|
Марка
|
Габариты
элемента, мм
|
Количество,
шт
|
Вес
элемента, т
|
Примечание
|
|
|
Сечение
|
Длина
|
|
|
|
|
Плиты
|
П1
|
1485х220
|
5550
|
276
|
2,53
|
|
|
Колонны
|
К1
|
400х400
|
8000
|
28
|
3,26
|
|
|
К2
|
400х400
|
7000
|
56
|
2,85
|
|
|
К3
|
400х400
|
8000
|
8
|
3,26
|
|
|
К4
|
400х400
|
7000
|
16
|
2,85
|
|
|
Ригели
|
Р1
|
450х400
|
5500
|
81
|
2,47
|
|
|
СПЕЦИФИКАЦИЯ
СТАЛИ НА АРМАТУРНЫЕ ЭЛЕМЕНТЫ
|
|
Элементы
|
Поз.
|
Наименование
|
Кол.
|
Масса
ед. кг
|
|
С1
|
2
|
Ø5Вр,
l=1470, ГОСТ
5781-82*
|
68
|
0,226
|
|
3
|
Ø5Вр,
l=5510, ГОСТ
5781-82*
|
6
|
0,849
|
|
С2
|
4
|
Ø5Вр,
l=300, ГОСТ
5781-82*
|
8
|
0,046
|
|
5
|
Ø5Вр,
l=1540, ГОСТ
5781-82*
|
2
|
0,237
|
|
П1
|
|
Ø12A-I,l=1000,
ГОСТ 5781-82*
|
4
|
0,888
|
|
1
|
|
Ø12A-V,l=5550,
ГОСТ 5781-82*
|
8
|
4,43
|
|
СПЕЦИФИКАЦИЯ
НА ПЛИТУ ПЛ1
|
|
Поз.
|
Обозначение
|
Наименование
|
Кол.
|
Масса
ед. кг
|
Примечание
|
|
Арматура
|
|
С1
|
КП-002.ПГС-420.
КЖ
|
Сетка
арматурная
|
1
|
20,5
|
|
|
С2
|
КП-002ПГС-420.
КЖ
|
Сетка
арматурная
|
3
|
0,842
|
|
|
П1
|
КП-002ПГС-420.
КЖ
|
Ø12A-I,l=1000,
ГОСТ 5781-82*
|
4
|
0,888
|
|
|
1
|
|
Ø12A-V,l=5550,
ГОСТ 5781-82*
|
8
|
4,43
|
|
|
|
Материалы
|
|
|
|
|
|
Бетон
В30
|
1,37
|
|
м3
|
|
СПЕЦИФИКАЦИЯ
НА РИГЕЛЬ Р1
|
|
Поз.
|
Обозначение
|
Наименование
|
Кол.
|
Масса
ед. кг
|
Примечание
|
|
Арматура
|
|
КР1
|
КП-003.
ПГС-420. КЖ
|
Каркас
плоский
|
2
|
49,159
|
|
|
1
|
|
Ø6A-I,l=165,
ГОСТ 5781-82*
|
14
|
0,222
|
|
|
2
|
|
Ø12A-III,l=5400,
ГОСТ 5781-82*
|
7
|
0,89
|
|
|
3
|
|
Ø6A-I,l=4240,
ГОСТ 5781-82*
|
8
|
0,222
|
|
|
|
Материалы
|
|
|
|
|
|
Бетон
В30
|
|
2,85
|
м3
|
|
СПЕЦИФИКАЦИЯ
СТАЛИ НА АРМАТУРНЫЕ ЭЛЕМЕНТЫ
|
|
Элементы
|
Поз.
|
Наименование
|
Кол.
|
Масса
ед. кг
|
|
1
|
Ø12
A-III,l=5340,
ГОСТ 5781-82*
|
1
|
4,74
|
|
2
|
Ø25
A-III l=5400,ГОСТ
5781-82*
|
2
|
20,79
|
|
3
|
Ø25
A-III, l=4240,ГОСТ
5781-82*
|
2
|
16,324
|
|
4
|
Ø25
A-III, l=500,
ГОСТ 5781-82*
|
2
|
1,925
|
|
5
|
Ø36
A-III, l=600,
ГОСТ 5781-82*
|
1
|
4,794
|
|
6
|
Ø12A-III,l=390,
ГОСТ 5781-82*
|
26
|
0,346
|
|
7
|
Ø12A-III,l=270,
ГОСТ 5781-82*
|
4
|
0,24
|
|
СПЕЦИФИКАЦИЯ
СТАЛИ НА АРМАТУРНЫЕ ЭЛЕМЕНТЫ
|
|
Элементы
|
Поз.
|
Наименование
|
Кол.
|
Масса
ед. кг
|
|
Рабочая
арматура
|
1
|
Ø28A-III,l=5600,
ГОСТ 5781-82*
|
4
|
27,48
|
|
2
|
Ø8
A-III l=370,ГОСТ
5781-82*
|
48
|
0,146
|
|
Отгибы
|
3
|
Ø25
A-III, l=2070,ГОСТ
5781-82*
|
2
|
7,97
|
|
4
|
Ø25
A-III, l=2970,
ГОСТ 5781-82*
|
2
|
11,434
|
|
Хомут
|
5
|
Ø8
A-I, l=1070,
ГОСТ 5781-82*
|
8
|
0,423
|
|
6
|
Ø6
A-I,l=370, ГОСТ
5781-82*
|
36
|
0,082
|
|
СПЕЦИФИКАЦИЯ
НА РИГЕЛЬ К1
|
|
Поз.
|
Обозначение
|
Наименование
|
Кол.
|
Масса
ед. кг
|
Примечание
|
|
Арматура
|
КП-004.
ПГС-420. КЖ
|
Каркас
пространственный
|
1
|
104,928
|
|
|
5
|
|
Ø8
A-I, l=1070,
ГОСТ 5781-82*
|
8
|
0,423
|
|
|
6
|
|
Ø6
A-I,l=370,
ГОСТ 5781-82*
|
36
|
0,082
|
|
|
|
Материалы
|
|
|
|
|
|
Бетон
В30
|
|
1,03
|
м3
|
|
СПЕЦИФИКАЦИЯ
СТАЛИ НА АРМАТУРНЫЕ ЭЛЕМЕНТЫ
|
|
Элементы
|
Поз.
|
Наименование
|
Кол.
|
Масса
ед. кг
|
|
Рабочая
арматура
|
1
|
Ø25A-III,l=5640,
ГОСТ 5781-82*
|
2
|
27,48
|
|
2
|
Ø8
A-III l=350,ГОСТ
5781-82*
|
30
|
0,146
|
|
3
|
Ø25
A-III, l=350,ГОСТ
5781-82*
|
10
|
7,97
|
|
4
|
Ø16
A-III, l=3780,
ГОСТ 5781-82*
|
1
|
11,434
|
|
5
|
Ø16
A-III, l=2840,
ГОСТ 5781-82*
|
1
|
0,423
|
|
6
|
Ø14
A-III,l=600, ГОСТ
5781-82*
|
1
|
0,082
|
|
СПЕЦИФИКАЦИЯ
НА РИГЕЛЬ К1
|
|
Поз.
|
Обозначение
|
Наименование
|
Кол.
|
Масса
ед. кг
|
Примечание
|
|
Арматура
|
|
С1
|
КП-005.
ПГС-420. КЖ
|
Сетка
сварная плоская
|
1
|
10,95
|
|
|
С1
|
КП-005.
ПГС-420. КЖ
|
Сетка
сварная плоская
|
1
|
9,753
|
|
|
|
Материалы
|
|
|
|
|
|
Бетон
В15
|
|
0,975
|
м3
|