Проектирование и расчет конструкций сборных железобетонных и стальных элементов многоэтажного здания
Оглавление
Введение
. Задачи курсового проекта,
условия и объем работы
. Компоновка конструктивной
схемы и расчет несущих элементов здания в железобетонном исполнении
.1 Компоновка каркаса здания
.2 Расчет плиты перекрытия
.2.1 Общие данные
.2.2 Расчет плиты перекрытия
по прочности нормальных сечений
.2.3 Расчет плиты перекрытия
по сечению наклонному к продольной оси элемента при действии поперечной силы
.2.4 Расчет полки плиты на
местный изгиб
.2.5 Расчет плиты перекрытия
на монтажную нагрузку
.3 Расчет и конструирование
ригеля
.3.1 Расчет ригеля по
прочности нормальных сечений
.3.2 Расчет прочности ригеля
по сечениям наклонным к продольной оси элемента при действии поперечной силы
.3.3 Расчет ригеля по
наклонному сечению на изгибающий момент.
.4 Расчет и проектирование
колонны среднего ряда
.5 Расчет и конструирование
фундамента
. Компоновка конструктивной
схемы и расчет несущих элементов здания в стальном исполнении
.1 Несущие конструкции
каркаса
.2 Компоновка стального
каркаса
.3 Расчет балок настила
.4 Расчет главных балок
.5 Подбор полок сварного
двутавра
.6 Проверка главной балки по
первой и второй группе предельных состояний
.7 Расчет прочности сварного
соединения пояса и стенки главной балки
.8 Расчет колонны первого
этажа
.9 Расчет соединения главной
балки колонны
Список литературы
Введение
Многоэтажные промышленные здания служат для размещения различных
производств - легкого машиностроения, приборостроения, цехов химической,
электротехнической, радиотехнической, легкой промышленности и др., а также
базисных складов, холодильников, гаражей и т. п.
В зависимости от многих факторов многоэтажные здания имеют различные
конструктивные схемы. Различают многоэтажные промышленные здания каркасные и с
неполным каркасом.
В каркасных зданиях конструкции четко разделены на несущие и ограждающие,
что дает возможность применять наиболее целесообразные материалы и значительно
снизить массу строительного объекта. Каркас обеспечивает широкие возможности
планировочных решений, что особенно важно для производственных зданий.
Здания с неполным каркасом возводят с наружными несущими крупноблочными
или кирпичными стенами и внутренним каркасом.
Многоэтажные промышленные здания проектируют, как правило, каркасными с
навесными панелями или самонесущими кирпичными стенами.
Конструктивные элементы каркасных многоэтажных зданий - колонны, балки,
ригели, плиты междуэтажных перекрытий, вертикальные связи, объединенные в
пространственную систему, воспринимают все нагрузки и передают их через
фундаменты на грунт.
Высоту промышленных зданий обычно принимают по условиям технологического
процесса в пределах от 3 до 7 этажей (при общей высоте до 40м), а для некоторых
видов производств с нетяжелым оборудованием, устанавливаемым на перекрытиях, до
12…14 этажей. Ширина промышленных зданий может быть равной 15…36 м и более.
1.
Задачи курсового проекта, условия и объем работы
Цель курсового проекта - закрепить теоретические знания, научиться
работать с нормативной и технической литературой, совершенствовать навыки
выполнения и чтения строительных чертежей.
Исходные данные для проектирования:
Габариты здания:
· длина = 70 м
· ширина = 18,6 м
· сетка колонн 6,2*7,0
· высота этажа - 5,4 м
· количество этажей - 4
Нагрузка:
· пол - 1,35 кПа
· длительная - 8,4 кПа
· кратковременная - 1,4 кПа
Материалы:
· бетон - В30
· арматура - А-IV
В состав курсового проекта входит проектирование (расчет и
конструирование) конструкций сборных железобетонных и стальных элементов
многоэтажного здания.
Заданием предусматривается проектирование следующих элементов:
ребристой плиты перекрытия;
сборного разрезного ригеля;
сборной средней колонны 1-го этажа;
монолитного железобетонного фундамента стаканного типа;
стальной балки перекрытия;
стальной колонны.
2.
Компоновка конструктивной схемы и расчет несущих элементов здания в
железобетонном исполнении
2.1 Компоновка
каркаса здания
Каркас состоит из колонн, фундаментов, ригелей и плит перекрытия
(покрытия). Необходимо назначить размеры всех этих элементов.
Наружные стены здания предполагается выполнить из самонесущих кирпичных
стен с «нулевой» привязкой. Толщину стен можно принять равными 510мм, в
предположении дополнительного наружного утепления. Наиболее выгодной компоновка
считается, когда наиболее нагруженный элемент перекрытия (ригель) расположен в
поперечном направлении.
По местоположению в перекрытии различают плиты рядовые (П1), межколонные
(П2). Кроме того в здании предусматриваются доборные плиты (П3).
Рядовые плиты перекрытия П1 и межколонные П2 в проекте необходимо
принимать ребристыми с номинальной шириной bп от 1200 до 2000 мм, ширину доборных плит П3 можно принимать
от 600 до 1000 мм (рисунок 2.1.1).
Высоту всех плит перекрытия назначают одну на все перекрытие. Высоту
плиты перекрытия можно приблизительно определить по формуле
при
этом высота плиты перекрытия должна быть кратна 50мм.
Для
заданного здания эти значения равны:
П1
- 9 шт по 1,5 м
м = 350 мм
П2
- 2 шт по 1,7 м
м
П3
- 2 шт по 0,85 м
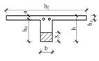
В проекте необходимо запроектировать ригель с нижними полками. Сечение
ригеля приведено на рисунке 2.1.3. Высоту сечения ригеля приблизительно можно
определить по формуле:
м = 620
мм
Ширину
ригеля можно принять равную:
мм
Консоль рассчитывается:
hp - hп =
620 - 350 = 270 мм (≥150)
Рисунок
2.1.3 - Сечение ригеля
Колонны
смешанных каркасов имеют квадратное сечение, размеры обычно не меняют по всей
высоте здания. Размер определяют по колоннам первого этажа. При расчетной
нагрузке на колонну свыше 2500кН - сечение 500×500.
Приблизительно
усилие в колонне можно определить по формуле:
N = (9,8 * 103 *
1,2 + 4) * 4 * 6,2 * 7 = 15,76 * 173,6 = 2735,94 кН => 500*500
где
Р - полная временная нагрузка (дано в задании);
В,
L - размер сетки колонн.
Для
полученного варианта компоновки этажа сборного перекрытия составляется
ведомость элементов (таблица 2.1.1).
Объем
бетона плиты перекрытия определяется по формуле:
Vп = 1,5 * 0,35
* 0,3 * 6,773 = 1,067 м3
где
- ширина плиты перекрытия;
- высота
плиты перекрытия;
- длина
плиты перекрытия;
- коэффициент
уменьшения объема бетона элементов.
Масса
плиты перекрытия определяется по формуле:
,
mп = 1,067 * 2,5
= 2,668 т
где
r=2,5 т/м3 - плотность тяжелого бетона
Объем
бетона ригеля определяется по формуле:
Vp = 0,158 * 5,7
= 0,9 м3
где
- площадь сечения ригеля, в м2;
- длина ригеля;
Ар
= 150 * 100 * 2 * hp * bp = 30000 * 620 * 207 = 158 340мм2 = 0,158м2
lp = b - bk =
6,2 - 0,5 = 5,7 м
Масса
ригеля определяется по формуле:
mp = 0,9 * 2,5 =
2,25 т
Объем
бетона колонны определяется по формуле:
,
Vk =
0,5 * 0,5 * 5,4 = 1,35 м3
где
- размер сечения колонны;
- высота
этажа
Масса
колонны определяется по формуле:
mk = 1,35 * 2,5
= 3,375 т
Таблица
2.1.1 - Ведомость элементов
|
Марка элемента
|
Наименование элемента
|
Кол-во элементов
|
Объем бетона элемента Vi,
м3
|
Объем бетона всех
элементов, м3
|
Масса элемента mi,
т
|
|
К1
|
Колонна средняя
|
176
|
1,35
|
237,6
|
3,375
|
|
Р1
|
Ригель средний
|
132
|
0,9
|
118,8
|
2,25
|
|
П1
|
Плита перекрытия рядовая
|
360
|
1,07
|
385,2
|
2,67
|
|
П2
|
Плита перекрытия
межколонная
|
80
|
1,21
|
96,7
|
3,025
|
|
П3
|
Плита перекрытия доборная
|
80
|
0,6
|
48,4
|
1,5
|
|
Итого:
|
|
1028
|
5,13
|
886,7
|
12,82
|
2.2 Расчет
плиты перекрытия
2.2.1 Общие
данные
Необходимо запроектировать рядовую ребристую плиту перекрытия П1 без
поперечных ребер. Сечение плиты перекрытия приведено на рисунке 2.2.1. Истинная
ширина плиты уменьшается на 10мм. Ширина ребра плиты назначается в зависимости
от пролета и нагрузки. Чем больше пролет и нагрузка на плиту, тем больше ширина
ребра.
Рисунок 3.1 - Сечение плиты перекрытия
2.2.2 Расчет
плиты перекрытия по прочности нормальных сечений
Основной расчет плиты перекрытия по первой группе предельных состояний
(по прочности) сводится к определению необходимой площади сечения растянутой
арматуры от эксплуатационных нагрузок.
Расчетная схема и эпюра моментов плиты перекрытия приведена на рисунке.
Рисунок 2.2.2 - Расчетная схема и эпюра моментов плиты перекрытия
Таблица 2.2.1 - Нагрузки на плиту перекрытия
В кПа
|
Нагрузки на плиту
перекрытия
|
Нормативное значение
|
gf
|
Расчетное значение
|
|
1. Собственный вес пола (по
заданию)
|
qn1 = 1,35
|
1,15
|
1,5525
|
|
2. Собственный вес плиты
перекрытия
|
qn2 = 2,626
|
1,1
|
2,889
|
|
3. Временная полная
(полезная) (по заданию)
|
qn3 = 9,8
|
1,2
|
11,76
|
|
Итого полная
|
Sqni
= 13,78
|
|
Sqi
= 16,2
|
Расчетные значения нагрузок определяются:
.
Значение
собственного веса пола определено заданием. Коэффициент надежности по нагрузке gf для пола
принят условно. Остальные значения коэффициентов согласно таблице 1 и пункта
3.2 СНиП 2.01.07-85* Нагрузки и воздействия /1/.
Нормативное
значение нагрузки от собственного веса плиты перекрытия:
= 10 * 
= 2,626
кПа
Нагрузка
q указанная на расчетной схеме определяется по формуле:
= 16,2 *
1,5 = 24,3 кПа
Расчетный
пролет плиты перекрытия равняется расстоянию между центрами площадок опирания.
Величину l0 можно определить по рисунку 2.2.3.
Рисунок
2.2.3 - Расчетный пролет плиты перекрытия
Расчет
плиты перекрытия необходимо выполнять на максимальное значение изгибающего
момента, возникающего в середине пролета:
= 
= 135,66
кН*м,
где
l0 = lп - 90 мм = 6773 - 90 = 6683 мм Плита перекрытия имеет
П-образное сечение для выполнения расчета его необходимо преобразовать в
тавровое сечение.
Тавровое
сечение в зависимости от прохождения сжатой зоны рассчитывается двумя
способами: сечение прямоугольного вида (сжатая зона проходит в полке); сечение
таврового вида (сжатая зона заходит в ребро).
Для
определения места прохождения границы сжатой зоны необходимо определить
граничное значение изгибающего момента, при котором высота сжатой зоны x
равняется
:
Для
расчета необходимо назначить первоначальное значение расчетной высоты равное
, изначально, а можно принять равным 30…50мм.
h0 = 350 - 50 =
300 мм = 0,3 м
Мгр
= 17 * 103 * 1,49 * 0,05 * (0,3 - 0,5 * 0,05) = 348,3 кН*м
М
≤ Мгр, сечение можно считать как прямоугольное.
Рисунок
2.2.4 - Расчетное сечение плиты перекрытия
Значение
ширины ребра b таврового сечения определяется как сумма ребер плиты
перекрытия
= 2*100 = 200 мм
Значение
, вводимое в расчет, принимают из условия, что ширина
свеса полки в каждую сторону от ребра bsv должна быть не более 1/6
пролета элемента l0 и не более:
а)
при
-
;
h’f =
50 мм, 0,1 * 350 = 35 мм
bsv = 
мм
б)
при
-
В
качестве продольной арматуры, устанавливаемой по расчету, используется арматура
класса А500, диаметр арматуры применяется не более 32мм, количество стержней
допустимо применять 2 или 4. При этом предпочтение отдается двум стержням.
Для
определения требуемого значения площади арматуры необходимо определить площадь
арматуры:
,
A0 = 
= 59,52
* 10-3 = 0,0595 м2
где Rb - расчетное сопротивление бетона
осевому сжатию, определяется по марке бетона (В30), Rb = 17,0 МПа;
По полученному значению определяем значение относительной высоты сжатой
зоны по формуле
.
ξ = 1 - 
= 1 -
0,938 = 0,0613
По
таблице 3.3 определяем граничное значение относительной высоты сжатой зоны xR (xR = 0,502)
Таблица
3.3 - Граничные значения относительной высоты сжатой зоны
|
Класс арматуры
|
А300
|
А400
|
А500
|
|
Значение xR
|
0,577
|
0,531
|
0,502
|
|
AR
|
0,411
|
0,390
|
0,376
|
,0613 ≤ 0,502
,
следовательно, бетона сжатой зоны достаточно, можно определить требуемую
площадь сечения арматуры, предварительно определив значение коэффициента h по формуле
h = 1 - 0,5 * 0,0613
= 0,969
Требуемая
площадь арматуры:
,
Аs,тр
= 
= 1,072
* 10-3 м2 = 10,7 см2
где Rs - расчетное сопротивление бетона
продольному сжатию, Rs =435 МПа
По требуемой площади арматуры подбирается количество и диаметр арматуры.
Общая площадь подобранной арматуры должна быть равна или больше требуемого
значения.
Принято 2 стержня, ds =
28 мм, Asw = 12,32 см2.
В железобетонных элементах площадь сечения продольной растянутой
арматуры, в процентах от площади сечения бетона, равной произведению ширины
прямоугольного сечения либо ширины ребра таврового (двутаврового) сечения на
рабочую высоту сечения,
следует
принимать не менее 0,1%.
µs = 
= 205,33
* 10-4 = 0,02 * 100% = 2%
После
подбора арматуры необходимо выполнить проверку возможности ее размещения в
сечении (смотри рисунок 2.2.5).
Рисунок
2.2.5 - К определению минимального защитного слоя
Согласно
конструктивным требованиям для сборных элементов, эксплуатируемых в закрытых
помещениях величину защитного слоя (t) для продольной рабочей
арматуры можно принять ds ≤
t ≥ 15 мм.
Минимальное расстояние между стержнями для нижней арматуры необходимо применять
не менее 25мм и не менее диаметра.
t = 
= 
= 36 мм
При
принятой арматуре с помощью As и условий размещения арматуры (аф) следует определить
несущую способность элемента при
= 350 -
50 = 300 мм
x = 
= 211,58
* 10-4 м = 21 мм , 21 < h’f, 21 мм < 50 мм
x ≤ xR * h0, х ≤ 0,1506, 0, 021 ≤ 0,1506
Mult = 17 * 106
* 1,49 * 0,021 * (0,3 - 0,5 * 0.021) = 0,289 * 0,532 * 106 = 0,1537 * 106 =
153,7 кН*м
Mult > M
,7
> 135,66 => площадь сечения арматуры достаточна.
2.2.3 Расчет
плиты перекрытия по сечению наклонному к продольной оси элемента при действии
поперечной силы
Расчет плиты перекрытия по наклонному сечению к продольной оси элемента
выполняется на полную эксплуатационную нагрузку. Расчетная схема плиты
перекрытия приведена на рисунке ниже
Максимальное значение поперечного усилия в плите перекрытия можно
определить по формуле:
Q = 
= 81,19
кН
h0 = 0,3 м, a =
50 мм
В
первую очередь необходимо выполнить расчет плиты перекрытия по бетонной полосе
между наклонными сечениями по формуле:
,
где
- коэффициент, принимаемый равным 0,3; Q -
максимальное значение поперечной силы в плите перекрытия.
,19
* 103 ≤ 0,3 * 17 * 106 * 0,2 * 0,3
,19
* 103 ≤ 306 * 103 условие выполняется
Рисунок 2.2.7 - Расчетное сечение при расчете плиты перекрытия по
наклонному сечению
Далее выполняется расчет железобетонных элементов по наклонным сечениям
на действие поперечных сил.
Армирование здесь производится неравномерно, т. к. поперечная арматура,
устанавливаемая в ребра, идет с определенным шагом. Диаметр поперечных стержней
назначают не менее чем 0,25×ds, где ds -
наибольший диаметр продольных стержней. Шаг поперечных стержней Sw на ¼ длины от опоры назначается не более
0,5×h0 (0,5*0,3 = 0,15 м) и не более 0,3
м. Кроме того шаг поперечной арматуры должен быть не более. В средней части
плиты перекрытия шаг стержней назначается 0,75×h0 и не более 500мм.
Sw,max =

= 0,25 м
dw =
0,25 * ds = 0,25 * 28 мм = 7 мм
Выбираем наименьшее значение из 0,3, 0,15 и 0,25 => Sw = 0,15 м
Sw,сер
= 0,75 * 0,3 = 0,225 м, округляем в меньшую сторону => Sw,сер = 0,2 м
стержня на 1 шаг, Asw =
1,01 * 10-4 м, dsw = 8 мм
Расчет
изгибаемых элементов по наклонному сечению выполняется по упрощенному методу,
приравняв значение величины проекции наиболее опасного наклонного сечения на
продольную ось с значению рабочей высоты сечения
, из
условия:
где
Q1 - поперечная сила в нормальном от внешней нагрузки наклонном сечении с
длиной проекции с на продольную ось элемента.
-
поперечная сила, воспринимаемая бетоном в наклонном сечении, определяемая по
формуле:
Qb1 = 0,5 * 1,15
* 106 * 0,2 * 0,3 = 34,5 * 103 Н = 34,5 кН
-
поперечная сила, воспринимаемая поперечной арматурой в наклонном сечении,
определяется по формуле:
;
- усилие
в поперечной арматуре на единицу длины элемента
= 
= 202 *
103 = 202 кН
Qsw,1 = 202 *
103 * 0,3 = 60,6 кН
Значение интенсивности армирования должно быть не менее чем
кН
≥ 0,25 * 1,15 * 106 * 0,9 * 0,2
кН
≥ 50 кН условие выполняется
Q1 ≤
Qb1 + Qsw,1
,19 кН ≤ (34,5 + 60,6) кН
,19 кН≤ 95,1 кН => условие выполняется, диаметр арматуры
подходит.
2.2.4 Расчет
полки плиты на местный изгиб
В проекте рассматривается ребристая плита перекрытия только с продольными
ребрами. Продольные ребра плиты перекрытия соединяются между собой полкой,
которая имеет толщину 50мм. Полка плиты является изгибаемым элементом,
закрепленным в ребрах плиты. Необходимо рассчитать полку плиты и определить
необходимую арматуру в ней для обеспечения ее прочности.
Рисунок 2.2.8 - Расчетная схема полки плиты
Расчетная схема полки плиты - балка с двумя «заделками» с учетом
податливости опор максимальное значение момента возникает в середине пролета и
равняется:
;
l0 = bп - 270 = 1500 - 270 = 1,23 м
Рисунок
2.2.9 - Расчетный пролет полки плиты
Расчет
выполняется в следующем порядке. Определяется требуемое значение арматуры в
середине пролета по моменту М1, а затем точно такая же арматура устанавливается
на опорах.
Таблица
2.2.4 Расчет нагрузки действующей на полку плиты перекрытия, кПа
|
Нагрузки на полку плиты
перекрытия
|
Нормативное значение
|
gf
|
Расчетное значение
|
|
1. Собственный вес пола (по
заданию)
|
qn1 = 1,35
|
1,15
|
q1 = 1,55
|
|
2. Собственный вес полки
плиты перекрытия
|
qn2 = 1,25
|
1,1
|
q2 = 1,375
|
|
3. Временная полная
(полезная) (по заданию)
|
qn3 = 9,8
|
1,2
|
q3 = 11,76
|
|
Итого полная
|
Sqni
= 12,4
|
|
Sqi
= 14,685
|
,
где
-толщина полки плиты, равная 50мм,
- удельный вес бетона, 25кН/м3.
Нагрузка
q указанная на расчетной схеме определяется по формуле:
M1 = 
= 2,019
кН*м
Расчетное
сечение полки плиты представляет прямоугольник с толщиной 50мм и шириной,
равной одному метру.
Рисунок
2.2.10 - Расчетное сечение полки плиты перекрытия
Для
армирования полки плиты применяется арматура В500 диаметром 3…12мм. Значение
величины а принимается равным 20мм.
= 
=
132*10-6 м = 0,132 м
По
полученному значению определяем значение относительной высоты сжатой зоны по
формуле
По
таблице 3.3 определяем граничное значение относительной высоты сжатой зоны.
ξ = 1 - 
= 0,142
ξR = 0,502
Значение
=> бетона сжатой зоны достаточно и можно
определить требуемую площадь сечения арматуры, предварительно определив
значение коэффициента h по формуле
h = 1 - 0,5*0,142 =
0,929
Требуемая
площадь арматуры:
= 
= 0,166
* 10-3 м = 1,66 см2
Необходимое
количество стержней на один метр и соответствующий шаг стержней указаны в
таблице 2.2.5.
Таблица
2.2.5
|
Количество стержней
|
5
|
6
|
8
|
10
|
|
Шаг стержней, мм
|
250
|
200
|
150
|
125
|
100
|
Назначено 5 стержней с шагом 200 мм. Из этого следует, что ds = 7 мм, As = 1,93 см2.
Подбираем конструктивную поперечную арматуру. Диаметр принимается от 3 до
5 мм, выбираем d = 4 мм. Шаг
конструктивной арматуры назначим 250 мм.
Растянутая зона:
x = 
≤ h’f
,0049
м ≤ 0,03 м
2.2.5 Расчет
плиты перекрытия на монтажную нагрузку
Кроме расчета плиты перекрытия на эксплуатационные нагрузки их необходимо
рассчитывать на нагрузки, возникающие при изготовлении и транспортировке.
Рисунок 2.2.11 - Подъем плиты перекрытия
Расчетная схема работы плиты перекрытия при подъеме приведена на рисунке
2.2.12.
Рисунок 2.2.12 - Расчетная схема плиты перекрытия при подъеме
При подъеме плиты перекрытия в верхней зоне плиты перекрытия появляются
растягивающие напряжения и, как следствие, необходимо подобрать арматуру в
верхнею зону плиты.
Плиту перекрытия поднимают за петли, установленные на расстоянии
приблизительно 0,2×lп (принимаемое значение должно быть кратно 50мм).
,2 * 6700 = 1340 мм => принимаем 1300 мм
При подъеме на плиту действует нагрузка только от собственного веса плиты
с учетом динамического коэффициента kд=1,4.
q = 10 × mп × kд / lп =
10 * 2,67 * 1,4 / 6,7 = 5,5 кН,
где
- масса плиты перекрытия в тоннах;
- длина плиты.
Расчетное
сечение при подъеме плиты перекрытия указанно на рисунке.
Расчетное
сечение представляет собой тавр с растянутой полкой, следовательно, считаем как
прямоугольное сечение с шириной b. Первоначальное значение величины а приняли равным
30мм. Количество стержней, которое рекомендуется устанавливать в качестве
монтажной - два.
Для
определения требуемого значения площади арматуры необходимо выполнить следующие
расчеты.
М
= 0,2 * lп *q * 0,1 * lп = 0,02 * 5,5 * 103 * 6,72 =
5,06 кНм
= 
= 20,4 *
10-3 = 0,02 м2,
где
b = 200 мм, а = 30 мм, h0 = h - a =
300 - 30 = 270 мм
По
полученному значению определяем значение относительной высоты сжатой зоны по
формуле
ξ = 1 - 
= 0,02; ξR = 0,502
По таблице 3.3 определяем граничное значение относительной высоты сжатой
зоны.
Значение
, размеров сжатой зоны достаточно, можно определить
требуемую площадь сечения арматуры, предварительно определив h по формуле
= 1 -
0,5*0,02 = 0,99
Требуемая
площадь арматуры:
По
требуемой площади арматуры подбирается количество и диаметр арматуры. Общая
площадь подобранной арматуры должна быть равна или больше требуемого значения.
Ширина
сетки С2 рядовой плиты считается по формуле:
Принимаем
шаг, равный 250 мм, считаем количество стержней:

=>
принимаем 4 стержня (2 +1 в сгибе +1 внизу)
ds = 5 мм, As =
0,784 см2
Необходимо
произвести проверку сжатой зоны:

≤ hf’ ,
где b = 0,2 м 
= 0,01 м
≤ 0,03 м
x ≤ ξR * ho , где ho = 0,27 м
0,01≤ 0,502 * 0,27 0,01 ≤ 0,136= Rb*b*x*(hф -
0,5x) = 17*106*0,2*0,01(0,27 - 0,5*0,01) = 9 кНм > M, 9кНм > 5 кНм проверка пройдена
Для
сетки С2 подбираем поперечную конструктивную нерабочую арматуру таким образом,
чтобы ее диаметр был на 2 мм меньше ds. Таким образом, dsw =
5 мм - 2 мм = 3 мм. Шаг выбран равный 250 мм.
Далее
необходимо проверить минимальный процент армирования и допустимость размещения
арматуры. Для подъема плиты предназначены 4 петли. Петли обычно изготавливают
из арматуры класса А240. Вид петель приведен на эскизе в таб. 2.2.7.
Диаметр
петель можно определить по таб. 2.2.6. При этом нормативное усилие,
приходящееся на 1 петлю, определяется из условия:
= 2,67
*10/3 = 8,89 кН
Выбранные
параметры выделены в таблицах цветом
|
Диаметр стержня, мм
|
6
|
8
|
10
|
12
|
14
|
16
|
18
|
20
|
22
|
25
|
28
|
32
|
|
Нормативное усилие, кН
|
1
|
3
|
7
|
11
|
15
|
20
|
25
|
31
|
38
|
49
|
61
|
80
|
Таблица 2.2.7
|
Эскиз
|
Обозначение
|
Размеры, мм
|
|
|
d
|
6…12
|
14…18
|
20…22
|
25…32
|
|
R
|
30
|
30
|
40
|
60
|
|
r
|
20
|
30
|
40
|
60
|
|
a1
|
30
|
50
|
70
|
100
|
|
a2
|
75
|
115
|
155
|
230
|
|
hl
|
60+d=72
|
60+d
|
80+d
|
150+d
|
Таблица 2.2.8 - Анкеровка петель в бетоне lan (согласно эскизу таблицы 3.7)
|
Прочность бетона на сжатие
в момент первого подъема изделия, МПа
|
Длина запуска в бетон lan
|
|
по а эскиза таблицы 3.7
|
по б эскиза таблицы 3.7
|
|
От 7 до 10
|
35d
|
25d
|
|
Свыше 10 до 20
|
30d = 360 мм
|
20d
|
|
Свыше 20
|
25d
|
15d
|
2.3 Расчет и
конструирование ригеля
2.3.1 Расчет
ригеля по прочности нормальных сечений
Расчетная схема и эпюра моментов ригеля приведена на рисунке.
Расчет нагрузки, действующей на плиту перекрытия, приведен в таблице.
Таблица 2.3.1 В кПа
|
Нагрузки на ригель
|
Нормативное значение
|
gf
|
Расчетное значение
|
|
1. Собственный вес пола (по
заданию)
|
qn1 = 1,35
|
1,15
|
q1 = 1,553
|
|
2. Собственный вес плиты
перекрытия (таб 2.2.1)
|
qn2 = 2,63
|
1,1
|
q2 = 2,89
|
|
3. Собственный вес ригеля
|
qn3 = 0,568
|
1,1
|
q3 = 0,624
|
|
4. Временная полная
(полезная) (по заданию)
|
qn4 = 9,8
|
1,2
|
q4 = 11,76
|
|
Итого полная
|
Sqni
= 14,35
|
|
Sqi
= 16,83
|
Нормативное значение нагрузки от собственного веса ригеля:
= 2,25 *
10 / 5,66 * 7 = 0,568 кПа
где
- масса ригеля в тоннах (см пункт 2.1); lр
-длина ригеля в м; L - расстояние между ригелями в осях по конструктивной
схеме перекрытия, м.
Нагрузка
q, указанная на расчетной схеме, определяется по
формуле:
= 16,83
* 7 = 117,78 кНм
Расчетная
длина ригеля равняется расстоянию между серединами площадок опирания. Величину
расчетной длины плиты перекрытия l0 можно определить по рисунку.
l0 = lp -
130 = 5,66 - 0,13 = 5,53 м
M = 
= 117,78
* 5,532 / 8 = 450 кНм
Расчет
ригеля по нормальному сечению необходимо выполнять на максимальное значение
изгибающего момента, возникающего в середине пролета.
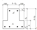
Сечение
ригеля имеет тавровый вид (рис 2.3.3), полки находятся в растянутой зоне.
Данное сечение необходимо рассчитывать как прямоугольное.
Рисунок
2.3.3
При
расчете ригеля нужно учесть арматуру в сжатой зоне, что уменьшит размеры
сечения ригеля. Задаемся конструктивной арматурой в сжатой зоне - не менее 2
стержней d = 10мм, As’=1,57 см2. Для армирования
ригеля применяем арматуру А500.
При
расчете изгибаемого элемента с двойной арматурой несущая способность элемента Mult
складывается из момента, воспринимаемого сжатым бетоном Mb, и
воспринимаемого сжатой арматурой
.
.
= 435 *
106 * 1,57 * 10-4 * 0,57 = 38,93 кНм приняли a = 30 мм, a’ =
20 мм, ho = hp - a = 0,62 - 0,03 = 0,59 м
=
17*106*0,207*0,296*(0,59 - 0,5*0,296) = 460,4 кНм
где
- граничное значение сжатой высоты зоны, определяется
по формуле
= 0,502
* 0,59 = 0,296 м
Mb > M,
460 > 450 => устанавливаем 2 стержня d = 10 мм, As’=
1,57 см2.
Подбираем
диаметр сжатой арматуры при двух или трех стержнях так, чтобы
было больше
и тогда
требуемая площадь растянутой арматуры равняется:
= 
=
0,0025м = 25 см2
Подобрали
4 стержня ds = 32 мм, As = 32,17 см2. Схема
размещения-рис 2.3.4.
После
подбора арматуры необходимо выполнить проверки возможности ее размещения и
достаточности прочности.
Далее
необходимо окончательно проверить несущую способность сечения с учетом
подобранной арматуры.
Несущая
способность сечения равняется:
=0,56*106+435*106*1,57*10-4*0,552
= 597 кНм
= 
= 0,378
м,
aниж = 1,5 * d =
48 мм
h0 = hp - a =
0,62 - 0,048 = 0,572 м
, 0,378 ≥
0,296 => значение
принимают равным
= 0,296
Рисунок
2.3.4 - Схема размещения стержней в растянутой зоне для 4 стержней
Mult > M,
597 кНм > 450 кНм => прочность сечения достаточна.
2.3.2 Расчет
прочности ригеля по сечениям наклонным к продольной оси элемента при действии
поперечной силы
Расчет ригеля по сечению наклонному к продольной оси элемента выполняется
на полную эксплуатационную нагрузку. Расчетная схема ригеля приведена на
рисунке ниже.
Максимальное значение поперечной силы определяется по формуле:
Расчетное
сечение приведено на рисунке 2.3.6. Опасные наклонные сечения начинаются в углу
подрезки. Высота сечения здесь
, ширина
сечения равняется ширине ригеля b=bp. Расчетная высота сечения, вводимая в расчет,
определяется, как
. Значение а на первичном этапе можно принять равным
20мм.
Рисунок
2.3.6 - К расчету ригеля по наклонному сечению
Далее
расчет прочности ригеля по сечениям наклонным к продольной оси элемента при
действии поперечной силы выполняется так же, как и для плиты перекрытия (смотри
п. 2.2.3).
2.3.3 Расчет
ригеля по наклонному сечению на изгибающий момент
Для обеспечения прочности в растянутой зоне в опорной зоне устанавливают
дополнительную продольную арматуру, d которой определяют расчетом наклонных сечений на изгиб. Для надежного
анкерования ее приваривают к опорной закладной пластине толщиной ≥ 10 мм.
Расчет ригеля по наклонным сечениям на действие моментов (рисунок 2.3.7)
производят из условия
где М - момент в наклонном сечении с длиной проекции с на продольную ось
элемента;
- момент, воспринимаемый продольной арматурой, пересекающей
наклонное сечение, относительно противоположного конца наклонного сечения
(точка О);
- момент, воспринимаемый поперечной арматурой, пересекающей
наклонное сечение, относительно противоположного конца наклонного сечения
(точка О).
Момент
определяют по формуле
= 325,65
* 103 - 20,25*103 = 305,4 кНм
As,тр=
=
305,4*103/435*106*0,405 = 17,3 см2
где
- плечо внутренней пары сил,
= 0,9*0,45 = 0,405.
Момент
для поперечной арматуры, нормальной к продольной оси
элемента, определяют по формуле:
= 0,5 *
2*105*0,452=20,25 кНм,
где
-усилие в поперечной арматуре, принимаемое равным
,с =
0,45м
и
с принимают те же, что и в предыдущем расчете.
Главная задача в этом расчете определить требуемую площадь арматурного
анкера с площадью арматуры As1.
С этой целью определим значение внешнего изгибающего момента действующего
в опасном сечении по формуле:
=
325,65*103*0,515 = 167,7 кНм
l = h0
+65 = 450 + 65 = 515 мм
M ≤ Ms + Msw, 167,7 ≤ 305,4 + 20,25 условие не соблюдается,
нужно добавить 3й стержень в сжатую зону.
Рисунок 2.3.7 -К расчету ригеля по наклонному сечению на изгибающий момент
Назначено 3 стержня ds=28мм,
As,тр=18,47 см2.
Длина
зоны анкеровки, на которую должны быть заведены стержни (то есть длина
стержней) должна быть не менее
,
=1,27 м, 20×ds=560мм, 250мм.
Длина
определяется по формуле:
=
1*3,178*17,3*10-4/18,47*10-4=2,976 м
где
- коэффициент, учитывающий влияние на длину анкеровки
напряженного состояния бетона и арматуры и для растянутой арматуры
периодического профиля принимается равным
;
,
- площади поперечного сечения арматуры, соответственно
требуемая по расчету и фактически установленная;
-
базовая (основная) длина анкеровки, необходимая для передачи усилия в арматуре
с полным расчетным сопротивлением Rs на бетон, определяют:
=
435*106*18,47*10-4/2,875*106*87,92*10-3=3,178 м
где
и
-
соответственно площадь поперечного сечения анкеруемого стержня арматуры и
периметр его сечения, определяемые по номинальному диаметру стержня;
- расчетное сопротивление сцепления арматуры с бетоном,
принимаемое равномерно распределенным по длине анкеровки и определяемое по
формуле:
=2,5*1*1,15*106=2,875
МПа
здесь
- расчетное сопротивление бетона осевому растяжению по
первой группе предельных состояний, равное 1,15 МПа;
- коэффициент, учитывающий влияние вида поверхности
арматуры, принимаемый равным 2,5 для горячекатаной арматуры периодического
профиля;
- коэффициент, учитывающий влияние размера диаметра
арматуры, принимаемый равным 1,0 при диаметре арматуры ds < 32 мм.
Из 4х значений lan
выбираем 2,98 м.
2.4 Расчет и
проектирование колонны среднего ряда
Колонны среднего ряда воспринимают только вертикальные нагрузки.
Вертикальная сила N на колонну действует только со случайным эксцентриситетом
ea. Значение ea принимается большим из трех величин: h/30, l0/600 и 10 мм (где
h - высота сечения колонны, l0 - расчетная длина). Поскольку случайный
эксцентриситет может быть и справа, и слева от оси, армирование колонны
принимается симметричным: Аs=Аs'. В качестве основной арматуры колонны
необходимо применять арматуру А300 или А400, в качестве поперечных стержней арматуру
В500.
Расчетная длина колонны первого этажа l0 определяется по формуле l0=0,7×Hк. Высоту колонны Hк можно принять равной высоте этажа Hэ.
l0=0,7*5,4
= 3,78 м
Для элементов прямоугольного сечения при расчетной длине l0 < 20h и
симметричной арматуре расчет на внецентренное сжатие со случайным
эксцентриситетом допускается выполнять из условия:
, 2,61*103 ≤ 4*106
где Nult - предельное значение продольной силы, которую может воспринять
элемент, определяемое по формуле:
=
0,9*(4,25*106+0,196*106)=4*106 Н
где
As,tot - площадь всей продольной арматуры в сечении элемента,
j - коэффициент
определяемый по таблице 5.1 в зависимости от отношений l0/h=3,78/0,5
= 7,56
Таблица
2.4.1 - Определение коэффициента j
|
6101520
|
|
|
|
|
|
Φ
|
0,92
|
0,9
|
0,83
|
0,7
|
Определим значения действующих усилий в колонне первого этажа. Полное
усилие в колонне первого этажа определим по формуле:
=
[17,68*3 + 7,04]*6,2*7 = 2607,47 кН
где
nэт - количество этажей здания (определено заданием); B, L -
размер сетки колонн, м.
Таблица
2.4.2 - Нагрузка на колонну
|
Наименование нагрузки
|
Нормативное значение
|
gf
|
Расчетное значение
|
|
1 Собственный вес пола
(определено в задании)
|
qn1=1,35
|
1,15
|
q1=1,55
|
|
2 Собственный вес плиты
перекрытия qn2=2,631,1q2=2,89
|
|
|
|
|
3 Собственный вес ригеля , L - расстояние между ригелями в осяхqn3=0,5681,1q3=0,624
|
|
|
|
|
4 Собственный вес колонны qn4=0,781,1q4=0,855
|
|
|
|
|
5 Временная полная
(полезная)
|
qn5=9,8
|
1,2
|
q5=11,76
|
|
6 Собственный вес кровли
(условно принимается равным собственному весу пола)
|
qn6=1,35
|
1,15
|
q6=1,55
|
|
7 Временная снеговая для г.
Улан-Удэ
|
qn7=0,8
|
1,4
|
q7=1,12
|
Расчет стержня колонны
Для проверки прочности стержня колонны первоначально уточним размеры
сечения колонны по формуле.
=
= 0,121 м2, 0,25 м2 ≥ 0,121 м2
где
- коэффициент армирования сечения, первоначально
можно принять равным 0,01; значение коэффициента j - для данной
формулы можно принять равным 1.
Для
армирования колонн применяется арматура класса А500.
Требуемое
значение площади арматуры можно определить по формуле:
=
Значение
получилось отрицательным потому, что армирование не требуется, но принимаем
минимальное армирование.
Для
армирования колонны приняли 4 стрежня ds= 12 см2, As =
4,52 см2.
Необходимо
проверить конструктивные требования при армировании сечения.
Коэффициент армирования в процентах
должен
быть не менее 0,1 % - при
и 0,25 % - при
.
µ
= 4,52/0,25*104*100% = 0,181 %
Все необходимые проверки сходятся, значит, подобраны оптимальные
элементы.
Поперечная арматура в колонне устанавливается конструктивно в
соответствии с требованиями: шаг поперечных стержней не более 15×d=15*12=180 мм => шаг = 150мм ≤
500мм. Диаметр поперечных стержней должен быть dsw
≥
0,25×ds,= 3см2, выбран dsw= 5 cм2. Поперечные стержни устанавливаются для обеспечения
продольными стержнями устойчивости, то есть предотвратить боковое выпучивание
стержней.
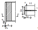
Расчет консоли колонны
Опирание ригеля на колонну осуществляется через короткие скрытые консоли.
Общий вид и армирование консоли колонны приведены на рис 2.4.1. Так как консоли
имеют достаточно малые размеры, то их армирование осуществляется с помощью
жесткой арматуры, состоящей из пластин 1, соединенных между собой арматурными
стержнями 2, 3, 4, и закладными деталями 5.
На консоли колонны действует сосредоточенное усилие Q от опорной реакции ригеля.
Действующее усилие вызывает растяжение в арматурных стержнях 2 и сжатие в
пластинах 1.
Рисунок 2.4.1 - Консоль колонны
Усилие, действующее в пластине 1 определяется по формуле:
=
325,65*103 / 0,707 = 460,6 кН,
тогда
требуемая площадь пластины 1 равняется:
=
460,6*103/240*106 = 19,2 см2
где
Ry - расчетное сопротивление стали пластины. Для пластины
используется сталь С245, тогда Ry=240МПа.
Площадь
сечения пластины равняется
, где t -
толщина пластины, =>
t = A/h = 19,2/9,2 = 2,087 см,
t/2 = 1,04см, где
.
=> h = h1*sin450 = 130*sin450 = 9,2 см
Требуемая
площадь сечения арматурных стержней 2 равняется
где
Ns - растягивающее усилие в стержне 2, определяемое по
формуле
Назначено
2 стержня, ds=22 cм2, As=7,6 см2
Нижние
стержни 3 и 4 принимают обычно такого же диаметра, что и стержни 2.
Стык
колонн
Колонны
сборного каркаса обычно изготавливают на два или один этаж. Стык колонн
выполняется на расстоянии 600мм от уровня пола.
Вид
стыка колонны приведен на рисунке 2.4.2.
Рисунок
2.4.2 - Оголовок колонны
Закладная
деталь, устанавливаемая в верхней части оголовка колонны, являющаяся площадью
сжатия, должна иметь размеры не более
bloc £ b/3, bloc≤
500/3, bloc=170 мм
Размер
ячейки сеток косвенного армирования а больше 100мм, считается: а = (b-40мм)/5
= 92 мм, принимаем а = 90, округляя в меньшую сторону
Шаг
сеток косвенного армирования должен быть не более 150мм и не более b/3. b/3 ≥
S ≤ 150 мм,
принимаем S=150 мм.
Расстояние,
на котором устанавливаются сетки,
ld³20×ds, ld = S*3 = 150*3=450мм ≥ 20*12
= 240мм, 450>240
где
ds - диаметр продольных стержней колонны. Количество
сеток-не менее 4.
2.5
Расчет и конструирование фундамента
В курсовом проекте в качестве фундаментов под колонны предлагается
запроектировать центрально-нагруженные столбчатые фундаменты стаканного типа.
Фундаменты предлагается запроектировать монолитные из бетона класса В15, в
качестве основной несущей арматуры принимается арматура А500.
Так как фундаменты центрально-нагруженные, то их обычно изготавливают
симметричными (подошва имеет квадратную в плане форму).
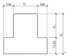
Количество ступеней (см. рис 2.5.1) назначают в зависимости от высоты
фундамента h: в моем случае h = 900 мм, назначено 3 ступени.
Минимальная высота одной ступени 300мм. Размеры ступеней проектируются такими,
чтобы контур фундамента (см. рисунок 2.5.1) находился снаружи усеченной
пирамиды, верхним основанием которой служит опорное сечение колонны, а грани
наклонены под углом 45о.
Рисунок 2.5.1 - Фундамент стаканного типа трехступенчатый
Глубина заложения фундамента в курсовом проекте условно назначена 1500мм.
Расчетное сопротивление грунта R0 -
задано в задании.
Глубина стакана hgl
принимается равной
= 500 +
50 = 550 мм,
где
b - размер сечения колонны. Толщина дна стакана
принимается не менее 200мм во избежание ее продавливания в процессе монтажа
колонны.
Минимальную
площадь подошвы фундамента можно определить по формуле:
=
2,27*106 / (300*103- 20*103*1,5) = 8,4 м2
где
Nn - нормативное значение усилия действующего от колонны
на фундамент (приблизительно можно принять равным Nn=N/1,15=2,27*106Н),
N - продольное усилие в колонне первого этажа;
-
усредненный удельный вес фундамента и грунта на уступах фундамента равный
20кН/м3;
Н0
- глубина заложения фундамента (в курсовом проекте принято 1,5м).
Так
как для центрально-нагруженных фундаментов предполагается квадратная подошва,
тогда минимально допустимый размер фундамента bф можно
определить как:
= 2,89
м, принимаем bф,min=3 м, кратно 300 мм
Площадь
фундамента будет равняться
= 9 м2
Минимальная
высота всего фундамента под сборную колонну по конструктивным соображениям
определяется как:
.
Минимальная
высота фундамента из условия среза определяется как:
где
N - расчетное усилие, действующее на фундамент от
колонны;
-
интенсивность давления грунта на подошву фундамента, определяемая как
=
2,61*106/9 = 0,29 * 106
а
- расстояние от грунта до равнодействующей в растянутой арматуре, принимается
равной 50мм.
Высоту
фундамента h назначают как большую из
и
при этом
она должна быть кратна 150мм. Таким образом, h = 900 мм.
Рабочая
высота нижней ступени фундамента h1,0 определяется:
= 0,224,
где
с
= 
h1,0 = h - a =
300 - 50 = 250 мм, h1,0>0,224
h0 = hф -
50 = 900 - 50 = 850 мм
Величины
lo,I, l0,II, l0,III вычисляются:
lo,I = hст + с -50 = 300+400-50=650 мм,II=
hст + lo,I = 650 + 300 = 950 мм0,III = hст + l0,II = 300 + 950 = 1250 мм
Для
определения площади сечения арматуры в нормальных сечениях I-I, II-II, III-III
определяют расчетные моменты в этих сечениях как для консольной балки,
интенсивность давления грунта на подошву фундамента
. Величина этих моментов равняется:
Требуемая
площадь сечения арматуры определяется по приближенной формуле:
=
184*103/0,9*0,25*435*106=18,79 см2
=
392,6*103/0,9*(2*0,3-0,05)*435*106=18,23 см2
=
679,7*103/0,9*0,85*435*106= 20,43 см2
Сетки
для армирования фундамента подбираются по Аs=max(As,I, As,II, As,III).
Так
как внутренний момент, возникающий в подошве фундамента, определялся на всю
ширину фундамента, то и требуемая площадь арматуры определяется на всю ширину
фундамента. Требуемую площадь сечения одного стержня можно определить по
формуле:
= 
где
s - шаг стержней в подошве фундамента, принят равным
150мм.
По
требуемому значению площади сечения одного стержня
определяется необходимый диаметр рабочих стержней при
назначенном шаге. При этом в связи с тем, что фундамент центрально нагружен
стержни в продольном и поперечном направлении одинаковы.
Назначен
d = 12 мм, As=1,13 см2.
3.
Компоновка конструктивной схемы и расчет несущих элементов здания в стальном
исполнении
.1 Несущие
конструкции каркаса
Во второй части курсового проекта необходимо запроектировать основные
несущие конструкции стального каркаса (стальные главные балки, балки настила и
колонны).
В курсовом проекте конструкция перекрытия состоит из балочной клетки,
которая поддерживается колоннами, опирающиеся на отдельно стоящие фундаменты.
Балочная клетка представляет собой систему несущих балок, расположенных
по взаимно перпендикулярным направлениям.
В общем случае БК состоит из настила, балок настила, главных балок.
Рабочий настил в балочных клетках может проектироваться из стальных
листов, железобетонным - из сборных панелей или монолитной плиты.
В курсовом проекте предполагается рассчитать двутавровые стальные колонны
и перекрытия типа «балочная клетка».
3.2 Компоновка
стального каркаса
Наружные стены здания, как и для железобетонного каркаса, предполагается
выполнить из самонесущих кирпичных стен. Толщину стен можно принять равными
510мм, в предположении дополнительного наружного утепления.
Главные балки и балки настила в перекрытиях зданий проектируются из
прокатных двутавров.
В курсовом проекте толщина железобетонной плиты может быть принята в
зависимости от нагрузки и шага балок ai согласно таблице 3.1.
Таблица 3.1
|
Нормативная нагрузка, кН/м2
|
Толщина плоской
железобетонной плиты hпл, при шаге балок настила ai, см
|
|
120
|
150
|
175
|
200
|
225
|
250
|
|
5-10
|
50
|
50-60
|
60-70
|
70-80
|
80-90
|
90-100
|
|
10-15
|
60-70
|
60-70
|
70-80
|
80-90
|
90-100
|
100-110
|
Нормальная нагрузка = длительная + кратковременная = 8,4 + 1,4 = 9,8 кПа
Шаг балок настила - a =
155 мм, B = 6,2 м, L = 7,0 м
Количество плит = 4
hпл =
60 мм = 0,06 м
3.3 Расчет
балок настила
Расчетная схема балок настила представлена на рисунке 3.2.
На балку действует равномерно распределенная нагрузка, собираемая с шага
а балок настила (в метрах).
Рисунок 3.2
Расчетное значение нагрузки qБ2 указанной на расчетной схеме определяется
где а - шаг балок настила.
Расчетную длину балок настила l02 можно принять равной величине L, расстоянию между осями главных балок Б1
Таблица 3.2 - Нагрузка на балку настила
|
Наименование нагрузки
|
Нормативное значение
|
gf
|
Расчетное значение
|
|
1 Собственный вес пола
|
qn1=1,35
|
1,15
|
q1=1,553
|
|
2 Собственный вес настила
|
qn2=1,5
|
1,1
|
q2=1,65
|
|
3 Собственный вес балок
настила Б2
|
qn3=0,2
|
1,05
|
q3=0,21
|
|
5 Временная полная
|
qn4=9,8
|
1,2
|
q4=11,76
|
|
Итого:
|
Sqni=12,85
|
|
Sqi=15,17
|
Нормативное значение нагрузки от собственного веса настила qn1 можно определить по формуле:
=
2,5*10*0,06 = 1,5 кПа
где
- толщина железобетонного настила в метрах, r=2,5т/м3 - плотность тяжелого бетона.
Нормативное
значение нагрузки от собственного веса балок настила принимается приближенно,
первоначально можно принять 0,15…0,25кПа (принято 0,2).
Расчетный изгибающий момент и требуемый момент сопротивления при упругой
стадии работы материала равны соответственно:
=
23,52*103*72 / 8 = 144 кНм;
= 144*103
/ 240*106*1 = 600 см3,

,
144*103/662,2*10-6*240*106 = 0,906, 0,906 < 1
где
Ry - расчетное сопротивление стали, 240 кН/см2,
- коэффициент условий работы конструкции, для данного
случая равен 1.
По
требуемому моменту сопротивления из сортамента подбирают ближайший больший
номер двутавра. Предпочтительно нормальные двутавры типа Б по ГОСТ 26020-83.
Подобран
двутавр 35Б2:
Wy = 662,2 см3
h = 349 мм
b = 155 мм t =
10 мм
Sx = 373 см3
Ix = 11550 см4
Проверку касательных напряжений в прокатных балках при отсутствии
ослабления сечений, как правило, не производят из-за относительно большой
толщины стенок прокатных балок.
Проверка предельного состояния второй группы прокатных балок (проверка
жесткости) проводится путем сравнения относительного прогиба от нормативной
нагрузки f/l с допустимым по нормам:
f/l£ [f/l]
Для балки на двух опорах с равномерно распределенной нагрузкой возможно
применить следующую формулу:
,
7/208,33<0,00374
При
пролете l=3м допустимый прогиб равен l/150, при l=6м
- l/200, при l=12м - l/250, для промежуточных
значений допустимый прогиб определяется линейной интерполяцией. (l =
7м => l/208,33).
3.4
Расчет главных балок
На главную балку действуют сосредоточенная нагрузка от балок настила. Так
как количество сосредоточенных сил в обычных случаях 5 и более, то допускается
рассчитывать главную балку от условной равномерно распределенной нагрузки.
Расчетная схема главных балок представлена на рисунке.
На балку действует условная равномерно распределенная нагрузка,
собираемая с шага главных балок L.
Для определения нагрузки действующей на главные балки выполнен сбор
нагрузок.
Таблица 3.3 - Сбор нагрузки на главную балку В кПа
|
Наименование нагрузки
|
Нормативное значение
|
gf
|
Расчетное значение
|
|
1. Собственный вес пола
|
qn1=1,35
|
1,15
|
q1=1,553
|
|
2. Собственный вес настила
|
qn2=1,5
|
1,1
|
q2=1,65
|
|
3. Собственный вес балок
настила
|
qn3=0,279
|
1,05
|
q3=0,273
|
|
4. Собственный вес главных
балок
|
qn4=0,4
|
1,05
|
q4=0,42
|
|
5. Временная полная
|
qn5=9,8
|
1,2
|
q5=11,76
|
|
Итого:
|
Sqni=13,33
|
|
Sqi=15,68
|
Нормативное значение нагрузки от собственного веса настила qn1:
=
0,06*10*2,5=1,5 кПа,
где
- толщина железобетонного настила в метрах, r=2,5т/м3.
Нормативное
значение нагрузки от собственного веса балок настила определяется по формуле:
=
43,3/1,55*100=0,279 кПа,
где
p-линейная плотность принятого сечения балок настила (в
данном случае 43,3кг/м);
а
- шаг балок настила.
Нормативное
значение нагрузки от собственного веса главных балок принимается приближенно,
первоначально принято 0,4 кПа.
Расчетное
значение нагрузки qБ2 , указанной на расчетной схеме, определяется:
,
В
связи с тем, что минимально допустимая величина высоты сечения колонны
равняется 200мм, то с некоторым запасом расчетную длину главных балок l01
можно принять равной величине l01=В-200мм=6,2м - 0,2м = 6 м, где В - расстояние между
колоннами в осях.
Максимальное значение расчетного изгибающего момента определяется:
= 62*109,76/8
= 493,92 кНм
По
максимальному значению момента действующего в главной балке определяется
требуемый момент сопротивления главной балки.
=
493,92*103/1*240*106 = 2060 см3,
где
Ry - расчетное сопротивление стали, кН/см2.
Обеспечивающая
минимальный расход стали оптимальная высота балки:
hopt = 
= 1,15*
Гибкость
стенки:
λw = hw/tw = 0,1*l01/0,008 = 0,6/0,008 = 75,
где
t - толщина стенки, определяется из таблицы ниже, t = 8
мм;
k = 1,2 - 1,15
для сварных балок
Наряду
с оптимальной высотой балки необходимо определить hmin -
минимальную высоту, которая обеспечивает требуемую жесткость балки (или
допустимый прогиб)
hmin = 
=
5*240*106*5*419,89*103*200 / 24*2,06*1011*493,92*103 = 0,2776 м, где
Mn = 
=
13,33*7*62/8 = 419,89 кНм
Высоту
балки принимаем больше, чем hmin и меньше, чем hopt => h =
500 мм.
Толщина
стенки t должна быть t ≥ hw/160
t ≥ 0,5/160 = 3,125 мм
Но,
так как наименьшая толщина = 8 мм, оставляем t = 8 мм
3.5 Подбор
полок сварного двутавра
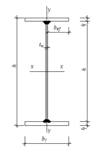
Подбор сечения поясов осуществляется в следующем порядке: считаем, что hw
= h = 0,5м и момент инерции стенки равен:
=(tw*h^3)/12 = 0,8*503 / 12 = 8333 см3
Требуемый момент инерции полок (пренебрегая собств. моментами инерции)
= Jтр - Jw = 51500 - 8333 = 43 167 см4, гдетр = Wтр*h/2 = 2060 * 50/2 =
51500 см4
Требуемая площадь полок:
= Wтр/h - tw*h/6 = 2060/50 - 0,8*50/6 = 34,53 см2
Имея требуемую площадь, считаем толщину поясного листа:
= 1/3*h = 1/3*500 = 166,67 мм, но,
минимальная толщина обычно применяется равной 180 мм, поэтому bf = 180
мм.
Для того, чтобы определить толщину полки, необходимо определить требуемую
площадь для 1 полки: Af / 2
= 17,27 см2
tf =
2*tw = 8*2 = 16 мм
Из условия обеспечения местной устойчивости сжатого пояса отношение
ширины свеса bef к толщине пояса tf не должно превышать
где
bef = 
= 86 мм
/16
≤ 0,5 * 
, 5,375 ≤
14,65
Для
дальнейших расчетов определим фактические геометрические характеристики сечения
Jy = 1557,33 см4
Wx = 1755,131 см3 Jx = 46686,485 см4
Далее необходимо проверить прочность подобранного сечения:
ϭx = 
=
493,92*103 / 1755,131*10-6 = 281 МПа
ϭ
≤ Ry*γc = 240*106*1 => сечение не проходит, значит, нужно изменить
параметры двутавра.
Конечные
размеры двутавра:
|
Стенка
|
Полка
|
|
hw = 600 мм
|
bf = 200 мм
|
|
tw = 8 мм
|
tf = 16 мм
|
В результате, геометрические характеристики двутавра:
|
Jx = 98997,33 см4 Jy
= 3551,893 см4
|
Wx = 3093,667 см3 Wy
= 322,899 см3
|
Делаем проверку заново:
ϭx = 493,92*103/3093,667*10-6 = 159,7
МПа
,7 ≤ 240 => проверка пройдена успешно.
3.6 Проверка
главной балки по первой и второй группе предельных состояний
железобетонный стальной
многоэтажный здание
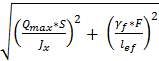
Проверка касательных напряжений
Проверку касательных напряжений производят по нейтральной оси для
опорного сечения (уменьшенного).
Sx = Af *y1 + 1/2 *Aw *y2 , где
y1 - ½*hw +
½*tf =
600/2 + 16/2 = 308 мм
y2 = ¼*hw =
600/4 = 150 мм= 985,6 + 360 = 1345,6 см2
Qmax = 
=
109,76*103*6/2 = 329,28 кН
329,28*103*1345,6*10-6
/ 138,6*106*1*98997*10-8*8*10-3 = 0,403 => 0,403<1
где
Rs - расчетное сопротивление стали срезу,
Rs = Ry/γm =
245*106/1,025 = 138,6 МПа
Проверка
местных напряжений на стенку
Эту
проверку проводят для стенки в точке приложения сосредоточенной нагрузки к
верхнему поясу:

,
где
lef = b + 2bf = 155 + 32 = 187 мм;
F = Qmax
*2 = 
164,5 кН
,5*103/16*10-3*1*240*106*187*10-3
= 0,229
,229
≤ 1 проверка пройдена успешно
Проверка
общей устойчивости балки
Производится
по формуле из таблицы 3.5
lef = l01 =
6 м, 6/0,2 = 30 м
≤
[0,35+0,0032*12,5 + (0,76 - 0,02*12,5) * 0,2/6,032] * 
11,5
Делаем
перерасчет

,
где
γс = 0,95; φb - коэффициент
устойчивости, который высчитывается по формуле φb = 0,68 + 0,21φ1 (φ1 определяется величиной α).
φ1 = ψ
= 2,578
* 
0,886 ,
ψ = 2,25 + 0,07α =2,578, а α=1,54
=1,54 
= 4,68
,1
α 
40
φb = 0,68 + 0,21
* 0,886 = 0,866
,4*106

228*106
проверка пройдена успешно
Проверка
местной устойчивости верхнего пояса
Эта
проверка выполняется по условию подбора сечения балки.
Проверка
местной устойчивости стенки
Стенка
главной балки представляет собой длинную тонкую пластину, испытывающую действие
касательных и нормальных напряжений, которые могут вызвать потерю ее
устойчивости. Наиболее эффективным способом повышения устойчивости стенки
является укрепление ее ребрами жесткости. Ребра жесткости делят стенку на
отсеки, которые могут потерять устойчивость независимо друг от друга.
Устойчивость
стенок главной балки не требуется проверять, если условная гибкость не
превышает 2,5 при наличии местного напряжения в балках с двусторонними поясными
швами.

w = 
=0,6/0,008
* 
= 2,56
> 2,5 =>
вводим
ребра жесткости
При

w ≤
3,2 расстояние между основными поперечными ребрами не должно превышать 2,5hef =
2,5 * 0,6 = 1,5 м.
Шаг
ребер S = ½a,
где а = 1,55. S = ½*1,55
= 0,775 м
Размеры
сечения ребер жесткости определяются по формулам:
Ширина:
bh = 
+ 40 мм
= 600/30 + 40 = 60 мм = 0,06 м
Толщина:
ts = 2bh*
=
2*0,06* 
= 4,1 мм
= 0,0041 м
Ребра
жесткости сварных балок прикрепляют швами высотой 4…6 мм. В местах примыкания
ребер жесткости к поясам углы ребер должны иметь скосы с размерами по высоте 60
и ширине 40 для пропуска поясных швов.
Проверка
балки по второй группе предельных состояний (по деформациям).
Включает
в себя определение прогиба, который не должен превышать допустимое значение.
fmax = 
≤ fu, fu =
1*l01/200 = 6/200 = 0,03 м

*
≤
0,03, где (p+q) = Q = 13,33*103*6 = 79,98 кН
,0066
м ≤ 0,03 м проверка пройдена
3.7 Расчет
прочности сварного соединения пояса и стенки главной балки.
Поясные швы выполняются непрерывными, с одинаковым катетом по всей длине
балки автоматической или полуавтоматической сваркой.
Сдвигающее пояс усилие на единицу длины:
T1 = 
,
T1 = 
= 986,9
кН/м2
Условия
прочности на срез сварных швов:
1) По металлу шва


, 0,561
1
пройдено, где
βf, βz - коэффициенты, зависящие от
положения шва. Определяется по таблице №39 СНиПа II-23-81. βf = 1,1, βz =
1,15;
kf - катет
сварного шва. Назначается по таблице № 38 СНиПа II-23-81. kf =
4мм.
Rwf, Rwz -
расчетное сопротивление. Определяется по таблице №4 СНиПа II-23-81.
Rwf = 200 МПа
(Сварка производится автоматической сваркой, сварочная проволока марки
Св-08ГА); Rwz = 0,45Run= 166,5 МПа, где Run - расчетное
сопротивление стенки, равно 370 МПа.
γwf, γwz - коэффициент надежности сварных соединений, определяется по СНиП II-23-81.
γwf = 1, γwz = 1,025
2) По металлу границы сплавления


, 0,629 
1,
пройдено
3.8 Расчет
колонны первого этажа
Колонны воспринимают только вертикальные нагрузки. Вертикальная сила N на
колонну действует центрально.
Прочность центрально-сжатой колонны обеспечена, если выполняется условие:
,
, 0,888 ≤ 1,
где
N - усилие, действующее в колонне;
Ry - расчетное
сопротивление стали,
А
- площадь сечения колонны,
-
коэффициент условий работы конструкции, равен в данном случае 1,
j - коэффициент, определяемый по таблицам приложения Г методических
указаний, в зависимости от расчетного сопротивления применяемой стали и
гибкости колонны lmin.
Гибкость колонны lmax
принимается минимальной одной из:
=
λmax = 50,13
=
где
l0x, l0y - расчетная длина колонны соответственно по оси х, у;
исходя из условий работы колонны в курсовом проекте l0x=l0y и
определяется по формуле l0i=0,7×Hк=3,78м.
Высоту
колонны Hк можно принять равной высоте этажа Hэ=5,4
м;
,
- радиус инерции сечения колонны соответственно по
оси х, у.
Определим значения действующих усилий в колонне первого этажа. Полное
усилие в колонне первого этажа определим по формуле:
=
(46,25+4,7 8)*6,2*7 = 2214,7 кН
|
Наименование нагрузки
|
Нормативное значение
|
gf
|
Расчетное значение
|
|
1. Собственный вес пола
|
qn1=1,35
|
1,15
|
q1=1,553
|
|
2. Собственный вес настила
|
qn2=1,5
|
1,1
|
q2=1,65
|
|
3. Собственный вес балок
настила
|
qn3=0,279
|
1,05
|
q3=0,293
|
|
4. Собственный вес главных
балок
|
qn4=0,153
|
1,05
|
q4=0,161
|
|
5. Временная полная
(полезная)
|
qn5=9,8
|
1,2
|
q5=11,76
|
|
6. Собственный вес кровли
|
qn6=1,35
|
1,15
|
q6=1,553
|
|
7. Временная снеговая
нагрузка для г. Улан-Удэ
|
qn7=0,8
|
1,4
|
q7=1,12
|
Нормативное значение нагрузки от собственного веса главных балок:
, где p -
погонная нагрузка
p = Sk*ps =
136*10-4*7850 = 106,76 кг/м (ps - объемный вес стали)
Требуемую площадь сечения колонны можно определить по формуле:
=
Для
определения первоначального значения коэффициента необходимо первоначально
задаться гибкостью колонны l: при нагрузке до 1500¸2500кН (2214,7кН) и высотой 5,4 м можно задаться
гибкостью l=100…70, по заданному значению гибкости стержня l определяем коэффициент продольного изгиба j по Приложению Г методических указаний.
l=70 => j = 0,754
По
требуемому значению площади колонны подбирается сечение прокатного колонного
двутавра К по ГОСТ 26020-83.
Двутавр
30К2
h = 300 мм
b = 300 мм
S = 10 мм t = 15,5 мм= 13,06 см=
7,54 см
r = 18 мм
Марка стали для колонны, принимается в соответствии с заданием.
Для принятого сечения колонны определена λ и φ в начале расчета.
После проверки недонапряжение в курсовом проекте допускается до 15%.
(1-0,888)*100% = 0,112*100% = 11,2% <15%
Все требования выполнены, расчет считается законченным.
3.9 Расчет
соединения главной балки колонны
Сопряжение балок со стальной колонной осуществляется путем их соединения
сбоку. Такое соединение является шарнирным, передающим опорную реакцию балки на
колонну. Пример опирания балки на колонну приведен ниже.
Конец балки в месте опирания ее на опору укрепляют опорным ребром,
считая, что вся опорная реакция передается с балки на опору через это опорное
ребро. Ребра жесткости прикрепляют к стенке балки сварными швами, а торец ребер
жесткости строгают для непосредственной передачи опорного давления на колонну.
Размер опорных ребер жесткости определяют обычно из расчета на смятие торца
ребра при условии, а £ 1,5×tr (а = 1,5*16 = 24 мм) по формуле:
=
где
Fb - опорная реакция главной балки, определяемая по
формуле:
Rp = Run /
γm = 370*106/1,025 = 361 МПа
По
конструктивным соображениям tr ³ 16мм, br ³ 180мм. Принимаем минимальные значения.
Рисунок
3.6 - Расчетное сечение условной стойки опорного ребра
Опорную
часть балки проверяют как условную центрально сжатую стойку.
,
, 0,342 ≤ 1,
,
с
= 0,65*8*
= 0,152
м
Необходимые
условия выполняются.
Кроме
того, необходимо проверить прочность на срез сварных швов, соединяющих опорное
ребро и стенку главной балки, по формуле:
0,32 ≤
1
0,343 ≤
1
Опорный
лист приваривается к колонне двумя продольными сварными швами. Толщина опорного
листа tr принимается на 15¸20мм больше
толщины опорного ребра балки
. Ширина
опорного листа br принимается не менее чем на 40мм больше ширины
опорного ребра балки. Высота опорного листа определяется из условия сварного
соединения по формулам:
= 16 +
15 = 31 мм, br = 180 + 40 = 220 мм
Высота
ребра принимается кратно 10мм. Назначено h1 = 170 мм.
Во
избежание смещения опорного ребра главной балки с опорного листа
устанавливаются монтажные болты на максимально допустимом расстоянии (8×d) =
8*20 = 160 мм, диаметр болтов обычно принимают 20мм.
Список
литературы
1. СНиП II-23-81*. Строительные нормы и
правила. Стальные конструкции. М., 1991.
2. ГОСТ
26020-83. Двутавры стальные горячекатаные с параллельными гранями полок. М.,
1983.
. Методические
указания к выполнению курсового проекта «Конструкции многоэтажного
промышленного здания», А.А. Новоселов, А.Я. Неустроев, Кафедра «Здания,
строительные конструкции и материалы», СГУПС, Новосибирск, 2008.