Кран мостовой
Сибирская
государственная автомобильно-дорожная академия
кран мостовой
ПОЯСНИТЕЛЬНАЯ
ЗАПИСКА
КМ.02.08.00.00
ПЗ
Содержание
Введение
1. Расчёт механизма подъёма груза
.1 Выбор схемы полиспаста
.2 Определение тягового усилия
полиспаста в канате
.3 Выбор гибкого элемента (каната)
.4 Определение основных размеров
барабана
.5 Проверка барабана на прочность
.6 Расчёт крепления каната на
барабане
.7 Расчёт грузовой подвески
.7.1 Выбор подшипника блока по
коэффициенту динамической работоспособности
.7.2 Расчёт оси блока
.7.3 Выбор крюка и расчёт гайки
крюка
.7.4 Выбор подшипника под гайку
крюка
.7.5 Расчет траверсы
.7.6 Расчет щеки
.6 Определение мощности и выбор
электродвигателя
.6.1 Проверка двигателя по пусковому
моменту
.7 Выбор редуктора
.8 Выбор муфты зубчатой с тормозным
шкивом
.9 Выбор тормоза
. Механизм передвижения самоходной
тележки
.1 Выбор кинематической схемы
.2 Выбор ходового колеса
.3 Определение сил сопротивления
.4 Определение мощности и выбор
электродвигателя
.4.1 Проверка двигателя по пусковому
моменту
.5 Проверка механизма передвижения
по коэффициенту запаса сцепления
.6 Выбор стандартных элементов
.6.1 Выбор редуктора
.6.2 Выбор муфты
.6.3 Выбор тормоза
Вывод
Библиографический список
Приложение
Введение
Цель курсовой работы по грузоподъёмным машинам
спроектировать кран мостовой.
Цель данной работы - освоение основных расчётов
грузоподъёмных машин на примере крана мостового.
Главными задачами студента являются:
освоение методов расчёта крановых механизмов и
их приводов;
выбор на основе этих расчетов нормализованных и
стандартных сборочных единиц, их рациональная компоновка;
закрепление сведений о данном кране при
выполнении и оформлении технических документов курсовой работы.
Механизмы должны удовлетворять требованиям
надежности, удобства монтажа и демонтажа, обслуживания, безопасности. Все
расчеты должны выполняться с соблюдением требований правил Ростехнадзора
России.
. Расчёт механизма подъема груза
Рисунок 1. Кинематическая схема МПГ /4/.
где 1-электродвигатель,2-муфта-тормоз,
3-устройство замыкания тормоза, 4- редуктор, 5- барабан, 6-гибкий элемент,
7-полиспаст.
.1 Выбор схемы полиспаста
Определяем ориентировочную кратность полиспаста
:
; (1)
где Q-грузоподъемность
крана, т.
Принимаем сдвоенный полиспаст,
кратностью равной 3 ,
:
Рисунок 2. Схема полиспаста/5/.
.2 Определение тягового усилия каната
Максимальное усилие Fб
(кН)в ветви каната, набегающее на барабан, определяют из расчётной зависимости:
(2)
где
-номинальная грузоподъёмность крана;
Fб-сила
натяжения каната, кН;
g-ускорение
свободного падения;
-количество ветвей на барабане;
=2 для сдвоенного полиспаста;
-КПД полиспаста.
; (3)
-КПД блока,
=0, 99.
t-количество
блоков, t=5.
1.3 Выбор гибкого элемента(каната)
кран мостовой барабан канат
Выбор каната производится по разрушающей
нагрузке, которая определяется по формуле /2/:
Н; (4)
где
- коэффициент запаса прочности, для
группы режима крана М6, zр=5,6.
где Fб-сила
натяжения каната
Канат выбираем по разрушающей
нагрузке :
Рисунок 3. Эскиз сечения каната
=17,5 мм,
- диаметр
каната;
Канат 17,5-Г-I-Н-1568
ГОСТ 7665-80.
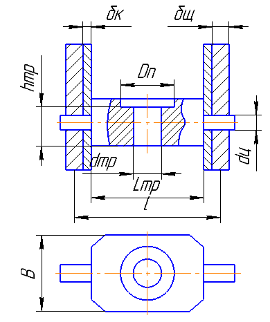
1.4 Определение основных размеров барабана
Определение диаметра барабана:
мм; (5)
- диаметр каната,
=17,5 мм;
- коэффициент выбора диаметра, для
группы режима М6
=20.
Рисунок 4.Схема барабана для
сдвоенного полиспаста
Определение длины барабана:
мм; (6)
- длина буртика;
- длина нарезной части барабана;
- расстояние между двумя нарезными
частями барабана;
=200…300 мм;
Длины определяются по формулам :
мм.
мм. (7)
- общее количество витков винтовой
канавки;
- шаг винтовой канавки.
Определение общего количества витков
винтовой канавки :
(8)
- количество рабочих витков;
- количество витков для крепления
конца каната,
=3;
- количество запасных витков,
=3.
Определение количества рабочих
витков :
(9)
Определение шага винтовой канавки :
мм. (10)
мм.
(1:5)
Рисунок 5. Профиль канавок на барабане.
Определение основных размеров сечения барабана:
мм . (11)
мм. (12)
мм.
(13)
мм. (14)
- толщина стенки стального барабана,
мм;
= (10…30)мм.
Принимаем
.
.5 Проверка барабана на прочность
При длине барабана
цилиндрическую
стенку следует проверять на совместное действие изгиба и кручения
; (15)
где
суммарный момент;W- момент
сопротивления сечения барабана;
допускаемый предел прочности, для
стального барабана
=80 МПа;
Суммарный момент определяют по
формуле
; (16)
где
-изгибающий момент;
-крутящий
момент;
Изгибающий момент определяют по
формуле:
; (17)
Крутящий момент определяют по
формуле:
; (18)
Момент сопротивления сечения
барабана определяют по формуле:
(19)
Условие
выполняется.
.6 Расчет крепления каната на
барабане
Крепление каната к барабану
осуществляем накладными планками (рис. 6)
- планка; 2 - канат; 3 - барабан; 4
- гайка.
Рисунок 6 - Схема крепления каната к
барабану
Определение расчетного натяжения
каната :
; (20)
где
- основание
натурального логарифма,
;
- угол обхвата барабана,
;
- коэффициент трения между канатом и
барабаном,
…0,12
Примем
.
Н. (21)
Определение усилия прижатия каната к планкам :
Н. (22)
Где
-приведенный коэффициент трения
между канатом и планкой,
;
К - коэффициент запаса надежности
крепления каната к барабану;
принимаем К=1,3;
m-
коэффициент, учитывающий эйлерову силу за счет крепежных витков;
принимаем m=3.
Определение усилия болта , принимаем
= 14 мм:
Н. (23)
где
- допускаемое напряжение,
Па .
-внутренний диаметр резьбы,
мм /5/.
Определение количества планок :
(24)
Принимаем 2 планки.
1.7 Расчет грузовой подвески
-радиальный шарикоподшипик блока,
2-ось блока, 3-блок,4-щеки,5-стопорная планка,6-упорный
шарикоподшипник,7-траверса,8-крюк однорогий,9-болты ригелей,10-регели.
Рисунок 7. Схема грузовой подвески
.7.1 Выбор подшипника блока по
коэффициенту динамической работоспособности
; (25)
где
- приведенная нагрузка на подшипник,
Н;
- частота вращения блока, мин
;
- срок службы блока в часах,
час;
=3-для шарикоподшипника.
Определение нагрузки на подшипник :
; (26)
где
- максимальная нагрузка на подшипник
,Н ;
- коэффициент переменности нагрузки
,
;
- коэффициент, учитывающий вращение
наружного кольца ,
;
-коэффициент, учитывающий тип
механизма ,
;
-коэффициент, учитывающий
температурный режим ,
;
; (27)
где
- количество блоков на оси
.
-количество подшипников
.
.
Подставим значения
.
Определение частоты вращения блока :
мин-1 . (28)
где
- скорость подъема груза,
=0,4 м/с;
- кратность полиспаста
-диаметр блока
мм;
- коэффициент выбора диаметра блока;
=22,4.
Тогда:
Н;
По справочнику /5/ выбираем
подшипник 310,
Установочные размеры:
мм,
мм,
кН,
мм.
Рисунок 8. Эскиз радиального
подшипника
.7.2 Расчет оси блока
Рисунок 9.Расчетная схема для
определения диаметра оси блока.
=
мм. (29)
где
- длина между опорами блока;
- количество блоков на оси;
;
- толщина блока,
;
- толщина кожуха,
=2мм;
-толщина щеки,
= (5…20) мм,
примем
=10 мм.
Определим изгибающий момент:
Н·м; (30)
Диаметр оси блока
определим
из уравнения :
м;
(31)
где
- допустимое напряжение,
Па .
Из конструктивных соображений
принимаем подшипник 319, /5/.
мм,
мм,
кН,
мм.
.7.3 Выбор крюка и расчет гайки
крюка
Рисунок 10. Эскиз однорогого крюка.
Номер заготовки крюка № 18,
наибольшая грузоподъёмность Q=16т.
Диаметр резьбы
Тр70х10.
Наружный диаметр
и высоту
гайки крюка
определяют по формулам:
(32)
где
- диаметр гайки крюка, мм;
- наружный диаметр резьбы на
хвостовике крюка,
;
Высоту гайки проверяют из условия напряжения
смятия по формуле :
(33)
где hг - высота
гайки крюка с учетом проверки на смятие, мм;
p - шаг
резьбы, p = 10 мм;
- допустимое напряжение на смятие,
= 35МПа;
d1 -
внутренний диаметр резьбы, d1 = 60мм.
Получили, что
, условие
выполняется.
1.7.4 Выбор подшипника под гайку крюка
Подшипник выбираем по статической
грузоподъемности:
кН
(34)
Рисунок 11. Эскиз упорного
однорядного подшипника
Выбираем подшипник упорный типа
8215, /5/ . С=155 кН, Н=27 мм,
D=110 мм, d=75 мм.
.7.5 Расчет траверсы
Рисунок 12. Расчетная схема траверсы
для нормальной подвески.
Рассчитываем размеры траверсы:
Определение ширины траверсы :
мм; (35)
где
- диаметр подшипника,
=110 мм;
Определение длины траверсы :
мм; (36)
Из конструктивных соображения
принимаем Lтр=243мм.
Определение диаметра траверсы :
мм; (37)
где
- диаметр хвостовика крюка,
=70 мм;
Принимаем dтр=75мм.
Определение длины между опорами :
мм; (38)
Определение высоты траверсы
мм :
(39)
ТА- изгибающий момент в сечении А-А
:
Н·м; (40)
Определение момента изгибающего по
формуле :
Н·м; (41)
Определение диаметра цапфы :
(42)
-допускаемый предел прочности,
МПа;
.7.6 Расчет щеки
Рисунок 13. Эскиз щеки.
Определение ширины щеки :
мм; (43) где
- наибольший
из диаметров цапфы траверсы или оси блока .
Условие прочности при
растяжении(поперечное сечение по наибольшему из отверстий d):
. (44)
где:
- толщина щеки, принимаем
= 10 мм;
;
Условие прочности
выполняется.
.6 Определение мощности и выбор
электродвигателя
Электродвигатель выбираем из условия
Определение расчетной мощности
электродвигателя :
кВт; (45)
- статическая мощность, кВт;
- коэффициент использования
номинальной грузоподъемности ,
;
- коэффициент, учитывающий
фактическую продолжительность включения ,
=0,95;
- коэффициент, учитывающий схему
регулирования скорости ,
=1,05;
- коэффициент пусковых потерь ,
=1.1;
кВт ; (46)
- общий КПД механизма ,
;
Выбираем двигатель с мощностью,
которая бы удовлетворила условие.
Принимаем электродвигатель 4МТН 280S10 /1/ с техническими
характеристиками:
Частота вращения вала n=565 мин-1;
Мощность на валу P=45 кВт, при
ПВ=40%;
Момент инерции ротора J=3,8 кгм2;
Масса m=750 кг.
Рисунок 14.Электродвигатель серии MTН.
.6.1 Проверка двигателя по пусковому
моменту
Необходимое соблюдение условия:
;
Пусковой момент двигателя
определяется по формуле:
(47)
Пусковой момент механизма определим
по формуле:
; (48)
где
- статический момент, Н·м;
- инерционный момент от вращающихся
масс, Н·м;
- инерционный момент от
поступательно движущихся масс,
Определяем статический момент:
Н·м ; (49)
где
- количество
ветвей каната закрепленных на барабане,
,
- ориентировочное передаточное число
редуктора:
(50)
- частота вращения барабана, мин.
:
мин
; (51)
Определяем инерционный момент от
вращающихся масс:
Н·м; (52)
где
- время пуска, которое определяется
по формуле:
; (53)
- допускаемое ускорение,
;
- частота вращения электродвигателя;
- момент инерции ротора
электродвигателя.
Определяем инерционный момент от
поступательно движущихся масс:
Н·м ; (54)
Получим:
Нм;
, условие выполняется.
.7 Выбор редуктора
Редуктор выбираем по крутящему
моменту на тихоходном валу и передаточному числу.
Ориентировочное передаточное число
;
Крутящий момент на
тих. валу:
Выбираем редуктор Ц2-500-10-М-УЗ, /2/
(Цилиндрический горизонтальный
двухступенчатый редуктор с межосевым расстоянием 500 мм, с передаточным
стандартным числом редуктора
,на тихоходном валу редуктора .
Рисунок 15. Общий вид редуктора Ц2.
1.8 Выбор муфты зубчатой с тормозным шкивом
Муфту выбираем по крутящему моменту
/3/:
Н·м (55)
где
- статический момент,
Н м
- коэффициент, учитывающий тип
механизма ,
- коэффициент, учитывающий группу
режима ,
- коэффициент для зубчатых муфт ,
Выбираем муфту /3/: МЗ-5600-400-1-УЗ.
Диаметр тормозного шкива D=400мм
,наибольший передаваемый момент Тм=5600 Нм, муфта исполнения 1(хвостовик вала
цилиндрический), климатического исполнения У и категорией размещения 3.
Рисунок 16. Эскиз зубчатой муфты с
тормозным шкивом.
.9 Выбор тормоза
Выбор тормоза производим по
тормозному моменту.
Тормоз выбирается из условия :
Н·м; (56)
- коэффициент запаса торможения ,
.
Н·м ;
Н·м ; (57)
где
=
=2 с,
- время торможения.
Получим:
Из справочника /2/ выбираем тормоз
ТКГ-400 с электрогидравлическим толкателем ТГМ-80 с наибольшим тормозным моментом
Н·м;
диаметр тормозного шкива
мм,
мм,
мм,
мм.
Рисунок 17. Колодочный тормоз ТКГ с
гидравлическим толкателем ТГМ.
. Механизм передвижения тележки
(самоходной)
.1 Выбор кинематической схемы
Рисунок 18. Кинематическая схема
механизма передвижения тележки.
2.2 Выбор ходового колеса
;
где
масса грузовой тележки , т;
Определение нагрузки на ходовое
колесо:
кН; (1)
Производим выбор ходового колеса /3/
по следующим параметрам: группа режима, нагрузка на ходовое колесо, скорость
передвижения тележки.
Выбираем ходовое колесо по
справочнику с диаметром ходового колеса
типоразмер рельса Р15*.
Рисунок 19.Эскиз ходового
двухребордного колеса.
.3 Определение сил сопротивления
Двигатель механизма передвижения
должен преодолеть:
Н; (2)
Определение силы трения:
(3)
- коэффициент трения ,
;
- плечо реактивной силы ,
;
- коэффициент трения реборды ,
;
- диаметр цапфы,
.
м ; (4)
диаметр ходового колеса,
мм.
Определение сил от уклона пути:
Н ; (5)
где
- уклон;
.
Определение ветровых нагрузок
Н ; (6)
- давление ветра рабочего состояния,
.
- площадь груза /2/:
,
- площадь
тележки можно не учитывать .
.4 Определение мощности и выбор
электродвигателя
; (7)
Определяем расчётную мощность
электродвигателя :
(8)
- общий КПД ,
;
- скорость передвижения тележки;
- количество двигателей
.
Принимаем электродвигатель МТН 311-6
/2/ с техническими характеристиками:
Частота вращения вала
=
;
Мощность на валу
=
, при
;
Пусковой момент
=
;
Момент инерции ротора
=
;
Масса 170 кг.
Рисунок 20. Электродвигатель серии MTH.
.4.1 Проверка двигателя по пусковому
моменту
; (9)
- пусковой момент электродвигателя
из технической характеристики:
Н·м;
- расчетный пусковой момент;
Н·м ; (10)
- статический момент
;
- момент инерционно вращающихся масс
;
- момент инерций поступательно
движущихся масс
;
Н·м ; (11)
- передаточное число механизма;
; (12)
- частота вращения
;
мин-1
- скорость передвижения тележки;
- диаметр ходового колеса;
Н·м; (13)
- время пуска,
,
=0,3
;
.
- момент инерции ротора
;
Н·м; (14)
,
Выбранный двигатель удовлетворяет
условиям.
.5 Проверка механизма передвижения
по коэффициенту запаса сцепления
Расчеты производят для порожнего
крана.
Рисунок 21. Схема передвижения
тележки с силами сопротивления.
где 1-концевая балка, 2- холостое
колесо, 3-приводное колесо.
Суммарное сопротивление движению:
Н; (15)
- коэффициент трения реборды :
Н; (17)
Н ; (18)
- давление ветра,
- площадь тележки.
Определяем силу сцепления :
; (19)
Определяем коэффициент запаса
сцепления
:
; (20)
где
=0.12, для открытой площадки.
Условие выполняется, пробуксовки
ходовых колёс тележки не будет.
.6 Выбор стандартных элементов
.6.1 Выбор редуктора
Мощность редуктора определяем по
формуле :
кВт ; (21)
- мощность редуктора;
- мощность двигателя,
11кВт;
- коэффициент, учитывающий группу
режима,
=1.2;
.
(22)
Выбираем редуктор 5Ц2-100-10 /2/
Передаточное число
Крутящий момент
.
Рисунок 22. Редуктор цилиндрический
двухступенчатый горизонтальный.
.6.2 Выбор муфты
Муфту выбираем по крутящему моменту
:
Н·м; (23)
- статический момент,
Нм;
- коэффициент, учитывающий тип
механизма ,
- коэффициент, учитывающий группу
режима ,
- коэффициент для зубчатых муфт ,
Выбираем муфту зубчатую с тормозным
шкивом /3/
Диаметр тормозного шкива D=200мм,
крутящий момент 700 Нм.
МЗ-700-200-1-УЗ.
Рисунок 23. Эскиз зубчатой муфты с
тормозным шкивом.
.6.3 Выбор тормоза
Из условия торможения:
; (24)
- тормозной момент ;
Н·м ; (25)
Нм ; (26)
Нм;
Нм;
; (27)
(28)
;
Выбираем тормоз ТКТ-200 /2/ с
наибольшим тормозным моментом
; диаметр тормозного шкива 200 мм,
масса тормоза 25 кг.
Конструктивно принимаем диаметр
тормозного шкива муфты 200 мм.
Рисунок 24. Колодочный тормоз типа
ТКТ
Вывод
В ходе данной курсовой работе были
рассчитаны основные механизмы крана, был сделан выбор на основе этих расчетов
нормализованных и стандартные сборочных единицы, их рациональная компоновка.
Все механизмы удовлетворяют требованиям надежности, удобствам монтажа и демонтажа,
обслуживанию, безопасности. Все расчеты выполнены с соблюдением требований
Ростехнадзора России.
Библиографический список
1
Справочник по кранам / Под ред. М.М. Гохберга. - Л.: Машиностроение, 1988. Т.1.
- 353 с.
Справочник
по кранам / Под ред. М.М. Гохберга. - Л.: Машиностроение, 1988. Т.2. - 559 с.
Кузьмин
А.В., Марон Ф.Л. Справочник по расчётам механизмов подъёмно- транспортных
машин. - Минск: Высшая школа, 1983. - 272 с.
Конспект
лекций по предмету «Грузоподъёмные машины» 2013 г
Курсовой
проект по грузоподъёмным машинам (метод. указания),
/
Под ред. Ю.В. Ремизович -Омск 2003 г,СибАДИ. -28с.
Транспортно-технологические
машины (метод. указания), / Под ред. Ю.В. Ремизович -Омск 2011 г,СибАДИ. -159с.
Александров
М.П. Подъёмно - транспортные машины. - М.: Высшая школа, 1985. - 593 с.
Александров
М.П. Грузоподъёмные машины. - М.: Высшая школа, 2000. - 552 с.
Вайнсон
А.А. Подъёмно - транспортные машины. - М.: Машиностроение, 1993. - 431 с.
Руденко
Н.Ф., Руденко В.Н. Грузоподъемные машины. Атлас конструкций. Учебное пособие
для вузов. - М: «Машиностроение», 1970. - 116 с.,(и другие атласы авторов).