Эксплуатация и ремонт механизма передвижения тележки мостового крана
Эксплуатация
и ремонт механизма передвижения тележки мостового крана
ВВЕДЕНИЕ
Крановое электрооборудование является одним из
основных средств комплексной механизации всех отраслей экономики России.
Подавляющее большинство грузоподъемных машин изготовляемых отечественной
промышленностью, имеет привод основных рабочих механизмов, и поэтому действия
этих машин в значительной степени зависит от качественных показателей
используемого кранового оборудования.
Перемещение грузов, связанное с грузоподъемными
операциями, во всех отраслях экономики, осуществляется разнообразными
грузоподъемными машинами.
Грузоподъемные машины служат для погрузочно -
разгрузочных работ, перемещения грузов в технологической цепи производства или
строительства и выполнения ремонтно - монтажных работ с крупногабаритными
агрегатами. Грузоподъемные машины с электрическими приводами имеют чрезвычайно
широкий диапазон использования, что характеризуется интервалом мощностей
приводов от сотен ватт до 1000кВт. В перспективе мощности крановых механизмов
может дойти до 1500 -2500 кВт.
Электропривод большинства грузоподъёмных машин
характеризуется повторно - кратковременном режимом работы при большей частоте
включения, широком диапазоне регулирования скорости и постоянно возникающих значительных
перегрузках при разгоне и торможении механизмов.
Особые условия использования электропривода в
грузоподъёмных машинах явились основой для создания специальных серий
электрических двигателей и аппаратов кранового исполнения.
В настоящее время крановое электрооборудование
имеет в своём составе серии крановых электродвигателей переменного и
постоянного тока, серии силовых и магнитных контроллеров, командоконтроллеров,
кнопочных постов, конечных выключателей, тормозных электромагнитов и
электрогидравлических толкателей, пускотормозных резисторов и ряд других
аппаратов, комплектующих разные крановые электроприводы.
В крановом электроприводе начали довольно широко
применять различные системы тиристорного регулирования и дистанционного
управления по радио каналу или одному проводу.
Создание первого электропривода
относится к 1838, когда в России Б. С. Якоби
<#"731280.files/image001.gif">
. Кабина
. Подкрановые пути
. Ходовые колеса
. Концевые балки
5. Гибкий кабель
6. Вспомогательный механизм подъема
. Главный механизм подъема
. Крановая тележка
. Проволока
. Площадка для обслуживания
. Мост крана
. Механизм передвижения тележки
. Механизм передвижения крана
Рисунок 1 - Принципиальная схема мостового
электрического крана общего назначения
По мосту передвигается грузовая тележка, оборудованная
лебедкой с крюком, грейфером или магнитом.
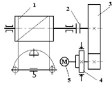
Тележка мостового крана, рисунок 4, состоит из
сварной металлической рамы на ходовых колесах, на которой смонтированы
механизмы подъема груза и передвижения тележки.
.Механизм подъема груза
.Рама сварная металлическая
.Механизм передвижения тележки
Рисунок 2 - Тележка мостового крана
На раме тележки размещены механизмы главного и
вспомогательного подъема и механизм передвижения тележки. Механизм главного
подъема имеет электродвигатель, соединенный длинным валом-вставкой с редуктором.
Полумуфта, соединяющая вал-вставку с входным валом редуктора, используется в
качестве тормозного шкива колодочного тормоза, имеющего привод от
электрогидравлического толкателя. Выходной вал редуктора соединен зубчатой
муфтой с барабаном. Опоры верхних блоков полиспаста и уравнительные
блоки расположены на верхней поверхности рамы, что облегчает их обслуживание и
увеличивает возможную высоту подъема. В качестве ограничителя высоты подъема
применен шпиндельный выключатель, выключающий ток при достижении крюковой
подвеской крайних верхнего и нижнего положений.
Механизм передвижения тележки состоит из
двигателя¸ тормоза,
вертикального зубчатого редуктора, двух ведущих и двух холостых ходовых колес.
На раме тележки укреплена линейка, воздействующая в крайних положениях
на конечный выключатель, ограничивающий путь передвижения тележки.
Рама сварена из продольных и поперечных балок из
листовой стали, сверху накрыта настилом. С целью снижения массы тележки и
повышения ее жесткости применяют гнутые профили.
Узлы механизмов смонтированы так, что на
продольные балки опираются подшипники вала барабана, редуктор и двигатель
механизма подъема. Механизм передвижения установлен посредине между ходовыми колесами
или сбоку тележки - для удобства монтажа и замены вертикального редуктора.
Кроме того, краны мостовые комплектуются канатными или цепными талями.
.2 Кинематические схемы электроприводов
мостового крана
Работу основных механизмов
крана рассматривают по кинематическим схемам. Все механизмы передвижения крана
имеют по два холостых колеса. Так как двигатели обычно имеют угловую скорость,
значительно большую, чем скорость подъемного барабана или ходовых колес моста и
тележки, то движение к рабочим органам механизмов крана передается через
редукторы.
Для механизмов подъема
наибольшее применение получили схемы с полиспастом, рисунок 3, при помощи
которого движение от барабана передается крюку.
1. Барабан 4. Тормоз
. Муфта 5. Электродвигатель
. Редуктор
Рисунок 3 - Кинематическая схема механизма
подъема мостового крана
Механизм передвижения моста крана выполняется
либо с раздельным приводом ходовых колес, либо с центральным приводом.
Вал электродвигателя соединен
через зубчатую муфту с быстроходным валом редуктора. Тихоходный вал через
трансмиссионный вал соединен с приводным колесом крана, рисунок 4, 5.
Раздельный привод устанавливается на кранах пролетом от 19,5 м до 34, 5 м.
1. Приводное колесо 4. Зубчатая муфта
. Трансмиссионный вал 5. Электродвигатель
3. Редуктор
Рисунок 4 - Кинематическая схема механизма
передвижения с раздельным приводом
1. Приводное колесо 4. Зубчатая муфта
. Трансмиссионный вал 5. Электродвигатель
3. Редуктор
Рисунок 5 - Кинематическая схема механизма
передвижения с центральным приводом
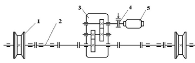
Механизм передвижения тележки
выполнен с центральным приводом, состоит из электродвигателя соединенного с
вертикальным ступенчатым редуктором зубчатой муфтой. Выходной вал редуктора при
помощи зубчатых муфт и промежуточных валов соединен с валами приводных колес,
рисунок 5.
. Редуктор
. Двигатель
Рисунок 6 - Кинематическая
схема механизма передвижения тележки
.3 Требования к системе электропривода и
обоснование выбранного типа электропривода. Требования к системе автоматики
Для привода крановых механизмов возможно
применение различных двигателей и систем электропривода. В настоящее время на
кранах применяют простые системы электропривода, в которых двигатели получают
питание от сети переменного или постоянного тока неизменного напряжения через
пускорегулирующие резисторы.
Электропривод с асинхронным двигателем с короткозамкнутым
ротором применяют для механизмов кранов небольшой мощности, работающих в легком
режиме. Если необходимо регулировать скорость или обеспечить точную остановку,
то можно использовать двух- или трехскоростные двигатели.
Наибольшее распространение получили асинхронные
двигатели с фазным ротором и ступенчатым регулированием угловой скорости путем
изменения сопротивлении в цепи ротора. Он прост, надежен, допускает большое
число включений в час и применяется на средних и больших мощностях. С помощью
резисторов в цепи ротора можно в широких пределах изменять момент при пуске,
получать желаемое ускорение и плавность пуска, уменьшать токи и потери энергии
в двигателе при переходных процессах, а также получить уменьшение угловой
скорости. Он не экономичен из-за значительных потерь энергии в
пускорегулирующих сопротивлениях; повышенный износ двигателя, электромагнитных
тормозов и контактной аппаратуры управления.
Если к электроприводу крановых механизмов
предъявляются повышенные требования в отношении регулирования угловой скорости,
в различных режимах, применяются двигатели постоянного тока.
Если требуется обеспечить повышенный диапазон
регулирования угловой скорости привода, ограничение стопорного момента и
плавное протекание переходных процессов двигателя при напряженном режиме работы
кранового механизма, применяют регулируемый электропривод по системе Г-Д. Это
позволяет при больших мощностях облегчить аппаратуру управления и повысить
надежность работ электропривода.
При питании от общей сети переменного или
постоянного тока применяются контроллерное или контакторное управление. При
контроллерном управлении все переключения в главных цепях производится
контактами силового контроллера, управление которым, особенно при интенсивном
режиме работы, требует от крановщика значительных усилий и напряжений.
Контакторное управление осуществляется от магнитного контроллера, состоящего из
командо - контроллера и контакторно - релейной панели. Переключение в главных
цепях двигателя производится контакторами, а крановщик управляет командо -
контроллером. При контакторном управлении процесс пуска, торможения и реверса
автоматизируются. В ряде случаев применяют как контроллерное управление для
механизмов с менее напряженными режимами работы, так и контакторное, обычно для
подъема груза.
Для качественного выполнения подъема, спуска и
перемещения грузов электропривод крановых механизмов должен удовлетворять
следующим требованиям:
регулирование угловой скорости электродвигателя
в сравнительно широких пределах. Для обычных кранов 4:1; для специализированных
10:1;
обеспечение необходимой жесткости механических
характеристик электропривода, особенно регулировочным с тем, чтобы низкие
скорости почти не зависели от груза;
ограничение ускорении до допустимых пределов при
минимальной длительности переходных процессов;
реверсирование электропривода и обеспечение его
работы как в двигательном, так и в тормозном режимах.
На основании проведенного выше анализа выбираем
электропривод с асинхронным двигателем с фазным ротором.
Большое внимание в последние годы уделяется
автоматизации грузоподъемных машин. Основным направлением автоматизации этих
машин является управление, безопасность, контроль и диагностика. Однако в связи
со спецификой использования важную роль в работе грузоподъемных машин играет их
безопасность.
Возможности автоматизации весьма обширны и
зависят от отрасли промышленного производства, от подбора комплектующих
материалов для систем автоматики. К примеру, самой важной частью
грузоподъемного механизма вне зависимости от его типа является механизмы
подъема и передвижения тележки. Новейшие семейства преобразователей частоты
разных фирм производителей обладают всеми необходимыми функциями для управления
крановыми приводами. Подъем с повышенной скоростью, контроль состояния тормоза,
позиционирование с помощью концевых выключателей, выравнивание нагрузки,
управление тормозом, адаптированное для приводов перемещения, подъема и
поворота, выбор слабины тросов, управление моментом, измерение нагрузки,
многочисленные алгоритмы управления двигателем.
Система электропривода грузоподъемных машин
обеспечивает:
плавный разгон и торможение механизмов с
заданным ускорением;
регулирование скорости механизмов;
ограничение предельных нагрузок;
контроль, защиту и индикацию состояния
оборудования.
1.4 Выбор рода тока и величины питающих
напряжений
При проектировании электрооборудования
необходимо выбрать род тока (переменный или постоянный) и напряжение питающей
сети. Основными токами в электроустановках промышленных предприятий является
переменный трехфазный ток. При выборе величины напряжений электроустановок до
1000В используют напряжение 380/220 и 660/380 В.
С применением напряжения 660В снижаются потери
электроэнергии и расход цветных металлов, увеличивается радиус действия
подстанций, повышается мощность трансформаторов, сокращается количество
подстанций, упрощается схема электроснабжения. Недостатком напряжения 660В
являются невозможность совместного питания сети освещения и силовых
электроприемников малой мощности, а также отсутствие электродвигателей
небольшой мощности на напряжение 660В. На предприятиях с преобладанием
электроприемников малой мощности более выгодно использовать напряжение 380/220
В.
При проектировании систем электроснабжения для
промышленных предприятий необходимо учесть тот факт, что приемники
электроэнергии делят по частоте тока. Трехфазный переменный ток, имеющий
частоту 50 Герц, основной род тока в промышленных предприятиях. Кроме того,
очень важно учитывать неравномерность и несимметричность загрузок фаз. К
примеру, к симметричным приемникам относят трехфазную печь, электродвигатели и
прочее, а к несимметричным - освещение, однофазные сварочные аппараты, одно-,
двухфазные печи. Также электроприемники можно разделить по степени надежности
питания на три категории:
) Электроприемники, прерывать работу которых
нельзя, иначе это опасно для жизни и здоровья людей, может нанести серьезный
вред хозяйству. Такие электроприемники обычно имеют два независимых друг от
друга источника питания, если необходимо сделать перерыв в работе одного
источника, автоматически в работу включается резервный.
) Ко второй категории относятся
электроприемники, при перерыве электроснабжения которых гарантированно
снижается выпуск продукции, случается простой механизмов и людей, для них также
требуется резервное питание, но при этом допустимы перерывы на время, которое
необходимо на ручное переключение на второй источник.
) Третья категория включает в себя все прочие
электроприемники, подлежащие эксплуатации на неответственных складах,
вспомогательных цехах, несерийного производства. Для них допустимы перерывы
питания с интервалом не более 24 часов для ремонта, замены поврежденного части
системы электроснабжения предприятий.
1.5 Описание режимов и циклов работы
При выборе электродвигателя следует
учитывать режим работы электродвигателя. В технических каталогах
<#"731280.files/image007.gif">
10-3, кВт (2)
где Рс(г) - статическая
мощность при передвижении крана с грузом, кВт;
k1 -
коэффициент, учитывающий трение ходовых колес о рельсы, k1 = 2;
Q - вес
поднимаемого груза, т;
Q0 - вес
тележки, т;
µ - коэффициент трения скольжения, µ = 0,08;
rц
- радиус цапфы, мм;
f - коэффициент
трения качения ходовых колес по рельсам, f
= 0,001;
υ - скорость передвижения
тележки, м/с;
Rхк
- радиус ходового колеса, мм;
Ƞ - КПД механизма передвижения.
Rхк = 
, м (3)
где Rхк - радиус
ходового колеса, м;
Dхк - диаметр
ходового колеса, м.
Rхк = 
0,15 м
rц = 
, м (4)
где
rц - радиус
цапфы ходового колеса, мм;ц - диаметр цапфы ходового колеса, мм.
rц = 
0,04 м
Рс(г) = 
10-3 = 4,5кВт
Статическая мощность при
передвижении тележки без груза:
Рс(о) = 
10-3, кВт (5)
где Рс(о) - статическая
мощность при передвижении тележки без груза, кВт;
k1 -
коэффициент, учитывающий трение ходовых колес о рельсы, k1 = 2;
Q0 - вес
тележки, т;
µ - коэффициент трения скольжения, µ
= 0,08;
rц - радиус
цапфы ходового колеса, мм;
f -
коэффициент трения качения ходовых колес по рельсам, f = 0,001;
υ - скорость передвижения
тележки, м/с;
Rхк - радиус
ходового колеса, мм;
Ƞ - КПД механизма передвижения.
Рс(о) =
10-3 = 1,8 кВт
Время работы крана:
tр = 
, с (6)
где tр - время работы
крана, с;
L - путь
передвижения тележки, м;
υ - скорость передвижения
тележки, м/с
tр = 
= 62 с
Длительность цикла:
Тц = 
, с (7)
где Tц - длительность цикла, с;ц
- число циклов.
Tц = 
= 360 с
Суммарное время паузы:
∑t0 = Tц - 2∙tр, с (8)
где ∑t0
- суммарное время паузы, с.ц - длительность цикла, с;р -
время работы крана, с.
∑t0
= 360 - 2∙62 = 236 с
Время паузы механизма между рабочими операциями:
t0 = 
, c (9)
где tр - время паузы
механизма между рабочими операциями, с;
∑ tр - суммарное
время паузы механизма между рабочими операциями, с;
t0 = 
= 118 с
Относительная продолжительность
включения:
ПВ = 
100% (10)
где ПВ - относительная
продолжительность включения;р - время паузы механизма между рабочими
операциями, с;ц - длительность цикла, с.
ПВ = 
∙100% = 34,4%
Рисунок 7 - Нагрузочная диаграмма
механизма передвижения тележки
Эквивалентная статическая мощность
механизма передвижения тележки:
Рс.э.р. = 
, кВт
(11)
где Рс.э.р. -
эквивалентная статическая мощность механизма передвижения тележки, кВт;
Рс(г) - статическая
мощность механизма передвижения тележки с грузом, кВт;
Рс(0) - статическая
мощность механизма передвижения тележки без груза, кВт.
Рс.э.р. = 
= 3,42 кВт
Пересчитываем полученную мощность на
стандартную продолжительность включения:
, кВт (12)
где Рсэ.ст. -
эквивалентная статическая мощность механизма передвижения тележки стандартная,
кВт;
ПВ - продолжительность включения;
ПВст - стандартная
продолжительность включения;
Рс.э.ст. = 3,42∙
= 4,01 кВт при ПВст =
25%.
Для механизма передвижения тележки
выбираем один двигатель.
Мощность двигателя передвижения
тележки:
Рдв = Кз×Рс.э.ст.,
кВт (13)
где Рдв - мощность двигателя
передвижения тележки, кВт;
Кз - коэффициент запаса, Кз
= 1,2;
Рсэ.ст. - эквивалентная статическая
мощность механизма передвижения тележки стандартная, кВт;
Рдв =
1,2 ∙ 4,01 = 4,8 кВт
Частота вращения вала двигателя:
nдв = 
, об/мин
(14)
где nдв - частота
вращения вала двигателя, об/мин;
υ - скорость передвижения
тележки, м/с;
- переводной коэффициент;
Dхк - диаметр
ходового колеса, м.дв = 
= 873 об/мин
Выбираем двигатель серии MTН 112-6 с
фазным ротором:
номинальная мощность: Рн =
5 кВт;
номинальная частота вращения: nн
= 930 об/мин;
ток статора: I1 = 13,7 А;
ток ротора: I2 = 15,7 А;
напряжение: U = 380 В;
коэффициент мощности: cos φ = 0,7;
число пар полюсов: 2р = 6;
кратность максимального момента: λм = 
= 2,7;
кратность пускового момента: λп = 
= 2;
напряжение статора: U = 380 В;
продолжительность включения: ПВ =
25%
cos φ = 0,7;
КПД: Ƞ = 79%;
число пар полюсов: 2р = 6;
ЭДС ротора: Ер = 165 В.
Краново-металлургические электродвигатели
<#"731280.files/image032.gif">
, Н∙м (15)
где Мст - максимальный статический
момент нагрузки, Н∙м;
- переводной коэффициент;
Рст - статическая
мощность двигателя, кВт, Рст = Рдв,
где Рдв - расчетная
мощность двигателя;
nн -
номинальная частота вращения выбранного двигателя, определяется по каталогу или
из условия: nн = n0∙ (1 -
sн) об/мин;
n0
- синхронная частота вращения магнитного поля статора:
, об/мин;
где f
- промышленная частота тока, f
= 50 Гц;
р - число пар полюсов двигателя;- скольжение.
Мст = 
= 49,29 Н∙м.
) Номинальный момент выбранного
двигателя:
Мн = 
, Н∙м (16) где Мн
- номинальный момент выбранного двигателя, Н∙м;
- переводной коэффициент;
Рн - номинальная мощность
двигателя, выбранная по каталогу, кВт;н - номинальная частота вращения,
об/мин.
Мн = 
= 51,3 Н∙м
4) Пусковой момент выбранного двигателя:
Мп = λп∙
Мн Н∙м (17)
где Мп - пусковой момент выбранного
двигателя, Н∙м;
λп
- кратность пускового момента определяется по каталогу выбранного двигателя;
Мн - номинальный момент двигателя, Н∙м;
Мп = 2∙51,3 = 102,6 Н∙м
,8∙Мп ≥ kп∙Мст;
где Мп - пусковой момент выбранного
двигателя, Н∙м;
kп
- коэффициент учитывающий увеличение статического момента во время пуска, kп
= 1,2;
Мст - максимальный статический момент
нагрузки, Н∙м;
,8∙102,6 ≥ 1,2∙49,29;
,1 > 59,15.
Условие выполняется. Окончательно принимаем
двигатель серии
MTН 112 - 6 с
фазным ротором.
.2 Расчет и построение механических
характеристик
Для расчета пусковых резисторов графическим
способом рассчитывается и строится естественная механическая
характеристика электродвигателя в зависимости (М;s).
Для построения механической характеристики
определяем следующие параметры:
) Номинальный момент двигателя: Мн =
51,3 Н∙м.
) Статический момент двигателя: Мст =
49,26 Н∙м.
) Максимальный или критический момент:
Мкр = Мmax
= 2,7×51,3 = 138,5 Н∙м.
) Минимальный момент двигателя при пуске: М2
= 1,2×Мс,
М2 = 1,2×49,26
= 59,15 Н∙м.
) Максимальный момент двигателя при пуске:
М1 = 0,8× 102,6 =
82,1 Н∙м.
) Номинальное скольжение:
sн = 
, (18)
где sн - номинальное скольжение;
n1 -
синхронная чистота вращения магнитного поля статора, об/мин;
n1 = 
= 
= 1000 об/мин.- чистота вращения
ротора, об/мин.
sн = 
= 0,07;
7) Критическое скольжение:
sкр = sн∙(λм + 
, (19)
где sкр -
критическое скольжение;
λм - кратность
максимального момента λм = Мmax/Mн
= 3,2
sкр = 0,07∙(2,7
+ 
= 0,36.
) Подставляя в уравнение
механической характеристики различные значения скольжения от 0 до 1, определяем
соответствующие им моменты.
Уравнение Клосса:
М = 
(20)
где М - момент двигателя, Н∙м;
Мкр - критический момент двигателя,
Н∙м;- скольжение двигателя;- критическое скольжение.
получим: М1 = 
= 51,97 Н∙м;
М2 = 
= 71,39 Н∙м;
М3 = 
= 117,87 Н∙м;
М4 = 
= 136,45 Н∙м;
М5 = 
= 138,5 Н∙м;
М6 = 
= 133,17 Н∙м;
М7 = 
= 122,03 Н∙м;
М8 = 
= 113,06 Н∙м;
М9 = 
= 103,75 Н∙м;
М10 = 
= 95,52 Н∙м;
М11 = 
= 88,22 Н∙м;
Выбираем масштаб построения: 138,5 Н∙м -
150 мм.
х1 = 
= 56,3 мм;
х2 = 
= 78,4 мм;
х3 = 
= 127,66 мм;
х4 = 
= 147,78 мм;
х6 = 
= 144,23 мм;
х7 = 
= 132,16 мм;
х8 = 
= 122,45 мм;
х9 = 
= 112,36 мм;
х10 = 
= 103,45 мм;
х11 = 
= 95,5 мм;
Данные вычислений сведены в таблицу
1.
Таблица 1.
|
S
|
0,07
|
0,1
|
0,2
|
0,3
|
0,4
|
0,5
|
0,6
|
0,7
|
0,8
|
0,9
|
1
|
|
М,
Н∙м
|
51,97
|
71,4
|
117.9
|
136,5
|
138,5
|
133,2
|
122,03
|
113,1
|
103,8
|
95,5
|
88,2
|
|
Х,
мм
|
56,3
|
78,4
|
127,7
|
147,8
|
150
|
144,2
|
132,2
|
122.5
|
112,4
|
103,5
|
95,6
|
Рисунок 8 - Механическая характеристика
двигателя
Отрезоки xd, ab,
bc - соответствует
внутреннему активному сопротивлению обмотки ротора:
rр =
Sн
× Rрн,
Ом (21)
где rр
- активное сопротивление обмотки ротора, Ом;н - скольжение;рн
- сопротивление реостата на ступенях, Ом.
Rрн = 
, Ом (22)
где Ерн - ЭДС ротора, В;рн
- ток ротора, А.
Rрн = 
= 6,07 Ом,
rр =
0,07 × 6,07 = 0,42 Ом.
Определяем сопротивление R1 первой
ступени пускового реостата:
R1 = rр × 
, Ом (23)
где R1 - сопротивление
первой ступени пускового реостата, Ом;р - активное сопротивление
обмотки ротора, Ом;
ℓав - длина
отрезка, мм;
ℓxd - длина
отрезка, мм;
R1 = 0,42 × 
= 0,45 Ом.
Определяем сопротивление R2
второй ступени:
R2 = rр × 
, Ом (24)
где R2 - сопротивление
первой ступени пускового реостата, Ом;р - активное сопротивление
обмотки ротора, Ом;
ℓbc - длина
отрезка, мм;
ℓxd - длина
отрезка, мм;
R2 = 0,42 × 
= 0,29 Ом.
Определяем сопротивление R3 третьей ступени:
R3 = rр × 
, Ом (25)
где R3 - сопротивление
первой ступени пускового реостата, Ом;р - активное сопротивление
обмотки ротора, Ом;
ℓcd - длина
отрезка, мм;
ℓxd - длина
отрезка, мм;
R3 = 0,42 × 
= 0,19 Ом.
Определяем общее сопротивление ящика резисторов:
Rоб
= R1
+ R2
+ R3
= 0,45 + 0,29 + 0,19 = 0,93 Ом.
Для двигателя привода моста выбираем ящик
резисторов типа НФ1А.
Каталожный номер ящика: 2 ТД. 754. 054 - 02, Rоб
= 0,118 Ом.
.3 Расчет и выбор аппаратов защиты и управления
Для привода механизма передвижения тележки
мостового крана выбраны асинхронные двигатели с фазным ротором, переменного
тока.
Выбор установок реле для двигателя передвижения
тележки МТН 112 - 6, для защиты от перегрузок и короткого замыкания:
Iуст
≥
2,5×Iном;
(26)
где Iуст
- ток установки, Ом;ном - номинальный ток статора, Ом.
- Iн
статора = 13,7 А;
Iуст
= 2,5×13,7 = 34,25 А.
Выбираем реле РЭО - 401 каталожный номер 2
ТД.304.096 - 13 с пределом регулирования 33 - 100 А. Ток установки выбираем 35
А.
А > 34,25 А.
Номинальный ток:
Iн = 
, А
(27)
где Рдв - мощность двигателя,
кВт;

- поправочный коэффициент;
Uн -
номинальное напряжение, В;
сosφ - коэффициент
мощности;
Выбираем автоматический выключатель с
электромагнитным приводом.
Предназначен для защиты от перегрузок и коротких
замыканий электрических цепей напряжением до 220 В постоянного тока, до 500 В
переменного тока частоты 50-60 Гц, оперативных включений и отключений указанных
цепей с частотой до 30 включений в час, в том числе для пуска, защиты и
отключения электродвигателей.
Таблица 2. Технические данные автоматического
выключателя серии АСТ-2/3
|
Паспортные
данные
|
Расчетные
данные
|
Сравнение
|
|
Uэ.у = 380 В I э.у = 25 А
|
Uн = 380 В Iн = 13,8 А
|
Uэ.у ≥ Uн 380 В ≥
380В I э.у > Iн 25 А >
13,8 А
|
Выбираем трансформатор тока.
Трансформатор тока предназначен для понижения
первичного тока до стандартной величины (5 А или 1 А) и для определения цепей
измерения и защиты от первичных цепей высокого напряжения.
Трансформаторы тока изготовляются на следующие
номинальные токи: 5, 10, 15, 20, 30, 40, 50, 75, 100, 150, 200, 300, 400, 600,
800, 1000, 1600, 2000, 3000, 4000, 5000, 6000, 8000, 10 000 и 15 000 А
Таблица 3. Технические данные трансформатора
тока серии ТКЛ
|
Паспортные
данныеРасчетные данныеСравнение
|
|
|
|
Uэ.у = 500 В I э.у = 5 - 800
А
|
Uн
= 380 В Iн = 13,8 А
|
I э.у ≥ Iн 15 А >
13,8 А
|
Окончательно выбираем трансформатор тока ТКЛ -
0,5 - трансформатор тока катушечный с изоляцией из литой синтетической смолы.
Выбираем трансформатор напряжения.
Трансформатор напряжения предназначен для
преобразования больших переменных напряжений в относительно малые напряжения.
Трансформаторы напряжения двух - или
трехобмоточные предназначены как для измерения напряжения, мощности, энергии,
так и для питания цепей автоматики, сигнализации и релейной защиты линий
электропередач от замыкания на землю. Трансформаторы напряжения имеют два
назначения:
изолировать вторичную обмотку НН и, тем самым,
обезопасить обслуживающий персонал;
понизить измеряемое напряжение до стандартного
значения.
Трансформаторы напряжения различают:
по числу фаз - однофазные и трехфазные;
по числу обмоток - двухобмоточные и трехобмоточные;
по классу точности - 0,2; 0,5; 1,0; 3;
по способу охлаждения - с масляным охлаждением,
с воздушным охлаждением;
по способу установки - для внутренней установки,
для наружной установки и для КРУ.
Таблица 4. Основные технические данные трансформаторов
напряжения
|
Тип
|
Номинальное
напряжение обмоток, кВ
|
Номинальная
мощность, В·А, для классов точности
|
Максимальная
мощность, В·А
|
ик,
%
|
|
ВН
|
НН
|
0,2
|
0,5
|
1
|
3
|
|
|
|
НОС-
0,5
|
0,38
|
0,1
|
-
|
25
|
50
|
100
|
200
|
4,4
|
Uэ.у
≥ Uн
380 В = 380 В
Окончательно выбираем трансформатор напряжения
НОС - 0,5.
Измерительный трансформатор напряжения
однофазный сухой.
.4 Расчет и выбор кабелей и проводов
Выбираем кабель по
экономической плотности тока.
Условия выбора сечения
проводников:
Fэк = 
, мм2 (28)
где Fэк - площадь сечения
проводника, мм2;
Iр. мах - расчетный
максимальный ток нормального режима для одной линии, А;
jэк -
экономическая плотность тока, А/мм2.
Экономическая плотность тока зависит
от материала проводника и величины Tmax. Так как Tmax = 5000 ч
выбираем jэк = 1,7 А/мм2.эк
= 
= 8,12 мм2
Выбираем кабель марки КГ(3×25)
[ПУЭ]
- кабель силовой гибкий с медными многопроволочными жилами, с резиновой
изоляцией, в резиновой оболочке. Предназначены для присоединения различных
передвижных механизмов, а также стационарных установок, требующих
периодического включения и выключения (электрокранов козловых, мостовых,
тельферов и др. подъемно-транспортного оборудования). Разделительный слой -
синтетическая пленка, допускается наложение изоляции без пленки при отсутствии
залипания резины.
Проверяем кабель по потерям напряжения:
ΔU = 
×100% (29)
где ΔU
- потери напряжения, В; Iр
- ток ротора, А; ℓ - длина кабельной линии, км; r0
- удельное активное сопротивление кабеля на 1 км длины, r0
= 0,89 Ом/км; х0 - удельное реактивное сопротивление кабеля на 1 км
длины, х0 = 0,088 Ом/км;
sin φ = 
;
sin φ =
= 0,7141
тогда ΔU
= [1,73×13,8×0,0341×(0,89×0,7 +
0,088×0,7141)/380]×100% = 0,15%,
,15% < 5%, кабель проходит
по потерям напряжения.
3. ТЕХНОЛОГИЧЕСКАЯ ЧАСТЬ
.1 Описание принципиальной схемы управления
объекта
Схема управления должна отвечать всем
требованиям, заданным ранее. Наиболее распространенной схемой является схема,
построенная на основе командоконтроллера. Она имеет высокую ремонтопригодность,
дешевую элементную базу и большую надежность.
Контроль нулевого положения командоконтроллера
SA осуществляет реле KS, контакт которого подает питание на схему управления.
В первом положении "Вперед" включаются
контакторы KM1 и KM2, которые подключают статор двигателя к сети. Блок-контакт
КM2 включает реле K, которое включает контактор тормозного электромагнита KM3.
При этом двигатель растормаживается и идет в ход при полностью включенном в
цепь ротора реостате.
Во втором положении контроллера включается
контактор KM4 который шунтирует предварительную ступень пускового реостата.
.2 Монтаж, демонтаж мостовых кранов
Мостовой кран является самым распространенным в
связи с наибольшей популярностью кранов такого типа. Монтаж мостовых кранов
условно можно разделить на несколько видов: это монтаж кран балок
грузоподъёмностью 1 и 2 тонны, монтаж мостовых кранов грузоподъёмностью до 16
тонн и монтаж двухбалочных кранов. Самым простым и наименее трудозатратным
выступает монтаж небольших кран балок. Монтаж кран балок зачастую не требует
грузоподъёмной техники и может выполняться одним или двумя специалистами при
помощи нескольких элетротельферов, которые так же называются лебёдками. В таком
случае сама конструкция крана поднимается поочерёдно под небольшим углом, после
чего монтируется на подкрановые пути. Монтаж мостового крана грузоподъёмностью
более 2 тонн в большинстве случаем требует вмешательства грузоподъёмной
техники. В некоторых ситуациях в роли такой грузоподъёмной техники может
выступать другой мостовой кран, но всё же окончательный подъём крана монтажные
специалисты осуществляют при помощи автокрана. В некоторых случаях монтаж
мостовых кранов с длинной пролётной частью может осуществляться при помощи
нескольких автокранов.
Монтаж двухбалочных кранов наиболее сложен и
требует больших трудозатрат. Это связано с большой массой двухбалочных кранов,
а так же их размерами, ведь помимо самих балок к ним так же прилагаются так
называемые галереи, которые обеспечивают лёгкий доступ к электрическим
устройствам двухбалочных мостовых кранов. Технология монтажа мостового крана,
напрямую зависит от вида монтируемого мостового крана и делится на подвесные и
опорные. Монтаж подвесных мостовых кранов начинается на земле. Сперва
происходит сбор концевых балок вместе с пролётной. После чего собранная конструкция
подвесного мостового крана поднимается краном на высоту и крепится к
подкрановым путям.
Технология монтажа мостовых кранов, в случае с
опорными несколько отличается. Монтаж опорных мостовых кранов начинается с
установки концевых балок на подкрановый путь. На данном этапе установка
мостового крана на подкрановые пути является основной и лишь после этого
пролётную, несущую балку опорного крана поднимают над подкрановыми путями и
устанавливают на концевые балки. Следующим шагом в монтаже опорного мостового крана
является закрепление его концевых балок с несущей. Независимо от типа
монтируемого крана можно выделить монтаж ручного мостового крана и монтаж
электрического мостового крана. Если в первом случае монтаж мостового крана
заканчивается после монтажа самих металлоконструкций, то во втором случае после
монтажа металлоконструкций так же необходимо произвести испытание мостового
крана, которое так же называется пуско-наладочными работами. Таким образом
заключительным этапом в монтаже мостовых кранов является испытание мостового
крана.
Необходимость демонтировать мостовый кран
возникает очень редко (в случае неисправности крана, демонтажа здания и др.).
Иногда требуется демонтированный мостовый кран перевезти на новый
производственный объект. Во всех случаях, для демонтажа производятся те же
действия, что при монтаже, только в обратной последовательности.
.3 Монтаж электрооборудования крана
При подготовке и производстве работ по монтажу
кранов на объекте должна учитываться степень заводской электромонтажной готовности
кранового оборудования, которая регламентируется ГОСТ 24378-80Е.
Предприятием-изготовителем в соответствии с указанным ГОСТ должны быть
выполнены следующие работы на кранах общего назначения:
электромонтаж крановых кабин и грузовых тележек;
изготовление токоподвода к грузовой тележке;
изготовление узлов (жгутов) электропроводов с
наконечниками и маркировкой концов для мостов;
установка на мосту крана подставок и кронштейнов
под электрооборудование, протяжных ящиков, коробов или труб для прокладки
электропроводов;
сборка электроаппаратуры, устанавливаемой на
мосту (сопротивления, магнитные станции), в блоки с монтажом внутренних
электросхем.
Работы по монтажу электрической части мостовых
кранов следует выполнять на нулевой отметке до подъема моста, кабины крановщика
и тележки в проектное положение.
До начала электромонтажных работ должна быть
осуществлена приемка крана под монтаж от механомонтажной организации,
оформляемая актом. В акте должно быть оговорено разрешение на производство
электромонтажных работ на кране, в том числе и на нулевой отметке.
На нулевой отметке необходимо выполнять
максимально возможный объем электромонтажных работ, приступать к которым
следует после надежной установки моста на выкладках и оформления разрешения
механомонтажной организации. Оставшийся объем электромонтажных работ необходимо
выполнять после подъема крана в проектное положение и установки его в
непосредственной близости от переходной галереи, лестницы или ремонтной
площадки, с которых должен быть обеспечен надежный и безопасный переход на
кран. Кроме того, до производства электромонтажных работ на кране,
установленном в проектное положение, должны быть:
полностью закончены сборка и установка моста,
тележки, кабины, ограждений и перил;
главные троллеи ограждены или расположены на
расстоянии, исключающем доступ к ним с любого места на кране, где могут
находиться люди.
Электрическую часть кранов монтируют в два
этапа:
) На заводе - изготовители кранов.
) На месте установке крана.
Ранее большую часть электромонтажных работ
выполнялась различными методами электромонтажными организациями.
Состав работ по электромонтажу крана и объем их
выполнения предприятием - изготовителем определяются проектом электрической
части крана, который содержит электрическую схему крана, таблицу соединений;
чертежи узлов электропроводок, размещения электрооборудования, блоков, труб,
коробов; инструкцию по монтажу, пуску, регулированию обкатки крана на месте его
монтажа.
Предприятие - изготовитель производит полный
монтаж кабины управления и грузоподъемной тележки крана, монтаж на мосту
установочных элементов под электрооборудование, заготовку элементов главного и
вспомогательного элементов электроприводов, в том числе гибкого кабеля в
разведенном виде или жестких троллеев в виде замаркированных секций, а так же
крепежных, несущих и поддерживающих конструкций.
В основном монтаж электрооборудования мостового
крана включает в себя выполнение следующих работ:
разбивка кабельных трасс и прокладка кабеля в
дальнейшем;
установка креплений под кабель;
монтаж и установка конструкций под аппараты;
установка самих аппаратов управления.
Электромонтажные работы в настоящее время
ведутся на высоком уровне инженерной подготовки, с максимальным переносом этих
работ с площадок в мастерские монтажно-заготовительных участков и на заводы
электромонтажных организаций. Электромонтажные, проектные и научно -
исследовательские организации совместно с электротехнической промышленностью
ведут большую работу по изготовлению электрооборудования крупными блоками и
узлами. В практику электромонтажных и ремонтных работ внедряются современные
механизмы, приспособления, инструменты, средства малой механизации.
.4 Эксплуатация электрооборудования мостового
крана
При осмотре принимаемого в эксплуатацию вновь
смонтированного электрооборудования кранов и подъемников приемочная комиссия
обращает внимание на то, чтобы:
провода, проложенные на кране, были защищены от
механических повреждений, могущих иметь место при ремонте механической части
крана;
проводка в местах, где она может соприкасаться с
вредно действующими на ее изоляцию маслами, была уложена в стальных трубах или
коробах;
в местах выхода и входа проводов из труб в
конечные выключатели, в командоаппараты и кнопки управления изоляция проводов
была бы защищена изоляционными трубками от перетирания;
электродвигатели и пускорегулирующая аппаратура
грузоподъемных устройств, установленная на открытом воздухе, была защищена от
атмосферных осадков;
между аппаратами и опорными конструкциями были
положены резиновые шайбы, ослабляющие неблагоприятное влияние вибрации на
работу аппаратов;
установка контроллеров для удобства их осмотра и
ремонта производилась с расстоянием между ними не менее 100 мм, рукоятки и
маховики управления были расположены на высоте от пола не менее 1050 мм и не
более 1150 мм;
тормозные устройства работали быстро, четко и
без ударов, а в положении оттормаживания зазор между лентой и шкивом был не
менее 1-2 мм;
троллеи, проложенные вдоль крана, были снабжены
ограждениями, если отсутствуют автоматические устройства для снятия с них
напряжения; троллеи, проложенные вдоль подкранового пути, были недоступны для
случайного к ним прикосновения с моста крана, из кабины или с посадочных
площадок;
токоприемники, установленные на фермах крана или
на тележке, имели надежный контакт с троллеями по всей их длине;
доступ к токоприемникам для их осмотра и ремонта
не был затруднен;
сеточное ограждение кабины, в случае
расположения ее со стороны главных троллеев, имело дверцы для доступа к
токоприемникам;
в каждом кабеле был предусмотрен резерв,
состоящий не менее чем из двух жил, а в случае применения проводов-в количестве
двух проводов для каждого общего шланга;
кабели и шланги токопровода при движении кабины
не соприкасались с находящимися в шахте конструкциями, стенами или каналами;
магнитные станции не отклонялись от
вертикального положения и были надежно прикреплены к основанию;
металлические части лифтовой установки, могущие
оказаться под напряжением при нарушении изоляции токоведущих частей, были
заземлены;
была обеспечена непрерывность электрической цепи
между заземляемыми элементами и вводом заземления в лифтовую установку
(отсутствие обрывов и надежное состояние контактных соединений).
Приемо-сдаточные испытания отдельных элементов
электрооборудования кранов и подъемников (электродвигатели, пускорегулирующие
аппараты, электропроводка, заземляющие устройства и т. п.) производятся на
основе указаний, в которых рассматриваются приемосдаточные испытания
соответствующего электрооборудования.
.5 Ремонт электрооборудования мостового крана
Периодичность ремонта электрооборудования
соответствует периодичности ремонтов механической части кранов. Ремонт
выполняет электромонтер или бригада электромонтеров с обязательным участием
машиниста. При ремонте проводят следующие работы:
проверяют усилие нажатия щеток
электродвигателей;
измеряют и регулируют провалы, растворы
и усилие нажатия контактов релейно -контакторных аппаратов, конечных
выключателей и контроллеров;
осматривают и регулируют реле управления и
защиты;
проводят ревизию магнитной системы тормозных
электромагнитов;
измеряют выходное напряжение на
полупроводниковых выпрямителях;
производят (согласно заводским инструкциям)
наладку сложных схем электроприводов;
измеряют сопротивление изоляции и заменяют
поврежденную электропроводку;
затягивают все резьбовые соединения контактов
электропроводки и крепления электроаппаратов.
В ремонт и обслуживание мостовых
кранов входит замена электрооборудования мостового крана
<http://zabzavod.ru/?id=13&mid=11>, ремонт крюковых подвесок,
механических узлов, ходовых элементов, тележек передвижения и многое другое.
Электрооборудование - это
электродвигатели, электрические механизмы и приборы, которые связаны между
собой электропроводкой. Поэтому ремонт электрооборудования кранов, включает
ремонт или полную замену одного из этих элементов.
Самые распространенные
неисправности, которые встречаются в электрооборудовании кранов:
низкая крутящая способность
двигателя: возможные причины - замыкание, перегрузка и снижение мощности более
чем на 15%;
значительный шум при работе
двигателя - возможно, ротор задевается за статор;
значительный нагрев обмотки статора
- замыкание, обрыв цепи, значительное повышение напряжение и отклонение его от
нормы, износ подшипников;
значительный нагрев подшипников -
неисправности подшипников, засорение в подшипниках, применение грязной смазки;
нетипичный звук в двигателе - износ
подшипников, недостаточная запрессовка стали в статоре, несоответствующее
распределение фаз;
перегреваются и в последствии
обгорают контакты - загрязнение контактов.
Электродвигатель - это основной
элемент электрооборудования. Ремонт крановых электродвигателей может
осуществляться при таких неисправностях:
если двигатель включается рывками -
скорее всего в обмотке ротора присутствует короткое замыкание в обмотке ротора;
если двигатель при включении не
срабатывает, то замыкание, скорее всего в обмотке статора;
если механизмы не вращаются, то,
возможно, произошел обрыв одной из фаз статора;
если двигатель сильно гудит, то,
возможно, произошел разрыв цепи фаз.
В случае, если двигатель при пуске
не разворачивается или скорость его вращения ненормальная, неисправности могут
быть как механические так и электрические.
К электрическим неполадкам
относятся: внутренние обрывы в обмотке статора или ротора, обрыв в питающей сети,
нарушения нормальных соединений в пусковой аппаратуре. При обрыве обмотки
статора в нем не будет создаваться вращающееся магнитное поле
<http://electricalschool.info/main/osnovy/398-pro-magnitnoe-pole-solenoidy-i.html>,
а при обрыве в двух фазах ротора в обмотке последнего не будет тока,
взаимодействующего с вращающимся полем статора, и двигатель не сможет работать.
Если обрыв обмотки произошел во время работы двигателя, он может продолжать
работать с номинальным вращающим моментом, но скорость вращения сильно
понизится, а сила тока настолько увеличится, что при отсутствии максимальной
защиты может перегореть обмотка статора или ротора.
В случае соединения обмоток
двигателя в треугольник и обрыва одной из его фаз двигатель начнет
разворачиваться, так как его обмотки окажутся соединенными в открытый
треугольник, при котором образуется вращающееся магнитное поле, сила тока в
фазах будет неравномерной, а скорость вращения - ниже номинальной. При этой
неисправности ток в одной из фаз в случае номинальной нагрузки двигателя будет
в 1,73 раза больше, чем в двух других. Когда у двигателя выведены все шесть
концов его обмоток, обрыв в фазах определяют мегаомметром
<http://electricalschool.info/main/ekspluat/19-katushki-jelektricheskikh-apparatov.html>.
Обмотку разъединяют и измеряют сопротивление каждой фазы.
Скорость вращения двигателя при
полной нагрузке ниже номинальной может быть из-за пониженного напряжения сети,
плохих контактов в обмотке ротора, а также из-за большого сопротивления в цепи
ротора у двигателя с фазным ротором. При большом сопротивлении в цепи ротора
возрастает скольжение двигателя и уменьшается скорость его вращения.
Сопротивление в цепи ротора
увеличивают плохие контакты в щеточном устройстве ротора, пусковом реостате,
соединениях обмотки с контактными кольцами, пайках лобовых частей обмотки, а
также недостаточное сечение кабелей и проводов между контактными кольцами и
пусковым реостатом.
Плохие контакты в обмотке ротора
можно выявить, если в статор двигателя подать напряжение, равное 20-25% номинального.
Заторможенный ротор медленно поворачивают вручную и проверяют силу тока во всех
трех фазах статора. Если ротор исправен, то при всех его положениях сила тока в
статоре одинакова, а при обрыве или плохом контакте будет изменяться в
зависимости от положения ротора.
Плохие контакты в пайках лобовых
частей обмотки фазного ротора определяют методом падения напряжения. Метод
основан на увеличении падения напряжения в местах недоброкачественной пайки.
При этом замеряют величины падения напряжения во всех местах соединений, после
чего результаты измерений сравнивают. Пайки считаются удовлетворительными, если
падение напряжения в них превышает падение напряжения в пайках с минимальными
показателями не более чем на 10%.
У роторов с глубокими пазами может также
происходить разрыв стержней из-за механических перенапряжений материала. Разрыв
стержней в пазовой части короткозамкнутого ротора определяют следующим образом.
Ротор выдвигают из статора и в зазор между ними забивают несколько деревянных
клиньев, чтобы ротор не мог повернуться. К статору подводят пониженное
напряжение не более 0,25 Uном. На каждый паз выступающей части
ротора поочередно накладывают стальную пластину, которая должна перекрывать два
зубца ротора. Если стержни целые, пластина будет притягиваться к ротору и
дребезжать. При наличии разрыва притяжение и дребезжание пластины исчезают.
Двигатель разворачивается при
разомкнутой цепи фазного ротора. Причина неисправности - короткое замыкание
<http://electricalschool.info/main/osnovy/54-korotkie-zamykanija-peregruzki.html>
в обмотке ротора. При включении двигатель медленно разворачивается, а его
обмотки сильно нагреваются, так как в замкнутых накоротко витках вращающимся
полем статора наводится ток большой величины. Короткие замыкания возникают
между хомутиками лобовых частей, а также между стержнями при пробое или
ослаблении изоляции в обмотке ротора.
Это повреждение определяют
тщательным внешним осмотром и измерением сопротивления изоляции обмотки ротора.
Если при осмотре не удается обнаружить повреждение, то его определяют по
неравномерному нагреву обмотки ротора на ощупь, для чего ротор затормаживают, а
к статору подводят пониженное напряжение.
Равномерный нагрев всего двигателя
выше допустимой нормы может получиться в результате длительной перегрузки и
ухудшения условий охлаждения. Повышенный нагрев вызывает преждевременный износ
изоляции обмоток.
Местный нагрев обмотки статора,
который обычно сопровождается сильным гудением, уменьшением скорости вращения
двигателя и неравномерными токами в его фазах, а также запахом перегретой
изоляции. Эта неисправность может возникнуть в результате неправильного
соединения между собой катушек в одной из фаз, замыкания обмотки на корпус в
двух местах, замыкания между двумя фазами, короткого замыкания между витками в
одной из фаз обмотки статора.
При замыканиях в обмотках двигателя
вращающимся магнитным полем в короткозамкнутом контуре будет наводиться э. д.
с, которая создаст ток большой величины, зависящий от сопротивления замкнутого
контура. Поврежденная обмотка может быть найдена по величине измеренного
сопротивления, при этом поврежденная фаза будет иметь меньшее сопротивление,
чем исправные. Сопротивление измеряют мостом или методом амперметра - вольтметра.
Поврежденную фазу можно также определить методом измерения тока в фазах, если к
двигателю подвести пониженное напряжение.
При соединении обмоток в звезду ток
в поврежденной фазе будет больше, чем в других. Если обмотки соединены в
треугольник, линейный ток в двух проводах, к которым присоединена поврежденная
фаза, будет больше, чем в третьем проводе. При определении указанного
повреждения у двигателя с короткозамкнутым ротором последний может быть
заторможенным или вращаться, а у двигателей с фазным ротором обмотка ротора
может быть разомкнута. Поврежденные катушки определяют по падению напряжения на
их концах: на поврежденных катушках падение напряжения будет меньше, чем на
исправных.
Местный нагрев активной стали
статора происходит из-за выгорания и оплавления стали при коротких замыканиях в
обмотке статора, а также при замыкании листов стали вследствие задевания ротора
о статор во время работы двигателя или вследствие разрушения изоляции между
отдельными листами стали. Признаками задевания ротора о статор являются дым,
искры и запах гари; активная сталь в местах задевания приобретает вид
полированной поверхности; появляется гудение, сопровождающееся вибрацией
двигателя. Причиной задевания служит нарушение нормального зазора между ротором
и статором в результате износа подшипников, неправильной их установки, большого
изгиб вала, деформации стали статора или ротора, одностороннего притяжения
ротора к статору из-за витковых замыканий в обмотке статора, сильной вибрации
ротора, который определяют щупом.
Нормально работающий двигатель
издает равномерное гудение, которое характерно для всех машин переменного тока.
Возрастание гудения и появление в двигателе ненормальных шумов могут явиться
следствием ослабления запрессовки активной стали, пакеты которой будут периодически
сжиматься и ослабляться под воздействием магнитного потока. Для устранения
дефекта необходимо перепрессовать пакеты стали. Сильное гудение и шумы в машине
могут быть также результатом неравномерности зазора между ротором и статором.
Повреждения изоляции обмоток могут
произойти от длительного перегрева двигателя, увлажнения и загрязнения обмоток,
попадания на них металлической пыли, стружек, а также в результате
естественного старения изоляции. Повреждения изоляции могут вызвать замыкания
между фазами и витками отдельных катушек обмоток, а также замыкание обмоток на
корпус двигателя.
Увлажнение обмоток происходит в
случае длительных перерывов в работе двигателя, при непосредственном попадании
в него воды или пара в результате хранения двигателя в сыром неотапливаемом
помещении и т. д.
Металлическая пыль, попавшая внутрь
машины, создает токопроводящие мостики, которые постепенно могут вызвать
замыкания между фазами обмоток и на корпус. Необходимо строго соблюдать сроки
осмотров и планово-предупредительных ремонтов двигателей.
Замыкание обмотки на корпус
двигателя обнаруживают мегаомметром, а место замыкания - способом
"прожигания" обмотки или методом питания ее постоянным током.
Способ "прожигания"
заключается в том, что один конец поврежденной фазы обмотки присоединяют к
сети, а другой - к корпусу. При прохождении тока в месте замыкания обмотки на
корпус образуется "прожог", появляются дым и запах горелой изоляции.
Двигатель не идет в ход в результате
перегорания предохранителей в обмотке якоря, обрыва обмотки сопротивления в
пусковом реостате или нарушения контакта в подводящих проводах.
Для замены деталей применяются
запасные части для мостовых кранов от производителя. Ремонт производится
квалифицированными специалистами на специализированном оборудовании при
соблюдении норм и правил техники безопасности. Рассмотрим возможные
неисправности электротали при пуске и эксплуатации мостового крана, способы их
устранения, таблица 1, таблица 2 и таблица 3.
Таблица 1. Возможные неисправности и
способы их устранения в электродвигателе
|
Неисправность
|
Причина
|
Способ
устранения
|
|
Отклонение
от нормы или неисправность двигателя
|
Слишком
низкое электрическое напряжение
|
Проверить
величину напряжения питания, оно должно соответствовать 90 - 100% напряжения,
указанного в предписании
|
|
Электрический
кабель слишком короткий, в то время как отклонение от нормального напряжения
значительно
|
Подобрать
кабель нужной длины, соответствующий предписанию
|
|
Различие
в напряжении между тремя фазами
|
Проверить
напряжение питания и убедиться, что отклонение между фазами не более 3%
|
|
Короткое
замыкание
|
Проверить
электрическую цепь
|
|
Тормозной
диск электродвигателя испорчен, заржавел
|
Высвободить
тормозной диск, очистить от ржавчины, установить обратно
|
|
Во
внутреннюю часть электродвигателя попала вода
|
Заменить
электродвигатель
|
Таблица 2. Возможные неисправности и способы их
устранения в аппаратуре управления
|
Неисправность
|
Причина
|
Способ
устранения
|
|
Перегорел
контактор или трансформатор
|
Слишком
высокое или низкое напряжение, или не выключается питание при неработающем
состоянии
|
Убедитесь,
что отклонение напряжения не превышает 10% от предписанного напряжения; после
окончания работы электротали не забывайте отключать питание
|
|
Слишком
высокая температура окружающей среды или повышенная влажность
|
Избегайте
использовать кран при температуре окружающей среды выше плюс 250С
и влажности воздуха 100%
|
|
Ослаблен
соединительный наконечник или отходит контакт
|
Ослабился
из-за тряски во время транспортировки
|
Осмотреть
и восстановить его нормальное положение
|
|
Неисправна
нажимная кнопка
|
Пульт
серьезно поврежден
|
Проверка
кнопок и контактов
|
|
Разрыв
внутреннего троса управления
|
Заменить
кабель пульта, не допуская скручивания кабеля во время работы
|
Таблица 3. Прочие неисправности
|
Неисправность
|
Причина
|
Способ
устранения
|
|
Неисправен
верхний концевой выключатель
|
Неправильно
подключен электрический кабель
|
Осмотреть
и заменить контакты
|
|
Кулачок
неправильно установлен
|
Переустановить
кулачок
|
|
Тележка
перемещается неравномерно, один из роликов отходит от рельса
|
На
рельсах имеются неровности или искривления
|
Осмотреть
и удалить неровности
|
|
Таль
неправильно установлена или неправильно отрегулирована
|
Произвести
регулировку
|
4. ОХРАНА ТРУДА И ТЕХНИКА БЕЗОПАСНОСТИ
.1 Мероприятия по технике безопасности при
эксплуатации электрооборудования крана
Опасность попадания под напряжение
электрооборудования грузоподъемных кранов может возникнуть в результате
прикосновения к токоведущим его частям, а также из-за повреждения изоляции
токоведущих частей или замыкания оголенных частей с корпусом, или вследствие
шагового напряжения.
Чтобы исключить возможность попадания под
напряжение электрооборудования грузоподъемных кранов, крановщики, слесари,
электромонтеры и стропальщики должны:
) Не прикасаться к токоведущим частям на кране,
если даже они изолированы, так как их внешний вид не гарантирует отсутствия
поврежденной изоляции;
) Не заменять плавкие вставки и другие
предохранители, не чистить кулачки и барабаны контроллеров. В случае
перегорания плавких вставок или порчи электрооборудования крановщик должен
вызвать дежурного электромонтера;
) Не проверять напряжение в сети пальцами; для
проверки нужно пользоваться сигнальной лампой, вольтметром и другими приборами;
) Не прикасаться к проводам или изоляторам
каким-либо инструментом, ручки которого не изолированы;
) Не работать на кране, если неисправен
токоведущий кабель;
) Не работать на кране, если не ограждены
защитными кожухами все оголенные токоведущие части электрооборудования
(контакторы, рубильники, предохранители, выключатели, ящики сопротивления й т.
д.), расположенные в местах, где возможно случайное прикосновение к ним.
Все электрические аппараты крана, находящиеся в
местах, доступных для случайного прикосновения к их токоведущим частям, должны
иметь кожухи;
) Не выполнять работы, связанные с проверкой
напряжения тока и регулированием электроаппаратов без защитных средств.
Работать можно в диэлектрических перчатках, стоя на изолирующем основании или в
диэлектрических галошах;
) Не снимать кожухи для осмотра и ремонта электрооборудования
или для смены плавких вставок, если не отключено электрооборудование крана. При
этом на отключающих рубильниках должен быть вывешен плакат "Не включать,
работают люди";
) Не работать на кране, если его
металлоконструкция находится под напряжением;
) Не работать на кране, если кран и его крановые
пути не заземлены в соответствии с правилами техники безопасности.
Обслуживающий персонал грузоподъемных кранов
обязан соблюдать следующие противопожарные мероприятия:
не пользоваться переносными лампами с
неисправной изоляцией токоведущего провода или кабеля;
не допускать курения при заправке масляных ба-
ков и баков для горючих материалов;
не допускать применения открытого огня для
подогрева двигателя дизеля;
следить, чтобы при работе крана из редукторов и
подшипников не вытекало масло, а из баков с горючим - топливо;
не допускать хранения на кране бензина, керосина
и других легковоспламеняющихся материалов;
не оставлять на кране промасленный обтирочный
материал.
Использованный обтирочный материал следует
собирать вне крана в специальный плотно закрытый ящик;
не допускать на кране голых токоведущих
элементов, способствующих возникновению пожара.
Голые токоведущие элементы защитных панелей,
рубильников, предохранителей, токоприемников, контакторов и других частей
электрических установок должны быть надежно ограждены во избежание попадания
посторонних предметов и искр на близлежащие узлы крана.
Следить за тем, чтобы на кране были средства для
тушения могучего возникнуть пожара (ящик с песком, огнетушители и др.).
В случае возникновения пожара в цехе крановщик
обязан отвести кран в безопасное место, выключить ток рубильником в кабине
крановщика и подготовить средства для тушения пожара. Если же пожар угрожает
обвалом, крановщик обязан покинуть кран.
.2 Мероприятия по охране окружающей среды
Современный грузоподъемный кран в процессе
работы является достаточно активным источником различных загрязнений:
)Материальных:
твердых - пыль, продукты износа деталей и жидких
- при утечке смазочных материалов и РЖГ;
энергетических - тепловые выделения при
нагревании сборочных единиц механизмов, шум и вибрация при возникновении
неисправностей в механизмах и при подаче звуковых сигналов, а также
электромагнитные поля, наводимые при работе кранового электрооборудования.
)Перемещаемые грузы также могут служить
источником различных загрязнений.
Очевидно, что в проблеме охраны окружающей среды
существуют два основных направления:
активное - ликвидация источников загрязнения,
включающее рациональные и безопасные приемы управления грузоподъемным краном,
правильное и своевременное регулирование механизмов и выполнение регламентных
работ по ТО и ремонту кранов, уменьшение силы звука и длительности подачи
звуковых сигналов и пр.;
пассивное (защитное) - изолирование и
герметизация источников жидких материальных загрязнений (своевременный контроль
состояния и замена поврежденных уплотнений), экранирование (поглощение,
глушение) энергетических источников: тепловых, электромагнитных полей и шума, а
также гашение вибраций.
мостовой кран мощность
электродвигатель
5. ОРГАНИЗАЦИОННО - ЭКОНОМИЧЕСКАЯ ЧАСТЬ
Деятельность предприятий является отличительной
особенностью функционирования экономики в индустриально развитых странах.
Независимо от организационно - правовых форм и названий именно на предприятиях
осуществляется производство продукции и оказание услуг, происходит
непосредственное соединение работников с вещественными факторами производства.
Действуя в качестве субъекта рыночных отношений,
предприятие самостоятельно осуществляет свою деятельность, распоряжаясь
результатами своего производственного процесса, полученной прибылью, оставшейся
после уплаты налогов и других платежей.
Технико-экономическое обоснование проектного
решения начинается с выбора критерия экономической оценки проекта.
В качестве критерия выбора оптимального варианта
могут быть взяты различные показатели - эффективность капитальных вложений,
максимальный объем производства, наивысшие качества получаемой продукции,
минимальные потери ресурсов, темпы строительства, рост производительности
труда, ценность предлагаемого решения с социальных и других позиций. При этом
критерии оценки выражаются почти всегда через стоимость, т. е. имеют
экономический смысл.
Чаще всего экономическое обоснование
предлагаемого проекта производится на основании определения капитальных,
эксплуатационных затрат, суммы приведенных затрат, экономической эффективности
и прибыли с учетом социальных и экологических последствий. Проектный вариант
сравнивается с базовым вариантом схемы или технологии.
При рассмотрении в проекте нескольких вариантов
новой схемы или
технологии либо каждый их них сравнивается с
базовым вариантом либо они сравниваются между собой, и наиболее прогрессивный
вариант сравнивается с базовым.
Двигатель с завышенной мощностью имеет низкие
энергетические показатели работы и в этом случае происходит недоиспользование
заложенных в него материальных ресурсов. Применение двигателя недостаточной
мощности снижает производительность технологического оборудования (в данном
конкретном случае, мостового крана), приводит к перегрузке двигателя и
преждевременному выходу его из строя. Все это требует обоснованного расчета
требуемой мощности двигателя, исполнительного органа рабочей машины или
производственного механизма с учетом всех условий работы.
Полный расчет стоимости комплектующих
оборудования представлен в таблице 2.
Таблица 2. Расчет стоимости выбранного комплекта
оборудования
|
Наименование
|
Цена
единицы оборудования, руб
|
Всего,
руб
|
|
Двигатели
|
|
|
|
1.
МТН 112 - 6
|
17800
|
17800
|
|
Автомат
|
|
|
|
2.
ВА51
|
300
|
300
|
|
Магнитные
пускатели
|
|
|
|
3.
ПМЕ 013
|
155
|
310
|
|
4.
ПМЕ 124
|
396
|
792
|
|
5.
Микроконтроллер IТС200
|
515
|
515
|
|
Конечные
выключатели
|
|
|
|
6.
ВКП - 200
|
456
|
1824
|
|
Кнопки
управления
|
|
|
|
7.
КЕ - 021УЗ
|
95
|
570
|
|
8.
Электромагнитный тормоз ТКТ 200
|
3860
|
3860
|
|
9.
Кабель КРПТ - 3×2,5
|
10
рублей за метр
|
350
|
|
10.
Трубка полихлорвиниловая Б230 диаметром 4×1 мм
|
20
рублей за метр
|
200
|
|
11.
Кабель КРШС 14×1,5
|
8
рублей за метр
|
280
|
|
12.
Провод БПВЛ - 2,5
|
2
рубля за метр
|
200
|
|
13.
Провод БПВЛ - 1,5
|
1
рубль за метр
|
100
|
|
Итого:
27101 руб
|
Спецификация комплектующих выбранного
оборудования представлена в таблице 3.
Таблица 3. Спецификация
|
Позиционное
обозначение
|
Наименование
|
Количество
|
Примечание
|
|
Двигатели
|
|
|
|
М1
|
МТF112
- 6
|
1
|
5
кВт
|
|
Автоматы
|
|
|
|
QF1
|
ВА51Г31-321110Р-20УХЛЗ
|
1
|
Uном = 380 В Iр
= 50 А
|
|
Магнитные
пускатели
|
|
|
|
КМ1,2
|
ПМЕ
013
|
1
|
нереверсивный
|
|
КМ3
|
ПМЕ
124
|
2
|
нереверсивный
|
|
Микроконтроллер
|
|
|
|
IТС200
|
1
|
|
|
Конечные
выключатели
|
|
|
|
QS1-6
|
ВКП-2000
|
6
|
рычажные
с самовозвратом
|
|
Кнопки
управления
|
|
|
|
SВ1-6
|
6
|
|
|
Катушка
электротормоза
|
|
|
|
YA1-2
|
ТКТ-200/100
|
2
|
Uном = 380 В
|
В качестве аналога электродвигателя
на мостовой кран МТF112 - 6, можно рассмотреть двигатель типа МТН 211-А6
<http://motor23.vdnh.ru/1309337292>. Данный двигатель имеет аналогичные
параметры. Цена данного двигателя составляет 28800 рублей, что существенно
превышает цену выбранного двигателя. Таким образом, можно сделать вывод об
экономической эффективности выбранного электрооборудования.
6. ЗАКЛЮЧЕНИЕ
Дипломный проект состоит из введения и пяти
частей:
) Общая часть.
) Технологическая часть.
) Специальная часть.
) Охрана труда и техника безопасности.
) Организационно - экономическая часть.
Во введении рассмотрена характеристика
электрооборудования грузоподъемных механизмов, область их применения.
Общая часть состоит из следующих подразделов:
) Краткая техническая характеристика мостового
крана.
) Кинематические схемы электроприводов мостового
крана.
) Требования к системе электропривода и
обоснование выбранного типа электропривода. Требования к системе автоматики.
) Выбор рода тока и величины питающих
напряжений.
) Описание режимов и циклов работы крана.
В технологической части рассмотрены вопросы
монтажа мостовых кранов, электрооборудования и троллеев. Общие вопросы системы
планово - предупредительного ремонта и ремонт электрооборудования.
В специальной части приведено описание
принципиальной схемы управления объекта. Рассмотрены вопросы эксплуатации
электрооборудования мостового крана. Выполнен расчет мощности двигателя
механизма передвижения тележки мостового крана и сделан его выбор. Рассчитаны и
построены механические характеристики. Рассчитана и выбрана аппаратура
управления и защиты.
В разделе охраны труда и техники безопасности
рассмотрены:
) Мероприятия по технике безопасности при
эксплуатации электрооборудования крана.
) Мероприятия по охране окружающей среды.
В организационно - экономической части приведен
расчет стоимости выбранного комплекта оборудования для проведения ремонта
мостового крана.
В работе представлены необходимые рисунки,
графики и схемы. Работа может иметь практическое значение и использоваться как
методическое пособие.
7. СПИСОК ЛИТЕРАТУРЫ
.
Борисов Ю.М. Электрооборудование подъемно - транспортных машин:
М.:"Машиностроение", 1971. - 400 С.
.
Дьяков В.И. Типовые расчеты по электрооборудованию: М.: "Высшая
школа", 1991. - 108 С.
.
Кацман М.М. Электрические машины: М.:"Академия", 2006. - 495 С.
.
Кацман М.М. Справочник по электрическим машинам: М.:"Академия",
2006.- 580 С.
.
Кацман М.М. Электрический привод: М.: "Академия", 2006. - 384 С.
6. Князевский Б.А. Охрана труда в
электроустановках: М.: "Энергия", 1970. - 192 С.
. Липкин Б.Ю. Электроснабжение промышленных
предприятий и установок: М.: "Высшая школа", 1990. - 510 С.
8.
Москаленко В.В. Электрический привод: М.: "Академия", 2007. - 362 С.
.
Правила технической эксплуатации электроустановок потребителей/
Главгосэнергонадзор России: М., 2006. - 589 С.
.
Правила устройства электроустановок: М,: Энергоатомиздат, 2006. - 400 С.
.
Сборник инструкций по безопасной эксплуатации грузоподъемных кранов. - 124 С.
12. Сибикин Ю.Д. и др. Э. Электроснабжение
промышленных предприятий и установок: М.: "Высшая школа", 2001. - 610
С.
. Соколова Е.М. Электрическое и
электромеханическое оборудование: М.: "Академия", 2006. - 224 С.
14.
Ушаков П.И. Бродский М.Г. Краны и лифты промышленных предприятий. Справочник:
М.: "Металлургия", 1974. - 618 С.