Проектирование электропривода механизма подъема мостового крана

  • Вид работы:
    Курсовая работа (т)
  • Предмет:
    Другое
  • Язык:
    Русский
    ,
    Формат файла:
    MS Word
    2,9 Мб
  • Опубликовано:
    2013-09-24
Вы можете узнать стоимость помощи в написании студенческой работы.
Помощь в написании работы, которую точно примут!

Проектирование электропривода механизма подъема мостового крана

Министерство образования и науки РФ

Государственное образовательное учреждение высшего профессионального образования

«Сибирский государственный индустриальный университет»

Кафедра автоматизированного электропривода и промышленной электроники







КУРСОВОЙ ПРОЕКТ

по курсу «Теория электропривода»

«Проектирование электропривода механизма подъема мостового крана»


Выполнил:

студент гр. АЭП-09

Высоцкий А.А.





Новокузнецк, 2012 г.

Содержание

Введение

1.  Технические и технологические характеристики механизма

2.      Требования к электроприводу, выбор стандартной схемы управления двигателем

3. Расчёт и построение нагрузочных диаграмм, определение ПВ% и предварительный выбор мощности электродвигателя

.1 Расчёт продолжительности включения

.2 Статические нагрузки электродвигателя механизма подъема и предварительный выбор двигателя

. Проверка двигателя по скорости, выбор редуктора, приведение маховых моментов к оси двигателя

.1 Выбор редуктора

.2 Расчет статических моментов

.3 Проверка двигателя по скорости

.4 Приведение моментов инерции, моментов сопротивления и жесткости каната к валу двигателя

. Определение возможности неучета упругих связей

. Расчет сопротивлений и механических характеристик

.1 Расчет статических характеристик подъема

.2 Расчет статических характеристик спуска

. Построение переходных процессов, определение времени пуска и торможения, времени движения с установившейся скоростью

.1 Построение переходных процессов при пуске

.2 Построение переходных процессов при спуске

. Проверка правильности выбора электродвигателя

. Выбор троллеев и резисторов

.1 Выбор пускорегулирующих резисторов

.2 Выбор троллеев

. Техника безопасности

Заключение

Библиографический список

Введение

Важнейшими задачами в развитии металлургической промышленности является широкая механизация трудоёмких работ и автоматизация производственных процессов. В решении их значительная роль принадлежит подъемно-транспортному оборудованию и, в первую очередь, кранам, как основному средству внутрицехового транспорта.

Производительность основных цехов металлургических предприятий, например сталеплавильных, конверторных, прокатных, в значительной мере зависит от надёжности работы и производительности кранов. В то же время эффективность работы кранов существенно зависит от качественных показателей кранового электрооборудования.

Работа крана в условиях того или иного металлургического предприятия и цеха специфична и зависит от характера конкретного производственного процесса. Особые условия использования кранов металлургических цехов должны учитываться при проектировании и эксплуатации кранового электрооборудования.

На металлургических предприятиях работают мостовые краны общего назначения (крюковые, грейферные, магнитные, магнитно-грейферные) и металлургические (литейные, для раздевания слитков - стрипперные, колодцевые, посадочные и др.). Наиболее широко применяются крюковые мостовые краны общего назначения при технологических, погрузочно-разгрузочных, монтажных, ремонтных, складских и других видах работ. У этих кранов большая номенклатура типоразмеров и исполнений, их грузоподъёмность достигает 800 т., однако наиболее широко используются краны грузоподъёмностью о 5 до 320 т., имеющие от 3 до 5 двигателей.

Мостовой кран включает две основные части: мост и грузовую тележку. Кран перемещается над землёй (полом), он почти не занимает полезного объёма цеха или склада, обеспечивая в тоже время обслуживание практически любой точки помещения.

Конструктивный вид установленного крана в основном определяется спецификой цеха и его технологией. Однако многие узлы кранового оборудования, например механизма подъема и передвижения, выполняются однотипными для многих конструкций кранов. Поэтому в вопросах выбора и эксплуатации электрооборудования металлургических кранов различного назначения много общего.

электродвигатель резистор механический

1. Технические и технологические характеристики механизма

На металлургических предприятиях работают мостовые краны общего назначения (крюковые, грейферные, магнитные, магнитно-грейферные) и металлургические (литейные, для раздевания слитков, колодцевые, посадочные и др.). Конструкция кранов в основном определяется их назначением и спецификой технологического процесса.

Электрооборудование кранов металлургических цехов работает, как правило, в тяжелых условиях: повышенная запыленность и загазованность, повышенная температура или резкие колебания температуры окружающей среды, высокая влажность, влияние химических реагентов.

К электрооборудованию кранов предъявляют следующие общие требования: обеспечение высокой производительности, надежность работы, безопасность обслуживания, простота эксплуатации и ремонта и др.

Режимы работы крановых механизмов разнообразны и в основном определяются особенностью технологических процессов. При этом в ряде случаев даже однотипные краны работают в разных режимах. Неверный выбор режима при проектировании электропривода кранов ухудшает технико-экономические показатели всей установки. Так, например, выбор более тяжелого режима работы по сравнению с реальным приводит к завышению габаритов, массы и стоимости кранового электрооборудования. Выбор же более легкого режима обуславливает повышенный износ электрооборудования, частые поломки и простои. По условию, указанному в задании, механизм подъёма работает в закрытых помещениях (внутри цеха) в одну - две смены.

В цехах металлургических предприятий применяются крановые электродвигатели трёхфазного переменного тока (асинхронные) и постоянного тока (последовательного или параллельного возбуждения). Они работают, как правило, в повторно-кратковременном режиме при широком регулировании частоты вращения, причём работа их сопровождается значительными перегрузками, частыми пусками, реверсами и торможениями. Кроме того, электродвигатели крановых механизмов работают в условиях повышенной тряски и вибраций. В ряде металлургических цехов они, помимо всего этого, подвергаются воздействию высокой температуры (до 60-70 °С), паров и газов.

Основные особенности крановых электродвигателей:

·        исполнение обычно закрытое, изоляционные материалы имеют класс нагревостойкости F и H;

·        момент инерции ротора по возможности минимальный, а номинальные частоты вращения относительно небольшие - для снижения потерь энергии при переходных процессах;

·        магнитный поток относительно велик - для обеспечения большой перегрузочной способности по моменту;

·        значение кратковременной перегрузки поп моменту для крановых электродвигателей переменного тока составляет 2,3 - 3,5;

·        для крановых электродвигателей переменного тока за номинальный принят режим с ПВ = 40%, а для электродвигателей постоянного тока наряду с этим режимом - режим 60 минут (часовой);

·        отношение максимально допустимой рабочей частоты вращения к номинальной составляет для электродвигателей постоянного тока 3,5- 4,9 , для электродвигателей переменного тока -2,5.

2. Требования к электроприводу, выбор стандартной схемы управления двигателем

Основными критериями оценки при выборе той или иной схемы электропривода крановых механизмов являются: надежность и устойчивость работы, стоимость электрооборудования, эксплуатационные расходы, масса и габариты элементов системы, удобство её управления.

Основные механизмы таких установок, как правило, имеют реверсивный электропривод, рассчитанный для работы в интенсивном повторно-кратковременном режиме. В каждом рабочем цикле имеют место неустановившиеся режимы работы электропривода: пуски, реверсы, торможения, оказывающие существенное влияние на производительность механизма, на динамические нагрузки привода и механизму, на КПД установки и на ряд других факторов. Все эти условия предъявляют к электроприводу сложные требования, в значительной степени общие для всей группу крановых механизмов.

Дополнительными критериями оценки, свойственными крановым механизмам, являются диапазон регулирования, плавность регулирования, жесткость характеристик, допустимая нагрузка, удобство и простота обслуживания.

С точки зрения специфичности работы различаются системы управления механизмами подъёма, передвижения и поворота.

Системы управления электроприводами механизмов подъема должна обеспечивать широкий диапазон регулирования скорости. При этом спуск и подъем пустого грузозахватного устройства целесообразно осуществлять с максимальной скоростью для повышения производительности крана.

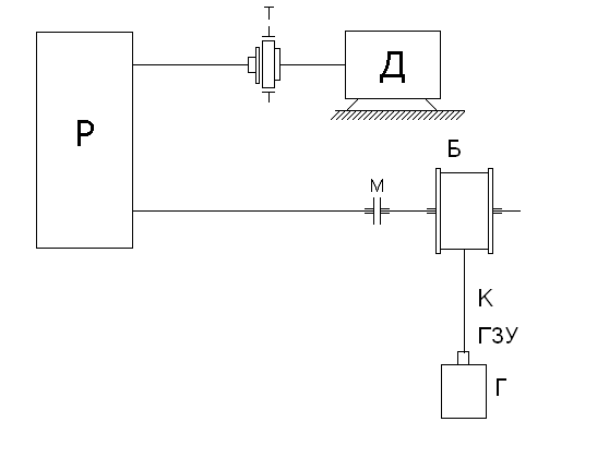
Кинематическая схема механизма подъема мостового крана приведена на рисунке 1. Буквенные обозначения: Д - электродвигатель; Т -механический тормоз; Р - редуктор; М - муфта; Б - барабан; К - канат; ГЗУ - грузозахватное устройство; Г - груз.

Рисунок 1. Кинематическая схема механизма подъема мостового крана

Для электродвигателей постоянного тока последовательного возбуждения применяются силовые кулачковые контроллеры серии КВ1-02 и магнитные контроллеры серий ПС и ДПС [1, с. 121-122]

В соответствии с заданием необходимо выбрать схему управления с магнитными контроллерами. Наиболее подходящим вариантом для управления электроприводом будет схема с магнитным контроллером типа ПС с командоконтроллером на 4 позиции [1, с. 125, рис 33]. Схема данной системы управления приведена на рисунке 2.

Рисунок 2. Схема магнитного контроллера серии ПС

Подъем порожнего крюка осуществляется с большой скоростью, спуск - с малой. Пуск двигателя производится в функции времени. Схема предусматривает реверсирование и электрическое торможение электродвигателя. При первом положении подъема рукоятки командоконтроллера происходит выбирание слабины канатов и подъем легких грузов на малой скорости. При переводе рукоятки в последующие положения подъема осуществляется последующий пуск электродвигателя или регулирование его скорости. Контроль ускорения в схеме осуществляется с помощью реле времени КТ2 и КТ4. При переводе рукоятки в нулевое положение двигатель отключается от сети и происходит его динамическое торможение.

При неисправности механического тормоза схема предусматривает опускание груза на пониженной скорости с применением электрического торможения двигателя. При переводе рукоятки командоконтроллера из нулевого положения в первое и последующие положения спуска сопротивление постепенно выводится из цепи якоря и одновременно вводится в цепь последовательной обмотки возбуждения. Уменьшение сопротивления цепи якоря уменьшает наклон механических характеристик, а увеличение сопротивления обмотки возбуждения приводит к уменьшению потока возбуждения и увеличению скорости спуска.

Схема магнитного контроллера серии ПС имеет три защиты:

1.      Максимальная токовая защита мгновенного действия, осуществляемая реле КА1 и КА2;

2.      Нулевая защита, осуществляемая реле KV, предупреждает самозапуск двигателя при восстановлении внезапно исчезнувшего напряжения, если рукоятка командоконтроллера не находилась в нулевом положении;

.        Конечная защита кранового механизма, осуществляющаяся с помощью конечных выключателей SQ1 и SQ2.

3. Расчёт и построение нагрузочных диаграмм, определение ПВ% и предварительный выбор мощности электродвигателя

3.1 Расчёт продолжительности включения


Построим циклограмму работы кранового механизма в пространстве:

Рисунок 3. Циклограмма работы кранового механизма

Для определения ПВ% необходимо рассчитать время включения и время ожидания. Общий цикл работы состоит из нескольких частей: спуск крюка, строповка, подъем крюка с грузом, движение тележки и самого моста крана, спуск крюка с грузом, снятие груза с крюка, подъём крюка.

Время для захвата или снятия груза с крюка:

 с (принимаем  с);

Время подъёма или спуска:

,

где H - высота подъёма, H=12 м (здесь и далее высоты, скорости и расстояния берутся из технологического задания, если не указано иное)

 - скорость подъёма (22м/мин=0.37 м/с).

;

Время движения моста:

,

где L - длина перемещения моста, равная длине цеха (60 м),

 - скорость перемещения моста (22 м/мин = 0,37 м/с).


Время движения тележки:

,

где W - расстояние передвижения тележки, равное ширине цеха (20 м),

 - скорость перемещения тележки (24 м/мин = 0,4 м/с).


Время работы определится:


Длительность цикла:


Определим ПВ%:


Ближайшее стандартное значение ПВ: 25%, что соответствует режиму работы двигателя S3 (повторно-кратковременный).

.2 Статические нагрузки электродвигателя механизма подъема и предварительный выбор двигателя

а) Подъем груза

Рассчитываем статическую мощность, приведённую к валу двигателя [1, с. 20, ф. 1.5]:

,

где G - сила тяжести полезного груза, Н;

 - сила тяжести грузозахватного устройства, Н;

v - скорость подъема, м/с;

 - КПД подъемного механизма, учитывающий потери на трение в редукторе, барабане, подшипниках, блоках и т.д., определяется по [1, с. 21, рис.1] в соответствии со значением .

Произведем расчет. Значения массы грузозахватывающего устройства  и грузоподъемности крана m возьмем из технологического задания:

Для механизма подъема

. В соответствии с [1, с. 21, рис.1] .

Таким образом,

.

б) Подъем пустого грузозахватного устройства

Мощность, необходимая для подъема пустого грузозахватного устройства [1, с. 21, ф.1.8]:

,

где  - КПД ЭП при подъеме пустого грузозахватного устройства, в соответствии с [1, с. 21, рис.1]

в) Спуск груза

Момент сил трения при спуске груза определим по формуле [1, с. 22, ф.1.14]:

,

где - диаметр барабана (см. технологическое задание), i - полное передаточное число промежуточных передач от вала ЭД до грузозахватного устройства.

Статический момент при силовом спуске груза [1, с. 22, ф.1.12]:

.

Т.к. расчет предварительный и i нам не неизвестно,  рассчитаем символически:


Т.к. <0, то спуск не силовой, а тормозной. При тормозном спуске мощность определяется по формуле [1, с. 22, ф.1.15] (КПД кранового механизма при спуске  принимают приближенно равным КПД при подъеме , скорость спуска равна скорости подъема):


г) Спуск пустого грузозахватного устройства

Для определения статического момента при спуске пустого грузозахватного устройства воспользуемся формулами [1, с. 22, ф.1.14] и [1, с. 22, ф.1.12], в которых примем G=0.

КПД спуска  равен КПД подъема пустого груза :

Т.к. расчет предварительный и i нам не неизвестно,  рассчитаем символически:


Так как >0, то спуск силовой.

Для расчета нам потребуется значение мощности

:  [1, с. 22, ф.1.13]:


Мощность при силовом спуске грузозахватного устройства:


Мощности, приведенные к стандартному значению ПВ:

;


Расчетная эквивалентная мощность:

, где  - время подъема.


Номинальная мощность двигателя должна удовлетворять условию:

РН ³ 1,15×РЭКВ = 1,15×35,3 = 40,595 кВт

Исходя из условий мощности предварительно выбираем двигатель Д810 с последовательным возбуждением [3, с.102-103, табл. 3.4, 3.10, 3.12]:

номинальная мощность РН (при ПВ% = 25%) .49 кВт;

номинальное напряжение UН  220 В;

номинальный ток якоря IН   255 А;

номинальная частота вращения nН  520 об/мин;

максимальный вращающий момент  4210 Н×м;

момент инерции якоря JЯ  3,6 кг×м2;

сопротивление обмотки якоря при 20 0С  0,0232 Ом;

сопротивление обмотки возбуждения при 20 0С  0,0160 Ом;

сопротивление обмотки добавочных полюсов при 20 0С   0,0122 Ом.

Универсальные характеристики двигателя Д-810 приведены на рисунке 5.

Рисунок 4. Универсальные характеристики двигателя типа Д810 с последовательным возбуждением.

На основании универсальных характеристик построим ЭМХ и МХ двигателя.

кВт; об/мин; А.


; ;

Характеристики двигателя типа Д810 с последовательным возбуждением.

Составим таблицу:

Таблица 1.

I*

0,375

0,5

0,75

1

1,25

1,5

1,75

2

2,25

2,5

2,75

3

n*

1,5

1,3

1,15

1

0,95

0,9

0,8

0,75

0,7

0,65

0,6

0,55

M*

0,25

0,4

0,6

1

1,2

1,6

2

2,3

2,6

2,9

3,25

 

I, A

95,63

128

191,3

255

318,8

383

446,3

510

573,8

638

701,3

765

n, об/мин

780

676

598

520

494

468

416

390

364

338

312

286

M, Н*м

225

360

539,9

900

1080

1440

1800

2070

2340

2610

2925

0


Рисунок 5. Естественная ЭМХ двигателя Д-810

Рисунок 6. Естественная МХ двигателя Д-810

По полученным значениям мощностей и величинам времени рабочих операций строим нагрузочную диаграмму мощности:

Рисунок 7. Нагрузочная диаграмма электродвигателя

4. Проверка двигателя по скорости, выбор редуктора, приведение маховых моментов к оси двигателя.


.1 Выбор редуктора

Определим требуемое передаточное число редуктора:

.

Так как относительно к редукторам режим ПВ=25% считается легким, то мощность редуктора должна удовлетворять условию [9, с.62] . Из [9, с. 66, табл. III.56] выберем редуктор типа Ц2-650.

Параметры редуктора Ц2-650:

скорость вращения быстроходного вала  600 об/мин

передаточное число редуктора  19.88

мощность при тяжелом режиме работы  103,5 кВт

При данном значении передаточного числа редуктора применение полиспаста не требуется.

.2 Расчет статических моментов

а) Статический момент при подъеме номинального груза [1, с. 20, ф.1.6]:


б) Статический момент при подъеме пустого грузозахватного устройства [1, с. 21, ф.1.9]:


в) Статический момент при тормозном спуске номинального груза [1, с. 22, ф.1.16]:


г) Статический момент при силовом спуске грузозахватного устройства. Используем формулу [1, с. 21, ф.1.12], принимая G = 0:


д) Номинальный момент электродвигателя:

Статические моменты в долях:


4.3 Проверка двигателя по скорости

Согласно естественной МХ двигателя Д810 (рисунок 5) значению  соответствует значение скорости 490 об/мин. Скорость подъема будет составлять . Разница между фактической и требуемой скоростью подъема составляет 1,5%<10%, следовательно, двигатель по скорости проходит.

.4 Приведение моментов инерции, моментов сопротивления и жесткости каната к валу двигателя

Общий момент инерции механизма и груза, приведенный к валу двигателя:

,

где  - момент инерции якоря двигателя (см. технические данные двигателя Д-810 выше);

 - момент инерции поступательно движущихся груза и грузозахватного устройства;

 - момент инерции тормозного шкива и муфты. Обычно меньше остальных слагаемых на порядок, поэтому он не рассчитывается, а учитывается в коэффициенте, равном 1.25.

Момент инерции поступательно движущейся массы грузозахватного устройства:


Общий момент инерции грузозахватного устройства с грузом:


Момент инерции грузозахватного устройства:


Найдем радиус приведения поступательно движущихся масс:


Найдем приведенное значение момента сопротивления:


Приведенный момент потерь:


Приведенная жесткость каната между грузом и барабаном:

, где  - жесткость одного метра подъемного каната;  - радиус приведения;  - высота подъема груза.

Отсюда:


5. Определение возможности неучета упругих связей

Составим расчетную схему механической части ЭП с учетом того, что имеется только одна упругая связь с конечной жесткостью (связь, представленная канатом между барабаном и грузозахватным устройством):

Рисунок 8. Расчетная схема механической части ЭП

В данной схеме

,

где  - момент инерции якоря ЭД,

 - момент инерции муфты,

 - суммарный момент инерции колес редуктора,

 - приведенный момент инерции барабана.

Примем

Для данной расчетной схемы на основании основного уравнения движения электропривода можно записать:

На основании данной системы составим структурную схему:

Рисунок 9. Структурная схема упругой двухмассовой системы

Исследуем данную схему как объект управления. Для этого примем возмущающие воздействия  и  равными 0 и преобразуем схему следующим образом:

Рисунок 10. Преобразованная структурная схема упругой двухмассовой системы

В соответствии с правилами преобразования структурных схем перенесем воздействие  с входа звена  на его выход:

Рисунок 11. Окончательная структурная схема упругой двухмассовой системы

Передаточная функция цепи ООС:


С учетом ПФ цепи ООС определим следующие передаточные функции:

ПФ по :


Введем следующие обозначения:

 - соотношение моментов инерции маховых масс;

 - резонансная частота двухмассовой упругой системы;

 - резонансная частота второй маховой массы при  (такое допущение оправдано, т.к. , , т.е. ).

С учетом введенных в рассмотрение величин ПФ по  примет вид:


Для анализа свойств системы построим совместно ее асимптотическую ЛАХ и ЛФХ:

Рисунок 12. Асимптотическая ЛАХ и ЛФХ системы

Частоты сопряжения на асимптотической ЛАХ равны резонансным частотам для первой и второй маховых масс.

Найдем соотношение частот сопряжения:

.

Видно, что частоты сопряжения отличаются гораздо меньше, чем на 2 октавы, следовательно, асимтотические ЛАХ можно складывать алгебраически.


Рисунок 13. Структурная схема механической части ЭП с абсолютно жесткими связями

В этой схеме:

;

ЛАХ и ЛФХ для такой системы выглядят следующим образом:

Рисунок 14. Асимптотическая ЛАХ и ЛФХ системы с абсолютно жесткими связями

6. Расчет сопротивлений и механических характеристик

На рисунке 16 показаны механические характеристики электропривода с магнитным контроллером серии ПС [4, с. 151, рис. 2-61]. Каждая характеристика соответствует одному положению рукоятки командоконтроллера. Развертки схемы контроллера ПС для различных положений рукояти командоконтроллера показаны на рисунке 15 [4, с. 153, рис. 2-62].

Рисунок 15. Развертка схемы магнитного контроллера серии ПС для различных положений рукоятки командоконтроллера

Рисунок 16. Механические характеристики электродвигателя при управлении магнитным контроллером серии ПС.

.1 Расчет статических характеристик подъема

При положении рукояти командоконтроллера в позиции 1 осуществляется торможение двигателя противовключением с использованием шунтирования якоря.

Для построения пусковой диаграммы необходимо задаться токами переключения. Примем токи переключения: , . При таких значениях токов переключения сопротивления резисторов в схеме контроллера будут отличаться от рассчитанных выше.

Построим пусковую диаграмму. Для этого осуществим предварительные расчеты:

Максимальный ток переключения:

Полное сопротивление пускового реостата:

Ом

Значение скорости при полностью введенном пусковом реостате и минимальном токе переключения:


Осуществим построение пусковой диаграммы:

Рисунок 16. Пусковая диаграмма двигателя при груженом пуске

Из диаграммы видно, что пуск осуществляется в три ступени.

Соответственно, пусковой реостат будет иметь три секции с сопротивлениями:

Ом

Ом

 Ом

Поскольку схема командоконтроллера предусматривает три пусковых реостата (см. рис.14) 1У, 2У, 3У, примем, что  соответствует 1У,  соответствует 2У,  соответствует 3У,

.2 Расчет статических характеристик спуска

В соответствии с развертками силовых цепей двигателя при различных схемах управления все схемы спуска осуществляются в схемах с шунтированием якоря обмоткой возбуждения. Методика расчета искусственных характеристик для подобных схем приведена в [4, с. 136, ф. 2-79, 2-80; с.140, табл. 2-10].

Рассчитаем характеристики, соответствующие схемам спуска 1 - 4. Для организации схем будем использовать реостаты, сопротивления которых рассчитаны при расчете пусковой диаграммы (это делается в целях рационализации схемы управления двигателем).

Осуществим построение искусственных электромеханических характеристик для режима спуска.

Таблица 2. Характеристика 1, обеспечивающая низкую скорость спуска при статическом моменте, близком к номинальному:

M

n

I

-179,981

0

-76,5

-89,9903

-4,68

-51

0

-9,36

0

89,9903

-14,04

51

179,9806

-18,72

76,5

269,9709

-23,4

102

359,9612

-28,08

127,5

449,9515

-32,76

153

539,9418

-37,44

178,5

629,9321

-42,12

204

719,9224

-46,8

229,5

809,9127

-51,48

255

899,903

-56,16

280,5

989,8933

-60,84

306

1079,884

-65,52

331,5


Таблица 3. Характеристика 2:

M

n

I

-44,9952

0

-12,75

0

-18,2

0

89,9903

-36,4

51

179,9806

-72,8

76,5

269,9709

-109,2

102

359,9612

-145,6

127,5

449,9515

-182

153

539,9418

-218,4

178,5

629,9321

-254,8

204

719,9224

-291,2

229,5

809,9127

-327,6

255

899,903

-364

280,5

989,8933

-400,4

306

1079,884

-436,8

331,5


Таблица 4. Характеристика 3:

M

n

I

-269,971

0

-102

-179,981

-72,8

-76,5

-89,9903

-127,4

-51

0

-171,08

0

89,9903

-200,2

51

179,9806

-225,68

76,5

269,9709

-254,8

102

359,9612

-291,2

127,5

449,9515

-327,6

153

539,9418

-364

178,5

629,9321

-400,4

204

719,9224

-436,8

229,5

809,9127

-473,2

255

899,903

-509,6

280,5

989,8933

-546

306

1079,884

-582,4

331,5


Таблица 5. Характеристика 4, обеспечивающая силовой спуск грузозахватного устройства со скоростью, близкой к номинальной:

M

n

I

-2699,71

0

-790,5

-2609,72

-18,2

-765

-2519,73

-36,4

-739,5

-2429,74

-54,6

-714

-2339,75

-72,8

-688,5

-2249,76

-91

-663

-2159,77

-109,2

-637,5

-2069,78

-127,4

-612

-1979,79

-145,6

-586,5

-1889,8

-163,8

-561

-1799,81

-182

-535,5

-1709,82

-200,2

-510

-1619,83

-218,4

-484,5

-1529,84

-236,6

-459

-1439,84

-254,8

-433,5

-1349,85

-273

-408

-1259,86

-291,2

-382,5

-1169,87

-309,4

-357

-1079,88

-327,6

-331,5

-989,893

-345,8

-306

-899,903

-364

-280,5

-809,913

-382,2

-255

-719,922

-400,4

-229,5

-629,932

-418,6

-204

-539,942

-436,8

-178,5

-449,952

-455

-153

-359,961

-473,2

-127,5

-269,971

-491,4

-102

-179,981

-509,6

-76,5

-89,9903

-527,8

-51

0

-546

-25,5

89,9903

-564,2

0

179,9806

-582,4

25,5

269,9709

-600,6

51

359,9612

-618,8

76,5

449,9515

-637

102

539,9418

-655,2

127,5

629,9321

-673,4

153

719,9224

-691,6

178,5

809,9127

-709,8

204

899,903

-728

229,5

989,8933

-746,2

255

1079,884

-764,4

280,5


Спуск пустого грузозахватного устройства будем осуществлять по характеристике 4, которая обеспечивает силовой спуск в широком диапазоне скоростей. Спуск номинального груза будем осуществлять по характеристикам 1 - 3. Характеристика обеспечивает низкую посадочную скорость - 50 об/мин, т.е. менее 10 % от номинальной скорости.

Рисунок 18. Электромеханические характеристики спуска

Рисунок 19. Механические характеристики спуска

7. Построение переходных процессов, определение времени пуска и торможения, времени движения с установившейся скоростью

Расчет и построение переходных характеристик для тока якоря, скорости и момента при пуске осуществим методом численного интегрирования пусковой диаграммы (методом Эйлера), суть которого заключается в решении следующего уравнения:


Для этого ось скоростей разбиваем от начальной до конечной скорости на ряд интервалов (приращений) Dwi. При сложении скорости на предыдущем интервале Dwi-1 и приращение Dwi, получаем текущее значение скорости wi. По механической характеристике на каждом интервале определяем средние значения моментов двигателя Mi. Для каждого интервала скорости рассчитываем интервал времени Dti. Текущее время: .

Решив систему уравнений итерационным способом, находим все необходимые величины:


Поскольку наша пусковая диаграмма является электромеханической, т.е. построена в осях и I, то для осуществления построения по методу Эйлера необходимо перейти от значений токов к значениям моментов. Такой переход осуществим с помощью универсальных характеристик двигателя Д810 (рисунок 4).

Построение будем осуществлять как для груженого пуска (с номинальным грузом), так и для пуска без груза (нагрузкой является грузозахватное устройство). Статические моменты для этих случаев были рассчитаны выше.

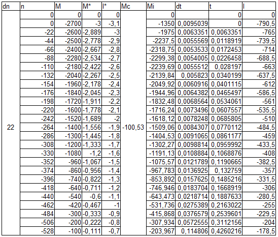
.1 Построение переходных процессов при пуске

Таблица 6.  

dn

n

I

I*

M*

Мс

Mi

dt

t

M

22

0

561

2,2

2,55

1103,5

0

0

2294,8


22

540

2,12

2,5


1124,88

0,554

0,554

2249,8


44

520

2,04

2,37


1628,82

0,023

0,577

2132,8


66

510

2

2,3


1849,3

0,016

0,593

2069,8


88

495

1,94

2,25


1937,04

0,014

0,607

2024,8


110

480

1,88

2,15


1935,92

0,014

0,621

1934,8


132

460

1,8

2,05


1890,36

0,015

0,636

1844,8


154

440

1,73

1,95


1822,58

0,017

0,653

1754,8


176

420

1,65

1,85


1743,7

0,019

0,671

1664,8


198

408

1,6

1,8


1681,76

0,021

0,692

1619,8


198

561

2,2

2,55


1988,26

0,013

0,7

2294,8


220

537

2,11

2,47


2105,51

0,012

0,712

2222,8


242

512

2,01

2,35


2110,14

0,012

0,724

2114,8


264

485

1,9

2,19


2040,46

0,013

0,736

1970,8


286

457

1,79

2,04


1938,13

0,014

0,751

1835,8


308

435

1,71

1,95


1846,47

0,016

0,767

1754,8


330

408

1,6

1,8


1733,15

0,019

0,785

1619,8


330

561

2,2

2,55


2013,95

0,013

0,787

2294,8


352

490

1,92

2,2


1996,87

0,013

0,8

1979,8


370

408

1,6

1,8


1808,35

0,017

0,817

1619,8


370

561

2,2

2,55


2051,55

0,013

0,82

2294,8


396

495

1,94

2,25


2038,17

0,013

0,833

2024,8


418

440

1,73

1,95


1896,49

0,015

0,848

1754,8


440

415

1,63

1,84


1776,15

0,018

0,865

1655,8


462

390

1,53

1,7


1653

0,022

0,887

1529,8


484

340

1,33

1,42


1465,43

0,033

0,92

1277,9


506

290

1,14

1,2


1272,66

0,07

0,99

1079,9


520

255

1

1


1086,28

0,692

1,682

899,9


Рисунок 18. Переходный процесс для момента при груженом пуске

Рисунок 19. Переходный процесс для тока якоря при груженом пуске

Рисунок 20. Переходный процесс для скорости при груженом пуске

Время пуска составляет 1,68 с.

) Построение переходного процесса для скорости, тока и момента при холостом пуске.

Таблица 7.

dn

n

I

I*

M*

Мс

Mi

dt

t

M

22

0

561

2,2

2,21

132,28

0

0

0

1988,79


22

540

2,118

2,02


907,843

0,015

0,015

1815,69


44

520

2,039

1,94


1326,47

0,01

0,025

1745,11


66

510

2

1,9


1518,15

0,009

0,034

1709,82


88

495

1,941

1,84


1587,51

0,008

0,042

1656,88


110

480

1,882

1,78


1595,73

0,008

0,05

1603,94


132

460

1,804

1,7


1564,55

0,008

0,058

1533,36


154

440

1,725

1,63


1513,66

0,009

0,067

1462,78


176

420

1,647

1,55


1452,93

0,009

0,076

1392,2


198

408

1,6

1,5


1401,39

0,009

0,09

1349,85


198

561

2,2

2,1


1645,6

0,008

0,093

1889,8


220

537

2,106

2,01


1725,35

0,007

0,1

1805,1


242

512

2,008

1,91


1721,11

0,007

0,108

1716,87


264

485

1,902

1,8


1671,35

0,008

0,116

1621,59

457

1,792

1,69


1597,06

0,008

0,124

1522,78


308

435

1,706

1,61


1521,1

0,009

0,132

1445,14


330

408

1,6

1,5


1435,48

0,009

0,147

1349,85


330

561

2,2

2,1


1662,64

0,008

0,149

1889,8


352

490

1,922

1,82


1650,94

0,008

0,157

1639,24


370

408

1,6

1,5


1500,4

0,009

0,17

1349,85


370

561

2,2

2,1


1695,1

0,008

0,173

1889,8


396

495

1,941

1,84


1675,99

0,008

0,181

1656,88


418

440

1,725

1,63


1569,39

0,008

0,189

1462,78

 

440

415

1,627

1,53


1471,97

0,009

0,198

1374,56

 

462

390

1,529

1,43


1379,15

0,01

0,207

1286,33

 

484

340

1,333

1,23


1244,52

0,011

0,218

1109,88

 

506

290

1,137

1,04


1088,97

0,012

0,23

933,429

 

520

255

1

0,9


949,443

0,015

0,245

809,913


Рисунок 21. Переходный процесс для момента при холостом пуске

Рисунок 22. Переходный процесс для тока якоря при холостом пуске

Рисунок 23. Переходный процесс для скорости при холостом пуске

Время пуска составляет 0,222 с.

7.2 Построение переходных процессов при спуске

Таблица 8.


Рисунок 24. Переходный процесс для момента при спуске номинального груза

Рисунок 25. Переходный процесс для тока якоря при спуске номинального груза

Рисунок 26. Переходный процесс для скорости при спуске номинального груза

Время переходного процесса составляет 3,5 с.

Таблица 9.


Рисунок 27. Переходный процесс для момента при спуске пустого грузозахватного устройства

Рисунок 28. Переходный процесс для тока якоря при спуске пустого грузозахватного устройства

Рисунок 29. Переходный процесс для скорости при спуске пустого грузозахватного устройства

Время переходного процесса составляет 0,43 с.

8. Проверка правильности выбора электродвигателя

Для проверки двигателя по нагреву применяем метод эквивалентного тока.

Рассчитаем эквивалентные токи на каждом интервале времени (значения интервалов времени берутся из графиков переходных процессов для тока якоря). Участки между моментами переключения аппроксимируются трапециями, и используется соответствующая формула.

1)      С грузом:

А) Пуск

 (время действия t=0.69 c);

 (время действия t=0.1c);

 (время действия t=0.03c);

 (время действия t=0.863 c);

Б) Подъем:

 t=32,43-(1,682+3,5)=27,25 с (время действия номинального тока определится как разность между временем подъема и временем переходных процессов пуска и торможения);

В) Переходные процессы при спуске:

 (время действия t=0,03c);

 (время действия t=0,178 c);

 (время действия t=2,95c);

 (время действия t=3,5 c);

Г) Спуск

 время действия 35,48 с

Находим общий эквивалентный ток:


2)      Без груза:

А) Пуск:

 (время действия t=0.13c);

 (время действия t=0.2c);

Б) Подъем пустого грузозахватного устройства:

 (время действия t=32,43);

В) Переходные процессы при спуске:

 (время действия t=0,43c);

Г) Спуск пустого грузозахватного устройства

время действия t=32,43

Находим общий эквивалентный ток:


Находим итоговый эквивалентный ток за время всего цикла:


Получаем:  двигатель по нагреву проходит. Следовательно, двигатель Д810 для данного привода выбран правильно.

9. Выбор троллеев и резисторов

.1 Выбор пускорегулирующих резисторов

В качестве пускорегулирующих резисторов по [1, с. 70, табл. 26] выберем ящики с ленточными фехралевыми резисторами типа НФ-1А, рассчитанных на длительный ток 400 А. Поскольку подобные ящики имеют несколько ступеней с различными сопротивлениями, то их комбинацией могут быть достигнуты требуемые значения сопротивлений.

.2 Выбор троллеев

Для крановых электродвигателей возможно применение токоподвода различных типов. В качестве токоподвода для нашего двигателя выберем жесткий троллейный как наиболее надежный и дешевый, а также обеспечивающий малый износ при ПВ порядка 40 %.

Токоподвод будет выполнен в виде системы вспомогательных троллеев, расположенных вдоль моста. В качестве основного конструкционного элемента троллеев выберем стальные уголки размером 50х50х5 мм [1, с.104].

В качестве токоприемника выберем токоприемник типа ТКН-9А-1У1, рассчитанных на номинальный ток 400 А [1, с. 104, табл. 33].

10. Техника безопасности

При обслуживании и ремонте кранового электрооборудования следует строго руководствоваться Правилами технической эксплуатации электроустановок потребителей, Межотраслевыми правилами по охране труда при эксплуатации электроустановок, Правилами устройства электроустановок, Правилами устройства и безопасной эксплуатации грузоподъёмных машин и местными инструкциями в условиях конкретного цеха

Если работа на электродвигателе связана с прикосновением к токоведущим и вращающимся частям, электродвигатель должен быть отключен с выполнением технических мероприятий, предотвращающих его ошибочное включение. Не допускается снятие ограждения вращающихся частей двигателя.

При выполнении любых работ на электродвигателе напряжение должно быть снято со всего электрооборудования крана, допускается установка заземления на время производства работ. На коммутационных аппаратах, осуществляющих подачу напряжения на электрооборудование крана, должно быть вывешено предупреждение “Не включать, работают люди”.

Напряжение на шинах распределительных устройств должно поддерживаться в пределах 100-105%. Не рекомендуется использовать электродвигатель при питающем напряжении ниже 90% и выше 110% от номинального.

На электродвигателе должен контролироваться ток якоря, что обеспечивается соответствующим включением амперметров.

На щитках и групповых сборках кранового электрооборудования должны быть предусмотрены вольтметры или сигнальные лампы.

Повторное включение электродвигателя в случае отключения его основными защитами разрешается после обследования и проведения контрольных измерений сопротивления изоляции.

Повторное включение электродвигателя в случае действия резервных защит до выяснения причины отключения не допускается.

Электродвигатель должны быть немедленно отключен от сети в следующих случаях:

-     при несчастных случаях с людьми;

-       появлении дыма или огня из корпуса электродвигателя, а также из его пускорегулирующей аппаратуры и устройства возбуждения;

-       поломке приводного механизма;

-       резком увеличении вибрации подшипников агрегата;

-       перегреве подшипников.

         Порядок включения электродвигателя для опробования после ремонта или ТО должен быть следующим:

-     производитель работ удаляет бригаду с места работы, оформляет окончание работы и сдает наряд оперативному персоналу;

-       оперативный персонал снимает установленные заземления, плакаты, выполняет сборку схемы.

После опробования при необходимости продолжения работы на электродвигателе оперативный персонал вновь подготавливает рабочее место и бригада по наряду повторно допускается к работе на электродвигателе.

Безопасность обслуживания и работы крана в значительной мере зависит от умения крановщика правильно работать с контроллерами и командоконтроллерами.

Все работы по ремонту контроллеров следует вести при полностью снятом напряжении, отключив рубильник главной цепи.

Категорически запрещается подъём и горизонтальное перемещение груза вблизи местонахождения людей.

При осмотре и проверке цепей управления кранового электрооборудования следует обратить особое внимание на состояние блокировочных контактов люка и боковых дверей выхода на мост, так как при выходе на мост с помощью этих контактов выполняется ответственная операция - снимается напряжение всех токоведущих частей, находящихся на мосту.

При ремонте главных троллеев крана работа производится следующим образом:

Если на кране кабина машиниста расположена со стороны главных троллеев, то ремонт их производят с переносных лесов.

Если же кабина расположена в середине моста или в стороне противоположной главным троллеям, то ремонт производят с лесов, находящихся на самом мосту.

На время ремонта главных троллеев рубильник распределительного пункта, от которого питается кран, должен быть отключен и на приводе его должен быть вывешен плакат «Не включать, на троллеях работают люди». Главные троллеи должны быть обязательно закорочены и заземлены. [10, 11, 12]

Заключение

Согласно технологическому заданию, был спроектирован электропривод механизма подъема мостового крана, отвечающий всем требованиям задания. Отклонение скорости подъема от заданной составляет менее 10%, электродвигатель проходит по нагреву, что обеспечивает его долговременную работу. Троллеи выбраны из расчета наибольшей надежности и долговечности службы.

Выбранная схема управления двигателем предусматривает реверсирование и электрическое торможение электродвигателя

Схема магнитного контроллера серии ПС имеет три защиты: максимальную токовую защиту мгновенного действия; нулевую защиту, предупреждающую самозапуск двигателя при восстановлении внезапно исчезнувшего напряжения; конечную защиту кранового механизма.

К достоинствам этой схемы можно отнести то, что для управления контроллером требуются малые усилия со стороны оператора; для управления контроллером в кабине оператора размещаются, как правило, только малогабаритные командоконтроллеры - это позволяет уменьшить размеры кабины и максимально увеличить обзор рабочего пространства.

Таким образом, спроектированный электропривод отвечает всем технологическим требованиям, имеет высокую надежность и долговечность службы, обеспечена максимально возможная простота управления механизмом для оператора.

Библиографический список

1.   “Электрооборудование кранов металлургических предприятий” [Текст] /Б.М. Рапутов - М.: “Металлургия”, 1990 - 272 с.

2.      “Электрооборудование металлургических кранов” [Текст]/ Б.М. Рапутов - М.: “Металлургия”, 1977 - 248 c.

.        “Краново-металлургические и экскаваторные двигатели постоянного тока. Справочник” [Текст]/Ю.В. Алексеев, А.А. Рабинович - М.: Энергоатомиздат, 1985 - 168 с.

.        “Характеристики двигателей в электроприводе” [Текст] / С. П. Вешеневский - М.: “Энергия”, 1966 - 400 с.

.        “Основы автоматизированного электропривода” [Текст] / М. Г. Чиликин, М.М. Соколов, В.М. Терехов, А.В. Шинянский - М.: “Энергия”, 1974 - 568 с.

.        “Теория электропривода” [Текст] / В.И. Ключев - М.: Энергоатомиздат, 1985 - 560 с.

.        “Основы электропривода” [Текст] / В.П. Андреев, Ю.А. Сабинин - М.: Государственное энергетическое издательство, 1963 - 772 с.

.        “Сборник задач по теории электропривода” [Текст] / В. П. Есаков, В. И. Торопов - М.: ВШ, 1969 - 264 с.

.        “Редукторы. Справочник” [Текст]/ Ю.В. Краузе - М.: Машиностроение, 1974 - 231 с.

.        Межотраслевые правила по охране труда (правила безопасности) при эксплуатации электроустановок [Текст]. - Новосибирск: Сибирское университетское издательство, 2009 - 144 с.

.        Правила технической эксплуатации электроустановок потребителей - Новосибирск: Сибирское университетское издательство, 2008 - 252 с.

12. Правила устройства и безопасности эксплуатации грузоподъемных кранов. - М.: Росгортехиздат, 1974. - 192 с.

Похожие работы на - Проектирование электропривода механизма подъема мостового крана

 

Не нашли материал для своей работы?
Поможем написать уникальную работу
Без плагиата!
Без нейросетей!