Автоматизированный электропривод механизма подъема мостового крана грузоподъемностью 20 тонн со скалярным управлением
БЕЛОРУССКИЙ НАЦИОНАЛЬНЫЙ ТЕХНИЧЕСКИЙ
УНИВЕРСИТЕТ
Кафедра “Электропривод и
автоматизация промышленных установок и технологических комплексов”
Допущен к защите
Зав. кафедрой Г.И. Гульков
ПОЯСНИТЕЛЬНАЯ ЗАПИСКА
к дипломному проекту на тему:
АВТОМАТИЗИРОВАННЫЙ ЭЛЕКТРОПРИВОД
МЕХАНИЗМА ПОДЪЁМА МОСТОВОГО КРАНА ГРУЗОПОДЪЁМНОСТЬЮ 20 ТОНН СО СКАЛЯРНЫМ
УПРАВЛЕНИЕМ
Исполнитель П.Э. Верниковский
Консультант Л.П. Филянович
Консультант А.И. Баранников
Консультант Ю.Н. Петренко
Консультант Г.И. Гульков
Нормоконтролёр С.В. Васильев
Руководитель Б.И. Фираго
МИНСК 2003
РЕФЕРАТ
АВТОМАТИЗИРОВАННЫЙ ЭЛЕКТРОПРИВОД, МОСТОВОЙ КРАН, АСИНХРОННЫЙ
ЭЛЕКТРОДВИГАТЕЛЬ С КОРОТКОЗАМКНУТЫМ РОТОРОМ, ПРЕОБРАЗОВАТЕЛЬ ЧАТОТЫ.
Объектом проектирования является автоматизированный электропривод с
системой управления преобразователем частоты.
Цель работы - разработать автоматизированный электропривод механизма
подъёма мостового крана с системой управления преобразователем частоты.
В процессе работы был разработан автоматизированный электропривод с
асинхронным двигателем, автоматизирована система управления двигателем.
Основные конструктивные и технико-экономические показатели: плавный пуск
и торможение при подъёмах и опусканиях груза, обеспечение перехода на
пониженную скорость при сохранении удерживающего момента двигателя, более
долгий срок службы электрических узлов привода.
Эффективность установки определяется повышенным сроком службы узлов
электрического привода, стабильной управляемостью и устойчивостью при
повышенной статической нагрузке.
СОДЕРЖАНИЕ
Введение
. Технологическая часть
.1 Описание промышленной установки и анализ технологического
процесса
.2 Анализ взаимодействия оператор - промышленная установка
.3 Анализ кинематической схемы, определение параметров и
составление расчетной схемы механической части электропривода
. Выбор системы электропривода и автоматизации промышленной
установки
.1 Литературный обзор по теме дипломного проекта
.2 Формулирование требований к автоматизированному
электроприводу и системе автоматизации
.3 Определение возможных вариантов и выбор рациональной
системы электропривода
.4 Проектирование функциональной схемы автоматизированного
электропривода
. Выбор электродвигателя
.1 Расчет нагрузок и построение механической характеристики и
нагрузочной диаграммы механизма
.2 Предварительный выбор двигателя по мощности
.3 Выбор номинальной скорости двигателя и типоразмера
двигателя
.4 Построение нагрузочной диаграммы электропривода
.5 Проверка выбранного электродвигателя по нагреву и
перегрузочной способности
. Проектирование силовой схемы автоматизированного
электропривода и выбор комплектного преобразователя электрической энергии
.1 Определение возможных вариантов и обоснование выбора типа
комплектного преобразователя
.2 Расчет параметров и выбор элементов силовой цепи
.3 Выбор датчиков регулируемых координат электропривода
. Проектирование системы автоматического управления
.1 Разработка математической модели автоматизированного
электропривода
.2 Расчет параметров объекта управления
.3 Определения структуры и параметров управляющего устройства
. Анализ динамических и статических характеристик
электропривода
.1 Разработка имитационной модели электропривода
.2 Расчет и определение показателей качества переходных
процессов
.3 Построение статических характеристик электропривода
. Окончательная проверка двигателя по нагреву
. Выбор и проектирование системы автоматизации
производственной установки
.1 Формализация условий работы установки
.2 Разработка алгоритма и программы управления
.3 Разработка функциональной, логической схемы
.4 Выбор аппаратов
. Проектирование узла системы автоматизированного
электропривода
. Проектирование схемы электроснабжения и защиты установки
.1 Выбор аппаратов проводов и кабелей
.2 Составление таблицы перечня элементов электрооборудования
производственной установки
. Охрана труда
. Экономическое обоснование технических решений
Заключение
Список использованных источников
ВВЕДЕНИЕ
автоматизация
электропривод мостовой кран
Крановое оборудование является одним из основных средств комплексной механизации
всех отраслей народного хозяйства. Расширение отрасли машиностроения,
занимающейся производством грузоподъемных машин, является важным направлением
развития народного хозяйства для решения задачи всемерного сокращения и
ликвидации тяжелого ручного труда.
В настоящее время грузоподъемные машины выпускаются большим числом
заводов во многих отраслях народного хозяйства и эти машины используются
практически во всех сферах народного хозяйства: при добыче полезных ископаемых,
в металлургии, машиностроении, строительстве, на транспорте и др. Подавляющее
большинство грузоподъемных машин, изготовляемых отечественной промышленностью,
имеет электрический привод основных рабочих механизмов и поэтому эффективность
действия этих машин в значительно степени зависит от качественных показателей
используемого кранового электрооборудования.
Электропривод большинства грузоподъемных машин характеризуется
повторно-кратковременным режимом работы при большой частоте включений, широком
диапазоне регулирования скорости и постоянно возникающих значительных
перегрузках при разгоне и торможении механизмов. Особые условия использования
электропривода в грузоподъемных машинах явились основой для создания
специальных серий электрических двигателей и аппаратов кранового исполнения. В настоящее
время крановое электрооборудование имеет в своем составе серии крановых
электродвигателей переменного и постоянного тока, серии силовых и магнитных
контроллеров, командоаппаратов, кнопочных постов, конечных выключателей,
тормозных электромагнитов и электрогидравлических толкателей, пускотормозных
резисторов и ряд других аппаратов, комплектующих различные крановые
электроприводы.
В крановом электроприводе начали довольно широко применяться различные
системы тиристорного регулирования и дистанционного управления по радиоканалу
пли одному проводу.
Для обеспечения механизированной транспортировки ферромагнитных
материалов промышленностью изготавливается две серии грузоподъемных
электромагнитов. Производство кранового электрооборудования стало одной из важнейших
отраслей электротехнической промышленности.
Для проведения практических инженерных расчетов в настоящее время созданы
и внедрены в практику новые прогрессивные и доступные для широкого круга
работников методы проектирования большинства крановых электроприводов,
отражающие современные направления оптимизации систем и их
технико-экономического обоснования.
1. Технологическая часть
.1 Описание промышленной установки и анализ технологического процесса
Мостовой кран - кран мостового типа, мост которого опирается на надземный
рельсовый крановый путь, а грузозахватный орган подвешен к грузовой тележке или
электротали, перемещающейся по мосту. Мостовые краны общего назначения
изготавливают грузоподъёмностью до 320т, специального назначения - до 630 т, пролёты
- 60 м, высота подъёма - 50 м. Краны общего назначения используют при монтаже
оборудования, производстве ремонтных работ, для технологических работ в цехах
основного производства, на складах, при перегрузочных работах.
Металлоконструкция мостового крана состоит из двух основных частей: моста
и тележки. Мост перекрывает рабочий пролёт производственного помещения или
склада. Он состоит из двух главных и двух концевых балок. Через ходовые колёса
механизма передвижения мост опирается на надземные крановые рельсы. Последние
закреплены на подкрановых балках, смонтированных на консолях колонн здания или
крановой эстакады. Колёса приводятся через передаточный механизм одним или
двумя электродвигателями. Ходовые колёса кранов выполняют двухребордными либо безребордными
с горизонтальными направляющими роликами. На главных балках закреплены рельсы,
по которым перемещается тележка с помощью своего привода. На её раме размещены
один или два механизма подъёма груза, каждый из которых состоит из крюковой
подвески, канатного полиспаста, барабана, передаточного механизма, тормоза и
электродвигателя. Механизмами крана управляют из кабины, подвешенной к
металлоконструкции моста, что позволяет иметь наилучший обзор и безопасность
работы, а при необходимости - на тележке (имеет возможность автономно
перемещаться вдоль пролёта крана).
При работе крана направления движения крана, тележки и крюка постоянно
чередуются. Работа механизма подъёма состоит из периодов подъёма и опускания
груза и периодов подъёма и опускания пустого крюка. Для увеличения
производительности крана используют совмещение операций, например одновременное
передвижение крана и тележки. Во время навешивания груза на крюк и освобождения
крюка двигатель отключён и механизм подъёма не работает.
По назначению разнообразные грузоподъемные машины можно объединить в три
группы:
1) универсальные грузоподъемные машины -
краны, лебедки, тали, служащие для подъема и перемещения различных грузов при
помощи крюкового подвеса на грузовом тросе;
2) грузоподъемные машины для выполнения
определенных технологических операций в промышленности, на транспорте и в
строительстве;
3) краны для выполнения строительных,
монтажных и ремонтных работ, связанных с перемещением машинного оборудования.
В свою очередь, по условиям работы грузоподъемные машины могут быть
условно разделены на следующие группы:
1) машины универсального назначения,
используемые для работы в помещениях при повторно-кратковременном режиме и
средней продолжительности работы до 16ч в сутки;
2) машины универсального назначения,
используемые для работы в помещениях при повторно-кратковременном режиме и
средней продолжительности работы от 8 до 24 ч в сутки;
3) машины для выполнения определенных
технологических операций, используемые как в помещениях, так и на открытом воздухе
при повторно-кратковременном режиме и продолжительностью работы до 24 ч в
сутки;
4) машины для выполнения разовых и
эпизодических грузоподъемных операций, используемые в кратковременных и в
повторно-кратковременных режимах с общим годовым числом часов работы не более
500.
Универсальные грузоподъемные машины изготавливаются с учетом различных
условий использования по нагрузке и времени работы, интенсивности проведения
операций, степени ответственности операций и в связи с этим могут быть
дополнительно отнесены к нескольким усредненным категориям использования.
Механизмы для выполнения определенных технологических операций, а также
механизмы для эпизодической работы имеют вполне определенные условия
использования соответственно их назначению. С целью систематизации всего
многообразия режимов работы грузоподъемных машин Госгортехнадзор установил
следующие категории режимов работы механизмов с машинным приводом: легкий-Л;
средний-С; тяжелый-Т; весьма тяжелый-ВТ.
Ряд кранов, предназначенных для технологических комплексов, в последнее
время проектируется для использования при более сложных режимах работы
электропривода по сравнению с режимом ВТ, определяемым действующей
классификацией Госгортехнадзора. Этот режим характеризуется продолжительностью
включения до ПВ=100% при числе включений в час 600 и выше. Для этих случаев
вводится новая категория режима: особо тяжелый-ОТ. В настоящее время существует
стандарт, предусматривающий пять категорий режимов, включая режим ОТ.
Скорости перемещения грузов определяют производительность и мощность
механизмов и выбираются с учетом эффективности выполнения грузоподъемных
операций, т. е. получения необходимого времени операции при наименьшей
первоначальной стоимости механизмов крана. Выбор оптимальной скорости является
важной задачей, необходимое решение которой может быть найдено только на основе
учета факторов производительности, затрат энергии, возможности и эффективности
регулирования скорости, а также технико-экономической оценки системы
регулирования.
За последние годы были проведены исследования, связанные с оптимизацией
скоростных параметров быстроходных грузоподъемных машин. В результате этих
исследований установлено, что при повышении скоростей до определенных пределов
производительность машин растет вместе со скоростью, однако при дальнейшем
повышении скоростей может произойти снижение производительности за счет
увеличения времени разгона и торможения механизмов крана.
Анализ скоростных параметров показывает, что для каждого вида механизмов
(подъема, поворота и горизонтального перемещения) имеются пределы скоростей,
превосходить которые нецелесообразно.
Скорости грузоподъемных механизмов выбираются исходя из следующих
предпосылок:
1) номинальная скорость определяется
условиями технологического процесса, т. е. временем выполнения цикла;
2) номинальная скорость ограничивается
мощностью питающей сети или возможностью установки приводного двигателя
определенных размеров;
3) номинальная скорость является
функцией диапазона регулирования при заданной минимальной скорости механизма.
4) номинальная скорость должна
обеспечить наибольшую производительность при наименьших затратах энергии.
Для всех перечисленных случаев, кроме первого, предельное значение
скорости не должно превышать установленных значений, а для четвертого случая
это значение и является искомым. Для первого случая скорость может иметь любое
необходимое значение, но при этом следует иметь в виду, что при превышении
определенных значений скоростей время операции сокращаться не будет, если не
будут применены системы со специальными параметрами регулирования.
При выборе номинальной скорости иногда решающее значение имеют
минимальные скорости, определяемые технологией переработки разнообразных
грузов. В настоящее время для большинства технологических процессов переработки
грузов получены оптимальные значения минимальных скоростей для точной установки
грузов. Пользуясь этими значениями, можно при заданной номинальной скорости
установить требуемые диапазоны регулирования скорости либо для известного и
достижимого диапазона регулирования выбрать номинальную скорость.
Выбор промежуточных фиксированных скоростей, прежде всего, зависит от
способностей человека воспринять разницу скоростей соседних фиксированных
положений и на основе восприятия этой разницы осуществлять последующие операции
управления. Практикой установлены значения ступеней нарастания скоростей
механизмов подъема. Регулирование скорости механизмов горизонтального
перемещения в промежутке между максимальной и минимальной скоростями часто
осуществляется путем изменения интенсивности разгона или торможения с учетом
необходимых ускорений.
Производительность и число включений в час грузоподъемных машин
неразрывно связаны со скоростными параметрами. Производительность машин
соответствует времени завершения операции по переработке груза. Сокращение
времени одной операции при определенной траектории движения груза определяет
повышение производительности машины. Каждая машина может иметь фактический или
условный цикл проведения грузоподъемной операции.
Под полным циклом грузоподъемной операции следует иметь в виду
застроповку груза, выбирание слабины каната, подъем груза и его перемещение в
необходимую точку, спуск и установку груза, расстроповку я обратное перемещение
для начала новой операции. При этом механизмы грузоподъемного устройства имеют
минимально необходимое обязательное число включений. Однако по разным причинам
в течение цикла оператор производит еще ряд дополнительных включений, связанных
с несовершенством системы регулирования, колебаниями груза на гибкой подвеске,
недостаточным опытом управления и т.п. Количество таких дополнительных
включений может в 2-4 раза превысить число необходимых включений.
Важной задачей разработки высокоэффективных грузоподъемных машин является
приближение фактического числа включений к минимально необходимому. В настоящее
время наиболее качественные системы регулирования позволяют обеспечить
выполнение операций со средним числом включений лишь в 1,5 раза большим
минимально необходимого, в то время как наиболее массовые системы параметрического
регулирования требуют до 20-30 включений на один цикл перемещения груза, что в
5-6 раз превышает минимально необходимое число включений. Число включений в час
у различных механизмов может составлять от 40-60 при режиме Л; до 500-600 - для
режима ВТ. При создании и освоении производства систем управления,
обеспечивающих устойчивые скорости с широким диапазоном их изменения,
происходит общая тенденция снижения числа включений механизмов при
одновременном повышении производительности перегрузочных работ.
В данном проекте мы выбираем двухбалочный мостовой кран, который
относится к среднему режиму работы с грузоподъёмностью до 20 тонн, который
осуществляет подъём и перемещение грузов в ремонто-механических и сборочных
цехах со следующим циклом работы:
. Подъём номинального груза с номинальной скоростью на расчетную высоту;
. Пауза (перемещение груза в заданное место);
. Опускание номинального груза с расчетной высоты на нулевую отметку с
номинальной скоростью;
. Пауза (разгрузка);
. Подъём пустого крюка на расчетную высоту с повышенной скоростью;
. Пауза (перемещение крана в исходное положение);
. Опускание пустого крюка с расчетной высоты на нулевую отметку с
повышенной скоростью;
. Пауза (загрузка).
.3 Анализ взаимодействия оператор - промышленная установка
Взаимодействие оператора с промышленной установкой может осуществляться с
панели управления, расположенной в кабине так и дистанционно. При помощи кнопки
«Аварийный останов» производится отключение крана. Пульт управления
представляет собой блок с кнопками, на которых нанесены символы.
Системы управления крановыми механизмами относятся к категории устройств,
находящихся под непрерывным контролем оператора, т. е. в этих системах выбор
момента начала операции, скоростных параметров и момента окончания, операции
осуществляется лицом, управляющим механизмом. В свою очередь система управления
должна обеспечивать необходимую последовательность переключений для реализации
желаемых скоростных параметров, предотвратить при этом недопустимые перегрузки
и обеспечить необходимую защиту.
Все многообразие различных систем управления может быть разделено на
следующие группы. По способу управления:
1) управляемые непосредственно
командоконтроллерами, где весь процесс управления, включая выбор необходимых
ускорений, осуществляется исключительно оператором;
2) управляемые кнопочными постами, где
возможности управления ограничены конструктивными особенностями поста;
3) управляемые сложным комплектным
устройством (магнитным контроллером с использованием преобразователя энергии
или без него). В этом случае оператор выбирает только необходимые скорости, а
процессы разгона, торможения и необходимые промежуточные переключения
осуществляются автоматически.
При улучшении условий труда крановщика повышается производительность труда
и обеспечивается большая безопасность при производстве работ. При создании
крана, компоновке рабочего места (кабины управления, разработке пультов и
органов управления) учитывают требования эргономики - совокупность требований,
предъявляемых к условиям труда, производственной среде и средствам
производства.
В данном проекте мы из всех систем управления выбираем систему, где
основное управление краном осуществляется оператором из кабины с помощью
командоконтроллеров, которые являются аппаратами ручного управления и
предназначаются для дистанционного управления крановыми механизмами.
.4 Анализ кинематической схемы, определение параметров и проектирование
расчётной схемы механической части электропривода
Технические данные к проекту:
Максимальная
высота подъема
;
Номинальная
скорость
;
Масса
крюка
;
Диаметр
барабана
;
Кратность
полиспаса
;
Передаточное
число редуктора
;
Момент
инерции барабана
;
Номинальный
к.п.д. передачи
%;
Скорость
крюка
; ПВ=40% .
Грузоподъемность
20 тонн
Механизм
подъема груза (рисунок 1.1) состоит из крюковой подвески, полиспаста, барабана,
передаточного устройства (редуктора, муфт, валов), тормоза и электродвигателя.
Узлы механизма смонтированы на металлоконструкции крана..Грузовой канат от
схода с блоков предохраняется жесткими и отодвигающимися ограничителями.
-электродвигатель;
2 -муфта; 3- тормоз; 4 -редуктор; 5-барабан; 6- полиспаст.
Рисунок
1.1- Кинематическая схема механизма подъема
2. Выбор системы электропривода И автоматизация
промышленной установки
2.1 Литературный обзор по теме дипломного проекта
Значительная роль в осуществлении комплексной механизации и автоматизации
производственных процессов, ликвидации ручных погрузочно-разгрузочных работ
принадлежит подъемно-транспортному машиностроению. Существенное сокращение
тяжелого труда при перегрузочных работах осуществляется главным образом путем
автоматизации грузозахватных операций, точной установки грузов, а также
автоматизации процессов управления грузоподъемными машинами. Поскольку эти
задачи решаются с помощью электропривода, то значение совершенствования и
внедрения современных электроприводов постоянно возрастает.
В крановом электроприводе в настоящее время широко применяют как
полностью тиристорные системы регулирования, так и различные неуправляемые и
управляемые полупроводниковые выпрямители, а также отдельные силовые
полупроводниковые приборы, что позволяет при сравнительно невысоких затратах
получать системы с достаточно значительным регулированием скорости перемещения
механизмов. Для сокращения эксплуатационного персонала применяют системы
управления грузоподъемными машинами, в частности кранами, по радиоканалу
(дистанционно). В этих системах максимальный эффект достигается также при
обеспечении устойчивого регулирования скорости.
Основное внимание уделяется новым методам выбора электрооборудования для
кранов с учетом уже введенной новой классификации нагружения механизмов и
электрооборудования, а также новым системам управления, включая управление по
радиоканалу, и различным системам регулирования скорости.
Механизмы подъема мостовых кранов относятся к механизмам циклического
действия с активной нагрузкой. В общем случае цикл работы этих механизмов
определяется технологическим процессом, но на выбор приводных двигателей
существенное влияние оказывают динамические режимы: пуск, реверс, торможение.
Подавляющее большинство грузоподъемных машин, изготовляемых отечественной
промышленностью, имеет электрический привод механизмов, и поэтому эффективность
действия и производительность этих машин в значительной степени зависят от
качественных показателей используемого кранового электрооборудования.
Современный крановый электропривод за последнее время претерпел существенное
изменение в структуре и применяемых системах управления.
Для наиболее массовых кранов общего назначения начинают широко
применяться электроприводы на основе короткозамкнутых двигателей, значительная
часть кранов изготовляется с управлением с пола, а быстроходные краны для
тяжелых режимов работы комплектуются различными тиристорными системами, обеспечивающими
глубокое регулирование скорости, плавность пуска и торможения при постоянно
повышающихся требованиях к экономии энергоресурсов.
Большинство грузоподъемных кранов характеризуется постоянно меняющимися
условиями использования при переработке грузов, и поэтому механизмы кранов,
имеющие в своем составе электроприводы, должны быть в максимальной степени
приспособлены к постоянно видоизменяющейся работе с грузами, разнообразными по
массе, размерам, форме, и в условиях производственных помещений или на открытых
грузовых площадках.
Чрезвычайно широкий диапазон изменения нагрузок практически любого из
крановых электроприводов является одним из главных факторов, требующих особого
подхода к выбору расчетных параметров приводных электродвигателей, аппаратуры
управления и защиты.
2.2 Формулирование требований к автоматизированному электроприводу и
системе автоматизации
При
выборе структуры электропривода следует учитывать особенности технологического
процесса, требования надежности, гибкости в управлении, удобства наладки. К
электроприводам механизмов подъема мостовых кранов, которые в большинстве
случаев управляются оператором, предъявляются жесткие требования к простоте их
эксплуатации и надежности при обеспечении необходимого диапазона регулирования
скорости. Диапазон регулирования при подъеме и опускании номинального груза
определяется минимальной скоростью при посадке грузов. Величина этого диапазона
зависит от технологического процесса и номинальной грузоподъемности крана. Так,
для кранов грузоподъемностью более 20 тонн среднего режима работы диапазон
регулирования D
, при этом при подъёме и опускании пустого крюка
скорость должна быть в 1,5-2 раза больше, чем скорость при подъёме номинального
груза. Важным требованием для электроприводов указанного класса является
плавное изменение скорости в переходном процессе, что резко снижает рывок и,
следовательно, уменьшает амплитуду раскачивания груза.
Для
выполнения отмеченных требований система управления электроприводом должна быть
полу- или полностью автоматической, особенно при работе в переходных режимах.
Основные
требования к системе электропривода мостового крана можно сформулировать так:
1.На первых
положениях контроллера подъема двигатель должен развивать такой пусковой момент,
чтобы исключалась возможность спуска номинального груза при напряжении питающей
сети 90% номинального и в то же время желательная минимальная скорость
составляла при наименьшей нагрузке не более 30% номинального значения.
2.При перемещении
рукоятки командоконтроллера в направлении снижения скорости последняя не должна
повышаться даже кратковременно. Это в первую очередь относится к переключению с
первого положения в нулевое, когда запаздывание механического торможения не
должно приводить к повышению малой скорости спуска.
3.Система
электрического торможения должна иметь необходимый запас, обеспечивающий
надежное замедление груза, равного 125% номинального, при напряжении питающей
сети 90% номинального.
4.Движение груза
должно происходить только в направлении, устанавливаемом командоаппаратом, да
же при неисправностях в схеме. В последнем случае груз может оставаться
неподвижным.
Выбор системы электропривода для крановых механизмов осуществляется на
основе анализа сравнительных показателей.
Экономическая оценка систем электропривода должна базироваться на
принципе минимальных расходов, связанных с первоначальными затратами,
эксплуатационными затратами на ремонт, а также затратами энергии, потребляемой
из сети на разгон и торможение крановых механизмов за период эксплуатации до
капитального ремонта (10 лет).
Экономическая оценка может быть осуществлена расчетом по определённой
методике.
Выбирается система, обладающая наилучшими экономическими показателями.
Если экономические показатели сравниваемых систем близки (расхождение не
превышает 15%), то производится дополнительная оценка по массогабаритным
показателям и условиям размещения электрооборудования.
Существенным требованием к электроприводу механизма подъёма является
обеспечение надежного торможения при действии активного момента нагрузки. При
этом, в целях энергосбережения, целесообразно применять рекуперативное
торможение, особенно при мощностях двигателей более 30 кВт.
2.3 Определение возможных вариантов и выбор рациональной системы
электропривода
Для регулируемых крановых электроприводов с диапазоном регулирования
скорости более 20:1 наиболее применимы следующие системы электропривода:
.Система с тиристорным преобразователем напряжения (система ТП-Д);
.Система с тиристорным регулятором напряжения (ТРН-АД);
.Система с преобразователем частоты (система ПЧ-АД);
.Система с асинхронным двигателем и импульсным регулятором в цепи
выпрямленного тока без рекуперации энергии скольжения (система АД-ИР);
.Система с асинхронным двигателем и импульсным регулятором в цепи
выпрямленного тока с рекуперацией энергии скольжения в сеть (система АД-ИР-И).
В этой работе выполнен сравнительный анализ энергетических и
экономических показателей названных систем крановых электроприводов, причем
более эффективной считается та система электропривода, которая потребляет
меньше электроэнергии при выполнении единицы механической работы
технологического цикла. В цикл работы крана входят этапы подъёма груза,
перемещения его на необходимое расстояние, опускания груза и пауза для строповки.
Задана стандартная продолжительность включения ПВ=40%, причем в цикле работы
имеются участки движения с пониженной скоростью.
При определении рациональных границ применения системы электропривода
следует оценивать не только энергетические показатели сравниваемых систем, но и
годовые приведенные затраты.
Исходя из того, что рассматриваемый нами кран, который осуществляет
подъём и перемещение грузов в ремонто-механических и сборочных цехах, относится
к среднему режиму работы с грузоподъёмностью до 20 тонн с мощностью двигателя
механизма подъёма более 55 кВт и диапазоном регулирования D, то на основании изложенного можно
обоснованно принять в качестве рациональной системы электропривода подъёма
мостового крана систему ПЧ-АД.
Кроме того, следует учесть, что система ПЧ-АД лучше приспособлена для
реализации дистанционного телемеханического управления, чем другие системы
электропривода.
.4 Проектирование функциональной схемы автоматизированного электропривода
Рисунок 2.1 - Функциональная схема ЭП
ЗИ - задатчик
интенсивности;
РЧ -
регулятор частоты;
РН - регулятор напряжения;
ФП - функциональный преобразователь;
ПЧ - преобразователь частоты;
ДТ - датчик тока;
АД - асинхронный двигатель
Для
реализации закона y1=const в качестве функциональной схемы
возьмём схему преобразователя частоты с асинхронным двигателем, регуляторами
напряжения и частоты, задатчиком интенсивности, функциональным
преобразователем, датчиком тока и обратной связью по току.
Функциональная схема автоматизированного электропривода представлена на
рисунке 2.1
3. ВЫБОР ЭЛЕКТРОДВИГАТЕЛЯ
.1 Расчёт нагрузок и построение механической характеристики и нагрузочной
диаграммы механизма
Технологические параметры механизма:
номинальная скорость подъёма 0,35 м/с;
максимальная высота подъёма 16,5 м;
продолжительность включения 40%.
Технологический процесс представляет собой цикл, состоящий из: подъёма
крюка, опускания груза, загрузки, подъёма груза на высоту шести метров,
опускания груза, разгрузки.
Статическая мощность при подъёме груза:
где mк -масса крюковой подвески , кг
mном -
номинальная масса груза, кг
vном -
номинальная скорость подъёма (опускания) груза, м/c
ηпном - номинальный КПД кинематической
схемы, равный произведению её отдельных элементов
g -
ускорение силы тяжести, м/с2
Статическая мощность при опускании груза:
Статическая мощность при подъёме крюка:
,
hп - КПД передачи, величина которого зависит как от кинематической цепи,
так и от величины загрузки и определяется как
,
гдеa - коэффициент, принимаемый равным 0,07
kз - коэффициент
загрузки
Статическая
мощность при опускании крюка:
Рассчитаем
теперь время выполнения технологических операций:
tр =
2*47.1+2*23.6 = 141.5 с
Рассчитаем
время цикла:
Поскольку
tц = 5.89 мин <10 мин, то режим работы
повторно-кратковременный . Суммарное время пауз:
Σtо = tц - tр
=353,8 - 141,5 = 212,3 с
Σtо = t01+ t02+ t03+ t04
Примем
t01 = t03 = 53 с
t02 = t04 =
53 с
По результатам расчётов строим скоростную и нагрузочную диаграммы
механизма. .
Рисунок 3.1- Скоростная и нагрузочная диаграммы механизма
.2 Предварительный выбор электродвигателя по мощности
Определяем эквивалентную мощность.Статическая эквивалентная мощность за
рабочий период:
Пересчитаем
эту мощность на ПВ=100%:
Рсэ(ПВ=100%)=
Рсэ(ПВ=40%)
3.3 Выбор номинальной скорости двигателя и типоразмера двигателя
Ррасч = Рсэ * Кзап = 45331 * 1,2 = 54397,2Вт
где Кзап=1,05 - коэффициент запаса
Из
формулы находим
:
;
Из
каталога [1] в соответствии с принятым Ррасч выбираем двигатель так, чтобы Рн ³ Ррасч.. Выбираем двигатель 4АН280М10У3 на синхронную
скорость nо=600 об/мин.
Параметры выбранного двигателя из каталога [1]:
·
номинальная
мощность Рн = 55 кВт,
·
номинальное
напряжение Uн = 380/220 В
·
номинальное
скольжение sном= 0.5%
·
номинальный кпд hном = 90,5%,
·
номинальный
коэффициент мощности cos φном=0,81%
кратность
максимального момента
кратность
пускового момента
·
критическое
скольжение sк= 10%
·
кратность
пускового тока Iп/Iном= 5
·
момент инерции
двигателя Jдв = 4,0 кг × м2.
Параметры схемы замещения двигателя в относительных единицах:
Рассчитаем
параметры электродвигателя:
Сопротивление
фазы, Ом
где
- номинальный фазный ток статора, А
Индуктивное
сопротивление короткого замыкания, Ом
3.4 Построение нагрузочной диаграммы электропривода
Нагрузочная диаграмма электропривода используется для предварительной
проверки двигателя по нагреву и перегрузочной способности.Сначала определим
суммарный момент инерции электропривода в случае подъёма крюка (J2) и груза (J1).
С целью ограничения динамических нагрузок, обеспечения надёжного
сцепления механизмов передвижения с рельсами и канатов со шкивами в подъёмнике,
а также формирования требуемых переходных процессов ускорения механизмов
ограничивается.Линейное ускорение принимаем: адоп=0,2 м/с2.
Номинальная скорость двигателя:
рад/с
Радиус
приведения:
м/рад
Допустимое
угловое ускорение (замедление):
рад/с2
Принимаем
момент инерции барабана задан: Jб = 1200кг*м2
Момент
инерции электропривода при подъёме груза:
кг*м
где
δ= 1,2 - коэффициент, учитывающий момент инерции
вращающихся частей механизма
Момент
инерции электропривода при подъёме крюка:
кг*м2
Время
разгона при подъёме и опускании крюка:
Динамический момент электропривода Мдин определим, принимая линейный
закон изменения скорости.
Мдин
=
= J
,
Динамический
момент электропривода
:
=
* eдоп= 9.46 * 35.71 = 337.81 Н*м
=
* eдоп = 8.82* 35.71 = 315 Н*м
На
каждом интервале нагрузочной диаграммы момент двигателя будем рассчитывать по следующей
формуле: М = Мс + Мдин = Мс + J
Рассчитаем статические моменты на всех этапах цикла:
Электромагнитный
момент при разгоне и опускании крюка:
Электромагнитный
момент при опускании крюка с постоянной скоростью:
Электромагнитный
момент при торможении и опускании крюка:
Электромагнитный
момент при разгоне и подъёме груза:
Электромагнитный
момент при подъёме груза с постоянной скоростью:
Электромагнитный
момент при торможении и подъёме крюка:
Электромагнитный
момент при разгоне и опускании груза:
Электромагнитный
момент при опускании груза с постоянной скоростью:
Электромагнитный
момент при торможении и опускании груза:
Электромагнитный
момент при разгоне и подъёме крюка:
Рисунок 3.2 - Нагрузочная и скоростная диаграммы электропривода
Электромагнитный момент при подъёме крюка с постоянной скоростью:
Электромагнитный
момент при торможении и подъёме крюка:
По результатам расчётов строим диаграмму электропривода.
.5 Проверка двигателя по нагреву и перегрузочной способности
Упрощенная нагрузочная диаграмма электропривода используется для проверки
двигателя по нагреву и перегрузочной способности. Электропривод работает в
циклическом режиме с переменной нагрузкой. Для проверки двигателя по нагреву
используем метод эквивалентного момента. Условием правильного выбора двигателя
по нагреву будет:
Mэ £ Mном .
В повторно-кратковременном режиме эквивалентный момент определяется
только для рабочих участков.
,
где
- момент
на i-м интервале,
-
продолжительность работы на i-м интервале- число рабочих интервалов в цикле,-
количество интервалов спуска и торможения,- количество интервалов
установившегося движения,
-
продолжительность пуска (торможения) на i-м интервале,
-
коэффициент, учитывающий ухудшение охлаждения при пуске (торможении),
-
продолжительность установившегося движения на i-м интервале.
где
βо - коэффициент ухудшения условий
охлаждениясамовентилируемого двигателя при отключении
Этот
эквивалентный момент найден при ПВ=40%, пересчитаем его на ПВ=100%:
По приближенной нагрузочной диаграмме также проверяется двигатель по
перегрузочной способности, т.к. максимальный момент в нагрузочной диаграмме
равен 1752, то:
Следовательно, двигатель по перегрузочной способности подходит.
4. ПРОЕКТИРОВАНИЕ СИЛОВОЙ СХЕМЫ АВТОМАТИЗИРОВАННОГО ЭЛЕКТРОПРИВОДА И
ВЫБОР КОМПЛЕКТНОГО ПРЕОБРАЗОВАТЕЛЯ ЭЛЕКТРИЧЕСКОЙ ЭНЕРГИИ
.1 Определение возможных вариантов и обоснование выбора типа комплектного
преобразователя
В качестве комплектного преобразователя можно использовать
преобразователь частоты со скалярным управлением, либо с векторным управлением.
Так как у нас преобразователь должен обеспечивать небольшой диапазон
регулирования, то для наших целей подходит частотный преобразователь со
скалярным управлением.
Силовая часть преобразователя должена иметь в своем составе следующие
компоненты: выпрямитель, инвертор, фильтр, резистор торможения, узлы защит.
Так как амплитуда напряжения и частота регулируется преобразователем в
инверторе, то выпрямитель может быть выполнен на диодах, а при неуправляемом
выпрямителе схема должна иметь тормозной резистор.
Исходя из тока и мощности выбранного нами двигателя, выбираем
преобразователь.
В настоящее время существует много преобразователей, которые отвечают
нашим требованиям, например Hitachi,
Siemens, ABB и многие другие.
Принципиальных различий между ними нет, единственное их отличие это их
цена и качество.
Выбираем комплектный преобразователь фирмы ABB типа ACS
601-0070-3. Технические данные выбранного преобразователя:
номинальная мощность, 55кВт;
номинальный выходной ток преобразователя, 115А;
ток кратковременной перегрузки,123A;
трехфазное напряжение питания, 380, 50Гц
масса преобразователя, 50 кг;
fk= 1 кГц.
.2 Расчет параметров и выбор элементов силовой цепи
Силовая цепь, выбранного нами преобразователя частоты имеет следующий
состав:
выпрямитель - в качестве элементов выпрямителя используются диоды;
блок торможения - используется для резистивного частотного торможения;
LC-фильтр
- для фильтрации напряжения;
анодные реакторы - используются для фильтрации коммутационных помех и
ограничения скорости нарастания тока короткого замыкания.
цепи защиты от перенапряжений;
токоограничивающее сопротивление;
Исходя из выше cказанного,
силовая схема электропривода имеет вид, показанный на рисунке 4.1.
Схема силовой части электропривода представлена на рисунке 4.1 и включает
в себя следующие силовые элементы:
L1…L3 - токоограничивающие реакторы,
предназначенные для ограничения скорости нарастания тока;
R
-тормозное сопротивление;
C-емкость
выпрямителя;
VT1…VT6 -
транзисторы силового блока инвертора;
R
-токоограничивающее сопротивление;
VD1…VD6 -
диоды выпрямителя.
VD7…VD12-обратные
диоды инвертора;
ДТ-датчик
тока;
ЦЗП
- цепи защиты от перенапряжений;
L
-cглаживающий
дроссель.
Рисунок
4.1- Принципиальная схема силовой цепи электропривода
В
качестве силовых ключей рекомендуется использовать модули IGBT, в состав
которого входят биполярные транзисторы с изолированными затворами и обратные
диоды.
Предварительный
выбор:
Номинальный
фазный ток статора:
. (4.1)
Средний
ток через силовой ключ:
Iн.ср.
≥ kз.Imax, (4.2)
где
kз - коэффициент запаса, учитывающий перегрузку по току при коммутации ключа,
kз =2;- амплитудное значение тока в плече силовой цепи инвертора:
, (4.3)
где
Iном - номинальный ток двигателя, А.
Выражение
(4.2) примет вид:
н.ср.
≥ 2. 164.2 = 322.4 А. (4.4)
Рабочее напряжение на силовом ключе:
раб. ≥ Umax + DUп.н., (4.5)
где Umax - амплитудное значение напряжения в силовой цепи инвертора, В;
DUп.н. - коммутационное перенапряжение на ключе, В.
В,
где
Uл = 380 В - линейное напряжение сети.
С
учетом рекомендаций принимается значения перенапряжения Uп.н.=600В.
Выражение (4.5) принимает вид:
раб. ≥ 537,4 + 600 = 1137,4 В. (4.6)
На основании выражений (4.4) и (4.6) по каталогу [2] выбираются силовые
модули IRGPH50KD2 в виде
полумоста с обратными диодами.
Максимально допустимое напряжение, прикладываемое к вентилю, не должно
превышать допустимого значения повторяющегося импульсного напряжения:
(4.7)
где:
-
коэффициент запаса по напряжению,
-
коэффициент, учитывающий возможное повышение напряжения в сети;
-
максимальное обратное напряжение на вентиле;
,
где
Uф - значение напряжения питающей сети, Uф =
220 В;
.
Произведем
выбор конденсаторов силового фильтра:
Суммарная емкость конденсаторов силового фильтра:
(4.8)
где
Ud - среднее значение выпрямленного напряжения, В:
Тн
=0,001- постоянная времени нагрузки (частота коммутации транзисторов),
с;н=0,069 Ом - активное сопротивление нагрузки, Ом;
DUс - допустимое повышение
напряжения на конденсаторе.
Среднее
значение выпрямленного напряжения:= kсх . Uф = 2,34.220 = 514,8 В,
где
Uф =220 В - фазное напряжение сети;сх = 2,34- коэффициент схемы для трехфазного
выпрямителя.
Допустимое
повышение напряжения на конденсаторе:
DUс = 0,1. Ud = 0,1.
514,8= 51,5 В.
Активное
сопротивление нагрузки:н=3R1/2=3.0,069/2=0,1 Ом.
Выражение
(4.13) примет вид:
Ф.
Определяется
максимальное допустимое напряжение на конденсаторе:
; (4.9)
В.
На основе результатов полученных из выражений (4.8) и (4.9) выбираются
конденсаторы силового фильтра.
.3 Выбор датчиков регулируемых координат электропривода
Датчик тока для частотного управления асинхронным двигателем с IR-компенсацией надо выбрать на основе
измерения мгновенных значений токов в фазах АД, затем сформировать сигнал
действующего значения тока фазы.
Выбираем 3 датчика тока производства фирмы «LEM» на основе элементов Холла серии HAS по номинальному току статора (IН=114 А).
Основные технические данные датчика тока типа HAS 120 S/SP1:
Номинальный первичный ток, IPN=120
А;
-
Диапазон преобразования,
А;
Напряжение
питания, +5 В.
Рисунок
4.2 - Характеристика датчиков тока серии HAS
5. Проектирование системы автоматического регулирования
.1 Разработка математической модели автоматизированного электропривода
В
настоящее время сформировался новый подход к построению систем асинхронного
электропривода с преобразователем частоты, основанный на полных дифференциальных
уравнениях асинхронного двигателя ,записанных на базе теории обобщенной
электрической машины. Такой подход позволяет построить структуру системы
управления частотным электроприводом,называемую системой частотного
управления,и осуществить анализ и синтез асинхронного электродвигателя более
простыми методами. Для этой цели управляемые координаты электропривода,
измененные в неподвижной системе координат, преобразуются к вращающейся системе
координат, в которой координаты электропривода рассматриваются как векторные
величины. Из этих величин, расположенных в виде проекций на вращающиеся оси
координат, путем координатных преобразований выделяются пропорциональные или
постоянные величины координат электропривода, которые используются в качестве сигналов
управления в системе электропривода. Дифференциальные уравнения для обобщенной
машины записываются в различных системах координат. Приняты оси координат
,
неподвижные
относительно статора и оси
,
- неподвижные относительно ротора. Запись уравнений в
этих осях является частным случаем математического описания процессов машины. В
общем случае уравнения записываются относительно произвольных координатных
осей, например
,
,
вращающихся со скоростью
, из которых можно получить любые частные случаи
работы электрической машины. Если принять ось
за
действительную, а ось
- за мнимую, то дифференциальные уравнения могут быть
записаны в векторной форме.
Характеристики должны соответствовать заданным условиям погрузки и
разгрузки. Поскольку операции чередуются, характеристики должны изменяться либо
искусственным путем ручного или автоматического управления параметрами , либо
благодаря свойству самоуправления. Все агрегаты в необходимой мере свойствами
самоуправления не обладают, поэтому характеристики необходимо изменять
искусственно при помощи систем автоматического управления, так как при ручном
управлении его необходимое качество не обеспечивается. Системы управления
должны непрерывно обеспечивать такие характеристики агрегатов, при которых
производительность крана максимальна.
Математическая
модель двухфазного асинхронного двигателя в осях u-n вид:
wк - скорость системы
координат;
in,iu -
составляющие тока;
yn,yu -
потокосцепления;
R1 -
сопротивление статора;
M -
электромагнитный момент двигателя;
L1,L2 -
индуктивности фаз статора и ротора;
L12 -
индуктивность взаимоиндукции;
U1- напряжение
на статоре.
Все
переменные этой модели меняются с частотой тока статора.
Имитационная модель двухфазного асинхронного двигателя в осях a-b имеет вид:
Динамические
свойства системы ПЧ-АД как объекта управления менее благоприятны, чем
динамические свойства регулируемых электроприводов постоянного тока, в связи с
отсутствием независимого канала регулирования потока, аналогичного обмотке
возбуждения двигателя с независимым возбуждением. Так, при питании от источника
напряжения потокосцепления y1,y2,yм сложно зависят от напряжения U1, частоты f1 и
абсолютного скольжения sа.
5.2 Расчёт параметров объекта управления.
Определим коэффициенты К1,К2,К3,К4,К5,К6, для двухфазной модели АД для
этого рассчитаем необходимые параметры:
индуктивность статора
- индуктивность ротора
эквивалентная
индуктивность цепи статора
.
.3
Определение структуры и параметров управляющего устройства
При
регулировании напряжения АД по закону
обеспечивается
постоянство модуля жесткости механических характеристик β.
Структурная
схема автоматизированного электропривода представлена на рисунке 5.2.
Рисунок
5.2 - Структурная схема автоматизированного электропривода
В
такой системе САУ должна обеспечить амплитуду выходного напряжения ПЧ:
,
где
Ку - коэффициент усиления системы управления;
-
относительная частота;
еsном
- сигнал номинальной ЭДС статора
;
-
действующее номинальное значение ЭДС статора;
i1 - сигнал тока
статора
;
I1 - действующее
значение тока статора.
6. Анализ динамических и статических характеристик электропривода
.1 Разработка программного обеспечения для компьютерного моделирования
автоматизированного электропривода
Компьютерное моделирование проектируемой установки производим в среде
математического моделирования MATLAB
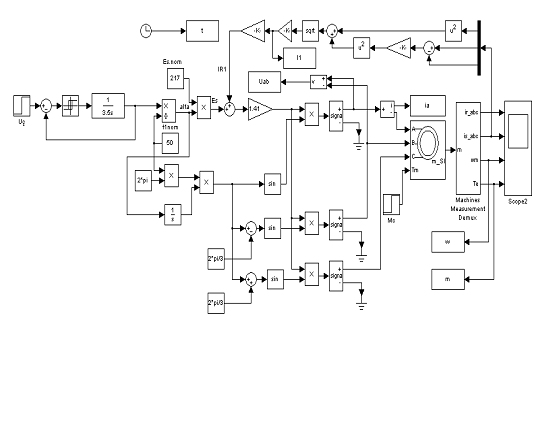
6.0, с использованием библиотеки Simulink. Модель построена на основе уравнений 5.1.
Рисунок 6.1 -
Имитационная модель электропривода
На рисунке 6.1 показана схема моделирования, электропривода, состоящего
из асинхронного двигателя с короткозамкнутым ротором и преобразователя частоты.
Реализация задатчика интенсивности
Блок Saturation обеспечивает линейное нарастание
сигнала, релейный блок выполняет функцию ограничения сигнала, коэффициент -К-
служит для регулировки интенсивности нарастания, то есть достижения необходимой
скорости двигателя с определённым ускорением. На вход задатчика интенсивности
подаётся ступенчатый сигнал U
управления, который суммируется с выходным сигналом интегратора. На выходе
задатчика получаем сигнал управления, который поступает на регулятор частоты и функциональный
преобразователь.

Рисунок 6.2
--Схема реализации задатчика интенсивности
.2 Расчет и определение показателей качества переходных процессов
Скорость при пуске отрабатывается с перерегулированием, равным:
.
Время
регулирования t
.
Произведем
моделирование переходных процессов для механизма подъема крана. В результате
моделирования были получены следующие графики переходных процессов:
Рисунок
6.3- Подъем груза
Рисунок 6.4- Опускание груза
Рисунок 6.5- Подъем крюка
Рисунок 6.6- Опускание крюка
6.3 Построение статических характеристик электропривода
Построим естественную механическую характеристику асинхронного двигателя
в четырех квадрантах .
Для построения механической характеристики воспользуемся формулой Клосса:
М
=
, (6.1)
Формулой
Чекунова:
М
=
, (6.2)
где
Мк = lм×Мном = 2×880 =1760 Н×м; Sк=0,095
а
=
= 1.03;
Ks =
Формулой
(6.1) целесообразно пользоваться только для скольжений S<Sк. В
области скольжений 1³S>Sк
удовлетворительные результаты дает формула (6.2)
Для
более точного построения воспользуемся следующей программой в среде Matlab
6.0:
for
s=-1:0.0003:1s<0.1=s/0.1+0.1/s+0.21;=62.8*(1-s);=3882.56/m;(M,w);on;on=62.8*(1-s);=1760*(2+(s^2-0.1^2)*3.08)/(s/0.1+0.1/s);(M,w,
'm');on;on=s=w
M=M
end
Статическая характеристика представлена на рисунке 6.5.
Рисунок 6.7- Естественная механическая характеристика
7. ОКОНЧАТЕЛЬНАЯ ПРОВЕРКА ДВИГАТЕЛЯ ПО НАГРЕВУ С УЧЕТОМ ТОЧНОЙ
НАГРУЗОЧНОЙ ДИАГРАММЫ ЭЛЕКТРОПРИВОДА
Так как выбран закон частотного регулирования со стабилизацией потока
статора, окончательную проверку двигателя можно провести по эквивалентному
моменту.
По заданию для подъема крюка надо иметь скорость wк=2wном.
В этом режиме (w>wном) АД работает при f1=var и U1=const, следовательно, двигатель работает с
переменным магнитным потоком и для проверки АД по нагреву нельзя
воспользоваться методом эквивалентного момента. Можно применить или метод
средних потерь, или метод эквивалентного тока.
В
первой зоне можно использовать методику расчета переходных процессов при ψ
=const. Во второй зоне, где ψ1=var, разработана
оригинальная методика профессора Фираго расчета переходных процессов, которая и
применена в проекте.
1 зона:>fном;
U1=const; ψ1=var
2
зона: ψ1=const.
Электропривод работает в циклическом режиме с переменной нагрузкой. Для
проверки двигателя по нагреву используем методику профессора Фираго по методу
средних потерь.
Примем
R1=0
Механические
характеристики:
,
где
;
Уравнение
линеаризованных механических характеристик АД:
где
- число
пар полюсов АД
Механические
переходные процессы на линеаризованных механических характеристиках:
Рисунок
7.1- Линеаризованная механическая характеристика.
Уравнение
скорости:
,
где
,
.
Тме
- электромеханическая постоянная времени электропривода на естественной
механической характеристике.
-
статическое падение скорости на естественной характеристике
Уравнение
электромагнитного момента:
Потери
мощности в установившемся режиме при данных Мс и
:
Потери
мощности в переходном процессе при линейном задании
Средние
потери мощности за время переходного процесса, где
:
=
=
=
=
Потери
мощности на интервале изменения частоты
:

Рисунок
7.1- Линеаризованная механическая характеристика на интервале изменения частоты
.
,

Для
:



На
участке 1(
):
=



На
участке 2(
)



На
участке 3(
)


На
участке 4 (
)


На
участке 5 (
)



На
участке 6(
)


На
участке 7 (
)


Потери
мощности в переходном процессе при линейном задании

На
участке 8(
)
Потери
мощности в установившемся режиме при данных Мс и
:




На
участке 9(
)


При
(1
2):

На
участке 10 (
)


при
(1
2)

На
участке 11(
)




На
участке 12(
)


при
(1
2)

Для
проверки АД по нагреву применяем метод средних потерь:

Для
АД с защитой IP44
-
средние суммарные потери мощности на i-ом интервале разгона
ti - время i-го
интервала, где
-
средние суммарные потери мощности на j-ом интервале торможения
tj - время j-го
интервала, где
к -
потери мощности в установившемся движении на k-ом интервале
tk - время k-го
интервала, где
ts - время паузы
на s-ом интервале
M - число пауз в
цикле
Для
повторно-кратковременного режима работы АД
приводится
к расчетному ПВрасч=100%

Двигатель
проходит по нагреву, если
8.
Выбор и проектирование системы
автоматизации производственной установки
.1 Формализация условий работы установки
Так как в данном проекте рассматривается установка управляемая
оператором, то потребности в полной автоматизации производственной установки
нет. Оператор производит операции по перегрузке грузов с помощью пульта
управления, параметры которого выбираются исходя из требований, предъявляемых к
установке и системе управления.
Среди многообразной подъемно-транспортной техники можно найти примеры,
когда управление электроприводом желательно осуществлять с командного пункта,
удаленного от основного поста (кабины) управления на значительные расстояния,
которые могут достигать десятков и даже сотен метров. К числу их можно отнести
производственную установку, рассматриваемую в данном проекте - мостовой кран, у
которого обзор для оператора из кабины может ограничиваться громоздкими
деталями и высотой подъёма.
Наиболее простое решение при создании системы дистанционного управления
электроприводами крановых механизмов основывается на введении дополнительных
малогабаритных промежуточных реле, которые дают импульсы на включение и
отключение мощных контакторов. Малогабаритные реле в свою очередь управляются с
выносного командного поста по проводам посредством соответствующих переключений
командоаппаратов. Указанный принцип построения схем дистанционного управления
не нашел широкого применения, так как требует вывода за пределы крана
практически того же количества проводов, правда, малого сечения, что и на
командоаппараты при непосредственном управлении из кабины. Наличие
многожильного кабеля, связывающего командный пункт с кабиной, ограничивает
возможности дистанционного управления по радиусу действия, удобству
обслуживания и надежности.
Рассматриваемая в данном проекте система дистанционного управления
(основная) является более перспективной, в которой используется радиоаппаратура
немецкой фирмы HBC Radiomatic. Принцип построения системы
управления заключается в том, что на командном пункте устанавливаются
командоаппараты и радиопередатчик, а в кабине крана - радиоприемник и аппараты
управления, позволяющие получить заданные регулировочные характеристики
электропривода.
8.3 Разработка функциональной схемы , логической схемы
Управляющие импульсы генераторов Г задаются командоаппаратами КА. Каждый
генератор имеет несколько фиксированных частот, диапазон которых выбирается обычно
в пределах 300-5000 Гц.При переключении командоаппарата в генераторе возникает
управляющий сигнал определенной частоты, который вместе с сигналами других
генераторов подается на суммирующий усилитель У. Усиленный суммарный сигнал
управления, включающий составляющие различных частот, поступает в
радиопередающее устройство РП.
Для уменьшения влияния индустриальных и атмосферных помех в передатчике
предпочтительно применение частотной модуляции, которая обладает большей
помехоустойчивостью, чем амплитудная модуляция.
Промодулированные сигналом управления высокочастотные колебания
излучаются передающей антенной. Передатчики дистанционного управления работают
в диапазоне ультракоротких волн, охватывающих широкую полосу частот 25-75 МГц,
благодаря чему при ширине полосы частот каждого передатчика 200 кГц в
непосредственной близости друг от друга может работать без взаимных помех
большое число передатчиков дистанционного управления.
Рисунок 8.1 - Дистанционное радиоуправление электроприводами
подъемно-транспортного механизма
Принятые на кране высокочастотные колебания поступают в радиоприемное
устройство П (рисунок 8.1, а, б). Для лучшей отстройки от помех в схему
приемника введен гетеродин ГТ. Усиленные высокочастотные колебания вместе с
колебаниями гетеродина подаются на смеситель С, и получаемый на выходе сигнал
постоянной промежуточной частоты выделяется с помощью полосового фильтра Ф.
Далее сигнал промежуточной частоты усиливается усилителем УПЧ и поступает в
частотный детектор ЧД, где радиосигнал преобразуется в первичный суммарный
сигнал управления. Этот сигнал с помощью усилителя низкой частоты УНЧ
усиливается и подается в исполнительное устройство ИУ (рисунок 8.1, в), в
котором имеется ряд параллельно включенных избирательных контуров ИК.
Каждый контур воспринимает одну составляющую суммарного сигнала той
частоты, на которую он настроен. Полоса пропускания контуров и интервал между
соседними частотами выбраны так, чтобы обеспечить некоторый запас надежности
для случая самых неблагоприятных условий работы, приводящих к изменению частот
командогенераторов или к расстройке контуров. Принятый соответствующим контуром
сигнал управления передается в усилитель переменного тока У, на выходе которого
включен выпрямитель В. Выпрямленный сигнал должен быть достаточным для
срабатывания чувствительного реле Р, которое своим замыкающим контактом
включает более мощное промежуточное реле ИР. Промежуточное реле ИР в свою
очередь включает соответствующие реле РУ в схеме управления крана.
Рисунки 8.2, а - л иллюстрируют процессы, протекающие в различных
элементах схемы при передаче управляющих сигналов. На рисунке 8.2, а показана
форма сигнала на выходе командогенератора Г1, который включается в момент t0. Для наглядности в дальнейшем предполагается,
что работает только один генератор Г1 с частотой сигнала f1.
Рисунок 8.2 - Характер прохождения сигнала управления через элементы
схемы на рисунке 8.1
В этом случае и на выходе суммирующего усилителя У (рисунок 8.2, а) будет
сигнал той же формы (рисунок 8.2. б). До включения генератора Г1 передатчик РП
излучает высокочастотные колебания постоянной несущей частоты fн. При появлении на входе передатчика
управляющего сигнала f1
несущая частота начинает меняться вблизи постоянного значения fн в соответствии с мгновенными
значениями сигнала f1 (рисунок 8.2,
в). Тем самым образуется некоторый спектр модулирующих частот fм, границы которого определяются
амплитудой управляющего сигнала f1.
Промодулированные таким образом колебания несущей частоты через антенну
излучаются в пространство.
В данном случае рассматривается вариант, когда дистанционное управление
краном осуществляется с одного пульта управления. Если их несколько, то в схеме
соответственно имеется несколько передатчиков, каждый из которых
характеризуется определенной несущей частотой fн. Радиоприемное устройство может быть настроено на любую из
этих частот. Причем одновременно с перестройкой приемника должен
перестраиваться и гетеродин ГТ так, чтобы выполнялось условие fпр = fгт - fн,
где fпр - постоянная промежуточная частота
приемника (рисунок 8.2, г), fгт -
частота колебаний гетеродина (рисунок 8.2, д), а fн - несущая частота передатчика.
Таким образом, приемник всегда работает на постоянной частоте fпр, что позволяет применять в нем
совершенные фильтры, обеспечивающие высокую избирательность. Если сигнал на
несущей частоте модулирован, то его спектр в процессе преобразования несущей
частоты в промежуточную переносится на последнюю (рисунок 8.2, в и г). Пройдя
полосовой фильтр Ф, полоса пропускания которого соответствует спектру сигнала
на промежуточной частоте, и усилитель УПЧ, сигнал поступит в частотный детектор
ЧД. На рисунке 8.2, е) показана форма сигнала, полученного в результате
частотного детектирования. Огибающая высокочастотных колебаний воспроизводит
форму управляющего сигнала f1. В
частотном детекторе выполняется также и амплитудное детектирование (рисунок
8.2, ж). Далее сигнал, включающий постоянную и высокочастотные составляющие, с
помощью фильтра преобразуется в первичный сигнал управления f1 (рисунок 8.2, з). На рисунке 8.2, и
- л показано преобразование управляющего сигнала в исполнительном устройстве.
Дистанционное управление краном по схеме, приведенной на рисунке 8.1,
осуществляется в следующем порядке: в начале работы с помощью командогенератора
защиты АГ (рисунок 8.1) передается команда на включение защитной панели крана.
В схеме предусмотрена нулевая блокировка, поэтому генератор АГ (рисунок 8.3)
может быть включен только при нулевом положении командоаппаратов приводов
подъема КАп, моста КАм и тележки КАТ (рисунок 8.1, а). Если это условие
выполнено, то напряжение на генератор может быть подано нажатием пусковой
кнопки Пс при включенном выключателе АВ, которая затем блокируется замыкающим
контактом реле Рп. На выходе генератора возникает при этом сигнал частоты,
определяемой параметрами контура LС,
который служит командой на включение защитной панели и подается в течение всей
работы крана.
Схема (рисунок 8.3) обеспечивает отключение панели в случае исчезновения
питания с блоков дистанционного управления или при выходе их из строя.
Рисунок 8.3 -
Схема включения генератора защиты
Каждый привод управляется с переносного пульта отдельным
командоаппаратом. В разделе 9, на рисунке 9.1 представлена схема
командоаппарата КАп и генераторов Г1 и Г2 дистанционного управления приводом
подъёма. Частота сигналов генераторов определяется параметрами контуров LС.
.4 Выбор аппаратов
Для реализации способа дистанционного управления выбираем аппаратуру
фирмы HBC Radiomatic. Комплект экономичной серии “716 micron” подходит для минимальных требований
управления электроприводом подъёма грузов. У этой фирмы также имеются комплекты
более сложные и дорогие, позволяющие одновременно управлять несколькими
электроприводами, несколькими координатами и с различными условиями по
скоростям.
9.
ПРОЕКТИРОВАНИЕ УЗЛА СИСТЕМЫ АВТОМАТИЗИРОВАННОГО ЭЛЕКТРОПРИВОДА
В связи с тем, что управление в данном дипломе выбрано дистанционным
способом, проектируется схема командоаппарата дистанционного управления
приводом подъёма.Выбираем дистанционное оборудование чешской фирмы RADOIMATIK серии Spectrum в состав которого входит передатчик
с 8-ми единичным уровнем управления по 3 координатам и приемником,который
производит прием на установленные реле,они задают уровни частот небходимые для
формирования напряжения управления.
В данной схеме индуктивность в процессе регулирования остается
постоянной, а фиксированные значения емкостей конденсаторов устанавливаются
переключением командоаппарата. Генератор Г1 имеет две фиксированные частоты,
его сигналы определяют направление перемещения моста. Остальные команды
подаются с помощью генератора Г2. При переводе командоаппарата из нулевого в
положение, соответствующее, например, движению моста “вперед”, на генератор Г1
подается питание, а в его контур LС
включается конденсатор С1 и на выходе появляется сигнал с частотой f1. Этот сигнал поступает затем через
усилитель У в передающее устройство РП, как это показано на принципиальной
схеме.
Принятый на кране радиосигнал преобразуется в исходный сигнал управления
частоты f1, усиливается усилителем низкой
частоты УНЧ (раздел 8, рисунок 8.1)и передаётся в исполнительное устройство ИУ1,
схема которого приведена на рисунке 9.1.
Принятый избирательным контуром ИК1 (раздел 8, рисунок 8.1) от генератора
Г1 сигнал частоты f1 усиливается
транзисторным усилителем ТУ1,собранным по схеме с общим эмиттером. Для большей
надежности применен усилитель переменного тока. В этом случае при пробое
транзистора или при каких-либо других неисправностях не возникает ложной
команды, приводящей к нарушению нормальной работы привода. Усиленный переменный
сигнал выпрямляется выпрямителем Вв и приводит к последовательному срабатыванию
чувствительного реле Рв и промежуточных ИРа и РУВ. Реле РУВ включено в цепь
управления приводом подъёма; замыкание его контактов равносильно переведению
рукоятки командоконтроллера ККп в положение, соответствующее направлению движения
”вверх” (вперёд).
Аналогично работает схема и при движении “вниз” (назад), в этом случае
сигнал управления с частотой f1
определяемой включением в контур LС
конденсатора С2 (рисунок 9.1), будет принят избирательным контуром ИК2, что
приведет к срабатыванию реле Рн, ИРн, РУН и контактора Н.
10. Проектирование схемы электроснабжения и
защиты электроустановки
.1 Выбор аппаратов, проводов и кабелей
Электрическая энергия подводится к кранам от общей сети переменного тока
или от преобразовательных установок постоянного тока. Посредством кабеля от
отдельного рубильника или автомата осуществляется питание главных контактных
проводов - троллеев, проложенных вдоль подкрановых путей. Количество главных
контактных проводов при переменном токе равно трем, при постоянном - двум. В
некоторых случаях вместо главных контактных проводов, например во взрывоопасных
цехах, применяется токоподвод по средством гибкого кабеля. От главных
контактных проводов с помощью скользящих токосъемников напряжение подводится к
защитной панели, установленной в кабине крана.Контактные провода выполняются
обычно из профилированной стали круглого сечения, уголка, швеллера или рельса.
Медь используется сравнительно редко и только в качестве вспомогательных
троллеев.
Проводка на кранах выполняется проводами ПРГ-500, ПРТО-500, которые
прокладываются в стальных тонкостенных трубах, закрытых коробах или открытым
способом. Применяются для монтажа на кранах также панцирные провода ПРП, ПРШП и
кабели без джутовой изоляции СРГ-500, СРБГ-500. Кабель СРГ не рекомендуется
устанавливать на подвижных частях подъемно-транспортных механизмов, так как при
вибрации свинцовая оболочка кабеля быстро разрушается. Наименьшим сечением
провода по условиям механической прочности является 2,5 мм2. На панелях
управления вместо провода сечением выше 25-35 мм2 применяются плоские шины.
Гибкие токопроводы, которые находят некоторое применение на кранах, выполняются
шланговым проводом с медными жилами и резиновой изоляцией марки ШРПС. Для
тяжелых условий эксплуатации при значительных механических усилиях применяют
кабель ГРШС, а также судовой кабель в шланговой оболочке НРШМ.
В данном проекте мы выбираем гибкие токопроводы марки ШРПС.
Выбор контактных проводов производится по допустимому току нагрузки с
последующей проверкой провода по падению напряжения. Провод выбирается равного
сечения по всей длине перемещения механизма. Во время эксплуатации крана
напряжение на зажимах кранового двигателя не должно быть ниже 85% номинального.
При меньших напряжениях у двигателей переменного тока недопустимо снижается
максимальный момент. Кроме того, становится ненадежной работа контакторов и
тормозных электромагнитов. Потери в сети могут распределяться следующим
образом:
Главные контактные провода............ 3 - 4%
Магистраль до контактных проводов ....... 4-5%
Сеть в
пределах крана ..... ......... 1 - 3%
Для установок с редкими пусками максимально допустимое значение потерь
напряжения не должно превышать 15%.
Точное определение расчетного тока, протекающего по контактным проводам,
вызывает затруднения вследствие резких колебаний нагрузки двигателей крана.
Существует несколько приближенных методов определения расчетного тока, которые
основываются главным образом на длительном опыте эксплуатации крановых
установок.
Расчетный ток можно найти по формуле:
(10.1)
Uн
- номинальное напряжение сети, В;
cosj- средний коэффициент мощности двигателей крана при расчетах
принимают cosj = 0,75.
Найденный по (10.1) ток не должен превышать длительно допустимый ток
проводов:
. (10.2)
114
Из
справочника[3] cледует,что кабеля напряжения до 1кВт с четыремя
алюминевыми жилами при допустимом длительном токе
,сечение должно быть 4 мм,следовательно выбираем
кабель АВРГ-3x4+1x2.5.
10.2 Составление таблицы перечня элементов электрооборудования
Таблица 10.2 - Перечень элементов производственной установки
|
Поз. обозн.
|
Наименование
|
Кол.
|
Примечание
|
|
Документация
|
|
|
|
Пояснительная записка
|
1
|
|
|
Электродвигатели
|
|
|
|
4AH280У3
|
1
|
|
|
Резисторы
|
|
|
|
R7
|
МЛТ 0,125±5% 20 кОм
|
1
|
|
|
R5,R8
|
МЛТ 0,125±5% 10 кОм
|
2
|
|
|
R9
|
МЛТ 0,125±5% 25 кОм
|
1
|
|
|
Конденсаторы
|
|
|
|
С2, С3
|
2,2 мкФ
|
2
|
|
|
VD1-VD6
|
Д212
|
6
|
|
|
VT1-VT6
|
силовые модули IRGPH50KD2
|
6
|
|
|
VD30,VD31
|
стабилитрон типа КС133А
|
2
|
|
. ОХРАНА ТРУДА
11.1
Требования безопасности при эксплуатации мостового крана. Кабины управления
Кабина управления или пульт управления должны быть расположены в таком
месте, чтобы крановщик мог наблюдать за зацепкой груза, а также за
грузозахватным органом и грузом в течение полного цикла работы крана.
Исключение может быть допущено для башенных, стреловых с
башенно-стреловым оборудованием и портальных кранов. Кабина мостового крана и
передвижного консольного крана должна помещаться под галереей моста (консоли) и
сообщаться с ней лестницей. У кранов мостового типа допускается подвешивать
кабину к раме грузовой тележки. В этом случае выход из кабины на галерею моста
должен осуществляться через настил тележки или по наружной огражденной
лестнице.
Кабина кранов мостового типа должна быть подвешена со стороны,
противоположной той, на которой расположены главные троллейные провода.
Исключения допускаются в тех случаях, когда троллейные провода недоступны для
случайного к ним прикосновения из кабины, с посадочной площадки или лестницы.
Кабина управления должна иметь следующие минимальные размеры: высоту 2000
мм, ширину 900 мм, длину 1300 мм, а также минимальный объем 3 куб. м. В кабинах
с невертикальной передней частью в сечении, проходящем через центр сиденья
крановщика, допускается уменьшение высоты до 1600 мм.
Кабина грузоподъемных машин, предназначенных для работы на открытом
воздухе, должна иметь сплошное ограждение со всех сторон и сплошное
вертикальное перекрытие, защищающее крановщика от воздействия неблагоприятных
метеорологических факторов. Световые проемы кабины должны быть выполнены из
небьющегося (безосколочного) стекла.
У мостовых двухбалочных и передвижных консольных кранов и подвесных
тележек, работающих в помещении, допускается устройство сплошного ограждения
открытой кабины на высоту не менее 1000 мм от пола.
У мостовых однобалочных и подвесных кранов ограждение кабины,
предназначенной для работы сидя, может быть выполнено на высоту 700 мм.
При ограждении кабины на высоту до 1000 мм небьющимся (безосколочным)
стеклом необходимо дополнительное ограждение металлической решеткой.
У кабины открытого типа для кранов, работающих внутри помещения, верхнее
перекрытие может не устраиваться.
Кабины мостовых и передвижных консольных кранов в тех случаях, когда
расстояние между задней стенкой кабины и предметами, относительно которых она
перемещается, составляет менее 400 мм, должны иметь сплошное ограждение с
задней и боковых сторон на высоту не менее 1800 мм. Ограждение задней стороны
кабины должно производиться во всю ширину, а боковые стороны должны иметь
ограждение шириной не менее 400 мм со стороны, примыкающей к задней стенке.
Остекление кабины должно быть выполнено так, чтобы имелась возможность
производить очистку стекол как изнутри, так и снаружи, или должно быть
предусмотрено устройство для их очистки. Нижние стекла, на которые может встать
крановщик, должны быть защищены решетками, способными выдержать его вес.
Кабины кранов должны быть оборудованы стационарным сиденьем для
крановщика, устроенным и размещенным так, чтобы можно было сидя управлять
аппаратами и вести наблюдение за грузом. Должна быть предусмотрена возможность
регулировки положения сиденья по высоте и горизонтальной плоскости для удобства
работы и обслуживания аппаратов управления.
В случаях, предусмотренных нормативной документацией, сиденье крановщика
с пультом управления или кабина в целом должны выполняться поворотными.
Кабина крана должна быть выполнена и оборудована таким образом, чтобы в
ней был обеспечен надлежащий температурный режим и обмен воздуха в соответствии
с нормативной документацией. Установка в кабине крана отопительного прибора
должна производиться изготовителем крана.
Устройство и оборудование кабин грузоподъемных машин, предназначенных для
работы в горячих, химических и других цехах, в которых имеет место выделение
пыли и вредных газов, должны соответствовать нормативной документации.
11.2
Требования безопасности к механизмам и аппаратам управления
Аппараты управления грузоподъемной машины должны быть выполнены и
установлены таким образом, чтобы управление было удобным и не затрудняло
наблюдение за грузозахватным органом и грузом, а направление движения рукояток,
рычагов и маховиков было рациональным и соответствовало направлению движения.
Условное обозначение направлений вызываемых движений должно быть указано
на механизмах и аппаратах и сохраняться в течение срока их эксплуатации.
Отдельные положения рычагов, рукояток или маховиков управления должны
фиксироваться и иметь обозначения. Усилие фиксации в нулевом положении или в
положении "выключено" должно превышать усилие фиксации в
промежуточных положениях.
Кнопки для реверсивного пуска каждого механизма должны иметь блокировку,
исключающую одновременное включение реверсивных контактов.
Пусковые аппараты ручного управления, применяемые на грузоподъемных
машинах, управляемых с пола, должны иметь устройства для самовозврата в нулевое
положение. При использовании в этих случаях контакторов удержание их во
включенном положении должно быть возможным только при непрерывном нажатии на
пусковую кнопку.
Подвеска аппаратов управления должна производиться на стальном тросике
такой длины, которая позволяла бы лицу, управляющему механизмом, находиться на
безопасном расстоянии от поднимаемого груза. Аппарат управления должен быть
расположен на высоте от 1000 до 1500 мм от пола.
У грузоподъемных машин с электрическим приводом при контроллерном
управлении включение контактора защитной панели должно быть возможным только в
том случае, если все контроллеры находятся в нулевом положении. Контакты
нулевой блокировки магнитных контроллеров с индивидуальной нулевой защитой в
цепь контактора защитной панели (вводного устройства) могут не включаться.В
этом случае в кабине управления должна быть установлена световая сигнализация,
информирующая о включении или выключении магнитного контроллера.
11.3
Требования безопасности к приборам и устройствам безопасности
Грузоподъемные машины с машинным приводом должны быть оборудованы
устройствами (концевыми выключателями) для автоматической остановки:
а) механизма подъема грузозахватного органа в его крайних верхнем и
нижнем положениях. Концевой выключатель нижнего положения грузозахватного
органа может и не устанавливаться, если по условиям эксплуатации крана не требуется
опускать груз ниже уровня, установленного проектом (паспортом);
б) механизма передвижения грузоподъемных кранов на рельсовом ходу, их
тележек (за исключением железнодорожных), если скорость крана (тележки) перед
подходом к крайнему положению может превысить 0,5 м/с (механизмы передвижения
башенного, козлового крана пролетом более 16 м и мостового перегружателя должны
быть оборудованы концевыми выключателями независимо от скорости передвижения);
в) механизмов передвижения мостовых, козловых, консольных кранов или их
тележек, работающих на одном пути.
Указанные устройства должны устанавливаться также при необходимости
ограничения хода любого другого механизма грузоподъемной машины с электрическим
приводом, например механизма поворота, выдвижения телескопической части
грузоподъемной машины, механизма грузозахватного органа, подъема кабины.
Концевые выключатели, устанавливаемые на грузоподъемной машине, должны
включаться в электрическую схему так, чтобы была обеспечена возможность
движения в обратном направлении. Дальнейшее движение в том же направлении
допускается для механизма передвижения мостового крана в целях подхода к
посадочной площадке или тупиковому упору с наименьшей скоростью, допускаемой
электрической схемой управления краном.
Концевой выключатель механизма подъема груза должен быть установлен так,
чтобы после остановки захватного органа при подъеме без груза зазор между
грузозахватным органом и упором был у электроталей не менее 50 мм, а у всех
других грузоподъемных машин не менее 200 мм.
Концевой выключатель механизма передвижения должен быть установлен таким
образом, чтобы отключение последнего происходило на расстоянии до упора,
составляющем не менее половины пути торможения механизма, а у башенных,
портальных козловых кранов и мостовых перегружателей - не менее полного пути
торможения. При установке взаимных ограничителей хода механизмов передвижения
мостовых и консольных передвижных кранов, работающих на одном пути, указанное
расстояние должно быть уменьшено до 500 мм. Путь торможения механизмов должен
быть указан заводом- изготовителем в паспорте крана.
Краны мостового типа должны быть оборудованы устройством для
автоматического снятия напряжения с крана при выходе на его галерею. У кранов,
работающих в помещении, троллейные провода напряжением не более 42 В при этом
могут не отключаться.
У мостовых кранов, вход на которые предусмотрен через галерею моста,
такой блокировкой должна быть оборудована дверь для выхода на галерею.
Дверь для входа в кабину управления грузоподъемной машины с посадочной
площадки должна быть снабжена электрической блокировкой, не позволяющей начать
движение крана при открытой двери.
После действия ограничителя грузоподъемности должно быть возможно
опускание груза или включение других механизмов для уменьшения грузового момента.
У кранов, имеющих две или более грузовые характеристики, должен быть
применен ограничитель грузового момента, имеющий устройство для переключения
его на работу в соответствии с выбранной характеристикой.
Краны мостового типа должны быть оборудованы ограничителем
грузоподъемности (для каждой грузовой лебедки), если возможна их перегрузка по
технологии производства.
Ограничитель грузоподъемности крана мостового типа не должен допускать
перегрузку более чем на 25 %.
У электрических кранов контакты приборов и устройств безопасности
(концевых выключателей, блокировки люка, двери кабины, аварийного выключателя и
т.п.) должны работать на разрыв электрической сети.
У кранов с электроприводом должна быть предусмотрена защита от падения
груза и стрелы при обрыве любой из трех фаз питающей электрической цепи.
При отключении электродвигателя подъема груза или стрелы должно сниматься
напряжение с катушек электромагнита тормоза или обмоток двигателя
гидротолкателя.
Грузоподъемные машины, управляемые из кабины или пульта управления (при
дистанционном управлении), должны быть снабжены звуковым сигнальным прибором,
хорошо слышимым в местах перемещения груза и отличаться по тональности от
автомобильного сигнала.
.4 Требования
безопасности к электрооборудованию
Электрическое оборудование грузоподъемных машин, токопровод и заземление
должны соответствовать "Правилам устройства электроустановок", за
исключением случаев, особо оговоренных в настоящих Правилах.
Подача напряжения на грузоподъемную машину от внешней сети должна
осуществляться через вводное устройство, имеющее ручной или дистанционный
привод для. снятия напряжения.
Вводное устройство (защитная панель) мостовых и консольных кранов должно
быть оборудовано индивидуальным контактным замком с ключом (ключ-марка), без
которого не может быть подано напряжение на кран.
Вводное устройство и панель управления башенных кранов должны быть
оборудованы приспособлением для запирания их на замок.
Для подачи напряжения на главные троллейные провода или гибкий кабель
должен быть установлен выключатель в доступном для отключения месте.
Выключатель, подающий напряжение на главные троллейные провода или гибкий
кабель, должен иметь приспособление для запирания его в отключенном положении.
На корпусе выключателя должен быть указан регистрационный номер крана, на
который подается напряжение.
Электрическая схема управления электродвигателями грузоподъемной машины
должна исключать:
самозапуск электродвигателей после восстановления напряжения в сети,
питающей грузоподъемную машину;
пуск электродвигателей не по заданной схеме ускорения;
пуск электродвигателей контактами предохранительных устройств (контактами
концевых выключателей и блокировочных устройств).
Электропроводка кранов должна прокладываться в коробках, трубах,
металлорукавах.
Короба и трубы должны прокладываться таким образом, чтобы в них не могла
скапливаться влага от конденсации паров, содержащихся в воздухе.
Вывод проводов из коробов и труб к электродвигателям, сопротивлениям и
т.п. должен выполняться в гибких рукавах. Гибкие рукава должны быть закреплены
на опорных поверхностях через 500 - 700 мм.
Ввод металлорукавов в электрооборудование и в коммуникационные аппараты
должен осуществляться при помощи зажимных муфт.
Изоляция проводов в местах выхода из труб, коробов, металлорукавов и
ввода в электрооборудование и коммуникационные аппараты должна быть защищена от
перетирания изоляционными втулками.
Соединение проводов при прокладке электропроводок должно производиться
только в наборных зажимах.
Электропроводка должна быть доступна для осмотра во время эксплуатации,
защищена в тех местах, где возможны ее повреждения при ремонте механической
части крана, предохранена от порчи изоляции, от попадания на нее смазочного
масла или перегрева от лучеиспускания. Провода и кабели должны присоединяться к
аппаратам, приборам и установочной аппаратуре с помощью наконечников или
специальных зажимов.
Одножильные провода сечением до 10 кв. мм и многожильные до 2,5 кв. мм
могут присоединяться без наконечников, при этом концы многожильных проводов должны
быть пропаяны или спрессованы.
Пайка и лужение концов проводов должны производиться припоем с
содержанием олова не ниже 30 %. Применять кислоты в качестве флюса при пайке
проводов категорически запрещается.
Разделанные и оловяненные концы проводов должны быть окольцованы
поливинилхлоридными или полиэтиленовыми трубками длиной не менее 30 мм.
Все концы проводов должны иметь отчетливую и прочную маркировку в
соответствии с монтажной электросхемой. Маркировка должна наноситься
несмывающимися чернилами или электрографическим способом.
Перед монтажом электрооборудование должно быть осмотрено с целью
выявления внешних повреждений и проверено на сопротивление изоляции.
Кабина управления краном и машинное помещение должны иметь электрическое
освещение.
Освещение на грузоподъемных машинах с электрическим приводом при
отключении электрооборудования грузоподъемной машины должно оставаться
подключенным.
Цепи освещения и сигнального прибора, включенные до вводного устройства,
должны иметь собственный выключатель. Краны должны быть оборудованы
низковольтным ремонтным освещением напряжением не более 42 В. Питание сети
ремонтного освещения должно осуществляться от трансформатора или аккумулятора,
установленных на кране.
Использование металлоконструкций крана в качестве рабочего токопровода
для питания цепей освещения, управления или других напряжением более 42 В не
разрешается.
Установка в кабине управления грузоподъемной машины пусковых
сопротивлений электродвигателей не разрешается.
Электрические отопительные приборы, устанавливаемые в кабине
грузоподъемной машины, должны быть безопасны в пожарном отношении, а их
токоведущие части ограждены. Электрические отопительные приборы должны
присоединяться к электрической сети после вводного устройства. Корпус
отопительного прибора должен быть заземлен.
У кранов с электрическим приводом при питании от внешней сети их
металлоконструкции, а также все металлические части электрооборудования
(корпуса электродвигателей, кожухи аппаратов, металлические оболочки проводов и
кабелей, защитные трубы и т.п.), не входящие в электрическую цепь, но могущие
оказаться под напряжением вследствие порчи изоляции, должны быть заземлены в
соответствии с "Правилами устройства электроустановок".
Корпус кнопочного аппарата управления грузоподъемной машины, управляемой
с пола, должен быть выполнен либо из изоляционного материала, либо заземлен не
менее чем двумя проводниками. В качестве одного из заземляющих проводников
может быть использован тросик, на котором подвешен кнопочный аппарат.
Сопротивление каждой ступени изоляции после монтажа вновь изготовленного
или капитально отремонтированного крана должно быть не менее 10 МОм. Изоляция
электрооборудования и электропроводки должна быть рассчитана на случай
приложения к ним напряжения от груза при повреждении или перекрытии ступеней
защитной изоляции.
Заземляющие зажимы должны устанавливаться в сварных конструкциях на
бобышках или переходных пластинках. Контактные поверхности должны быть зачищены
до блеска и покрыты противокоррозийной смазкой.
Присоединение проводников заземления к контактным поверхностям должно
быть болтовым с установкой контрящих шайб для предотвращения самоотвинчивания
при вибрации.
Заземляющие проводники должны быть проложены в местах, доступных для
осмотра. В местах присоединения проводников к металлоконструкции крана (у
бобышек или переходных пластинок) должен быть нанесен знак "Земля".
Металлические корпуса выносных аппаратов управления должны заземляться не
менее, чем двумя проводниками.
Подсоединение заземляющих проводников к металлорукавам должно быть
выполнено пайкой или хомутом.
Металлические секции коробов электропроводок крана должны образовывать
непрерывную электрическую цепь по всей длине прокладки (должны быть прихвачены
сваркой в трех-четырех точках по периметру стыка секции). Заземление коробов не
требуется в случае непосредственной приварки секции к металлоконструкции крана.
11.5
Требования безопасности к ограждениям
Легкодоступные, находящиеся в движении части грузоподъемной машины,
которые могут быть причиной несчастного случая, должны быть закрыты прочно
укрепленными металлическими съемными ограждениями, допускающими удобный осмотр
и смазку. Обязательному ограждению подлежат:
а) зубчатые, червячные и цепные передачи;
б) соединительные муфты, расположенные в местах прохода;
в) барабаны, расположенные вблизи рабочего места крановщика или в
проходах, при этом ограждение барабанов не должно затруднять наблюдения за
навивкой каната на барабан;
г) вал механизма передвижения кранов мостового типа при частоте вращения
50 об/мин и более (при частоте вращения менее 50 об/мин этот вал должен быть
огражден в месте расположения люка для выхода на галерею).
Ограждению подлежат также валы других механизмов грузоподъемных машин,
если они расположены в местах, предназначенных для прохода обслуживающего
персонала.
Ходовые колеса кранов, передвигающихся по рельсовому пути (за исключением
железнодорожных), их тележки должны быть снабжены щитками, предотвращающими
возможность попадания под колеса посторонних предметов. Зазор между щитком и
рельсом не должен превышать 10 мм.
Все неизолированные токоведущие части электрооборудования грузоподъемной
машины, в том числе включателей контакторных панелей и ящиков сопротивления при
расположении, не исключающем случайное к ним прикосновение лиц, находящихся в
кабине, на галереях, площадках грузоподьемной машины, а также возле них, должны
быть ограждены. Ограждению также подлежат неизолированные токоведущие части
выключателей, подающих напряжение на главные троллейные провода или питающий
кабель.
Контакторные панели и ящики сопротивления, с которых автоматически
снимается напряжение при выходе в местах их расположения, а также
устанавливаемые в специальных аппаратных кабинах, запертых во время
эксплуатации грузоподъемной машины, могут не ограждаться.
Главные троллейные провода, расположенные вдоль кранового пути, и их
токоприемники должны быть недоступны для случайного к ним прикосновения с моста
крана, лестниц, посадочных площадок и других площадок, где могут находиться
люди, что должно обеспечиваться соответствующим расположением или ограждением
проводов и токоприемников.
Троллейные провода, расположенные на грузоподъемной машине, не
отключаемые контактом блокировки люка (троллеи грузового электромагнита,
троллеи напряжением более 42 В кранов с подвижной кабиной), должны быть
ограждены или расположены между фермами моста крана на доступном расстоянии для
обслуживающего кран персонала.
В местах возможного соприкосновения грузовых канатов с главными или
вспомогательными троллейными проводами данного крана или крана, расположенного
ярусом ниже, должны быть установлены соответствующие устройства.
12. Экономическое обоснование технических
решений
.1 Общие сведения
Расчет технико-экономических показателей осуществляется на основе анализа
сравнительных технических данных двух альтернативных систем электропривода.
Экономическая оценка базируется на принципе минимальных приведенных затрат:
минимальных начальных затрат, эксплуатационных затрат на ремонт и обслуживание,
затрат электроэнергии. Наиболее целесообразной по техническим соображениям
принята система ПЧ-АД. В качестве альтернативной системы можно выбрать
двигатель постоянного тока. Технические данные двигателей сравниваемых систем
приведены в таблице 12.1.
Таблица 12.1 - Технические данные сравниваемых систем
|
Вариант Пара- метры
двигателя
|
Первый вариант: ДПТ
|
Второй вариант: ПЧ-АД
|
|
Тип двигателя
|
2ПН225LУХЛ4
|
4АН280М10У3
|
|
Мощность, кВт
|
55
|
55
|
|
К П Д, %
|
87
|
90.5
|
|
Преобразователь
|
Тиристорный преобразователь
|
ABB
|
.2 Расчет начальных затрат
Начальные затраты определяются путем расчета капитальных вложений,
которые состоят из сметной стоимости электропривода, стоимости
пускорегулирующей аппаратуры, стоимости монтажных работ,
транспортно-заготовительных расходов и плановых накоплений монтажной
организации. Поскольку целью экономического расчета является сравнение
альтернативных вариантов, при расчете можно пренебречь наличием резервного
электропривода, никак не повлияет на результат. Наиболее дорогостоящими
составляющими электропривода являются двигатель и преобразователь. Таким
образом, сметная стоимость электропривода:
для первого варианта
бел.руб.,
где
бел.руб. ¾ стоимость
двигателя постоянного тока,
бел.руб. ¾ стоимость преобразователя ( тиристорного
выпрямителя);
для
второго варианта
бел.руб.,
где
бел.руб. ¾ стоимость
асинхронного электродвигателя,
бел.руб.
¾ стоимость преобразователя (ПЧ).
Стоимость
пускорегулирующей аппаратуры определяется как определенная часть (12%)
стоимости преобразователя. Тогда:
для
первого варианта
бел.руб..
для
второго варианта
бел.руб.,
Стоимость
монтажных работ вычисляется отдельно для электропривода и рабочего механизма.
Для электропривода эту величину можно принять равной 6% от стоимости
электропривода
, для рабочего механизма ¾ 5% стоимости электропривода. Таким образом, стоимость
монтажных работ:
для первого варианта
бел.руб.,
для
второго варианта
бел.руб.
Транспортно-заготовительные
расходы составляют 2% от суммы стоимости электропривода и стоимости монтажных
работ:
для
первого варианта
бел.руб.,
для
второго варианта
бел.руб.
Плановое
накопление монтажной организации составляют 10% от стоимости монтажных работ:
для
первого варианта:
бел.руб.
для
второго варианта
бел.руб.12.3 Определение эксплуатационных затрат
При расчете эксплуатационных затрат важное значение имеет величина
периода, за который производится расчет. При сравнении приводов постоянного и
переменного тока ограничимся периодом 1 год.
Годовые эксплуатационные расходы ¾ это суммарные затраты на электропривод и рабочий
механизм, необходимые для эксплуатации механизма в течении года и выпуска
годового объема продукции, т.е. себестоимость эксплуатации механизма. Годовые
эксплуатационные расходы в общем случае включают в себя стоимость потребляемой
электроэнергии, амортизационные отчисления и годовые затраты по эксплуатации
электрической части установки.
Затраты на электроэнергию определяются количеством энергии, потребляемой
за год, номинальной мощностью двигателя, а также тарифной ставкой на
электроэнергию. Для расчета энергии, потребляемой за год, нужно знать суммарное
время работы электропривода за год, которое определяется коэффициентом
использования:
,
где
¾ продолжительность
включения установки;
¾ продолжительность работы установки за смену, ч.;
¾ число рабочих часов за смену.
Зная
коэффициент
можно определить число рабочих часов установки в
году:
ч.,
где
¾ число рабочих дней в
году;
¾ число рабочих смен в сутки.
Энергия,
потребляемая за год, определяется по формулам:
для
первого варианта
кВт×ч,
где
,
- номинальные параметры двигателя постоянного тока;
для
второго варианта
кВт×ч,
где
,
¾ номинальные параметры
асинхронного электродвигателя (табл. ).
Таким
образом, затраты на электроэнергию за год:
для
первого варианта
бел.руб,
для
второго варианта
бел.руб
где
руб/кВт в мес.
руб/кВтч
Амортизационные
отчисления составляют 9,5% от сметной стоимости электропривода. Тогда:
для
первого варианта
бел.руб.,
для второго варианта
бел.руб.,
где
¾ сметная стоимость
асинхронного электропривода, бел.руб.
Издержки
на эксплуатацию оборудования включают в себя множество составляющих.
Оборудование электроприводов обоих вариантов является ремонтируемым, оно
проходит планово-предупредительные ремонты, периодичность и объём проведения
которых регламентируется сметой планово-предупредительных ремонтов. Кроме того,
оборудование нуждается в регулярном техническом обслуживании, требующем так же
определённых затрат. Таким образом, затраты на ремонтно-эксплуатационное
обслуживание оборудования можно определить как сумму затрат на заработную плату
ремонтных рабочих, стоимости материалов для ремонта и обслуживания, общецеховых
и общезаводских расходов.
Заработная
плата ремонтных рабочих определяется количеством времени, необходимым для
проведения ремонтно-эксплутационного обслуживания электрической части
оборудования, которая в свою очередь зависит от норм трудоёмкости ремонта и
технического обслуживания оборудования. Всю систему электропривода можно
разделить на 3 основные части: двигатель, преобразователь, и пускорегулирующая
аппаратура. Для каждой из этих частей отдельно находится трудоёмкость ремонта и
технического обслуживания. Затем эти величины суммируются. Для расчёта
трудоёмкости требуется определить плановую продолжительность ремонтного цикла и
межремонтного периода, число ремонтов в год и т.д.
Плановая
продолжительность ремонтного цикла (ремонтный цикл - наработка энергетического
оборудования, выраженная в годах календарного времени между двумя капитальными
плановыми ремонтами):
для
двигателя постоянного тока
лет,
где
¾ продолжительность
ремонтного цикла для электродвигателей (табл. 4.1);
¾ коэффициент, учитывающий уменьшение срока службы
коллекторных машин;
¾ коэффициент, определяемый сменностью работы
оборудования;
¾ коэффициент, учитывающий уменьшение ремонтного
оборудования;
для
асинхронного электродвигателя
года,
для
тиристорного выпрямителя
года,
где
¾ продолжительность
ремонтного цикла для тиристорного выпрямителя (табл. 5.5);
для
преобразователя частоты:
года,
где
¾ продолжительность
ремонтного цикла для преобразователя частоты (табл. 5.5).
Плановая
продолжительность межремонтного периода (межремонтный период ¾ наработка энергетического оборудования, выраженная в
месяцах календарного времени между двумя плановыми ремонтами):
для
двигателя постоянного тока
мес.,
где
¾ величина межремонтного
периода для двигателя (табл. 4.1);
для
асинхронного электродвигателя
мес.,
для
тиристорного выпрямителя
мес.,
где
¾ продолжительность
межремонтного периода для тиристорных выпрямителей (табл. 5.5);
для
преобразователя частоты
мес.,
где
¾ продолжительность
межремонтного периода для преобразователей частоты (табл. 5.5).
По
полученным величинам можно рассчитать количество капитальных и текущих ремонтов
в расчете на 1 год. Количество капитальных ремонтов в год:
для
двигателя постоянного тока:
;
для
асинхронного электродвигателя:
;
для
тиристорного выпрямителя:
,
для
преобразователя частоты:
;
Количество
текущих ремонтов в расчете на один год определяется аналогично:
По
заданному количеству ремонтов в год, а также по заданной норме трудоемкости
(табличная величина) определяется годовая трудоемкость ремонтов. Годовая
трудоемкость капитальных ремонтов электрических машин рассчитывается по
формулам:
для
двигателя постоянного тока
человеко-часа,
где
¾ норма трудоемкости
капитальных ремонтов для электродвигателей заданной мощности.
¾ поправочный коэффициент, учитывающий частоту вращения
электродвигателя [стр102]:
¾ коэффициент, учитывающий увеличение трудоемкости
эксплуатации коллекторных машин [стр.102];
для
асинхронного электродвигателя
,
человеко-часа.
Для
тиристорного выпрямителя и преобразователя частоты годовая трудоемкость
капитальных ремонтов рассчитывается следующим образом:
человеко-часов,
человеко-часов,
где
¾ норма трудоемкости
капитального ремонта для трансформаторов [табл5.3];
и
¾ нормы трудоемкости
капитального ремонта выпрямителей и преобразователей частоты соответственно
[табл. 5.5].
Годовая
трудоемкость текущих ремонтов для соответствующих типов оборудования
определяется аналогично трудоемкости капитальных ремонтов:
человеко-часа,
,
человеко-часа,
,
человеко-часа,
,
человеко-часа,
где
,
,
и
¾ нормы трудоемкости
текущего ремонта для различных типов оборудования (находятся по тем же
таблицам, что и для капитального ремонта).
Для
пускорегулирующей аппаратуры годовая трудоемкость капитального (текущего)
ремонта принимается равной 25% от трудоемкости капитального (текущего) ремонта
электропривода. Она в свою очередь складывается из трудоемкости ремонта
двигателя и преобразователя:
для
электропривода постоянного тока
человеко-часа;

человеко-часа;
для
электропривода переменного тока
человеко-часа,
человеко-часа.
Трудоемкость
технического обслуживания оборудования принимается равной 10% от нормы
трудоемкости текущего ремонта оборудования без учета поправочных коэффициентов.
Таким образом, годовую трудоемкость обслуживания оборудования можно определить
по формулам:
для
электропривода постоянного тока:
,
человеко-часа,
,
человеко-часа;
для
электропривода переменного тока:
,
человеко-часа,
,
человеко-часов
Трудоемкость
технического обслуживания электропривода за год:
для
электропривода постоянного тока:
человеко-часов;
для
электропривода переменного тока:
человеко-часов.
По
известной годовой трудоемкости эксплуатации оборудования, учитывая тарифную
ставку ремонтного рабочего, а также соответствующие налоги можно определить
затраты на заработную плату ремонтных рабочих за год:
для
первого варианта:
,
где
Стар - часовая тарифная ставка ремонтного рабочего (по 4-му разряду), Стар =
260 руб/ч;
Снал
- коэффициент, определяющий затраты на выплату налогов в связи с начислением
зарплаты:
%
- чернобыльский налог,
%
- начисление на содержание,
%
- фонд социальной защиты населения,
%
- фонд занятости населения,
%
- начисление на премирование,
%
- начисление на выплату дополнительной зарплаты.
ТS - суммарная трудоемкость эксплуатации оборудования.
.
Для
проектируемого варианта:
.
Стоимость
материалов для ремонта и обслуживания принимается равной 100% от основной
заработной платы ремонтных рабочих без учета выплаты налогов:
для
базового варианта:
.
Для
проектируемого варианта:
.
Общецеховые
расходы принимаются равными 100% от основной заработной платы без учета налогов,
т.е.:
;
.
Общезаводские
расходы принимаются равными 50% от основной заработной платы без учета налогов:
;
.
Таким образом, найдены все величины, необходимые для расчета годовых
затрат по эксплуатации электрической части установки
;
для
первого варианта
бел.руб;
для
второго варианта
бел.руб.
Произведем
сравнение двух вариантов по приведенным затратам по формуле:
;
где
¾ себестоимость годовых
затрат,
бел.руб.,
бел.руб.
¾ нормативный коэффициент рентабельности, согласно
рекомендациям ЮНИДО для развивающихся стран
;
¾ стоимость капиталовложений.
Для
первого варианта
бел.руб;
для
второго варианта
бел.руб.
Для
удобства сравнения сведем все полученные данные в таблицу 12.2.
Таблица
12.2 ¾ Технико-экономические показатели сравниваемых
установок
|
Наименование
|
Обозначение
|
Первый вариант: ДПТ
|
Второй вариант: ПЧ-АД
|
|
Номинальная мощность
приводного двигателя, кВт
|
1555
|
|
|
|
Номинальный КПД приводного
двигателя
|
0,870,905
|
|
|
|
Номинальный КПД
преобразователя частоты
|
¾¾
|
|
|
|
Капитальные вложения,
бел.руб.
|
44157602099744
|
|
|
Потребление
электроэнергии в год, кВт ч;
383862,1
369016.6
|
|
|
|
|
Стоимость потребленной
электроэнергии за год, бел.руб.
|
47498602,645994979,6
|
|
|
|
Стоимость годовых
эксплуатационных затрат по электрической части, тыс.руб.
|
|
|
|
Годовые эксплуатационные
расходы, тыс.руб.
|
2889229.22668380
|
|
|
|
Приведенные затраты,
тыс.руб.
|
3551593.22983341.6
|
|
|
.4 Анализ полученных технико-экономических показателей
Полученные технико-экономические показатели сравниваемых систем приведены
таблице 12.1. Анализ и сопоставление капиталовложений, эксплуатационных затрат
и затрат на электроэнергию показывает, что недостатком электропривода
постоянного тока является высокая стоимость и ремонтная сложность
электродвигателя, в то время как асинхронные двигатели являются более простыми
и дешевыми. Однако в системе электропривода переменного тока аналогичными
недостатками обладает преобразователь с системой управления. Расчет показал,
что в данном случае высокая цена и затраты на эксплуатацию двигателя
постоянного тока компенсируется высокой стоимостью капиталовложений при
установке преобразователя частоты. Но при этом необходимо учитывать, что мы в
расчетах принимали во внимание далеко не все показатели эффективности, учесть
которые формализовано далеко не всегда возможно. Например, в нашем случае срок
службы предлагаемого привода значительно больше, чем у базового, что позволяет
считать варианты равноценными.
Важным фактом
является то, что регулирование производительности с помощью преобразователя
частоты - это нововведение, которое позволит обеспечить требуемый диапазон
регулирования производительности.Заключение
В соответствии с заданием в данном дипломном проекте должно было быть
выполнено проектирование автоматизированного электропривода механизма подъёма
мостового крана грузоподъёмностью 20 тонн с скалярным управлением, что и было
сделано.
В процессе проектирования привода был выполнен ряд разделов, указанных в
задании.
В соответствии с заданием, в первом разделе были произведены анализ
технологического процесса, рассмотрена взаимосвязь оператора и установки, а
также построена расчетная схема механической части электропривода, в результате
чего определились особенности как установки в целом, так и ее составных частей.
Во втором разделе был произведен информационный поиск, в результате чего
определили наиболее экономичный и качественный способ управления тяговым
приводом. По результатам поиска, анализа технологического процесса и в
соответствии с заданием были сформулированы требования к электроприводу и
системе автоматизации, выбрана наиболее рациональная система электропривода.
В третьем разделе были построены нагрузочные диаграммы механизма и
электропривода, выбран двигатель и произведена его проверка.
В четвёртом разделе произвели проектирование и расчет силовой схемы
автоматизированного электропривода.
Далее в разделе 5 была спроектирована система управления приводом
подъёма, синтезированы регуляторы, определены параметры объекта управления и
управляющего устройства.
В разделе 6 была разработана компьютерная модель автоматизированного
электропривода, имитирующая режимы подъёмов крана.
В разделе 7 была произведена окончательная проверка двигателя по нагреву.
Проектирование системы автоматизации было выполнено в разделе 8.
В разделе 9 было выполнено проектирование схемы дистанционного управления
Проектирование системы электроснабжения и защиты были выполнены в разделе
10. Также был произведен выбор кабеля и автоматических выключателей.
Технике безопасности и охране труда посвящен раздел 11. В нем были
рассмотрены основные части мостового крана, а также правила безопасной
эксплуатации кранов такого типа.
Экономическое обоснование было выполнено в разделе 12 на основе анализа
сравнительных технических данных двух альтернативных систем электропривода.
В целом, после выполнения всех вышеуказанных разделов было выявлено, что
показатели спроектированной системы соответствуют заданию, а также, что
применение разработанной установки целесообразно ввиду удобства управления,
технических и экономических показателей.
СПИСОК ИСПОЛЬЗОВАННЫХ ИСТОЧНИКОВ
1. Справочник по электрическим машинам:
В 2 т. Т. 2/ Под общ. ред. И.П. Копылова. - М.: Энергоатомиздат, 1989. - 688
с.:ил.
2. Чебовский О.Г. Справочник по силовым
полупроводниковым приборам. Мн., 1988.
3. Проф. Фираго Б.И. Учебно-методическое
пособие для студентов специальности Т11.02, Мн, 1993-125л с ил.
4. Справочник по кранам: В 2-х т. Под
общей ред. проф. Гохберга М.М.-М.:Машиностроение, 1988.-559 с с ил.
5. Ключев В.И. Теория электропривода:
Учебник для вузов. -М.: Энергоатомиздат, 1985.- 560 с.
6. Соколов М.М. Автоматизированный
электропривод общепромышленных механизмов: Учебник для свузов. - М.: Энергия,
1976 - 487 л с ил.
7. Справочник по электрическим машинам:
В 2 т. Т. 2/ Под общ. ред. И.П. Копылова. - М.: Энергоатомиздат, 1989. - 688
с.:ил.