Проектирование автоматизированного электропривода
Содержание
Задание
Введение
. Выбор
электропривода
. Функциональная
схема САР положения
. Определение
передаточных функций звеньев САР
.1
Определение передаточной функции электродвигателя
.2
Определение передаточной функции тиристорного преобразователя
.3
Определение передаточной функции промежуточного усилителя
.4 Определение
передаточных функций датчиков
.
Структурная схема САР позиционирования
.
Расчёт регулятора тока
.
Расчёт регулятора скорости
Заключение
Список
использованных источников
Задание
По исходным данным необходимо:
.Выбрать тип и рассчитать требуемую мощность
электродвигателя с учётом переходных процессов при пуске, торможении и
изменении режимов работы двигателя;
.В соответствии с исходными данными (мощностью,
диапазоном регулирования скорости и другими параметрами), выбрать тип
преобразователя;
.Разработать принципиальную схему силовой части
электропривода;
.По паспортным данным, принципиальной схеме и
характеристикам, приведённым в приложении к данной методике, рассчитать
передаточные функции всех элементов электропривода (электродвигателя,
преобразователя и т.д.) и составить его структурную схему;
.Исследовать устойчивость и качество переходных
процессов.
Вариант 16
|
Макс.
момент сопротивления механизма
|
Момент
инерции механизма
|
Макс.
коэффициент относительной продолж-ности цикла
|
Макс.
погрешность позиционир-ия
|
Макс.
скорость перемещения механизма
|
Вид
движения
|
|
Н·м
|
кг·м2
|
---
|
град
|
рад/с
|
---
|
|
330
|
30
|
0,7
|
2
|
4
|
Вращательное
|
Разработать систему автоматического
регулирования, обеспечивающую заданную точность позиционирования механизма при
максимально активном моменте сопротивления.
Введение
Для современного промышленного производства
характерно широкое внедрение автоматизированного электропривода - основы
механизации и комплексной автоматизации технологических процессов.
Совершенствование систем автоматизированного электропривода с использованием
новейших достижений науки и техники является одним из непременных условий при
решении задач всемерного повышения эффективности промышленного производства,
ускорения роста производительности труда и улучшения качества выпускаемой
продукции.
Электропривод представляет собой
электромеханическую систему, преобразующую электрическую энергию в
механическую. Посредством этой системы приводятся в движение рабочие органы
технологических (производственных) машин и осуществляется управление
преобразованной энергией.
Современные электроприводы металлорежущих
станков являются основным звеном автоматизированных систем управления
технологическим процессом. Механическая энергия, необходимая для создания
относительного перемещения инструмента и заготовки, в основном поступает от
электрического двигателя - силовой части электропривода. Задающие и
информационные системы в технологическом процессе проходят через информационную
часть системы управления электроприводом.
1. Выбор электропривода

,(1)
где ηред = 0,4 - КПД
редуктора по условиям задания на проектирование.
По расчетному значению мощности
выбираем комплектный электропривод следующей комплектации:
двигатель 2ПН180МУХЛ4 на 110 В со
встроенным тахогенератором ТС-1М;
трансформатор ТТ 6;
тиристорный преобразователь
ПТОМ-115-32(50).
Таблица 1: Технические данные
двигателя 2ПН180МУХЛ4
|
Наименование
параметра
|
Значение
|
|
Частота
вращения, n, об/мин
|
750
|
|
Мощность
номинальная Рн, кВт
|
5,4
|
|
Ток
номинальный Iн , А
|
55
|
|
Момент
номинальный Мн , Н м
|
50
|
|
КПД,
%
|
78,5
|
|
Частота
вращения мах nmax
,об/мин
|
3000
|
|
Момент
инерции, кг·м2
|
0,2
|
3
|
|
Сопротивление
якоря, Rя, Ом
|
0,084
|
|
Сопротивление
дополнительной обмотки , Rд, Ом
|
0,056
|
|
Индуктивность
цепи якоря, мГн
|
2,73
|
|
Число
полюсов 2p
|
4
|
Таблица 2: Технические данные трансформатора ТТ
6
|
Наименование
параметраЗначение
|
|
|
Мощность
номинальная Рн, кВА
|
6
|
|
Напряжение
первичной обмотки Uв.н,
В
|
380
|
|
Напряжение
вторичной обмотки Uн.н.,В
|
104/208/416
|
|
Мощность
холостого хода DPх.х.,
Вт
|
60
|
|
Мощность
короткого замыкания ,DPк.з.,
Вт
|
180
|
|
Ток
номинальный Iн, А
|
9,13
|
|
Напряжение
короткого замыкания Uк, %
|
10
|
|
Ток
холостого хода Iх.х.,
А
|
0,15*Iн
|
Таблица 3: Технические данные тахогенератора
ТС-1М
|
Наименование
параметра
|
Значение
|
|
Напряжение
номинальное, Uн,В
|
100
|
|
Частота
номинальная, nн
об/мин
|
3000
|
|
Мощность
номинальная, Pн,
Вт
|
5
|
|
Сопротивление
якоря, Rя , Ом
|
200
|
Таблица 4: Технические данные тиристорного
преобразователя ПТОМ-115-32(50)
|
Наименование
параметра
|
Значение
|
|
Напряжение
номинальное Uн, В
|
115
|
|
Ток
номинальный Iн, А
|
32
|
|
Ток
длительный допустимый I
длит.доп, А
|
40
|
|
Ток
максимальный допустимый I
max.доп, А
|
50
|
|
Мощность
длительная, Рдлит, кВт
|
7
|
2. Функциональная схема САР
положения
Упрощённая функциональная схема САР положения
приведена на рисунке 1:
Рисунок 1. Функциональная схема САР
РП - регулятор положения; ДП - датчик положения;
РС -регулятор скорости; ТГ - датчик скорости (тахогенератор); М - двигатель
(механизм) ; ТП - тиристорный преобразователь; ОВ - обмотка возбуждения.
3. Определение передаточных функций
звеньев САР
.1 Определение передаточной функции
электродвигателя
Двигатель постоянного тока при управлении
изменением напряжения якоря представляют в виде следующей системы:
Рисунок 2. Структурная схема электродвигателя
Постоянную времени якорной цепи Тя определяют по
следующей формуле:
, (2)
где LяΣ - суммарная
индуктивность якорной цепи;
RяΣ = Rп.экв + Rя Σ дв - суммарное
сопротивление якорной цепи системы ТП-Д;
Rп.экв = Rк + 2Rт + 2Rуд + 2Rдин -
эквивалентное сопротивление преобразователя.
Суммарная индуктивность якорной цепи
вычисляют по формуле:
, (3)
где Lт -
приведенная индуктивность трансформатора;
Lя Σ дв - суммарная
индуктивность рассеяния обмоток якоря двигателя ЯО, ДП и КО. Приведенную
индуктивность обмотки трансформатора определяют по формуле:
где Xт -
приведённое ко вторичной цепи индуктивное сопротивление рассеяния фазы
трансформатора;
ω = 314 с-1
- угловая частота напряжения питающей сети.
, (5)
где Zтр - полное
приведенное сопротивление обмоток трансформатора;
Rтр -
приведенное активное сопротивление трансформатора.
Полное приведенное сопротивление
обмоток трансформатора вычисляют по формуле:
, (6)
где Uк -
напряжение короткого замыкания;
Pн -
номинальная мощность трансформатора;
Uн -
номинальное напряжение вторичной обмотки трансформатора должно соответствовать
напряжению питания тиристорного преобразователя.
Приведенное активное сопротивление
трансформатора определяют по формуле:
(7)
где Pк.з.- потери
при коротком замыкании.
Подставив полученные значения в
формулу (5), получим значение приведенного сопротивления обмоток трансформатора
Ом.
Подставив полученные значения в
формулу (4), получим значение приведенной индуктивности обмотки трансформатора
Гн.
Индуктивность якоря двигателя
определяют по формуле:
,(8)
где γ - конструктивный
коэффициент, γ
= 0,1 для
компенсированных машин, γ
= 0,6 для
некомпенсированных машин;
- скорость вращения якоря.
Подставив полученные значения в
формулу (3), получим значение индуктивности якорной цепи:
Гн.
Эквивалентное сопротивление
преобразователя вычисляют по формуле:
(9)
где
Ом - сопротивление, учитывающее
снижение выпрямленного напряжения из-за процессов коммутации токов вентилями
преобразователя, m - число коммутаций вентилей за
период напряжения сети (пульсность схемы): для мостовой схемы m = 6, для
нулевой m = 3.
- сопротивление уравнительного
дросселя;
падение напряжения на уравнительном
дросселе, при номинальном выпрямленном токе
;
Динамическое сопротивление тиристора
вычисляют по формуле:
, (10)
где Uт = (0,5 ÷
1,5) В
- классификационное падение напряжения на тиристоре, принимаем Uт = 1,3 В;
Iср.вент - среднее
значение тока, протекающего через тиристор при номинальном моменте
сопротивления на двигателе.
Среднее значение тока через тиристор
определяется по формуле:
(11)
Сопротивление якоря двигателя:
, (12)
где Rя
- сопротивление якорной обмотки;
Rдп
- сопротивление дополнительной обмотки;
Rко
- сопротивление компенсационной обмотки ( в нашем двигателе отсутствует);
Rщ
- сопротивление щеточного контакта;
коэф. 1,24 учитывает изменение сопротивления в
результате нагрева двигателя до рабочей температуры.
Сопротивление щеточного контакта определяют по
формуле:
Ом. (13)
где Uщ = 1÷2 В - падение
напряжения на щеточном контакте. Принимаем Uщ = 2 В.
Подставив значения в формулу (12),
получим значение сопротивления якоря двигателя:
Ом.
Вычислим суммарное сопротивление
якорной цепи ТП-Д:
Подставив полученные значения в
формулу (2) получим постоянную времени якорной цепи:
Приведённый к валу двигателя
суммарный момент инерции механических элементов привода:
. (14)
. (15)
Передаточное отношение редуктора
определим по формуле:
. (16)
Коэффициент редуктора:
. (17)
Подставив полученные значения в
формулу (14) получим:
.
Передаточный коэффициент двигателя
постоянного тока при регулировании скорости изменением подводимого напряжения к
якорю:
рад/В·с, (18)
где коэффициент ЭДС:
. (19)
Конструктивный коэффициент машины определим по
формуле:
Н·м/А.
Передаточная функция двигателя:
. (20)
3.2 Определение передаточной функции
тиристорного преобразователя
Технические данные тиристорного
преобразователя ПТОМ-115-32(50) представлены в таблице 4.
, (21)
где Uт.п - выходное
напряжение тиристорного преобразователя;
Uу -
напряжение, подаваемое на вход СИФУ тиристорного преобразователя; Кт.п
- коэффициент передачи тиристорного преобразователя; Тт.п = Тф
+ 1/(2mf) = Тф
+ 0,003 = 0,006 + 0,003 =0,009 с - постоянная времени тиристорного
преобразователя.
Коэффициент тиристорного
преобразователя:
Принимая во внимание, что Тт.п
= 0,009 с, передаточная функция тиристорного преобразователя будет иметь вид:
3.3 Определение передаточной функции
промежуточного усилителя
В современных тиристорных приводах
постоянного тока для улучшения статических и динамических характеристик системы
в промежуточные усилители вводятся различные корректирующие цепи, чем
обеспечивается регулирование необходимых динамических свойств системы.
В системах позиционирования
статическая ошибка, приведенная к валу двигателя при вращательном движении
механизма определяется из выражения:
, (22)
где kр -
коэффициент усиления разомкнутой системы; i -
передаточное отношение редуктора; Mc - момент
сопротивления; β
- жёсткость
механической характеристики системы; δзад = 2 -
заданная погрешность позиционирования. Жёсткость механической характеристики
системы определяется из выражения:
. (23)
Уравнение электромеханической
характеристики имеет вид:
. (24)
При этом
- скорость
идеального холостого хода, (25) ωн = 78,5 с-1-
номинальная скорость вращения вала двигателя.
Учитывая, что электромеханическая и
механическая характеристики при определенных допущениях представляют собой
прямую линию, определим модуль жесткости механической характеристики двигателя:
Н·м·с/рад.
Подставив полученные значения в
формулу (22) найдём коэффициент усиления разомкнутой системы:
где Мс = 330 Н·м - максимальный
момент сопротивления механизма.
Коэффициент усиления разомкнутой
системы:
. (26)
Из формулы (26) найдём коэффициент
усиления промежуточного усилителя:
. (27)
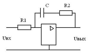
Техническая реализация
промежуточного усилителя представлена на рисунке 3.
Рисунок 3. Промежуточный усилитель
Произведём расчёт параметров звена.
Коэффициент усиления промежуточного усилителя:
kпр.ус = R8/R7.
Примем R7 = 10 кОм;
тогда R8 = 33 кОм.
3.4 Определение передаточных функций
датчиков
Определение передаточной функции
датчика тока.
Передаточная функция датчика тока
определяется следующим образом:
,
где 10 - максимальное значение
напряжения с датчика тока, В;
Iн -
номинальный ток двигателя.
Определение передаточной функции
датчика скорости.
Технические данные тахогенератора
ТС-1М представлены в таблице 3.
Передаточная функция тахогенератора
имеет вид:
,
где Uн = 100 В
напряжение тахогенератора;
- номинальная скорость вращения
тахогенератора.
Так как в обратную связь принято
подавать напряжение 10 В, то необходим согласующий усилитель, коэффициент
усиления которого равен:
.
Тогда:
.
Согласующее устройство выполним на
базе делителя напряжения:
.
Примем R1 = 100 Ом,
тогда R2 = 900 Ом.
Определение передаточной функции
датчика положения.
Примем диапазон регулирования 1800
или 3,14 рад. Тогда, учитывая, что в обратную связь подаётся 10 В, передаточная
функция будет иметь вид:
В/рад.
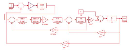
4. Структурная
схема САР позиционирования
рисунок 4.Структурная схема САР позиционирования
5. Расчёт регулятора тока
Для построения переходной характеристики
регулятора тока составим структурную схему замкнутого контура:
Рисунок 5. Структурная схема замкнутого контура
тока
Рисунок 6. Переходная характеристика замкнутого
контура тока
Для расчёта регулятора тока разрываем обратную
связь, и преобразуем структурную схему к виду:
Рисунок 7. Структурная схема разомкнутого
контура тока
Получим передаточную функцию:
.
Для расчёта регулятора тока
воспользуемся частотным методом с использованием ЛАЧХ и ЛФЧХ разомкнутой системы.
Для их построения используется
следующий скрипт (код программы):
>>
num=[12.43];
>>
den=[0.000126 0.023 1];
>> margin(sys).
Синтез регуляторов с помощью
логарифмических частотных характеристик производится в таком порядке. Вначале
строятся ЛАЧХ Lнск(ω) и ЛФЧХ φнск(ω) нескорректированной
системы. Далее определяют желаемую ЛАЧХ системы, т. е. ЛАЧХ, при которой
выполняются заданные требования к качеству управления. Желаемая ЛАЧХ Lск(ω) (её обычно
обозначают Lж(ω)) скорректированной
системы состоит из нескольких основных участков:
1) низкочастотный. Определяет
установившиеся детерминированные режимы;
) среднечастотный. Определяет качество
переходного процесса (перерегулирование, время переходного процесса);
) высокочастотный. Не оказывает
существенного влияния на качество переходного процесса, поэтому её принимают
совпадающей с ЛАЧХ нескорректированной системы.
Учитывая выше сказанное, произведём синтез
регулятора тока.
Переходная характеристика контура тока
представлена на рисунке 6, а ЛЧХ на рисунке 8.
Рисунок 8. ЛЧХ для разомкнутой системы
Как видно из рисунков система обладает большой
колебательностью, большим перерегулированием σ=95% и
малым запасом по фазе ∆ φ=33,70.
Для улучшения качества переходного процесса в качестве регулятора применим
интегро-дифференцирующее звено. Скорректированная система должна обеспечить
запас по фазе ∆ φ=660.
.
Постоянные времени примем:
T1=
0,2с; T2=0,02с; T3=0,005с;
T4=0,001с.
Произведём расчёт параметров звена.
T1+T4=T2+(1+R1/R2)T32=R1C1
T3=R2C2
Подставляя значения постоянных времени
определяем параметры звена:
R1=10
кОм R2=1
кОм C1=2
мкФ C2=0,5
мкФ.
Подставим значения постоянных времени в желаемые
регуляторы тока и затем необходимо добиться оптимального перерегулирования
переходного процесса σ ≤ 2%, путем
корректировки значения знаменателя вновь созданных звеньев
Рисунок 9. Скорректированная структурная схема
замкнутого контура тока
Получим оптимальную передаточную функцию:
.
Переходной процесс скорректировано
системы представлен на рисунке 10. . Из рисунка видно что перерегулирование
системы σ=0,2%,
а
время переходного процесса
tпп=0,15с.
Техническая реализация данного звена
представлена на рисунке 11.
Рисунок 10. Переходной процесс
скорректированной системы
Рисунок 11. Техническая реализация
регулятора тока
6. Расчёт регулятора скорости
Для расчёта регулятора скорости необходимо
преобразовать данную структурную схему к виду:
Рисунок 12. Структурная схема замкнутого контура
скорости
Произведём синтез регулятора скорости. В звене Step
поставить значение Step
time - 0.
Переходной процесс контура скорости представлен
на рисунке 14, а ЛЧХ на рисунке 15. Для построения последней необходимо
посчитать ПФ разомкнутого регулятора скорости. Для этого к ПФ замкнутого
регулятора тока добавить ПФ вновь введенных звеньев:
Рисунок 13. Структурная схема разомкнутого
контура скорости
Рисунок 14. Переходной процесс контура скорости
Как видно из рисунков система обладает малым
быстродействием. Для улучшения качества переходного процесса в качестве
регулятора применим пропорционально-интегральный регулятор. Скорректированная
система должна обеспечить запас по фазе ∆ φ=650
и по амплитуде ∆L=13
дБ.
.
Получим передаточную функцию:
.
Для расчёта регулятора скорости
воспользуемся частотным методом с использованием ЛАЧХ и ЛФЧХ разомкнутой
системы.
Для их построения используется
следующий скрипт (код программы):
>> num=[1,4];
>> den=[0.000126 0.023 1 0];
>> sys=tf(num,den);
>> margin(sys).
Рисунок 15. ЛЧХ контура скорости
автоматизированный электропривод двигатель датчик
Постоянные времени определим из графиков ЛЧХ.
T= 20с; k=2.
Рисунок 16. Скорректированная структурная схема
замкнутого контура скорости
Рисунок 17. Переходной процесс скорректированной
системы.
Переходной процесс скорректированой системы
представлен на рисунке 17. Из рисунка видно что перерегулирование системы σ=0,2%,
а
время переходного процесса tп=0,2с.
Техническая реализация данного звена
представлена на рисунке 18.
Произведём расчёт параметров звена.
Т=С*R2.
k=R2/R1.
Подставляя значения постоянных времени
определяем параметры звена:
R1=10000
кОм R2=20
000кОм C=0,1 мкФ.
Рисунок 18. Техническая реализация регулятора
скорости
Заключение
При выполнении данного курсового проекта была
освоена методика проектирования автоматизированного электропривода.
В результате проектирования с помощью программы
Мatlab был разработан
автоматизированный электропривод системы позиционирования, обеспечивающий
заданную точность позиционирования механизма при максимальной скорости задающего
сигнала и максимальном моменте сопротивления. Исследованы и проанализированы
переходные процессы при различных режимах работы системы.
Спроектированная система удовлетворяет всем
поставленным требованиям.
Список использованных источников
1)
Автоматизированный электропривод. Методические указания к курсовому
проектированию по курсу «Автоматизированный электропривод», составители: Г.Н.
Коуров, В.Ц. Зориктуев, УАИ, 1989.
2)
Башарин А.В., Новиков В.А., Соколовский Г.Г. Управление электроприводами:
Учебное пособие для вузов.-Л.: Энергоиздат, 1982.
)
Зимин Е. М., Яковлев В. И. Автоматическое управление электроприводом. - М.:
Энергия, 1979.
)
Зориктуев В. Ц. Автоматизированный электропривод металлорежущих станков:
Учебное пособие. - Уфа, 1981.
)
Справочник по автоматизированному электроприводу / Под ред. В.А. Елисеева и
А.В. Шинянского.- М.: Энергоатомиздат, 1983.
)
Чиликин М.Г., Сандлер А.С. Общий курс электропривода. - М.: Энергоатомиздат,
1981
)
Электротехнический справочник (в 3-х томах ). Под общей редакцией М. Г.
Чиликина. - М.: Энергия, 1975.
)Введение
в MATLAB: Учебное пособие/
Л.А.Мироновский, К.Ю.Петрова; ГУАП.- СПб., 2006.- 164с.