Проектирование автоматизированного электропривода мотор-колеса большегрузного самосвала производства БелАЗ

  • Вид работы:
    Курсовая работа (т)
  • Предмет:
    Транспорт, грузоперевозки
  • Язык:
    Русский
    ,
    Формат файла:
    MS Word
    460,87 Кб
  • Опубликовано:
    2012-04-28
Вы можете узнать стоимость помощи в написании студенческой работы.
Помощь в написании работы, которую точно примут!

Проектирование автоматизированного электропривода мотор-колеса большегрузного самосвала производства БелАЗ

Кафедра "Электропривод и автоматизация промышленных установок и технологических комплексов"







КУРСОВОЙ ПРОЕКТ

на тему: ПРОЕКТИРОВАНИЕ АВТОМАТИЗИРОВАННОГО ЭЛЕКТРОПРИВОДА МОТОР-КОЛЕСА БОЛЬШЕГРУЗНОГО САМОСВАЛА ПРОИЗВОДСТВА БЕЛАЗ

СОДЕРЖАНИЕ

ВВЕДЕНИЕ

. ТЕХНОЛОГИЧЕСКАЯ ЧАСТЬ

1.1 ОПИСАНИЕ ПРОМЫШЛЕННОЙ УСТАНОВКИ И АНАЛИЗ ТЕХНОЛОГИЧЕСКОГО ПРОЦЕССА

.2 АНАЛИЗ ВЗАИМОДЕЙСТВИЯ ОПЕРАТОР - ПРОМЫШЛЕННАЯ УСТАНОВКА

.3 АНАЛИЗ КИНЕМАТИЧЕСКОЙ СХЕМЫ, ОПРЕДЕЛЕНИЕ ПАРАМЕТРОВ И СОСТАВЛЕНИЕ РАСЧЁТНОЙ СХЕМЫ АВТОМАТИЗИРОВАННОГО ЭЛЕКТРОПРИВОДА

2. ВЫБОР СИСТЕМЫ ЭЛЕКТРОПРИВОДА И АВТОМАТИЗАЦИИ ПРОМЫШЛЕННОЙ УСТАНОВКИ

2.1 ЛИТЕРАТУРНЫЙ ОБЗОР ПО ТЕМЕ ДИПЛОМНОГО ПРОЕКТА

.2 ФОРМУЛИРОВАНИЕ ТРЕБОВАНИЙ К АВТОМАТИЗИРОВАННОМУ ЭЛЕКТРОПРИВОДУ И СИСТЕМЕ АВТОМАТИЗАЦИИ

.3 ОПРЕДЕЛЕНИЕ ВОЗМОЖНЫХ ВАРИАНТОВ И ВЫБОР РАЦИОНАЛЬНОЙ СИСТЕМЫ ЭЛЕКТРОПРИВОДА

.4 ПРОЕКТИРОВАНИЕ ФУНКЦИОНАЛЬНОЙ СХЕМЫ АВТОМАТИЗИРОВАННОГО ЭЛЕКТРОПРИВОДА

3. ВЫБОР ЭЛЕКТРОДВИГАТЕЛЯ

3.1 РАСЧЁТ НАГРУЗОК И ПОСТРОЕНИЕ МЕХАНИЧЕСКОЙ ХАРАКТЕРИСТИКИ И НАГРУЗОЧНОЙ ДИАГРАММЫ МЕХАНИЗМА

.2 ПРЕДВАРИТЕЛЬНЫЙ ВЫБОР ЭЛЕКТРОДВИГАТЕЛЯ ПО МОЩНОСТИ

.3 ВЫБОР НОМИНАЛЬНОЙ СКОРОСТИ ДВИГАТЕЛЯ И ТИПОРАЗМЕРА ДВИГАТЕЛЯ

.4 ПОСТРОЕНИЕ НАГРУЗОЧНОЙ ДИАГРАММЫ ЭЛЕКТРОПРИВОДА

.5 ПРОВЕРКА ВЫБРАННОГО ЭЛЕКТРОДВИГАТЕЛЯ ПО НАГРЕВУ И ПЕРЕГРУЗОЧНОЙ СПОСОБНОСТИ

4. ВЫБОР КОМПЛЕКТНОГО ПРЕОБРАЗОВАТЕЛЯ И ДАТЧИКОВ КООРДИНАТ ЭЛЕКТРОПРИВОДА, ВЫБОР КОМПЛЕКТУЮЩИХ ИЗДЕЛИЙ И АППАРАТОВ СИСТЕМЫ ЭЛЕКТРОСНАБЖЕНИЯ ПРОМЫШЛЕННОЙ УСТАНОВКИ

5. ОХРАНА ТРУДА И ТЕХНИКА БЕЗОПАСТНОСТИ ПРИ ОБСЛУЖИВАНИИ ЭЛЕКТРООБОРУДОВАНИЯ БАЗОВОЙ ПРОМЫШЛЕННОЙ УСТАНОВКИ

СПИСОК ИСПОЛЬЗОВАННЫХ ИСТОЧНИКОВ

ВВЕДЕНИЕ


Среди многообразия средств транспорта и механизации строительства преобладают самоходные пневмоколесные (безрельсовые) транспортные средства. Большинство пневмоколесных машин оснащено механическими и гидромеханическими трансмиссиями. Механические трансмиссии имеют малую массу, невысокую стоимость, небольшие габаритные размеры, достаточную надежность и значительный к.п.д. Однако им свойственны следующие недостатки: недоиспользование мощности источника энергии из-за ступенчатой формы тяговой характеристики; влияние трансмиссии на компоновочную схему машины; значительные эксплуатационные расходы вследствие изнашивания деталей; сложность конструкции трансмиссий шарнирно-сочлененных машин; трудность и малая эффективность автоматизации управления трансмиссиями и процессами работы машин.

С ростом мощности эти недостатки усугубляются. Поэтому необходимо создание пневмоколесных машин-электромобилей, оборудованных электрическим приводом ведущих колес и автономной энергетической установкой. Широкое распространение получили так называемые мотор-колеса, содержащие встроенные в ступицы тяговые электродвигатели, редукторы и аварийно-стояночные тормоза. Мотор-колеса полифункциональны, так как они выполняют функции распределительных, преобразующих, ходовых и тормозных устройств при использовании электродинамического торможения и пригодны для разных машин. Поэтому трансмиссии с мотор-колесами универсальны и имеют следующие преимущества:

·          возможность передачи мощности до нескольких тысяч лошадиных сил от одного или группы дизелей к необходимому числу движителей;

·        бесступенчатая тяговая характеристика близка к гиперболе в диапазоне регулирования скорости 1:20 при номинальной мощности;

·        возможность целенаправленного управления силовым потоком таким образом, что более нагруженные и находящиеся в лучших условиях по сцеплению движители реализуют большую мощность и развивают максимальное тяговое усилие;

·        меньшие расходы на обслуживание по сравнению с расходами при механических и тем более гидромеханических трансмиссий;

·        простота и эффективность автоматизации управления трансмиссиями и процессов работы машин.

В настоящее время все эти свойства в совокупности обеспечиваются практически только электрическими универсальными трансмиссиями.

 

1. ТЕХНОЛОГИЧЕСКАЯ ЧАСТЬ


1.1 ОПИСАНИЕ ПРОМЫШЛЕННОЙ УСТАНОВКИ И АНАЛИЗ ТЕХНОЛОГИЧЕСКОГО ПРОЦЕССА

Рассматриваемая установка представляет собой внедорожный самосвал, оснащенный дизельным двигателем. Самосвал приводится в движение посредством большого дизельного двигателя, соединенного с генератором и системой тягового привода переменного тока. Самосвал оснащен шестью колесами. Два передних колеса являются управляемыми и неприводными. Четыре задних колеса сгруппированы попарно и являются приводными. Каждая пара колес приводится в движение посредством асинхронного электродвигателя переменного тока и редуктора. Отдельные инверторы обеспечивают независимое управление каждым задним колесным мотором, что является необходимым по причине чрезвычайно большой разницы в числе оборотов колес при повороте на небольшой скорости. Самосвал оснащен опрокидывающимся назад кузовом большого объема.

В состав самосвала входят (рисунок 1.1):

Четырехтактный дизельный двигатель (2) с газотурбинным наддувом и промежуточным охлаждением наддувочного воздуха, преобразующий тепловую энергию сгорающего в их цилиндрах топлива в механическую. Система очистки воздуха - через трехступенчатые фильтры с элементами сухого типа. Выпуск отработавших газов осуществляется через один выхлопной коллектор в платформу с правой стороны. Система смазки - циркуляционная, под давлением, с "мокрым" поддоном. Система охлаждения - жидкостная, с принудительной циркуляцией. Система пуска - пневмостартерная.

Тяговый генератор (1) является источником питания электроэнергией для тяговых электродвигателей. Он жестко закреплен с дизелем и установлен на подмоторную раму. Ротор генератора соединен с коленчатым валом через упругую пластиночную муфту.

Тяговые электродвигатели (11), вместе с корпусом колесного редуктора установлены на балке заднего моста (10), преобразуют электроэнергию, получаемую от генератора, в механическую, и через колесные редукторы передают ее на ведущие колеса (9). Вал якоря электродвигателя одним концом соединен с торсионным валом ведущей шестерни редуктора мотор-колеса, а ко второму концу (со стороны коллектора) крепиться барабан тормозного механизма стояночной тормозной системы.

Рисунок 1.1 - Внешний вид самосвала

Электрошкаф (4) содержит аппаратуру управления и регулирования.

Кабина самосвала (3) закреплена на шасси самосвала через резиновые виброизоляторы и оборудована подрессорными сидением водителя и сидением стажера, отопителем кабины с фильтром для очистки воздуха, вентилятором, стеклоочистителем и стеклоомывателем ветрового стекла, зеркалами заднего вида и т.д. Кабина полностью соответствует требованиям стандартов, устанавливающих уровни шума, вибрации, концентрации вредных веществ и запыленности воздуха, что обеспечивает комфорт водителя и снижает его утомляемость.

Платформа (5), ковшевого типа с защитным козырьком над кабиной и обогревом отработавшими газами двигателя, предназначена для перевозки скальных пород угля и других материалов. Конструкция платформы надежно защищает кабину, отсек двигателя и шины от повреждения просыпавшимися материалами. Геометрия платформы, угол ее опрокидывания и обогрев предохраняют от опасности зависания материала при разгрузке.

Рама (6) воспринимает ударную нагрузку, усилия на скручивание и излом, кроме того, она является несущим элементом для всех узлов и агрегатов самосвала.

Упругую связь рамы с мостами и колесами самосвала осуществляет простая по конструкции и надежная в эксплуатации подвеска (8,12). Подвеска смягчает толчки и удары при движении по неровностям дороги и обеспечивает высокую плавность хода.

Бездисковые колеса (9) надежно передают усилия и моменты между мостами автомобиля и дорогой. Пневматические шины с карьерным рисунком повышают сцепление колеса с дорогой, уменьшают шум при движении и снижают удельную нагрузку на поверхность дороги.

Карьерный самосвал БелАЗ-75600, грузоподъемностью 320 т. предназначен для перевозки горной массы и других сыпучих грузов на открытых разработках месторождений полезных ископаемых по технологическим дорогам в различных климатических условиях эксплуатации

Усредненную схему технологического процесса можно представить следующим образом:

загрузка груза мин;

выезд из карьера (забоя) мин со скоростью 30 км/час;

движение с грузом мин со скоростью 60 км/час;

разгрузка груза мин;

движение без груза обратно в карьер  мин со скоростью 65 км/час;

движение в карьере до места загрузки мин со скоростью 30 км/час;

Рисунок 1.2 - Упрощенная скоростная диаграмма работы самосвала

1.2 АНАЛИЗ ВЗАИМОДЕЙСТВИЯ ОПЕРАТОР - ПРОМЫШЛЕННАЯ УСТАНОВКА

карьерный самосвал автоматизированный электропривод двигатель

Оператор размещается в кабине, оборудованной системой управления климатом и расположенной над двигателем, и управляет транспортным средством таким образом, который в определенной степени напоминает управление автомобилем с автоматической трансмиссией.

Рычаг переключения передач имеет следующие положения: Вперед, Нейтраль и Задний ход.

В нейтральном положении крутящий момент на валу привода отсутствует, и оператор может увеличивать число оборотов двигателя посредством нажатия на педаль дросселя, что применимо при работе гидравлического насоса и поднятии кузова.

В положении "Вперед" или "Задний ход" при нажатии на педаль дросселя блок управления тяговым приводом (БУТП) интерпретирует положение педали как команду на получение определенного крутящего момента и регулирует уровень крутящего момента для создания необходимого тягового усилия, ускоряя транспортное средство и поддерживая необходимый уровень скорости. Движение в режиме заднего хода аналогично движению вперед, за исключением того, что направление крутящего момента является обратным, а активные ограничения скорости и значения линейного изменения крутящего момента, как правило, отличаются. При нажатии на педаль тормоза генерируется электрическая команда на создание тормозного момента и в соответствии с этим происходит замедление самосвала.

ретья педаль обеспечивает оператору независимое управление механическим (рабочим) тормозом.

При эксплуатации самосвала оператор должен выполнять следующие действия:

·        проверить техническое состояние системы и узлов по внешнему виду;

·        особенно внимательно осмотреть рулевое управление, рабочую и стояночную тормозные системы;

·        проверить наличие топлива в топливном баке и охлаждающей жидкости в системе охлаждения;

·        проверить уровень масла;

·        проверить величину давления в камерах колес;

·        если автомобиль находился долгое время без эксплуатации, необходимо проверить емкость заряда аккумуляторов;

·        не следует допускать стоянку на шинах автомобилей без груза более 10 дней, груженых - более двух дней. В случае более длительной стоянки автомобиль поставить на подставки, полностью разгрузив шины;

·        в зимний период эксплуатации после продолжительной стоянки самосвала на открытой площадке первые 15 - 20 мин рекомендуется двигаться со скоростью 10 - 15 км/ч, чтобы детали трансмиссии и ходовой части, особенно шины, нагревались медленно - это повысит их работоспособность при возрастании нагрузок;

·    на стоянках необходимо вынимать ключ из замка-выключателя для исключения разрядки аккумуляторных батарей.

·     автомобиль установить таким образом, чтобы погрузка производилась сбоку или сзади; перенос экскаваторного ковша над кабиной запрещается;

·        автомобиль надежно затормозить, а двигатель оставить работать на малых оборотах;

·        ковш экскаватора должен раскрываться на минимально возможной высоте от днища платформы; груз должен располагаться равномерно по платформе;

·        автомобиль под погрузку и отъезжать от экскаватора после погрузки только с разрешающего сигнала машиниста экскаватора.

Последовательность пуска самосвала:

·     проверить уровень топлива в баке;

·        проверить уровень масла в системе смазки и при необходимости долить;

·        включить выключатель "массы";

·        вставить ключ в замок-выключатель;

·        осуществить пуск дизеля;

·        после пуска двигатель нужно прогреть сначала на минимальных, затем на средних оборотах до температуры охлаждающей жидкости 40-50оС;

·        начинать движение можно только после достижения давления воздуха в пневматическом приводе рабочей тормозной системы более 0,65 Мпа;

·        перед началом движения подать звуковой сигнал и, плавно увеличивая подачу топлива, растормозить самосвал. Самосвал начнет двигаться.

Остановка самосвала.

Для остановки автомобиля нужно:

·      уменьшить частоту вращения двигателей до минимальной устойчивой;

·        затормозить и остановить самосвал рабочей тормозной системой;

·        после остановки самосвала затормозить его стояночной тормозной системой;

·        отключить аккумуляторные батареи от "массы" нажатием на кнопку выключателя, после чего вынуть ключ из замка-выключателя.

1.3 АНАЛИЗ КИНЕМАТИЧЕСКОЙ СХЕМЫ, ОПРЕДЕЛЕНИЕ ПАРАМЕТРОВ И СОСТАВЛЕНИЕ РАСЧЁТНОЙ СХЕМЫ АВТОМАТИЗИРОВАННОГО ЭЛЕКТРОПРИВОДА


Механическая часть электромеханической системы включает в себя все связанные движущиеся массы: двигателя, передаточного устройства и исполнительного механизма установки. К ротору двигателя при скорости w приложен электромагнитный момент М, под действием которого механическая часть приводиться в движение и на рабочем органе установки совершается предусмотренная технологией механическая работа.

Электромотор-колесо.

Электромотор-колесо крепится к картеру заднего моста и включает тяговый электродвигатель 2 (рисунок 1.3), редуктор 8, ступицу заднего колеса 4, тормозные механизмы рабочей 3 и стояночной 1 тормозных систем и индукционный датчик ограничения скорости.

Тормозные механизмы электромотор-колес самосвалов относительно небольшой грузоподъемности (до 120 т.) - колодочные, рабочие тормозные механизмы установлены на корпусе редуктора мотор-колеса, стояночные - на подшипниковом щите тягового электродвигателя (со стороны коллектора). Тормозные механизмы электромотор-колес самосвалов БелАЗ-75131/75132 (грузоподъемности свыше 130 т) - дисковые, рабочие и стояночные тормозные механизмы установлены на подшипниковом щите или станине тягового электродвигателя.

Редуктор мотор-колеса - двухрядный, дифференциальный, с прямозубыми шестернями установлен в ступице заднего колеса.

Техническое состояние редуктора определяется в процессе эксплуатации внешним осмотром, на слух (шумность работы) и по степени нагрева. Внешним осмотром по течи масла можно выявить износ или повреждение манжет, а также появление пор и трещин в корпусе, крышке или ступице. На слух могут быть выявлены случайные поломки или ослабление крепления деталей. По степени нагрева можно определить нарушение регулировки подшипников или изменение уровня масла в редукторе.

Рисунок 1.3 - Электромотор-колесо самосвалов БелАЗ

- стояночный тормозной механизм; 2 - тяговый электродвигатель; 3 - рабочая тормозная система; 4 - ступица заднего колеса; 5 - пробка сливного отверстия; 6 - пробка заливного отверстия; 7, 15 - болты; 8 - редуктор; 9 - солнечная шестерня первого ряда; 10 - стопорное кольцо; 11 - крышка; 12 - торсионный вал; 13 - фланец торсионного вала; 14 - фланец тягового электродвигателя

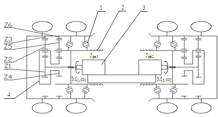
Рабочим органом самосвала являются ведущие колеса, которые приводятся в движение посредством редуктора и двигателя. Непосредственное представление о движущихся массах установки и механических связях между ними дает кинематическая схема электропривода (ЭП). В данной схеме (рис. 1.4) используется двухрядный планетарный дифференциальный редуктор с тремя сателлитами на каждом ряду, установленный в ступице заднего колеса.

Рисунок 1.4 - Кинематическая схема мотор-колеса

Z1- солнечная шестерня 1-го ряда; Z2 - сателлит 1-го ряда; Z3 - шестерня коронная 1-го ряда; Z4 - солнечная шестерня 2-го ряда; Z5 - сателлит 2-го ряда; Z6 - шестерня коронная 2-го ряда; 1- опорные подшипники; 2- монтажный цилиндр; 3- электродвигатель; 4- водило.

Опорные подшипники 1 колеса установлены на монтажном цилиндре 2, внутри которого размещен электродвигатель 3. Зазор между корпусом электродвигателя и монтажным цилиндром принят минимальным. Применен асинхронный электродвигатель с принудительным охлаждением.

Момент от электродвигателя по валу передается к солнечной шестерне первого ряда Z1. Здесь поток мощности разделяется на две составляющие. Одна часть мощности через сателлиты первого ряда Z2 поступает на коронную шестерню Z3, а другая часть мощности через водило 4, передается сателлитами второго ряда Z5 на коронную шестерню Z6. Коронные шестерни Z3, Z6 жестко связанны со ступицей мотор-колеса. Последняя является наружной опорой подшипников колеса.

Определяющее влияние на движение системы оказывают наибольшие массы и наименьшие жесткости связей. Поэтому одной из первых задач проектирования электроприводов является составление упрощенных расчетных схем механической части, учитывающих возможность пренебрежения упругостью достаточно жестких механических связей и приближенного учета влияния малых движущихся масс.

Для составления расчетной схемы механической части ЭП необходимо приведение всех параметров элементов кинематической цепи к одной расчетной скорости. Наиболее часто используется приведение их к скорости двигателя.

Рисунок 1.5 - Кинематическая схема электропривода

Двигатель М служит для преобразования электрической энергии в механическую энергию.

Преобразовательный механизм ПМ осуществляет передачу вращения от вала двигателя к валу рабочего органа. При помощи этого механизма происходит понижение скорости и соответственно повышение вращающего момента ведомого вала по сравнению с ведущим. Рабочий орган РО преобразует подведенную к нему механическую энергию в полезную работу.

Пренебрегая влиянием упругих связей, представим механическую часть простейшей расчетной схемой - жестким приведенным звеном. В этом случае многомассовая механическая часть ЭП заменяется одной эквивалентной массой с моментом инерции JS на которую воздействуют электромагнитный момент двигателя М и суммарный приведенный к валу двигателя момент нагрузки Мс (рис. 1.6).

Рис.1.6 - Одномассовая модель ЭП

2. ВЫБОР СИСТЕМЫ ЭЛЕКТРОПРИВОДА И АВТОМАТИЗАЦИИ ПРОМЫШЛЕННОЙ УСТАНОВКИ


2.1 ЛИТЕРАТУРНЫЙ ОБЗОР ПО ТЕМЕ КУРСОВОГО ПРОЕКТА


На пневмоколесных машинах применяются основные и вспомогательные трансмиссии. Первые обеспечивают полный диапазон регулирования скорости и тягового усилия в двигательном режиме, а вторые - частичный диапазон регулирования в короткие промежутки времени. В качестве основных применяются механические, гидромеханические, гидродинамические, гидрообъемные и электрические трансмиссии.

Основным недостатком механических трансмиссий является ступенчатое изменение скорости, осуществляемое для использования полной мощности источника энергии при изменении тягового усилия, определяемого сопротивлением движению машины. Помимо этого, при переключениях передач тяговое усилие исчезает вследствие разрыва силового потока в трансмиссии.

Частичное устранение недостатков механических трансмиссий достигается установкой на входе коробки передач гидротрансформатора, а внутри ее - фрикционных муфт, обеспечивающих переключение передач под нагрузкой. Однако гидромеханические трансмиссии сложнее, дороже, тяжелее и имеют меньший к.п.д., чем механические трансмиссии.

Гидрообъемные и электрические трансмиссии свободны от недостатков механических и гидромеханических трансмиссий.

Трансмиссия с нерегулируемым гидродвигателем содержит одно звено, преобразующее энергию, - регулируемый насос с диапазоном регулирования 1:4 при постоянной мощности. В электротрансмиссиях имеется два бесступенчатых преобразователя энергии - генератор и двигатель, что позволяет изменять составляющие мощности в отношении 1:20 и шире. Это является основным преимуществом электрических трансмиссий, которое в сочетании с высокой надежностью обусловливает их практическое применение.

Принципиально возможны три разновидности электротрансмиссий: трансмиссии постоянного, переменного и переменно-постоянного тока.

Генератор постоянного тока, как правило, используется для питания тяговых двигателей постоянного тока мотор-колес.

В дизель-электрическом приводе нередко применяются синхронные генераторы, трехфазное напряжение которых преобразуется кремниевыми вентилями в постоянное (точнее, пульсирующее) и подается к двигателям. Такой привод называется приводом переменно-постоянного тока. Основным преимуществом синхронных генераторов является отсутствие коллектора, вследствие чего они более надежны, чем генераторы постоянного тока. Полупроводниковые выпрямители имеют высокую степень надежности, в особенности при выполнении их из неуправляемых вентилей. Поэтому надежность привода в целом повышается.

К.п.д. генераторов переменного тока несколько выше, чем постоянного, и с учетом потерь в выпрямителе можно считать оба привода приблизительно равноценными. Стоимость синхронного генератора с выпрямителем больше, чем генератора постоянного тока, из-за высокой стоимости полупроводниковых вентилей, но стоимость последних достаточно снизилась за последнее время.

Размеры и масса синхронного генератора зависят от его частоты вращения. При одинаковых частотах вращения генераторов переменного и постоянного тока (например, при соединении их с дизелем без повышающего редуктора) масса синхронного генератора меньше массы генератора постоянного тока на 15-25%, масса выпрямителя составляет приблизительно 5-10% массы генератора, так что общая масса несколько уменьшается. Более существенный выигрыш в размерах и массе можно получить, если применить повышающий редуктор между дизелем и синхронным генератором.

С генератором переменного тока могут быть реализованы универсальные трансмиссии: а) переменно-постоянного тока, когда за генератором включается управляемый или чаще неуправляемый выпрямитель; б) переменного тока, когда от синхронного генератора через преобразователи частоты (со звеном постоянного тока или непосредственной связью) питаются энергией асинхронные частотно-управляемые короткозамкнутые двигатели мотор-колес; в) переменного тока с вентильными двигателями, которые представляют собой быстроходные синхронные машины (обращенные двигатели постоянного тока), питаемые через инверторы, оборудованные сложными системами принудительной и машинной коммутации; г) переменного тока с двигателями, имеющими фазные роторы, и их статорные обмотки включены последовательно; д) переменного тока с двигателями, имеющими фазные роторы и управляемыми по схеме группового вентильного каскада.

Трансмиссии постоянного тока являются наиболее простыми, так как двигатели питаются от генератора без промежуточных силовых преобразователей и любые характеристики трансмиссии получаются регулированием магнитных потоков генератора и двигателей по цепи возбуждения. Мощность, необходимая для возбуждения, составляет 1,0-2,5% от номинальной мощности машин, поэтому регулировочные устройства могут быть маломощными.

Вместе с тем коллекторно-щеточный узел машин постоянного тока является наиболее слабым местом машины, и значительная доля неисправностей и повреждений в трансмиссии вызвана именно работой этих узлов. Это особенно важно для пневмоколесных машин, предназначенных для работы во внедорожных условиях, где повышается опасность попадания на коллектор пыли, влаги, грязи, вследствие чего резко снижается надежность работы коллектора. Бесколлекторные двигатели более надежны и менее чувствительны к указанным условиям работы.

Основной трудностью при применении бесколлекторных двигателей в транспортных средствах является сложность регулирования частоты вращения. В промышленном электроприводе асинхронные двигатели нашли широкое применение тогда, когда не требуется значительного изменения частоты вращения или она может изменяться ступенями. В последнем случае применяют двух- и трехскоростные асинхронные двигатели с переключением полюсов. Для изменения частоты вращения в небольших пределах используют асинхронные двигатели с фазным ротором, в цепь которого включают реостаты, конденсаторы или полупроводниковые устройства. Применяют также схемы с каскадным соединением двух асинхронных двигателей. Частоту вращения асинхронных короткозамкнутых двигателей в небольших пределах изменяют включением в цепь статора магнитных усилителей или полупроводниковых устройств. Все эти способы применяются при постоянной частоте питающего тока и не обеспечивают экономичного регулирования частоты вращения в широких пределах.

В транспортных средствах двигатели постоянно соединены с большой массой, при трогании с места они должны развивать наибольший момент. Скорости, если даже исключить кратковременные пусковые режимы, изменяются в широких пределах, в особенности для машин повышенной проходимости. Частота вращения двигателей может изменяться только плавно и относительно медленно из-за большой массы транспортного средства. Поэтому указанные выше способы ее регулирования могут быть использованы в отдельных частных случаях, когда самоходная машина должна работать лишь в узком диапазоне скоростей.

В автономных транспортных средствах можно изменять частоту питающего тока асинхронных двигателей изменением частоты вращения теплового двигателя. Однако дизель и газотурбинная установка с блокированной тяговой турбиной допускают изменение частоты вращения лишь в относительно небольшом диапазоне, при этом с понижением частоты вращения уменьшается мощность. Следовательно, это возможно лишь при многоступенчатом переключении полюсов машин переменного тока, что усложняет их конструкцию и трансмиссию в целом. В большей степени этот способ может оказаться приемлемым при использовании газотурбинной установки со свободной тяговой турбиной, к. п. д. и мощность которой сохраняются относительно высокими в пределах частот вращения 0,5-1,0 номинальной. Такой диапазон также недостаточен и требует либо дополнительных переключений полюсов, хотя и при меньшем числе переключений, либо выполнения двигателей с очень высоким скольжением. Этот способ неприемлем в тех случаях, где по условиям привода рабочих и вспомогательных механизмов необходима работа теплового двигателя при постоянной частоте вращения.

Основным способом регулирования скорости транспортных средств с асинхронными двигателями является изменение частоты тока, питающего двигатели, независимо от частоты тока генератора, приводимого тепловым двигателем. Для этого используют преобразователи частоты, в которых выходную частоту тока можно изменять независимо от входной.

Трехфазное напряжение генератора подводится к преобразователям частоты ПЧ, которые весьма разнообразны по схеме и принципам действия. Наиболее часто применяемые преобразователи можно разделить на две группы: преобразователи с явно выраженным звеном постоянного тока (ПЧПТ) и преобразователи с непосредственной связью входной и выходной цепи, кратко называемые непосредственными преобразователями (НПЧ).

В ПЧПТ трехфазное напряжение генератора преобразуется выпрямителем в постоянное напряжение, которое подается на вход инверторов, где преобразуется в трехфазное напряжение переменной частоты. К инверторам присоединены тяговые двигатели. В НПЧ одни и те же тиристоры поочередно работают в выпрямительном и инверторном режимах. Управление тиристорами осуществляется как по входной частоте тока, получаемой от генератора, так и по выходной частоте, которая задается системой управления.

При асинхронных тяговых двигателях возможны три варианта выполнения преобразователей частоты: 1) общий преобразователь для всех двигателей; 2) несколько преобразователей присоединены к общим шинам, к которым параллельно присоединены все двигатели; 3) каждый двигатель соединен с отдельным преобразователем.

Для мотор-колесных машин первый и второй варианты использовать затруднительно вследствие существенной разницы в радиусе качения, зависящем от давления внутри шины, вертикальной нагрузки на колесо, разницы сопротивлений качению различных колес и т. п. Кроме того, при повороте машины колеса разных бортов имеют различные скорости. Поэтому для приемлемого распределения нагрузки между двигателями необходимо либо выполнять их с очень высоким скольжением, что увеличивает размеры двигателя и снижает его к. п. д., либо предусматривать возможность изменения частоты питающего тока каждого двигателя, для чего каждый двигатель должен управляться от своего преобразователя. Упругая деформация шин уменьшает неравномерность распределения нагрузки. При использовании ПЧПТ выпрямитель может быть как общим для всех или группы инверторов, так и индивидуальным для каждого. В приводе с синхронными двигателями инверторы в ПЧПТ или НПЧ должны обязательно выполняться индивидуальными для каждого двигателя.

Одним из недостатков привода переменного тока является сложность преобразователей частоты и системы управления приводом. Силовая часть и система управления преобразователем частоты содержат бесконтактные полупроводниковые элементы, каждый из которых является высоконадежным. Однако благодаря большому числу элементов общая вероятность отказов в преобразователе еще достаточно высока, и до настоящего времени, как показывают предварительные расчеты и результаты опытов, преобразователи частоты по надежности уступают генератору и двигателям. Поэтому разработки и исследования по этим системам ведутся главным образом в направлении повышения надежности преобразователей путем разработки более совершенных систем управления и создания таких условий работы вентилей, при которых вероятность отказов в работе минимальна.

К недостаткам приводов с преобразователями частоты следует также отнести искажения формы кривых силы тока и напряжения, вызываемые работой преобразователя, что увеличивает потери в генераторе и двигателях.

 

.2 ФОРМУЛИРОВАНИЕ ТРЕБОВАНИЙ К АВТОМАТИЗИРОВАННОМУ ЭЛЕКТРОПРИВОДУ И СИСТЕМЕ АВТОМАТИЗАЦИИ


К автоматизированному электроприводу автосамосвала БелАЗ-75600 предъявляются следующие требования:

·      максимальная грузоподъемность 320 000 кг;

·        обеспечение режима P=const, так как мощность, отдаваемая дизелем генератору постоянна, то и энергия, потребляемая тяговым приводом должна быть постоянна;

·        минимальная скорость, развиваемая самосвалом - , максимальная скорость -. Диапазон регулирования - ;

·        температура окружающей среды от -40 °С до 65 °С (без выпадения влаги);

·        относительная влажность воздуха до 98 %;

·        разгон и торможение должны обеспечиваться с ускорением, равным ;

·        между ведущими колёсами расстояние 9250 мм, следовательно, система управления должна обеспечивать различные скорости вращения колёс при повороте самосвала.

2.3 ОПРЕДЕЛЕНИЕ ВОЗМОЖНЫХ ВАРИАНТОВ И ВЫБОР РАЦИОНАЛЬНОЙ СИСТЕМЫ ЭЛЕКТРОПРИВОДА


Возможные варианты тяговых приводов приведены в пункте 2.1 данного дипломного проекта. Резюмируя изложенное там, можно увидеть, что в качестве тягового двигателя в данной системе электропривода может применяться либо двигатель постоянного тока, либо асинхронный двигатель или шаговый двигатель.

Применение двигателя постоянного тока нерационально из-за больших размеров двигателей требуемой мощности, также из-за больших потерь и проблем со щёточным коллектором.

Наиболее перспективным выглядит применение асинхронных двигателей вкупе с преобразователем частоты, из-за легкости регулирования и хороших статических и динамических свойств данной системы,

2.4 ПРОЕКТИРОВАНИЕ ФУНКЦИОНАЛЬНОЙ СХЕМЫ АВТОМАТИЗИРОВАННОГО ЭЛЕКТРОПРИВОДА


Разрабатываемая система электропривода должна обеспечивать скалярное управление двумя тяговыми асинхронными двигателями в функции постоянства мощности. Схематично, требуемая характеристика приведена на рисунке 2.1.

Рисунок 2.1 - Требуемая характеристика электропривода, P=const.

Для обеспечения требуемой характеристики проектируемый электропривод должен содержать генератор, вращаемый дизельным двигателем, неуправляемый выпрямитель и два преобразователя частоты, по одному на каждый тяговый двигатель. Система управления должна принимать в расчет режим работы самосвала (движение вперед, задний ход, нейтраль, динамическое торможение, режим холостого хода системы привода), потребляемую мощность, и скорость транспортного средства. Рабочее число оборотов дизельного двигателя - 650 об/мин или 1800/1900 об/мин, что соответствует дежурному режиму холостого хода и режиму полной нагрузки. Пониженная скорость вращения дизельного двигателя реализуется в тех случаях, когда самосвал перемещается без груза, то есть полная мощность не требуется. При более низком числе оборотов выходная мощность генератора ограничена приблизительно до 5% его номинальной мощности. Этого достаточно для обеспечения электропитания вспомогательного инвертора (для главного нагнетательного вентилятора) и нагревателей. При переходе к режиму полной мощности число оборотов двигателя увеличивается до максимального уровня так быстро, насколько это возможно с учетом ограничения выброса выхлопных газов и производства выходного крутящего момента. Это необходимо для достижения компромисса между временем реакции системы и управляемостью самосвала и настраивается при вводе самосвала в эксплуатацию таким образом, чтобы обеспечивать оптимальные рабочие характеристики.

Выход генератора питает 3-фазный диодный мост и заряжает конденсаторную батарею постоянного тока С, расположенную в шкафу управления, называемую также "канал связи постоянного тока". Для обеспечения полного скалярного управления соответствующим тяговым колесным двигателем каждый инвертор производит 3-фазное напряжение с переменой амплитудой и частотой. Энергия торможения подается обратно в канал связи постоянного тока и направляется тормозными прерывателями в решетки тормозных резисторов, где происходит ее рассеивание.

Блок управления тяговым приводом (БУТП) контролирует и управляет системой тягового привода в целом, включая управление числом оборотов двигателя, выходным напряжением генератора, крутящими моментами двигателей, токами прерывателя, напряжением в канале связи постоянного тока, системой защиты от пробуксовки и проскальзывания колес и охлаждающим вентилятором.

Для обеспечения требуемой характеристики постоянства мощности применяем обратные связи по скорости и току тяговых двигателей.

Функциональная схема электропривода приведена на рисунке 2.2.

Рисунок 2.1 - Функциональная схема тягового электропривода самосвала

В основе системы управления лежит микроконтроллер, позволяющий осуществлять управление тяговыми электродвигателями в функции постоянства мощности, а также реализовывать защиту от перенапряжений и токов, превышающих номинальные значения. Для этого в системе присутствуют термодатчики, установленные на каждом блоке инвертора, а также непосредственно на тяговых двигателях. В случае, если на контроллер поступает сигнал о превышении допустимой температуры нагрева этих элементов, контроллер выдает команду на включение дополнительной вентиляции, а в случае, если нагрев критических элементов продолжается - контроллер принимает решение о принудительном выключении системы привода, с обеспечением наложения механического тормоза.

После поступления команды от оператора на запуск самосвала, контроллер дает команду блоку управления дизелем БУД на включение дизеля, а также подключает вспомогательную цепь возбуждения ОСГАБ синхронного генератора СГ, с помощью контактора КМ1 к аккумуляторной батарее самосвала. При этом генератор начнет вырабатывать некоторое напряжение, которое через выпрямитель 1 поступает на основную обмотку возбуждения генератора ОСГ. Одновременно через выпрямитель 1 происходит подача напряжения на конденсатор С и на инверторы напряжения. При поступлении сигнала с датчика напряжения звена постоянного тока ДН сигнала, о достижении номинального значения напряжения, микроконтроллер отключает вспомогательную обмотку возбуждения ОСГАБ и синхронный генератор переходит в режим работы с самовозбуждением, подавая номинальное значение напряжения на вход выпрямителей.

После этого самосвал готов к началу работы, и при поступлении соответствующего задания требуемого момента на колесах Uу, начинает управлять преобразователями частоты первого и второго асинхронного двигателя.

В системе реализована возможность торможения машины путем гашения энергии движения на решетках тормозных резисторов. При нажатии на педаль динамического торможения инверторы мгновенно инвертируют двигательный момент и посылают энергию, расходуемую на торможение в канал связи постоянного тока, где она рассеивается тормозным прерывателям (ПТ). Ток в системе управления напряжением двигателя вентилятора для охлаждения решеток тормозных резисторов контролируется и должен оставаться в пределах заданного диапазона, в противном случае в системе регистрируется возникновение неисправности и происходит включение системы защиты. Если индикатор свидетельствует о наличии подобной неисправности, оператор должен немедленно применить динамическое торможение, поскольку время, отводимое в данном случае на динамическое торможение, ограничено. При превышении времени, отводимого на динамическое торможение, оператор должен применить рабочий тормоз для полной остановки самосвала. Исходя из соображений безопасности, на динамическое торможение отводится очень короткий период времени, так как охлаждение тормозных резисторов в данном случае под вопросом.

Блок управления тяговым приводом (БУТП) управляет потоком энергии торможения через решетки тормозных резисторов посредством модулирования рабочих циклов прерывателя (отношение времени включенного состояния к времени выключенного состояния).

Так как энергия, полученная в результате торможения от двигателей не может быть возвращена в источник, то выпрямитель 2 отключается от преобразователя частоты контактором КМ2 и микроконтроллер переключает контактор КМ3. В этом случае электропривод переходит в режим гашения энергии торможения на тормозных резисторах. При этом контролируется величина напряжения в канале постоянного тока, и, при превышении заданной величина напряжения, БУТП включает тормозной прерыватель ПТ с некоторой заданной частотой.

 

3. ВЫБОР ЭЛЕКТРОДВИГАТЕЛЯ

3.1 РАСЧЁТ НАГРУЗОК И ПОСТРОЕНИЕ МЕХАНИЧЕСКОЙ ХАРАКТЕРИСТИКИ И НАГРУЗОЧНОЙ ДИАГРАММЫ МЕХАНИЗМА


Для выбора мощности двигателя методом эквивалентного момента, необходимо построить нагрузочную диаграмму механизма. Принимаем значение ускорения, с которым происходит разгон самосвала . В соответствии с техническим заданием самосвал в упрощённой скоростной диаграмме имеет три установившихся скорости движения:

Разобьём этот график на 11 отрезков, и рассчитаем значения интервалов времени и сил, требуемых от выбираемого двигателя, для обеспечения заданной скоростной диаграммы.

;

;

;

;

;

.

Время цикла будет равно:


Сила, действующая на каждом интервале равна:

, где

 - динамическая сила на i-ом интервале времени, Н;  - перемещаемая масса на i-ом интервале времени, кг; - ускорение на i-ом интервале времени, м/с2;  - статическая сила, развиваемая тяговым приводом.

На интервалах времени  самосвал движется с полной загрузкой - . Статическая сила при передвижении самосвала по прямому участку дороги с полной загрузкой равна:

, где

 - радиус ступицы ходового колеса;  -коэффициент трения скольжения в подшипниках ступицы (для подшипников качения); - коэффициент трения качения ходовых колес, принимаем движение по асфальтированному шоссе;  - радиус колеса. Принимаем его равным .

Динамическая сила, действующая на механизм в диапазоне :

 

.

Статическая сила при передвижении самосвала по прямому участку дороги без груза равна:

, где

 - масса незагруженного самосвала, .

Динамическая сила, действующая на механизм в диапазоне :

 

.

Таким образом, мы можем рассчитать силы на каждом интервале движения.

 

;

;

;

;

;

;

;

;

;

;

.

Механическая и нагрузочные диаграммы представлены на рисунке 3.1.

Рисунок 3.1 - Скоростная и нагрузочная диаграммы механизма

3.2 ПРЕДВАРИТЕЛЬНЫЙ ВЫБОР ЭЛЕКТРОДВИГАТЕЛЯ ПО МОЩНОСТИ


Так как механизм работает в длительном режиме с переменной нагрузкой, то по рассчитанным силам, действующим на интервалах времени, можно рассчитать эквивалентную силу:

.

На основании эквивалентной силы и номинальной линейной скорости рассчитывается эквивалентная мощность:

.

Так как в нагрузочной диаграмме неучтено значение момента инерции еще не выбранного двигателя, поэтому расчетная мощность определяется с коэффициентом запаса: .

.

3.3 ВЫБОР НОМИНАЛЬНОЙ СКОРОСТИ ДВИГАТЕЛЯ И ТИПОРАЗМЕРА ДВИГАТЕЛЯ


В качестве тяговых двигателей принимаем к установке дв четырехполюсные трехфазные асинхронные двигатели 1ТВ 2830 - 2GA012, мощностью 1250 кВт, производства компании Siemens. Каждый двигатель встроен в мотор-колесо, содержащее редуктор, с передаточным числом . Также в мотор-колесо встроен датчик скорости, посылающий сигнал о текущей скорости вращения двигателя в блок управления тяговым приводом (БУТП).

Таблица 3.1 - Параметры двигателя 1ТВ 2830 - 2GA012

Механические данные двигателя

Сила вентиляции

Диаметр ротора

Диаметр отверстия статора

Длина основной сборки

Воздушный зазор

Масса комплекта мотор-колеса, кг

Технические данные электродвигателя

Номинальное напряжение , В

Номинальный ток , А

Номинальная мощность , кВт

Номинальная скорость , об/мин

Номинальная частота питающего напряжения, Гц

Коэффициент полезного действия

Фактор смещения

Номинальное напряжение изоляции, В

Максимальное напряжение, В

Максимальный ток, А

Максимальная скорость, об/мин


3.4 ПОСТРОЕНИЕ НАГРУЗОЧНОЙ ДИАГРАММЫ ЭЛЕКТРОПРИВОДА


Нагрузочная диаграмма механизма представляет собой зависимость моментов от времени за цикл, скоростная зависимость угловой скорости от времени за цикл. Момент на i-ом интервале времени рассчитывается по формуле:

, где

 - динамически момент;

 - статический момент на i-ом интервале;

 - радиус приведения м/рад:

.

Знак динамического момента зависит от направления ускорения.

Так как ранее приняли значение среднего ускорения , то можем рассчитать значение углового ускорения:

.

Рассчитаем момент инерции порожнего и груженого самосвала, приведенный к валу двигателя:

,

.

Динамические моменты механизма при движении в порожнем и загруженном состоянии соответственно:

,

.

Передаточное число редуктора мотор-колеса рассчитываем из условия, что регулировка скорости тяговых двигателей происходит до значения :

.

Принимаем округлённое значение .

Статический момент порожнего самосвала механизма при работе в двигательном режиме:

,

Статический момент груженого самосвала механизма при работе в двигательном режиме:

.

Моменты на валу двигателя на интервалах времени, соответственно упрощённой скоростной диаграмме:

;

;

;

; ;

;

; ;

;

; .


Рисунок 3.2 - Скоростная и нагрузочная диаграммы электропривода

3.5 ПРОВЕРКА ВЫБРАННОГО ЭЛЕКТРОДВИГАТЕЛЯ ПО НАГРЕВУ И ПЕРЕГРУЗОЧНОЙ СПОСОБНОСТИ

Построенная в разделе 3.4 нагрузочная диаграмма позволяет проверить выбранный двигатель по нагреву исходя из того, что при примерном постоянстве магнитного потока среднеквадратичный момент отражает среднюю температуру нагрева двигателя.

Для длительного режима работы с переменной нагрузкой (ПВ=100%) можно найти эквивалентный момент двигателя за время цикла с учетом ухудшения условий охлаждения:

, где

- коэффициент охлаждения двигателя на i-ом участке.

Для двигателя с принудительной вентиляцией принимаем :

 - средняя угловая скорость на i-ом участке.

Таким образом можем рассчитать эквивалентный момент:

.

Номинальный момент двигателя:

.

Так как выполняется условие , то по нагреву двигатель выбран верно.

Условие проверки по перегрузке: максимальный момент нагрузочной диаграммы не должен превышать максимального допустимого момента двигателя:

.

Максимальный момент, развиваемый двигателем безе перегрева в длительном режиме равен:

.

.

 - условие выполняется, следовательно, выбранный двигатель подходит по перегрузочной способности.

 

4. ВЫБОР КОМПЛЕКТНОГО ПРЕОБРАЗОВАТЕЛЯ И ДАТЧИКОВ КООРДИНАТ ЭЛЕКТРОПРИВОДА, ВЫБОР КОМПЛЕКТУЮЩИХ ИЗДЕЛИЙ И АППАРАТОВ СИСТЕМЫ ЭЛЕКТРОСНАБЖЕНИЯ ПРОМЫШЛЕННОЙ УСТАНОВКИ


В качестве преобразователя выбран ПЧ-АД с векторным управлением. В качестве тягового двигателя выбираем асинхронный двигатель, с параметрами указанными в таблице 3.1. Требуемую мощность выбираем из параметров исходной установки - 1250 кВт. Выбираем двигатель производства фирмы Siemens 1TB 2830-2GA02.

Таблица 3.1 - Параметры двигателя 1TB 2830-2GA02.

Рном, кВт

n, об/мин

Sном , %

hном , %

cosjном

Масса, кг

1250

1480

1.3

96.4

0.9

3400


С точки зрения энергетики основным параметром электропривода является его мощность. Поэтому при выборе преобразователя частоты в первую очередь необходимо определить требования к его нагрузочной способности. Как правило, этот вопрос решается следующим образом: определяется номинальная мощность двигателя и выбирается преобразователь частоты на такую же мощность. Таким образом, выбор преобразователя по паспортным данным асинхронного двигателя приведет к завышению требований к мощности первого. Однако это лишь немного увеличит расходы на приобретение преобразователя частоты и не повлечет за собой никаких тяжелых последствий. Обратная ситуация складывается при выборе преобразователя частоты для работы привода на повышенных скоростях. Известно, что при питании от сети с частотой 50 Гц скорость холостого хода для асинхронного двигателя с одной парой полюсов составляет 3000 об/мин, но, например, в текстильной промышленности требуются более высокие скорости электроприводов. Для решения этой проблемы с последнее время довольно часто стали применять преобразователи частоты, способные работать с частотами до 400 Гц. В этом случае, при выборе преобразователя описанным выше способом, произойдет постоянное срабатывание защиты от перегрузки по току. Дело в том, что мощность преобразователя частоты определяется максимальным значением тока, коммутируемого ключами инвертора. Следовательно, более корректным параметром выбора преобразователя является не мощность, а ток двигателя, потребляемый в требуемых режимах работы.

На следующем этапе выбора преобразователя частоты необходимо определить требования к его функциональным возможностям. Во-первых, требуется выбрать способ управления двигателем: скалярное или векторное управление. Как уже говорилось ранее, векторное управление целесообразно выбирать в случаях, когда необходима высокая точность регулирования, поддержание момента на валу двигателя при малых скоростях вращения, т. е. для привода станков, мешалок, транспортеров.

Немаловажным фактором, определяющим выбор преобразователя частоты, является режим работы электропривода. С точки зрения теории машин, любой электродвигатель как электромеханический преобразователь энергии может работать в четырех режимах работы:

двигательный режим;

генераторный режим;

режим динамического торможения;

режим торможения противовключением.

Рисунок 3.3 - Направления преобразования энергии в тормозных режимах

В двигательном режиме электрическая энергия из сети преобразуется в механическую и передается в нагрузку, при этом часть энергии рассеивается в виде потерь. В генераторном режиме работы двигателя идет обратное преобразование: механическая энергия преобразуется в электрическую энергию, которая передается обратно в сеть. В режиме динамического торможения вся механическая энергия на валу двигателя рассеивается в виде тепла. И, наконец, в режиме торможения противовключением и механическая, и электрическая энергии преобразуются в тепловую и рассеиваются на поверхности двигателя.

Для асинхронного двигателя его режим работы определяется значениями и направлениями скоростей вращения ротора и поля статора двигателя. Так, в двигательном режиме ротор и поле статора вращаются в одну сторону, при этом скорость поля выше скорости ротора, в генераторном - скорость ротора выше скорости поля. В режиме динамического торможения поле неподвижно при вращающемся роторе. А в режиме торможения противовключением поле статора и ротор вращаются навстречу друг другу.

Большинство преобразователей частоты способны обеспечить только первый и последний из описанных выше режимов работы двигателя. Однако торможение противовключением может применяться только на очень низких скоростях вращения, при очень малых запасах кинетической энергии в рабочем органе. Это объясняется тем, что и механическая энергия рабочего органа, и электрическая энергия из сети преобразуются в тепловую энергию, которая должна быть отведена от двигателя. Следовательно, если не применять дополнительных мер, то двигатель может перегреться и выйти из строя. Поэтому в преобразователях частоты такого типа применяется торможение выбегом, т. е. при необходимости останова двигатель отключается от сети и тормозится под действием сил трения в рабочем механизме и, кроме того, в механизмах передвижения используется механический тормоз. Но в ряде случаев силы трения не так велики, и время торможения выбегом может оказаться довольно большим. Например, этот вариант абсолютно не подходит для электропривода станка, где приходится часто останавливать механизм для замены обрабатываемой заготовки. Время остановки патрона может оказаться соизмеримым со временем обработки детали, что в свою очередь приведет к снижению производительности труда. В этом случае целесообразно использование преобразователя частоты, способного обеспечивать режим динамического торможения. Неподвижное поле статора в этом режиме создается подключением его обмоток к источнику постоянного тока, поэтому этот режим часто называют режимом торможения постоянным током. Из энергетических диаграмм видно, что, в отличие от торможения противовключением, в этом режиме на двигателе рассеивается только механическая энергия рабочего органа (потерями от протекания постоянного тока в обмотках статора можно пренебречь). Очевидно, что интенсивность торможения в таком случае будет значительно выше. Но наиболее эффективный отвод механической энергии, а, следовательно, и более интенсивное торможение, может обеспечить генераторный режим работы двигателя. В этом случае большая часть механической энергии преобразуется в электрическую и передается обратно в сеть. Такое преобразование называется рекуперацией энергии. Однако следует помнить, что в большинстве современных преобразователей частоты используются неуправляемые выпрямители, которые способные преобразовывать электрическую энергию только в одном направлении. Поэтому вся электрическая энергия от двигателя будет передаваться в звено постоянного тока, но не может быть передана обратно в сеть. Следовательно, если не принять дополнительных мер, то генераторный режим работы двигателя может привести к увеличению напряжения на звене постоянного тока преобразователя и последующему выходу его из строя. Конечно, существуют преобразователи частоты, способные рекуперировать энергию. Такие преобразователи позволяют значительно снизить потери в электроприводе, работающем в режиме частых пусков и остановов. Но из-за применения управляемых ключей в выпрямителе преобразователя значительно увеличивается его стоимость. Альтернативой преобразователю частоты с рекуперацией энергии является включение в звено постоянного тока балластного сопротивления. В этом случае происходит контроль напряжения в звене постоянного тока и, в случае превышения допустимого значения этого напряжения, происходит включение решеток тормозных резисторов, на которых и рассеивается энергия торможения двигателя. Использование балластного сопротивления не позволяет повысить энергосбережение, однако значительно улучшит динамические характеристики электропривода. А в случаях работы двигателя в режиме частых пусков, остановок, реверсов, при значительных колебаниях момента нагрузки, как в случае с тяговым приводом, использование балластного сопротивления обязательно. Учитывая вышеприведенные особенности, выбираем частотный преобразователь 6SE8018-1BA00 производства компании Siemens, со следующими номинальными параметрами:

Выходной ток - ;

Выходная мощность - ;

Питание от источника переменного напряжения 2200 В;

Исполнение IP 54;

Номинальное напряжение - .

5. ОХРАНА ТРУДА И ТЕХНИКА БЕЗОПАСТНОСТИ ПРИ ОБСЛУЖИВАНИИ ЭЛЕКТРООБОРУДОВАНИЯ БАЗОВОЙ ПРОМЫШЛЕННОЙ УСТАНОВКИ


При электрическом приводе, эксплуатации электроустановок (электродвигателей, аппаратов и др.) возможны травмы при прохождении тока через тело человека в случаях прикосновения к токоведущим частям, находящимся под напряжением, или к тем частям электрооборудования, которые вследствие повреждения изоляции находятся под напряжением (электродвигателю, имеющему замыкание на корпус, частям механизма, приводимого таким электродвигателем), вблизи места замыкания на землю, прикосновения к электрически заряжённым не изолированным частям электрооборудования (кабелям, конденсаторам).

Исход электротравмы зависит от условий внешней среды и внутренних факторов организма.

К условиям внешней среды относятся параметры электрической цепи, в которой оказался пострадавший, место соприкосновения с токоведущими частями, длительность воздействия электрического тока. Имеет значение также температура окружающей среды, с повышением которой число тяжёлых исходов увеличивается. Внутренними факторами, усугубляющими исход поражения электрическим током, являются утомление, болезненное состояние, алкогольное опьянение, ненаправленное внимание. Ток силой 0,1 А принято считать смертельно опасным для человека.

Все электрические установки по своему устройству должны соответствовать действующим Правилам устройства электроустановок (ПУЭ), а их обслуживание - осуществляется на основании Правил технической эксплуатации электроустановок потребителей (ПТЭ) и Правил техники безопасности при эксплуатации электроустановок потребителей (ПТБ), которые утверждены Госэнергонадзором и обязательны для всех министерств и ведомств. Все вновь сооружаемые и реконструируемые электроустановки потребителей следует выполнять в соответствии с ПУЭ.

Действующими называются электроустановки или их участки, которые находятся под напряжением полностью или частично, или на которые в любой момент времени может быть подано напряжение включением коммутационной аппаратуры или за счет электромагнитной индукции. По условия электробезопасности электрические установки делятся на электроустановки напряжением до 1000 В включительно и электроустановки, напряжением выше 1000 В.

Рассматриваемая установка - самосвал БелАЗ 75600 относится к установкам с напряжением выше 1000 В, так как в цепи преобразователя присутствуют напряжения величиной до 3600 В.

Все мероприятия по технике безопасности и охране труда преследуют одну цель - уменьшение или ликвидация травматизма и профессиональных заболеваний. Проведение мероприятий по улучшению условий труда дает ощутимый экономический эффект - повышается производительность труда, снижаются затраты на восстановление утраченной трудоспособности.

Все мероприятия по охране труда проводятся с целью защиты участников трудового процесса от воздействия опасных и вредных факторов, характеризующих условия его проведения.

К оперативному обслуживанию электрической установки допускаются квалифицированные специалисты, обслуживающие электроустановки единолично и старшие в смене или бригаде, за которыми закреплена данная электроустановка, а также лица, знающие оперативные схемы, должностные и эксплуатационные инструкции, особенности оборудования и прошедшие обучение и проверку знаний ПТБ и ПТЭ. Они должны иметь группу по электробезопасности не ниже IV.

Квалифицированный специалист должен быть ознакомлен с технологией установки, сборки и эксплуатации оборудования, а также с вовлеченным риском. Кроме того, он должен обладать следующими квалификациями:

·        Прошел обучение и имеет допуск к подключению и отключению питания, разрядке, заземлению и маркировке электрических цепей и оборудования в соответствии с принятыми правилами техники безопасности;

·        Прошел обучение о надлежащем обращении и использованию такого защитного оснащения, как резиновые перчатки, каска, защитные очки или предохранительный щиток, защитная одежда и т.д. в соответствии с принятыми правилами техники безопасности;

·        Прошел обучение по оказанию первой помощи.

В рабочем состоянии шкафы инвертора закрываются специальным ключом, для исключения доступа к высоковольтным частям привода.

В ходе нормальной эксплуатации система выключается при заглушке двигателя ключом зажигания. Блок управления тягой (БУТП) считывает показание о потере мощности с ключа зажигания и выполняет надлежащую процедуру выключения системы посредством защитных решеток и затем отключается (по истечении 10 секунд после отключения зажигания).

Однако персонал, работающий в шкафу или около проводки, должен исходить из того, что система привода переменного тока все еще находится под высоким напряжением, пока напряжение в системе не будет замерено щупом высокого напряжения, подсоединенным к вольтметру. На самосвалах меньшей грузоподъёмности при открытии шкафов инверторов установленные там конечные выключатели отключают силовую цепь, во избежание поражения человека электрическим током. На разрабатываемом самосвале наличие конечных выключателей не предусмотрено, и при работе в шкафах инвертора необходимо вывешивать предупреждающие плакаты.

 

СПИСОК ИСПОЛЬЗОВАННЫХ ИСТОЧНИКОВ


1.      Ефремов И.С., Пролыгин А.П., Андреев Ю.М., Миндлин А.Б. Теория и расчет тягового привода электромобилей: Учеб. Пособие для вузов по спец. "Городской электрический транспорт" и "Электрическая тяга и автоматизация тяговых устройств"/ Под ред. И.С. Ефремова. - М.: Высш. Школа, 2004. - 383 с., ил.

2.      Гульков Г.И., Гульков А.Г. Формирование тяговой характеристики бесконтактного двигателя постоянного тока. - Энергетика №6, 2001 г.

.        Ключев В.И. Теория электропривода. Учебное пособие для вузов. - М.: Энергоатомиздат, 2005-560с., ил.


Похожие работы на - Проектирование автоматизированного электропривода мотор-колеса большегрузного самосвала производства БелАЗ

 

Не нашли материал для своей работы?
Поможем написать уникальную работу
Без плагиата!
Без нейросетей!