|
Наименование параметра
|
Значение
|
|
Мощность номинальная, , КВт6
|
|
|
Напряжение первичной обмотки, , В380
|
|
|
Напряжение вторичной обмотки, , В104/208/416
|
|
|
Мощность холостого хода, , Вт 60
|
|
|
Мощность короткого замыкания, , Вт 180
|
|
|
Ток номинальный, , А 9,13
|
|
|
Напряжение короткого замыкания,  , %10
|
|
Определение
передаточной функции электродвигателя
Передаточная функция электрической части двигателя
Определим постоянную времени ТЯЦ

- индуктивность якорной цепи

- полное сопротивление якорной цепи

- приведенная индуктивность трансформатора

- индуктивно
сть якоря двигателя 
Приведенная индуктивность обмотки трансформатора:

- полное приведенное сопротивление обмоток трансформатора

- приведенное активное сопротивление трансформатора

- напряжение короткого замыкания

- номинальное напряжение вторичной обмотки

- номинальная мощность трансформатора

- мощность при коротком замыкании
,

- угловая частота питающей сети, 

- динамическое сопротивление тиристора

- коммутационное сопротивление тиристора

- сопротивление якоря двигателя

- сопротивление якорной обмотки

- сопротивление щеточного контакта
где 
- классификационное падение напряжения на тиристоре (в
зависимости от типа тиристоров оно находится в пределах 0,5-1,5 В);

- среднее значение тока через тиристор, при номинальном моменте
сопротивления на двигателе

- число фаз преобразователя (для мостовой трехфазной схемы 
)
Найдем 
и 
Передаточная функция электрической части двигателя равна
Передаточная функция механической части двигателя
Передаточная
функция тиристорного преобразователя
Передаточная функция тиристорного моста вместе с системой
импульсно-фазового управления СИФУ, как правило, апроксимируется апериодическим
звеном первого порядка с постоянной времени Ттп, в пределах
от 0,006 до 0,01с, что обусловлено дискретностью подачи отпирающих импульсов и
особенностью работы управляемого тиристорного выпрямителя (тиристорного преобразователя)
,
где
- выходное напряжение тиристорного
преобразователя;
- напряжение, подаваемое на вход СИФУ тиристорного
преобразователя;
- коэффициент передачи тиристорного преобразователя, который не
является постоянной величиной и изменяется в зависимости от величины
управляющего напряжения.
Возмущающим воздействием для тиристорного преобразователя является
изменение напряжения питающей сети переменного тока.
Преобразователь обеспечивает регулирование напряжения на ДПТ за
счет изменения среднего значения ЭДС преобразователя. Это достигается в свою
очередь, за счет регулирования угла управления тиристоров α,
представляющего собой угол
задержки открытия тиристоров относительно момента их естественного открытия.
Когда α=0, т.е.
тиристоры получают импульсы управления от СИФУ в момент их естественного
открытия, преобразователь осуществляет двухполупериодное выпрямление и к ДПТ
прикладывается полное напряжение. Если теперь с помощью СИФУ осуществлять
подачу импульсов управления не в момент естественного открытия тиристоров, а со
сдвигом на угол α≠0,
то ЭДС преобразователя снизится, и этому случаю будет соответствовать уже
меньшее среднее напряжение, подводимое к ДПТ.
Зависимость среднего значения ЭДС преобразователя от угла
управления тиристорами имеет вид:

- действительное выходное напряжение на тиристоре

- действительное значение выпрямленного напряжения при α=0
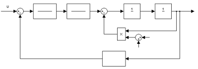
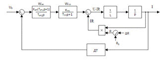
Структурная схема тиристорного преобразователя имеет вид
Рис.3. Структурная схема тиристорного преобразователя
Передаточная
функция обмотки возбуждения
Передаточную функцию обмотки возбуждения рассчитаем
аналогично передаточной функции якорной цепи.
Ток обмотки возбуждения:
Номинальный магнитный поток:

,
где 
- магнитная индукция при номинальном токе возбуждения (для ДПТ с
НВ 
).

- площадь, пронизанная магнитным потоком

,
где 
- число пар полюсов
Для ДПТ 2ПН100LГУХЛ4 
Передаточные
функции датчиков обратной связи
Передаточная функция датчика тока якоря
С учетом того, что номинальный ток двигателя равен 4,27 А, а в
обратную связь на сумматор необходимо подать напряжение управления 10 В,
получим:
Передаточная функция тахогенератора
Тахогенератор представляет собой безинерционное звено с
передаточной функцией
Передаточная функция датчика положения
Передаточная функция датчика тока возбуждения
С учетом того, что номинальный ток возбуждения равен 
, а в обратную связь на сумматор необходимо подать напряжение
управления 10В, получим:
Передаточная функция датчика ЭДС
С учетом того, что номинальная ЭДС равна 
, а в обратную связь на сумматор необходимо подать напряжение
управления 10В, получим:
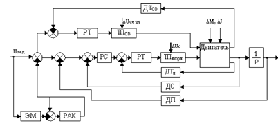
Функциональная
схема САР
Для определения структуры САР необходимо определить, какие
функциональные блоки должны присутствовать в системе для реализации
поставленных задач.
Функциональная схема позволяет достаточно полно определить,
как проходят по схеме силовые сигналы и сигналы управления. По функциональной
схеме определяются блоки, которые необходимо использовать при составлении
структурной схемы САР.
Рис.4. Функциональная схема СНС
РТ - регулятор тока;
РС - регулятор скорости;
ТПЯкоря - тиристорный преобразователь якорной
цепи;
ТПОВ - тиристорный преобразователь цепи
возбуждения;
ЭМ - эталонная модель объекта управления;
РАК - регулятор адаптивного контура;
ОВ - обмотка возбуждения;
ДТ - датчик тока;
ДС - датчик скорости;
ДП - датчик положения;
В процессе управления ЭП необходимо, чтобы выходная
координата наилучшим образом отслеживала изменение входной. При синтезе САР
тока якоря, скорости и положения воспользуемся методом подчинённого
регулирования, когда каждому регулируемому параметру соответствует свой
регулятор, а задающий сигнал каждого последующего регулируемого параметра
соответствует выходу предыдущего регулятора. Данная система позволяет
настраивать каждый параметр отдельно, начиная с внутреннего и делать это
независимо от настройки внешнего параметра. В таких системах просто
осуществляется ограничение значений параметров путём ограничения выходного
сигнала предыдущего параметра. Например при длительном превышении тока якоря
своего номинального значения происходит перегрев двигателя, повреждение
изоляции проводов и короткое замыкание.
Настройка
контура тока
Настройку контура обычно производят так, чтобы получить технически
оптимальный переходной процесс (настройка на технический оптимум). Это такой
процесс, при котором время t изменения
регулируемой величины от 0 до установившегося значения было бы минимально
возможным при перерегулировании 
.
Характер переходного процесса замкнутой системы определяется
соотношением постоянных времени системы, и оптимальному переходному процессу
соответствует оптимальное соотношение постоянных времени. Заданная исходная
система обычно не обладает оптимальным соотношением постоянных времени,
поэтому, используя коррекцию, нужно изменять постоянные времени системы.
Контур тока имеет вид:
Рис.5. Контур тока
График изменения тока якоря при подаче управляющего воздействия от
Uз=10В и подаче возмущений в виде скачка напряжения сети на 25% и скачка
сопротивления цепи якоря на 2с без регулятора:
Рис.6. График переходного процесса тока якоря без регулятора
Система имеет большую статическую ошибку. Установившееся значение
тока якорной цепи 
что не удовлетворяет исходному значению номинального тока 
.
Используем ПИ - регулятор с передаточной функцией:
Тогда передаточная функция разомкнутого контура тока равна
С целью компенсации большой постоянной времени контура примем
(необходимую форсировку для этой
компенсации будет создавать регулятор, воздействуя на преобразователь). Тогда
передаточная функция разомкнутого контура равна
а передаточная функция замкнутого контура равна
т.е. замкнутый контур представляет собой систему второго порядка.
Для того чтобы получить в этой системе оптимальный переходный
процесс, нужно, чтобы коэффициент затухания был равен 
. Это условие будет выполнено, если коэффициент при р в
характеристическом уравнении системы будет равен
Откуда
Вид:
Переходный процесс примет вид:
Рис.7. График переходного процесса тока с регулятором
Из графика видно, что при действии возмущений система возвращается
в установившееся состояние
Перерегулирование 
5,5%
Время переходного процесса 
0,12 с
Установившееся значение 
Настройка
контура скорости
Контур скорости предназначен для стабилизации скорости
двигателя на заданном уровне. Контур включает в себя регулятор скорости (РС) и
датчик скорости (ДС). На РС поступают управляющие импульсы с внешнего контура и
ДС. Предполагается, что цепи РС защищены от протекания недопустимо большого
тока.
Контур скорости имеет вид:
Рис.8. Структурная схема регулятора скорости
Переходный процесс скорости при управляющем воздействии в
форме единичного скачка, без регулятора скорости:
Рис.9. График переходного процесса скорости без регулятора
Система имеет большую статическую ошибку. Время переходного
процесса равно 1,5 с, коэффициент перерегулирования равен нулю
Применим ПИ-регулятор.
Передаточная функция ПИ - регулятора имеет вид:
Где
Рис.10. График переходного процесса скорости с регулятором
Однако при таком регуляторе при скачке входного сигнала
перерегулирование составит 44%
Перерегулирование уменьшают установкой на входе инерционного
звена (фильтра) с передаточной функцией:
Рис.11. График переходного процесса скорости с регулятором и
фильтром
Перерегулирование 
Время переходного процесса 
0,22 с
Установившееся значение 
Настройка
контура тока возбуждения
Контур тока имеет вид:
Рис.12. Структурная схема контура потока
Переходный процесс контура тока возбуждения при подаче
возмущения на 2 с:
Рис.13. График переходного процесса контура тока без
регулятора
Статическая ошибка составляет 22%.
В соответствии со структурной схемой передаточная функция
тиристорного преобразователя и цепи обмотки возбуждения двигателя равна:

Используем ПИ-регулятор с передаточной функцией

Тогда передаточная функция разомкнутого контура тока
С целью компенсации большой постоянной времени контура примем 
. Тогда


Передаточная функция регулятора потока примет вид:

Переходной процесс контура тока возбуждения с регулятором:
Рис.14. График переходного процесса контура тока с регулятором
Как видно из графика, полученная САР компенсирует действие
возмущения и стабилизирует значение потока возбуждения.
Перерегулирование 
Время переходного процесса 
0,6 с
Установившееся значение 
Настройка
контура ЭДС
В замкнутой системе регулирования скорости переход от режима
регулирования потоком возбуждения обеспечивается за счет того, что на скоростях
выше основной с помощью специального регулятора, воздействующего на цепь
возбуждения, поддерживается равенство ЭДС двигателя номинальному значению.
Поскольку ЭДС двигателя есть
в условиях, когда
, а значение
задается входным сигналом, поток
возбуждения будет изменяться обратно пропорционально скорости двигателя.
Контур ЭДС имеет вид:
Рис.15. Структурная схема контура ЭДС
Пока сигнал задания на скорость соответствует скорости меньше
номинальной сигнал с датчика ЭДС (ДЭ) по модулю меньше напряжения задания ЭДС,
поэтому регулятор ЭДС (РЭ) находится на ограничении, задавая максимальный поток
двигателя, равный номинальному, поэтому ЭП работает только в первой зоне и
скорость регулируется только за счет напряжения на якоре.
Пусть скорость двигателя равна номинальной. Так как РЭ обладает
интегральными свойствами, то только при скорости больше номинальной, сигнал ДЭ
станет больше сигнала задания ЭДС, РЭ сойдет с ограничения и будет задавать
поток меньше номинального.
Переходный процесс скорректированной системы:
Рис.16. График переходного процесса контура ЭДС с регулятором
Перерегулирование 
.
Время переходного процесса 
0,6 с
Установившееся значение 
Настройка
контура положения
Системы регулирования положения являются, как правило,
нелинейными системами, так как работают в режиме ограничения координат
движения. В зависимости от режима работы механизма и параметров привода
регулятор положения может быть линейным или нелинейным, регулирование -
статическим или астатическим.
Контур положения:
Рис.17. Структурная схема контура положения
Коэффициент передачи линейного регулятора положения КРП=15
Переходный процесс
Рис.18. График переходного процесса контура положения с
регулятором
Перерегулирование 
Время переходного процесса 
1,1 с
Установившееся значение 
Обоснование
необходимости применения самонастраивающейся системы
При действии указанных выше возмущений изменяется коэффициент
передачи разомкнутой системы. В процессе регулирования статической точности
добиваются выбором минимального значения Крс не ниже расчетного, но
динамические свойства САР стабилизировать таким образом не удаётся и поэтому невозможно
получить качество переходных процессов, указанное в техническом задании. Для
компенсации действия параметрических возмущений необходимо применение
адаптивного регулятора, который будет подстраивать коэффициент усиления
разомкнутой системы. В СУ АЭП достижение требуемого качества осуществляется с
помощью эталонной модели (ЭМ) объекта управления, которая создается на основе
заранее известной информации об объекте и включается в адаптивную систему
управления. ЭМ выполняет функции корректирующего устройства, по сигналам
которого устройство управления изменяет характеристики системы нужным образом.
В данной работе речь идет о настройке скорости вращения вала на необходимую
величину, таким образом, обеспечивая постоянство характеристики АЭП в
динамических режимах. При отклонении выходной координаты от желаемого значения,
УУ вырабатывает соответствующий сигнал, который компенсирует ошибку (разность
желаемого и текущего значения скорости
). На выходе РАК вырабатывается соответствующее управляющее
воздействие (
), которое сравнивается с заданным
управляющим воздействием (
), таким образом, осуществляется настройка
системы.
На вход основной системы и эталонной модели подаётся одинаковое
задающее воздействие. Сигнал с выхода системы через обратную связь и сигнал
модели подаются в регулятор основного контура. Он меняет параметры
корректирующих устройств так, чтобы рассогласование было как можно меньше.
В качестве эталонной модели примем модель, реализующую желаемое
изменение выходной координаты. Выберем колебательное звено c характеристическим уравнением второго порядка, настроенное
на технический оптимум:
Реализация регулятора адаптивного контура
Разработка
схемы электрической принципиальной
Датчик тока якорной цепи
В качестве датчика тока выбираем шунтовое сопротивление со
стандартным падением напряжения на нем 
. При этом передаточную функцию датчика тока можно представить в
виде
Сигнал с датчика тока необходимо подать на сумматор, выполненный
на операционном усилителе. Передаточная функция согласующего устройства равна

Рис.35 датчик тока якорной цепи
В качестве элемента гальванической развязки принимаем АОД130А.
Выходное напряжение при входном токе 7.5 мА 10 В. При токе Iн на
выходе датчика должно быть напряжение 10 В.
Рассчитаем элементы датчика:

R27=R57=0,3 кОм,
R26=R27*K1=0,3*103*133=39,9 кОм, по ряду Е-24 принимаем
R26=39 кОм,
R25=1,3*133/66,67=2,7 кОм=R23=1,8 кОм
Датчик скорости. В качестве датчика скорости используем
тахогенератор, который можно представить в виде безынерционного линейного
элемента. Тахогенератор обеспечивает гальваническую развязку
Рис.36.
R41=0,75 кОм,=6,8 кОм
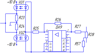
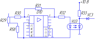
Датчик тока возбуждения
Рис.37.
В качестве элемента гальванической развязки принимаем АОД130А.
Выходное напряжение при входном токе 7.5 мА 10 В. При токе Iн на выходе датчика
должно быть напряжение 10 В.
Рассчитаем элементы датчика:


R30=R58=0.1
кОм,
R31=R30*K1=0.1*103*133=13 кОм,=1,3*133/66,67=2.7 кОм
Примем R33=0,2 кОм, R28=0,1 кОм.
Датчик ЭДС
Так как E=U-IЯ*RЯ, то ДЭ включает в себя датчик напряжения и элемент,
реализующий функцию I*R. Значение I снимается с датчика тока.Т. e. ДЭ представляет собой суммирующий усилитель, на один вход
которого подается напряжение с датчика напряжения, а на второй - напряжение с
датчика тока якоря.
Рис.38. Датчик напряжения
Датчик напряжения должен возвращать 10В при напряжении в цепи
якоря 220 В.
Принимаем R35=0,68 кОм.
=15 кОм
При ω<ωН ток
возбуждения двигателя поддерживается равным номинальному. Когда ω≈ωН и достигается
дальнейшее увеличение скорости происходит за счет ослабления
потока возбуждения при условии
.
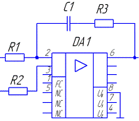
Рис.39. Датчик ЭДС
R38=R39=1,5 кОм,=R38*UH/RЯ*IH=10
кОм,=R37=1,8 кОм
Регулятор тока якоря
Рис.40. Регулятор тока якоря
Т=R3*C1
С=10 мкФ;
R3=0.022/10-5=2,2 кОм
R1=R2=R3/0, 197=11 кОм
Регулятор скорости
Рис.41. Регулятор скорости
, Т=R6*C2,С2=10 мкФ;
R6=0,064/10-5=6,4 кОм принимаем R6=6,8 кОм
R4=R5=R6/0,09=75 кОм
Регулятор положения
Рис.42. Регулятор положения
R7=R8=100 кОм;
R9=Kрп*R7=500 кОм. принимаем по ряду Е-24 R9=510 кОм
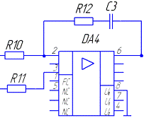
Регулятор тока возбуждения
Рис.43. Регулятор тока возбуждения
Т=R12*C3
С3=10 мкФ;
R12=0.1/10-5=1кОм;
R10=R11=R12/0,009=111,1 кОм;
принимаем R10=R11=110 кОм
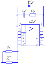
Регулятор ЭДС
Рис.44. Регулятор ЭДС
Т=R15*C4
С4=10 мкФ; R15=0.09/10-5=9,1
кОм;
R13=R14=R15/0.2=45,5 кОм.
=47 кОм
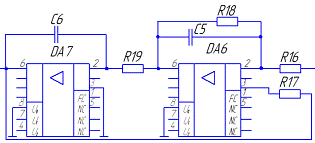
Эталонная модель
Рис.45. Эталонная модель
В качестве эталонной модели примем модель, реализующую
желаемое изменение выходной координаты:
R16=R17=13 кОм,
Т2=R17*R19*C6*C5=0,002,R19=13
кОм,
C6*C5=11,8*10-12,C5=C6=3,44 мкФ
R18=9 кОм,
принимаем по стандартному ряду Е24 R18=9,1 кОм
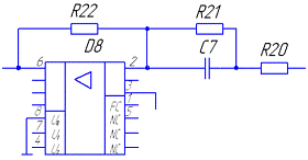
Регулятор адаптивного контура
Рис.46. Регулятор адаптивного контура
R20=2 кОм,
С7=1,5 мкФ,
R21=6.2 кОм,
R22=20 кОм
Заключение
В результате выполнения данной курсовой работы была
разработана самонастраивающаяся система автоматизированного электропривода в
условиях двухзонного регулирования скорости при действии на систему возмущений.
В ходе выполнения работы были разработаны схемы: функциональная, электрическая
принципиальная, структурная. Произведен анализ и синтез САР АЭП, результатом
которого является вывод о том, что система удовлетворяет заданным показателям
качества:
система обладает требуемой устойчивостью (характер переходных
процессов апериодический);
стабилизирует характеристики системы при воздействии
различного рода возмущений;
максимальное отклонение графика кривой переходного процесса
выходной координаты системы электропривода от заданной скорости двигателя
составляет не более 5% текущего значения.
динамическая ошибка разработанной системы не превышает
заданную на всем диапазоне регулирования.
Спроектированная система удовлетворяет всем поставленным
требованиям.
Список
использованной литературы
1. Методические
указания к курсовой работе по дисциплине "Промышленный электропривод”/
Коуров Г.Н., Зориктуев В.Ц. - Уфимск. Гос. Авиац. Техн. Ун-т: - Уфа, 2002. -
15с
2. Общий
курс электропривода/ Чиликин М.Г., Сандлер А.С. - М.: Энергоиздат, 1981. - 576
с
. Справочник
по электрическим машинам: В 2 т. / Под общ. ред. И.П. Копылова и Б.К. Клокова.
Т.1. - М.: Энергоатомиздат, 1988. - 456с.
. Усатенко
С.Т., Каченюк Т.К., Терехова М.В. Выполнение электрических схем по ЕСКД:
Справочник. - 2-е изд. - М.: Издательство стандартов, 1992.
. Башарин
А.В., Новиков В.А., Соколовский Г.Г. Управление электроприводами: Учебное
пособие для ВУЗов. - Л.: Энергоиздат, 1982.