Модернизация электропривода прессовой части БДМ 'Сухонского ЦБК'
Министерство
образования и науки Российской Федерации
Федеральное
агентство по образованию
Государственное
образовательное учреждение высшего профессионального
образования
"Санкт-Петербургский
государственный технологический университет
растительных полимеров"
Кафедра
автоматизированного электропривода и электротехники
Дипломный
проект на тему:
"Модернизация
электропривода прессовой части БДМ "Сухонского ЦБК""
Санкт -
Петербург
г.
Содержание
Введение
1. Описание технологического процесса
1.1 Назначение прессовой части бумагоделательной машины
.2 Требования к электроприводу прессовой части
1.3 Кинематическая схема электропривода
прессовой части бумагоделательной машины
2. Техническое задание на модернизацию
2.1 Вводная часть
2.1.1 Цель модернизации системы
2.1.2 Основные технические характеристики существующей машины
2.1.3 Объем модернизации
2.2 Требования к электроприводу по качеству регулирования
.3 Требования по автоматизации
.3.1 Посты управления
.3.2 Режимы работы электропривода прессовой части
.3.3 Порядок останова
.3.4 Виды защиты
.3.5 Виды блокировок
.4 Требования к питающему трансформатору
.5 Требования безопасности
. Расчетная часть
.1 Поэлементный расчет мощности
.1.1 Определение мощности двигателя пересасывающего вала
.1.2 Определение мощности двигателя отсасывающего вала
.1.3 Определение мощности двигателя центрального вала
3.1.4 Определение моментов инерции валов
.1.5 Расчет угловых скоростей валов
.1.6 Расчет угловых скоростей двигателей
.1.7 Расчет приведенных моментов инерции
.1.8 Расчет динамической мощности для разгона валов
.1.9 Расчет полной мощности двигателей
3.1.10 Определение моментов сопротивления двигателей
.2 Выбор двигателей
.3 Выбор датчика скорости
.4 Выбор тиристорного преобразователя
.5 Выбор частотного преобразователя
. Система автоматического управления
.1 Расчет регуляторов для первой приводной точки
.1.1 Настройка канала регулирования потокосцепления
.1.2 Настройка канала регулирования скорости
.2 Расчет регуляторов для второй и третьей приводных точек
.2.1 Расчет и настройка контура тока
.2.2 Расчет параметров структурной схемы контура скорости для
второй приводной точки
.2.3 Расчет параметров структурной схемы контура скорости для
третьей приводной точки
. Структурная схема электропривода прессовой части
. Алгоритм управления
.1 Словесный алгоритм
.2 Алгоритм управления представленный формулами логики
.3 Программа на языке LAD
.4 Выбор промышленного контроллера
. Принципиальная схема электропривода прессовой части
. Безопасность объекта
.1 Производственная безопасность
.1.1 Оценка безопасности воздействия механических нагрузок
.1.2 Оценка безопасности при наличии шума
.1.3 Оценка безопасности при наличии вибраций
.1.4 Оценка безопасности при наличии вредных веществ
.1.5 Оценка безопасности освещения
.1.6 Оценка безопасности микроклимата
.1.7 Оценка электробезопасности
.1.8 Оценка радиационной безопасности
.1.9 Оценка пожарной безопасности
.1.10 Мероприятия повышающие уровень производственной
безопасности
8.2 Экологическая безопасность
.2.1 Оценка экологического воздействия газовых выбросов
.2.2 Оценка экологического воздействия сточных вод
.2.3 Оценка экологического воздействия твердых отходов
.2.4 Мероприятия по снижению экологического ущерба
.3 Безопасность в условиях чрезвычайных ситуаций
.3.1 План мероприятий по защите персонала
.3.2 План мероприятий при радиоактивном заражении объекта
. Технико-экономическое обоснование модернизации системы
электропривода прессовой части БДМ №1 ООО "Сухонского ЦБК"
9.1 Расчет калькуляции себестоимости продукции до и после модернизации
электропривода прессовой части
9.2 Оценка эффективности модернизации электропривода
10. Заключение
. Список литературы
электропривод пресс двигатель вал мощность
Введение
В настоящее время на рынке бумаги увеличивается спрос на продукцию целлюлозно-бумажных
комбинатов, что вынуждает производителей бумажной продукции увеличивать
производство бумаги. Увеличение производства, как правило, достигается двумя
способами: введением новых производств или увеличением производительности
используемого оборудования. В виду того, что организация новых производств и
поточных линий требует вложение большого капитала, модернизация уже
использующегося оборудования получила наибольшее распространение. В процессе
модернизации, как правило, увеличивают производительность оборудования путем
поднятия скорости. При этом учитываются технологические особенности
производства и ставятся задачи улучшения качества выпускаемой продукции с тем,
чтобы увеличить конкурентоспособность продукции.
Основанием для разработки послужил проект увеличения производительности
технологического потока БДМ №1 ООО "Сухонского ЦБК" за счёт
увеличения скорости и сокращения простоев. Необходимость модернизации
электропривода бумагоделательной машины определяется физическим и моральным износом
существующего оборудования.
Отсутствие современной системы контроля и диагностики не позволяет
прогнозировать возможные неисправности оборудования, а также увеличивает время
поиска и устранения возникающих неисправностей.
По завершению модернизации система автоматического управления
электропривода БДМ №1 получит следующие преимущества:
возможность оперативного регулирования соотношения нагрузок приводов
прессовой части, с одновременным повышением стабильности поддержания заданного
соотношения нагрузок;
повышение удобства обслуживания приводов - отображение на пультах
операторов модернизированных приводов текущих скоростей, нагрузок,
технологических предупреждений и аварийных сообщений;
1. Описание технологического процесса
1.1 Назначение прессовой части бумагоделательной машины
Основное назначение прессовой части состоит в обезвоживании бумажного
полотна, обеспечении качественных показателей вырабатываемой продукции и
надёжности машины. При прессовании возрастает сухость, прочность и плотность
бумаги.
От эффективности работы прессовой части зависят затраты на сушку бумаги и
производительность машины. В целях сокращения расхода пара на сушку после
прессовой части стремятся получить максимально возможную сухость. Однако
повышение сухости за счёт увеличения давления между прессовыми валами приводит
к увеличению затрат энергии на привод валов, что может и не скомпенсироваться
снижением затрат на сушку. Кроме того, чрезмерное прессование приводит к
ухудшению потребительских свойств вырабатываемой на машине продукции.
Прессовая часть рассматриваемого проекта состоит из пересасывающего
устройства в которое входит пересасывающий вал, сукноведущих валов, сукномоек,
а также четырехвального пресса Tri-nip состоящего из отсасывающего вала,
желобчатого вала "Вента-Нип", центрального вала и вала с регулируемым
прогибом "Кюстерс". Такое устройство пресса позволяет создать сразу
три зоны прессования, что повышает сухость выходящего с прессовой части
бумажного полотна.
1.2 Требования к электроприводу прессовой части
В зоне прессования вследствие давления, создаваемого валами, происходит
отжим воды из бумажного полотна. В 1-ой зоне прессования часть отжатой воды
отсасывается вакуумными камерами отсасывающего вала, а часть уносится сукном.
Бумажное полотно после 1-ой зоны прессования попадает во 2-ую зону. Из 2-ой
зоны прессования бумажное полотно передается в 3-ю зону где
"Кюстерс" вал настраивается таким образом чтобы создать
максимально эффективную зону прессования для обезвоживания бумажного полотна.
Tri-nip пресс имеет две приводные точки. Это
центральный и отсасывающий валы.
Распределение нагрузки между двигателями этих валов необходимо, для того
чтобы:
не происходил износ резинового покрытия нижнего вала пресса, вследствие
возможного проскальзывания валов относительно друг друга;
не происходило механическое повреждение бумажного полотна и сукон.
Также приводится пересасывающий вал прессовой части ввиду возможности
проскальзывания сукна по его поверхности вследствие имеющееся у него вакуумной
камеры.
За счет незначительной, около 0,2% разницы линейных скоростей между
пересасывающим и отсасывающим валом привод создает дополнительное натяжение
сукна в группе отсасывающий - пересасывающий валы.
Рис.1 Кинематическая схема прессовой части БДМ №1.
-21 - сукноведущие валы; 22 -
бумаговедущий вал; 23 - пересасывающий вал; 24 - отсасывающий вал; 25 -
вал "Вента- Нип"; 26 - центральный
вал; 27 - вал "Кюстерс";28-30 -
щелевые сукномойки; Ι
- первая приводная
точка; ΙΙ- вторая приводная точка; ΙΙΙ- третья приводная точка.
2. Техническое задание на модернизацию
2.1 Вводная часть
2.1.1 Цель модернизации системы
Целью модернизации является повышение производительности БДМ-1,
достижение поставленной цели обеспечивают:
· повышение рабочей скорости машины по сетке до 700 м/мин;
· уменьшение обрывности за счет стабилизации скорости приводных секций
машины;
· повышение надежности системы электропривода;
· сокращение потерь времени на поиск неисправностей и ремонт приводов;
· повышение качества управления системой электропривода.
2.1.2 Основные технические характеристики существующей машины
тип машины плоскосеточная
ширина сетки 4600 мм
обрезная ширина 4400 мм
вырабатываемая продукция бумага мешочная 80-110 г/м2
максимальная рабочая скорость 630 м/мин
вспомогательная скорость 30 м/мин
2.1.3 Объем модернизации
В объем модернизации по проекту входит:
· замена двигателя постоянного тока привода вала Пик-ап с установкой
современного цифрового частотного преобразователя;
· замена существующих преобразователей с аналоговым управлением на
современные тиристорные преобразователи постоянного тока с цифровым
управлением.
· оборудование пультов управления,
· установка рабочих станции визуализации и диагностики.
· Секционные преобразователи получают задание на скорость от управляющего
контроллера, на который приходят сигналы от панели оператора и от пультовых
кнопок. Это позволяет сократить до минимума количество кабельных линий между
пультом управления и преобразовательной подстанцией. Связь осуществляется по
последовательному каналу связи PROFIBUS DP.
· В качестве датчиков скорости предполагается использовать импульсные
датчики (энкодеры) промышленного исполнения.
· Система верхнего уровня позволяет контролировать скорости секций, токи
нагрузки электродвигателей, состояние готовности секций к работе, неисправности
привода.
.2 Требования к электроприводу по качеству регулирования
Отклонение частоты вращения каждого
секционного электродвигателя от заданного значения не должно превышать ±0.1% во
всем диапазоне рабочих скоростей при изменениях:
· момента нагрузки на ±30% от среднего расчетного значения;
· напряжения питающей сети трехфазного тока на ±10%;
· частоты питающей сети трехфазного тока на ±2%;
· температуры окружающей среды на ±10%.
Привод должен обеспечивать устойчивый режим вспомогательной скорости 15 -
30 м/мин. Пуск электродвигателей на любую
рабочую скорость должен выполняться плавно, без резких толчков динамического
момента на валах электродвигателей на начальном и конечных участках разгона.
Ускорение для разгона принимает значения от 0,1 до 0,2 м/с2.
2.3 Требования по автоматизации
.3.1 Посты управления
· Управлять скоростью (соотношением скоростей) можно как с панелей на
пультах, так и с компьютера верхнего уровня.
· Пульты управления должны содержать следующие основные аппараты и приборы:
станцию управления с сенсорным дисплеем
амперметры (6 шт.)
вольтметры (2 шт.)
кнопки "ПУСК" (функции "СИГНАЛ", "ВСПОМ.
СКОРОСТЬ", "РАБ. СКОРОСТЬ")
- кнопка "ТОЛКНУТЬ"
- кнопки "СТОП"
кнопку "Аварийный стоп"
Управление приводом может осуществляться с любого поста, при этом
остальные посты блокируются.
Одновременное управление с двух постом невозможно.
2.3.2 Режим работы электропривода прессовой части
· Режим рабочей скорости;
· Режим вспомогательной скорости ( 30 об/мин);
· Толчковый режим; в этом режиме секция выходит на вспомогательную скорость
только при нажатой кнопке "Толкнуть", при отпущенной кнопке
"Толкнуть" секция останавливается. Толчковый режим, возможен, только
когда не задан режим вспомогательной или рабочей скорости.
2.3.3 Порядок останова
При срабатывании кнопок аварийного останова снимаются управляющие
импульсы с силовых ключей преобразователей и отключаются контакторы в цепях
питания преобразователей прессовой части, останов приводных секций происходит
на самовыбеге.
2.3.4 Виды защит
· Защита от несанкционированного доступа к изменению уставок СУ прессовой
части;
· защита по максимальному току электродвигателя Iуст=2,5Iн
,
· защита при обрывах фазы первичной питающей сети;
· защита по току электродвигателя при двукратной перегрузке в течение 30 с
с запретом повторного включения;
· защита при отклонении напряжения первичной питающей сети выше 10% и ниже
10% от номинального значения;
· защита при перегреве электродвигателя с последующим повторным включением
(T>150 ºC).
2.3.5 Виды блокировок
· Система должна быть оборудована световой и звуковой сигнализацией,
предупреждающей рабочих о пуске.
Сигнализацию следует выполнять так, чтобы длительность сигнала составляла
10 (с), по истечению которых схема управления приходит в состояние готовности к
пуску и сохраняет его в течении 10-15 (с), после чего возвращается в исходное
положение.
Сигнал дискретный (0, 24 В).
· Световая сигнализация о включенном питании (дискретный сигнал -
"сухой контакт");
· Электрическая блокировка работы шкафа при открывании передней двери
(сухой контакт);
2.4 Требования к питающему трансформатору
В качестве источника питания вводного напряжения будет использоваться уже
существующий трансформатор ТС 1МВА.
Напряжение питания шкафов - 3 фазы 400В, 50Гц и будет подаваться через
выкатной воздушный выключатель M-Pact 1600А.
2.5 Требования безопасности
В схеме должна быть предусмотрена
предшествующая пуску электропривода звуковая сигнализация. Сигнализацию следует
выполнить так, чтобы длительность сигнала составляла 5-10 сек., по истечении
которых схема управления должна прийти в состояние готовности к пуску и
сохранять его в течение 15 сек., после чего возвратиться в исходное положение.
Электропривод должен соответствовать
требованиям "Правил устройства электроустановок" ПУЭ, 1998г.
3. Расчётная часть
На скоростные режимы секций машины и связанные с ними процессы деформации
полотна в межсекционных промежутках влияет большое число факторов:
механические параметры секций и механических передач;
моменты нагрузки и характер их изменений во времени;
прочностные свойства влажного и сухого полотна в межсекционных
промежутках;
параметры электропривода и регуляторов;
изменение величины напряжения и частоты.
В дипломном проекте для расчёта мощности двигателя используется метод
поэлементных тяговых усилий. Метод поэлементных тяговых усилий даёт возможность
учесть особенности конструкции и работы машины. Чтобы определить расход
мощности, необходимо знать нагрузки на подшипники, диаметры цапф и валов,
коэффициенты трения в подшипниках, трение отсасывающих ящиков о сукно. Точность
определения мощности зависит от правильности выбора коэффициентов трения
скольжения и качения.
.1 Поэлементный расчет мощности двигателей прессовой части
БДМ
.1.1 Определение мощности двигателя пересасывающего вала
Расчет тяговых усилий для преодоления трения в подшипниках
сукноведущих валов.
Расчет массы сукноведущего вала:
m1 - масса корпуса сукноведущего вала;
m2 - масса патрона сукноведущего вала:
m3 - масса шейки сукноведущего вала:
m4 - масса крышки сукноведущего вала:
-
внешний диаметр сукноведущего вала;
-
внутренний диаметр сукноведущего вала;
-
плотность стали сукноведущего вала;
b=4950 мм -
длинна корпуса сукноведущего вала;
Рис.2 Схема действия сил на группу отсасывающий - пересасывающий валы
прессовой части БДМ №1.
Ι - первая приводная точка; ΙΙ- вторая приводная точка.
Результаты сведем в таблицу:
Таблица №1
|
N
|
1
|
2
|
3
|
4
|
5
|
6
|
|
990
|
1120
|
470
|
130
|
1490
|
40
|
|
|
Н4,55
|
3,91
|
6,42
|
6,96
|
1,87
|
7
|
|
Q0сукн.вала - общая нагрузка на сукноведущий
вал;
Результаты сведем в таблицу:
Таблица №2
|
N
|
1
|
2
|
3
|
4
|
5
|
6
|
|
600460940840110
|
920
|
|
|
|
|
|
|
Н6611,266612,146608,686609,476613,46
|
6608,84
|
|
|
|
|
|
-
тяговое усилие для преодоления трения в подшипниках сукноведущих валов;
где
- коэффициент трения;
- диаметр цапфы сукноведущего вала;
- внешний диаметр сукноведущего вала;
Расчет
тяговых усилий для преодоления трения в щелевых сукномойках.
-
тяговое усилие для преодоления трения в сукномойке;
,где
-
коэффициент трения между крышкой сукномойки и сукном (материал полиамид);
- площадь живого сечения щелевой сукномойки;
- ширина щели щелевой сукномойки,
- длина щели щелевой сукномойки;
- величина вакуума щелевой сукномойки.
Расчет
тяговых усилий для преодоления трения в подшипниках пересасывающего вала.
Расчет
массы пересасывающего вала: m1 - масса
корпуса пересасывающего вала;
m2 - масса цапфы приводной стороны пересасывающего вала: m3 - масса отсасывающей камеры пересасывающего вала: m4 - масса цапфы лицевой стороны пересасывающего вала:
- внешний диаметр пересасывающего вала;
- внутренний диаметр пересасывающего вала;
- плотность стали пересасывающего вала; b=4950
мм - длинна корпуса пересасывающего вала;
-
тяговое усилии для преодоления трения в подшипниках пересасывающего вала;
,где
-
коэффициент трения;
- диаметр цапфы пересасывающего вала;
- внешний диаметр пересасывающего вала;
Расчет
тягового усилия для преодоления трения между уплотнениями и цилиндром
пересасывающего вала.
,где
-
удельное давление уплотнений при пневматическом прижиме;
-
площадь соприкосновения уплотнения с вращающейся поверхностью пересасывающего
вала;
- ширина
щели отсасывающей камеры пересасывающего вала;
- длина
щели отсасывающей камеры пересасывающего вала;
- ширина
большого уплотнения отсасывающей камеры пересасывающего вала;
- ширина
маленького уплотнения отсасывающей камеры пересасывающего вала;
-
коэффициент трения между уплотнением и внутренней поверхностью пересасывающего
вала;
-
диаметр поверхности трения пересасывающего вала;
-
наружный диаметр пересасывающего вала;
Расчет
тягового усилия для преодоления трения шабера о пересасывающий вал.
,где
-
коэффициент трения шабера о вал;
-
линейное давление между шабером и валом;
- длина
соприкосновения шабера с пересасывающим валом;
Расчет
полного тягового усилия для пересасывающего вала.
Расчет
тягового усилия для двигателя пересасывающего вала.
Расчет
максимальной мощности двигателя пересасывающего вала.
.где
-
коэффициент скорости;
-
фактическая скорость машины;
-коэффициент
максимума;
-
скорость прессовой части;
-
тяговые усилия двигателя пересасывающего вала;
3.1.2
Определение мощности двигателя отсасывающего вала
Рис.3
Схема действия сил на вал "Вента - Нип" и сукноведущий вал прессовой
части БДМ №1.
Расчет
тяговых усилий для преодоления трения в подшипниках сукноведущих валов.
Результаты сведем в таблицу:
Таблица №3
|
N
|
13
|
14
|
15
|
16
|
17
|
18
|
19
|
20
|
21
|
|
40
|
660
|
630
|
80
|
1520
|
550
|
840
|
690
|
780
|
|
|
Н7
|
5,87
|
5,97
|
6,98
|
1,69
|
6,21
|
5,2
|
5,77
|
5,44
|
|
Q0сукн.вала - общая нагрузка на сукноведущий
вал;
Результаты сведем в таблицу:
Таблица №4
|
N
|
13
|
14
|
15
|
16
|
17
|
18
|
19
|
20
|
21
|
|
1490122012102801040560
|
1490
|
560
|
400
|
|
|
|
|
|
|
|
Н660366056605661566086612
|
6604
|
6612
|
6613
|
|
|
|
|
|
|
-
тяговое усилие для преодоления трения в подшипниках сукноведущих валов;
,где
-
коэффициент трения;
-
диаметр цапфы сукноведущего вала;
-
внешний диаметр сукноведущего вала;
Расчет
тяговых усилий для преодоления трения в щелевых сукномойках.
-
тяговое усилие для преодоления трения в сукномойке;
Расчет
тяговых усилий для преодоления трения в подшипниках вала "Вента-Нип".
Расчет
массы вала:
m1 - масса корпуса вала "Вента-Нип";
m2 - масса патрона вала "Вента-Нип":
m3 - масса шейки вала "Вента-Нип" :
m4 - масса крышки вала "Вента-Нип":
-
внешний диаметр вала "Вента-Нип";
-
внутренний диаметр вала "Вента-Нип";
-
плотность стали вала "Вента-Нип";
b=4750 мм -
длинна корпуса вала "Вента-Нип";
,где
-
линейное давление в 1-ой зоне прессования;
-
тяговое усилие для преодоления трения в подшипниках вала
"Вента-Нип";
,где
-
коэффициент трения;
-
диаметр цапфы вала "Вента-Нип";
-
внешний диаметр вала "Вента-Нип";
Расчет
тягового усилия для преодоления трения шабера о вал "Вента-Нип".
,где
-
коэффициент трения шабера о вал;
-
линейное давление между шабером и валом;
- длина
соприкосновения шабера с пересасывающим валом;
Расчет
полного тягового усилия для вала "Вента-Нип".
Расчет
тяговых усилий для преодоления трения в подшипниках отсасывающего вала.
Расчет
массы вала:
m1 - масса корпуса отсасывающего вала;
m2 - масса отсасывающей камеры:
m3 - масса приводной цапфы отсасывающего вала :
m4 - масса лицевой цапфы отсасывающего вала:
-
внешний диаметр отсасывающего вала;
-
внутренний диаметр отсасывающего вала;
-
плотность стали отсасывающего вала;
b=5150 мм -
длинна корпуса отсасывающего вала;
,где
-
линейное давление в 1-ой зоне прессования;
,где
-
линейное давление во 2-ой зоне прессования;
-
тяговое усилие для преодоления трения в подшипниках отсасывающего вала;
,где
-
коэффициент трения;
-
диаметр цапфы отсасывающего вала;
-
внешний диаметр отсасывающего вала;
Расчет
тягового усилия для преодоления трения между уплотнениями и цилиндром
отсасывающего вала.
,где
-
удельное давление уплотнений при пневматическом прижиме;
-
площадь соприкосновения уплотнения с вращающейся поверхностью отсасывающего
вала;
- ширина
щели первой +третьей отсасывающей камеры отсасывающего вала;
- ширина
щели второй отсасывающей камеры отсасывающего вала;
- длина
щели отсасывающей камеры отсасывающего вала;
- ширина
большого уплотнения отсасывающей камеры отсасывающего вала;
- ширина
маленького уплотнения отсасывающей камеры отсасывающего вала;
-
коэффициент трения между уплотнением и внутренней поверхностью
пересасывающего
вала;
-
диаметр вращающейся поверхности трения отсасывающего вала;
-
наружный диаметр пересасывающего вала;
Расчет
тягового усилия для преодоления трения шабера об отсасывающий вал.
,где
-
коэффициент трения шабера о вал;
-
линейное давление между шабером и валом;
- длина
соприкосновения шабера с отсасывающим валом;
Расчет
полного тягового усилия для отсасывающего вала.
Расчет
тягового усилия для преодоления трения качения между валами.
,где
-
коэффициент трения качения между валами;
кгс -
давление между валами;
см -
диаметр нижнего вала;
см -
диаметр верхнего вала;
-тяговое
усилие на преодоления трения качения между валами "Вента-Нип" и
отсасывающим;
,где
- давление между валами "Вента-Нип" и
отсасывающим;
- диаметр вала "Вента-Нип";
- диаметр отсасывающего вала;
-тяговое
усилие на преодоления трения качения между валами центральным и отсасывающим;
,где
- давление между валами центральным и отсасывающим;
-
диаметр центрального вала;
-
диаметр отсасывающего вала;
Расчет
тягового усилия для двигателя отсасывающего вала.
Расчет
максимальной мощности двигателя отсывающего вала.
.где
-
коэффициент скорости;
-
фактическая скорость машины;
-коэффициент
максимума;
-
скорость прессовой части;
-
тяговые усилия двигателя пересасывающего вала;
.1.3
Определение мощности двигателя центрального вала
Расчет
тяговых усилий для преодоления трения в подшипниках сукноведущих валов.
Результаты сведем в таблицу:
Таблица №5
|
N
|
7
|
8
|
9
|
10
|
11
|
12
|
|
830
|
650
|
900
|
250
|
1490
|
40
|
|
|
Н5,2
|
5,9
|
4,9
|
6,8
|
1,8
|
7
|
|
Рис.4 Схема действия сил на центральный вал и вал "Кюстерс"
прессовой части БДМ №1.
ΙΙΙ- третья приводная точка.
0сукн.вала - общая нагрузка на сукноведущий вал;
Результаты сведем в таблицу:
Таблица №6
|
n
|
7
|
8
|
9
|
10
|
11
|
12
|
|
1710820720
|
780
|
110
|
920
|
|
|
|
|
Н6603,86609,86610,5
|
6610,4
|
6610,8
|
6608,8
|
|
|
|
-
тяговое усилие для преодоления трения в подшипниках сукноведущих валов;
,где
-
коэффициент трения;
-
диаметр цапфы сукноведущего вала;
-
внешний диаметр сукноведущего вала;
Расчет
тяговых усилий для преодоления трения в щелевых сукномойках.
Расчет
тяговых усилий для преодоления трения в подшипниках центрального вала.
Расчет
массы вала:
m1 - масса корпуса центрального вала;
m2 - масса патрона центрального вала:
m3 - масса цапфы центрального вала:
m4 - масса крышки центрального вала:
-
внешний диаметр центрального вала;
-
внутренний диаметр центрального вала;
-
плотность стали центрального вала;
b=4700 мм -
длинна корпуса центрального вала;
,где
-
линейное давление во 2-ой зоне прессования;
,где
-
линейное давление в 3-ей зоне прессования;
- тяговое
усилии для преодоления трения в подшипниках центрального вала;
,где
-
коэффициент трения;
-
диаметр цапфы центрального вала;
-
внешний диаметр центрального вала;
Расчет
тягового усилия для преодоления трения шабера о центральный вал.
,где
-
коэффициент трения шабера о вал;
-
линейное давление между шабером и валом;
- длина
соприкосновения шабера с центральным валом;
Расчет
полного тягового усилия для центрального вала.
Расчет
тяговых усилий для преодоления трения в подшипниках вала
"Кюстерс".
Расчет
массы вала:
m1 - масса корпуса вала "Кюстерс";
m2 - масса внутреннего трубчатого вала
"Кюстерс";
m3 - масса приводной цапфы вала "Кюстерс";
m4 - масса крышки+подшипников вала "Кюстерс";
-
внешний диаметр вала "Кюстерс";
-
внутренний диаметр вала "Кюстерс";
-
плотность стали вала "Кюстерс";
b=5025 мм -
длинна корпуса вала "Кюстерс";
,где
-
линейное давление в 3-ей зоне прессования;
-
тяговое усилие для преодоления трения в подшипниках вала
"Кюстерс";
,где
-
коэффициент трения;
-
диаметр цапфы вала "Кюстерс";
-
внешний диаметр вала "Кюстерс";
Расчет
тягового усилия для преодоления трения шабера о вал "Кюстерс".
,где
-
коэффициент трения шабера о вал;
- линейное давление между шабером и валом;
- длина соприкосновения шабера с пересасывающим
валом;
Расчет
полного тягового усилия для вала "Кюстерс".
Расчет
тягового усилия для преодоления трения качения между валами.
-тяговое
усилие на преодоления трения качения между валами центральным и отсасывающим;
,где
- давление между валами центральным и отсасывающим;
-
диаметр центрального вала;
-
диаметр отсасывающего вала;
-тяговое
усилие на преодоления трения качения между валами центральным и
"Кюстерс";
,где
- давление между валами центральным и
"Кюстерс";
-
диаметр центрального вала;
-
диаметр вала "Кюстерс";
Расчет
тягового усилия для двигателя центрального вала.
Расчет
максимальной мощности двигателя центрального вала.
.где
-
коэффициент скорости;
-
фактическая скорость машины;
-коэффициент
максимума;
-
скорость прессовой части;
-
тяговые усилия двигателя пересасывающего вала;
3.1.4
Определение моментов инерции валов
,где
i - масса детали в кг;
D - диаметр в м;
Определение
момента инерции сукноведущего вала.
- масса
корпуса сукноведущего вала;
- масса
патрона сукноведущего вала:
- масса
шейки сукноведущего вала:
-
внешний диаметр корпуса сукноведущего вала;
-
внутренний диаметр корпуса сукноведущего вала;
-
внешний диаметр патрона сукноведущего вала;
-
внутренний диаметр патрона сукноведущего вала;
-
диаметр шейки сукноведущего вала;
- момент
инерции корпуса сукноведущего вала;
- момент
инерции патрона сукноведущего вала;
- момент
инерции шейки сукноведущего вала;
- момент
инерции сукноведущего вала;
Определение
момента инерции пересасывающего вала.
- масса
корпуса пересасывающего вала;
- масса
лицевой цапфы пересасывающего вала:
- масса
приводной цапфы пересасывающего вала:
-
внешний диаметр корпуса пересасывающего вала;
-
внутренний диаметр корпуса пересасывающего вала;
-
внутренний диаметр лицевой цапфы пересасывающего вала;
-
диаметр приводной цапфы пересасывающего вала;
- момент
инерции корпуса пересасывающего вала;
- момент
инерции лицевой цапфы пересасывающего вала;
- момент
приводной цапфы пересасывающего вала;
- момент
инерции пересасывающего вала;
Определение
момента инерции отсасывающего вала.
- масса
корпуса отсасывающего вала;
- масса
лицевой цапфы отсасывающего вала:
- масса
приводной цапфы отсасывающего вала :
-
внешний диаметр корпуса отсасывающего вала;
-
внутренний диаметр корпуса отсасывающего вала;
-
внешний диаметр лицевой цапфы отсасывающего вала;
-
внутренний диаметр лицевой цапфы отсасывающего вала;
-
диаметр приводной цапфы отсасывающего вала;
- момент
инерции корпуса отсасывающего вала;
- момент
инерции лицевой цапфы отсасывающего вала;
- момент
приводной цапфы отсасывающего вала;
- момент
инерции отсасывающего вала;
Определение
момента инерции вала "Вента-Нип".
- масса
корпуса вала "Вента-Нип";
- масса
патрона вала "Вента-Нип":
- масса
шейки вала "Вента-Нип" :
-
внешний диаметр корпуса вала "Вента-Нип";
-
внутренний диаметр корпуса вала "Вента-Нип";
-
внешний диаметр патрона вала "Вента-Нип";
-
внутренний диаметр патрона вала "Вента-Нип";
-
диаметр шейки вала "Вента-Нип";
- момент
инерции корпуса вала "Вента-Нип";
- момент
инерции патрона вала "Вента-Нип";
- момент
инерции шейки вала "Вента-Нип";
- момент
инерции вала "Вента-Нип";
Определение момента инерции центрального вала.
- масса
корпуса центрального вала;
- масса
патрона центрального вала:
- масса
шейки центрального вала:
-
внешний диаметр корпуса центрального вала;
-
внутренний диаметр корпуса центрального вала;
-
внешний диаметр патрона центрального вала ;
-
внутренний диаметр патрона центрального вала;
-
диаметр шейки центрального вала;
- момент
инерции корпуса центрального вала;
- момент
инерции патрона центрального вала;
- момент
инерции шейки центрального вала;
- момент
инерции центрального вала;
Определение
момента инерции вала "Кюстерс".
- масса
корпуса вала "Кюстерс";
- масса приводной цапфы вала "Кюстерс";
- внешний диаметр корпуса вала "Кюстерс";
- внутренний диаметр корпуса вала
"Кюстерс";
- диаметр приводной цапфы вала "Кюстерс";
- момент инерции корпуса вала "Кюстерс";
- момент
инерции шейки вала "Кюстерс";
- момент
инерции вала "Кюстерс";
.1.5
Расчет угловых скоростей валов
,где
-
линейная скорость секции машины м/мин;
-
внешний диаметр корпуса вала м;
Расчет
угловой скорости сукноведущего вала.
,где
-
линейная скорость прессовой части машины;
-
внешний диаметр корпуса сукноведущего вала;
Расчет
угловой скорости пересасывающего вала.
,где
-
линейная скорость прессовой части машины;
-
внешний диаметр корпуса пересасывающего вала;
Расчет
угловой скорости отсасывающего вала.
,где
-
линейная скорость прессовой части машины;
-
внешний диаметр корпуса отсасывающего вала;
Расчет
угловой скорости вала "Вента-Нип".
,где
-
линейная скорость прессовой части машины;
-
внешний диаметр корпуса вала "Вента-Нип";
Расчет
угловой скорости центрального вала.
,где
-
линейная скорость прессовой части машины;
-
внешний диаметр корпуса центрального вала;
Расчет
угловой скорости вала "Кюстерс".
,где
-
линейная скорость прессовой части машины;
-
внешний диаметр корпуса вала "Кюстерс";
.1.6
Расчет угловых скоростей двигателей
,где
-
линейная скорость секции машины м/мин;
- внешний диаметр корпуса вала м;
- передаточное отношение редуктора;
Расчет
угловой скорости для двигателя 1-ой приводной точки.
,где
-
линейная скорость прессовой части машины;
-
внешний диаметр корпуса пересасывающего вала;
-
передаточное отношение редуктора;
Расчет
угловой скорости для двигателя 2-ой приводной точки.
,где
-
линейная скорость прессовой части машины;
-
внешний диаметр корпуса отсасывающего вала;
-
передаточное отношение редуктора;
Расчет
угловой скорости для двигателя 3-ей приводной точки.
,где
-
линейная скорость прессовой части машины;
-
внешний диаметр корпуса центрального вала;
-
передаточное отношение редуктора;
.1.7
Расчёт приведённых моментов инерции
Из
необходимости равенства кинетических энергий исходной механической системы и
приведённой механической системы следует:
где,
момент инерции i-го элемента кинематической схемы
относительно собственной оси,
;
угловая скорость двигателя,
;
угловая скорость вала,
;
далее
упростим выражение и получим окончательную формулу для расчета приведённых
моментов инерции механической системы.
Определение
приведенного момента инерции для двигателя 1-й приводной точки.
Определение
приведенного момента инерции для двигателя 2-й приводной точки.
Определение
приведенного момента инерции для двигателя 3-й приводной точки.
.1.8 Расчёт динамической мощности для разгона валов
- момент
инерции относительно собственной оси вала
;
-
угловая скорость вала
;
- время
разгона бумагоделательной машины;
Расчёт
динамической мощности для разгона сукноведущего вала.
- момент
инерции относительно собственной оси сукноведущего вала;
- угловая скорость вала;
Расчёт
динамической мощности для разгона пересасывающего вала.
- момент
инерции относительно собственной оси пересасывающего вала;
- угловая скорость пересасывающего вала;
Расчёт
динамической мощности для разгона отсасывающего вала.
- момент
инерции относительно собственной оси отсасывающего вала;
- угловая скорость отсасывающего вала;
Расчёт
динамической мощности для разгона вала "Вента-Нип".
- момент
инерции относительно собственной оси вала "Вента-Нип";
- угловая скорость вала "Вента-Нип";
Расчёт
динамической мощности для разгона центрального вала.
- момент
инерции относительно собственной оси центрального вала;
- угловая скорость центрального вала;
Расчёт
динамической мощности для разгона вала "Кюстерс".
- момент
инерции относительно собственной оси вала "Кюстерс";
- угловая скорость вала "Кюстерс";
Расчёт динамической мощности для двигателя пересасывающего
вала.
Расчёт
динамической мощности для двигателя отсасывающего вала.
Расчёт
динамической мощности для двигателя центрального вала.
3.1.9 Расчет полной мощности двигателей
Расчёт полной мощности для двигателя пересасывающего вала.
Расчёт полной мощности для двигателя отсасывающего вала.
Расчёт полной мощности для двигателя центрального вала.
.1.10 Определение моментов сопротивления электродвигателей
,где
-
тяговое усилие для двигателя вала кгс;
-
диаметр вала м;
-
коэффициент редукции;
Определение
момента сопротивления для электродвигателя 1-ой приводной точки.
,где
-
тяговое усилие для двигателя пересасывающего вала;
- диаметр пересасывающего вала;
- коэффициент редукции;
Определение
момента сопротивления для электродвигателя 2-ой приводной точки.
,где
-
тяговое усилие для двигателя отсасывающего вала;
- диаметр
отсасывающего вала;
- коэффициент редукции;
Определение
момента сопротивления для электродвигателя 3-ей приводной точки.
,где
-
тяговое усилие для двигателя отсасывающего вала;
-
диаметр центрального вала;
- коэффициент редукции;
.2 Выбор двигателей
Исходя из расчета мощности для двигателей прессовой части БДМ, выбираем: для 1-ой приводной точки двигатель переменного тока
общепромышленного назначения 5АМ250М6.
Таблица №7
|
Название параметра
двигателя
|
Параметры двигателя
|
|
Тип двигателя
|
5АМ250М6
|
|
Номинальное напряжение
питания (Uн)
|
380 В
|
|
Номинальная мощность (Pн)
|
55 кВт
|
|
Номинальная частота
вращения (nн)
|
1476 об/мин
|
|
Номинальный ток статора (Iн)
|
104 А
|
|
Номинальный момент (Mн)
|
356 Н∙м
|
|
КПД (η)
|
93 %
|
|
Mп/Mн
|
2,2
|
|
Mmax/Mн
|
2,5
|
|
0,86
|
|
|
Iп/Iн
|
6,5
|
|
Момент инерции (Jдв)
|
0,5 кг∙м2
|
|
Количество пар полюсов (p0)
|
2
|
|
Степень защиты (IP)
|
IP54
|
Для 2-ой и 3-ей приводных точек мы оставляем старые двигатели постоянного
тока PXOMf126a, так как они полностью удовлетворяют нашим условиям.
Таблица №8
|
Название параметра
двигателя
|
Параметры двигателя
|
|
Тип двигателя
|
PXOMf126a
|
|
Номинальное напряжение
питания (Uн)
|
440 В
|
|
Номинальная мощность (Pн)
|
248 кВт
|
|
Номинальная частота
вращения (nн)
|
1307 об/мин
|
|
КПД
|
91,3 %
|
|
Номинальный ток якоря (Iн)
|
611 А
|
|
Номинальный момент (Mн)
|
1833 Н∙м
|
|
Iп/Iн
|
2
|
|
Mmax/Mн
|
1,8
|
|
Ток возбуждения (Iв)
|
8,6 А
|
|
Напряжение возбуждения (Uв)
|
220 В
|
|
Активное сопротивление
якорной цепи при (Rа)0,04 Ом
|
|
|
Индуктивное сопротивление
якорной цепи (Lа)
|
1,43 мГн
|
|
Момент инерции (Jдв)
|
3,8 кг∙м2
|
3.3 Выбор датчика скорости
Для двигателей выбираем датчики скорости марки Siemens. Параметры датчика скорости приведены в таблице ниже:
Таблица №9
|
Название параметра датчика
скорости
|
Параметры датчика скорости
|
|
Тип энкодера
|
6SL3055-0AA00-5CA2
|
|
Кол-во импульсов на 1
оборот (имп/об)
|
4000
|
|
Напряжение питания (B, +)
|
20.4-28.8
|
|
Потребляемый ток (мА, 5 В /
24 В)
|
30 / 40
|
|
Выходной интерфейс
|
0.20 мА
|
|
Устойчивость к вибрации и
ударам
|
100g
|
|
Нагрузка на вал (H,
радиальная / осевая):
|
радиальн. 10N, аксиальн. 5N
|
|
Рабочая температура (°С)
|
от -10 до +60С
|
|
Степень защиты (IP)
|
IP20
|
Считаем датчик безинерционным, так как велико количество импульсов на
один оборот.
3.4 Выбор
тиристорнго преобразователя
Основные критерии выбора преобразователя:
1. мощность преобразователя должна быть больше или равна мощности
потребляемой электромашиной.
2. максимальное выходное напряжение преобразователя равно или больше на
10% напряжения питания электромашины.
3. максимальный выходной ток больше номинального тока электромашины.
Учесть режимы работы электромашины при перегрузке.
. наличие встроенного цифрового контура тока.
. наличие ПИ - регулятора, для формирования контура скорости.
. наличие входа для датчика скорости.
. наличие аналогового входа для задания значения тока или скорости.
. наличие цифровых программируемых входов и выходов для обмена данными
между преобразователем и управляющим контроллером.
Выбираем преобразователи переменного напряжения в постоянное, серии SIEMENS AG SIMOREG DC MASTER.
Параметры тиристорного преобразователя указаны в таблице:
Таблица №10
|
Название параметра тиристорного преобразователя
|
Параметры тиристорного
преобразователя
|
|
Тип преобразователя
|
6RA70
|
|
Номинальное напряжение,
|
460 В
|
|
Выходное напряжение цепи
якоря
|
3АС 460 В (+15%/-20%)
|
|
Выходное напряжение цепи возбуждения
|
460 В
|
|
Номинальный выходной ток
|
850 А
|
|
Максимальный. ток (при
перегрузке)
|
1200 А
|
|
Ток возбуждения
|
30 А
|
|
Частота питающего
напряжения
|
50/60 Гц
|
Описание встроенных контуров регулирования.
Тиристорные преобразователи серии Simoreg имеют встроенные контура регулирования:
контур тока якорной цепи.
контур скорости.
Контур тока якорной цепи является цифровым и самонастраивающимся.
Регулятор пропорционально - интегральный. Контур
скорости является цифровым. Есть возможность как самонастройки, так и ручной
настройки. Регулятор имеет как пропорциональную и интегральную составляющие при
необходимости можно отключить одну из составляющих.
3.5 Выбор
частотного преобразователя
Для двигателя пересасывающего вала выбираем преобразователь частоты
"ABB" мощностью 55 кВт.
Параметры частотного преобразователя указаны в таблице:
Таблица №11
|
Название параметра частотного преобразователя
|
Параметры частотного
преобразователя
|
|
Тип преобразователя
|
ACS800-01-0060-3
|
|
Напряжение питания, (Uc)
|
380-440 В
|
|
Выходное напряжение, (Uн)
|
от 0 до Uc В
|
|
Номинальный выходной ток (Iн)
|
138 А
|
|
Базовый ток нагрузки, (Iб)
|
103 А
|
|
Ток перегрузки Iмакс1 (длительность
цикла не менее 300с) Iмакс2
|
1,38* Iн для 60с 1,6* Iн
для 30 с
|
|
Номинальный входной ток (Iс,)
|
94 А
|
|
Частота питающего
напряжения, (fc)
|
50/60 Гц
|
|
Коэффициент мощности, ( )от -0.8 до 0,8
|
|
|
КПД, (η)
|
96%
|
|
Степень защиты (IP)
|
IP21
|
4. Система автоматического управления
.1 Расчет регуляторов для первой приводной точки
Расчет регуляторов для системы векторного управления производится по
упрощенным однолинейным контурам потокосцепления и скорости с внутренними
контурами тока.
Для расчета регуляторов САР требуются значения структурной схемы
асинхронного двигателя. В таблице №12 приведена сводная информация, полученная
из каталога двигателей.
Таблица №12
|
Наименование параметра
|
Значение параметра
|
55 кВт
|
|
Ток номинальный, Iном
|
104 А
|
|
Количество пар полюсов, pп
|
2
|
|
Активное сопротивление
статора, Rs
|
0,05589 Ом
|
|
Активное сопротивление ротора,
Rr
|
0,03044 Ом
|
|
Взаимная индуктивность, Lm
|
0,02824 Гн
|
|
Индуктивность обмотки статора, Ls
|
0,02881 Гн
|
|
Индуктивность обмотки ротора, Lr
|
0,02915 Гн
|
σ - коэффициент
рассеяния двигателя,
Найдем
постоянные времени обмоток статора и ротора:
-
эквивалентная постоянная времени
контура регулирования.
Проводить синтез регуляторов будем по структурной схеме динамической
модели системы векторного управления асинхронным электроприводом представленной
на рис.5.
Рис.5. Структурная схема модели системы векторного управления в осях (α
- β)
4.1.1 Настройка канала регулирования потокосцепления
Воспользуемся структурной схемой упрощенного канала регулирования
потокосцепления ротора двигателя.
Рис. 6. Структура канала регулирования потокосцепления ротора
асинхронного двигателя с двумя ПИ-регуляторами
Предварительный расчет параметров регуляторов может быть выполнен по
приближенным формулам для регулятора составляющей тока статора тока is1
РТ1:
Расчетные
настройки ПИ-регулятора РΨ
имеют вид:
.1.2 Настройка канала регулирования скорости
Рис.7 Двухконтурная схема канала регулирования частоты вращения ротора
двигателя с ПИ-регулятором скорости
Расчетные настройки ПИД-регулятора РТ2 имеют вид:
Коэффициент усиления регулятора скорости РС для структурной схемы канала
регулирования скорости можно определить по формуле:
где
JΣ
- суммарный момент инерции ротора
двигателя и подвижной части механизма.
4.2 Расчет регуляторов для второй и третьей приводных точек
4.2.1 Расчет и настройка контура тока
Так как для 2-ой и 3-ей приводных точек пресса выбраны два одинаковых
электродвигателя, то настройку контура тока будем производить для одного
электродвигателя, считая, что все расчеты и результаты справедливы и для
второго.
Рис.8. Структурная схема контура тока.
В
контур тока рассматриваемой системы входят регулятор, тиристорный преобразователь,
якорная цепь двигателя и датчик тока. Задание, подаваемое на регулятор, примем
равным 10(В)
В.
В структурной схеме тиристорный преобразователь представлен
апериодическим звеном 1-го порядка с передаточной функцией:
где,
-
среднее значение ЭДС преобразователя при угле управления равном нулю (
=440 В).
Постоянная
времени
где
-
постоянная времени, учитывающая запаздывание в силовой цепи тиристорного
преобразователя(
=3,3мс).
Передаточная
функция тиристорного преобразователя примет вид:
Модель
датчика тока представим усилительным звеном с передаточной функцией:
где
-
перегрузочная способность двигателя по току (
=1,7).
Тогда
получаем передаточную функцию датчика тока:
В
структурной схеме якорная цепь ДПТ представляем апериодическим звеном с
передаточной функцией:
Поскольку
быстродействие контура тока высокое, это дает возможность пренебречь отрицательной
обратной связью (ОС) по ЭДС и рассматривать динамику контура тока не зависимо
от динамики контура ЭДС.
Где
-
активное сопротивление якорной цепи при 1150С (
=0,04 Ом).
Постоянная
времени якорной цепи определяется по формуле:
где,
-
индуктивность якорной цепи (
=1,43
мГн).
Передаточная
функция якорной цепи двигателя примет вид:
Рассчитаем параметры регулятора контура тока при условии, что контур
будем настраивать на модульный оптимум.
Передаточная функция разомкнутого контура, настроенного на модульный
оптимум имеет вид:
Используем ПИ-регулятор, который имеет передаточную функцию
;
где,
Тогда
передаточная функция регулятора имеет вид:
Представим
передаточную функцию в виде:
где,
.
Окончательно
передаточная функция регулятора тока примет вид:
Передаточная
функция замкнутого контура тока имеет вид:
;
При
подстановке переменных и её упрощении мы получим следующее выражение:
Что
бы упростить дальнейшие вычисления, пренебрегают значительно малыми в сравнении
с
значениями
. В итоге
получается апериодическое звено:
Подставим
значения и получим:
Рис.9. Переходные характеристики реального (1) и упрощенного контура
токов (2).
На рис.9 представлены два переходных процесса: переходный процесс
реального контура тока и переходный процесс упрощенного контура тока.
Как видим, динамика процессов практически одинакова. У переходного
процесса упрощенного контура тока нет только перерегулирования, а в основном он
повторяет переходный процесс реального контура тока, следовательно, мы можем
использовать упрощенную передаточную функцию контура тока, в дальнейших
расчетах.
.2.2 Расчёт параметров структурной схемы контура скорости для второй
приводной точки
Рис.10. Структурная схема контура скорости.
На приведённой структурной схеме приняты следующие обозначения:
Uзад - напряжение задания контура скорости;рс -
передаточная функция регулятора контура скорости;
KМ, KЕ - постоянные двигателя;мех - передаточная функция
механической части электропривода наката;дс - передаточная функция
датчика скорости;
Мс - момент сопротивления механизма;
ω - угловая скорость двигателя.
Контур регулирования скорости привода, в отличии от контура тока,
настраивается на СО, т.к. точка приложения возмущения по моменту находится
перед интегрирующим звеном, а это при настройке на МО приводит к появлению
статической ошибки, что недопустимо по условию технического задания.
Определим
значение
:
где,
В
системе СИ
Модель датчика скорости представим усилительным звеном с передаточной
функцией:
где
Тогда
получаем передаточную функцию датчика скорости:
Найдём передаточную функцию механической части для электродвигателя 2-ой
приводной точки.мех2 представляет собой интегрирующее звено.
где,
JΣ2 - суммарный момент инерции ротора двигателя и подвижной части
механизма для второй приводной точки.
Тогда передаточная функция механической части будет иметь вид;
Определим параметры ПИ- регулятора:
Найдём
Подставим
значения и получим:
.2.3 Расчёт параметров структурной схемы контура скорости для третьей
приводной точки
Найдём передаточную функцию механической части для электродвигателя 3-ей
приводной точки.мех3 представляет собой интегрирующее звено.
где,
JΣ3 - суммарный момент инерции ротора двигателя и подвижной части
механизма для третьей приводной точки.
Тогда передаточная функция механической части будет иметь вид;
Определим параметры ПИ- регулятора:
Найдём
Подставим
значения и получим:
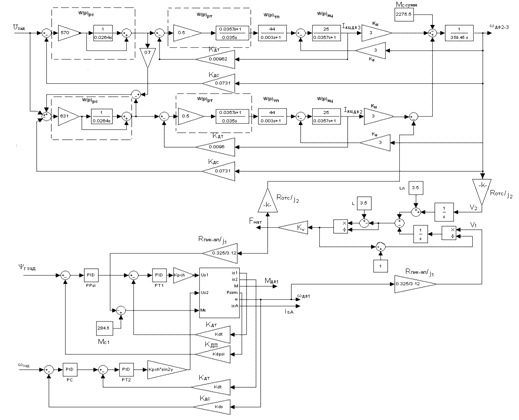
5. Структурная схема электропривода прессовой части
Рис.11 Структурная схема электропривода прессовой части.
В данной схеме Кдт1, Кдт2 ,Кдт3 это
коэффициенты передачи датчиков тока для двигателей1-ой, 2-ой и 3-ей приводных
точек соответственно.
Мссумм - это суммарный статический момент сопротивления
приложенный к двигателям 2-ой и 3-ей приводных точек. Кп - это коэффициент
перераспределения нагрузки между двигателями 2-ой и 3-ей приводных точек. Кv - коэффициент преобразующий модуль
упругости в силу натяжения.Ln = L - длинна натянутого сукна между
двигателями 1-ой и 2-ой приводных точек.
Рис.12 Расчетная схема электропривода прессовой части.
На рис.11 представлена структурная схема электропривода прессовой части
для привода пересасывающего, центрального и отсасывающего валов, между которыми
происходит распределение нагрузки. Для реализации структурной схемы необходимы
параметры контуров тока и контуров скорости для двигателей отсасывающего и
центрального валов, контур регулирования скорости и потока для асинхронного
двигателя вала пик-ап, а также модель двигателя в координатах a-b , которые рассчитали ранее. Также необходимы параметры
валов, редукторов, моментов сопротивления и скорости бумагоделательной машины.
Рис.13. График переходного процесса линейной скорости при разгоне
прессовой части.
Рис.14 Графики подачи моментов возмущения для 1-ой (1), 2-ой и 3-ей (2)
приводных точек.
Рис.15 График переходного процесса силы натяжения сукна.
Рис.16 Графики моментов двигателей 1-ой (1), 2-ой (2) и 3-ей (3)
приводных точек при разгоне прессовой части.
Рис.17 График силы натяжения сукна при подаче возмущающего момента 30% от
номинального (Mв=1100 Н•м для 2-ой и 3-ой приводных точек, Mв=107 Н•м для 1-ой приводной точки).
Рис.18 График линейной скорости для двигателя первой приводной точки при
подаче возмущающего момента 30% от номинального.
Рис.19 График линейной скорости для двигателей 2-ой и 3-ей приводных
точек при подаче возмущающего момента 30% от номинального.
При подаче возмущающего момента для двигателей 2-ой и 3-ей приводных
точек, равняющегося 30% от суммы номинальных моментов двигателей центрального и
отсасывающего валов, линейная скорость уменьшилась на 0,0042 м/с, что равняется
0,036% от заданной скорости для привода. При подаче возмущающего момента для
двигателя пересасывающего вала линейная скорость на валу отклонилась на 0,0002
м/с. Что составляет 0,0018% от заданной скорости. Сила натяжения уменьшилась на
0,245 Н, т.е. на 7% от заданного натяжения сукна. Возмущение подавалось только
в установившемся режиме работы прессовой части, так как во время разгона БДМ
бумажное полотно на пресс не поступает. Даже при возмущениях между двигателями
2-ой и 3-ей приводных точек происходит перераспределение моментов, что повышает
качество выпускаемой продукции при незначительных колебаниях параметров
механизма и окружающей среды. Задание на скорость выбиралось, исходя из
технического задания на модернизацию, и подходит в пределы предлагаемых
значений ускорений для разгона.
6. Алгоритм управления
6.1 Словесный алгоритм
Рис. 20 граф состояний системы управления прессом.
Согласно техническому заданию работа прессовой части БДМ №1 может
протекать в трех режимах:
.Режим рабочей скорости.
.Режим вспомогательной скорости.
. Толчковый режим.
Переход между режимами осуществляется с помощью трех кнопок с соответствующими
названиями на панели управления. Переход возможен только после нажатия кнопки
"стоп". Не допускается работа одновременно в двух и более режимах.
До выполнения действий, индивидуальных для каждого из режимов, следует
определить, не поступают ли сигналы блокировок и не сработала ли какая либо из
защит. После этого нужно выполнить следующие действия:
В режиме рабочей скорости после нажатия кнопки "KN_PODGOTOVKA" в течение 10 секунд звучит
сигнал сирены. По истечению этого времени схема управления приходит в состояние
готовности к пуску и сохраняет его в течении 15 секунд, после чего возвращается
в исходное положение. Если за эти 15 секунд подан сигнал запуска (кнопка "KN_RAB"), установка выходит на рабочую скорость.
В режиме вспомогательной скорости запуск происходит без включения сирены.
Направление вращения может быть только прямым. В толчковом режиме запуск также
происходит без включения сирены. Направление вращения - только прямое. Секция
выходит на вспомогательную скорость только при нажатой кнопке "KN_TOLKNUT", при отпущенной кнопке "KN_TOLKNUT" секция останавливается.Остановка двигателя
может осуществляться кнопкой "STOP" на панели управления, произойти из-за срабатывания защиты или при
поступлении сигнала блокировок.
.2 Алгоритм управления представленный формулами логики
Чтобы записать формулы логики для данного алгоритма, опишем логические
переменные.
Входные переменные:
KN_RAB - "Истина", если кнопка
"Режим рабочей скорости" нажата, иначе - "ложь";
KN_VSPOM - "Истина", если кнопка
"Режим вспомогательной скорости" нажата, иначе - "ложь";
KN_TOL - "Истина", если кнопка
"Толчковый режим" нажата, иначе - "ложь";
KN_PODGOTOVKA - "Истина", если кнопка
"Готовность к пуску" нажата, иначе - "ложь";
KN_STOP - "Истина", если кнопка
"Стоп" отпущена, иначе - "ложь";
KN_TOLKNUT -"Истина", если кнопка
"Толкнуть" нажата, иначе - "ложь".
Промежуточные переменные:
RAB -
"Истина", если прессовая часть работает в "режиме рабочей
скорости", иначе "ложь";
VSPOM
- "Истина", если прессовая часть работает в "режиме
вспомогательной скорости", иначе "ложь" ;
TOL -
"Истина", если прессовая часть работает в "толчковом
режиме", иначе "ложь";
PODGOTOVKA - "Истина", если прессовая часть находится в состоянии
подготовки иначе "ложь";
GOTOV
- "Истина", если прессовая часть находится в состоянии готовности
(ожидается нажатие кнопки "KN_RAB "), иначе "ложь";
AVARIA
- "Истина", если ток статора фазы двигателя больше Iуст = 2In и выдержка 30с закончилась, иначе
"ложь".
Выходные переменные:
V_RAB - "Истина", если прессовая
часть запущена в режиме рабочей скорости, иначе "ложь";
V_VSPOM - "Истина", если прессовая
часть запущена в режиме вспомогательной скорости, иначе "ложь" ;
V_TOL - "Истина", если прессовая
часть переведена в толчковый режим и нажата кнопка "KN_TOLKNUT", иначе "ложь";
PEREGRUZKA - "Истина", если ток статора фазы двигателя больше Iуст = 2In, иначе "ложь";
SIRENA
- "Истина", если звучит сирена, иначе "ложь";
PUSK -
"Истина", система не находится в состоянии аварии и находится в одном
из режимов: рабочей скорости, вспомогательной скорости или
"толчковом", иначе "ложь".
Дополнительно объявим таймеры с задержкой на включение с уставкой 10 с (TIMER10) и уставкой 30 с (TIMER30) и таймер с задержкой на
выключение с уcтавкой 15 с (TIMER15).

.3
Программа на языке LAD
Рис.20
Операции программы упрвления для контроллера на языке LAD реализованной в
программном обеспечении CoDeSys.
6.4 Выбор промышленного контроллера
Для реализации созданной программы управления, перераспределения моментов
приводов ,а также поддержания разности скоростей необходимо использование
промышленного контроллера. Это позволит полностью автоматизировать процесс.
Использование промышленного контроллера фирмы Siemens Simatic S7-300, позволит максимально эффективно управлять
технологическим процессом.imatic
S7-300 - это модульный программируемый контроллер, предназначенный для
построения систем автоматизации низкой и средней степени сложности.
Эффективному применению контроллера способствует возможность
использования нескольких типов центральных процессоров различной
производительности, наличие широкой гаммы модулей ввода-вывода дискретных и
аналоговых сигналов, функциональных модулей и коммуникационных процессоров.
Контроллеры Simatic S7-300
имеют модульную конструкцию и включают в свой состав:
- Модуль центрального процессора (CPU). В зависимости от степени
сложности решаемой задачи в контроллерах могут быть использованы различные типы
центральных процессоров, отличающихся производительностью, объемом памяти,
наличием или отсутствием встроенных входов-выходов.
Модуль блока питания (PS), обеспечивающие возможность питания контроллера
от сети переменного тока напряжением 120/230В или от источника постоянного тока
напряжением 24/48/60/110В.
Сигнальные модули (SM), предназначенные для ввода-вывода дискретных и
аналоговых сигналов с различными электрическими и временными параметрами.
Коммуникационные процессоры (CP) для подключения к сетям PROFIBUS,
Industrial Ethernet, AS-Interface или организации связи по PtP (point to point)
интерфейсу.
Функциональные модули (FM), способные самостоятельно решать задачи
автоматического регулирования, позиционирования, обработки сигналов.
Интерфейсные модули (IM), обеспечивающие возможность подключения к
базовому блоку (стойка с CPU) стоек расширения ввода-вывода. Контроллеры
SIMATIC S7-300 позволяют использовать в своем составе до 32 сигнальных и
функциональных модулей, а также коммуникационных процессоров, распределенных по
4 монтажным стойкам. Все модули работают с естественным охлаждением.
Таблица №13
|
Блок питания вход 230 В,
выход 24 В / 5 А
|
PS 307 5A
|
|
Центральный процессор
|
317 - 2DP
|
|
Коммуникационный процессор
для подкл. к ETHERNET
|
CP 343 - 1
|
|
Цифровой ввод с развязкой
потенциалов 40 - полюсный 24 В
|
SM 321
|
|
Цифровой вывод с развязкой
потенциалов 40 - полюсный 24 В/5A
|
SM 322
|
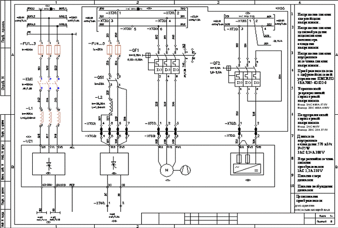
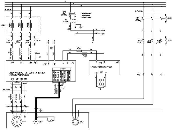
7. Принципиальная схема электропривода прессовой части
Рис. 21 Принципиальная схема отсасывающего и центрального валов.
Рис. 22 Принципиальная схема пересасывающего вала.
Спецификация оборудования
|
Обознач.
|
Наименование
|
Кол-во
|
|
М1
|
Асинхронный двигатель
5АM250М6
|
1
|
|
Uном=380В, Рном=55кВт,
Iном=104А,
|
|
|
n=1476об/мин
|
|
|
М2, М3
|
ДПТ PXOMf 126a
|
2
|
|
Uном=440В, Рном=248кВт,
Iном=850А,
|
|
|
n=1307об/мин
|
|
|
Эн1,Эн2,Эн3
|
Энкодер Siemens 6SL3055-0AA00-5CA2 (4000 имп/об, HTL)
|
3
|
|
QF1
|
Автоматический выключатель
Compact
|
1
|
|
NSX160N, Micrologic 2.2 Iном=160А,
|
|
|
Iрасц=130А
|
|
|
QF2, QF3
|
Автоматический выключатель
Compact NSX 650N
|
2
|
|
Iном=650А, Iрасц=490А
|
|
|
SF1
|
Автоматический выключатель
Multi9
|
1
|
|
NG125H хар. "C",
Iном=10А
|
|
|
LR1
|
Сетевой дроссель U~400В, 50
Гц, Iном=130А
|
1
|
|
LR2, LR3
|
Сетевой дроссель U~400В, 50
Гц, Iном=650А
|
2
|
|
КМ1
|
Контактор электромагнитный
типа
|
1
|
|
LC1-D115M7 Iном=95-115А,
Pном=55кВт
|
|
|
КМ2, KM3
|
Контактор электромагнитный
типа
|
2
|
|
LC1-D315S7 Iном=600-650А,
Pном=250кВт
|
|
|
UZ1
|
Преобразователь ABB ACS800-01-0060-3
|
1
|
|
Pном = 55кВт, Iном = 138 А
|
|
|
UZ2, UZ3
|
Преобразователь SIEMENS AG SIMOREG DC MASTER 6RA70 U~400В,
Pном = 250кВт, Iном = 850 А
|
2
|
|
KL2,KL3,KL4
|
Реле
R4-2012-23-5220, 2C/O
|
3
|
|
ПС1
|
Пост сигнальный
ПС-1У2
|
1
|
|
ПС2
|
Пост сигнальный
ПС-1У2,
|
1
|
|
SQ1
|
Концевой
выключатель XCKD2145P16,
|
1
|
|
1к н.о., 1к
н.з.
|
|
|
Обозначение
|
Наименование
|
Кол - во
|
|
U1
|
Блок питания SIMANTIC S7-300 PS 307 5A
|
1
|
|
вход 230 В, выход 24 В / 5
А
|
|
|
U2
|
ЦПУ SIMANTIC S7-300 317 - 2DP
|
1
|
|
U3
|
Коммуникационный процессор SIMANTIC
|
1
|
|
|
U4
|
Цифровой ввод SIMANTIC S7-300 SM 321
|
1
|
|
с развязкой потенциалов 40
- полюсный 24 В
|
|
|
U5
|
Цифровой вывод SIMANTIC S7-300 SM 322
|
1
|
|
с развязкой потенциалов 40
- полюсный 24В/5А
|
|
|
SB1
|
Кнопка черная:
"Подготовка"
|
1
|
|
Толкатель
кнопки 8LP2TB102
|
|
|
Вспомогательный
контакт 8LM2TC10 (н.о.)
|
|
|
SB2
|
Кнопка черная:
"Раб.Ск."
|
1
|
|
Толкатель
кнопки 8LP2TB102
|
|
|
Вспомогательный
контакт 8LM2TC10 (н.о.)
|
|
|
SB3
|
Кнопка красная:
"Стоп"
|
1
|
|
Толкатель
кнопки 8LP2TB104
|
|
|
Вспомогательный
контакт 8LM2TC01 (н.з.)
|
|
|
SB4
|
Кнопка красная:
"Толчек"
|
1
|
|
Толкатель
грибовидный кнопки 8LP2TB6144
|
|
|
Вспомогательный
контакт 8LM2TC01 (н.о.)
|
|
|
SB5
|
Кнопка черная:
"Толкнуть"
|
1
|
|
Толкатель
кнопки 8LP2TB102
|
|
|
Вспомогательный
контакт 8LM2TC10 (н.о.)
|
|
|
SB6
|
Кнопка черная:
"Всп.Ск."
|
1
|
|
Толкатель
кнопки 8LP2TB102
|
|
|
Вспомогательный
контакт 8LM2TC10 (н.о.)
|
|
|
HL1
|
Сигнальная
лампа со встроенным
|
1
|
|
светодиодом:
"Старт"
|
|
|
СКЛ14.А-З-2-220,
"З"
|
|
|
HL2
|
Сигнальная
лампа со встроенным
|
1
|
|
светодиодом:
"Питание"
|
|
|
СКЛ14.А-З-2-220,
"З"
|
|
8. Безопасность объекта
.1 Производственная безопасность
Современная целлюлозно-бумажная промышленность представляет собой сложный
комплекс разнообразных инженерных сооружений и агрегатов, работающих непрерывно
и автоматически. Отделочные машины могут причинить вред здоровью человека.
Существует много факторов, которые влияют на человеческий организм, например:
шумы, вибрация, статическое электричество, а так же травмы, связанные с
электричеством.
В данном разделе дипломного проекта рассматривается безопасность работы
персонала на предприятии ООО "Сухонский ЦБК" в цехе бумагоделательной
машины №1 производства флютинга.
8.1.1 Оценка безопасности при наличии шума
Шумы, создаваемые агрегатами, воздействуют на человека. Они вызывают
раздражение, ослабляют внимание, вызывают утомление, тем самым, снижая
производительность и эффективность труда.
Основными источниками шума в прессовой части являются валы и подвижные
механические узлы. Согласно ГОСТ 12.1.003 и
"Санитарных правил допустимых уровней шума на рабочих местах" ПДУ
шума в зоне прессовой части БДМ прописаны в
таблице 14.
Таблица 14 Предельно допустимые уровни звукового давления, уровни
звука и эквивалентные уровни звука.
|
Уровни
звукового давления, дБ в октавных полосах со среднегеометрическими частотами,
Гц
|
Уровни звука
и эквивалентные уровни звука, дБА
|
|
Гц
|
31,5
|
65
|
121
|
190
|
500
|
1110
|
2000
|
3800
|
700
|
|
|
дБ
|
107
|
95
|
85
|
89
|
78
|
75
|
73
|
71
|
69
|
85
|
Фактический уровень производственного шума составляет 100 дБА, что
является недопустимым.
Поэтому обслуживающий персонал должен находиться в звукоизоляционных
кабинах (пультах). Для технологического и технического обслуживания в зоне
прессовой части персоналом должен использовать средства индивидуальной защиты
(СИЗ) - наушники, беруши позволяющие снизить ощущение громкости шума на
различных частотах от 17 до 31 дБ.
8.1.2 Оценка безопасности воздействия механических нагрузок
Прессовая часть БДМ №1 не имеет ограждений рабочей зоны,
поэтому персоналом должны быть соблюдены следующие правила:
) к работе на станке допускается только персонал, прошедший
специальное обучение, а также инструктаж по технике безопасности;
) запрещается прикасаться к подвижным частям станка во время
его работы;
) запрещается находиться в цехе без защитной каски;
) запрещается эксплуатировать станок в режимах, не
предусмотренных данным проектом.
Тяжесть труда - характеристика трудового процесса, отражающая
преимущественную нагрузку на опорно-двигательный аппарат и функциональные
системы (сердечно-сосудистую, дыхательную и др.), обеспечивающие его
деятельность.
Напряженность труда - характеристика трудового процесса,
отражающая преимущественную нагрузку на центральную нервную систему.
По классу условий труда и степени вредности и опасности:
· тяжесть труда - 2;
· напряженность труда - 3.1.
8.1.3 Оценка безопасности при наличии вибрации
Большинство работающих машин как прессовая часть БДМ, имеющих вращающиеся
части создают вибрацию, которая может передаваться обслуживающему персоналу. Вибрация обусловлена невозможностью реализовать идеальную
центровку электродвигателей с приводными валами, наличием люфтов в редукторах. Вибрация
влияет на условия труда и может стать источником многих болезней. Для борьбы с
вибрацией используется автоматическое и дистанционное управление. оборудованием и технологическим процессом (удаленное
управление процессом). Для обслуживающего персонала, проводящего плановые
обходы оборудования, предусмотрены такие меры защиты как виброгасящие крепления
оборудования (резиновые подвесы и т.д.). Максимальное значение вибрации не
должно превышать санитарные нормы по виброускорению и по виброскорости согласно
ГОСТ 12.1.012-90 "Система стандартов безопасности труда. Вибрационная
безопасность. Общие требования".
Таблица 15 Предельно допустимые значения вибрации рабочих мест категории 3
-технологической типа "а".
|
эквивалентные
корректированные значения и их уровни
|
виброускорения
|
виброскорости
|
|
м/с2
|
дБ
|
м/с∙10-2
|
дБ
|
|
0,1
|
110
|
0,2
|
91
|
По ПДК, ПДУ общая вибрация в зоне прессовой части должна составлять не
более 100 дБ. Фактический уровень вибрации составляет 76 дБ, что является
допустимым.
.1.4 Оценка безопасности при наличии вредных веществ
В соответствии с ГОСТ 12.1.007 на производстве мешочных бумаг
используются вредные вещества:
-го класса - умеренно опасные и 4-го класса - малоопасные.
На предприятии поддерживается в рабочем состоянии перечень всех
химических веществ, применяющихся в процессе производства. На все химические
вещества имеются паспорта безопасности на русском языке.
При работе с химическими веществами руководствуются инструкцией по
обеспечению безопасности при использовании химических веществ.
Согласно "Общего методического требования к организации
и проведению контроля содержания вредных веществ в воздухе рабочей зоны",
регламентируют порядок осуществления контроля за содержанием вредных химических
веществ и аэрозолей преимущественно фиброгенного действия в воздухе рабочей
зоны: выбору мест (точек) отбора, продолжительности, периодичности, оценке
результатов измерения в целях получения сопоставимых данных по загрязнению
воздуха рабочей зоны.
Контроль содержания вредных веществ в воздухе рабочей зоны
проводится при сравнении измеренных среднесменных и максимальных концентраций с
их предельно допустимыми значениями - максимально разовыми (ПДК
) и среднесменными (ПДК
) нормативами.
В таблице 15 приведен фактический уровень концентрации
бумажной пыли в воздухе в цехе БДМ №1.
Таблица 16
|
Наименование
производственного фактора, ед. измер.
|
ПДК, ПДУ
|
Фактический уровень
производственного фактора
|
|
Пыль бумажная, мг/м3
|
5,9
|
2,2
|
Из таблицы видно, что уровень концентрации не превышает
предельно допустимой.
8.1.5 Оценка безопасности освещения
Недостаточное освещение не только затрудняет работу и ведет к снижению
производительности труда, но и может оказаться причиной несчастных случаев и
профзаболеваний глаз.
Основной целью нормирования осветительных установок является обеспечение
надлежащего уровня видимости при допустимом с народнохозяйственной точки зрения
расходе э/э, материалов и оборудования.
На производстве мешочной бумаги используют естественное, искусственное
освещение. Искусственное освещение разделяется на рабочее, аварийное,
эвакуационное и охранное.
Естественное и искусственное освещение в производственных и
вспомогательных помещениях и на производственных площадках должно
соответствовать требованиям СНиП 23-05-95 "Естественное и искусственное
освещение", а также "Отраслевых норм искусственного освещения
предприятий бумажной промышленности (ВСН 31-82/1)" и "Отраслевых норм
искусственного освещения основных цехов предприятий бумажной промышленности
(ВСН 03-89)".
В зале бумагоделательной машины, в прессовой части при высоте подвеса не
менее 6 м используется искусственное рабочее освещение с применением ртутных
ламп высокого давления. Рабочая освещенность по ПДК, ПДУ должна составлять 200
Лк Фактическое рабочее освещение составляет 180 Лк.
При аварийном режиме наименьшая освещенность рабочих поверхностей,
составляет 5% освещенности, нормируемой для рабочего освещения при системе
общего освещения, но не менее 2 Лк внутри зданий.
Осветительная установка не должна создавать опасности поражения
электрическим током, возникновения пожара. Для станционных светильников
применяют напряжение в 220В, а в помещениях с повышенной опасностью (например,
у контрольно-измерительных приборов) 12-36 В.
В цехе установлены осветительные лампы на 230 В.
8.1.6 Оценка электробезопасности
Питающее напряжение на секции бумагоделательной машины
подается от четырех трансформаторов с изолированной нейтралью.
В электрооборудование прессовой части входят электрические
двигатели, шкафы силовой части, а также части управления приводом,
преобразователи тока и напряжения, выпрямители и блоки торможения.
Проектирование электроустановок осуществляется в соответствии с Правилами
устройства электроустановок (ПУЭ). При монтаже электрооборудования
руководствуются Строительными нормами и правилами. Безопасная эксплуатация
электроустановок регламентируется Правилами техники безопасности (ПТБ).
Поражение человека электрическим током может быть в случаях:
прикосновения к токоведущим частям электроустановки, находящейся под
напряжением к двум фазам при изоляции ног от земли;
к одной фазе при нахождении ног на земле, токопроводящем полу;
к токоведущим частям, оказавшимся под напряжением из-за повреждений
изоляции и т.д.
В цехе БДМ №1 применяются следующие мероприятия, предупреждающие
опасность поражения электрическим током:
. ток малого напряжения (для служб КИПиА это 24 В);
. ограждение токоведущих частей электрооборудования;
. устройство заземления всех металлических конструкций, которые могут
оказаться под напряжением: корпуса электродвигателей, корпуса шкафов
управления, трубы с электропроводкой и другие металлические части, которые
могут оказаться под напряжением. Заземляется также бронированная оболочка
соединительных кабелей;
. применение персональных защитных средств при обслуживании
электроустановок (изолирующие штанги, изолирующие клещи, резиновые перчатки,
галоши и т.д.);
. организационные мероприятия, обеспечивающие безопасность
производственных работ (контроль и профилактика повреждения изоляции,
периодическое проведение инструктажа персоналу);
. выбор и установка электрооборудования в соответствии с условиями
окружающей среды.
. механическая блокировка, недопускающая открывания при включённом
главном разъединителе применяется для обеспечения безопасности при открывании
дверей шкафов.
8.1.7 Оценка безопасности микроклимата
Под микроклиматом производственных помещений понимают совокупность
физических характеристик, их внутренней среды, влияющих на тепловое состояние
организма в период трудовой деятельности человека.
Оценка микроклимата проводится на основе измерений его
параметров (температура, влажность воздуха, скорость его движения, тепловое
излучение) на всех местах пребывания работника в течение смены и сопоставления
с нормативами согласно СанПиН 2.2.4.548-96 "Гигиенические требования к
микроклимату производственных помещений".
Ниже в таблице 17 показаны фактические и предельно допустимые
параметры микроклимата цеха БДМ №1.
Таблица 17
|
Наименование
производственного фактора, ед. измер.
|
ПДК, ПДУ
|
Фактический уровень
производственного фактора
|
|
Температура воздуха, С
|
16 - 23
|
27
|
|
Скорость движ. возд., м/с
|
0.1 - 0.3
|
0.1
|
|
Влажность воздуха, %
|
18 - 77
|
55
|
При сравнении нормативных ограничений и фактических параметров
микроклимата цеха мы можем сделать вывод, что параметры микроклимата цеха
является недопустимым по температуре.
Для поддержания регламентированных ГОСТ микроклиматических условий в
производственных помещениях используют комплекс мероприятий, таких как:
· теплоизоляция и экранирование нагретых поверхностей оборудования,
его герметизация;
· эффективная вентиляция и кондиционирование;
· отопление и т.д.
8.1.8 Оценка радиационной безопасности
На данном участке БДМ не используется оборудование, излучающее радиацию.
8.1.9 Оценка пожарной безопасности
Категория помещения или здания по нормам пожарной безопасности НПБ
105-95: Д.
В целях обеспечения пожарной безопасности в цехе используется трубопровод
пожарной безопасности, и линия с ответвлениями на пожарные краны. Рядом с
краном находится ящик с пожарным рукавом и гидрантом и огнетушителем. Также предусмотрены щиты пожарной безопасности, включающие
в себя пенные и водяные огнетушители.
Схема пожарного трубопровода вывешена на видном месте.
Обеспечивается пожарная связь и сигнализация с пожарной охраной.
Сигнализация представляет собой датчики, установленные на потолке и реагирующие
на дым или температуру, а также датчики находящиеся непосредственно в самом
оборудовании.
При проведении ремонтных работ в цехе, связанных с применением
электросварки или газовой резки металла выдается письменное разрешение на
проведение огневых работ с указанием мер пожарной безопасности и с конкретным
указанием оборудования и аттестованного персонала по правилам противопожарной
безопасности.
На комбинате имеется ВПЧ-05.
Проектируемая аппаратура соответствует нормам противопожарной
безопасности. Наиболее частыми причинами пожара являются: перегрузка, короткое
замыкание, электрическая дуга.
При возникновении пожара необходимо отключить электропривод путём
выключения автомата на сетевом щите и приступить к ликвидации очага возгорания
с помощью углекислотного огнетушителя. После ликвидации пожара необходимо
восстановить нарушенный участок и всю аппаратуру проверить на предмет
неисправности с обязательным замером изоляции всей установки.
Основные меры для предупреждения и предотвращения пожара следующие:
· наличие защиты от короткого замыкания;
· принудительное охлаждение силового оборудования;
· кнопка аварийного отключения оборудования;
· наличие противопожарного щита;
· должна быть электрическая пожарная сигнализация.
Безопасность людей, находящихся во время пожара внутри цеха БДМ, зависит
от числа и размеров выходов из помещений и путей эвакуации. Вследствие большой
длины зала бумагоделательного цеха один из эвакуационных выходов установлен в
средней части зала. В зале цеха БДМ №1 имеется пять рассредоточенных
эвакуационных выходов. Двери для эвакуации открываются по направлению выхода из
здания.
8.1.10 Мероприятия, повышающие уровень производственной безопасности
В целях безопасного ведения процесса производства бумаги
предусмотрены:
· централизованное управление оборудованием и
технологическим процессом, сигнальные устройства;
· первичные средства пожаротушения (огнетушители
порошковые ОП-100, песок, производственно-пожарный трубопровод, извещатели
пожарной сигнализации);
· рабочее, ремонтное и аварийное освещение;
· заземление металлических частей производственного
оборудования в соответствии с требованиями "Правил устройства
электроустановок";
· защита зданий от прямых ударов молний и их вторичных
проявлений;
· проведение предварительных и периодических
медосмотров работающих;
На производстве проводится оценка риска рабочих мест. Оценки риска на
рабочих местах используются в целях:
· принятия оперативных мер для предотвращения травматизма и аварийности;
· планирование и проведения мероприятий по охране и условиям труда в
соответствии с действующими нормативными правовыми документами;
· ознакомления работающих с условиями труда на рабочих местах.
По периодичности проведения оценка риска делится на:
Плановая - в соответствии с планом мероприятий по охране труда на
производстве.
Внеплановая - на основании записи в "Журнале производственного
контроля", в "Журнале административно-общественного контроля", а
также в случаях аварии, инцидента, несчастного случая, получения работником
микротравмы, результатов обследования общественной комиссии по охране труда.
Способы оценки: по научно-технической, технической, конструкторской,
технологической документации, по актам несчастных случаев, пробным испытаниям,
визуальной, экспертной оценки.
Также для улучшения условий труда в организации проводится аттестация рабочих мест, которая включает гигиеническую
оценку существующих условий и характера труда, оценку травмобезопасности
рабочих мест и учет обеспеченности работников средствами индивидуальной защиты.
Сроки проведения аттестации проводятся не реже одного раза в 5 лет с момента
проведения последних измерений или после замены производственного оборудования,
изменения технологического процесса, реконструкции средств коллективной защиты
и др., а также по требованию органов Государственной экспертизы условий труда
Российской Федерации.
По результатам аттестации рабочих мест по условиям труда
аттестационной комиссией с учетом предложений, поступивших от подразделений
организации, отдельных работников, разрабатывается План мероприятий по
улучшению и оздоровлению условий труда в организации.
.2 Экологическая безопасность
8.2.1 Оценка экологического воздействия газовых выбросов
Источником выделения бумажной пыли являются продольно-резательные станки,
оборудованные местными отсосами, с отводом загрязненного воздуха в атмосферу -
1.004 Т/год; 6,2 мг/м3.
Паровоздушная смесь из под колпака сушильной части поступает на
трехступенчатую систему теплорекуперации, где улавливается тепло, используемое
для подогрева воды системы теплофикации бумфабрики, для подогрева воздуха,
поступающего в сушильную часть БДМ, а также для подогрева воды для
технологических нужд.
Также при производстве бумаги в бумагоделательном цехе в вентиляцию
попадают вредные вещества являющиеся композитными для различных сортов бумаги.
8.2.2 Оценка экологического воздействия сточных вод
В волокносодержащую канализацию поступают отходы вихревой очистки, отходы
от сортировок, отходы от дуговых сит, очищающих воду от сукномоек и корыт
сушильной части, избыток светлого фильтрата от дискового фильтра ЭНСО. Спрыски
для подогрева воды для технологических нужд улавливают пыль из паровоздушной
смеси, которая осаждается на фильтре. Избыток оборотных вод подвергается осветлению
на дисковом фильтре и сбрасывается в волокносодержащую канализацию.
Оборотная вода от сгустителей хвойной и лиственной целлюлозы поступает на
САЦ.
Вода от вакуумной системы как условно-чистая, самотёком поступает в
отстойник ливневых стоков. Количество условно-чистой воды будет уточнено после
расчёта баланса воды и волокна. Волокносодержащая вода поступает в
промканализацию и подаётся на СБО.
количество - 5,8 м3/мин
концентрация взвешенных веществ, не более - 1350 мг/л
температура - 28-37 °С
зольность - 45-58%
рН- 6.3-8.0
.2.3 Оценка экологического воздействия твердых отходов
Оборотный брак, образующийся на бумагоделательной машине, при резке и
упаковке бумаги, а также бракованные рулоны с производства листовых бумаг
собираются в бассейнах-аккумуляторах. Затем масса сгущается и подвергается
двухступенчатой очистке. Отходы со второй ступени очистки брака поступают в
волокносодержащую канализацию и далее на общекомбинатовские очистные
сооружения.
Отходы упаковочной бумаги и изготовления гильз прессуются и продаются в
виде макулатуры.
Производственный брак перерабатывается в гидроразбевателях внутри
производства.
Мусор вывозится на свалку.
.2.4 Мероприятия по снижению экологического ущерба
Одной из задач по снижению экологического ущерба является снижение
количества выбросов, твердых отходов, сточных вод.
Твердые отходы производства необходимо сортировать на макулатуру, мусор,
производственный брак.
8.3 Безопасность в условиях чрезвычайных ситуаций
8.3.1 План мероприятий по защите персонала
Для проведения мероприятий по предупреждению и ликвидации последствий
аварий, катастроф и стихийных бедствий, управления силами и средствами для их
выполнения создается комиссия по чрезвычайным ситуациям.
Вся ответственность за выполнение мероприятий по предупреждению аварий,
катастроф и стихийных бедствий, ликвидации их последствий, снижению потерь и
ущерба в структурных подразделениях возлагается на их руководителей.
В каждом структурном подразделении в том числе и в цехе БДМ №1
разработаны частные планы по ликвидации последствий аварий, катастроф и
стихийных бедствий, в которых учтены возможные варианты экстремальной
обстановки и предусмотрены следующие основные мероприятия:
· оповещение об аварии, катастрофе или стихийном бедствии рабочих и
служащих структурного подразделения;
· сбор лиц ответственных за проведение мероприятий по защите людей и
ликвидации последствий происшествий;
· безаварийная остановка производства;
· защита рабочих и служащих при авариях химически опасных веществ (АХОВ),
от воздействия радиации и пожаров (укрытие в защитных сооружениях, специально
подготовленных помещениях, вывод из зоны поражения, эвакуация и другие
мероприятия);
· подготовка и приведение в готовность сил и средств структурных
подразделений;
· руководство силами и средствами структурного подразделения, а также
выделяемыми объектовой комиссией по чрезвычайным ситуациям;
· оказание медицинской помощи пострадавшим от аварий, катастроф и стихийных
бедствий; усиление охраны общественного порядка и материальных ценностей
структурных подразделений, В плане должны быть указаны взрывопожароопасные
помещения, участки, рабочие места, возможные варианты поражения АХОВ и
заражения радиоактивными веществами в случае аварий на объектах.
Оповещение для развертывания работ по борьбе со стихийными бедствиями
руководитель структурного подразделения получает от объектовой комиссии по
чрезвычайным ситуациям по диспетчерской связи, радиовещанию объединения или по
телефону. Объектовая комиссия приступает к работе в диспетчерском зале.
Оперативная группа этой комиссии работает в штабе ГО и ЧС объединения. При
угрозе возникновения чрезвычайных ситуаций и при их возникновении, руководитель
структурных подразделений организовывает наблюдение за состоянием сооружений,
зданий помещений, коммуникаций и территории.
Наблюдение за территорией объекта, зданиями и сооружениями,
коммунально-энергетическими сетями и объектами возложены на посты охранного
комплекса, службы главного энергетика и структурные подразделения.
Руководство работами по оказанию медицинской помощи пострадавшим в
чрезвычайных ситуациях возложено на начальника медицинской службы объекта.
Оснащение сил ГО табельным имуществом и перевязочными материалами и
медикаментами производится штабом ГО и медицинской службой объекта.
Дополнительные силы и средства в структурные подразделения выделяются
централизованно объектовой комиссией по чрезвычайным ситуациям.
При возникновении пожаров
· при возникновении пожара в структурном подразделении немедленно сообщить
в пожарную часть по телефону 01, принять все меры по защите рабочих и служащих
(вывести их в безопасное место) и предотвратить разлив горючих жидкостей,
· немедленно доложить генеральному директору (в рабочее время) или
дежурному по объединению в нерабочее время (старший в подразделении)
· при возникновении пожара в компрессорной станции или в помещениях, где
хранятся или используются сосуды высокого давления необходимо:
· эвакуировать рабочих и служащих,
· исключить возможность взрывов, охладить сосуды или вывезти (вынести) их в
безопасное место или снизить давление в них до безопасного
· при возникновении пожара на участках, где возможны взрывы древесной пыли,
принять меры по увлажнению помещений,
· при пожарах в структурных подразделениях, применяющих в технологических
процессах химические реактивы, немедленно, вывести рабочих и служащих в
безопасные места. Организовать работы по предотвращению разлива химических
веществ. Проводить работы только в средствах индивидуальной защиты при строгом
соблюдении мер безопасности,
· при возникновении пожара на ГРП немедленно перекрыть подачу газа и всеми
силами (имеющимися в данный момент), приступить к тушению пожара в средствах
защиты с соблюдением мер безопасности,
· по выполнении всех перечисленных мероприятий приступить к тушению пожара
силами структурных подразделений под руководством руководителей этих
подразделений при строгом соблюдении мер безопасности.
8.3.2 План мероприятий при радиоактивном заражении объекта
В рабочее время при получении, сигнала об аварии на АЭС (или других
объектах, имеющих реакторы, в зону поражения которых попадает объект)
выполняются следующие мероприятия:
· довести до всех информацию об аварии,
· организовать получение со складов ГО и АХО необходимых материалов для
проведения герметизации служебных и производственных помещений, подготовки
автотранспорта к эвакуации рабочих и служащих объекта и изготовления
ватно-марлевых повязок,
· организовать получение средств индивидуальной и медицинской защиты
(включая средства йодистой профилактики) с пунктов выдачи, доставку их в
структурные подразделения и выдачу рабочим и служащим,
· организовать проведение работ по обеспечению жизнедеятельности
структурного подразделения, в условиях радиоактивного заражения (герметизация
служебных и производственных помещений, создание запасов питьевой воды,
изготовление ВМП для всех рабочих и служащих и другие мероприятия),
· напомнить рабочим и служащим места укрытия с получением сигнала
"РАДИАЦИОННАЯ ОПАСНОСТЬ" и памятки по поведению на местности
зараженной радиоактивными веществами,
· привести в готовность к приёму укрываемых защитные сооружения
(структурные подразделения за которыми они закреплены),
· привести в готовность невоенизированные формирования ГО (структурные
подразделения формирующие их),
· подготовить бытовые помещения для проведения санитарной обработки личного
состава невоенизированных формирований ГО рабочих и служащих,
· отпустить домой рабочих и служащих имеющих престарелых родителей и детей
не посещающих дошкольные учреждения,
· провести подготовительные мероприятия по проведению дозиметрического
контроля и по эвакуации рабочих и служащих с объекта в безопасное место,
· организовать приём рабочими и служащими препаратов йодистой профилактики.
9. Технико-экономическое обоснование модернизации системы.
Задачей дипломного проекта являлась модернизация электропривода прессовой
части БДМ №1 ООО "Сухонский ЦБК". Основанием на проведение
реконструкции послужил моральный и физический износ оборудования, которое уже
не обеспечивало в полной мере требований технологического процесса и являлось
причиной внеплановых простоев и выработки бракованной продукции.
Модернизация позволит увеличить скорость машины по сетке с 630 м/мин до
700 м/мин.
Определим годовую производительность БДМ.
Для этого рассчитаем теоретическую производительность БДМ:
(1)
где:
bнак -
ширина бумажного полотна на накате, м.
m - масса одного
квадратного метра бумажного полотна, кг/м2
υлин - линейная скорость БДМ по сетке,
м/мин.
t -
среднее время работы БДМ в сутки, час.
T -
количество полных рабочих дней БДМ в год, дн.
Таким образом до модернизации теоретическая производительность БДМ равна:
После
модернизации теоретическая производительность БДМ будет равна:
Фактическую
производительность БДМ определим по следующей формуле:
(2)
где:
kраб -
коэффициент использования рабочего хода машины (kраб =0,96);
kраб - коэффициент выхода продукции (kраб =0,95);
kзагр- коэффициент часовой загрузки (kзагр =0,88);
До
модернизации фактическая производительность БДМ равна:
После
модернизации фактическая производительность БДМ будет равна:
Инвестицмонные
затраты на оборудование (включая монтаж) для модернизации электропривода
прессовой части БДМ №1 ООО "Сухонский ЦБК" составляет 25867,30
рублей.
.1
Расчет калькуляции себестоимости продукции до и после модернизации
электропривода прессовой части
1.
Рассчитаем годовой фонд оплаты труда после модернизации:
(3)
где:
ФОТ1 - фонд оплаты труда до модернизации, руб.
kпост зп - доля условно-постоянной заработной платы (kпост
зп =0,8);
kмод - коэффициент модернизации определяется как отношение
производительности БДМ после модернизации к производительности БДМ до
модернизации.
Фонд
оплаты труда на 1 тонну продукции составит:
. Рассчитаем годовую сумму отчислений на социальное страхование:
.
Рассчитаем расходы на очистку сточных вод после модернизации:
(4)
.
Рассчитаем расходы на содержание и эксплуатацию оборудования. Для этого
необходимо рассчитать:
а)
Амортизационные отчисления.
Примем
срок полезного использования (Тп) равным 10 годам. Следовательно норма
амортизации равна:
Годовая
сумма амортизации равна:
(5)
б)
Дополнительные расходы на текущий ремонт оборудования. Условно принимаем
равными 2% в год от стоимости оборудования:
(6)
в)
Условно-постоянные затраты на содержание и эксплуатацию оборудования:
(7)
где:
УПЗоб1 - затраты на содержание и эксплуатацию оборудования до
модернизации, руб.
kпост об - доля условно-постоянных затрат (kпост
об =0,55);
Общая
сумма затрат по эксплуатации оборудования составит:
(8)
Сумма
затрат по эксплуатации оборудования на 1 тонну продукции составит:
. Рассчитаем цеховые расходы после модернизации:
(10)
где:
ЦР1 - цеховые расходы до модернизации, руб.
kпост цр - доля условно-постоянных цеховых расходов (kпост
цр =0,75);
Цеховые
расходы на 1 тонну продукции составят:
.
Рассчитаем общезаводские расходы после модернизации:
(11)
где:
ОЗР1 - общезаводские расходы до модернизации, руб.
kпост озр - доля условно-постоянных общезаводских расходов (kпост
озр =0,6);
Общезаводские
расходы на 1 тонну продукции составят:
(12)
.
Рассчитаем коммерческие расходы после модернизации:
(13)
где:
КР1 - коммерческие расходы до модернизации, руб.
kпост кр - доля условно-постоянных коммерческих расходов (kпост
кр =0,4);
Коммерческие
расходы на 1 тонну продукции составят:
Полученные
результаты сведем в таблицу 18
Таблица
18 Калькуляция себестоимости продукции до и после модернизации системы.
|
№
|
Наименование затрат
|
До модернизации (138722,05
т/год)
|
После модернизации
(147129,44 т/год)
|
|
|
На 1 тонну продукции
|
На весь выпуск
|
На 1 тонну продукции
|
На весь выпуск
|
|
|
Сумма, руб.
|
Сумма, млн.
|
Сумма, руб.
|
Сумма, млн.
|
|
1
|
2
|
3
|
4
|
5
|
6
|
|
1.
|
Сырье
|
3236
|
448 ,89
|
3236
|
476 ,10
|
|
2.
|
Химикаты
|
63,06
|
8 ,74
|
63,15
|
9 ,27
|
|
3.
|
Энергетика
|
603,26
|
83, 68
|
600
|
88 ,27
|
|
4.
|
Основная з/плата
|
69,12
|
9 ,58
|
66
|
9 ,70
|
|
5.
|
ФСЗН 27.7%
|
19,146
|
2 ,65
|
18,35
|
2 ,68
|
|
6.
|
Расходы по очистке
|
69,49
|
9, 63
|
69,49
|
10, 22
|
|
7.
|
Расходы по CиЭО
|
691,15
|
95 ,86
|
687,25
|
101 ,11
|
|
8.
|
Цеховые расходы
|
122,26
|
16, 96
|
117
|
17 ,21
|
|
9.
|
Цеховая себестоимость
|
4873,45
|
676 ,04
|
4875
|
714, 60
|
|
10.
|
Расходы на упаковку
|
34,23
|
4 ,74
|
34,23
|
5, 03
|
|
11.
|
Общезаводские расходы
|
312,24
|
43, 30
|
301,55
|
44, 35
|
|
12.
|
Коммерческие расходы
|
1752,74
|
243, 13
|
1712,65
|
251, 97
|
|
13.
|
Полная с/с
|
6972,44
|
967, 23
|
6905,34
|
1 015, 97
|
.2 Оценка эффективности модернизации электропривода
Оценку эффективности модернизации электропривода прессовой части проведем
на основе расчета следующих экономических показателей:
. Валовый выпуск продукции.
(15)
где:
Цед - цена одной тонны продукции.(Цед =11000), руб.
До
модернизации:
После
модернизации:
.
Полная себестоимость продукции.
(16)
где:
С/Сед - себестоимость одной тонны продукции.
До
модернизации:
После
модернизации:
.
Валовый доход.
(17)
До
модернизации:
После
модернизации:
.
Чистый доход.
(18)
где:
kпост чд -
доля валового дохода, остающегося в распоряжении предприятия (kпост
чд =0,8);
До
модернизации:
После
модернизации:
.
Рентабельность производства.
(19)
До
модернизации:
После
модернизации:
5.
Простой срок окупаемости.
(20)
где:
ИнвЗ - инвестиционные затраты в проект, руб
.
Коэффициент экономической эффективности.
(21)
где:
Агод - годовая сумма амортизации
Полученные
результаты сведем в таблицу 19.
Таблица
19 Экономические показатели эффективности модернизации электропривода прессовой
части БДМ №1 ООО "Сухонский ЦБК"
|
Показатели
|
Ед. изм.
|
До модернизации
|
После модернизации
|
Отклонения
|
|
Объем производства
|
тыс.т
|
138,72
|
147,13
|
8,40
|
|
Полная себестоимость
|
|
|
|
|
|
* на единицу продукции
|
руб./т.
|
6972,41
|
6905,33
|
-67,07
|
|
* на весь выпуск
|
млн.руб.
|
967,25
|
1016,45
|
48,89
|
|
Валовый выпуск продукции
|
млн.руб.
|
1525,94
|
1618,44
|
92,65
|
|
Валовый доход
|
млн.руб.
|
558,78
|
602,24
|
43,87
|
|
Чистый доход
|
млн.руб.
|
447,00
|
481,79
|
34,89
|
|
Рентабельность продукции
|
%
|
57,78
|
59,53
|
1,45
|
|
Простой срок окупаемости
|
лет
|
Х
|
0,70
|
0,70
|
|
Коэффициент экономической
эффективности модернизации
|
лет
|
Х
|
1,43
|
1,43
|
Сравнительный анализ экономических показателей производства бумаги
показал, что модернизация электропривода прессовой части БДМ №1 позволит
увеличить выпуск продукции с 138,72 тысячи тонн до 147,13 тысяч тонн. При этом
себестоимость 1тонны продукции уменьшится на 67,07 рублей.
Валовый выпуск продукции возрастет на 92,5 миллиона рублей и составит
1618,4 миллиона рублей, а валовый доход увеличится на 43,7 миллиона рублей с
558,7 миллиона рублей до 602,4 миллиона рублей.
Чистая прибыль предприятия увеличится на 34,9 миллиона рублей в год, при
этом рентабельность возрастет на 1,5 процента и составит 59,3 процентов.
Простой срок окупаемости модернизации составит 0,7 лет, а
дисконтированный 0,8 лет. Коэффициент экономической эффективности модернизации
равен 1,43.
Вывод: проект является экономически выгодным и рекомендуется к внедрению
на ООО "Сухонский ЦБК".
10.
Заключение
В дипломном проекте были решены такие задачи, как расчёт мощности для
трех двигателей, с целью проверки запаса по мощности и выбор преобразователей.
Произведён расчёт и моделирование приводов и схем распределения нагрузки для
них. Был разработан алгоритм управления прессом. Были рассмотрены вопросы
безопасности объекта, а также произведён расчёт экономической эффективности
модернизации.
11. Список литературы
электропривод пресс двигатель вал мощность
1. Барышников В.Д., Куликов С.Н. Автоматизированные
электроприводы машин бумагоделательного производства. Ленинград:
"Энергоиздат". 1982г.
2. Козярук А.Е., Рудаков В.В. Современное и перспективное
алгоритмическое обеспечение частотно-регулируемых приводов. Санкт-Петербург
2002г.
. Козярук А.Е., Алексеев В.В., Загривный Э.А. Моделирование
электрических машин приводов горного оборудования. Санкт-Петербург 2006г.
. Клюев А.С., Глазов Б.В., Дубровский А.Х., Клюев А.А.
Проектирование систем автоматизации технологических процессов. Справочное
пособие. Москва "Энергоатомиздат". 1990.
. С.А.Ковчин, Ю.А.Сабинин. Теория электропривода.
Санкт-Петербург: Энергоатомиздат. 2000.
. Кугушев И.Д., Терентьев О.А.. Бумагоделательные и
картоноделательные машины. Санкт-Петербург 2008.