Разработка электропривода прессовой части БДМ

  • Вид работы:
    Курсовая работа (т)
  • Предмет:
    Физика
  • Язык:
    Русский
    ,
    Формат файла:
    MS Word
    532,67 Кб
  • Опубликовано:
    2013-10-16
Вы можете узнать стоимость помощи в написании студенческой работы.
Помощь в написании работы, которую точно примут!

Разработка электропривода прессовой части БДМ

Содержание

1.Техническое задание

. Описание технологического процесса прессовой части БДМ

. Построение нагрузочной диаграммы механизма раската ПРС

.1 Расчет циклограмм линейных скоростей

.2 Расчет радиуса тамбура картона

.3 Расчет диаграмм момента инерции

.4 Расчет угловой скорости

.5 Расчет нагрузочной диаграммы механизма

. Выбор двигателя

.1 Предварительный выбор двигателя

.2 Проверка правильности выбора двигателя

. Выбор основных элементов силовой цепи

.1 Выбор тиристорного преобразователя

.2 Выбор датчика тока

. Синтез и моделирование системы автоматического регулирования электропривода раската продольно-резательного станка

.1 Расчет параметров структурной схемы контура тока

.2. Расчет параметров структурной схемы контура скорости

.3 Выбор датчика скорости (энкодера)

.4 Создание системы поддержания натяжения полотна

.5 Расчет параметров структурной схемы контура натяжения

.6 Выбор контроллера натяжения

. Заключение

.Список используемой литературы

1. Техническое задание

Рассчитать электропривод постоянного тока прессовой части БДМ

Основные требования:

а) Максимальная рабочая скорость                                   1000 м/мин.

б) Вспомогательная скорость                                             10 м/мин.

в) Время разгона                                                                 30 сек.

г) Ширина полотна бумаги на накате                                7200 мм.

д) Выработка бумаги массой                                                       80 гр/м2

Поддержание постоянства натяжения полотна с погрешностью не более 10% в динамике, и 5% в статике при подаче возмущающих воздействий 50% от момента натяжения, и равному 1% от линейной скорости наката.

Данные для расчётов:

Наименование валов

R

Сталь

Резина

Ширина (b)

Rцапфы

Передаточный вал

Rвнеш

0,5425

0,555

7,3

0,16


Rвнут

0,52

0,5425



Прижимной вал

Rвнеш

0,5475

0,56

7,3

0,14


Rвнут

0,525

0,5475



Сукнонаправляющий вал

Rвнеш

0,219

0,2315

7,3

0,045


Rвнут

0,1965

0,219



Сукнорасправляющий вал

Rвнеш

0,2225

0,235

7,3

0,04


Rвнут

0,2

0,2225



Бумагонаправляющий вал

Rвнеш

0,219

0,2135

7,3

0,045


Rвнут

0,1965

0,219



Натяжные валики

Rвнеш

0,2

0,2125

7,3

0,037


Rвнут

0,1755

0,2




Ширина щели в сукномойки                                                        

Сила натяжения                                                         

Удельное натяжение                                                 

Площадь живого сечения                                                  

Давление вакуума                                                     

Выполнил: Выдал:

студент гр. 543 доцент

Шарипов Х.Н. Королёв В.И.

2. Описание технологического процесса прессовой части БДМ

Основное назначение прессовой части состоит в обезвоживании бумажного полотна, обеспечении качественных показателей вырабатываемой продукции и надёжности машины. При прессовании возрастает сухость, прочность и плотность бумаги.

От эффективности работы прессовой части зависят затраты на сушку бумаги и производительность машины. В целях сокращения расхода пара на сушку после прессовой части стремятся получить максимально возможную сухость. Однако повышение сухости за счёт увеличения давления между прессовыми валами приводит к увеличению затрат энергии на привод валов, что может и не скомпенсироваться снижением затрат на сушку. Кроме того, чрезмерное прессование приводит к ухудшению потребительских свойств вырабатываемой на машине продукции.

Прессовая часть рассматриваемого проекта состоит из пересасывающего устройства в которое входит пересасывающий вал, сукноведущих валов, сукномоек, а также четырехвального пресса Tri-nip состоящего из отсасывающего вала, желобчатого вала "Вента-Нип", центрального вала и вала с регулируемым прогибом "Кюстерс". Такое устройство пресса позволяет создать сразу три зоны прессования, что повышает сухость выходящего с прессовой части бумажного полотна.

За счет незначительной, около 0,2% разницы линейных скоростей между пересасывающим и отсасывающим валом привод создает дополнительное натяжение сукна в группе отсасывающий - пересасывающий валы.

В частности, представляется особенно нужной разработка основ теории процесса прессования бумаги, выявление и изучение основных факторов, управляющих процессом обезвоживания бумаги на прессах. Кроме того современные пресса должны удовлетворять следующим требованиям:

-       безобрывно проводить бумажное полотно;

-       обеспечивать равномерность распределения воды по полотну;

-       обеспечивать удобство монтажа, эксплуатации и ремонта;

-       иметь необходимый уровень автоматизации;

-       иметь возможность последующей модернизации;

-       отвечать требованиям безопасности.

-       закрытая проводка в прессовой части

Кинематическая схема

Рис1. Кинематическая схема прессовой части БДМ

передаточный вал -D , прижимной вал-F, сукнонаправляющий валики-G1,G3,H, сукнорастравляющий валик-I2, бумагонаправляющий валик-J, натяжные валики -I1,G2, 1-сукномойка 2-шабер.

Выбор двигателя

Расчет масс, скоростей и моментов инерции

Масса полого цилиндра рассчитывается по формуле:

, кг,

где b - ширина вала ,м; 𝛾ст=7826 кг/м2 - плотность стали; 𝛾ст=1300 - кг/м2 - плотность резины; Rвнеш - внешний радиус ; Rвнут - внутренний радиус;

Так как вал представляет собой стальную гильзу с обрезиненной оболочкой, то обшая масса вала :

кг

кг

где - масса стальной гильзы i-го вала, кг; - масса резиновой оболочки i-го вала,кг; - обшая масса i-го вала.

Данные расчётов масс цилиндров приведены в таблице

Наименование вала

Масса стали (кг)

Масса резины (кг)

Общая масса (кг)

D

4288,48

408,80

4697,28

F

4328,85

412,52

4741,37

G1,G2,G3

1677,05

167,80

1844,85

H

1705,30

170,41

1875,71

I1,I2

1677,05

167,80

1844,85

J

1650,32

153,65

1803,97


Рассчитаем моменты инерции каждого вала относительно собственной оси. Момент инерции полого цилиндра рассчитывается по формуле:

, кг/м2

,  кг/м2

, кг/м2

, кг/м2

Данные расчетов момента инерции каждого цилиндра приведены в таблице 5:

Наименование вала

J стали (кг/м2)

J резины (кг/м2)

J общий (кг/м2)

D

1210,87

123,12

1333,98

F

1245,37

126,51

1371,88

G1,G2,G3

72,59

8,52

81,11

H

76,32

8,92

81,24

I1,I2

72,59

8,52

81,11

J

58,92

6,54

64,96


Расчет угловой скорости 𝜔i для каждого вала:

, рад/с,

где Vмаш - скорость машины, м/сек; Ri - радиус вала, м.

Данные расчетов скоростей каждого вала приведены в таблице :

Наименование вала

Скорость машины Vмаш

Угловая скорость вала 𝜔i

D

  16,67

30,04

F


29,77

G1,G2,G3


72,01

H


70,94

I1,I2


72,01

J


78,45


Расчет угловой скорости двигателей:

, рад/с,

где j=7,105 - передаточное число редуктора ( по данным такой-то ЦБК)

Для двигателей 1-й приводной точки:

, рад/с

Для двигателей 2-й приводной точки:

 , рад/с

Расчет приведённых моментов инерции

Из равенства кинетических энергий исходной и приведенной механической системы следует:

, кг∗м2,

где Ji -момент инерции i-го вала схемы относительно собственной оси, кг/м2;

дв - угловая скорость двигателя, рад/с; i - угловая скорость i-го вала, рад/с;

Найдем приведенный момент инерции для первой приводной точки.

Из выражения Jприв.i :

, кг/м2.

Данные расчетов приведенных моментов инерций каждого вала приведены в таблице:

Наименование вала

Угловая скорость двигателя 𝜔дв (рад/с)

Приведенный момент инерций Jприв.i (кг∗м2)

D

  213,41

26,43

G1,G2,G3


9,24

H


8,98

I1,I2


9,24

J


8,78


К первой приводной точки относим моменты инерции валов D, J, G1,2,3, I1,2 , H,. Суммарный приведенный момент инерции для первой приводной точки:

, кг∗м2.

Ко второй приводной точки прикладывается только вал F.

, кг∗м2.

, кг/м2.

Расчет мощностей двигателей

Для расчета мощностей двигателей используем методом тяговых усилий.

Для неотсасывающего пресса общее тяговое усилие равен:

,

где TnF,TnD - тяговое усилие для преодоления трения в подшипниках верхнего и нижнего валов; Tni - тяговое усилие для преодоления трения в подшипниках i-го сукноведущего валика; T0 - тяговое усилие для преодоления трения качения между валами D -F; Tш - тяговое усилие для преодоления трения шабера о нижний вал D; Tc - тяговое усилие для преодоления трения в сукномойке ;

Значения TnF,TnD,Tni рассчитываются по формуле :

, кН,

где d - диаметр цапфы, м; D - наружный диаметр вала, м; Q0i - общая нагрузка на подшипник (включая собственный вес вала и нагрузку от вышележащего вала), кН; f =0,02 - приведенный коэффициент в подшипнике, отнесенный к диаметру цапфы.

Значение T0 рассчитывается по формуле:

, кН,

где Qц - давление между валами, кН; k=(0.07-0.16)*10-2 - коэффициент трения для прессовых валов; Dв - диаметр верхнего вала, м; Dн - диаметр нижнего вала, м.

Значение Tш рассчитывается по формуле:

, кН,

где f - коэффицинет трения о вал ..линейное давление между шабером и валом

Расчет Tc:

,

где коэффициент трения между сеткой и крышкой отсасывающих валов пропитанных парафином; Fж =0,13, м2 площадь сукномойки; средняя арифметическая величина вакуума ( по данным ЦБК)

Для определения нагрузки на подшипники сукноведущих валов воспользуемся графоаналитическим методом расчета на рисунке

 (32)

 (33)

 (34)

 - диаметр цапфы.

k - коэффициент трения качения.

При этом учтем, что на нашу систему могут действовать возмущающие воздействия (50% от момента натяжения полотна).

По данным параметрам выбираем электрическую машину, у которой перегрузочный момент больше или равен максимально создаваемому моменту сопротивления механизма.

В настоящее время двигатели фирмы ABB пользуются популярностью в бумагоделательной промышленности и их все чаще используют при модернизации старых станков и при создании новых.

Всем заявленным нами параметрам удовлетворяет двигатель ABB DMI 200 U.

Таблица 1

Наименование параметра

Значение параметра

Номинальное напряжение

400 В

Номинальная угловая скорость

409 об/мин

Максимальная механическая скорость

2550 об/мин

Мощность

71 кВт

Номинальный ток якоря

217 А

Номинальный момент

1652 Нм

Коэффициент перегрузки по моменту

1,85

Коэффициент перегрузки по току

2

КПД

77,9 %

Активное сопротивление якорной цепи

299 мОМ

Индуктивность якорной цепи

7,2 мГн

Kмном

7.6129


В официальном каталоге фирмы ABB на двигатели серии DMI значение для активного сопротивления якоря учитывает кроме сопротивления якорной цепи так же сопротивление компенсационной обмотки и добавочных полюсов. Значения активного сопротивления даны при номинальной рабочей температуре (75ºС), то есть в дополнительных пересчетах не нуждаются.

Приведенные в таблице 1 данные по перегрузочным способностям, двигатель может выдерживать 30 секунд.

.2 Проверка правильности выбора двигателя

Затем двигатель проверяется на нагрев. При этом можно воспользоваться методом средних потерь или методом эквивалентного тока. При использовании метода эквивалентного тока необходимо построить зависимость тока двигателя от времени за один цикл работы механизма, разделить этот график на участки, аппроксимировать их прямыми линиями и для каждого участка найти среднеквадратичное значение тока.

Построим диаграмму зависимости тока выбранного тока нами двигателя от времени. Для этого воспользуемся формулой

Рис10 Диаграмма зависимости тока ТГ от времени.

Если на рассматриваемом участке происходит линейное нарастание тока, то среднеквадратичное значение тока этого участка может быть рассчитано по формуле

, (35)

где I1 и I2 - значение тока в начале и конце участка

После проведенных расчетов определяется значение эквивалентного тока

, (36)

Для участков, соответствующих разгону, торможению, работе с пониженной скоростью и паузе для учета ухудшения условий охлаждения в знаменатель формулы целесообразно ввести коэффициенты α и β в виде сомножителей перед соответствующими Δt. Эти коэффициенты как бы уменьшают суммарное время, что приводит к увеличению расчетного значения эквивалентного тока.

, (37)

Условие работы двигателя без перегрева

Произведем проверку выбранного двигателя.

Рассчитаем ток на трех участках: разгоне, установившемся режиме и торможении.

 , , где коэффициент, учитывающий ухудшение условия охлаждения при разгоне и торможении.

 коэффициент, учитывающий ухудшение условия охлаждения в течение паузы().

, (38)

На диаграмме видно, что ток якоря электрической машины в процессе работы ПРС не превышает допустимых значений якорного тока (|IТГmax| = 434 А). Из этого, а так же из приведенных расчетов на тепловую проверку следует, что двигатель выбран правильно и во время эксплуатации не выйдет из строя.

5. Выбор основных элементов силовой цепи

.1 Выбор тиристорного преобразователя

Выбираем тиристорный преобразователь фирмы General Electric модель DV-300.

DV-300 - это трехфазный шестипульсный четырехквадрантный реверсивный управляемый тиристорный преобразователь с функцией рекуперации, которая обеспечивает передачу энергии обратно в сеть при работе электропривода постоянного тока в генераторном режиме.

Применение в преобразователе 16-ти разрядного процессора дает возможность точно регулировать величины угловой скорости и крутящего момента. Преобразователи DV-300 имеют встроенный регулируемый выпрямитель цепи возбуждения. Этот преобразователь имеет четыре характеристики разгона/торможение: линейная и 3 различные S-образные характеристики.

Таблица 2

Наименование параметра

Значение параметра

Напряжение питания (Uпит)

400 В (±10%)

Частота питающей сети (fпит)

50/60 Гц

Номинальный ток (Iном)

420 А

Температурный диапазон окружающей среды

0÷40 °С

Аналоговые входы

3

Цифровые входы

4

Диапазон изменения величины напряжения аналогового входа/выхода

0÷1 В

Диапазон изменения величины тока аналогового входа/выхода

0÷20 mA


Этот тиристорный преобразователь управляется по принципу раздельного способа управления, поэтому между якорной цепью двигателя и тиристорным преобразователем не устанавливается коммутационный дроссель.

.2 Расчет параметров передаточной функции датчика тока


Таблица 5

Наименование параметра

Значение параметра

Модель

MSA1000-T-0051

Диапазон измеряемого тока, А

-1000…1000

Напряжение питания, В

15...24

Время отклика, мкс

1

Рабочий диапазон температур, °С

-40…+85

Вторичный номинальный эффективный ток, mA

200


,

где Kдт и Тдт - передаточный коэффициент и постоянная времени датчика тока.


Из таблицы 5 постоянная времени датчика тока Тдт = 0,000001 с, получим:


6. Синтез и моделирование системы автоматического регулирования натяжения электропривода раската продольно-резательного станка

.1 Обоснование выбора принципа построения САР

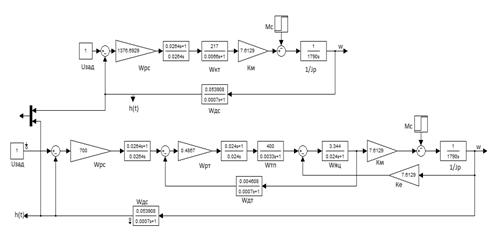
Существуют САР модального, комбинированного, подчиненного регулирования. В настоящее время в электроприводе при создании системы автоматического управления наиболее широко нашел применение принцип подчиненного регулирования с последовательной коррекцией. Системы подчиненного регулирования выполняются по определенной многоконтурной структуре (см. рис. 11).

Рис.11 Структурная схема системы подчинённого регулирования.

Сущность построения таких систем заключается в следующем:

. Объект управления представляется в виде цепочки последовательно соединенных звеньев с передаточными функциями W01(p), W02(p), …, W0i-1(p), W0i(p), выходными параметрами которых являются контролируемые координаты объекта: напряжение, ток, скорость и т.д.

. Количество регуляторов с передаточными функциями Wр1(p), Wр2(p), …, Wрi(р) в СПР устанавливается равным количеству регулируемых величин. Все регуляторы соединяются последовательно, так что выход одного является входом другого. Кроме того на вход каждого регулятора подается отрицательная обратная связь по той переменной, которая регулируется данным регулятором. В результате этого в системе образуются как бы вложенные друг в друга контуры регулирования. Таким образом, число контуров регулирования равно количеству изменяемых координат объекта.

. Каждый внутренний контур управления подчинен следующему по порядку внешнему контуру, т.е. выходной сигнал регулятора любого внешнего контура является задающим для последующего, заключенного в него, контура. В итоге все внутренние контуры работают как подчиненные задаче регулирования выходной координаты системы.

. Ограничение любой координаты достигается ограничением ее задания, т.е. выходного сигнала регулятора, внешнего по отношению к рассматриваемому контуру.

. Синтез регуляторов СПР осуществляется методом последовательной коррекции (начиная с внутреннего контура и кончая внешним). Практически при выборе передаточной функции регулятора Wpi(p) i-го контура стремятся решить две основные задачи:

обеспечить за счет действия регулятора компенсацию наиболее существенных инерционностей объекта, входящих в данных контур, и тем самым улучшить быстродействие системы;

обеспечить определенный порядок астатизма данного контура за счет введения в регулятор интегрирующего звена.

Настройка системы производится путем последовательной оптимизации контуров регулирования. Каждый контур можно оптимизировать по модульному или симметричному оптимумам, в основе которых лежит обеспечение вполне определенных показателей по перерегулировании, колебательности и точности системы автоматического управления, т.е. получение технически оптимального переходного процесса.

СПР имеют следующие достоинства:

. Простота расчета регуляторов каждого контура при настройке по тому или иному оптимуму.

. Высокие статические и динамические показатели, обеспечиваемые настройкой контуров регулирования по модульному или симметричному оптимумам.

. Простота ограничения регулируемых координат.

. Простота настройки.

Основной недостаток - некоторый проигрыш по быстродействию.

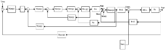
.2 Синтез структурной схемы двухконтурной системы поддержания натяжения полотна

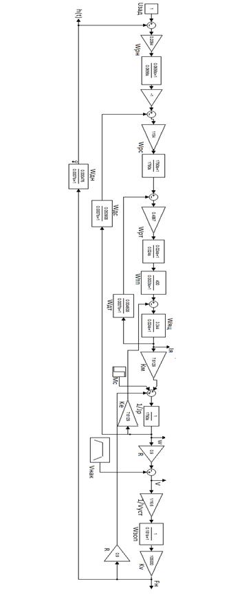
Рис 12.Структурная схема двухконтурной системы поддержания натяжения полотна.

двигатель электропривод нагрузочный резательный

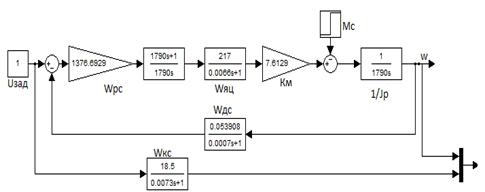
6.3 Расчет параметров структурной схемы контура тока

В контур тока рассматриваемой системы входят регулятор тока, тиристорный преобразователь, якорная цепь двигателя и датчик тока. Максимальное задание, подаваемое на регулятор, примем равным .

Рис.12 Структурная схема контура тока.

На рисунке изображено построение структурной схемы контура тока якорной цепи для проектируемой нами модели.

.3.1 Расчет параметров передаточной функции тиристорного преобразователя

Так как тиристор представляет собой не полностью управляемый полупроводниковый прибор, то тиристорный преобразователь математически описывается как нелинейное звено с запаздыванием. Однако, при моделировании многих электроприводов, в том числе и электроприводов бумагоделательных машин, передаточную функцию тиристорного преобразователя можно представить апериодическим звеном первого порядка

 (54)

где Ктп - передаточный коэффициент тиристорного преобразователя

Eтпmax - среднее значение ЭДС преобразователя при угле управления равном нулю

Ттп - постоянная времени тиристорного преобразователя.

Постоянная времени равна:

, (55)

где τсц - постоянная времени, учитывающая запаздывание в силовой цепи тиристорного преобразователя.

Значение τсц принимается равным длительности импульса выпрямленного напряжения. Для трехфазной мостовой схемы τсц = 0.0033 с.

Передаточная функция преобразователя примет вид:


.3.2 Расчет параметров передаточной функции якорной цепи

Передаточная функция якорной цепи двигателя

 (58)

 (59)

где Rяц и Тяц - сопротивление и постоянная времени якорной цепи

Из таблицы 1 берем данные: Rяц = 299 мОм  Lяц = 7.2 мГн.


 (60)

 (61)

6.3.3 Расчет параметров передаточной функции регулятора контура тока

Внутренний токовый контур, как правило, настраивается на оптимум по модулю. Из проведенных расчетов видно, что в контуре тока имеется звено с большой постоянной времени (Тяц) и звенья с малыми постоянными времени (Тдт и Ттп), сумма которых на много меньше большой постоянной времени. Необходимо при синтезировании регулятора токового контура компенсировать данную большую постоянную времени.

Используем пропорционально-интегральный регулятор (ПИ), передаточная функция которого

,

где βрт и τрт - динамический коэффициент усиления и постоянная времени регулятора тока

Значение τрт при настройке на оптимум по модулю принимается равным большой постоянной времени контура τрт = Тяц = 0.024 с.

Значение коэффициента усиления регулятора определяется по формуле

, (62)

где Kктр - коэффициент усиления разомкнутого контура тока

Тμ - сумма малых постоянных времени контура тока


Передаточная функция регулятора тока примет вид

Рис.13 Структурная схема контура тока.

При подаче единичного задающего импульса получаем переходной процесс, соответствующий настройке на модульный оптимум (4.3 % перерегулирования).

Рис.14 Переходная характеристика контура тока якоря.

Рис.15-ЛАФЧХ контура тока

а) Амплитудно-частотная характеристика.

б) Фазо-частотная характеристика.

Из рисунков видно, что перерегулирование переходного процесса контура тока составляет 4.3%, запас устойчивости контура тока составляет 64 градусов. Следовательно, контур тока настроен на оптимум по модулю.

6.4 Расчет параметров структурной схемы контура скорости

В контур скорости рассматриваемой системы входят регулятор скорости, тиристорный преобразователь, якорная цепь двигателя и датчик скорости. Максимальное задание, подаваемое на регулятор, примем равным .

Рис.16 Структурная схема контура скорости.

Wрс(p)-передаточная функция регулятора скорости.

Wрт(p)-передаточная функция регулятора тока.

Wтп(p)-передаточная функция тиристорного преобразователя.

Wяц(p)-передаточная функция якорной цепи двигателя.

Wмех(p)-передаточная функция механической части.

Wдт(p)-передаточная функция датчика тока.

Wдс(p)-передаточная функция датчика скорости.

КЕ и КМ- конструктивные постоянные двигателя.

Uзад - задание напряжение на контур скорости.

ω - скорость механизма.

Для вычисления параметров регулятора скорости нужно преобразовать контур тока.

Приведём контур тока к виду

,

получим передаточную функцию упрощённого контура тока

.

Убедимся, что переходная характеристика свёрнутого контура тока имеет незначительные отличия от переходной характеристики реального контура.

Рис.17 Структурная схема реального и свёрнутого контура тока.

Рис.18 Переходный процесс упрощённого и реального контура тока.

Как видно из рисунка, разницей между реальным и свёрнутым контуром можно пренебречь.

Если электромеханическая постоянная времени

,

много больше Тяц, что мы и видим из расчетов, то без заметного ущерба для точности расчетов обратной связью по ЭДС двигателя можно пренебречь.

Пренебрегая обратной связью по ЭДС и заменив реальную передаточную функцию замкнутого контура тока упрощенной, получим упрощенную схему контура скорости.

Рис.19 Упрощенная труктурная схема контура скорости

Wрс(p)-передаточная функция регулятора скорости.

Wкт(p)-передаточная функция замкнутого контура тока.

Wмех(p)-передаточная функция механической части.

Wдс(p)-передаточная функция датчика скорости.

Км-конструктивная постоянная двигателя.

а) Датчик скорости представляем апериодическим звеном с передаточной функцией:

 ;

где

 (с).

Тогда получаем предполагаемую передаточную функцию датчика скорости в виде:


б) В структурной схеме механическую часть электропривода представляем интегрирующим звеном с передаточной функцией:

;

где =1790 Нм;

Тогда получаем предполагаемую передаточную функцию механической части в виде:


в) Для настройки контура скорости на симметричный оптимум используем ПИ-регулятор, который имеет передаточную функцию.

;

При настройке внешнего контура в системе подчиненного регулирования, регулятором компенсируем большую постоянную времени, которой является постоянная времени Тмех = Jпр = 1790 (c). А остальные постоянные времени, если они хотя бы на порядок меньше для упрощения настройки принимают как сумму малых постоянных времени. И звенья, содержащие данные малые постоянные времени заменяют одним передаточным звеном.


При таких соотношениях постоянных контура скорости расчет параметров ПИ-регулятора скорости можно осуществить по формулам:

 ;


Рис.20 Структурная схема упрощённого контура скорости

При подаче задающего импульса получаем переходной процесс, соответствующий настройке на симметричный оптимум (43 % перерегулирования).

Рис.22 Переходная характеристика контура скорости.

Рис.22-ЛАФЧХ контура скорости

а) Амплитудно-частотная характеристика.

б) Фазо-частотная характеристика

Из рисунков видно, что перерегулирование переходного процесса контура тока составляет 46%, запас устойчивости контура тока составляет 36 градусов. Следовательно, контур тока настроен на симметричный оптимум.

Для того, чтобы убедится в том, что настройка контура без учёта обратной связи по ЭДС и со свёрнутым контуром тока не сильно скажется на полном контуре, сравним контура.

Рис.24 Сравнение полного и упрощённого контуров скорости

Рис.25 Сравнение переходных процессов полного и упрощённого контуров скорости.

Как видно из рисунка, допущения сказались не сильно, соответственно настройка подходит и для полного контура скорости.

6.5 Выбор датчика скорости (энкодера)

Датчик скорости фирмы Autonics, серии E100H, который подходит для выбранного нами двигателя.

Наименование параметраЗначение параметра


Модель

E100H35

Макс. допустимая скорость вращения, об/мин.

3600

Напряжение питания, В

5В= ±5% 12 - 24В= ±5%

Время отклика, мкс

1

Разрешение, импульс/оборот

512,1024,10000

Диапазон изменения величины аналогового входа/выхода

0÷30мА


.6 Создание системы поддержания натяжения полотна

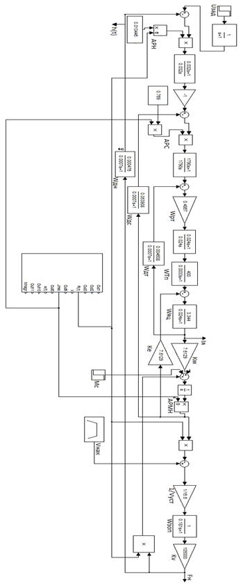
Рис.26 Система поддержания натяжения полотна.

Структурная схема механической части электропривода раската.

По ЭДС пренебрегаю.

Для настройки передаточной функции регулятора натяжения необходимо преобразовать исходную структурную схему. Для этого пренебрегаю обратной связью по ЭДС. Jэм>> 4Tя. Преобразую структурную схему механической части к виду одной передаточной функции Wмех.Чтобы это сделать, нужно найти корни уравнения передаточной функции этих звеньев.


Расписать до конца

 - передаточная функция прямого канала

 - передаточная функция обратного канала

Находим корни характеристического уравнения. Корни комплексные. Это значит, что полученное эквивалентное звено колебательного характера. Следовательно при синтезе контура регулирования натяжения необходимо вводить корректирующее звено, компенсирующее влияние Wмех на вид переходного процесса, или строить более сложный регулятор. Вторым путем создания САР натяжения является переход к трехконтурной системе регулирования натяжения. В дальнейшем синтез САР натяжения ведется из предположения построения трехконтурной системы.

.7 Синтез трехконтурной системы регулирования натяжения полотна

Рис.27 Структурная схема трёхконтурной системы поддержания натяжения полотна.

Синтез контура тока остается неизменным.

6.8 Синтез контура скорости

Для настройки контура скорости на модульный оптимум используем ПИ-регулятор, который имеет передаточную функцию.

Рис.27 Упрощенная структурная схема контура скорости.

;


При таких соотношениях постоянных контура скорости расчет параметров ПИ-регулятора скорости можно осуществить по формулам:

 ;


При подаче задающего импульса получаем переходной процесс, соответствующий настройке на модульный оптимум (4.3 % перерегулирования).

Рис.29 Переходная характеристика контура скорости.

Рис.30-ЛАФЧХ контура скорости

а) Амплитудно-частотная характеристика.

б) Фазо-частотная характеристика

Из рисунков видно, что перерегулирование переходного процесса контура тока составляет 4.4%, запас устойчивости контура тока составляет 64 градусов. Следовательно, контур тока настроен на оптимум по модулю.

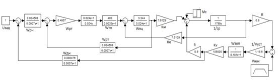
.9 Расчет параметров структурной схемы контура натяжения

В контур натяжения рассматриваемой системы входят регулятор натяжения, тиристорный преобразователь, контур тока, контур скорости и датчик натяжения.

Для вычисления параметров регулятора скорости нужно преобразовать контур скорости.

Приведём контур скорости к виду

,

получим передаточную функцию упрощённого контура скорости

.

Рис.31 Структурная схема реального и свёрнутого контура скорости.

Рис.32 Переходный процесс упрощённого и реального контура скорости.

а) Датчик натяжения представляем апериодическим звеном с передаточной функцией:

 ;

где

 (с).

Тогда получаем предполагаемую передаточную функцию датчика натяжения в виде:


б) Для настройки контура натяжения на симметричный оптимум используем ПИ-регулятор, который имеет передаточную функцию.

;

При таких соотношениях постоянных контура натяжения расчет параметров ПИ-регулятора скорости можно осуществить по формулам:

 ;


Рис.33 Упрощенная структурная схема контура натяжения.

При подаче задающего импульса получаем переходной процесс, соответствующий настройке на симметричный оптимум (4.3 % перерегулирования).

Рис.34 Переходная характеристика контура скорости.

Рис.35-ЛАФЧХ контура скорости

а) Амплитудно-частотная характеристика.

б) Фазо-частотная характеристика

Из рисунков видно, что перерегулирование переходного процесса контура тока составляет 35%, запас устойчивости контура тока составляет 36 градусов. Следовательно, контур тока настроен на симметричный оптимум.

Чтобы смоделировать реальную систему поддержания натяжения развернем внутренние контуры скорости и тока в упрощенном контуре натяжения. При этом переменные параметры оставим статическими.

Рис.36 Структурная схема развёрнутого контура натяжения со статическими параметрами.

Рис.37 График силы натяжения со статическими параметрами.

В 1000 с. подаем возмущающее воздействие 1000 Нм (50% от момента натяжения). Как видно из рисунка, система отработала возмущение без видимых отклонений.

Рис.38 Переходный процесс в обратной связи контура натяжения.

Смоделируем ту же систему, но с динамическими параметрами.

Рис.39 Структурная схема развёрнутого контура натяжения с динамическими параметрами.

Рис.37 График силы натяжения с динамическими параметрами контура при подаче возмущающего воздействия по моменту.

Как видно из рисунка, система хорошо отработала возмущающие воздействия по натяжению и с динамическими параметрами.

.10 Выбор датчика натяжения

Выбираем датчик натяжения фирмы Montalvo, серии U-75,модель 12500.

Наименование параметраЗначение параметра


Напряжение питания,В

5

Номинальный выходной сигнал, мВ

50

Время отклика, мкс

1

Нагрузка, Н

0-12500


7. Заключение

Данная работа заключалась в проектировании электропривода постоянного тока раската ПРС и синтез его системы автоматического регулирования. Во время работы были закреплены полученные ранее знания и приобретены навыки расчета и разработки автоматизированных электроприводов для промышленных установок на примере продольно-резательного станка. Была разработана система электропривода раската: выбраны силовая часть, двигатель, произведён расчёт и синтез системы автоматического регулирования, также была проведена проверка отработки по возмущающим воздействиям.

При проектировании системы автоматического регулирования был использован метод подчиненного регулирования. Отработка системы регулирования осуществлялась прямым методом. Прямой метод регулирования требует более сложные системы наблюдения. Но с современной цифровой техникой, это не представляется проблемой.

8.Список используемой литературы

1.      Королев В.И. Электропривод: методические указания по курсовому проектированию - СПб.: ГОУВПО СПбГТУРП. 2005.

.        Ковчин С.А., Сабинин Ю.А. Теория электропривода - СПб.: Энергоаномиздат. 1994.

Похожие работы на - Разработка электропривода прессовой части БДМ

 

Не нашли материал для своей работы?
Поможем написать уникальную работу
Без плагиата!
Без нейросетей!