Анализ технологического процесса промышленной установки и формулирование требований к автоматизированному электроприводу
СОДЕРЖАНИЕ
ВВЕДЕНИЕ
. АНАЛИЗ
ТЕХНОЛОГИЧЕСКОГО ПРОЦЕССА ПРОМЫШ-ЛЕННОЙ УСТАНОВКИ И ФОРМУЛИРОВАНИЕ ТРЕБОВАНИЙ К
АВТОМАТИЗИРОВАННОМУ ЭЛЕКТРОПРИВОДУ
.1 Описание
промышленной установки
.2 Анализ
технологического процесса и выбор управляемых координат электропривода
.3
Формулирование требований к автоматизированному электроприводу
.
ПРОЕКТИРОВАНИЕ ФУНКЦИОНАЛЬНОЙ СХЕМЫ АВТОМАТИЗИРОВАННОГО ЭЛЕКТРОПРИВОДА
.1
Литературный обзор систем электропривода, применяемых в промышленной установке
.2 Выбор
рациональной системы электропривода
.3
Проектирование функциональной схемы автоматизированного электропривода
. ВЫБОР
ЭЛЕКТРОДВИГАТЕЛЯ
.1 Анализ
кинематической схемы механизма. Разработка расчётной схемы механической части
электропривода и определение её параметров
.2 Расчёт нагрузок
и построение механической характеристики и нагрузочной диаграммы механизма
.3
Предварительный выбор двигателя по мощности
.4 Выбор
номинальной скорости двигателя и типоразмера двигателя
.5 Построение
нагрузочной диаграммы электропривода
.6 Проверка
выбранного электродвигателя по нагреву и перегрузочной способности
.
ПРОЕКТИРОВАНИЕ ПРЕОБРАЗОВАТЕЛЯ ЭЛЕКТРИЧЕСКОЙ ЭНЕРГИИ
.1
Определение возможных вариантов и обоснование выбора вида преобразователя
электрической энергии
.2 Расчет
параметров и выбор элементов силовой цепи
.
ПРОЕКТИРОВАНИЕ СИСТЕМЫ АВТОМАТИЧЕСКОГО УПРАВЛЕНИЯ
.1 Выбор
датчиков управляемых координат автоматизированного электропривода
.2 Разработка
математической модели автоматизированного электропривода
.3 Расчёт
параметров объекта управления
.4
Определение структуры и параметров управляющего устройства
. РАСЧЁТ И
АНАЛИЗ ДИНАМИЧЕСКИХ И СТАТИЧЕСКИХ ХАРАКТЕРИСТИК АВТОМАТИЗИРОВАННОГО
ЭЛЕКТРОПРИВОДА
.1 Разработка
имитационной модели электропривода
.2 Расчет и
определение показателей качества переходных процессов
.3 Построение
статических характеристик электропривода
.
ОКОНЧАТЕЛЬНАЯ ПРОВЕРКА ДВИГАТЕЛЯ ПО НАГРЕВУ С УЧЕТОМ ТОЧНОЙ НАГРУЗОЧНОЙ
ДИАГРАММЫ
.1 Построение
точной нагрузочной диаграммы электропривода за цикл работы автоматизированного
электропривода
.2 Проверка
электродвигателя по нагреву
ПРОЕКТИРОВАНИЕ
СИСТЕМЫ АВТОМАТИЗАЦИИ ПРОМЫШЛЕННОЙ УСТАНОВКИ
.1
Формализация условий работы промышленной установки
.2 Разработка
алгоритма и программы управления
.3 Разработка
функциональной схемы системы автоматизации
.4 Выбор
аппаратов системы автоматизации
.5
Проектирование схемы электрической соединений системы автоматизации
.
ПРОЕКТИРОВАНИЕ СХЕМЫ ЭЛЕКТРОСНАБЖЕНИЯ И ЭЛЕКТРИЧЕСКОЙ ЗАЩИТЫ ПРОМЫШЛЕННОЙ
УСТАНОВКИ
.1 Выбор
аппаратов, проводов и кабелей
. ПРОЕКТИРОВАНИЕ
СХЕМЫ ЭЛЕКТРИЧЕСКОЙ СОЕДИНЕНИЙ АВТОМАТИЗИРОВАННОГО ЭЛЕКТРОПРИВОДА
.1 Схема
электрическая соединений автоматизированного электропривода
.2
Составление перечня элементов электрооборудования промышленной установки
. ОХРАНА
ТРУДА
.1 Меры
безопасности при выполнении работ на базовой установке
.2
Производственная санитария
.3. Пожарная
безопасность
.
ЭКОНОМИЧЕСКОЕ ОБОСНОВАНИЕ ТЕХНИЧЕСКИХ РЕШЕНИЙ
.1 Общие
сведения
.2 Расчет
начальных затрат
.3
Определение эксплуатационных затрат
ЗАКЛЮЧЕНИЕ
СПИСОК
ИСПОЛЬЗОВАННЫХ ИСТОЧНИКОВ
ВВЕДЕНИЕ
Металлорежущие станки являются распространенными производственными
машинами, предназначенными для механической обработки заготовок из металла
режущими инструментами. Современный металлорежущий станок оборудован сложной
системой автоматизированного электропривода, которую разделяют на два основных
типа: привод главного движения и привод подачи. От надежной и
синхронизированной работы которых зависит качество выпускаемой продукции.
Поэтому при проектировании автоматизированного электропривода станков одной из
важных задач является правильный выбор электродвигателя по мощности. Для этого
необходимо произвести расчет режимов резания для всех типовых деталей,
обрабатываемых на данном станке, и по результатам этих расчетов выбрать типоразмер
двигателя, который обеспечивает обработку при наибольшей нагрузке.
Развитие в области силовой и вычислительной электроники создали
предпосылки к появлению более надежных, точных и недорогих систем
электропривода, что в свою очередь привело к необходимости модернизации
существующих громоздких, дорогих приводов.
Кроме того осуществляется кардинальный переход к полной автоматизации
промышленных предприятий, т.е. к «безлюдным» технологиям, в которых человек
выполняет общую контролирующую роль, а всем техпроцессом управляет
автоматизированная система управления технологическим предприятием (АСУ ТП).
Таким образом, поставленные перед данным дипломным проектом задачи по
модернизации привода поперечного движения токарно-винторезного станка модели
16А20Ф3 и его автоматизация, являются актуальными.
1. АНАЛИЗ ТЕХНОЛОГИЧЕСКОГО ПРОЦЕССА ПРОМЫШЛЕННОЙ УСТАНОВКИ И
ФОРМУЛИРОВАНИЕ ТРЕБОВАНИЙ К АВТОМАТИЗИРОВАННОМУ ЭЛЕКТРОПРИВОДУ
.1 Описание
промышленной установки
Металлорежущие станки являются распространенными производственными
машинами, предназначенными для механической обработки заготовок из металла
режущими инструментами. Путем снятия стружки заготовке придаются требуемая
форма, размеры и чистота поверхности. В зависимости от характера выполняемых
работ, вида применяемых инструментов и формы образуемой поверхности
металлорежущие станки подразделяются на девять групп, среди которых можно
выделить станки токарной группы.
Станок модели 16А20Ф3 предназначен для токарной обработки деталей типа
тел вращения в замкнутом полуавтоматическом цикле.
Диапазон регулирования частот вращения шпинделя и
подач позволяет производить обработку изделий как из обычных черных и цветных
металлов, так и легированных сталей.
Станок может применяться в различных отраслях
промышленности в индивидуальном, мелкосерийном и серийном производстве с
мелкими повторяющимися партиями деталей.
Станки могут выпускаться с различными устройствами
ЧПУ, в исполнении для встраивания в гибкие производственные модули, а также в
специальном и специализированном исполнении при оснащении наладками по
согласованию с заказчиком.
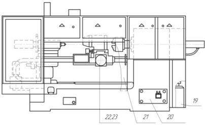
Общий вид станка модели 16А20Ф3 и расположение
составных частей показаны на рисунке 1.1-1.2. Состав оборудования станка
приведен в таблице 1.1.[1]. Основные технические данные и характеристики станка
модели 16А20Ф3 приведены в таблице 1.2. [1]
Рисунок 1.1 - Компоновка станка (вид спереди)
Рисунок 1.2 - Компоновка станка (вид сзади)
Таблица 1.1
Перечень составных элементов станка
|
Номер позиции на рисунке 1.1,2
|
Наименование
|
Номер позиции на Рисунке 1.1,2
|
Наименование
|
|
1
|
Основание с транспортёром стружки
|
13
|
Бабка задняя
|
|
2
|
Станина
|
14
|
Электромеханический привод пиноли задней бабки
|
|
3
|
Суппортная группа
|
15
|
Разводка коммуникаций
|
|
4
|
Передача винт-гайка качения (ВГК) продольного перемещения
|
16
|
Пульт управления
|
|
5
|
Опора левая винта продольного перемещения
|
17
|
Кронштейн пульта управления
|
|
6
|
Патрон механизированный с электромеханическим приводом
|
18
|
Опора правая винта продольного перемещения
|
|
7
|
Ограждение неподвижное
|
19
|
Станция смазки шпиндельной бабки
|
|
8
|
Ограждение подвижное
|
20
|
Установка моторная
|
|
9
|
Бабка шпиндельная
|
21
|
Ограждение задней зоны
|
|
10
|
Шкафы управления
|
22
|
Привод поперечного перемещения
|
|
11
|
Головка автоматическая
|
23
|
Передача ВГК поперечного перемещения
|
|
12
|
Ограждение суппортной группы
|
24
|
Монитор
|
Таблица 1.2
Основные технические данные и характеристики станка
|
№
|
Наименование параметра, размерность
|
Величина параметра
|
|
1
|
Показатели заготовки, обрабатываемой на станке
|
|
1.1
|
Наибольший диаметр устанавливаемого изделия над станиной,
мм
|
500
|
|
1.2
|
Наибольшая длина устанавливаемого изделия в центрах, мм
|
900
|
|
1.3
|
Наибольший диаметр обрабатываемого изделия над станиной, мм
не менее
|
320
|
|
1.4
|
Наибольший диаметр обрабатываемого изделия над суппортом,
мм не менее
|
200
|
|
1.5
|
Наибольшая длина обрабатываемого изделия в зависимости от
установки инструментальной головки, мм, с числом позиций: 6 8 12
|
900 750 850
|
|
2
|
Показатели инструмента, устанавливаемого на станке
|
|
2.1
|
Число позиций инструментальной головки
|
8 (6,12 по заказу)
|
|
2.2
|
Наибольшая высота резца, устанавливаемого в резцедержателе,
мм
|
25
|
|
3
|
Показатели основных и вспомогательных движений станка
|
|
3.1
|
Количество скоростей шпинделя: прямого вращения обратного
вращения
|
3 3
|
|
3.2
|
Пределы частот шпинделя, мин-1
|
20-2500
|
|
3.3
|
Пределы шагов нарезаемых резьб
|
0,25-40
|
|
4
|
Бабка шпиндельная
|
|
|
4.1
|
Центр в шпинделе с конусом Морзе
|
6 по ГОСТ 13214
|
|
4.2
|
Конец шпинделя фланцевого
|
6К ГОСТ 12593
|
|
4.3
|
Диаметр цилиндрического отверстия в шпинделе, мм
|
55
|
|
4.4
|
Диаметр шпиндельного фланца, мм
|
170
|
|
5
|
Бабка задняя
|
|
5.1
|
Центр пиноли с конусом Морзе
|
5 по ГОСТ 13214
|
|
5.2
|
Наибольшее перемещение пиноли, мм, не менее
|
150
|
|
5.3
|
Величина поперечного смещения корпуса, мм
|
±15
|
|
6
|
Суппортная группа
|
|
6.1
|
Наибольший ход суппортов не менее, мм: по оси X по оси Z
|
210 905
|
|
6.2
|
Дискретность перемещения, мм: по оси X по оси Z
|
0,001 0,001
|
|
6.3
|
Максимальная скорость быстрых перемещений мм/мин:
продольных поперечных
|
1500 7500
|
|
6.4
|
Минимальная скорость рабочей подачи мм/мин: продольных
поперечных
|
10 5
|
|
6.5
|
Максимальная рекомендуемая скорость рабочей подачи мм/мин:
продольных поперечных
|
2000 1000
|
|
7
|
Показатели силовой характеристики станка
|
|
7.1
|
Наибольший крутящий момент на шпинделе, Нм
|
800
|
|
7.2
|
Наибольшее усилие продольной подачи, Н
|
10000
|
|
8
|
Характеристика электрооборудования
|
|
8.1
|
Род тока питающей сети
|
Переменный трёхфазный
|
|
8.2
|
Частота тока, Гц
|
50
|
|
8.3
|
Напряжение, В
|
380
|
|
8.4
|
Напряжение цепи управления, В
|
110 и 22
|
|
8.5
|
Напряжение цепи местного освещения, В
|
24
|
|
8.6
|
Мощность привода главного движения, кВт
|
11
|
|
8.7
|
Мощность привода продольного перемещения, кВт
|
2,2
|
|
8.8
|
Мощность привода поперечного перемещения, кВт
|
0,25
|
|
8.9
|
Мощность привода станции смазки каретки, кВт
|
0,18
|
|
8.10
|
Мощность привода станции смазки шпиндельной бабки, кВт
|
0,27
|
|
8.11
|
Мощность привода насоса охлаждения, кВт
|
0,12
|
|
8.12
|
Мощность привода резцедержателя, кВт
|
0,37
|
|
8.13
|
Суммарная мощность установленных на станке
электродвигателей , кВт
|
14,4
|
|
8.14
|
Суммарная потребляемая мощность станка, (наибольшая), кВт
|
17
|
|
9
|
Показатели габарита и массы станка
|
|
9.1
|
Габаритные размеры станка, мм, не более: длина ширина
высота
|
3200 1600 2100
|
|
9.2
|
Масса станка, кг, не более
|
4000
|
1.2 Анализ
технологического процесса и выбор управляемых координат электропривода
Станок предназначен для токарной обработки в замкнутом цикле в патроне и
центрах деталей с прямолинейным, ступенчатым и криволинейным профилем. На
станке можно производить наружное точение, растачивание, сверление, нарезание
резьбы по программе. Диапазон регулирования частот вращения шпинделя и подач
позволяет производить обработку изделий как из обычных черных и цветных
металлов, так и легированных сталей. Обработка заготовки производится путем
снятия стружки, в результате чего, она принимает форму близкую к требуемой
(черновая обработка) или совпадающую с ней в пределах определенной точности
размеров (чистовая обработка).
Процесс обработки деталей проходит в несколько этапов. В начале включается привод главного
движения (шпинделя), что требуется по условиям безопасной работы. После этого
осуществляется ускоренный подвод суппорта с режущим инструментом к
обрабатываемой детали. Далее происходит переход к рабочей подаче. При врезании
инструмента в обрабатываемую деталь начинается процесс резание металла,
сопровождаемый съемом определенного слоя стружки. По окончанию процесса резания
суппорт отводится от детали в исходное положение на быстром ходу. После этого
происходит остановка привода главного движения. По завершению обработки можно
производить смену детали. Покажем тахограмму электропривода работы станка
(привода) за цикл одного чернового и одного чистового прохода, которая
представлена на рисунке 1.3.
Рисунок
1.3 - Тахограмма работы электропривода токарного станка
-
разгон двигателя; 2 - холостой ход; 3 - врезание; 4 - резание; 5 - остановка
двигателя; 6 - отвод инструмента; 7 - разгон двигателя в обратную сторону для
возвращения резца на исходную позицию; 8 - холостой ход (скорость быстрых
перемещений); 9 - торможение двигателя; 10 - смена инструмента.
В токарных станках основными приводами являются: главный привод и привода
подач (продольная и поперечная). В процессе снятия стружки резцом возникает
усилие, приложенное под некоторым углом к режущей кромке инструмента, которое
можно представить в виде трех составляющих (рисунок 1.4).
Рисунок 1.4 - Усилия резания
S -- подача,
т. е. перемещение резца, приходящееся на один оборот изделия. Величина t -- глубина резания (расстояние между
обработанной и обрабатываемой поверхностями).
В электроприводе поперечной подачи усилие (момент) резания постоянно на
всём диапазоне регулирования и это обусловлено большой составляющей сил трения.
Оптимальное протекание процесса резания требует от системы управления
возможности регулирования скорости.
.3 Формулирование требований к автоматизированному электроприводу.
Требования к системе предъявляются исходя из технологического процесса и
должны быть реализованы в ходе анализа и синтеза электропривода [2]. Основные
требования, предъявляемые к электроприводу поперечной подачи:
·
обеспечение
плавного пуска двигателя с ограниченным значением момента и ускорения
·
обеспечение
реверса привода;
·
регулирование
скорости при постоянном моменте нагрузки;
·
обеспечение
диапазона регулирования скорости:
;
·
точность
регулирования, т.е. отработка больших, средних и малых перемещений;
·
высокие
требования к переходным процессам и динамическим показателям системы
электропривода, при регулировании не должно происходить резких бросков тока и
скачков скорости, то есть регулирование должно осуществляться плавно, чтобы
величины перерегулирования скорости и тока не превышали пятипроцентный барьер.
Основные требования, предъявляемые к системе автоматизации следующие:
·
наличие
блокировок и защит;
·
минимальные
габариты и масса;
·
удобство монтажа,
наладки и диагностики, а также ремонта;
- соответствие требованиям техники безопасности;
- обеспечение помехозащищенности и исключение радиопомех.
Основные виды защиты:
·
от токовых
перегрузок;
·
от исчезновения
напряжения в цепи управления и силовой цепи;
·
от неправильного
чередования фаз;
·
от превышения
скорости.
Основные виды блокировок:
·
от
самопроизвольного пуска;
·
блокировка
включения привода подачи при отключенном приводе главного движения.
2. ПРОЕКТИРОВАНИЕ ФУНКЦИОНАЛЬНОЙ СХЕМЫ АВТОМАТИЗИРОВАННОГО ЭЛЕКТРОПРИВОДА
.1 Литературный обзор систем электропривода, применяемых в промышленной
установке
Традиционно в приводах подач используются системы электроприводов на
основе двигателей постоянного тока, асинхронный двигателей и синхронных
двигателей с постоянными магнитами. Используя [2], выделим некоторые
комплектные электропривода, которые могут применяться в механизмах подач
металлорежущих станков.
Асинхронный двигатель и коробка скоростей
На некоторых станках и до настоящего времени применяют трехфазные одно- и
двухскоростные асинхронные двигатели с чисто механической системой
регулирования скорости. Переключения шестерен коробки скоростей осуществляется
с помощью электромагнитных фрикционных муфт. Ступенчатое механическое
регулирование угловой скорости не обеспечивает для разных диаметров инструмента
обработки наиболее выгодную скорость резания. Следовательно, станок не может
обеспечить высокую производительность при различных диаметрах инструмента.
Кроме того, коробка скоростей представляет собой довольно сложную и громоздкую
конструкцию, стоимость которой возрастает с увеличением числа ступеней.
Электроприводы постоянного тока ЭПУ1
Трехфазные тиристорные электроприводы ЭПУ1 по назначению делятся на две
группы: для механизмов подач и для главного движения станков (исполнение Д).
Электроприводы выпускаются нескольких модификаций в виде нереверсивного
(ЭПУ1-1) и реверсивного (ЭПУ1-2) с двух- и однозонным регулированием скорости с
обратной связью по скорости (исполнение М) или с обратной связью по ЭДС
(исполнение Е).
Силовые схемы тиристорного преобразователя (ТП) для питания якоря
двигателя выполняются по трехфазной мостовой схеме с силовыми оптронными
тиристорами на токи до 100 А и силовыми тиристорами на токи 200, 400, 630 А с
одним комплектом вентилей для нереверсивного ЭП и двумя для реверсивного. ЭП
выполняются с трансформаторным питанием и ограничивающими реакторами. В якорной
цепи для высокомоментных двигателей предусмотрен сглаживающий реактор.
Выпрямитель для обмотки возбуждения двигателя выполняется по одно- и трехфазным
схемам выпрямления с диодами. В двухзонных ЭП используется тиристорный
преобразователь возбуждения. Максимально-токовая защита ЭП с двигателем на токи
до 100 А производится плавкими предохранителями, а выше 100 А - автоматическим
выключателем.
Быстродействующие электроприводы постоянного тока с широтно-импульсными
преобразователями
Выпускаются ЭП с широтно-импульсными преобразователями (ШИП - Д),
питающиеся от сети переменного тока через неуправляемый выпрямитель. Такие ЭП
более быстродействующие, чем ЭП с управляемыми выпрямителями (полоса
пропускания до 200 - 250 Гц), обеспечивают высокие диапазоны регулирования
скорости ( до 10 000 и выше) с высокой плавностью вращения двигателя, имеют
меньшие потери и более высокий коэффициент мощности. Последней разработкой
является трехкоординатный ЭП типа ЭШИМ-1, предназначенный в первую очередь для
ЭП механизмов роботов. В ЭП применен трехобмоточный питающий трансформатор с
двумя вторичными обмотками, служащими для раздельного питания силовой части ЭП
и системы управления. Блок питания обеспечивает работу от одного до трех блоков
регулирования (при одной-трех координатах управления). Блок регулирования содержит
силовой трехфазный выпрямитель со сглаживающим фильтром, разрядники для
ограничения перенапряжений, возникающих при торможении двигателя или со стороны
питающей сети, и для обеспечения аварийного торможения двигателей любой
координаты; устройство защитного отключения при авариях и источник питания
цепей управления. Система управления ЭП двухконтурная с ПИ-регулятором скорости
и релейным регулятором тока. Регулятор скорости выполнен с перестраиваемой в
функции скорости коррекцией.
Асинхронный электропривод с преобразователем частоты
Электропривод содержит: асинхронный двигатель; тиристорный
преобразователь частоты (ТПЧ), в силовую схему которого входят: трехфазный
мостовой регулируемый выпрямитель (преобразователь напряжения) со звеном
постоянного тока; автономный инвертор напряжения, фильтр; блок подзаряда
конденсаторов: узел силового токоограничения; датчик тока.
Замкнутая система ЭП построена по принципу сравнения сигнала задания тока
с сигналом обратной связи по внутренней току двигателя.
В ТПЧ используется автономный инвертор напряжения с пофазной коммутацией,
коммутирующее устройство которого служит для попеременного запирания тиристоров
двух вентильных плеч, относящихся к одной фазе инвертора. Схема автономного
инвертора содержит: мост коммутирующих тиристоров; разделительные диоды.
Независимость напряжения на коммутирующем конденсаторе от напряжения
питания можно обеспечить, применяя подзаряд конденсатора от посторонних
источников через тиристоры подзаряда после окончания коммутации тока в основных
тиристорах.
Поэтому для обеспечения постоянной коммутационной способности инвертора
при регулировании амплитуды и частоты выходного напряжения в преобразователе
применяется источник подзаряда коммутирующих конденсаторов, состоящий из
неуправляемого (или полууправляемого) выпрямителя, выполненного по трехфазной
мостовой схеме. Напряжение на его выходе фильтруется Т-образным фильтром. В
схеме ЭП осуществляется максимально-токовая защита. Защита тиристоров рабочих,
коммутирующих, подзаряда и разделительных диодов от перенапряжений
осуществляется цепями RC.
Комплектный асинхронный электропривод типа «Размер 2М-5-2»
Асинхронный ЭП типа «Размер 2М-5-2» предназначен для работы в системах
автоматического регулирования скорости электродвигателей в ЭП главного движения
и подач металлорежущих станков и промышленных роботах с системами ЧПУ.
Электропривод имеет систему управления тиристорный преобразователь
частоты - асинхронный двигатель (ТПЧ-АД) с частотно-токовым векторным
управлением. Он обеспечивает глубокое регулирование скорости (D = 10 000).
Система управления ЭП двухконтурная с ПИ - РС и трехфазным релейным РТ.
Скорость двигателя определяется задающим напряжением Uз,с.
Инвертор тока (ИТ) представляет собой трехфазную мостовую схему с
питанием от звена постоянного тока, работающую на частоте коммутации f = 3 кГц. Каждая фаза моста содержит
по два силовых прерывателя, которые поочередно подключают вывод обмотки АД к
положительному либо к отрицательному полюсу звена постоянного тока.
Переключение происходит с указанной частотой, управление последовательностью
переключений осуществляется РТ. Ключи трехфазного мостового инвертора или
прерыватели состоят из нескольких параллельно включенных транзисторов,
управляющего тиристора, соединенного с основными по схеме составного тиристора,
и вентиля обратного моста.
Электропривод обеспечивает работу с номинальными моментами двигателей от
7 до 47 Н·м во всех квадрантах механических характеристик. В ЭП имеется
быстродействующая защита силовых транзисторов ИТ от перегрузки (более 60 А) с
помощью ТЗК. Кроме того, предусмотрена защита от перегрева, от недопустимого
превышения или снижения напряжения источников питания. При исчезновении
напряжения сети обеспечивается аварийное торможение двигателя.
Электроприводы ЭТА-1
Электроприводы переменного тока ЭТА-1 рекомендуются для применения в
различных производственных механизмах, требующих плавного регулирования и
стабилизации скорости. Электроприводы выполнены на базе двух фазных асинхронных
короткозамкнутых двигателей и тиристорных преобразователей частоты с
непосредственной связью. Статорные обмотки двигателя гальванически не связаны и
каждая из них получает питание от своего преобразователя. Двигатели снабжены
пространственным комплексным датчиком, содержащим бесконтактный тахогенератор и
фотоимпульсный датчик положения ротора.
Система автоматического регулирования электропривода выполнена по
двухконтурной структуре с ПИ-регулятором скорости и внутренним контуром
регулирования тока и реализует частотно-токовый принцип управления асинхронным
двигателем. На вход регулятора скорости подается задающий сигнал с задатчика
интенсивности и сигнал отрицательной обратной связи по скорости от
тахогенератора. Регулятор скорости формирует на выходе сигнал задания частоты
скольжения, который в качестве сигнала задания тока подается на координатный
преобразователь. Координатный преобразователь формирует два сигнала управления
на преобразователь частоты.
Комплектный тиристорный электропривод переменного тока серий ЭПБ1 и ЭПБ2
Электроприводы ЭПБ предназначены для одно-, двух- и трех координатных
механизмов подачи металлорежущих станков, промышленных роботов и других
механизмов, требующих широкого диапазона регулирования скорости. Электропривод
построен по системе тиристорный преобразователь частоты - синхронный двигатель
(ТПЧ-СД) с частотно-токовым управлением. Он обеспечивает высокое быстродействие
и малые уровни шума и электромагнитных потерь в двигателе. В состав ЭПБ1
входят: бесколлекторный СД с возбуждением от постоянных магнитов в роторе с
пристроенными тахогенератором и датчиком углового положения ротора (в состав
двигателя дополнительно могут входить встроенный тормоз, терморезисторы и
пристроенный оптронный датчик пути); блок регулирования; блок питания (питание
ЭП может осуществляться через силовой трансформатор и без трансформатора);
автоматический выключатель; токоограничивающие резисторы; контактор (магнитный
пускатель).
Инвертор тока осуществляет питание двигателя и обеспечивает регулирование
частоты напряжения на двигателе и ток в фазах обмотки статора в соответствии с
требуемой скоростью и моментом двигателя. Инвертор тока вместе с датчиком
положения выполняет роль коллектора (как в двигателе постоянного тока).
Система управления ЭП - двухконтурная с ПИ-РС и безынерционным релейным
РТ. Для согласования реверсивного сигнала задания тока uз,т с нереверсивным сигналом датчика тока uт используется переключатель характеристик, управляемый
логическим устройством.
В ЭП предусмотрены следующие электрические защиты: нулевая,
максимально-токовая; защиты от перегрева двигателя; от прекращения вентиляции и
обрыва возбуждения тахогенератора. Имеется блокировка от ползучей скорости
двигателя.
.2 Выбор рациональной системы электропривода
Характер технологического процесса оказывает основное влияние на режимы работы
электропривода и определяет главные требования, предъявляемые к нему.
Электропривод поперечной подачи должен обеспечивать глубокое регулирование
угловой скорости при постоянстве момента нагрузки, высокие динамические
показатели системы, и кроме того, должен точно отрабатывать большие, средние и
малые перемещения.
Для привода подачи применим только регулируемый электропривод т.к
производится регулирование скорости движения в широких пределах, предъявляются
высокие требования к качеству регулирования .
Регулируемый электропривод с плавным изменением частоты вращения в
широком диапазоне наилучшим образом удовлетворяет условиям автоматического
регулирования.
Наиболее распространенным видом привода вследствие своей простоты и
наименьших капитальных вложений является короткозамкнутый асинхронный
электродвигатель. Этот вид привода применяется от самых малых мощностей до
нескольких тысяч киловатт, кроме того, он отличается простой конструкцией,
высокой надежностью и удобством в обслуживании. Управление механическими
координатами, основными из которых являются скорость вращения и момент на валу,
в электроприводе с асинхронным двигателем с короткозамкнутым ротором может быть
осуществлено тремя основными методами:
изменением напряжения приложенного к двигателю, при этом частота
питающего напряжения постоянна;
- изменением амплитуды и частоты приложенного напряжения -
скалярное управление;
векторным управлением.
Первый метод используется для регулирования скоростью в небольших
пределах и является энергетически эффективным только для технологических
установок с нагрузочными характеристиками, не выходящих за область допустимых
моментов на валу двигателя. Данный метод широко применяется для облегчения
пуска асинхронного двигателя, кроме того в настоящее время подобные системы
оснащены целым рядом дополнительных функций: защита от короткого замыкания и
перегрузок по току, реверс двигателя, возможность интеграции в комплексные
системы автоматического управления и т.д.
Описанный метод управления не может в полной мере обеспечить
энергетически и функционально эффективного управления асинхронным
электроприводом. Для этих целей исторически первыми применялись преобразователи
частоты с непосредственной связью. Простая и естественная компоновка такого
преобразователя частоты позволяет получать из высокой частоты низкую. Верхняя
частота регулирования ограничена частотой питающей сети, что снижает область
применения данных преобразователей. В настоящее время такого рода
преобразователи также используют для осуществления плавного пуска асинхронных
двигателей большой мощности и регулировании частоты вращения двигателя при не
большом диапазоне регулирования.
Теоретически безукоризненный способ управления координатами
электропривода с короткозамкнутым асинхронным двигателем состоит в изменении
частоты питающего напряжения с одновременным воздействием на его амплитуду -
это, так называемое, скалярное управление. Для его осуществления в настоящее
время используются преобразователь частоты на основе автономного инвертора.
Скалярное управление позволяет плавно регулировать скорость вращения ротора
асинхронного двигателя. При этом в зависимости от нагрузочных характеристик
исполнительного механизма, применяют различные законы формирования частоты и
амплитуды подводимого к двигателю напряжения. Самым распространенным из них
является закон U к f константа.
При проектировании частотно-регулируемого автоматизированного
электропривода, следует помнить об ухудшении вентиляции двигателя. Вентилятор
любого общепромышленного двигателя рассчитывается исходя из работы на
номинальной скорости. Если же скорость уменьшается - уменьшается и
эффективность работы вентилятора, что может вызвать перегрев двигателя. Для
работы в длительном режиме на пониженных частотах и с номинальным моментом,
необходимо использовать специальный двигатель или общепромышленный двигатель,
обдуваемый внешним вентилятором.
Если необходимо обеспечить наилучшую динамику системы применяется
векторное управление, фактически обеспечивающее амплитудно-фазовое управление.
Данное управление позволяет получить высокий пусковой момент и сохранить его до
номинальной скорости асинхронного электродвигателя. Векторное управление
обеспечивает высокое качество регулирования по скорости, даже при
скачкообразном изменении момента сопротивления на валу. Важно и то, что
векторное управление позволяет наилучшим образом обеспечить энергосбережение,
так как преобразователь частоты (инвертор) передает в двигатель ровно столько
мощности, сколько необходимо для вращения нагрузки с заданной скоростью, даже
если входное напряжение больше чем 380В. Экономия электроэнергии особенно
заметна на мощных двигателях 11кВт и выше.
Т.о. рационально использовать систему электропривода ПЧ - АД с
частотно-токовым способом управления. При частотно-токовом способе управления
асинхронными двигателями сигнал на входе электропривода формирует момент на
валу электродвигателя. Механические характеристики привода являются мягкими.
Так как функциональная зависимость момента электродвигателя переменного тока от
величины тока якоря является более прочной, чем от величины напряжения на
якоре, входной сигнал формирует ток якоря. Мгновенные значения токов якоря в
фазах обмотки определяются входными сигналами (требуемым моментом) и условным
положением ротора.
Они должны соответствовать требованиям к мгновенным значениям токов
многофазной симметричной системы.
Отличительной чертой приводов с частотно-токовым управления является
применение в них преобразователей энергии на основе усилителей тока,
представляющих собой усилители напряжения, охваченные глубокой отрицательной
связью по мгновенным значениям токов фаз электродвигателя. В этом случае
напряжение на фазах электродвигателя автоматически формируется преобразователем
энергии для заданного режима.
Преимущества частотно-токового управления:
высокие статические и динамические показатели электропривода, момент
на валу является линейной функцией входного сигнала для всех скоростей привода;
- исключается возможность выпадения из синхронизма, опрокидывание
и качание электродвигателей переменного тока;
при достаточно простых технических средствах возможно
оптимальное использование электродвигателей для получения как максимального
момента на валу при заданном токе, так и высоких энергетических показателей;
высокая надежность работы преобразователя энергии так как
осуществляется контроль за мгновенными значениями токов фаз двигателя.
Из выше изложенного материала можно сделать следующий вывод, что для
привода поперечного движения станков наиболее рациональной системой
электропривода будет - ПЧ-АД.
.3 Проектирование функциональной схемы автоматизированного
электропривода.
Среди возможных вариантов реализации электропривода поперечной подачи
можно выделить следующую систему ПЧ-АД с ориентацией координатной системы по
направлению вектора потокосцепления ротора (векторное управление).
Выбор данной системы обусловлен следующими причинами:
Обеспечивает глубокое регулирование угловой скорости при постоянстве
момента нагрузки, и кроме того, обеспечивает скорость выше номинальной, за счёт
ослабления потока. Эта скорость необходима при быстром подводе инструмента,
когда нет момента нагрузки.
- Имеет высокие динамические показатели, маленькая величина
перерегулирования.
Позволяет точно отрабатывать заданное перемещение.
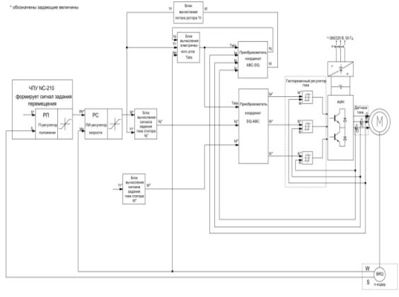
Функциональная схема системы векторного управления
электропривода составлена с учетом необходимости координатных преобразований.
Она содержит регулятор положения (РП), регулятор скорости (РС), блоки
вычисления сигнала задания тока статора I*q, Id*, вычисления потока ротора,
электрического угла, преобразователи координат ABC-DQ и DQ-ABC, гистерезисные регуляторы тока, неуправляемый
выпрямитель, фильтр на его выходе, АИН от которого питается асинхронный
двигатель М, датчик скорости и положения BRQ. Функциональная схема системы векторного управления
представлена на рисунке 2.1.
Рисунок 2.1 - Функциональная схема системы векторного управления
электропривода
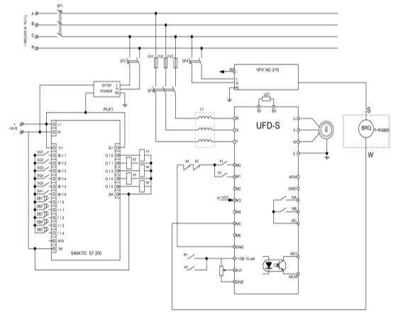
Используя функциональную схему векторного управления спроектируем
функциональную схему автоматизированного электропривода. На схеме приняты
следующие обозначения: SITOP POWER - блок
питания, PLK - контроллер автоматизации, ЧПУ NC-210 - числовое программное
устройство, UFD-S, M1; UFD-S1, M2; UFD-E, M3 - электропривод
поперечной, продольной подачи и электропривод главного движения.
Рисунок 2.2 - Функциональная схема автоматизированного электропривода
3. ВЫБОР
ЭЛЕКТРОДВИГАТЕЛЯ
В данном пункте дипломного проекта рассматривается выбор электродвигателя
для электропривода поперечной подачи токарного станка. Выбор мощности
электродвигателя для привода подачи осуществляют исходя из действующих
нагрузок, параметров механической характеристики привода, особенностей его
цикла работы.
Исходные данные [1]:
. Минимальная и максимальная скорости рабочей подачи суппорта:
;
.
.
Максимальная скорость быстрых перемещений суппорта:
.
.
Масса суппорта:
.
.
Масса и диаметр обрабатываемой детали:
;
.
5. Шаг ходового винта:
.
.
Ускорение суппорта в направлении поперечного перемещения:
.1
Анализ кинематической схемы механизма. Разработка расчётной схемы механической
части электропривода и определение её параметров
Кинематическая
схема для привода механизма поперечной подачи токарного станка 16А20Ф3
представлена на рисунке 3.1:
Рисунок
3.1 - Кинематическая схема механизма
АД
- асинхронный двигатель;
ИМ
- исполнительный механизм;
М
- муфта;
ДП
- датчик положения.
Приведенная
схема наглядно отражает то положение, что механическая часть электропривода
представляет собой систему связанных масс, движущихся с различными скоростями
вращательно и поступательно. Вал электродвигателя соединяют с редуктором или
исполнительным механизмом с помощью упругой муфты, применение которой позволяет
допустить их относительное смещение, снижает амплитуду изменения крутящего
момента при разгоне и торможении привода, предохраняет ходовой винт от нагрева
теплотой, выделяемой электродвигателем, снижает колебания в приводе.
Соединительная муфта оказывает существенное влияние на точность и жёсткость
привода.
Для анализа движения механической части электропривода осуществляется
переход от реальной кинематической схемы к расчетной, с которой массы и моменты
инерции движущихся элементов и их жесткости, а также силы и моменты,
действующие на эти элементы, заменены эквивалентными величинами, приведенными к
одной и той же скорости. Процесс перехода к расчетным схемам обычно называют
приведение, а величины называются приведенными.
Данная механическая схема представляет собой систему связанных масс,
движущихся с различными скоростями. Механические связи в такой системе можно
принять абсолютно жесткими, исходя из чего, механическую схему механизма можно
представить в виде одномассовой модели, показанной на рисунке 3.2:
Рисунок 3.2 - Механическая модель электропривода
Рассчитаем радиус приведения для передачи типа винт-гайка:
.(3.1)
Момент
инерции механизма определим как:
.(3.2)
.2
Расчёт нагрузок и построение механической характеристики и нагрузочной
диаграммы механизма
Проанализировав
технологический процесс нашего механизма, можно сделать вывод: момент нагрузки
у нас постоянный, следовательно, при изменении частоты вращения двигателя наша
нагрузка не изменяется.
Рисунок
3.3 - Механическая характеристика механизма
Зададимся
следующим режимом работы:
- движение с максимальной скоростью из исходного положения к месту
начала обработки заготовки;
- обработка заготовки на рабочей скорости;
реверс двигателя , движение с максимальной скоростью в исходное
положение;
остановка, простой двигателя в течение 5 секунд, движение
суппорта в продольном направлении, если необходимо смена инструмента.
Рассчитаем
время каждого участка при обработке детали. Примем путь, пройденный суппортом,
при подводе на максимальной скорости
.
.
Время быстрого хода резца к детали:
.
.
Технологическое время прорезания заготовки:
,
где
- длина прорезания заготовки,
.
3. Время возврата суппорта в исходное положение со скоростью быстрых
перемещений:
.
.
Время паузы:
.
Суммарное
рабочее время обработки заготовки:
.
Суммарное
время цикла:
.
Т.о. продолжительность включения:
.
Как видно из расчета ПВ=84%>70% [3]. Поэтому примем, что время паузы
не сильно повлияет на охлаждение двигателя. Будем считать режим работы
продолжительным с переменной нагрузкой.
Произведём расчёт нагрузок для приведенного режима резания в соответствии
с [4,5]. Будем считать, что идет процесс чернового точения на максимальной
рабочей скорости подачи и максимальной глубине резания.
Материал обрабатываемой заготовки - сталь конструкционная углеродистая.
Выберем резец с пластинкой из твёрдого сплава марки Т5К10, со следующими
параметрами:
- главный
угол в плане -
;
вспомогательный
угол в плане -
;
передний
угол -
;
задний
угол -
;
стойкость
резца -
;
Условия обработки заготовки:
- глубина прорезания - t = 15
мм;
- подача - s=0,36
мм/об.
Резец охлаждается концентратом жидкости смазочно-охлаждающей ЭК3. Чертёж
детали, представленный на рисунке 3.4:
Рассчитаем скорость резания, м/мин, по формуле:
,(3.3)
где
- коэффициент, зависящий от обрабатываемого материала,
типа резца и вида обработки,
= 47;
Т
- стойкость резца, T = 60 мин;, y, - показатели степени, зависящие от
свойств обрабатываемого материала: m= 0,2, yv = 0,8;
-
является произведением коэффициентов, учитывающих влияние материала заготовки
, состояния поверхности
,
материал инструмента
:
Рисунок 3.4 - Чертёж детали
Подставив данные в формулу (3.3) получим:
.
Частота
вращения шпинделя:
.
Рассчитаем скорость подачи:
.
Статическая
сила, которая возникает при быстром подводе суппорта:
,(3.4)
где
=(0,05-0,15) - коэффициент трения качения.
Тогда
статический момент:
;(3.5)
Для
определения суммарного усилия подачи при резании необходимо рассчитать
составляющие усилия резания
:
,(3.5)
где
CР -
коэффициент, зависящий от обрабатываемого материала, типа резца и вида
обработки, CР = 173;,
y, n - показатели степени, зависящие от свойств обрабатываемого материала, x =
0,73, y = 0,67, n = 0;
- поправочный
коэффициент является произведением коэффициентов учитывающих фактические
условия резания. Коэффициент качества обрабатываемого материала на силовые
зависимости
, коэффициенты учитывающие влияние геометрических
параметров режущей части инструмента на составляющие силы резания при обработке
стали
,
,
:
.
Подставив
данные в формулу (3.5) получим:
,
,(3.6)
где
CР -
коэффициент, зависящий от обрабатываемого материала, типа резца и вида
обработки, CР = 408;,
y, n - показатели степени, зависящие от свойств обрабатываемого материала, x =
0,72, y = 0,8, n = 0;
-
поправочный коэффициент является произведением коэффициентов учитывающих
фактические условия резания. Коэффициент качества обрабатываемого материала на
силовые зависимости -
(
- для легированных сталей), коэффициенты учитывающие
влияние геометрических параметров режущей части инструмента на составляющие
силы резания при обработке стали
,
,
:
Подставив
данные в формулу (3.6) получим:
.
Суммарное усилие подачи при резании с учётом веса движущихся частей:
,(3.7)
где
- коэффициент трения
.
Найдём
момент для поперечной подачи:
(3.8)
.
Скоростная
и нагрузочная диаграммы механизма приведены ниже:
3.3 Предварительный выбор двигателя по мощности
При известных значениях усилия и скорости резания можно определить
мощность резания, Вт, по формуле:
Рисунок 3.5 - Скоростная
диаграмма механизма
Рисунок 3.6 - Нагрузочная диаграмма механизма
Поскольку
мощность подачи составляет (0,1 - 1)% от мощности резания
:
.
Выбор электродвигателя произведем исходя из мощности потребной на подачу
резца. В этом случае статическая мощность, Вт, электродвигателя определяется по
следующей формуле (3.9):
,(3.9)
где
k - коэффициент запаса по мощности, k =
1,4.
hп - кпд механической передачи, hп = 0,8.
.
.4
Выбор номинальной скорости двигателя и типоразмера двигателя
При
однозонном регулировании за максимальную скорость следует принять номинальную
скорость двигателя, так как регулирование производится вниз от основной.
Максимальной скорости соответствует скорость быстрых перемещений суппорта
. Найдём скорость двигателя, которая соответствует
скорости быстрых перемещений суппорта [3]:
.
Т.о.
этой скорости двигателя соответствует следующая номинальная частота вращения:
.
По
полученным данным
и
выбираем
двигатель из серии двигателей 4А специально разработанных для
частотно-регулируемых электроприводов по пособию [3]. Выбираем двигатель
согласно условию:
, указанным критериям удовлетворяет асинхронный
двигатель 4АА63А4У3со следующими техническими данными:
Таблица 3.1
Технические данные асинхронного двигателя 4АА63А4У3
|
       
|
|
|
|
|
|
|
|
|
|
Синхронная частота вращения 1500 об/мин
|
|
0,25
|
8
|
68
|
0,65
|
2,2
|
2
|
48
|
5
|
|
Рассчитаем номинальную скорость вращения:
.
Номинальный
момент двигателя:
.
.5
Построение нагрузочной диаграммы электропривода
Нагрузочная
диаграмма механизма представляет собой зависимость электромагнитного момента М
от времени. Для её построения произведем расчет электромагнитного момента двигателя
на каждом этапе работы, определим динамический момент и момент холостого хода.
Из основного уравнения движения электропривода [6]:
,(3.10)
где
- суммарный момент инерции:
,(3.11)
где
d - коэффициент, учитывающий момент инерции редуктора,
соединительной муфты, d = 0,1;
,
где
- допустимое угловое ускорение двигателя:
,
.
Определим
момент и время каждого участка работы привода:
.
Пуск привода:
,
.
.
Ускоренный подвод детали:
,
.
3. Торможение привода до скорости рабочей подачи:
,
.
.
Прорезание заготовки:
,
.
.
Торможение привода до скорости равной нулю:
,
.
.
Разгон привода до скорости быстрых перемещений:
,
.
.
Возврат суппорта в исходное положении со скоростью быстрых перемещений:
,
.
.
Торможение привода до скорости равной нулю:
,
.
Т.о.
по рассчитанным временным интервалам и соответствующим им скоростям и моментам
построим нагрузочную и скоростную диаграмму электропривода:
Рисунок
3.7 - Скоростная диаграмма электропривода
Рисунок 3.8 - Нагрузочная диаграмма электропривода
.6 Проверка выбранного электродвигателя по нагреву и перегрузочной
способности
Упрощенная нагрузочная диаграмма электропривода используется для проверки
двигателя по нагреву и перегрузочной способности. Электропривод работает в
циклическом режиме с переменной нагрузкой. Для проверки двигателя по нагреву
используем метод эквивалентного момента. Условием правильного выбора двигателя
по нагреву будет [3]:
(3.12)
На станке после обработки одной детали производится обработка следующей и
т.д. Время потребное на одну деталь не превышает 2 мин (с учетом смены детали).
Поэтому заключаем, что двигатель работает в циклическом режиме. В циклическом
режиме эквивалентный момент определяется только для рабочих участков:
,(3.13)
где Мi - момент
на i-м интервале;
ti - продолжительность работы на i-м интервале;
n -
число рабочих интервалов в цикле.
Т.о.
, условие выбора двигателя по нагреву (3.12)
выполняется правильно.
Проверим
выбранный двигатель по перегрузочной способности. Перегрузочная способность
двигателя определяется условием:
,(3.14)
,
где
- максимальный момент нагрузочной диаграммы;
-
максимальный допустимый момент с учётом возможного снижения напряжения сети на
10%;
-
кратность максимального момента двигателя,
.
Т.о.
, условие выбора двигателя по перегрузочной
способности (3.14)выполняется правильно.
Выбранный
двигатель типа АД 4АА63А4У3 удовлетворяет условиям нагрева и перегрузки,
поэтому делаем заключение, что электродвигатель выбран правильно.
4.
ПРОЕКТИРОВАНИЕ ПРЕОБРАЗОВАТЕЛЯ ЭЛЕКТРИЧЕСКОЙ ЭНЕРГИИ
.1
Определение возможных вариантов и обоснование выбора вида преобразователя
электрической энергии
В качестве устройства регулирования целесообразно выбрать преобразователь
частоты.
При использовании частотного преобразователя пуск двигателя происходит
плавно, без пусковых токов и ударов, что уменьшает нагрузку на двигатель и
механику, увеличивает срок их службы.
Применение частотных преобразователей с обратной связью обеспечивает
точное поддержание скорости вращения при переменной нагрузке, что во многих
задачах позволяет значительно улучшить качество технологического процесса.
Для питающей сети преобразователь является чисто активной нагрузкой и
потребляет ровно столько энергии, сколько требуется для выполнения механической
работы (с учётом КПД преобразователя и двигателя).
Применение регулируемого частотного электропривода позволяет сберегать
энергию путём устранения непроизводительных затрат энергии в дроссельных
заслонках, механических муфтах и других регулирующих устройствах. При этом
экономия прямо пропорциональна непроизводительным затратам и может достигать
80%.
Частотный преобразователь позволяет регулировать выходную частоту в
пределах от 0 до 400 Гц. Разгон и торможение двигателя осуществляется плавно
(по линейному закону), время разгона и торможения можно настраивать в пределах
от 0.1 сек до 30 мин. Возможен плавный реверс двигателя. При разгоне происходит
автоматическое увеличения момента для компенсации инерционной нагрузки. Момент
при пуске достигает 150% от номинального.
Частотные преобразователи обеспечивают полную электронную защиту
преобразователя и двигателя от перегрузок по току, перегрева, утечки на землю и
обрыва линий передачи. Преобразователь позволяет отслеживать и отображать на
цифровом пульте основные параметры системы - заданную скорость, выходную
частоту, ток и напряжение двигателя, выходную мощность и момент, состояние
дискретных входов, общее время работы преобразователя и т. д. В зависимости от
характера нагрузки можно выбрать вольт-частотную характеристику или создать
свою собственную. Современные преобразователи частоты поддерживают
вольт-частотное скалярное регулирование, регулирование потокосцеплением и
векторное регулирование.
Для выбора комплектного преобразователя определим предельные значения его
параметров. Такими параметрами являются:
- максимальное значение выходного напряжения: UMAX, В
- максимальное значение эквивалентного нагреву тока:IЭ.MAX, А;
число фаз;
максимальное значение выходное частоты: fМАХ, Гц.
Для
выбранного двигателя номинальное напряжение составляет 380 В, следовательно,
.
Максимальное
значение эквивалентного по нагреву тока определяем по формуле:
,(4.1)
Где
-
значение тока ротора АД;
-
отклонение скорости двигателя от скорости идеального холостого хода при
;
-
максимальное значение статического момента, Н×м;
- модуль
статической жесткости частотных характеристик:
;
- ток
идеального холостого хода, определим по формуле:
,
,
,
.
Число
фаз выходного напряжения преобразователя - 3.
Максимальное
значение выходной частоты при однозонном регулировании скорости электропривода
- 50 Гц.
Условия
выбора преобразователя частоты по току и напряжению имеют следующий вид:
(4.2)
где
- номинальное значение выходного тока преобразователя
частоты, А;
-
входное напряжение преобразователя частоты.
В
соответствии с рассчитанными параметрами выбираем преобразователь частоты серии
“VFD-S” фирмы Delta Electronics [7], который
рассчитан на работу с АД мощностью 0,4-2,2 кВт, (номинальная мощность двигателя
0,25 кВт).
Преобразователь
предназначен для изменения и регулирования скорости вращения низковольтных
двигателей переменного тока для процессов с высокой динамикой и повышенными
требованиями к стартовому моменту и перегрузке.
Система
управления может быть дополнительно оснащена функцией автоматической настройки
на параметры используемого двигателя и функцией коррекции параметров двигателя
при нагреве.
Основные
параметры преобразователя VFD004S43
[7]:
- входное напряжение - 380-460 В ± 10%;
- номинальная мощность двигателя - 0,25 кВт
номинальный входной ток - 1,7 А;
номинальный выходной ток - 1,5 А;
допустимая перегрузка по току в течение 60 сек - 150 %;
входная частота - 47-63 Гц;
выходная частота - 0,1-400 Гц;
КПД преобразователя - 97 %;
коэффициент мощности не менее - 0,95;
способ торможения - генераторное, динамическое;
виды защит - низкое напряжение, перенапряжение, перегрузка по
току, перегрев двигателя и др.;
масса преобразователя - 4,8 кг.
На рисунке 4.1 приведём электрическую схему подключения преобразователя.
Рисунок 4.1 - Электрическая схема подключения преобразователя
Частотный преобразователь (ЧП) VFD004S43 фирмы Delta Electronics предназначен для плавной регулировки
скорости вращения короткозамкнутых асинхронных двигателей мощностью до 2,2кВт.
Изделие создано на базе 16-разрядного микропроцессора специализированного для
работы с трехфазными двигателями и силового транзисторного IGBT-модуля. Микропроцессор выполняет
функцию регулятора, генератора широтно-импульсного модулированного сигнала,
формирующего в двигателе синусоидальный ток, обеспечивает связь с пультом
управления, а также осуществляет необходимые защитные функции.
Пульт управления позволяет изменять режим работы ЧП
(местный/дистанционный), редактировать параметры, записывать их в
энергонезависимую память, а также осуществлять местное управление ЧП.
В дистанционном режиме скорость вращения двигателя задается по
аналоговому входу ЧП (0-10 В), а обработка сигналов “Пуск” и “Стоп” может
осуществляться как с пульта так и по дискретным входам ЧП.
Широкие коммуникационные возможности позволяют встраивать ЧП в
контроллерные и компьютерные сети, осуществлять управление и настройку ЧП и
получать информацию о его работе через интерфейс RS-485.
Частотный преобразователь обладает всеми контрольно-диагностическими
функциями, позволяющими защитить от повреждения, как ЧП, так и асинхронную
машину. Частотный преобразователь устойчив к коротким замыканиям в цепи
нагрузки, заклиниванию двигателя, перенапряжения источника при торможении,
исчезновению фазы силового питания, перегреву преобразователя.
Устройство и принцип работы преобразователя
При подаче на выпрямительный мост входного напряжения 3х380 вольт,
происходит заряд конденсатора. После запуска источника вторичного питания
резистор блокируется контактами реле. Напряжение в звене постоянного тока при
нормальной работе может находиться в пределах от 450 до 700 вольт. Нижний
предел связан с минимально допустимым напряжением в сети. Верхнее значение
может достигаться при частотном торможении двигателя, когда происходит возврат
(рекуперация) накопленной механической энергии в конденсаторы ЧП. В случае
превышения допустимого уровня происходит свободный выбег двигателя. Как
правило, такие ситуации характерны при малом времени торможении двигателя с
большим моментом инерции на валу. В таких случаях для повышения эффективности
торможения к ЧП необходимо подключить внешний разрядный резистор, либо
использовать режим динамического торможения.
Микропроцессор управляет транзисторным инвертером по алгоритму,
обеспечивающему в двигателе синусоидальный ток, контролируя и ограничивая его
на заданном уровне. Драйверы IGBT -
сборки обеспечивают: гальваническую развязку по цепям питания, управления
силовыми транзисторами и защиту от короткого замыкания на выходе инвертера.
Микропроцессор содержит энергонезависимую память для запоминания настроек после
отключения питания. Управление частотным преобразователем может осуществляться
от пульта, через каналы ввода-вывода, либо по последовательному интерфейсу RS-485. Использование моноканала RS-485 позволяет осуществить управление
частотными преобразователями в количестве до 14 штук от внешнего контроллера.
.2 Расчет параметров и выбор элементов силовой цепи
Для обеспечения надежной и грамотной эксплуатации преобразователя в
составе с ним должно применяться различное дополнительное оборудование: сетевые
предохранители или автомат защиты, сетевые и моторные дроссели, радиочастотные
фильтры, тормозные резисторы и др.
Для защиты внутренних цепей преобразователя в каждую фазу между
источником питающего напряжения и преобразователем должны быть установлены
быстродействующие предохранители (используемые для защиты полупроводниковых
диодов). Выбор предохранителя производится по таблице, из руководства по
эксплуатации в соответствии с моделью преобразователя. Преобразователю частоты VFD004S43 соответствует предохранитель фирмы BUSSMAN Limitron KTK
класса CC со следующими параметрами [7]:
тип предохранителя - JJS-6
- номинальный ток предохранителя - 6 А.
Входной дроссель применяется для уменьшения пиков напряжения, уменьшает
влияние высших гармоник из сети на преобразователь и обратно, улучшает
коэффициент мощности.
Выходной дроссель предназначен для снижения высших гармоник в токе
двигателя и снижению емкостных токов в длинном моторном кабеле, а также для
ограничения пиковых перенапряжений на двигателе.
Выбираем дроссели по таблице, из руководства по эксплуатации в
соответствии с моделью преобразователя частоты.
Параметры входного дросселя [7]:
Параметры выходного дросселя:
.
Выбираем дроссели фирмы Schaffner RWK212-4-KL [10].
Для рассеивания энергии, выделяемой двигателем, применяется внешний
тормозной резистор, что значительно улучшает возможности торможения. Он не
должен быть меньше 85 Ом (для 3-х фазных преобразователей со входным
напряжением от 400В).
Расчет тормозного резистора производится из мощности, рассеиваемой на нем
при торможении по формуле:
,(4.3)
где
- действующее значение напряжения, В;
-
рассеиваемая при торможении мощность, Вт.
,
где
- фазное значение напряжения питающей сети.
-
коэффициент схемы, для 3-х фазной схемы
.
.
Рассеиваемая
при торможении мощность рассчитывается по следующей формуле:
,(4.4)
где
- расчётный динамический момент,
.
.
Исходя
из расчётных значений по формуле (4.3) определяем значение сопротивления
:
.
Выбираем стандартное значение тормозного сопротивления:
Из руководства по эксплуатации преобразователя частоты [7] выбираем
тормозной резистор модели BR080W1000.
5. ПРОЕКТИРОВАНИЕ СИСТЕМЫ АВТОМАТИЧЕСКОГО УПРАВЛЕНИЯ
.1 Выбор датчиков управляемых координат автоматизированного
электропривода
Как было отмечено ранее, для реализации векторного управления необходимо
производить регулирование следующих величин: потокосцепление ротора, угловая
скорость ротора и составляющие тока статора по осям x и y.
Преобразователь частоты VFD - S использует косвенное управление
скоростью двигателя, т.е. текущее значение скорости ротора и потокосцепления
вычисляются по текущим значениям тока и напряжения статора. При таком способе
управления ошибка поддержания скорости не превышает 1-5%. Для повышения
точности предусмотрена возможность подключения датчика скорости. Наибольшей
точностью обладают импульсные датчики скорости, в которых частота следования
импульсов пропорциональна угловой скорости ротора.
Таким образом, для регулирования скорости привода поперечного движения
используются следующие виды датчиков: скорости, положения, тока и напряжения.
Причем датчики тока и напряжения конструктивно выполнены в преобразователе
частоты, а датчик скорости и положения реализуем на основе оптического
энкодера. Выбираем оптический инкрементальный энкодер фирмы «Schneider
Electric» [11] со следующими техническими параметрами:
максимальная скорость вращения - 9000 об/мин;
- диапазон рабочих температур - -20… +80oC;
максимальная частота - 150 кГц;
число штрихов на оборот вала - 1000;
напряжение питания - +15В;
уровень выходного сигнала - +10В;
диаметр вала - 10 мм (цельный вал).
.2 Разработка математической модели автоматизированного электропривода
В последнее время сформировался новый подход к построению систем
асинхронного электропривода с преобразователем частоты, основанный на полных
дифференциальных уравнениях асинхронного двигателя записанных на базе теории
обобщенной электрической машины. Такой подход позволяет построить структуру
системы управления частотным электроприводом, называемую системой векторного
управления и осуществить анализ и синтез асинхронного электропривода более
простыми методами.
Исходной информацией для построения системы векторного управления
является информация о мгновенных значениях и пространственном положении вектора
потокосцепления в воздушном зазоре, мгновенных значениях токов статора и
скорости ротора двигателя [6]. Для этого в начале рассмотрим математическое
описание асинхронного двигателя. При этом используем следующие упрощающие
допущения:
трёхфазная система симметрична;
- воздушный зазор является равномерным;
магнитная система машины не насыщена.
Для
синтеза системы векторного управления фазные величины трёхфазной машины
преобразуют к соответствующим величинам эквивалентной двухфазной машины. В
ортогональных неподвижных координатных осях
,
вместо трёх фазных величин
получим две проекции вектора
на координатные оси:
(5.1)
Аналогичное преобразование выполняется для токов и потокосцеплений. Для
синтеза системы переменные преобразуются к координатной системе (х, у),
вращающейся со скоростью потокосцепления ротора ω0:
(5.2)
В этих координатах электромагнитные процессы асинхронного двигателя с
короткозамкнутым ротором описываются системой дифференциальных уравнений:
(5.3)
где
первые два уравнения записаны для статорной, а вторые два - для роторной цепи;
-
сопротивления фазных обмоток статора и ротора;
- составляющие
потокосцепления статора по осям x, y;
-
потокосцепление ротора;
- частота
вращения напряжения статора;
,
- угловая скорость ротора;
- число пар полюсов.
Выражения потокосцеплений имеют вид:
(5.4)
Выразим
из системы (5.4) составляющие тока ротора и потокосцепления статора:
(5.5)
.(5.6)
После
преобразований системы (5.2) с учётом (5.5) получим:
(5.7)
где
- эквивалентное сопротивление, которое определяется
как:
(5.8)
Синхронная
частота
удовлетворяет выражению:
(5.9)
Скорость
вращения координатной системы, используемая для координатных преобразований,
.
Электромагнитный
момент определяется выражением:
(5.10)
(5.11)
Скорость
ротора
удовлетворяет дифференциальному выражению:
(5.12)
.3
Расчёт параметров объекта управления
Определим
численные значения параметров двигателя используя методику, изложенную в
пособии [3].
Рассчитаем
базовое сопротивление:
Рассчитаем
сопротивления двигателя в абсолютных значениях:
активное
сопротивление статорной обмотки
активное
сопротивление ротора
сопротивление
рассеяния статора
,
сопротивление
рассеяния ротора
,
индуктивное
сопротивление взаимоиндукции
.
Индуктивность
рассеяния статора:
Индуктивность
рассеяния ротора:
Индуктивность
взаимоиндукции статора и ротора:
Найдем
соответствующие индуктивности для системы уравнений (5.4):
Определим
эквивалентные сопротивление и индуктивность:
Определяем
постоянные времени:
Конструктивная
постоянная момента:
5.4 Определение структуры и параметров управляющего устройства:
Структура векторного управления асинхронным двигателем, описывается в
соответствии с выражениями (5.1) - (5.12), используя эти уравнения составим
математическую модель автоматизированного электропривода.
Асинхронный двигатель, мостовой выпрямитель, АИН будут использоваться в
модели как готовые блоки библиотеки Matlab Simulink, поэтому
их структура никак не описывается.
Необходимыми элементами системы управления, в соответствии с функциональной
схемой автоматизированного электропривода являются управляемый преобразователь
энергии, регуляторы основных координат электропривода, датчики обратных связей,
преобразователи координат.
В настоящее время наибольшее распространение получили автономные
инверторы напряжения на базе транзисторных силовых ключей. Управление частотой,
амплитудой и фазой напряжения на двигателе выполняется посредством
широтно-импульсной модуляции синусоидальных напряжений фаз.
Рассчитаем необходимые параметры объекта управления [8]:
,
,
В
математической модели используется П-регулятор положения и ПИ-регулятор
скорости, так как совместно они дают высокую точность позиционирования и
хорошие переходные процессы.
Запишем
передаточную функцию для регулятора положения:
,
где
-
,
, а
постоянную времени интегрирования рассчитываем по формуле:
,
(5.13)
Передаточную
функцию контура скорости получаем при настройке на симметричный оптимум в виде:
,(5.14)
,(5.15)
.
6.
РАСЧЁТ И АНАЛИЗ ДИНАМИЧЕСКИХ И СТАТИЧЕСКИХ ХАРАКТЕРИСТИК АВТОМАТИЗИРОВАННОГО
ЭЛЕКТРОПРИВОДА
.1
Разработка имитационной модели электропривода
На
основе функциональной схемы автоматизированного электропривода, математического
описания объекта и системы управления, которое представлено в разделе 5, с
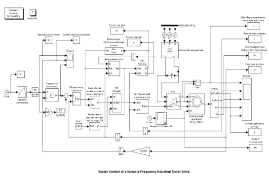
помощью пакета MATLAB/Simulink разработаем программу для компьютерного моделирования
автоматизированного электропривода поперечного движения токарно-винторезного
станка 16А20Ф3. В качестве программного обеспечения возьмем программу Matlab
6.5 с библиотекой simulink, где имеются все необходимые для моделирования блоки.
Покажем имитационную модель векторного управления, которая взята из demo
примеров - AC Motor Drive Vector Control (Discrete).
Рисунок
6.1 - Имитационная модель векторного управления
Раскроем и покажем настройки основных блоков, так модель содержит:
Виртуальный асинхронный короткозамкнутый двигатель.
Рисунок 6.2 - Блок АДКЗ
В данном блоке мы настраиваем следующие параметры нашего АД по строкам:
мощность АД, линейное напряжение, частота сети;
- сопротивление обмотки статора и ее индуктивность;
сопротивление обмотки ротора и ее индуктивность;
взаимная индуктивность между статором и ротором;
Момент инерции механизма, сила трения, число пар полюсов АД.
Трёхфазный автономный инвертор на IGBT-транзисторах, который питается источником постоянного
напряжения. Параметры инвертора оставляем по умолчанию, а величина напряжения
источника питания 540 В, так как это амплитудное значении напряжения питания
статора АД.
Рисунок 6.3 - Блок автономный инвертор
Гистерезисный трёхфазный регулятор тока (блок Current Regulator). В открывающемся окне настройки
этого блока указывается ширина “токового коридора”-Hysteresis band 0,1 А. На его вход поступают сигналы задания фазных
токов статора и сигналы обратных связей реальных токов.
Рисунок 6.4 - Блок гистерезисный регулятор тока
Рисунок 6.5 - Реализация блока гистерезисный регулятор тока
Блоки ABC - DQ(XY) и DQ(XY) - ABC
осуществляют преобразование неподвижной трёхфазной системы координат ABC во вращающуюся двухфазную систему
координат DQ(XY) и вращающуюся двухфазную в неподвижную трёхфазную.
Рассмотрим вначале блок преобразования координат ABC - DQ(XY), на вход блока поступают реальные
фазные токи и электрический угол Teta
угол поворота синхронной системы координат относительно неподвижной, этот угол
вычисляется в блоке Flux Calculation, который рассмотрим далее.
Рисунок 6.6 - Блок преобразования координат ABC - DQ(XY)
Рисунок 6.7 - Реализация блока преобразования координат ABC - DQ(XY)
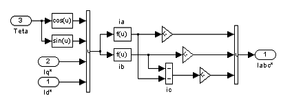
Теперь рассмотрим блок преобразования координат DQ(XY) - ABC, на вход блока поступают сигналы
задания токов статора id*(x), iq*(y) и электрический
угол Teta.
Рисунок 6.8 - Блок преобразования координат DQ(XY) - ABC
Рисунок 6.9 - Реализация блока преобразования координат DQ(XY) - ABC
Сигнал задания тока статора по оси D(X) вычисляется в
блоке id*(x) Calculation и
рассчитывается по следующей формуле:
Рисунок 6.10 - Блок id*(x) Calculation
Рисунок
6.11 - Реализация Блок id*(x) Calculation
Сигнал
задания тока статора по оси Q(X) вычисляется в блоке iq*(x) Calculation.
Рисунок
6.12 - Блок iq*(x) Calculation
Рисунок
6.13 - Реализация блока iq*(x) Calculation
Сигнал
тока iq*(x) определяется моментом задания Te*,
который получается на выходе ПИ регулятора скорости и мгновенным значением
потока ротора
вычисляется по следующей формуле:
Рассмотрим
блок Teta Calculation. Этот блок вычисляет
электрический поворота синхронной системы координат относительно неподвижной,
именно этот угол определяет то, что оси вращающейся системы координат будут
ориентированы следующим образом: ось D(X) вдоль вектора
потокосцепления
т.е.
На
вход блока поступает сигнал тока статора iq,
потокосцепление ротора и
скорость ротора
. Угол,
получен интегрированием скорости ω, он представляет собой угол между вектором потокосцепления и осью α неподвижной системы координат α, β. По значению угла Teta
осуществляется координатное преобразование из координат α, β в систему координат D(X), Q(Y)
путем векторного поворота:
Рисунок 6.14 - Блок TetaCalculation
Рисунок 6.15 - Реализация блока TetaCalculation
Рассмотрим
блок вычисления потока ротора
Flux
Calculation.
Рисунок
6.16 - Блока Flux Calculation
Рисунок
6.17 - Реализация блока Flux Calculation
Поток
ротора
определяется по следующему выражению:
.
Рассмотрим
теперь регулятор положения и регулятор скорости. Входным сигналом регулятора
положения является заданное и отработанное перемещении, а выходным скорость
задания. Эта скорость задания, а также сигнал обратной связи по скорости,
полученный с датчика скорости, поступают на вход регулятора скорости, выходным
сигналом которого является момент задания Te*Момен задания
Te*и потокосцепление ротора
определяют задающий ток статора iq*.
В
модели используется П-регулятор положения и ПИ-регулятор скорости, так как
совместно они дают высокую точность позиционирования и хорошие переходные
процессы.
Рисунок
6.18 - П-регулятор положения и ПИ-регулятор скорости
Задание
положение осуществляется блоком Look-Up Table. Передаточные функции
регулятора положения и скорости были рассчитаны ранее в пункте 5 по формулам
(5.13), (5.14), запишем их значения:
,
.
.2
Расчет и определение показателей качества переходных процессов
При
помощи имитационной модели произведем моделирование переходных процессов,
которые соответствуют работе электропривода поперечной подачи. Пуск двигателя
осуществляеется на холостом ходу (Мхх =0,18 Н×м) до скорости 157 рад/с, с этой скоростью происходит
быстрый подвод инструмента к заготовке, прорезание заготовки начинается, когда
нагрузка резко увеличивается до значения М = 0,8 Н×м.
Скорость
при пуске отрабатывается с перерегулированием, равным:
Скорость
при набросе нагрузки отрабатывается с перерегулированием, равным:
Точность
регулирования
, что удовлетворяет условию обработки.
Приведём
необходимые диаграммы, полученные в результате имитационного моделирования.
Рисунок
6.19 - Задание перемещения Sз
Рисунок 6.20 - Отработанное
перемещение S
Рисунок 6.21 - Точность регулирования перемещения S
Рисунок 6.22 - Момент
нагрузки Mc
Рисунок
6.23 - Ток
Рисунок
6.24 - Ток
Рисунок
6.25 - Скорость ротора
Рисунок 6.26 -
Электромагнитный момент двигателя М
Рисунок
6.27 - Токи в фазах двигателя
Рисунок
6.28 - Потокосцепление ротора
.3
Построение статических характеристик электропривода
Пропорционально-интегральный
регулятор скорости придает контуру регулирования скорости астатизм, т.е. в
установившемся режиме рассогласование между значениями задания и обратной связи
равно нулю. При этом, учитывая, что регулирование скорости производится в низ
от номинальной скорости, т.е. при постоянстве потокосцепления ротора, то
статические электромеханические
и
механические
характеристики будут аналогичны. Статические
характеристики в относительных единицах показаны на рисунке 6.29:
Рисунок 6.29 - Статические характеристики электропривода
автоматизированный электропривод программный станок
7. ОКОНЧАТЕЛЬНАЯ ПРОВЕРКА ДВИГАТЕЛЯ ПО НАГРЕВУ С УЧЕТОМ ТОЧНОЙ
НАГРУЗОЧНОЙ ДИАГРАММЫ
.1 Построение точной нагрузочной диаграммы электропривода за цикл работы
автоматизированного электропривода
Используя имитационную модель, которая была подробно рассмотрена в пункте
6, произведем построение точной нагрузочной диаграммы электропривода за цикл
работы.
Рисунок 7.1 - Электромагнитный момент двигателя М
.2 Проверка электродвигателя по нагреву
По данной диаграмме произвели расчет эквивалентного момента за цикл
работы, используя формулу:
(7.1)
На
основании выражения (7.1) построим подсистему расчета эквивалентного момента,
которая представлена на рисунке 7.1
Рисунок 7.2 - Подсистема расчета эквивалентного момента.
Для правильно выбранного электродвигателя эквивалентный электромагнитный
момент за цикл не должен превышать номинального момента рассматриваемого
электродвигателя, то есть:
(7.2)
В
результате расчета был получен эквивалентный момент равный
, что меньше номинального момента двигателя
.
Перегрузочная
способность двигателя определяется условием:
(7.3)
Максимальный
момент нагрузочной диаграммы
меньше
максимально допустимого момента двигателя
, т.е.
условие выполняется верно.
Таким
образом, электродвигатель 4АА63А4У3 по нагреву и перегрузочной способности
выбран правильно.
8.
ПРОЕКТИРОВАНИЕ СИСТЕМЫ АВТОМАТИЗАЦИИ ПРОМЫШЛЕННОЙ УСТАНОВКИ
.1
Формализация условий работы промышленной установки
Работу механизма поперечной подачи токарного станка
можно разделить на два основных этапа: номинальный режим работы и наладочный
(ручной режим работы), который осуществляется с пульта местного управления
расположенного непосредственно возле тянущего устройства.
В номинальном режиме механизм движения перемещает
суппорт, и разгоняет его до скорости, установленной программой обработки,
которая зависит от требуемой производительности станка при обработке
определенной детали. Скорость, до которой разгоняется суппорт, поступает от центральной
системы управления механизмом движения, исходя из технологической программы
обработки.
Ручной режим работы является наладочным и
осуществляется с местного пульта управления. Оператор, в данном режиме, имеет
возможность осуществлять управление механизмом движения вперед - назад,
скорость при этом значительно ниже, чем при номинальном режиме работы. Оператор
с пульта местного управления может осуществлять отключение механизма движения
кнопкой “Стоп”. И в любом режиме оператор может отключить работу станка кнопкой
“Аварийный останов”.
В станке
имеются блокировки, обеспечивающие:
- отключение
электродвигателя главного движения при отсутствии смазки в магистрали;
- невозможность
ручного управления при включенной автоматической работе станка;
останов
продольного и поперечного перемещения суппорта за счет срабатывания конечных
выключателей.
Т.о. при нажатии на кнопку «Пуск», программа проверяет положение
механизма и режим работы(ручной или автоматический).Если суппорт находится в
начальном положении, отжаты все концевые выключатели, кнопка «Стоп» не нажата,
задан режим работы, то происходит включение системы подачи охлаждающей жидкости
на все привода, затем включаются привод главного движения и привода подач. Если
все находится в исправном состоянии, то начинается процесс обработки.
.2 Разработка
алгоритма и программы управления
Алгоритм работы автоматизированной системы управления
механизма поперечной подачи станка модели 16А20Ф3 представлен на рисунке 8.1.
Алгоритм начинается с тестирования программы (блок 2), затем проверяется
условие включение маслонасоса (блок 3,4).Затем в блоке 5 происходит включение
маслонасоса.В блоках 6, 7, 8 проверяется отсутствие аварийного сигнала. Далее
производится выбор режима работы в блоке 9 автоматический или ручной. Если
оператор выбирает автоматический режим, то проверяется условие нахождение
суппорта в начальном положении (блок 11). Далее в блоке 12 оператор задает
начальные данные необходимые для работы станка. В блоке 13 проверяется условие
нахождения суппорта в необходимом положении для обработки. В блоках 15, 16, 17
проверяется отсутствие аварийного сигнала. Если оператор выбирает ручной режим,
тогда в блоке 21 проверяется условие нажатие кнопки “Вперед”. Если нажата
кнопка “Вперед”, то тогда в блоке 22 проверяется условие о том, что кнопка
“Назад” в данный момент времени не нажата. Далее в блоке 23 идет сигнал на
движение суппорта вперед. Это условие выполняется до тех пор, пока не
срабатывают аварийные сигналы блоков 24 и 25, либо срабатывает концевой
выключатель или оператор нажимает кнопку стоп. Для режима движения назад
алгоритм аналогичен алгоритму движения вперед в ручном режиме. При появлении
аварийного сигнала электропривод останавливается.
Таблица 8.1
Обозначение входных и выходных сигналов
|
Символ
|
Комментарий
|
|
Входные сигналы
|
|
SA1
|
Переключатель режимов автомат., ручной
|
|
SB2
|
Сигнал с кнопки “Вперед”
|
|
SB3
|
Сигнал с кнопки “Назад”
|
|
SB4
|
Сигнал с кнопки “Стоп”
|
|
SB5
|
Сигнал с кнопки “Аварийный останов”
|
|
SB6
|
Сигнал с кнопки “Включение маслонасоса”
|
|
SB7
|
Сигнал с кнопки “Выключение маслонасоса”
|
|
SQ1
|
Сигнал с концевого выключателя SQ1
|
|
SQ2
|
Сигнал с концевого выключателя SQ2
|
|
SQ3
|
Сигнал с дублирующего концевого выключателя SQ3
|
|
SQ4
|
Сигнал с дублирующего концевого выключателя SQ4
|
|
SQ5
|
Сигнал с датчика маслонасоса
|
|
SQ6
|
Сигнал о нахождении резца возле детали
|
|
Выходные сигналы
|
|
К1
|
Движение вперед в ручном режиме
|
|
К2
|
Движение назад в ручном режиме
|
|
К3
|
Автоматическая работа привода
|
|
К4
|
Останов привода
|
|
К5
|
Аварийный останов привода
|
|
К6
|
Включение маслонасоса
|
Используя словесное описание работы установки и
введённых обозначений входных и выходных сигналов, составим логические
выражения для управляющих сигналов К1, К2,К3,К4,К5.
Логические выражения выглядят следующим образом:
,
На
основании вышеприведенного описания работы установки составляем алгоритм, с
помощью которого будет разработана программа управления [9]. Алгоритм
представлен на рисунке 8.1.
Рисунок 8.1 - Алгоритм управления
Произведем группировку и обозначение сигналов в
таблице 8.2.
Таблица 8.2
Обозначение сигналов
|
Символ
|
Адрес
|
Комментарий
|
|
Входные сигналы
|
|
SА1
|
IВ 1,0
|
Переключатель режимов автомат., ручной
|
|
SB2
|
I 1,0
|
Сигнал с кнопки “Вперед”
|
|
SB3
|
I 1,1
|
Сигнал с кнопки “Назад”
|
|
SB4
|
I 1,2
|
Сигнал с кнопки “Стоп”
|
|
SB5
|
I 1,3
|
Сигнал с кнопки “Аварийный останов”
|
|
SB6
|
I 1,4
|
Сигнал с кнопки “Включение маслонасоса”
|
|
SB7
|
I 1,5
|
Сигнал с кнопки “Выключение маслонасоса”
|
|
SQ1
|
IB 1,1
|
Сигнал с концевого выключателя SQ1
|
|
SQ2
|
IB 1,2
|
Сигнал с концевого выключателя SQ2
|
|
SQ3
|
IB 1,3
|
Сигнал с дублирующего концевого выключателя SQ3
|
|
SQ4
|
IB 1,4
|
Сигнал с дублирующего концевого выключателя SQ4
|
|
SQ5
|
IB 1,5
|
Сигнал с датчика маслонасоса
|
|
SQ6
|
IB 1,6
|
Сигнал о нахождении резца возле детали
|
|
Выходные сигналы
|
|
K1
|
Q 1.0
|
Движение вперед в ручном режиме
|
|
K2
|
Q 1.1
|
Движение назад в ручном режиме
|
|
K3
|
Q 1.2
|
Автоматическая работа привода
|
|
K4
|
Q 1.3
|
Останов привода
|
|
K5
|
Q 1.4
|
Аварийный останов привода
|
|
K6
|
Q 1.5
|
Включение маслонасоса
|
Реализацию описанного алгоритма работы механизма
продольной подачи суппорта токарного станка модели 16А20Ф3 будем осуществлять
на программируемом контроллере SIMATIC S7-200. Составим программу управления на
языке символов РКС. Программа приведена на рисунке 8.2.
выделить и сгруппировать все промежуточные
сигналы, появляющиеся в результате срабатывания промежуточных элементов схемы.
В большинстве случаев к промежуточным элементам относятся реле, размножающие
сигналы, контакты которых включены в цепи выходных элементов или других
промежуточных элементов;
Рисунок 8.2 - Программа управления
- промежуточные сигналы подразделить на сигналы без
обратных связей и сигналы с обратными связями. Цепи сигналов без обратных
связей содержат контакты только входных элементов. В цепях сигналов с обратными
связями включены контакты элементов управляемых этими сигналами.
Конструктивно программируемый контроллер SIMATIC
S7-200 выполнен в виде блоков: модуль памяти, микропроцессор, интерфейс, модуль
периферии и блок питания.
На рисунке 8.3 представлена функциональная схема
контроллера SIMATIC S7-200.
Рисунок 8.3 - Функциональная схема контроллера SIMATIC
S7-200
CPU- микропроцессор;
- FLASH - память для операционной системы и
функционального математического обеспечения;
SRAM - память для дополнительных данных;
интерфейс шины Р - для коммуникации с CPU;
интерфейс шины К - для коммуникации с
устройствами управления и программирования.
SIMATIC S7-200 - это модульный программируемый контроллер,
предназначенный для построения систем автоматизации низкой и средней степени
сложности. Модульная конструкция, широкие коммуникационные возможности,
множество функций, поддерживаемых на уровне операционной системы, удобство
эксплуатации обеспечивают возможность получения оптимальных решений для
построения систем автоматического управления в различных областях промышленного
производства [9].
Эффективному применению контроллеров способствует возможность
использования нескольких типов центральных процессоров различной
производительности, наличие широкой гаммы модулей ввода-вывода дискретных и
аналоговых сигналов, функциональных модулей и коммуникационных процессоров.
Контроллеры SIMATIC S7-200 имеют модульную конструкцию и могут включать в
свой состав:
- модуль центрального процессора (cpu), в
зависимости от степени сложности решаемой задачи в контроллерах могут быть
использованы различные типы центральных процессоров, отличающихся производительностью,
объемом памяти, наличием или отсутствием встроенных входов-выходов и
специальных функций, количеством и видом встроенных коммуникационных
интерфейсов и т.д.
- модули блоков питания (ps), обеспечивающие
возможность питания контроллера от сети переменного тока напряжением 120/230в
или от источника постоянного тока напряжением 24/48/60/110В;
сигнальные модули (sm), предназначенные для
ввода-вывода дискретных и аналоговых сигналов с различными электрическими и
временными параметрами;
коммуникационные процессоры (cp) для
подключения к сетям PROFIBUS, Industrial Ithernet и др.;
функциональные модули (fm), способные
самостоятельно решать задачи автоматического регулирования, позиционирования,
обработки сигналов.
Программное обеспечение Siemens
для работы с этим контроллером позволяет:
- загружать программы с других компьютеров;
- при подготовке программ использовать сразу
несколько языков программирования контроллера (STL, LAD, FBD и др.);
визуально наблюдать процесс выполнения
текущей программы.
Для реализации программы управления воспользуемся языком LAD являющимся производным от языка РКС,
входящим с состав ПО контроллера.
Программное обеспечение Siemens
позволяет сделать процесс написания и чтения готовых программ значительно
удобнее за счет использования символьных имен, которые можно сопоставлять
входам и выходам интерфейсных модулей.
В таблице 8.3 приведены технические характеристики контроллера SIMATIC
S7-200.
Таблица 8.3
Технические характеристики контроллера SIMATIC S7-200
|
№ п/п
|
Наименование
|
Обозначение
|
Параметры
|
|
1
|
Блок CPU
|
CPU
|
Встроенный источник питания =5В(3,5А); =24В(1,5А)
|
|
2
|
I/O POWER E ~120…230B
|
=5B, 4A; =24B, 1,5A.
|
|
3
|
Блок входа/выхода
|
Вход/выход I/O
|
=24B, 16 входов, 16 выходов
|
|
4
|
Блок связи
|
PC/PPI
|
RS-485
|
.5 Проектирование схемы электрической соединений системы автоматизации
На рисунке 8.4 показана схема подключения контроллера:
Рисунок 8.4 - Схема электрическая соединений системы автоматизации
9. Проектирование схемы электроснабжения и
электрической защиты промышленной установки
.1 Выбор аппаратов, проводов и кабелей
Аппаратура управления и защиты, устанавливаемая в
системе электропитания, должна обеспечивать:
включение и отключение электроприемников и
участков сетей в нормальном режиме работы;
- надежное отсоединение электроприемников и
линий для резервации и ремонтных работ;
защиту от всех видов коротких замыканий и
перегрузки, если она требуется.
Выключатели автоматические предназначены для проведения тока в нормальном
режиме и отключения его при коротких замыканиях и недопустимых снижениях
напряжения, для нечастых оперативных включений и отключений электрических
цепей.
Выбор автоматических выключателей осуществляется по следующим параметрам:
,(9.1)
,(9.2)
,(9.3)
где Uн.а - номинальное напряжение автомата, В;н.с -
рабочее напряжение сети, 380В;н.а - номинальный ток автомата, А;дв.
- номинальный ток двигателя, 0,86 А;н.т.р. - номинальный ток
расцепителя, А;
Кн.т. - коэффициент надежности теплового расцепителя, Кн.т.=1,15.
.
Выбираем
автоматический выключатель серии VAMU1 фирмы Schneider Electric [10].
Данные выключатели обеспечивают защиту от токов перегрузки и короткого
замыкания. Номинальный ток возьмем равный 1,6 А, ток уставки 1 А.
Выбирать
провода будем исходя из рекомендаций производителя преобразователя частоты Delta Electronics. Для нашего типоразмера (S)
рекомендуются: для сетевого кабеля, кабеля двигателя и тормозного резистора
площадь сечения до
; для защитного заземления до
.
10. ПРОЕКТИРОВАНИЕ СХЕМЫ ЭЛЕКТРИЧЕСКОЙ СОЕДИНЕНИЙ АВТОМАТИЗИРОВАННОГО
ЭЛЕКТРОПРИВОДА
.1 Схема электрическая соединений автоматизированного электропривода
В результате проектирования схема автоматизированного
электропривода поперечной подачи токарно-винторезного станка будет иметь вид,
показанный на рисунке 10.1.
Рисунок 10.1 - Схема электрическая соединений автоматизированного
электропривода
На схеме (рисунок 10.1) обозначены:
QF - автоматические выключатели;
SITOP POWER - блок питания;
L1 - входной дроссель;
М - асинхронный двигатель;
BRQ - энкодер;
SB - кнопки управления;
FU - плавкие предохранители;
UFD-S -
преобразователь частоты;
PLK1 - программируемый логический контроллер
автоматизации;
ЧПУ NC-210
- числовое программное устройство.
10.2
Составление перечня элементов электрооборудования промышленной установки
|
Позиционное обозначение
|
Наименование
|
Кол.
|
Примечание
|
|
Двигатель
|
|
|
|
АД
|
4АА63A4У3
|
1
|
|
|
Преобразователь частоты
|
|
|
|
ПЧ
|
UFD004S43
|
1
|
|
|
Дроссели
|
|
|
|
L1…L2
|
Schaffner RWK212-4-KL
|
2
|
|
|
Тормозной резистор
|
|
|
|
R1
|
BR080W1000
|
1
|
|
|
Контроллер
|
|
|
|
SIMATIC S7-200
|
1
|
|
|
ЧПУ
|
|
|
|
Balt-System NC-210
|
1
|
|
|
Автоматический выключатель
|
|
|
|
QF1
|
Schneider Electric VAMU1
|
1
|
|
|
Предохранители
|
|
|
|
FU1…FU3
|
BUSSMAN Limitron KTK JJS-6
|
3
|
|
|
Выключатели кнопочные
|
|
|
|
SB1…SB5
|
КМЕ4501УХЛЗ
|
6
|
|
11. ОХРАНА ТРУДА
.1 Меры безопасности при выполнении работ на базовой установке
Станок модели 16А20Ф3 предназначен для токарной
обработки в замкнутом цикле в патроне и центрах деталей с прямолинейным,
ступенчатым и криволинейным профилем в условиях мелкосерийного и серийного
производств. На станке можно производить наружное точение, растачивание,
сверление, нарезание резьбы по программе.
При работе на металлорежущих станках предусматриваются
следующие мероприятия по технике безопасности [1,12].
К работе на металлорежущих станках имеют допуск лица
прошедшие медицинское освидетельствование, имеющих специальные производственные
знания, прошедших инструктаж по ТБ. Допуск к самостоятельной работе
производится после оформления протокольного решения и аттестации работающего.
Не допускать рабочего к станку, не ознакомив его предварительно с правилами
техники безопасности.
К работе на станке можно допускать только
квалифицированных рабочих, изучивших конструктивные и технологические
особенности станка и правила технической эксплуатации, прошедших специальный
инструктаж, сдавших экзамен заводской квалификационной комиссии и получивших
специальное удостоверение на право работы на этом станке.
Перед каждым включением станка необходимо убедиться, что пуск никому не
угрожает опасностью, так как халатность в данном случае может привести к
летальному исходу. Если по какой-то причине зона резания станка не ограждена
защитными кожухами, которые защищают от стружки и СОЖ (смазочно-охлаждающая
жидкость), нужно применить средства индивидуальной защиты (защитные очки 3П -
64 ГОСТ 12.4.013, щитки для защиты лица ГОСТ 12.4.023 - 76). Во избегание травм
лиц не имеющих отношения к выполняемой вами работе не допускаются на рабочее
место, а также не разрешать уборщику убирать у станка во время его работы.
Работать на станке в рукавицах или перчатках, а так же с забинтованными
пальцами без резиновых напальчников не разрешается из-за наличия у станка
вращающихся частей. Во время работы не брать и не подавать через работающий
станок какие-либо предметы.
Перед началом работы необходимо тщательно провести осмотр всех узлов и
механизмов станка, а также во избежание несчастных случаев проверить наличие,
исправность и надежность:
- заземляющих устройств;
устройств крепления инструмента.
При работе на станке необходимо строго соблюдать
следующие требования:
- до постановки заготовки в шпиндель необходимо проверить состояние
посадочных поверхностей инструмента и шпинделя; не допускается работа с
повреждениями на посадочных поверхностях;
- обработка заготовки производится при полностью закрытом кожухе;
включать шпиндель можно, только убедившись в том, что резец
надежно и правильно закреплен;
перед пуском станка проверять надежность закрепления
обрабатываемой детали;
запрещается эксплуатация станка в условиях вибраций, которые могут
возникнуть при обработке вследствие неудачно выбранных режимов резания,
характеристики шпинделя или плохого крепления детали;
запрещается установка, снятие и измерение детали при вращающемся
шпинделе;
при установке, снятии и измерении детали суппорт должен быть
выведен в крайнее положение;
запрещается работать на станке при невыставленном тормозном
устройстве останова стола при аварийном его выбеге;
не допускается работать с открытыми крышками и дверями шкафов, в
которых находится электрооборудование;
не допускается работать при отсутствии заземления;
после окончания работы станок отключить от сети вводным
автоматом;
строго соблюдать порядок и правила включения и пуска станка;
периодически проверять правильность работы всех блоков
регулировочных устройств (перечень имеющихся блокировок).
Металлорежущий станок содержит вращающиеся и движущиеся части, а также
электрооборудование, которые при работе представляют опасность для человека,
поэтому обязательно нужно выключить станок и отключить электрооборудование
вводным выключателем:
- при уходе от станка даже на короткое время;
- временном прекращении работы;
падения давления масла, воздуха;
при появлении постороннего шума;
уборке, смазке, чистке станка;
обнаружении неисправности в оборудовании;
подтягивание гаек, болтов и соединительных деталей станка;
поломке инструмента;
установке и съёме детали.
Эксплуатация металлорежущих станков связана с применением электрической
энергии. В прерывании подачи, падения давления масла, воздуха, при появлении постороннего
шума, обнаружении неисправности в оборудовании, поломке инструмента необходимо
отключить электрооборудование. Открывать станции управления и шкафы с
электрооборудованием, а тем более самостоятельно производить профилактические и
ремонтные работы, лицам, не имеющим соответствующей квалификации, категорически
не запрещается. Выше указанные работы разрешается только штатным электрикам.
Поражение человека электрическим током возможно как при случайном
прикосновении его непосредственно к токоведущим частям, так и к металлическим
нетоковедущим элементам электрооборудования (корпусу электрических машин, ванн,
светильников и т.д.), которые могут оказаться под напряжением в результате
какой-либо аварийной ситуации (замыкания фазы на корпус, повреждения изоляции и
т.п.).
Защитное заземление и зануление являются наиболее распространенными,
весьма эффективными и простыми мерами защиты от поражения электрическим током
при появлении напряжения на металлических нетоковедущих частях (металлических
корпусах оборудования).
Опасность поражения электрическим током при прикосновении к корпусу и
другим нетоковедущим металлическим частям электрооборудования, оказавшимся под
напряжением, может быть устранена быстрым отключением поврежденного
электрооборудования от питающей сети. Для этой цели используется зануление
(рисунок 11.1). Зануление - это преднамеренное электрическое соединение с
нулевым защитным проводником металлических нетоковедущих частей, которые могут
оказаться под напряжением. Принцип действия зануления - превращение замыкания
на корпус в однофазное короткое замыкание (между фазным и нулевым проводником)
с целью вызвать большой ток, способный обеспечить срабатывание защиты и
автоматически отключить повреждённое электрооборудование от питающей сети.
Рисунок 11.1 - Схема зануления
- корпус, 2 - аппараты защиты от токов короткого замыкания
(предохранители и автоматические выключатели), R0 - сопротивление заземления нейтрали источника тока, Rп - сопротивление повторного заземления нулевого
защитного проводника, Iк - ток к.з., Iн - часть тока короткого замыкания, протекающая через нулевой
проводник, Iз - часть тока короткого замыкания, протекающая через
землю, 0 (н.з.) - нулевой защитный проводник.
Отключение поврежденной установки от питающей сети произойдет, если
значение тока однофазного короткого замыкания (Iк), которое искусственно создается в цепи, будет больше (или
равно) значения тока срабатывания автоматического выключателя (или номинального
тока плавкой вставки предохранителя Iном) и
выполняется следующее условие:
Для проверки обеспечения отключающей способности зануления необходимо
проверить следующее условие:
.(11.1)
Для этого
необходимо определить:
- наименьшее допустимое значение тока (Iк1) короткого замыкания, при
котором произойдет срабатывание защиты и поврежденное оборудование отключится
от сети;
- действительное
значение тока однофазного короткого замыкания, которое будет иметь место в
схеме при возникновении аварии
.
,
где
k - коэффициент кратности тока, выбирается в
зависимости от типа защиты электроустановки.
Определим
величину тока
:
где
- номинальный ток плавких вставок предохранителей,
защищающих двигатель.
Определим полное сопротивление петли “фаза-нуль”:
(11.2)
где
(медь),
(сталь)
- активное сопротивление фазного и нулевого защитного проводников;
,
- внутреннее индуктивные сопротивления фазного и
нулевого проводников;
-
внешнее индуктивное сопротивление петли “фаза-нуль”.
Находим действительное значение тока однофазного короткого замыкания,
проходящего в схеме в аварийном режиме:
,(11.3)
где
Uф - фазное
напряжение, В;
Zп - полное сопротивление цепи “фаза-нуль”, Ом;
Zт - полное сопротивление трансформатора, Ом.
Таким образом, условие (11.1) выполняется, что означает: отключающая
способность системы зануления обеспечена, и нулевой защитный проводник выбран
правильно.
.2 Производственная санитария
В механических цехах производят все виды обработки металлов, пластмасс и
других материалов на металлорежущих станках; при этом возникает ряд опасных
ситуаций.
Вредными физическими производственными факторами, характерными для
процесса резания, являются: повышенная запыленность и загазованность воздуха
рабочей зоны, высокий уровень шума и вибрации, недостаточная освещенность
рабочей зоны, повышенная пульсация светового потока, наличие прямой и
отраженной блеклости. При обработке пластмасс происходит интенсивное ее
нагревание и в воздух рабочей зоны поступает сложная смесь паров, газов и
аэрозолей.
В воздух рабочей зоны выделяются также аэрозоли масел и
смазочно-охлаждающих жидкостей (СОЖ). Содержание углеводородов при этом
достигает 150 - 940 мг/м3, аэрозоля масел 7 - 45 мг/м3,
загрязнение одежды составляет 800 - 900 мг/дм2.
Концентрация СОЖ и отдельных компонентов, а также их качественный состав
зависят от их расхода, способа подачи, термостабильности, характера и режим
обработки изделия, свойств обрабатываемого материала, наличия и эффективности
санитарно-технических устройств.
К психофизическим вредным производственным факторам можно отнести
физические перегрузки при установке, закреплении и съеме крупногабаритных
деталей, а также перенапряжение зрения и монотонность труда.
К биологическим факторам относятся болезнетворные микроорганизмы и
бактерии, появляющиеся при работе с СОЖ.
Производственные помещения, в которых осуществляются процессы обработки
резанием, должны соответствовать требованиям СНиП II-89-90 и санитарным нормам проектирования промышленных
предприятий СН 245-71. Бытовые помещения должны соответствовать требованиям
СНиП II-92-76. Все помещения должны быть
оборудованы средствами пожаротушения по ГОСТ 12.4.009-83.
Стружку (отходы производства) от станков и рабочих мест следует убирать
механизированным способами (таблица 11.1).
Таблица 11.1
Средства для удаления стружки и отходов от станков и рабочих мест
|
Вид стружки
|
Средства для удаления
|
|
Без применения СОЖ
|
|
Мелкая дробленая
|
Одношнековые транспортеры
|
|
Стальной вьюн
|
Двухшнековые транспортеры
|
|
Сыпучая
|
Вибрационные транспортеры
|
|
Стружка любого типа
|
Пластинчатый транспортер
|
|
С применением СОЖ
|
|
Элементная чугунная
|
Скребковые транспортеры
|
|
Элементная стальная
|
Скребковые и одношнековые транспортеры
|
|
Элементная и вьюн цветных металлов
|
Пластинчатые транспортеры, гидротранспортеры
|
|
Стальной вьюн
|
Двухшнековые и пластинчатые транспортеры
|
Периодичность замены СОЖ устанавливаться по результатам контроля ее
содержания, но не реже одного раза в шесть месяцев при лезвийной обработке,
одного раза в месяц при абразивной обработке для масляных СОЖ и одного раза в три
месяца для водных СОЖ. Очистку емкостей для приготовления СОЖ, трубопроводов и
систем подачи следует проводить один раз в шесть месяцев для масляных и один
раз в три месяца для водных СОЖ.
Стружка и пыль магниевых и титановых сплавов хранятся в закрытой
металлической таре. При наличии специальных помещений стружку и пыль магниевых
сплавов (кроме магний-литиевых) можно хранить в открытой таре. В местах
хранения стружки имеются средства пожаротушения.
При выборе и расчете освещения производственного участка руководствуются
нормами проектирования производственного освещения СНБ 2.04.05-98 [3], в
которых задаются как количественные (величина минимальной освещенности), так и
качественные характеристики (показатель ослепленности и дискомфорта, глубина
пульсации освещенности) искусственного освещения.
Наиболее распространены три типа источника света: лампы накаливания,
люминесцентные лампы и газоразрядные лампы высокого давления. Преимущество ламп
накаливания состоит в том, что они включаются в сеть без дополнительных
пусковых приспособлений. Однако имеют относительно низкую световую отдачу.
Газоразрядные лампы высокого давления отличаются высокой световой отдачей и
компактностью, однако, имеют сложную схему включения и невысокий срок службы.
Электроосвещение обеспечивает равномерную освещенность не менее 100 лк.
Применение открытых электрических ламп не допускается. Наблюдение за состоянием
арматуры и светильников возлагается на лиц, выделенных для этой цели.
Для освещения данного автоматизированного рабочего места наиболее
подходят люминесцентные лампы. Эти лампы имеют высокую световую отдачу (до 75
лм/Вт), большой срок службы (до 10000 ч), лучшую, чем у ламп накаливания
цветопередачу, относительно малую яркость (хотя и создают ослепленность).
Станки являются источниками шума. Шум - совокупность звуков, различных по
частоте и интенсивности, вредно влияющих на организм человека. Степень
повреждения органов слуха зависит от уровня звука и его продолжительности и от
индивидуальной чувствительности человека. Одним из источников производственного
шума являются металлорежущие станки. В зависимости от типа металлорежущего
оборудования, мощности его приводов, интенсивности стабильности процесса
резания уровни звука, создаваемые на расстоянии 1 м от ограждающих поверхностей,
составляют 60 - 110 дБ (А). При типовых условиях эксплуатации станков верхний
предел этого диапазона 90 дБ (А). Спектр шума станков обычно имеет максимум,
расположенный в диапазоне частот 500 - 2000 Гц. Большинство станков при
надлежащем качестве изготовления имеют шумовые характеристики, удовлетворяющие
санитарным нормам без применения дополнительных мер по снижению шума. К
основным источникам шума в металлорежущем станке можно отнести:
зубчатые передачи, входящие в приводы главного и вспомогательного -
движений;
- гидравлические агрегаты;
электродвигатели;
процесс резания.
Шум станков снижают в источнике возникновения уменьшением передачи
колебаний энергии от источника к излучателям шума, демпфированием излучателей и
строительно-аккустическими мероприятиями. Для уменьшения влияния на общий
уровень шума отельные агрегаты, устанавливаемые на станок виброизолируются от
упругой системы станка. Это же относится и к электрошкафам, устанавливаемым на
станке, которые сами не являются источниками колебаний, но, имея большую
площадь поверхности, интенсивно излучают шум.
.3 Пожарная безопасность
Электроэнергия широко применяется на промышленных предприятиях для
силовых, нагревательных установок, технологического оборудования и освещения.
Причинами, нарушающими нормальную работу установки, могут быть короткое
замыкание, перегрузка проводов сети, возникновение больших переходных
сопротивлений.
Исправные установки могут представлять пожарную опасность, если они имеют
токоведущие части, доступные для соприкосновения с горючими и
легковоспламеняющимися веществами и предметами. При монтаже электрооборудования
необходимо предусмотреть устройства для выключения при коротком замыкании сети,
так и отдельных ее участков. Выключатели, в которых по условиям эксплуатации
происходит прерывание тока, закрывают кожухами, предотвращающих возникновение
пожара от искрения или электрической дуги. Распределительные устройства опасны
в пожарном отношении при коротком замыкании. Электроосвещение представляет
пожарную безопасность при перегреве проводов и воспламенении их изоляции.
Электролампы могут иметь на колбе значительную температуру, достигающую 2000С
и выше. При такой температуре возможно загорание горючей пыли, осевшей на
колбе, а также близкорасположенных предметов.
Применяемые средства пожаротушения должны максимально ограничивать
размеры пожара и обеспечить его тушение. В настоящее время наиболее
эффективными огнегасящими веществами являются:
- вода; вода с добавками поверхностно активных веществ;
- пена;
порошковые составы;
негорючие газы;
галоидированные углеводороды (галоны, хладоны).
12. ЭКОНОМИЧЕСКОЕ ОБОСНОВАНИЕ ТЕХНИЧЕСКИХ РЕШЕНИЙ
.1 Общие сведения
Расчет технико-экономических показателей осуществляется на основе анализа
сравнительных технических данных двух альтернативных систем электропривода.
Экономическая оценка базируется на принципе минимальных расходов: минимальных
начальных затрат, эксплуатационных затрат, затрат электроэнергии, затрат
связанных с вынужденным простоем электрооборудования [13]. По техническим соображениям
принят комплектный электропривод переменного тока фирмы Delta Electronics типа VFD-S. До
модернизации был установлен асинхронный электродвигатель с коробкой скоростей.
Технические данные электрооборудования сравниваемых систем приведены в таблице
12.1.
Таблица 12.1
Технические данные электроприводов сравниваемых систем
|
Параметры
|
Базовый вариант
|
Проектируемый вариант
|
|
Тип двигателя
|
4АХБ2П90L4ПБ
|
4АБ2П100М4ПБ
|
|
Мощность, кВт
|
2,2
|
0,25
|
|
к.п.д., %
|
80
|
68
|
|
Частота вращения, об/мин
|
1500
|
1500
|
|
Тип преобразователя
|
-
|
VFD-S
|
|
Мощность преобразователя, кВт
|
-
|
0,4
|
|
к.п.д. преобразователя, %
|
-
|
0,98
|
|
Передаточный механизм
|
Коробка скоростей
|
|
12.2 Расчет начальных затрат
Наиболее дорогостоящими составляющими электропривода являются двигатель,
преобразователь и передаточный механизм. Таким образом, сметная стоимость
электропривода для базового варианта:
где
- стоимость электродвигателя 4А90L4У3,
руб.;
- стоимость
пускорегулирующей аппаратуры, руб.;
-
стоимость коробки скоростей, руб.
Для
проектируемого варианта:
где
- стоимость электродвигателя 4АА63А4У3, руб.;
-
стоимость пускорегулирующей аппаратуры, руб.;
-
стоимость преобразователя частоты VFD-S, руб.
Стоимость
монтажных работ вычисляется отдельно для электропривода и рабочего механизма.
Для электропривода эту величину можно принять равной 6% от стоимости
электропривода, для рабочего механизма - 5% стоимости электропривода. Таким
образом, стоимость монтажных работ:
для
базового варианта:
.
для
проектируемого варианта:
.
Транспортно-заготовительные
работы, составляют 2% от суммы стоимости электропривода и стоимости монтажных
работ:
для
базового варианта:
,
для
проектируемого варианта:
.
Плановое
накопление монтажной организации составляют 10% от стоимости монтажных работ:
для
базового варианта:
,
для
проектируемого варианта:
Таблица 12.2
Расчет капитальных вложений
|
Источник затрат
|
Базовый вариант
|
Проект. вариант
|
|
Электродвигатель, руб.
|
272000
|
161000
|
|
Преобразователь, руб.
|
-
|
672000
|
|
Пускорегулирующая аппаратура, руб.
|
418000
|
80600
|
|
Механическая передача, руб.
|
1535000
|
-
|
|
Монтажные работы, руб.
|
244750
|
100500
|
|
Транспортно-заготовительные работы, руб.
|
49400
|
20300
|
|
Плановые накопления монтажной организации, руб.
|
24500
|
10500
|
|
Суммарные капитальные вложения, руб.
|
2543650
|
1044900
|
12.3 Определение эксплуатационных затрат
При расчете эксплуатационных затрат важное значение имеет величина
периода, за который производится расчет. При сравнении приводов ограничимся
периодом 20 лет.
Затраты на электроэнергию определяются количеством энергии, потребляемой
за год, номинальной мощностью двигателей, а также тарифной ставкой на
электроэнергию. Для расчета энергии, потребляемой за год, нужно знать суммарное
время работы электропривода за год, которое определяется коэффициентом
использования:
где
ПВ - продолжительность включения установки, о.е.;
-
продолжительность работы установки за смену,
;
- число
рабочих часов за смену,
.
Определим
число рабочих часов установки за год:
где
- число рабочих дней в году,
;
- число
смен в сутки,
;
Определим
энергию, потребляемую за год:
для
базового варианта:
где
,
-
номинальные параметры двигателей;
для
проектируемого варианта:
Таким
образом, затраты на для базового варианта:
где
- основная тарифная ставка,
руб/кВт×ч;
для
проектируемого варианта:
Амортизационные
отчисления составляют 9,5% от сметной стоимости электропривода. Тогда для
первого варианта:
,
.
Плановая
продолжительность ремонтного цикла (ремонтный цикл - наработка электрического
оборудования, выраженная в годах календарного времени между двумя капитальными
плановыми ремонтами) для асинхронного двигателя:
,
где
. -
продолжительность ремонтного цикла для электродвигателя,
;
-
коэффициент, определяемый сменностью работы оборудования,
;
-
коэффициент, учитывающий уменьшение ремонтного цикла машин, отнесенных к
категории основного оборудования,
;
Для
преобразователя частоты:
где
- продолжительность ремонтного цикла для
преобразователя частоты,
;
Для
коробки скоростей:
где
- продолжительность ремонтного цикла для коробки
скоростей,
;
Наработка
энергетического оборудования, выраженная в месяцах календарного времени между
двумя плановыми ремонтам, для асинхронного электродвигателя:
Для
преобразователя частоты:
Для
коробки скоростей:
По
полученным величинам можно рассчитать количество капитальных и текущих ремонтов
в расчете за 1 год. Количество капитальных ремонтов в год составляет:
Количество
текущих ремонтов за один год определяется аналогично:
По
заданному количеству ремонтов в год, а также по заданной норме трудоемкости
определяется годовая трудоемкость ремонтов. Годовая трудоемкость электрических
машин рассчитывается по формуле:
где
- норма трудоемкости капитальных ремонтов для
двигателя,
человеко-часов;
-
поправочный коэффициент, учитывающий частоту вращения электродвигателя,
;
Для
преобразователя частоты:
.
Для коробки скоростей:
.
Годовая
трудоемкость текущих ремонтов для соответствующих типов определяем аналогично
трудоемкости капитальных ремонтов:

Для
пускорегулирующей аппаратуры годовая трудоемкость капитального (текущего)
ремонта принимается равной 25% от трудоемкости капитального (текущего) ремонта
электропривода:
Трудоемкость
технического обслуживания оборудования принимается равной 10% от нормы
трудоемкости текущего ремонта оборудования без учета поправочных коэффициентов.
Для
удобства сравнения выполненный расчет трудоемкости ремонта и технического
обслуживания для обоих вариантов сведен в таблицу 12.3.
Таблица 12.3
Результаты расчетов трудоемкости ремонта и технического обслуживания
оборудования рассматриваемых вариантов
|
Тип оборудования
|
Базовый вариант
|
Проект. вариант
|
|
Годовая трудоемкость капитальных ремонтов, человеко-часы
|
|
Электродвигатель
|
2,3
|
2,3
|
|
Преобразователь
|
-
|
9,8
|
|
Пускорегулирующая аппаратура
|
0,575
|
3,03
|
|
Механическая передача
|
16,8
|
|
|
Годовая трудоемкость текущих ремонтов, человеко-часы
|
|
Электродвигатель
|
0,62
|
0,62
|
|
Преобразователь
|
-
|
1,19
|
|
Пускорегулирующая аппаратура
|
0,155
|
0,45
|
|
Механическая передача
|
15,4
|
|
|
Годовая трудоемкость технического обслуживания,
человеко-часы
|
|
Электродвигатель
|
8,4
|
8,4
|
|
Преобразователь
|
-
|
18
|
|
Пускорегулирующая аппаратура
|
0,84
|
2,64
|
|
Механическая передача
|
70,8
|
|
|
Суммарная трудоемкость эксплуатации оборудования:
|
115,89
|
46,43
|
По известной годовой трудоемкости эксплуатации оборудования, учитывая
тарифную ставку ремонтного рабочего, а также соответствующие налоги, можно
определить затраты на заработную плату ремонтных рабочих за год:
для базового варианта:
где
- часовая тарифная ставка ремонтного рабочего (по
4-му разряду),
руб/ч;
-
коэффициент, определяющий затраты на выплату налогов в связи с начислением
зарплаты:
%
- начисление на социальное страхование,
%
- начисление на пенсионный фонд,
%
- начисление на премирование,
%
- начисление на выплату дополнительной зарплаты.
ТS - суммарная трудоемкость эксплуатации оборудования.
руб.,
Для
проектируемого варианта:
руб.
Стоимость
материалов для ремонта и обслуживания принимается равной 100% от основной
заработной платы ремонтных рабочих без учета выплаты налогов:
для
базового варианта:
руб.
для
проектируемого варианта:
руб.
Общецеховые
расходы принимаются равными 100% от основной заработной платы без учета
налогов, т.е.:
руб.,
руб.
Общезаводские
расходы принимаются равными 50% от основной заработной платы без учета налогов:
руб,
руб.
Таким образом, найдены все величины, необходимые для расчета годовых
затрат по эксплуатации электрической части установки а также для определения
годовых эксплуатационных расходов для обоих вариантов.
Анализ экономической целесообразности принятого решения проведем
используя метод приведенных затрат.
где
- согласно рекомендациям ЮНИДО для развивающихся
стран;
Теперь
посчитаем экономический эффект:
Анализ
и сопоставление капиталовложений, эксплуатационных затрат и затрат на электроэнергию
показывает, что недостатком нерегулируемого электропривода являются большие
затраты на электроэнергию. В свою очередь, основными затратами на регулируемый
электропривод составляет стоимость преобразователя частоты. Затраты на ремонт и
обслуживание в первом случае больше, т.к. связаны с использованием коробки
скоростей. Проанализировав экономический эффект, можно сделать вывод, что
установка частотного электропривода экономически выгодна.
ЗАКЛЮЧЕНИЕ
В данном дипломном проекте проведен расчет автоматизированного
электропривода поперечной подачи токарно-винторезного станка с ЧПУ 16А20Ф3. В
ходе работы проведен анализ технологического процесса и рассмотрена работа
привода подачи. Сформулированы требования к электроприводу поперечной подачи.
Рассмотрены основные типы приводов, которые в настоящее время находят
применение в металлорежущих станках. Исходя из этого, была выбрана система
электропривода: в замен нерегулируемого АД с коробкой скоростей выбрали систему
ПЧ-АД с векторным управлением. В результате расчета режимов резания для типовой
детали выбрали электродвигатель мощностью 0,25 кВт. Выбрали комплектный
преобразователь UFD004S43 фирмы Delta Electronics. Разработали математическую модель
автоматизированного электропривода, по которой произвели синтез регуляторов
системы управления. По математической модели составили в среде MATLAB/Simulink имитационную модель, по которой
произвели расчет переходных процессов и построение уточненной нагрузочной
диаграммы. В результате моделирования определили, что величина
перерегулирования скорости во время пуска и изменения нагрузки не превышает 1%.
Также были рассмотрены мероприятия по обеспечению охраны труда при эксплуатации
токарно-винторезного станка. Кроме того, было проведено экономическое
обоснование выбранного технического решения.
СПИСОК
ИСПОЛЬЗОВАННЫХ ИСТОЧНИКОВ
1. Станок токарно-винторезый с числовым
программным управлением модели 16А20Ф3. Руководство по эксплуатации 16А20Ф3. -
М.: ВНИИТЭМР, 1988. - 55с.
2. Петренко Ю.Н., Г.И. Гульков.
Автоматизация типовых и промышленных установок. Тексты лекций / Петренко Ю.Н.,
Г.И. Гульков. - Мн.: БПИ, 1989 - 82 с.
3. Фираго Б.И. Учебно-методическое
пособие к курсовому проектированию по теории электропривода для студентов
специальности 1-53 01 05 «Автоматизированные электроприводы» / Б.И. Фираго. -
Мн.: БНТУ, 2005. - 126 с.
4. Справочник технолога-машиностроителя.
В 2-х т./ Под ред. А.Г. Косиловой и Р.К. Мещерякова. 4-е изд., перераб. и доп.
- М.: Машиностроение, 1986. - 496с., ил.
5. Соколов Н.Г. и Елисеев В.А. Расчёты
по автоматизированному электроприводу металлорежущих станков. Учеб. Пособие для
вузов по специальности Электропривод и автоматизация промышленных комплексов”.
- М.: Высш. школа, 1969 - 296 с. с ил.
6. Фираго Б.И. Теория электропривода:
Учеб. пособие/ Б.И. Фираго, Л.Б. Павлячик. - Мн.: ЗАО “Техноперспектива”, 2004.
- 527 c.
7. Руководство по эксплуатации
преобразователя частоты фирмы Delta Electronics серии UFD-S.
8. Анхимюк В.Л., Опейко О.Ф., Михеев
Н.Н. Теория автоматического управления. - Мн.: Дизайн ПРО, 2000. - 352 c. с ил.
9. Петренко Ю.Н. Системы программного
управления технологическими комплексами. / Ю.Н. Петренко. - Мн.:НП ООО “Пион”,
2002 - 334 с. с ил.
10. Сайт компании Элком, поставщика электротехнической
продукции в России <http://www.elcomspb.ru>. Выбираем дроссели L и
автоматические выключатели QF.
11. Сайт компании Шнейдер Электрик http://
www.schneider-electric.ru <http://www.reduktorntc.ru>. Выбираем датчик
скорости и положения BRQ.
12. Конспект лекций по охране труда / лектор Л. П. Филянович.
13. Конспект лекций по экономике / лектор А. В. Манюкевич.