Расчет и анализ трехфазных цепей
Введение
Трехфазная цепь является частным случаем многофазных электрических
систем, представляющих собой совокупность электрических цепей, в которых
действуют ЭДС одинаковой частоты, сдвинутые по фазе относительно друг друга на
определенный угол. Отметим, обычно эти ЭДС, в первую очередь в силовой
энергетике, синусоидальны. Однако, в современных электромеханических системах,
где для управления исполнительными двигателями используются преобразователи
частоты, система напряжений в общем случае является несинусоидальной. Каждую из
частей многофазной системы, характеризующуюся одинаковым током, называют фазой,
т.е., фаза- это участок цепи, относящийся к соответствующей обмотке генератора
или трансформатора, линии и нагрузке.
Таким образом, понятие фаза, в электротехнике имеет два различных
значения:
- это либо аргумент синусоидально изменяющейся величины;
- либо как составная часть многофазной электрической системы.
Разработка многофазных систем была обусловлена исторически. Создание
первого промышленного электромашинного генератора с самовозбуждением (1870 г.
З. Грамм) открывает новый этап становления электротехники как самостоятельной
отрасли техники. Основными потребителями электроэнергии в эти годы были
источники света, потребность в которых все более увеличивалась по мере роста
городов и развития промышленности. Началось строительство электрических
станций. Первые электрические станции вырабатывали постоянный ток и обслуживали
отдельные объекты с небольшим числом потребителей. По мере расширения областей применения
электрической энергии она становится товаром; всё более остро ощущается
необходимость производства и экономичной передачи электрической энергии на
значительные расстояния.
Решить эту проблему на базе постоянного тока было нельзя, из-за
невозможности трансформации постоянного тока, а применять для передачи и
распределения электроэнергии переменный однофазный ток, было не эффективным,
так как двигатели однофазного тока не удовлетворяли требованиям промышленного
электропривода. Успешное решение возникших сложных научно-технических проблем
оказалось возможным благодаря разработке многофазных, в частности трехфазных,
цепей, машин и трансформаторов (конец 80-х начало 90-х годов, М.О.
Доливо-Добровольский, Н. Тесла и др.). Трехфазные цепи имели огромные преимущества
по сравнению с цепями постоянного и переменного однофазного токов благодаря
тому, что они позволили комплексно решить стоявшую проблему:
- экономичность передачи электроэнергии на большие расстояния;
- создание простых, надежных в работе асинхронных двигателей с
хорошими рабочими характеристиками;
- уравновешенность трехфазных электрических систем.
Все это открыло трехфазным цепям широкую дорогу в промышленность и
положило начало современному этапу развития электротехники - становлению
электрификации.
генератор трехфазный дроссель
1. Анализ состава трехфазной цепи
Источником трехфазного напряжения является трехфазный генератор.
Рис. 1
На электрической схеме, трехфазный генератор принято изображать в виде трех
обмоток, расположенных друг к другу под углом 120°, а ЭДС трехфазного
генератора обозначают следующим образом: - ЭДС соответствует фазе А, - ЭДС
соответствует фазе В, - ЭДС соответствует фазе С. ЭДС в фазах А, В и С сдвинуты
друг относительно друга симметрично на 120°, иными словами, - отстаёт от на
120°, а - опережает на 120°.
При соединении трехфазного генератора звездой, одноименные зажимы
(например x, y, z) обмоток
генератора объединяют в одну точку, которую называют нулевой точкой генератора
О. Обмотки генератора обозначают буквами А, В и С, буквы ставят следующим
образом: А-перед началом первой обмотки, В-перед началом второй и С-перед
началом третьей, также ещё А, В и С называют фазами, т. к. трехфазная цепь в
целом является совокупностью трех однофазных.
При соединении трехфазного генератора треугольником конец первой обмотки
генератора соединяют с началом второй, конец второй соединяют с началом третьей
и конец третьей - с началом первой обмотки. Геометрическая сумма ЭДС в
замкнутом треугольнике равна нулю. Поэтому если к зажимам А, В и С не будет
подключена нагрузка, то по обмоткам генератора не будет протекать электрический
ток.
Существует пять способов соединения трехфазного генератора с нагрузкой.
Рис.2
Рис.3
Рис.4
Рис.5
Рис.6
Схема изображенная на (рис. 2) называют звезда-звезда с нулевым проводом;
схему на (рис. 3), звезда-звезда без нулевого провода; схему на (рис. 4),
звезда-треугольник; схему на (рис. 5), треугольник-треугольник; схему на (рис.
6) треугольник-звезда.
В представленном мне варианте симметричная нагрузка соединена с
генератором по схеме звезда-треугольник, а несимметричная нагрузка соединена по
схеме звезда-звезда без нулевого провода.
При соединении по схеме звезда-звезда точка, в которой объединены три
конца трехфазной нагрузки называют нулевой точкой и обозначают О'. Нулевым
проводом называют провод, соединяющий нулевые точки генератора и нагрузки. Ток
протекающий по нулевому проводу называют нулевым током и обозначают .
Положительное направление нулевого провода берется от точки О' к точке O. В моей схеме нулевой провод
отсутствует.
Провода соединяющие точки А, В и С генератора с нагрузкой называют
линейными проводами, а токи протекающие по этим проводам называют линейными
токами и обозначают . Напряжение между линейными проводами называют линейными,
их обозначение имеет следующий вид:
,
где соответственно - линейное напряжение между точками А и В, - линейное
напряжение между точками В и С, - линейное напряжение между точками С и А.
Каждую из трех обмоток генератора называют фазой генератора, аналогично и
на нагрузке, фазой нагрузки. Протекающие токи по этим фазам называют фазными
токами , а напряжения на них фазными напряжениями .
. Расчет трехфазной цепи при симметричной нагрузке
Трехфазные цепи являются разновидностью цепей синусоидального тока, и
поэтому расчет и исследования процессов в них производят теми же методами и
приемами, что и однофазные цепи синусоидального тока. Для цепей трехфазного
тока применим также символический метод расчета и можно строить векторные,
топографические и круговые диаграммы.
Нагрузка называется симметричной, если в ней комплексные сопротивления
соответствующих фаз будет одинаковой, в противном случае нагрузку называют
несимметричной.
Данная схема соединена по схеме звезда-треугольник с симметричной
нагрузкой. Так как генератор соединён по схеме звезда, то линейное напряжение
по модулю в
раз больше фазного напряжения генератора . Это следует из
того, что линейное напряжение (глядя на векторную диаграмму) есть основание
равнобедренного треугольника с острыми углами по 30°.
Данные для расчета: .
расчет: задаюсь значениями линейных напряжений на генераторе.
так как у нас трехфазный генератор соединен звездой, то:
при соединении нагрузки в треугольник, а генератора в звезду линейные
напряжения на генераторе равны фазным напряжениям в нагрузке:
, , .
полное комплексное сопротивление находится следующим образом:
, где
.
В данной мне схеме видно, что нагрузка имеет активно- ёмкостной характер,
следовательно .
Так как нагрузка является симметричной, то:
после того как я определил линейное напряжение в нагрузке и рассчитал
полное комплексное сопротивление, по закону Ома определю фазные токи в
нагрузке:
при соединении нагрузки треугольником линейные токи не равны фазным токам
нагрузки и определяются по первому закону Кирхгофа:
,
,
.
потребляемая каждой фазой активная мощность и общая активная мощность
нагрузки таковы:

строим векторную диаграмму напряжений и токов в нагрузке:
Рис. 7
. Расчет трехфазной цепи при несимметричной нагрузке
Если в трехфазной цепи нарушается хотя бы одно из условий симметрии, то
режим работы в трехфазной цепи называют несимметричным. В настоящее время для
расчета несимметричных режимов в трехфазных цепях пользуются специальным
методом расчета - методом симметричных составляющих, но для того чтобы решать
этим методом, необходимо задаться (при расчете несимметричных режимов)
следующими условиями:
- имеется только статическая нагрузка;
- падение напряжения в генераторах не учитывается.
При двух указанных ограничениях расчеты несимметричных режимов не
содержат ничего принципиально нового и могут выполняться любыми методами,
раннее нам известные.
Что касается моей схемы, данная нагрузка имеет активный характер. На
одной из фаз отсутствует активное сопротивление. На основе данной схемы можно
сделать вывод, что из-за возможной перегрузки произошло короткое замыкание фазы
С, что и привело данную систему к аварии.
Перегрузка - это есть работа сети и электроприборов, подключенных к ней,
при значении тока, существенно превышающих номинальное, что и приводит к
аварии. Перегрузка может вызываться как и внешними причинами, так и
внутренними. Внешние причины - это повышенное напряжение сети. Внутренние - это
включение в линию приборов, потребляющих недопустимо большую для этой линии
мощность.
В данной схеме соединение звезда-звезда без нулевого провода с
несимметричной нагрузкой.
Рис. 8
Данные для расчета:,.
расчет: определим линейные значения напряжения на генераторе:
,
,
.
так как у нас соединение звезда-звезда без нулевого провода, то линейные
напряжения на генераторе будут равны фазным напряжениям в нагрузке :
, ,.
линейные токи равны фазным токам нагрузки:
.
строю векторную диаграмму напряжений и произвожу анализ цепи:
Рис. 9
На векторной диаграмме видно, что при коротком замыкании фазы С, линейные
напряжения нагрузки и будут равны фазным напряжениям и , а фазное напряжение .
упростим схему:
Рис. 10
по второму закону Кирхгофа составим уравнение для напряжений:
,
.
по первому закону Кирхгофа составим уравнение для токов:
из второго закона Кирхгофа выражаем токи и , и рассчитываем эти токи:
,
.
из первого закона Кирхгофа выражаем ток и определяем его:
.
построим векторную диаграмму токов при несимметричной нагрузке:
Рис. 11
определим мощность в нагрузке:
так как, данная нагрузка имеет активный характер, то полная мощность
будет равна полной активной мощности, а полная реактивная мощность равна нулю.
Сначала определим активную мощность нагрузки в каждой фазе:
полная активная мощность будет:
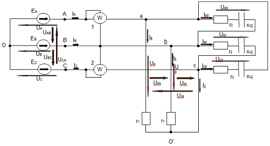
4. Расчет нагрузки генератора
Для того чтобы определить общие токи в линейных проводах, составим схему
и обозначим на ней раннее найденные мной токи:
Рис. 12
Из предыдущих расчетов фазные токи ,, и линейные токи,,мне известны:
,
,
,
,
,
.
исходя из данной мне схемы, составлю уравнения по первому закону Кирхгофа
и определю общие токи в линейных проводах:
,
,
.
,
,
.
показания ваттметров по всей линии таковы:

. Дроссель. Принцип работы дросселя. Применение
Катушка индуктивности намотанная на замкнутый сердечник из
ферромагнитного материала называют дросселем. В устройствах работающих на
низких частотах для сердечников используют электротехническую сталь. При
высоких частотах используются сердечники из спрессованного ферромагнитного
порошка. Но независимо от конструкции и материала все катушки с ферромагнитным
сердечником обладают рядом свойств и особенностей, которые мы рассмотрим. Для
краткости в дальнейшем мы будем называть их просто катушками.
В основном катушки имеют конструкцию, показанную на рис. 1. На замкнутый
сердечник из ферромагнитного материала различной формы и размеров наматываются
проводники, по которым протекает переменный ток.
Протекающий ток создает вокруг катушки переменный магнитный поток,
большая часть которого вследствие высокой магнитной проницаемости
ферромагнетика замыкается по материалу Ф0. Существенно меньшая часть магнитного потока охватывает
витки катушки, замыкаясь по воздуху, и образует так называемый поток рассеяния
Фs. Основной поток и поток
рассеяния отличаются друг от друга не только количественно, но и принципиально.
Поток рассеяния замыкается по среде, магнитная проницаемость которой не зависит
от напряженности магнитного поля. Поэтому его величина линейно связана с
величиной тока катушки. Основной поток замыкается по ферромагнетику,
обладающему сильно выраженной нелинейной зависимостью магнитной проницаемости
от напряженности поля и неоднозначной связью между ними. Все это делает
невозможным общий точный анализ процессов в катушке и требует принятия
допущений, позволяющих рассматривать катушку как объект с линейными
характеристиками.
Переменный магнитный поток, пронизывающий материал сердечника, вызывает
появление в массе материала ЭДС индукции. Так как все ферромагнетики относятся
к проводникам, то под действием этой ЭДС в сердечнике возникают электрические
токи ( iF рис. 2), протекающие
по замкнутым контурам, расположенным в плоскостях перпендикулярных направлению
магнитного потока, и называемые вихревыми токами или токами Фуко.
Вихревые токи создают свой магнитный поток, стремящийся, в соответствии с
правилом Ленца, ослабить изменение основного потока. Поэтому они действуют
размагничивающим образом, уменьшая основной поток.
Размагничивающее действие вихревых токов неодинаково в различных частях
сердечника. Наиболее сильно оно выражено в центре сечения (рис. 2), т.к.
центральные части охватываются максимальным числом контуров тока, МДС которых и
создают размагничивающий поток. Поэтому в центре сечения плотность основного
магнитного потока будет меньше, чем на краях, т.е. Происходит вытеснение
основного магнитного потока в наружные слои магнитопровода. Это явление
выражено тем резче, чем выше частота магнитного потока и больше сечение,
магнитная проницаемость и удельная проводимость материала сердечника.
Протекающий по материалу сердечника электрический ток вызывает его
нагрев. Если это тепло не используется, то говорят о потерях на вихревые токи.
В соответствии с законом Джоуля-Ленца, мощность расходуемая на нагрев равна IF2r, где IF -
действующее значение вихревых токов, а r - сопротивление контура, по которому
они замыкаются. Очевидно, что эффективно снизить эти потери можно уменьшив ток.
Это достигается увеличением удельного сопротивления материала и разделением его
на отдельные изолированные друг от друга слои вдоль линий магнитного потока
(рис. 2). Такое разделение на слои называется шихтованием магнитопровода.
Потери на вихревые токи можно определить, воспользовавшись понятием
активной мощности переменного тока.
Пусть магнитопровод имеет форму параллелепипеда с длиной l, высотой h и
толщиной d (рис. 3) и магнитный поток распространяется в направлении l. В
плоскости перпендикулярной направлению вектора индукции B выделим элементарный
замкнутый контур толщиной dx, стороны которого отстоят на расстоянии x от оси
симметрии плоскости.
Если h » d, то магнитный поток через поверхность, определяемую
координатой x, будет Фx =
2xhB, а ЭДС, наводимая этим потоком в контуре
- Ex = 4kf fФx max = 8kf fhxBm2,
где kf - коэффициент
формы ЭДС. Сопротивление контура dx, при условии, что сопротивлением меньших
сторон (вдоль d) можно пренебречь, равно, где g- удельная проводимость материала
магнитопровода.
Следует, что потери на вихревые токи очень сильно (во второй степени)
зависят от
- толщины магнитопровода d,
- частоты переменного тока f;
- амплитуды индукции (плотности магнитного потока) Bm.
Таким образом, уменьшение толщины листов пакета магнитопровода в два раза
приведет к четырехкратному уменьшению потерь на вихревые токи.
Коэффициент x является константой для конкретного магнитопровода,
пропорциональной удельной проводимости материала и зависящей также от
геометрической формы и размеров поперечного сечения.
Кроме потерь на вихревые токи в сердечнике катушки существуют также
потери, связанные с перемагничиванием материала в течение периода. В
соответствии с формулой Штейнмеца, энергия теряемая на один полный цикл
перемагничивания в единице объема вещества равна
WH` = h Bmn ,
где h - постоянный коэффициент, характеризующий данное вещество,m - амплитуда индукции и n -
показатель степени, зависящий от амплитуды индукции. Для значений индукции
0.1< Bm <1.0 Тл n = 1.6,
а для 0.1 > Bm и
.0< Bm <1.6 Тл n =
2.
Отсюда мощность, расходуемая на перемагничивание или, иначе говоря,
потери на гистерезис равна
H = WH`fV = ƞfBmnV .
Общие потери в магнитопроводе равны сумме потерь на вихревые токи и
перемагничивание, т. е.
Fe = PF + PH.
Если принять, что потери на гистерезис пропорциональны второй степени Bm, то общие потери в магнитопроводе
или, как говорят, "потери в железе" можно представить в виде
PFe = (h f+x f2)Bm2V
Зависимость потерь на вихревые токи PF и гистерезис PH от
частоты переменного тока представлена на рис. 4. При низких частотах в
магнитопроводе преобладают потери на гистерезис, а затем, по мере роста
частоты, потери на вихревые токи резко возрастают и при высоких частотах
становятся преобладающими. При работе сердечника на высокой частоте оказывается
невозможным его шихтование, т.к. невозможно изготовить пластины или ленту такой
толщины, чтобы потери были удовлетворительными. Поэтому для высокочастотных
сердечников шихтование заменяют прессовкой
мелкодисперсных гранул ферромагнетика, размер которых можно выбрать
таким, чтобы вихревые токи не превышали требуемых значений.
Ферромагнитный материал сердечника катушки создает сильные искажения
кривых тока и напряжения на ней. Гистерезисную петлю ферромагнетика B(H) можно
преобразовать в подобную ей зависимость потокосцепления катушки от тока Y (i), пользуясь тем, что Y = BS и i = H/w.
Если катушка подключена к источнику синусоидальной ЭДС и напряжение на
ней u = Umcoswt, то потокосцепление
также синусоидальная функция
времени. Построим кривую тока в катушке, пользуясь функцией Y (i) (рис. 5).
Для этого в каждый момент времени по значению Y определим с помощью петли Y (i) мгновенное значение тока в катушке i
и отложим его на вертикальной линии ab, соответствующей рассматриваемому
моменту времени.
Полученная кривая i(t) имеет сильные искажения. В ее спектре резко
выражена третья гармоника. Если выделить первую гармонику i1 (рис. 5) , то окажется, что
синусоида потокосцепления отстает от нее на некоторый угол, называемый
гистерезисным углом. Величина гистерезисного угла зависит от ширины петли
гистерезиса, т.е. от потерь на перемагничивание. Если петлю гистерезиса
заменить кривой намагничивания, то искажения кривой тока сохранятся, а
гистерезисный угол будет равен нулю.
Если катушку подключить к источнику синусоидального тока i, то по петле
i(Y ) можно также по точкам для каждого момента времени построить кривую Y (t), а затем, продифференцировав ее,
получить кривую u(t) (рис. 6).
Из рис. 6 следует, что при синусоидальном токе в катушке кривая падения
напряжения на ней несинусоидальна и имеет ярко выраженную третью гармонику.
Причем ее доля в спектре напряжения существенно больше, чем в спектре тока при
синусоидальном напряжении.
Если сердечник катушки заменить проводящим неферромагнитным материалом,
то в нем исчезнут потери на гистерезис, но останутся вихревые токи и связанные
с ними потери. Кривые напряжения и тока в катушке при этом будут синусоидальными,
а смещение их по фазе ц будет соответствовать величине потерь. Зависимость
Y (i) в этом случае будет иметь форму эллипса (рис.7)
Следовательно, при наличии потерь на гистерезис графическая форма функции Y (i) представляет собой нечто среднее
между эллипсом и гистерезисной петлей. При уменьшении частоты, доля потерь на
вихревые токи уменьшается и форма Y (i) приближается к гистерезисной
петле. При увеличении частоты потери на вихревые токи быстро растут и форма
петли Y (i)
становится близкой к эллиптической.
Применение дросселей весьма широкообразна. Они применяются в фильтрах
систем питания и регулирования электрических двигателей. В зависимости от вида
системы, дроссели обеспечивают повышение коэффициента мощности, защиту от
бросков тока при переходных процессах в питающей сети и нагрузке, минимизацию
тока КЗ в цепи нагрузки преобразователя, ограничение коммутационных
перенапряжений и компенсацию ёмкости цепи питания.
Список использованной литературы
1. Бессонов Л.А. Теоретические основы электротехники:
Электрические цепи. - 9-е изд., перераб. и доп. - М.: Высшая школа., 1996.
-638.
2. Демирчан К.С., Нейман Л.Р. «Теоретические основы
электротехники», 2004.
. Основы теории цепей: Учеб. для вузов., Г.В. Зевеке,
П.А. Ионкин, А.В. Нетушил, С.В. Страхов. -5-е изд., перераб. -М.:
Энергоатоммиздат, 1989. -528.
. Кагаков Ю.Н. «Индуктивные элементы в
электротехнике», Астрахань 2007.
. Электротехника. Учебн., пособие для вузов. Э45 Под
ред. В.С. Пантюшина. Изд. 2-е, перераб., и доп. М., «Высшая школа», 1976.
. «Теоретические основы электротехники» раздел:
Катушка с ферромагнитным сердечником.