|
С2
|
С3
|
K12
|
K13
|
K23
|
|
мкФ
|
мкФ
|
|
|
|
|
200
|
3600
|
0,7
|
0,2
|
0,1
|
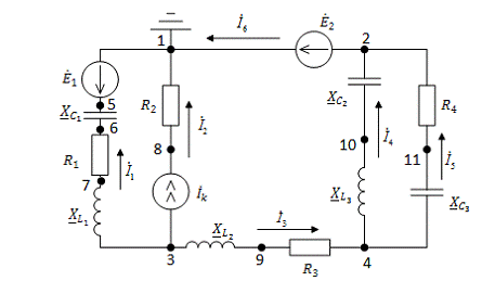
Рисунок 1 - Исходная схема
1. Цепь однофазного синусоидального тока
.1 Определение мгновенных значений токов в
цепи
Переход от амплитудных значений ЭДС и токов к
комплексным:
Расчет индуктивных сопротивлений:
Расчет ёмкостных сопротивлений:
Для того чтобы перейти к расчетной схеме заменим
элементы исходной схемы в соответствии с методом расчета синусоидальных цепей
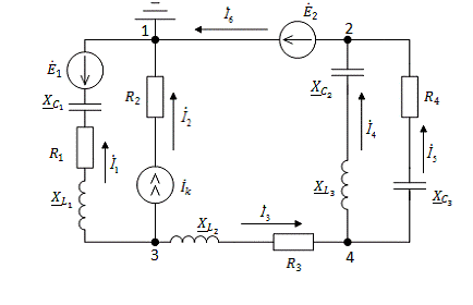
их комплексными значениями, составим мнемосхему (рис.2):
Рисунок 2 - Мнемосхема
Применим метод узловых потенциалов:
Заземлим узел 1, тогда:
Заменим сопротивления в каждой ветви на их
эквивалентную сумму:
Рисунок 3 - ветви с эквивалентным сопротивлением
Найдём эквивалентные сопротивления в каждой
ветви:
Нахождение
неизвестных узловых потенциалов:
Составим систему уравнений для узлов 3 и 4:
Найдем узловые и линейные проводимости:
Узловые токи найдем как сумму ЭДС ветвей,
сходящихся в k-ом узле, делённую
на эквивалентное сопротивление ветвей, в которых они лежат и сумму токов
источника тока, подтекающих к этому узлу. Если стрелка ЭДС направлена к узлу,
то его значение берётся с плюсом. Если стрелки идеального источника тока
направлены к узлу, то он берется с плюсом. В противном случае с минусом.
Подставляем в систему уравнений известные
величины:
Решая данную систему, получаем:
Расчет токов в
цепи:

Осуществим проверку по 1-му закону Кирхгофа
Для узла 3:
Для узла 4:
Так как относительная погрешность не превышает
5%, можем считать, что расчет выполнен с удовлетворительной точностью.
Переход к мгновенным значениям токов:
1.2 Построение совмещенной
векторно-топографической диаграммы напряжений и токов
Определим значения потенциалов в промежуточных
точках (рис.4):
Рисунок 4 - Детальная мнемосхема
Найдем значения потенциалов в промежуточных
точках:
Построим диаграмму в масштабе
,
Рисунок 5. Векторно-топографическая диаграмма
для токов и напряжений
.3 Проверка энергетического баланса мощностей и
определение режима работы источников электрической энергии
Найдем мощности источников энергии:
Найдем потребляемую цепью мощность:
Найдем сумму мощностей и определим погрешность:
Вычислим относительную погрешность расчётов:
Так как относительная погрешность не превышает
5%, можем считать, что расчет выполнен с удовлетворительной точностью.
Определение режимов работы источников энергии:
- источник
работает в режиме потребителя
- источник
работает в режиме генератора
- источник
работает в режиме генератора
.4 Определение показаний ваттметра
.5 Построение круговой диаграммы
Построим круговую диаграмму для тока
при
изменении
от
0 до ∞. При
®∞ найдем
напряжение холостого хода
хх.
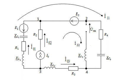
Для расчёта цепи применяем метод контурных токов. Цепь изображена ниже (рисунок
6).
Составим выражения для контурных токов по 2
закону Кирхгофа:

Рисунок 6. Схема для расчёта методом контурных
токов
Расчёт токов в
ветвях:
Определим напряжение холостого хода:
Определим входящие сопротивление:
Сопротивление нагрузки:
Найдём ток короткого замыкания:
Основное уравнение для построения круговой
диаграммы:
Построим круговую диаграмму в масштабе
,
Рисунок 7. Круговая диаграмма
ток цепь индуктивность
электроэнергия
2. Расчёт цепи с взаимными индуктивностями
Считая, что коммутатор K
разомкнут, используя символический подход, перейдем от исходной схемы к новой
схеме (рисунок 8).
Рисунок 8. Схема цепи с магнитосвязанными
элементами
Определим значения токов во всех ветвях схемы
методом непосредственного применения законов Кирхгофа:
Решая полученную систему, получаем:
Переход к мгновенным значениям токов:
3. Расчет трехфазной цепи
Для схемы (рис. 9), параметры которой приведены
в табл.2, рассчитать и построить совмещенную векторно-топографическую диаграмму
фазных и линейных напряжений и токов на трехфазной нагрузке.
Таблица 2. Исходные данные к курсовой работе:
|
Uл
|
Za
|
Zb
|
Zc
|
|
В
|
Ом
|
Ом
|
Ом
|
|
220
|
3+4j
|
10
|
8j
|
Рисунок 9 - Схема к третьей части курсовой
работы
Запишем фазные и линейные напряжения трехфазной
цепи в комплексной форме, приняв начальную фазу фазного напряжения
=
.
Проводимости ветвей:
Напряжение смещения нейтрали:
Рассчитаем фазные и линейные напряжения на
нагрузке:
Переход к показательной форме:

Для проверки правильности нахождения линейных
токов воспользуемся первым законом Кирхгофа, составим уравнение для узла n:
Так как относительная погрешность не превышает
5%, можем считать, что расчет выполнен с удовлетворительной точностью.
Построим диаграмму в масштабе
,
Рисунок 9. Совмещенная векторно-топографическая
диаграмма фазных и линейных напряжений и токов
Заключение
В первой части курсовой работы был проведен
анализ однофазной электрической цепи, с учетом отсутствия индуктивной связи
между катушками индуктивности. В ней были определены мгновенные значения токов
методом узловых потенциалов. Проверка расчета выполнена по первому закону
Кирхгофа. Погрешность не превысила 5%. Была построена совмещенная
векторно-топографическая диаграмма напряжений и токов. Была осуществлена
проверка энергетического баланса мощностей, погрешность расчета составила менее
5%. Определен режим работы источников электрической энергии. В четвертом пункте
первой части работы определены показания ваттметра электродинамической системы.
В пятом пункте построена круговая диаграмма.
Во второй части были найдены значения токов во
всех ветвях схемы методом непосредственного применения законов Кирхгофа, с
учетом индуктивной связи между катушками индуктивности и при разомкнутом
коммутаторе К. Проверка расчета выполнена на основании энергетического баланса.
Погрешность не превысила 5%.
В третьей части были выполнены расчёт и
построение совмещенной векторно-топографической диаграммы фазных и линейных
напряжений и токов на трёхфазной нагрузке. Найдены линейные токи, фазные
напряжения и напряжение смещения нейтрали.
Список источников
1. СТО-13-2011. (МУ 2929) Стандарт
организации. Студенческие работы. Общие требования к оформлению. Липецк: ЛГТУ,
2011. - 32 с.
2. Довженко С.В. Методические
указания и контрольные задания к курсовой работе № 1 по теоретическим основам
электротехники «Анализ электрического состояния однофазных и трёхфазных цепей.
Липецк: ЛГТУ, 2011-2014. 15с.
. Бессонов Л.А. Теоретические основы
электротехники. - М.: Высшая школа, 1973. - 752 с.