Расчет и анализ электрических цепей

  • Вид работы:
    Курсовая работа (т)
  • Предмет:
    Физика
  • Язык:
    Русский
    ,
    Формат файла:
    MS Word
    115,14 Кб
  • Опубликовано:
    2016-01-10
Вы можете узнать стоимость помощи в написании студенческой работы.
Помощь в написании работы, которую точно примут!

Расчет и анализ электрических цепей














Курсовой проект

по дисциплине: «Технические основы электротехники»

Тема: «Расчет и анализ электрических цепей»

СОДЕРЖАНИЕ

Введение

. Анализ электрического состояния линейных электрических цепей постоянного тока

. Анализ электрического состояния нелинейных электрических цепей постоянного тока

. Анализ электрического состояния однофазных линейных электрических цепей переменного тока

. Анализ электрического состояния трехфазных линейных электрических цепей переменного тока

. Исследование переходных процессов в электрических цепях

. Энерго- и материалосбережение

Заключение

Литература

ВВЕДЕНИЕ

Тема данного курсового проекта расчёт и анализ электрических цепей.

Курсовой проект, включает в себя 5 разделов:

Расчёт электрических цепей постоянного тока.

Расчёт не линейных цепей постоянного тока.

Расчёт трёхфазных линейных электрических цепей переменного тока.

Исследование переходных процессов в электрических цепях.

В курсовом проектировании использовались следующие обозначения:

R-активное сопротивление, Ом;

L-индуктивность, Гн;

C-ёмкость, Ф;

XL, XC -реактивное сопротивление (ёмкостное и индуктивное), Ом;

I-ток, А;

U-напряжение, В;

E - электродвижущая сила, В;

ψu,ψi-углы сдвига напряжения и тока, град;

P-активная мощность, Вт;

Q-реактивная мощность, ВАР;

S-полная мощность, ВА;

φ-потенциал, В;

НЭ - нелинейный элемент;

f- частота, Гц

1. АНАЛИЗ ЭЛЕКТРИЧЕСКИХ ЦЕПЕЙ ПОСТОЯННОГО ТОКА

Для электрической цепи выполнить следующее:

)cоставить на основании закона Кирхгофа систему уравнений для определения токов во всех ветвях системы;

)определить токи во всех ветвях схемы, используя метод контурных токов;

)Определить токи во всех ветвях схемы на основании метода наложения;

)составить баланс мощностей для данной схемы;

)результаты расчетов токов по пунктам 2 и 3 представить в виде таблицы и сравнить;

Рисунок 1 - Схема электрической цепи постоянного тока

Дано:

R1=52 Oм    R2=24 Ом     R3=43 Ом   R4=36 Ом     R5=61 Ом

R6=16 Ом     E1=40 B      E2=30 B     r01=1 Ом     r02=2 Ом

Расчет электрических цепей методом Кирггофа.

1 Выберем направление токов.

2 Выберем направление обхода контуров.

3 Составим систему уравнений по закону Киргофа:

I5=I1+I6=I3+I5=I1+I2

Е1=I1(R1+r01)+I5R5+I4R4=I2(R2+r02)+R6I6 -I1 (R1+r01)

= I5R5-I3R3+I6R6

Расчет электрических цепей методом контурных токов.

Расставим токи

Выберем направление контурных токов по ЭДС

Составим уравнения для контурных токов:

Ik1× (R1+r01+R5+R4)-Ik2× R1+r01+Ik3×R5=E1× (R6+ r02+ R1+r01+R2)-Ik1× R1+r01+Ik3×R6=E2-E1× (R3+R6+R5)+Ik2×R6+Ik1×R5=0×150-Ik2×53+Ik3×61=40

Ik1×53+Ik2×94+Ik3×16=-10            (1)

Ik1×61+Ik2×16+Ik3×120=0

)Решим систему матричным методом (методом Крамера)

Δ==2.291×106           

Δ1==8.476×105                  (2)   

Δ2==1.506×105

Δ3== -4.51×105

)Составим баланс мощностей для заданной схемы.

Ik1==0.37А==0.066A                         (3)3==-0.197A

) Выразим токи схемы через контурные:

I1=Ik1-Ik2= 0.304= Ik2=0.066=-Ik3=0.197                          (4)


7) Баланс мощностей:

Pис=E1I1+E2I2=40×0.304+30×0.066=12.16+1.98=14.14Вт

Рпр=I12R1’+I22R2’+I32R3+I42R4+I52R5+I62R6=0.3042×53+0.0662×26+0.1972×43+0.372×36+0.1732×61+0.1342×16=4.9+0.1+1.6+4.9+1.8+0.2=13.6 Вт.      (5)

Расчет электрических цепей методом узловых потенциалов

Расставим токи

Расставим узлы

Составим уравнение для потенциалов:

1=0

2 ( )-3=0

3× (  + )-2=         

4 × (  + )-=

1=0

20.07-40.016-30.02=0

30.12-40.06-20.02=1.15                 (6)

40.1-20.016-30.06=0.75

) Решим систему матричным методом(методом Крамера) :

Δ==4.789×10-4

Δ1==5.744×10-3

Δ2==0.011                (7)       

Δ3==0.011

) Рассчитываем φ :

1== 11.995 В

3== 23.274 В                    (8)

4==23.384 В

10) Находим токи :

I1= А

I2===0.25 А

I3===0.026 А

I4===0.33 А                      (9)

I5===0.18 А

I6===-0.006 А

) Чертим сводную таблицу.

Токи  Метод

 I1

 I2

 I3

 I4

 I5

 I6

МКТ

0.304

0.066

0.197

0.37

0.173

-0.131

МУП

0.31

0.25

0.026

0.33

0.18

-0.006


) Построение потенциальной диаграммы для любого замкнутого контура, включающего в себя ЭДС:  Если ток совпадает по направлению с обходом значит “-“,если совпадает с ЭДС значит” +”.

Рисунок 2 - Исследуемый контур

1=0

2=1+E1=40

3=2-I1R1=40-0.304×53= 24

4=3+ I6R6= 24+(-2.096)=22                (10)          

5=4 -E2= 22-30=-8

1=5+ I2R2= -8+0.25×26=-1.5

Строим потенциальную диаграмму по результатам расчёта

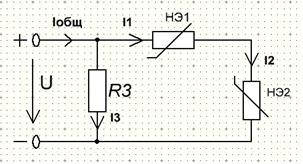
2. АНАЛИЗ НЕЛИНЕЙНЫХ ЭЛЕКТРИЧЕСКИХ ЦЕПЕЙ ПОСТОЯННОГО ТОКА

Построить входную вольтамперную характеристику схемы нелинейной электрической цепи постоянного тока. Определить токи во всех ветвях схемы и напряжения на отдельных элементах, используя полученные вольтамперные характеристики“a”, ”б”, ”в”.

Рисунок 3 - Схема нелинейной электрической цепи

R3=40 Ом

U= 60В

НЭ1-а

)Строим характеристику линейных элементов.

U=I×R

R=U/I

)Выбираем значение кратное 80:

I=U/R3=80/40=2A                               (11)

)Строим прямую линию на точках (0:0) и (80:2). Соединяем две точки прямой линией и получаем график нелинейного резистора. Т.к. смешанное соединение, строим общую характеристику нелинейных элементов.

)Сложим вправо график НЭ1 и R.

5)С помощью полученной ВАХ HЭ определяем токи в ветвях и напряжения на каждом элементе.

В результате получаем: I=2A; I1=0.25 A; I2=0.25 A; I3=1.5 A; U1=2.5 В; U2=30В.

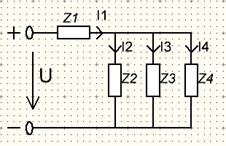
. РАСЧЕТ ОДНОФАЗНЫХ ЛИНЕЙНЫХ ЦЕПЕЙ ПЕРЕМЕННОГО ТОКА

Рисунок 4 - Схема однофазной линейной электрической цепи переменного тока

Um=54 В             L1=31,8 млГн

Ψu=60 град           L2=38,2 млГн

R1=10 Ом            C1=318 мкФ

R2=20 Ом            C2=199 мкФ

)Расставим токи

)Определим реактивное сопротивление:

XL1=2πfL1=10 Ом

XL2=2πfL2=16 Ом                   (12)

Xc1=1/2πfL1=11 Ом

Xc2=1/2πfL2=17 Ом

)Определим полное сопротивление цепи:

Z1=-jXC1 Ом

Z2= jXL1 Ом

Z3=-jXC2 Ом                          (13)

Z4=R2+XL2+R1 Ом                                 

Z1=-j11=11e-J90 Ом=j10=10eJ90 Ом=-j17=17e-J90 Ом=20+j16+10=30+j16=34eJ28

)Запишем схему в преобразованном виде

Рисунок 5-Упрощенная схема однофазной линейной электрической цепи переменного тока

) Свернём схему

Z3,4=(Z3×Z4)/(Z3+Z4)=17e-J90×34eJ28/17e-J90+34eJ28 =578e-j62/30ej1.9= 19.2e-j64,3,4=(Z2×Z3,4)/(Z2+Z3,4)=10eJ90×19.2e-j64/10eJ90+19.2e-j64=192ej26/11.2e-j32.3=17e-j58экв=Z1+ Z2,3,4 = -j11+17e-j58=-j11+8.9+j14.5=8.9+j3.5=9.5ej21 Ом

6)Определим токи в ветвях:

I1=Um/Zэкв=54/9.5ej21 =5,7e-J21 А

I2=(Um - I1×Z1 )/(Z2)=54-(5,7e-J21×11e-J90)/ 10eJ90=76.5+j58.5/10eJ90=96.7eJ37.2/10eJ90 =9.7e-j52.7              (14)

U2 = Z2× I2=10eJ90 ×9.7e-j52.7 = 97e j37.2                          =U2/(Z3)= 97e j37.2/ 17e-J90 = 5.7e j52.8=U2/(Z4)= 97e j37.2/ 34eJ28= 2.8e j9.2

7)Баланс мощностей:

P= I42×(R1+R2)= 2.82×(20+10)=7.84×30=235.2 Вт

Q= I42×XL2- I22×XC1- I32×XC2- I12×XC1=2,82×16+9,72×10-5,72×17-    5,72×11=125.44+940.9-552.33-357.4=156.61Вар                 (15)= U×I*=54×5,7eJ21=307,8eJ21=287,3+110.3 ВА

)Построение векторной диаграммы токов

4. РАСЧЕТ ТРЕХФАЗНЫХ ЛИНЕЙНЫХ ЦЕПЕЙ ПЕРЕМЕННОГО ТОКА

В соответствии с данными таблицы начертить схему соединений сопротивлений в трехфазной цепи.

Определить:

) фазные токи;

) линейные токи;

) активную, реактивную и полную мощность каждой фазы трехфазной цепи;

) угол сдвига фаз между током и напряжением в каждой фазе;

) начертить в масштабе векторную диаграмму трехфазной цепи;

Рисунок 6-Трехфазная линейная электрическая цепь переменного тока

UL=220 В                  XLB=16 Ом

RB=12 Ом                  XLC=28 Ом

XCA=35 Ом

) Расставим токи.

) Определим фазные напряжения.

Uф= UL =220 В

UAB= Uф = 220 В                                           (16)

UBC= Uфe -J120= 220e -J120

UCA= Uфe J120=220e J120

) Определим фазные токи:

IAB=UAB/jXLA=220/35e-J90=6,3eJ90=j6.3 А                        (17)

IBC=UBC/ RBC+XLB =220e -J120/12+16eJ90=220e -J120/20e J53/=11e -J173 =10,9-1,3 А=UCA/XLC =220e J120/28e J90=7.9eJ30 = 6.8+j4 A

4) Определяем линейные токи  

IA=IAB-ICA=j6.3-(6.8+j4)=-6.8-j2.3= 7.2eJ161 А                    (18)

IB=IBC-IAB=-10.9-j1.3-6.3 =-10,9-7,6=13,3e-J145 А

IC=ICA-IBC=6.8+j4-(-10.9-j1.3)=17.7+j5.3 = 18,4eJ16.7 А

5) Баланс мощностей:

P=I2BC×RBC= 112×12=1452 Вт                             (19)

Q=I2AB×XCA+I2BC×XLB+I2CA×(-XLC)=1389.15+1936-1747.48 =1577,67 Вар

×220e J120=1386e-J90+11e J173×220e -J120+1738J90= (-j1386)+(1456.4+j1932.7)+j1738 = -j1386+1456.4+j1932.7+j1738=1456.4+j2284 ВА

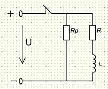
5. ИССЛЕДОВАНИЕ ПЕРЕХОДНЫХ ПРОЦЕССОВ В ЭЛЕКТРИЧЕСКИХ ЦЕПЯХ

Задание

Для электрической цепи (рис.5.1):

определить практическую длительность переходного процесса ток в цепи и энергию электрического или магнитного поля при t = 2τ. Построить графики i=f(t) и eL=f(t).

Рисунок 5- Исследуемая электрическая цепь

Дано:

R=140 Ом;

Rр=60 Ом;     

L=0.75 Гн ;

U=200 B.

. Согласно схеме

iуст=I= = A                                    (20)

Чтобы найти закон изменения переходного тока, запишем уравнение в общем виде

i= iуст +icв= iуст+А

В этой формуле

icв= А,

где icв- свободная составляющая тока; А - достоянная интегрирования; е = =2,71 ~ основание натурального логарифма; τ - постоянная времени переходного процесса,

τ= где R- величина сопротивления, через которое проходит переходный ток;

t - текущее время.

Определяем постоянную интегрирования, полагая t = 0, тогда уравнение

i= iуст +icв= iуст+А  примет вид:

i0=iуст+А т. к. е° = 1

Значит, А = i0 - iyст = 0 - I,

то есть А = -I

А=-1.42А                                                 (21)

Запишем уравнение (закон изменения переходного тока) при включении катушки

i=iycт+ iсв=iуст+А= I - I = I×(1 - );

В нашем случае i=1.42×(1 - );

Находим постоянную времени переходного процесса

τ= = τ=                                      (22)

Практическая длительность переходного процесса

т = 1.42×0,005= 0,025 с                                      (23)

. Вычислим значения переходного тока i = f(t), в менты времени t = 0, t = τ , t=2τ, t=3τ, t = 4τ, t = 5 τ.

Значения переходного тока для заданных значений времени:

t=0, i0=1.42× (1 - ) =1.42× (1 -1) = 0 A;=, i1=1.42× (1 - ) =1.42× (1- ) =1.42× (1- 0,367) =0,89 A;=2, i2=1.42× (1 - ) =1.42× (1 -) = 1.42× (1- 0,135)= 1.22 A=3, i3=1.42× (1 - ) =1.42× (1 -) =1.42× (1- 0,049)= 1.35 A;   (24)=4, i4=1.42× (1 - ) =1.42× (1 -) = 1.42× (1- 0,018)=1.39 A;=5, i5=1.42× (1 - ) =1.42× (1 -) =1.42×(1- 0,007)=1.41 A;

Строим график i = f(t).

Закон изменения ЭДС самоиндукции можно получить из формулы

eL=-L-L(I - I) =-I•L•=-I•L•=-I•R•=-U

В нашем случае eL= -200

Значения ЭДС самоиндукции для заданных значений времени следующие:

t=0, e0=-200×=-200В;=, е1=-200×=-200×0,367=-73,4 В;=2, i2=-200×=-200×0,135=-27В;

t=3, i3-200×=-200×0,049=-9,8В;                              (25)=4, i4=-200×=-=-200×0,018=-3,6 В;=5, i5=-200×=-200×0,007=-1,4 В;

Строим график eL = f(t).

. Энергия магнитного поля при t = 2τ равна:

Wм=L×i22 2=0,75×1,22 2=0,55 Дж.                              (26)

. Переключаем переключатель из положения 1 в положения 2 (отключаем катушку от источника постоянного напряжения при одновременном ее замыкании на сопротивление).

В этом случае мы отключаем цепь от источника и при переключении в положение 2 в образовавшемся контуре ток придерживается за счет энергии, накопленной в магнитном поле катушки. Энергия магнитного поля непрерывно уменьшается, так как в активном сопротивлении контура идет необратимый процесс превращения электрической энергии в тепловую.

i=iycт+ iсв=iуст+А

В этом случае iуст=0, т.к. при отключении цепи от источника ток в цепи будет равен нулю.

Тогда i=А,                                           (27)

где t=L/R+Rp= - постоянная времени переходного процесса.

Определим постоянную интегрирования, пологая t=0, тогда уравнение

i=А, примет вид:

i0=Аe0,т.е. i0=А,

но i0=А - согласно первому закону коммутации ток в первый момент коммутации будет таким, каким был в последний момент до коммутации.

Значит, А=1.42А, тогда i= 1.42A.

Длительность переходного процесса t=5=5. 0.004=0.02 c.       (28)

Строим график i= f(t), задавшись моментами времени t = 0, t = τ , t=2τ, t=3τ, t = 4τ, t = 5 τ. Данные расчета сведены в таблицу 2.

Таблица 2

t,c

0

τ

2 τ

3 τ

4 τ

5 τ

i,A

1.42

0.19

0.06

0.02

0.009


. В соответствии с законом изменения ЭДС самоиндукции получим

el=-L=Ue-t/

В нашем случае

el=U 200                                        (29)

Строим график el= f(t), задавшись моментами времени t = 0, t = τ , t=2τ, t=3τ, t = 4τ, t = 5 τ. Данные расчета сведены в таблицу 3.

Таблица 3

t,c

0

τ

2 τ

3 τ

4 τ

5 τ

el,

200

73.4

27

9.8

3.6

1.4


6. ЭНЕРГО- И МАТЕРИАЛОСБЕРЕЖЕНИЕ

Персональный компьютер - компьютер, предназначенный для эксплуатации одним пользователем, то есть для личного использования. К ПК условно можно отнести также и любой другой компьютер, используемый конкретным человеком в качестве своего личного компьютера. Подавляющее большинство людей используют в качестве ПК настольные и различные переносные компьютеры.

В устройство персонального компьютера входят следующие компоненты:

) Системный блок. Системный блок это то, где размещаются все основные компоненты компьютера. В нём размещаются: блок питания, материнская плата, жёсткие диски, видеокарта, DVD-привод, охлаждающая система.

От выбора комплектующих системного блока, напрямую зависит производительность компьютера.

) Монитор. Монитор (дисплей) компьютера - это устройство, предназначенное для вывода на экран текстовой и графической информации. Конечно, монитор - важная часть персонального компьютера, но важна она именно для человека, а не для работы самого компьютера.

Достоинства персонального компьютера:

* ПК значительно дешевле ноутбука при сходных характеристиках.

* В плане модернизации возможности ПК значительно шире и дешевле. В ПК  можно поменять практически все, начиная от вентилятора до материнской платы и корпуса.

* Ремонт персонального компьютера значительно легче, быстрее и дешевле.

Во многих случаях возможен даже самостоятельный ремонт пользователем.

Недостатки персонального компьютера:

* Занимает много места и как правило более шумный.

* Потребляет больше чем ноутбук электроэнергии.

* Имеет мощные вентиляторы и засасывает много пыли, поэтому требует регулярной чистки.

электрический цепь линейный переменный

ЗАКЛЮЧЕНИЕ

В данном курсовом проекте мне нужно было произвести расчет электрических цепей переменного тока, расчет нелинейных электрических цепей переменного тока, расчет трехфазных линейных цепей переменного тока, и произвести исследование переходных процессов в электрических цепях.

С данной задачей я успешно справился и выполнив все вышеуказанные пункты получил следующие результаты:

В пункте один:I1=0.304 A; I2=0.066 A; I3=0.197 A; I4=0.37 A;I5=0.173 A;6=-0.131 A;

Правильность вычислений подтвердил баланс мощностей.

В пункте два были рассчитаны нелинейные элементы графическим методом.

В пункте три рассчитывали однофазные цепи переменного тока:

I1=5.7е-j21А ; I2=9.7е-j52.7А; I3= 5.7e j52.8А; I4= 2.8e j9.2;

Правильность вычислений подтвердил баланс мощностей.

В четвертом пункте я рассчитывал трехфазную цепь переменного тока с нагрузкой соединенной треугольником. Получил следующие значения фазных и линейных токов:

IAB= =j6.3=6,3eJ90 А

IBC=10,9-1,3=11e -J173 A=6.8+j4= 7.9eJ30 A= -6.8-j2.3= 7.2eJ161 А=-10,9-j7,6=13,3e-J145 А

IC=17.7+j5.3 = 18,4eJ16.7 А

В пятом пункте мной были исследованы переходные процессы в электрических цепях. На основании этих расчетов были построены зависимости: uc(t) и i(t).

ЛИТЕРАТУРА

1.      Атабеков Г.И. Теоретические основы электротехники. - М, 2010.

.        Буртаев Ю.В., Овсянников П.Н. Теоретические основы электротехники. - М, 1984.

.        Государственные стандарты Республики Беларусь.

.        Данилов И.А., Иванов М. Общая электротехника с основами электроники. - М, 2009.

.        Евзокямов Ф.Е. Теоретические основы электротехники. - М,1981.

.        Зайчик М.Ю. Сборник задач и упражнений по теоретической электротехнике. - М-, 2014.

.        Мельников А.К. Сборник контрольных заданий и программ для . решения задач с использованием ЭВМ по теоретическим основам электротехники. - Мн., 1992.

.        Попов В.С. Теоретическая электротехника. - М, 2008.

.        Частоедов Л.А. Электротехника. - М., 2013.

.        Шебес М.О. Сборник задач по теории электрических цепей. - М.,1982.

Похожие работы на - Расчет и анализ электрических цепей

 

Не нашли материал для своей работы?
Поможем написать уникальную работу
Без плагиата!
Без нейросетей!