Расчет линейных электрических цепей постоянного и синусоидального тока
РГКП «Евразийский национальный
университет им. Л.Н. Гумилева»
МОН РКСистема менеджмента качества
Стандарт университета
Структура учебно-методического
комплекса СМК ЕНУ С 04-2008
Расчет линейных электрических цепей
постоянного и синусоидального тока
Методические указания и задания к
расчетно-графическим
работам №1-3, для студентов
бакалавриата очной формы обучения
специальности 050719 - Радиотехника,
электроника и телекоммуникации
Астана 2010
СОСТАВИТЕЛЬ: К.Т. Бажиков. Теория электрических цепей 1 (ТЭЦ1).
Расчет линейных электрических цепей постоянного и синусоидального тока. Методические указания и задания к расчетно-графическим
работам №1-3,
для студентов очной формы обучения специальности 050719 - Радиотехника, электроника и телекоммуникации.
Астана: ЕГУ, 2010, - 20с.
Методические указания к расчетно-графическим работам содержат требования
к выполнению и оформлению расчетно-графических работ, задания, схемы и
параметры электрических цепей постоянного тока с зависимыми источниками и электрических
цепей синусоидального тока. Задания к расчетно-графическим работам
соответствуют типовой программе по ТЭЦ 1, включающей различные методы расчета
электрических цепей.
Ил. 20, табл. 6, библиогр.- 5-назв.
Рецензент: канд. техн. наук, доцент каф. ТКС Г.С. Казиева.
Печатается по плану издания «Евразийский
национальный университет им. Л.Н. Гумилева» на 2010г.
© «Евразийский национальный университет им. Л.Н. Гумилева» 2010г.
Содержание
1 Требования к выполнению и оформлению расчетно-графических
работ
2 Расчетно-графическая работа №1. Расчет линейных
электрических
цепей постоянного тока
Расчетно-графическая работа №2 . Расчёт разветвленных
электрических
цепей однофазного синусоидального тока
Расчетно-графическая работа №3. Расчёт линейных электрических
цепей несинусоидального тока
Методические указания к выполнению РГР № 1-3
Список литературы
электрическая
цепь фаза синусоидальный ток
1 Требования к выполнению и
оформлению расчетно-графических работ
Расчетно-графическая работа (РГР) должна включать следующие элементы:
а) титульный лист (приложение А);
б) задание:
в) содержание;
г) введение;
д) основную часть;
е) заключение (выводы):
ж) список литературы;
з) приложения.
Текст задания должен быть переписан полностью, со всеми рисунками и
числовыми значениями для своего варианта.
Каждый этап расчетно-графической работы должен быть озаглавлен.
Расчетно-графическая работа может быть выполнена рукописным способом или
с применением компьютерной печати (в программе Microsoft Word, шрифт высотой 14 пунктов с интервалом 1,0 - 1,5).
Текст пишется на одной стороне листа белой бумаги формата А4. По всем четырем
сторонам листа оставляются поля: левое не менее 30мм, правое - не менее 10мм,
верхнее и нижнее - 20мм.
Все листы расчетно-графической работы должны иметь сквозную нумерацию,
начиная с титульного листа, включая приложение.
Расчеты должны сопровождаться пояснениями. Нельзя приводить только
расчетные формулы и конечные результаты. Расчетно-графические работы, в которых
вычисления и пояснения приводятся сокращенно к защите не допускаются.
Рисунки должны быть пронумерованы.
На графиках указываются названия изображаемых величин, их единицы
измерения. Масштабы необходимо подбирать так, чтобы было удобно пользоваться
графиком или диаграммой.
У величин, имеющих определенные размерности, писать в окончательных
результатах соответствующие единицы измерения. Все обозначения электрических
величин должны соответствовать ГОСТу.
Введение должно содержать цель работы и методы анализа и расчета режимов
электрической цепи. Слово «ВВЕДЕНИЕ» записывается прописными буквами в виде
заголовка.
Заключение (выводы) должно содержать анализ и оценку результатов работы.
Расчетно- графическая работа должна быть сдана на проверку в срок, в
соответствии с графиком учебного процесса. В случае нарушения срока сдачи РГР
снижается итоговый балл за работу.
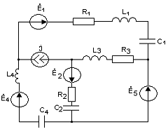
2 Расчетно-графическая работа №1.
Расчет линейных электрических цепей постоянного тока
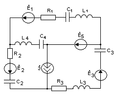
Для электрической цепи постоянного тока (рисунки 2.1-2.10), содержащей
независимые источники ЭДС и независимый источник тока J, выполнить следующее:
Составить систему уравнений по законам Кирхгофа.
Рассчитать токи во всех ветвях электрической цепи методом контурных
токов.
Рассчитать токи во всех ветвях электрической цепи методом узловых
потенциалов.
Рассчитать ток в ветви с сопротивлением Rx методом эквивалентного генератора.
Проверить баланс мощностей.
Вариант выбирается по таблицам 2.1-2.3 в соответствии с номером зачетной
книжки и первой буквой фамилии.
Таблица 2.1
|
Год поступления
|
Последняя цифра зачетной
книжки
|
|
чётный
|
1
|
2
|
3
|
4
|
5
|
6
|
7
|
8
|
9
|
0
|
|
нечётный
|
0
|
9
|
8
|
7
|
6
|
5
|
4
|
3
|
2
|
1
|
|
№ схемы
|
2.1
|
2.2
|
2.3
|
2.4
|
2.5
|
2.6
|
2.7
|
2.8
|
2.9
|
2.10
|
|
Е1, В
|
110
|
50
|
60
|
65
|
80
|
55
|
75
|
85
|
95
|
100
|
|
Е2, В
|
86
|
75
|
90
|
58
|
90
|
95
|
110
|
70
|
60
|
65
|
|
Е3, В
|
70
|
80
|
75
|
60
|
45
|
80
|
40
|
50
|
86
|
50
|
|
Е4, В
|
65
|
90
|
80
|
85
|
110
|
40
|
65
|
100
|
55
|
80
|
Таблица 2.2
|
Год поступления
|
Предпоследняя цифра
зачетной книжки
|
|
чётный
|
1
|
2
|
3
|
4
|
5
|
6
|
7
|
8
|
9
|
0
|
|
нечётный
|
0
|
9
|
8
|
7
|
6
|
5
|
4
|
3
|
2
|
1
|
|
R1, Ом
|
50
|
45
|
75
|
70
|
50
|
70
|
96
|
105
|
90
|
85
|
|
R2, Ом
|
70
|
75
|
80
|
55
|
85
|
55
|
67
|
60
|
77
|
57
|
|
R3, Ом
|
80
|
65
|
90
|
65
|
75
|
95
|
46
|
84
|
56
|
68
|
|
R4, Ом
|
60
|
80
|
50
|
45
|
100
|
64
|
75
|
56
|
88
|
45
|
Таблица 2.3
|
Год поступления
|
Первая буква фамилии
|
|
чётный
|
БЛЦ
|
КХ
|
ВМЧ
|
ГНШ
|
ДОЯ
|
ЕПР
|
ЖСЗ
|
ТЭИ
|
УЮФ
|
АЩ
|
|
нечётный
|
КХ
|
ВМЧ
|
ГНШ
|
БЛЦ
|
ЕПР
|
ДОЯ
|
ТЭИ
|
ЖСЗ
|
АЩ
|
УЮФ
|
|
E5, B
|
45
|
56
|
85
|
97
|
75
|
95
|
50
|
46
|
77
|
88
|
|
J, A
|
0,03
|
0,045
|
0,036
|
0,018
|
0,06
|
0,05
|
0,02
|
0,04
|
0,07
|
0,04
|
|
Rx, Ом
|
R4
|
R3
|
R2
|
R1
|
R3
|
R4
|
R2
|
R1
|
R4
|
R3
|
Рисунок 2.1 Рисунок 2.2
Рисунок 2.3 Рисунок 2.4
Рисунок 2.5 Рисунок 2.6
Рисунок 2.7 Рисунок 2.8
Рисунок 2.9 Рисунок 2.10
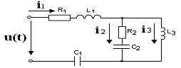
3 Расчетно-графическая работа №2 .
Расчёт разветвленных электрических цепей однофазного синусоидального тока
Для разветвленных электрических цепей однофазного синусоидального тока
(рисунки 3.1-3.10) выполнить следующее:
Записать уравнения по законам Кирхгофа в дифференциальной и комплексной
формах.
Рассчитать комплексные токи во всех ветвях схемы методом контурных токов.
Рассчитать комплексные токи во всех ветвях схемы методом узловых
потенциалов.
Записать мгновенные значения токов во всех ветвях схемы.
Проверить баланс мощностей.
Построить топографическую диаграмму, совмещённую с векторной диаграммой
токов.
Вариант выбирается по таблицам 3.1-3.3 в соответствии с номером зачетной
книжки и первой буквой фамилии.
Таблица 3.1
|
Год поступления
|
Последняя цифра зачетной
книжки
|
|
чётный
|
1
|
2
|
3
|
4
|
5
|
6
|
7
|
8
|
9
|
0
|
|
нечётный
|
0
|
9
|
8
|
7
|
6
|
5
|
4
|
3
|
2
|
1
|
|
№ схемы
|
3.1
|
3.2
|
3.3
|
3.4
|
3.5
|
3.6
|
3.7
|
3.8
|
3.9
|
3.10
|
|
Еm1, В
|
96
|
58
|
90
|
70
|
88
|
56
|
68
|
75
|
85
|
100
|
|
Ψe1, град.
|
-40
|
35
|
60
|
30
|
0
|
-45
|
-30
|
20
|
70
|
50
|
|
Еm2, В
|
80
|
70
|
85
|
65
|
60
|
90
|
50
|
55
|
40
|
|
Ψe2, град.
|
35
|
-45
|
60
|
30
|
-60
|
45
|
20
|
50
|
90
|
-З0
|
|
Еm3, В
|
65
|
70
|
80
|
50
|
45
|
40
|
60
|
55
|
88
|
77
|
|
Ψe3, град.
|
20
|
-50
|
45
|
-30
|
60
|
-40
|
70
|
-90
|
30
|
-60
|
|
Еm4, В
|
50
|
80
|
70
|
75
|
90
|
86
|
100
|
80
|
55
|
60
|
|
Ψe4, град.
|
0
|
90
|
35
|
-45
|
-60
|
-30
|
40
|
30
|
45
|
-70
|
Таблица 3.2
|
Год поступления
|
Предпоследняя цифра
зачетной книжки
|
|
чётный
|
1
|
2
|
3
|
4
|
5
|
6
|
7
|
8
|
9
|
0
|
|
нечётный
|
0
|
9
|
8
|
7
|
6
|
5
|
4
|
3
|
2
|
1
|
|
Еm5, В
|
50
|
70
|
90
|
60
|
100
|
55
|
75
|
85
|
90
|
80
|
|
Ψe5, град.
|
-60
|
30
|
-45
|
45
|
-30
|
40
|
90
|
60
|
-90
|
60
|
|
R1, Ом
|
50
|
40
|
70
|
80
|
68
|
84
|
92
|
98
|
82
|
74
|
|
R2, Ом
|
68
|
56
|
62
|
94
|
76
|
88
|
44
|
58
|
68
|
40
|
|
R3, Ом
|
82
|
77
|
86
|
60
|
52
|
48
|
68
|
84
|
67
|
60
|
Таблица 3.3
|
Год поступления
|
Первая буква фамилии
|
|
чётный
|
БЛЦ
|
КХ
|
ВМЧ
|
ГНШ
|
ДОЯ
|
ЕПР
|
ЖСЗ
|
ТЭИ
|
УЮФ
|
АЩ
|
|
нечётный
|
80
|
60
|
78
|
48
|
54
|
40
|
38
|
68
|
90
|
100
|
|
R4,Ом
|
КХ
|
ВМЧ
|
ГНШ
|
БЛЦ
|
ЕПР
|
ДОЯ
|
ТЭИ
|
ЖСЗ
|
АЩ
|
УЮФ
|
|
J, A
|
0,04
|
0,02
|
0,05
|
0,03
|
0,06
|
0,07
|
0,08
|
0,04
|
0,02
|
0,05
|
|
ΨJ, град.
|
90
|
45
|
-60
|
60
|
30
|
-30
|
45
|
-45
|
-90
|
40
|
|
XL1, Ом
|
50
|
80
|
70
|
90
|
20
|
90
|
60
|
50
|
90
|
65
|
|
XC1, Ом
|
90
|
20
|
30
|
50
|
65
|
65
|
100
|
90
|
40
|
105
|
|
XL2, Ом
|
90
|
20
|
40
|
75
|
30
|
80
|
68
|
25
|
36
|
70
|
|
XC2, Ом
|
44
|
70
|
80
|
100
|
80
|
20
|
30
|
75
|
88
|
20
|
|
XL3, Ом
|
86
|
50
|
35
|
75
|
40
|
95
|
80
|
96
|
50
|
76
|
|
XC3, Ом
|
34
|
90
|
75
|
25
|
90
|
35
|
40
|
44
|
92
|
26
|
|
XL4, Ом
|
90
|
80
|
40
|
56
|
88
|
64
|
75
|
54
|
46
|
85
|
|
XC4, Ом
|
40
|
45
|
78
|
80
|
48
|
80
|
45
|
84
|
82
|
45
|
Рисунок 3.1 Рисунок 3.2
Рисунок 3.3 Рисунок 3.4
Рисунок 3.5 Рисунок 3.6
Рисунок 3.7 Рисунок 3.8
Рисунок 3.9 Рисунок 3.10
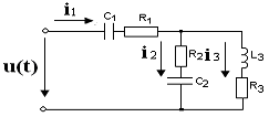
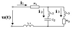
4 Расчетно-графическая работа №3.
Расчёт линейных электрических цепей несинусоидального тока
Электрическая
цепь подключена к источнику несинусоидального периодического напряжения u(t).
Несинусоидальные периодические напряжения u(t)
представлены на рисунках 2.11
2.15.
Электрические схемы приведены на рисунках 2.1
2.10.
Требуется
выполнить следующее:
Oпределить
мгновенные значения несинусоидальных токов в ветвях электрической цепи
Oпределить
действующее значение несинусоидального периодического напряжения источника U и
действующие значения несинусоидальных периодических токов
,
,
.
Oпределить
активную, реактивную и полную мощности цепи.
Построить
график мгновенного значения одного из токов, указанного в таблице 2.1.
Построить
амплитудно-частотный и фазочастотный спектры входного напряжения и тока на
входе электрической цепи.
Вариант
выбирается по таблицам 2.1-2.3 в соответствии с номером зачетной книжки и
первой буквой фамилии.
Таблица 2.1
|
Год поступления
|
Последняя цифра зачетной
книжки
|
|
чётный
|
1
|
2
|
3
|
4
|
5
|
6
|
7
|
8
|
9
|
0
|
|
нечётный
|
0
|
9
|
8
|
7
|
6
|
5
|
4
|
3
|
2
|
1
|
|
№ схемы
|
2.10
|
2.8
|
2.9
|
2.5
|
2.6
|
2.7
|
2.4
|
2.2
|
2.3
|
2.1
|
|
u(t)
|
2.11
|
2.13
|
2.15
|
2.11
|
2.13
|
2.14
|
2.12
|
2.15
|
2.12
|
2.14
|
|
Um, В
|
60
|
85
|
75
|
80
|
50
|
70
|
55
|
90
|
78
|
|
, рад.
|
-
|
-
|
|
-
|
-
|
-
|
-
|
--
|
|
|
|
График тока
|
i2
|
i1
|
i3
|
i1
|
i2
|
i3
|
i2
|
i1
|
i2
|
i1
|
Таблица 2.2
|
Год поступления
|
Предпоследняя цифра
зачетной книжки
|
|
чётный
|
1
|
2
|
3
|
4
|
5
|
6
|
7
|
8
|
9
|
0
|
|
нечётный
|
0
|
9
|
8
|
7
|
6
|
5
|
4
|
3
|
2
|
1
|
|
L1,мГн
|
3,0
|
4,0
|
6,0
|
4,5
|
5,5
|
3,0
|
3,5
|
5,2
|
3,6
|
5,0
|
|
L2, мГн
|
5,2
|
3,8
|
4,6
|
3,5
|
4,7
|
5,0
|
4,5
|
6,0
|
4,5
|
3,6
|
|
L3, мГн
|
4,0
|
6.0
|
5,5
|
5,0
|
3,5
|
4,5
|
2,5
|
3,5
|
5,8
|
4,8
|
|
, рад./с4000500060006500550080007500700045005800
|
|
|
|
|
|
|
|
|
|
|
Таблица 2.3
|
Год поступления
|
Первая буква фамилии
|
|
чётный
|
БЛЦ
|
КХ
|
ВМЧ
|
ГНШ
|
ДОЯ
|
ЕПР
|
ЖСЗ
|
ТЭИ
|
УЮФ
|
АЩ
|
|
нечётный
|
КХ
|
ВМЧ
|
ГНШ
|
БЛЦ
|
ЕПР
|
ДОЯ
|
ТЭИ
|
ЖСЗ
|
АЩ
|
УЮФ
|
|
R1,Ом
|
60
|
50
|
70
|
80
|
48
|
64
|
88
|
90
|
56
|
78
|
|
R2,Ом
|
56
|
74
|
80
|
68
|
92
|
78
|
86
|
54
|
70
|
84
|
|
R3,Ом
|
70
|
80
|
90
|
94
|
64
|
82
|
76
|
68
|
80
|
66
|
|
С1,мкФ
|
2,2
|
2,4
|
1,8
|
1,4
|
2,6
|
3,2
|
2,8
|
1,9
|
1,6
|
2,5
|
|
С2, мкФ
|
2,0
|
1,8
|
2,8
|
2,4
|
3,0
|
2,18
|
1,6
|
2,5
|
1,9
|
1,3
|
|
С3, мкФ
|
1,5
|
3,0
|
2,0
|
1,9
|
1,7
|
1,8
|
2,1
|
3,0
|
2,4
|
2,8
|

Рисунок 2.1Рисунок 2.2
Рисунок 2.3Рисунок 2.4
Рисунок 2.5Рисунок 2.6
Рисунок 2.7 Рисунок 2.8
Рисунок 2.9Рисунок 2.10
Рисунок
2.11
Рисунок
2.12
Рисунок
2.13
Рисунок
2.14
Рисунок
2.15
5 Методические указания к выполнению
расчетно-графических работ № 1-3
Для электрических цепей с идеальными источниками тока при составлении
уравнений по второму закону Кирхгофа следует выбирать независимые контуры, не
содержащие источников тока.
Если электрическая цепь содержит Nт идеальных источников тока, то при составлении уравнений
методом контурных токов рекомендуется выбирать Nт контурных токов так, чтобы каждый из них проходил через один
источник тока (эти контурные совпадают с соответствующими токами источников
тока и задаются условием задачи). Оставшиеся К=Nв-Nу+1-Nт контурных токов выбирают так, чтобы они проходили по ветвям
не содержащим источников тока (К=Nв-Nу+1-Nт- число неизвестных контурных токов, Nв- число ветвей, Nу- число узлов, Nт-число источников тока). Для
определения оставшихся К контурных токов составляют К контурных уравнений по
второму закону Кирхгофа. Составим систему уравнений по методу контурных токов
для цепи постоянного тока (рисунок 4.1)
}
Рисунок
4.1
Если в электрической схеме некоторые узлы соединяются идеальными
источниками ЭДС, то число У уравнений, составляемых по методу узловых
потенциалов, уменьшается и равно
У= Nу -Nи -1
где Nи- число ветвей, содержащих только идеальные источники
ЭДС.
Если
электрическая схема содержит только одну ветвь с идеальным источником ЭДС Е, то
при составлении уравнений по методу узловых потенциалов к нулю приравнивается
потенциал одного из узлов, к которому присоединена данная ветвь. Тогда
потенциал другого узла, присоединенного к этой же ветви, будет равен
Е. Составим систему уравнений по методу узловых
потенциалов для цепи постоянного тока (рисунок 4.1)

}
Расчёт электрических цепей в режиме гармонических воздействий базируется
на изображении синусоидальных ЭДС, напряжений, токов векторами и комплексными
величинами:
Таблица 4.1
Представление синусоидальных ЭДС, напряжений, токов комплексными
величинами позволяет применить методы расчета цепей постоянного тока к расчётам
цепей синусоидального тока. Так как уравнения, выражающие законы Кирхгофа в
комплексной форме для цепей синусоидального тока аналогичны уравнениям,
выражающим законы Кирхгофа для цепей постоянного тока, только ЭДС, напряжения,
токи и сопротивления входят в уравнения в виде комплексных величин
,
где
- комплексное сопротивление.
Расчёт
линейных электрических цепей несинусоидального тока распадается на три этапа:
а)
разложение несинусоидальных ЭДС на постоянную и синусоидальные составляющие (в
тригонометрический ряд Фурье) см. рисунки 2.1-2.10;
б)
применение принципа наложения и расчет токов и напряжений в цепи для каждой из
составляющих в отдельности. При расчете цепи с постоянными составляющими ЭДС
следует учитывать, что индуктивное сопротивление равно 0 и индуктивность в
эквивалентной схеме заменяется короткозамкнутым участком, а ёмкостное равно
и ветвь с ёмкостью размыкается. При расчете цепи для
каждой синусоидальной составляющей ЭДС можно пользоваться комплексным методом,
но недопустимо сложение комплексных токов и напряжений различных синусоидальных
составляющих. Необходимо учитывать, что индуктивное и емкостное сопротивления
для различных частот неодинаковы, индуктивное сопротивление для k-й
гармоники равно
, а емкостное сопротивление для k-й
гармоники равно
;
в) совместное рассмотрение решений, полученных для каждой из
составляющих. Причём суммируются только мгновенные значения составляющих токов
и напряжений.
Список литературы
1. Бакалов В.П., Дмитриков В.Ф., Крук Б.И. Основы
теории цепей.- М.: Радио и связь, 2000.-592с.
. Зевеке Г.В., Ионкин П.А., Нетушил А.В., Страхов С.В.
Основы теории цепей.- М.: Энергоатомиздат, 1989.-528с.
3. Демирчян К.С., Нейман Л.Р., Коровкин Н.В., Чечурин В.Л.
Теоретические основы электротехники. - т.1. - Санкт-Петербург: Питер,
2003.-463с.
. Демирчян К.С., Нейман Л.Р., Коровкин Н.В., Чечурин В.Л.
Теоретические основы электротехники. - т.2. - Санкт- Петербург: Питер,
2003.-576с.
5. Бессонов Л.А. Теоретические основы электротехники. - М.:
Гардарики, 1999. - 638с.
. Шебес М.Р., Каблукова М.В. Задачник по теории линейных
электрических цепей. - М.: Высш. шк., 1990.- 544с.
. Карлащук В.И. Электронная лаборатория на IВМ РС. Программа Electronics Workbench и её применение.-М.: Солон-Р,
1999.-506с.