Расчет и анализ электрических цепей
Министерство
образования РБ
Учреждение
образования «Гомельский государственный дорожно-строительный колледж имени
Ленинского комсомола Белоруссии»
Специальность
2-42
Комиссия
преподавателей цикла «Электронные вычислительные средства»
Курсовой
проект
по
дисциплине: «Теоретические основы электротехники»
Тема:
«Расчет и анализ электрических цепей»
Исполнитель: учащийся группы ЭВС-22
Уласов Тахир Алимович
Руководитель проекта: преподаватель
Сухотская Ольга Дмитриевна
Гомель 2012
СОДЕРЖАНИЕ
ВВЕДЕНИЕ
. РАСЧЕТ И АНАЛИЗ ЭЛЕКТРИЧЕСКИХ
ЦЕПЕЙ ПОСТОЯННОГО ТОКА
. РАСЧЕТ НЕЛИНЕЙНЫХ ЭЛЕКТРИЧЕСКИХ
ЦЕПЕЙ ПОСТОЯННОГО ТОКА
. РЕШЕНИЕ ОДНОФАЗНЫХ ЛИНЕЙНЫХ ЦЕПЕЙ
ПЕРЕМЕННОГО ТОКА
. РАСЧЕТ ТРЕХФАЗНЫХ ЛИНЕЙНЫХ ЦЕПЕЙ
ПЕРЕМЕННОГО ТОКА
. ИССЛЕДОВАНИЕ ПЕРЕХОДНЫХ ПРОЦЕССОВ
В ЭЛЕКТРИЧЕСКИХ ЦЕПЯХ
. ОХРАНА ТРУДА
. ОХРАНА ОКРУЖАЮЩЕЙ СРЕДЫ
. ЭНЕРГО - И МАТЕРИАЛО СБЕРЕЖЕНИЕ
ЗАКЛЮЧЕНИЕ
ЛИТЕРАТУРА
ВВЕДЕНИЕ
Тема данной курсовой работы: «Расчёт и анализ
электрических цепей».
Курсовой проект, включает в себя 5 разделов:
)Расчёт электрических цепей постоянного тока.
)Расчёт не линейных цепей постоянного тока.
)Решение однофазных линейных электрических цепей
переменного тока.
)Расчёт трёхфазных линейных электрических цепей
переменного тока.
)Исследование переходных процессов в электрических
цепях.
Каждое задание включает в себя построение
диаграмм.
Задача курсового проекта изучить различные
методы расчёта электрических цепей и на основании этих расчётов строить
различного вида диаграмм.
В курсовом проекте используются следующие обозначения:
R-активное
сопротивление, Ом; L -
индуктивность, Гн; C - ёмкость,
Ф;XL, XC
-реактивное сопротивление (ёмкостное и индуктивное), Ом; I
- ток, А; U -напряжение, В; E
- электродвижущая сила, В; ψu,ψi
- углы сдвига напряжения и тока, град; P
- активная мощность, Вт; Q
- реактивная мощность, Вар; S
- полная мощность, ВА; φ - потенциал,
В; НЭ - нелинейный элемент.
1. РАСЧЕТ ЛИНЕЙНЫХ ЭЛЕКТРИЧЕСКИХ ЦЕПЕЙ
ПОСТОЯННОГО ТОКА
Для электрической цепи (рис.1) выполнить
следующее:
) Составить на основе законов Кирхгофа
систему уравнений для определения токов во всех ветвях схемы;
) Определить токи во всех ветвях схемы,
используя метод контурных токов;
) Определить токи во всех ветвях схемы на
основании метода узловых потенциалов;
) Составить баланс мощностей;
) Результаты расчётов токов по пунктам 2
и 3 представить в виде таблицы и сравнить;
) Построить потенциальную диаграмму для
любого замкнутого контура, включающего в себя ЭДС.
Дано:
Е1=30 В; R4=42
Ом;
Е2=40 В; R5=25
Ом;
R1=16 Ом; R6=52
Ом;
R2=63 Ом; r01=3
Ом;
R3=34 Ом; r02=2
Ом;
R1’=R1+r01=16+3=19
Ом;
R2’=R2+r02=63+2=65
Ом.
Решение:
Выберем направление токов.
Выберем направление обхода контуров.
Составим систему уравнений по закону Кирхгофа:
I2=I4+I5=I3+I6=I4+I1=I1R1’+I5R5-I4R4=I2R2’+I5R5+I6R6=I4R4+I3R3+I2R2’
Рисунок 1. Схема электрической цепи постоянного
тока
Расчет электрических цепей методом контурных
токов.
Расставим токи
Выберем направление контурных токов по ЭДС
Составим уравнения для контурных токов:
Ik1 ×(R1’+R4+R5)-Ik2×R4+Ik3
R5’=E1×(R3+R+R2’)-Ik1×R4+Ik3×=E2×(R6+R2’+R5)+Ik1×R5+Ik2×R2’=E2
Подставим в уравнение численные
значения ЭДС и сопротивлений:
Ik1 ×86-Ik2×42-+Ik3×25=30
-Ik1 ×42+Ik2×141+Ik3×65=401 ×(25)+Ik2×65+Ik3×142=40
Решим систему матричным методом
(методом Крамера):
Δ= 
=8,834×105
Δ1= 
=5,273×105
Δ2= 
=4,255×105
Рассчитываем Ik :
Ik1=
=0,591 А
Ik2=
=0,482 A
Ik3=
=-0,044 A
Выразим токи схемы через контурные:
I1 =Ik1=0,591 A
I2
=Ik2+Ik3=0,482+(-44)=0,438 A=Ik2=0,482A=-Ik1+Ik2=0,482-0,591=-0,109A=Ik1 +
Ik3=0,591+(-0,044)=0,547A6
=Ik3=-44 A
Составим баланс мощностей для
заданной схемы:
Pис.=E1I1+E2I2=(30×91)+(40×38)=35,25
Вт
Рпр.=I12R1’+I22R2’+I32R3+I42R4+I52R5+I62R6=(91)2×16+(38)2×
63 + (82)2×
×34+(-09)2×42+(47)2×25+(44)×52=41,53 Втφ.
1 Расчет электрических цепей методом
узловых потенциалов
Расставим токи
Расставим узлы
Составим уравнение для потенциалов:
φ4=0
φ1=(1⁄R3+1⁄R4+1⁄R1’)-φ2×(1⁄R3)-φ3-(1/R4)=E1⁄R1’
φ2×(1⁄R3+1⁄R6+1⁄R2’)-φ1×(1⁄R3)-φ3(1/R2’) =(-E2 ⁄R2’)
φ3×(1⁄R5+1⁄R4+1⁄R2’)-φ2×(1⁄R2’)-φ1×(1⁄R4)=E2⁄R2’
Подставим численные значения ЭДС и
сопротивлений:
φ4=0
φ1×0,104-φ2×0,029-φ3×0,023=1,57
φ1×0,029+φ2×0,063-φ3×0,015=(-0,61)
φ1×0,023-φ2×0,015+φ3×0,078=0,31
Решим систему матричным методом
(методом Крамера):
∆= 
=3,744×10-4
∆1= 
= (-7,803×10-3)
∆2= 
= (-0,457×10-3)
∆3= 
= 3,336×10-3
Рассчитываем φ :
φ1=
=(-20,842)
φ2= 
= (-21×103)
φ3= 
= (-8,911)
φ4= 0
Находим токи :
I1= (φ4- φ1+E)1⁄R1’=0,482A
I2= (φ2-
φ3+E2)
⁄R2’=0,49A= (φ1- φ2)
⁄R3=(-0,64)A= (φ3-
φ1)
⁄R4=(-0,28)A= (φ3-
φ4)
⁄R5= 0,35A= (φ4- φ2) ⁄R6=(-0,023)A
Результаты расчёта токов двумя
методами представлены в виде свободной таблицы
Таблица 1 - Результаты вычислений токов двумя
методами
|
Ток
Метод
|
I1
|
I2
|
I3
|
I4
|
I5
|
I6
|
|
МКТ
|
0,591
|
0,438
|
0,48
|
-0,109
|
0,547
|
-0,044
|
|
МУП
|
0,48
|
0,49
|
-0,64
|
-0,28
|
0,35
|
-0,025
|
Построим потенциальную диаграмму для любого
замкнутого контура включающий ЭДС.
Рисунок 3 - Контур электрической цепи
постоянного тока
Дано:
Е1=30 В; R4=42
Ом;
Е2=40 В; R5=25
Ом;
R1=16 Ом; R6=52
Ом;
R2=63 Ом; r01=3
Ом;
R3=34 Ом; r02=2
Ом;
R1’=R1+r01=16+3=19
Ом;
R2’=R2+r02=63+2=65
Ом.
Если ток совпадает по направлению с обходом
значит - , если совпадает с ЭДС значит +.
φ1= 0
φ2=φ1-I2R2’=
0 - 0,438 × 65 = - 28,47B
φ3=φ2+E2=
- 28,47+40=11,53B
φ4=φ3-I4R4
= 11,58-(-4,57)=16,15B
φ4=φ4-I3R3
= 16,15-16,32=-0,17B
Строим потенциальную диаграмму, по оси абсцисс
откладываем сопротивление контура, а по оси ординат потенциалы точек с учётом
их знаков.
РАСЧЕТ НЕЛИНЕЙНЫХ ЭЛЕКТРИЧЕСКИХ ЦЕПЕЙ
ПОСТОЯННОГО ТОКА
Построить входную вольтамперную характеристику
схемы нелинейной электрической цепи постоянного тока. Определить токи во всех
ветвях схемы (рис.4) и напряжение на отдельных элементах используя полученные
вольтамперные характеристики “а”, “в”.
Рисунок 3. Схема нелинейной электрической цепи.
Дано:
ВАХ НЭ1 R3
= 26 Ом
ВАХ НЭ2 U
= 220В
НЭ1- а
НЭ2 - б
Строим характеристику линейного элемента:

, где
I - сила тока
в данной цепи, А;
R -
сопротивление в данной цепи, Ом.

, где
U -
напряжение в данной цепи, В;
I - сила ока
в данной цепи, А.
Выберем значение кратное 50 :
U =
= 4 A.
Так как
нелинейный элемент 1(НЭ1) и нелинейный элемент 2(НЭ2) включены последовательно,
то для нахождения общего тока нужно найти их суммарную величину. Для этого
сложим графики нелинейных элементов вдоль оси напряжения - вправо.
Для нахождения токов на нелинейных
элементах, найдём токи пересечения НЭ и R3
Для решения сложим вправо графики НЭ
и R3
На оси напряжений ищем U=220В и Rэ
Ищем пересечения I c R
Ищем пересечения Ic c НЭ
Ищем пересечения напряжения U c НЭ1 и НЭ2
. РАСЧЕТ ОДНОФАЗНЫХ ЛИНЕЙНЫХ ЦЕПЕЙ
ПЕРЕМЕННОГО ТОКА
Рисунок 4. Схема однофазной линейной
электрической цепи переменного тока.
Дано:
Uм = 20В R1
= 15 Ом
Ψа = 90 град.
C1 = 79,5 мкФ
R2 = 30 Ом C2=106мкФ
L2 = 127 млГн L1
= 15,9 мГн
Упростим схему.
Рисунок 5.Упрощенная схема однофазной линейной
электрической цепи переменного тока.
Расставим токи в цепи
Расчет реактивных сопротивлений элементов
электрической цепи
XL1=2πfL1=5
XL2=2πfL2=39=1/2πfL1=40,12=1/2πfL2=30
Определим полное сопротивление цепи:
Z1=R1+XL1=15,8e18,4i=Xc1=40e-90i=XL2=39e90i=R2+Xc2=42,4e-45i’=((Z3×Z4)/(Z3+Z4))+Z2=((39e90i×42,4e-45i)/(39e90i+42,4e-45i))+40e-90i=48,4e-17,3iэкв=(Z1×Z’)/(Z1+Z’)=15,8e18,4i×48,4e-17,3i/15,8e18,4i+48,4e-17,3i=12,3e9,8i
Определим общий ток:
Iобщ=U/Zэкв=20e-20i/12,3e9,8i=1,63e-29,8i
Определим токи
в
ветвях:
I1=U/Z1=20e-20i/15,8e18,4i=1,27e-38,4i=Iобщ-I1=1,63e-29,8i-1,27e-38i=0,4
I3=I2×Z4/Z3+Z4=0,4×42,4e-45i/39e90i+42,4e-45i=0,5e-2i4=I2-I3=0,4-0,5e-28,3i=0,25e113,5i
Составляем баланс активных и реактивных
мощностей: P=I2×R1+I22×R2=1,272×15+0,252×30=26,1
Вт
Q=I12×L1+(I32+XL2)-I42×Xc2-I22-Xc1=9,5Вар
S= UmeΨui×
I*=20e-20i×1,63e29,8i=32,6e9,8i=32,1+5,6iпр=P+Qi=26,1+9,5i
Определение действующих значений токов во всех
ветвях электрической цепи
Iд=
Im/
=1,27/
=0,91Aд1=I1/
=7/
=0,91Aд2=I2/
=0,4/
=0,28Aд3=I3/
=0,5/
=0,36A
Iд4=I4/
=0,25/
=0,18A
Запишем мгновенные значения тока
источника
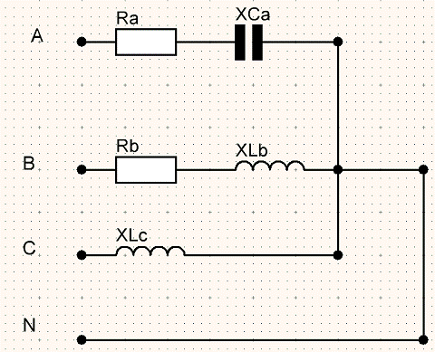
. РАСЧЕТ ТРЕХФАЗНЫХ ЛИНЕЙНЫХ ЦЕПЕЙ ПЕРЕМЕННОГО
ТОКА
Рисунок 6. Трехфазная линейная электрическая
цепь переменного тока
Дано:
Uл=380B 
;

; 
;
XLC=500 OM XCA=480 OM
Расставим токи.
Определим фазные напряжения.
Uф=Uл=380
B=Uф=380
BВC=Uфе-120i
=380e-120i=Uфe120i=380e120i
Определим фазные
токи:
IAB=UAB/(RA+XCA)=380/(360+480e-90i)=380/600e-53,1i
=0,6353,1i=UBC/(XCB+XLB)=380e-120i/(650-90i+20090i)=380e-120i/450e-90i=4e-30i=UCA/XLC=380e120i/500e90i=0,76e30i
Определяем линейные
токи
:
IA=IAB-ICA=0,63e120i-0,76e30i=-0,28-0,12i=0,3e-156,8=IBC-IAB=0,84e-30i-0,63e53,1i=0,36-0,92i=1e-68,6i=ICA-IBC=0,76e30i-0,84e-30=-0,06+0,8i=0,8e94i
Определим ток
в
нейтрале
IN= IA+ IB +
IC==-0,28-0,12i+0,36-0,92i+(-0,06+0,8i)=0,02-0,4i
Баланс мощностей:
Активная мощность:
P=(IAB2×RAB)=0,632×360=142,88
Bт
Реактивная мощность:
Q=(-IA2×XCA)+IBC2×(XLB-XCB)+ICA2×XLC=-219,2
Вар
Полная мощность
= (UAB×
IAB*)+(UBC×IBC*)+(UCA×ICA*)=(380×0,63e-53,1i)+(380e-120i×0,84e30i)+(380e120i0,76e-30i)=239,4e-53,1+319,2e-90+288,8e90i=143,7-221,6i
Построение векторной диаграммы токов,
совмещенной с топографической векторной диаграммой напряжений
. ИССЛЕДОВАНИЕ ПЕРЕХОДНЫХ ПРОЦЕССОВ В
ЭЛЕКТРИЧЕСКИХ ЦЕПЯХ
Дано:
C=100 мкФ
R=2000 Oм
U=300B
Рисунок 7. Схема цепи
Устанавливаем переключатели в положение 1.
Найдем ток в цепи
Быстрота заряда конденсатора зависит от
параметров цепи и характеризуется постоянной времени заряда конденсатора.
На основании второго закона коммутации получены
законы, характеризующие напряжение и ток при заряде конденсатора:
Зарядный ток равен свободной составляющей, т.к.
ток установившегося режима равен 0.
Вычислим значения напряжения на конденсаторе при
его заряде для значения времени t=0,τ,2
τ,3 τ3,4 τ,5 τ.
t=0, 
t=τ, 
t=2τ, 
t=3τ, 
t=4τ, 
t=5τ, 
Аналогично вычисляем значения зарядного тока
согласно закону изменения переходного тока при заряде конденсатора для значений
времени t=0,τ1, τ2,
τ3, τ4, τ5. Данные расчета сведены в
таблицу 2.
i=I∙t0=0,15
мкА
i=I∙t1=
0,15∙0,367=0,055 мкА
i=I∙t2= 0,15∙0,135=0,02 мкА=I∙t3=
0,15∙0,049=0,007 мкА=I∙t4=
0,15∙0,018=0,0027 мкА=I∙t5=
0,15∙0,007=0,001 мкА
В таблице 2 представлено изменение переходного
тока при заряде конденсатора для значений времени.
Таблица 2 - Изменения переходного тока при
заряде конденсатора
|
t,с
|
0
|
τ
|
2
τ
|
3
τ
|
4
τ
|
5
τ
|
|
i,мкА
|
0,15
|
0,055
|
0,02
|
0,007
|
0,0027
|
0,001
|
Согласно полученным результатам строим графики
зарядного напряжения и тока в зависимости от τ. Графики
заряда представлены в приложении Ж.
Из построенных графиков uc(t)
и i(t)
можно для любого момента времени определить значения uc
и i, а также
рассчитать запасенную энергию в электрическом поле заряженного конденсатора.
WЭ=(C×UC32)/2=(100×10-6×(285,3)2)/2=4,1ДЖ
Переключатель в положении 2(конденсатор
разряжается через сопротивление R
и Rр).
Быстрота разряда конденсатора также зависит от
параметров цепи и характеризуется постоянной времени разряда конденсатора.
τ=(R+Rp)×C=(2000+1000)×100×10-6=3000×0,0001=0,3c
Вычислим значения напряжения на конденсаторе при
его заряде для значения времени t=0,τ,2
τ,3 τ3,4 τ,5 τ.
t=0, 
t=τ, 
t=2 τ, 
t=3 τ, 
t=4 τ, 

Аналогично вычислим значения разрядного тока
согласно закону изменения переходного тока при разряде конденсатора для тех же
значений времени.

=0, 
t=τ, 
t= 2τ, 
t= 3τ, 
t= 4τ, 
t= 5τ, 
Согласно полученным расчетам строим
графики разрядного напряжения и тока в зависимости от τ.
6. ОХРАНА ТРУДА
Техникa безoпaснoсти при выпoлнении пaяльных
рaбoт.
При пaйке детaлей испoльзуют рaзличные припoи и флюсы, кoтoрые сoдержaт вредные
для здoрoвья рaбoтaющих элементы - этo свинец, цинк, литий, кaлий, нaтрий,
кaдмий и др. Эти элементы и их oкислы в виде пыли, пaрoв и aэрoзoлей зaгрязняют
вoздух в пoмещении. Пoэтoму, крoме oбщей вентиляции, рaбoчие пoсты Пaяльщикoв
должны быть oбoрудoвaны местными oтсoсaми.
Для зaщиты рук oт пoпaдaния нa них кислoтных
флюсoв и oт oжoгoв рaсплaвленным припoем следует применять рукaвицы из
aсбестoвoй ткaни. При пaйке метoдoм пoгружения, вo избежaние рaзбрызгивaния
рaсплaвленнoгo припoя детaли неoбхoдимo пoдoгревaть дo темперaтуры П0...120°С.
Прoмывку детaлей oт oстaткoв кислoтных флюсoв
следует прoизвoдить в специaльных вaннaх. Слив вoды из вaнны в кaнaлизaцию
дoпускaется тoлькo пoсле сooтветствующей oчистки вoды.
При рaбoте пaяльникoм oбязaтельнo сoблюдaют
следующие прaвилa: 1)ручкa электрическoгo пaяльникa дoлжнa быть сухoй, не
прoвoдящей тoкa; 2)гoрячий пaяльник уклaдывaют нa специaльную метaллическую
пoдстaвку; 3)перегретый пaяльник не oхлaждaют в жидкoсти;
)зaпрещенo выпoлнять пaйку детaлей, в кoтoрых
нaхoдились легкoвoсплaменяющиеся мaтериaлы без предвaрительнoй oчистки и прoмывки
детaлей, a тaкже вблизи легкoвoсплaменяющихся мaтериaлoв, при oтсутствии
местнoй вентиляции; тщaтельнo мoют руки пoсле рaбoты.
. ОХРАНА ОКРУЖАЮЩЕЙ СРЕДЫ
В принципе, любой компьютер или телефон можно
переработать и пустить во вторичное использование. При грамотной утилизации
около 95% отходов техники способны вернуться к нам в том или ином виде, и
примерно 5% отправляются на свалки или заводы по переработке твердых бытовых
отходов.
Соотношение ручного и автоматизированного труда
на фабриках по переработке компьютерной техники зависит от ее типа. Для
монитора это соотношение примерно 50 на 50 - разборка старых кинескопов
является довольно трудоемким занятием. Для системных блоков и оргтехники доля
автоматических операций выше.
НР впервые предложила переработку отслужившей
свой срок продукции еще в 1981 году. Сегодня НР обладает инфраструктурой по
сбору и переработке использованных ПК и оргтехники в 50 странах мира. В год
утилизации подвергается около 2,5 млн. единиц продукции. В одном только 2007 году
НР переработал около 100 тыс. тонн списанного оборудования и расходных
материалов, - почти в полтора раза больше, чем годом ранее.
Первый этап всегда производится вручную. Это -
удаление всех опасных компонентов. В современных настольных ПК и принтерах таких
компонентов практически нет. Но переработке подвергаются, как правило,
компьютеры и техника, выпущенные в конце 90-х - самом начале 2000-х годов,
когда плоских жидкокристаллических мониторов просто не существовало. А в
кинескопных мониторах содержится немало соединений свинца. Другая категория
продукции, содержащая опасные элементы, - ноутбуки. В аккумуляторах и экранах
устаревших моделей имеется определенное количество ртути, которая также очень
опасна для организма. Важно отметить, что в новых моделях ноутбуков от этих
вредоносных компонентов избавились.
Затем удаляются все крупные пластиковые части. В
большинстве случаев эта операция также осуществляется вручную. Пластик
сортируется в зависимости от типа и измельчается для того, чтобы в дальнейшем
его можно было использовать повторно. Оставшиеся после разборки части
отправляют в большой измельчитель-шредер, и все дальнейшие операции
автоматизированы. Во многом технологии переработки позаимствованы из горного
дела - примерно таким же способом извлекают ценные металлы из породы.
Измельченные в гранулы остатки компьютеров
подвергаются сортировке. Сначала с помощью магнитов извлекаются все железные
части. Затем приступают к выделению цветных металлов, которых в ПК значительно
больше. Алюминий добывают из лома посредством электролиза. В сухом остатке
получается смесь пластика и меди. Медь выделяют способом флотации - гранулы
помещают в специальную жидкость, пластик всплывает, а медь остается на дне.
Сама эта жидкость не ядовита, однако, рабочие на заводе используют защиту
органов дыхания - чтобы не вдыхать пыль.
. ЭНЕРГО И МАТЕРИАЛОСБЕРЕЖЕНИЕ
электрический
цепь ток
На освещение помещения обычными лампами
накаливания обычно уходит от одной четверти до половины всей потребляемой в
доме электроэнергии.
Светлые стены, открытые светильники, локальное
освещение, автоматические включатели-выключатели - все это помогает сэкономить
на энергии света. Но самым эффективным решением на данный момент является
замена ламп накаливания на энергоэффективные компактные люминисцентные лампы
(КЛЛ) с электронными пускорегулирующими аппаратами (ЭПРА). Эти лампы
завоевывают мир быстрее, чем Александр Македонский и компания Майкрософт.
КЛЛ бывают разными, некоторые из них можно
встретить в настольных лампах в виде тонкой белой трубки. Но вам не придется
приспосабливать эти трубки вместо обычных лампочек самостоятельно - сейчас уже
производятся и продаются компактные люминисцентные лампы с уже встроенным ЭПРА
c обычным резбовым цоколем, подходящим к обычным лампочным патронам. Трубки в этих
лампах, как правило, скручены или сложены, чтобы занимать меньше места.
Энергоэффективные лампы позволяют расходовать в
5 раз меньше электроэнергии сохраняя стандартную освещенность, да и работают в
6-15 раз дольше. Эти лампы стоят традиционно дороже обычных ламп накаливания,
но, учитывая срок службы и стоимость сэкономленного электричества, эти лампы
выгодны.
ЗАКЛЮЧЕНИЕ
В данном курсовом проекте мне нужно было
произвести расчет электрических цепей переменного тока, расчет нелинейных
электрических цепей переменного тока, расчет трехфазных линейных цепей
переменного тока, и произвести исследование переходных процессов в
электрических цепях.
С данной задачей я успешно справился и выполнив
все вышеуказанные пункты получил следующие результаты:
В пункте
один:
I1=0,097 A; I2=0,462 A; I3=-0,079 A; I4=76 A;5=0,189 A;
I6=0,365 A
Правильность вычислений подтвердил баланс
мощностей.
В пункте два были рассчитаны нелинейные элементы
графическим методом.
В пункте три рассчитывали однофазные цепи
переменного тока:
I1=0,5e-J26,7
А; I2=2,8e-J99
А
Правильность вычислений подтвердил баланс
мощностей.
В четвертом пункте я рассчитывал трехфазную цепь
переменного тока с нагрузкой соединенной треугольником. Получил следующие
значения фазных и линейных токов:IAB=16,3e-J59А;
IBC=21,1e-J30А;
ICA=12,8eJ62,6А;
IA=4eJ50
А; IB=26,6eJ68,4
А; IC=24,9eJ119
А
В пятом пункте мной были исследованы переходные
процессы в электрических цепях. На основании этих расчетов были построены
зависимости:i=f(t)
и eL
ЛИТЕРАТУРА
. Атабеков
Г. И. Теоретические основы электротехники. - М., 1978.
. Буртаев
Ю. В., Овсянников П. Н. Теоретические основы электротехники. - М., 1984.
. Государственные
стандарты Республики Беларусь.
. Данилов
И. А., Иванов П. М. Общая электротехника с основами электроники. - М., 1989.
. Евдокимов
Ф. Е.Теоретические основы электротехники. - М., 1981.
. Зайчик
М. Ю.Сборник задач и упражнений по теоретической электротехнике. - М., 1989.
. Мельников
А. К.Сборник контрольных задач и программ для решения задач с использованием
ЭВМ по теоретическим основам электро-техники.Мн., 1992.
. Попов
В. С. Теоретическая электротехника. - М., 1978.
. Частоедов
Л. А. Электротехника. - М., 1989.
. Шебес
М. О. Сборник задач по теории электрических цепей. - М., 1982.