Разработка электропривода

  • Вид работы:
    Курсовая работа (т)
  • Предмет:
    Физика
  • Язык:
    Русский
    ,
    Формат файла:
    MS Word
    175,33 Кб
  • Опубликовано:
    2014-09-16
Вы можете узнать стоимость помощи в написании студенческой работы.
Помощь в написании работы, которую точно примут!

Разработка электропривода

РЕФЕРАТ

Проект включает в себя: пояснительную записку, состоящую из 31 страниц машинописного текста, 9 иллюстраций, 3 таблицы, 10 использованных источников.

ЭЛЕКТРОПРИВОД, ПОГРУЖНОЙ ЭЛЕКТРОДВИГАТЕЛЬ, ПОГРУЖНОЙ ЭЛЕКТРОЦЕНТРОБЕЖНЫЙ НАСОС, ПРЕОБРАЗОВАТЕЛЬ ЧАСТОТЫ, ПЕРЕХОДНЫЕ ПРОЦЕССЫ.

В данном курсовом проекте производится выбор основного силового оборудования системы электропривода. В результате выполнения проекта производится выбор двигателя и преобразователя частоты УЭЦН для обеспечения необходимых показателей, требуемых при выполнении технологического процесса, расчет и построение переходных процессов в системе преобразователь частоты - асинхронный двигатель.

В тексте использованы следующие сокращения:

УЭЦН - установка погружного центробежного насоса;

ШГНУ - шаговая глубинная насосная установка;

ПЭД - погружной электродвигатель;

ПЧ - преобразователь частоты;

ПЧ-АД - преобразователь частоты - асинхронный двигатель;

АИН - автономный инвертор напряжения;

ПЧИН - преобразователь частоты с промежуточным звеном постоянного тока с автономным инвертором напряжения.

Содержание

Введение

1. Выбор основного силового оборудования

1.1 Описание технологического процесса

.2 Требования, предъявляемые к системе электропривода УЭЦН

1.3 Качественный выбор электрооборудования для насосной станции

.4 Расчет мощности электродвигателя и выбор системы электропривода

2. Исследование динамических режимов работы в разомкнутой системе преобразователь частоты асинхронный двигатель

.1 Разработка структурной схемы разомкнутой системы

.2 Анализ динамических процессов в разомкнутой системе электропривода

. Исследование динамических режимов работы в замкнутой системе преобразователь частоты асинхронный двигатель

.1 Разработка структурной схемы замкнутой системы

.2 Анализ динамических процессов в замкнутой системе электропривода

ЗАКЛЮЧЕНИЕ

СПИСОК ИСПОЛЬЗОВАННЫХ ИСТОЧНИКОВ

ВВЕДЕНИЕ

электропривод насосный мощность динамический

Объектом исследования является электропривод погружного электроцентробежного насоса.

Россия занимает в мире ведущее место по производству и использованию для добычи нефти установок электроцентробежных погружных насосов. До 60% нефти России и до 70% нефти Западной Сибири добывается с использованием УЭЦН.

Такое процентное соотношение использования бесштанговых электроцентробежных насосных установок по отношению к использованию штанговых глубинных насосных установок, вызвано тем, что работа ШГНУ на больших расстояниях затруднена и эксплуатация ими малоэффективна.

С увеличением глубины спуска насосов увеличиваются нагрузки, случаются неполадки в их работе и аварии - обрывы насосных штанг, труб и поломка наземного оборудования.

Поэтому для эксплуатации глубоких скважин с низкими статическими уровнями и для большего отбора жидкости из высокодебитных скважин применяют бесштанговые погружные насосные установки. Как правило, таковыми и являются установки электроцентробежных насосов.

Преимуществом УЭЦН является то, что на поверхности нет механизмов с движущимися частями, отсутствуют громадные металлоемкие станки - качалки и массивные фундаменты, необходимые для их установки.

Применение такого оборудования позволяет вводить скважины в эксплуатацию сразу же после бурения в любой период года, даже в самые суровые зимние месяцы, без больших затрат времени и средств на сооружение фундаментов и монтажа тяжелого оборудования. При эксплуатации скважин ЭЦН устье легко поддается герметизации, что позволяет осуществлять сбор и отвод попутного газа. Для установок ЭЦН характерно отсутствие промежуточного звена насосных штанг, благодаря чему повышается межремонтный период работы скважин.

Расширяется область применения насосной добычи из глубоких скважин и форсированного отбора жидкости из сильно обводненных скважин, а также наклонно-направленных скважин.

.       
ВЫБОР ОСНОВНОГО СИЛОВОГО ОБОРУДОВАНИЯ

1.1    Описание технологического процесса

УЭЦН это комплекс оборудования для механизированной добычи жидкости через скважины, с помощью центробежного насоса непосредственно соединенного с погружным электродвигателем. Скважина является основным звеном в системе сбора нефти.

Погружные центробежные электронасосы предназначены для эксплуатации нефтяных, иногда даже сильно обводненных, скважин большой глубины и малого диаметра, они должны обеспечивать безотказную и длительную работу в жидкостях, содержащих агрессивные пластовые воды с растворенными в них различными солями, газы, механические примеси.

Принцип работы УЭЦН: Жидкость поступает к центральной части рабочего колеса крыльчатки, крыльчатка установленная на валу в корпусе и приводящаяся во вращение электрическим двигателем разгоняет жидкость по спирали, чем больше радиус траектории движения тем больше центробежная сила.

Основная особенность всех центробежных насосов состоит в том что для их работы требуется подпор, дополнительное давление, для подачи жидкости в насос, которое чаще всего создается эксплуатацией скважин с системой поддержания пластового давления. Вторая особенность центробежных насосов, от радиуса крыльчатки, зависит подача.

Под действием центробежной силы жидкость выходит через выходной патрубок. Патрубок имеет расширяющуюся форму, скорость потока в нем падает и часть кинетической энергии жидкости, приобретенной в рабочем колесе насоса, преобразуется в потенциальную энергию давления, увеличение давления на выходе из насоса может быть достигнуто увеличением, либо частоты вращения, либо диаметра крыльчатки. Устанавливая последовательно ряд аппаратов, можно достичь необходимого напора. Запуск насоса обычно производят при закрытой задвижке на нагнетательном патрубке (при этом насос потребляет наименьшую мощность). После запуска насоса задвижку открывают.

В России поддержание пластового давления заводнением является одним из основных видов воздействия на нефтепродуктивные пласты. Поддержание пластового давления закачкой воды, кроме повышения нефтеотдачи обеспечивает интенсификацию процесса разработки. Это обусловливается приближением зоны повышенного давления, создаваемого за счет закачки воды в водо-нагнетательные скважины, к добывающим скважинам. В зависимости от местоположения водо-нагнетательных скважин в настоящее время в практике разработки нефтяных месторождении нашли применение следующие системы заводнения:

-законтурное заводнение, применяют для разработки залежей с небольшими запасами нефти;

приконтурное заводнение, применяют тогда, когда затруднена гидродинамическая связь нефтяной зоны пласта с законтурной областью;

внутриконтурное заводнение, применяют в основном при разработке нефтяных залежей с очень большими площадными размерами.

Добывающие скважины располагают рядами параллельно рядам водо - нагнетательных скважин. Расстояние между рядами нефтедобывающих скважин и между скважинами в ряду выбирают, основываясь на гидродинамических расчетах, с учетом особенностей геологического строения и физической характеристики коллекторов на данной разрабатываемой площади.

Погружной электродвигатель служит для привода электроцентробежного насоса, электродвигатель крутит вал насоса, на t котором расположены ступени.

Для уменьшения размеров насосного агрегата и увеличения его подачи двигатели ПЭД рассчитывают на синхронную скорость 3000 об/мин при частоте 50 Гц. Двигатели защищены от попадания внутрь пластовой жидкости, что достигается заполнением их трансформаторным маслом, находящимся под избыточным давлением 0,2 МПа относительно внешнего гидростатического давления в скважине. Для защиты погружного электродвигателя от попадания внутрь его корпуса пластовой жидкости применяется гидрозащита.

Поскольку двигатель работает при температуре жидкости в месте погружения, его электрическая изоляция масло- и нагревостойкая, а температуру окружающей среды принимают равной 90° С.

Принципиальная схема УЭЦН приведена на рис. 1.1.

Рис. 1.1. Принципиальная схема УЭЦН:

Компенсатор - 1; Погружной электродвигатель (ПЭД) - 2; Протектор 3; приёмная сетка - 4; Газосепаратор - 5; Насос 6; Ловильная головка 7; Обратный клапан насосный - 8; Спускной клапан - 9; Колонна насосно-компрессорных труб (НКТ) - 10; Колено - 11; Выкидная линия - 12; Обратный клапан устьевой - 13; Манометр - 14, 16; Устьевая арматура - 15; Кабельная линия - 17; Соединительный вентиляционный ящик - 18; Станция управления - 19; Трансформатор - 20; Динамический уровень жидкости в скважине - 21; Пояса для крепления кабельной линии к НКТ и насосному агрегату - 22; Эксплуатационная колонна скважины - 23.

1.2    Требования, предъявляемые к электроприводу УЭЦН

Исходя из описания технологического процесса, можно сформулировать следующие требования, предъявляемые к электроприводу:

продолжительный режим работы электродвигателя;

плавный пуск;

реверс электродвигателя по мощности и по скорости не требуется;

широкий диапазон регулирования по частоте;

должен обеспечить компенсацию потерь на длинном кабеле;

насос должен создавать такие напоры на устье, чтобы догнать нефти до дожимной насосной станции.

В целом, электропривод должен обеспечить безотказную и долговечную работу установки во всех режимах эксплуатации, что во много зависит от системы управления электродвигателем.

1.3    Качественный выбор электрооборудования для насосной установки

В настоящее время в качестве привода УЭЦН обычно используются асинхронные двигатели типа ПЕД.

Асинхронный электродвигатель - электродвигатель переменного тока, в котором частота вращения ротора отличается от частоты вращающего магнитного поля, создаваемого питающим напряжением. Эти двигатели наиболее распространены в настоящее время.

Диаметр данных двигателей несколько меньше нормальных диаметров применяемых обсадных колонн (обычно двигатели имеют диаметры: 103, 117, 123, 130 и 138 мм). При заданной мощности выполнение двигателя с малым диаметром вызывает увеличение его длины, достигающей 7-8 м.

Корпус статора погружного двигателя представляет собой стальную трубу, в которую запрессованы магнитные пакеты статора длиной 320-450 мм, набранные из электротехнической стали. Статор состоит из отдельных магнитных пакетов (секций), разделенных короткими пакетами из немагнитного материала.

Ротор закрепляется в верхней части двигателя - подвешивается на верхнем подпятнике - радиально-упорном подшипнике. Корпус двигателя заканчивается в верхней части головкой, которая закрывает лобовые части обмотки, содержит узел вывода статорной обмотки и обеспечивает присоединение протектора. Нижние лобовые части обмотки закрываются основанием двигателя, в котором размещаются масляный фильтр и клапан.

Внутренняя полость двигателя заполнена специальным маловязким маслом, которое циркулирует внутри машины под действием турбинки, насаженной на вал ротора. Оно проходит по отверстию внутри вала двигателя, по каналам между корпусом и внешней поверхностью статорных пакетов, попадает в фильтр. Благодаря циркуляции масла достигается более интенсивное охлаждение электродвигателя с выравниванием температур наиболее нагретых и менее нагретых частей машины. Полость двигателя заполняют маслом через клапан.

Целесообразнее всего применять частотное регулирование скорости с помощью преобразователя частоты, как обладающего наибольшим числом достоинств:

-        плавный пуск;

-        широкий диапазон регулирования скорости;

-        плавное регулирование;

-        экономичность;

-        возможность автоматического ограничения параметров работы электрической машины (ω, М, I).

Исходя из предъявляемых технологических требований по ряду причин, наиболее целесообразно применить преобразователь частоты с промежуточным звеном постоянного тока и автономным инвертором напряжения (ПЧИН).

1.4    Расчет мощности электродвигателя и выбор системы электропривода

Скважины по своим параметрам бывают разнообразные. В пределах одного промысла скважины могут отличаться друг от друга коэффициентами продуктивности, динамическими уровнями, дебитами.

Отбор нефти из скважин подбирается индивидуально для каждой скважины в зависимости от геологотехнических данных и её характеристики.

Наиболее эффективное применение погружных электронасосов для эксплуатации скважин возможно только в том случае, если правильно подобрать оборудование для скважины.

Наилучшее условие для экономичной эксплуатации скважин - соответствие параметров погружного электронасоса характеристике скважины.

При выборе электрооборудования для погружной насосной установки сначала определяют мощность погружного электродвигателя, которая должна соответствовать параметрам выбранного насоса.

Номинальная подача и напор, развиваемые насосом, должны соответствовать оптимальному дебиту скважины и полному напору, необходимому для подъема жидкости.

Мощность на валу центробежного насоса определяется по формуле:

, где

Q - подача насоса;

H - напор развиваемый насосом;

 - максимальная плотность водонефтяной смеси, кг/м3;

 - КПД насоса;

кВт.

Выбираем насос типа 052ЭЦНАКИ6-1000

Таблица 1.1

Основные параметры насоса типа 052ЭЦНАКИ6-1000

Параметры

Значение

Подача, м3/сут

1000

Напор, м

430

Число ступеней

100

Мощность при 50 Гц, кВт

85,56

КПД, %

60

Масса, кг

624


Мощность двигателя

 , где

К=1.1 - коэффициент запаса;

 - КПД передачи, при соединении валов двигателя и насоса с муфтой;

=0.98

 

Выбираем погружной электродвигатель типа ПЭД100-117М.

Таблица 1.2

Основные параметры электродвигателя типа ПЭД100-117М

Параметры

Значение

Номинальная мощность, кВт

100

Номинальное линейное напряжение, В

2000

Номинальная сила тока, А

41

Частота, Гц

50

Скорость вращения n, мин-1

2844

Скольжение,%

5,2

КПД,%

85

cosφ

0,85

Длина, мм

9996

Масса, кг


Для описанного выше электродвигателя выбираем преобразователь частоты фирмы «АВВ» типа ACS550-01-180A-4.

Высоковольтные частотные преобразователи ACS550-01-180A-4 предназначены для управления асинхронными электродвигателями мощностью 0,75 кВт - 110 кВт.

Основные параметры для ПЧ ACS550-01-180A-4 представлены в таб.1.3.

Таблица 1.3

Основные параметры ПЧ типа ACS550-01-180A-4

Параметры

Значение

Номинальное напряжение, В

380

Номинальная мощность, кВт

100

Выходной ток, А

185

Масса, ку

69

Входной коэффициент мощности

0,98

КПД, %

>97



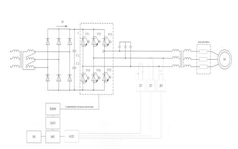
Рис. 1.2. принципиальная схема ПЧ-АД

550 - вобрал в себя все самые последние разработки компании АББ, что обеспечивает высокий технический уровень, отличные показатели надежности и удобство использования преобразователя. В приводе ACS 550 используется принцип векторного управления, что позволяет получить высокий крутящий момент двигателя на низких частотах вращения и позволяет повысить качество технологического процесса.

Возможность прямого подключения к сети ACS 550 позволяет сочетать экономичность бестрансформаторного регулируемого электропривода с преимуществами автономного инвертора напряжения (АИН), включая высокую надежность и работоспособность, высокий и постоянный коэффициент мощности, также исключительные динамические характеристики регулирования.

Прямое подключение к сети привода ACS 550 существенно снижает затраты. По сравнению с электроприводом, где требуется входной трансформатор, данное решение отличается компактностью и малым весом, благодаря чему снижаются транспортные расходы, а для установки привода требуется меньше места в электротехническом помещении.

Привод ACS 550 обеспечивает близкую к синусоиде форму выходного напряжения и тока, что делает его совместимым с двигателями и кабелями со стандартной изоляцией. Это достигается с помощью запатентованной многоуровневой топологии АББ, которая использует одно звено постоянного тока и минимальное количество силовых элементов для формирования на выходе многоуровневого сигнала.

Исполнение привода с низким содержанием гармоник соответствует жестким требованиям в отношении гармонических искажений тока и напряжения, определенными соответствующими стандартами. При этом нет необходимости проведения анализа гармоник или установки сетевых фильтров.

Коэффициент мощности на входе поддерживается близким к единице или регулируется для компенсации реактивной мощности других потребителей, подключенных к той же сети.

Частота выходного напряжения от 0 до 500 Гц.

Номинальное выходное напряжение от 0 до Uпитания, кВ.

2.      ИССЛЕДОВАНИЕ ДИНАМИЧЕСКИХ РЕЖИМОВ РАБОТЫ В РАЗОМКНУТОЙ СИСТЕМЕ ПРЕОБРАЗОВАТЕЛЬ ЧАСТОТЫ -АСИНХРОННЫЙ ДВИГАТЕЛЬ

2.1    Разработка структурной схемы разомкнутой системы

Для анализа динамики системы ПЧ-АД построим ее структурную схему.

Известно, что при питании от преобразователя частоты асинхронный двигатель работает исключительно на прямолинейных участках механических характеристик. Следовательно, в данном случае можно пренебречь электромагнитной постоянной времени и считать переходные процессы электромеханическими. Так как в системе ПЧ-АД электродвигатель работает только при скольжениях, меньших критического, то является целесообразным использовать математическое описание прямолинейного участка характеристики, которое можно представить следующим образом:

ω = ωонα-Δω, (2.1)

где ωон - скорость идеального холостого хода при частоте f, равно номинальной частоте fн;

α=f/fн - относительная частота напряжения питания;

Δω - статическое падение скорости.

Так как на рабочем участке механические характеристики двигателя в системе ПЧ-АД параллельны, то при данном Мс статическое падение скорости является величиной постоянной, то есть (2.1) можно представить в виде:

ω = ωонα-КМ, (2.2)

где К- коэффициент пропорциональности.

Этот коэффициент можно определить, исходя из следующих соображений: он является постоянным для любой точки характеристики, в том числе и для точки номинального режима на естественной характеристике, то есть из (2.2) можно записать:

ω = ωонα-КМн, (2.3)

Из (2.3) после алгебраических преобразований получаем:

К = ωонSнн, (2.4)

Подставляем в (2.2) вместо К его значение из (2.4) и после алгебраических преобразований получаем математическое описание момента двигателя на линейных участках механических характеристик:

М = (ωонα-ω) Мн/Sнωон, (2.5)

Дальнейшее математическое описание целесообразно вести в относительных единицах (здесь относительные величины обозначаются значком *); в качестве базовых используются: Мн, ωн, fн. Тогда принимает вид:

М*= (α- ω*)/Sн, (2.6)

Из уравнения движения электропривода получаем:

М =Мсмкмон)(dω/dt), (2.7)

где Тм = J ωон/Mкн - электромеханическая постоянная времени;

Mкн - критический момент на характеристики при f=fн .

Подставим (2.7) в относительных единицах:

М* =М*смкмн)(dω*/dt), (2.8)

Здесь Мкмн = λ - перегрузочная способность двигателя. Причем закон совместного изменения частоты и напряжения преобразователя выбирается именно из условия получения постоянной перегрузочной способности при любой форме зависимости от скорости момента статического, то есть для всех реально возможных режимов эта величина остается неизменной. Следовательно (2.8) можно записать:

М* =М*смλ(dω*/dt). (2.9)

Определим из (2.9) dω*/dt и представим полученное уравнение (2.5) в операторной форме:

ω*(р)=(М*(р)-М*с(р))(, (2.10)

М*(р)=( α(р)- ω*(р))Sн, (2.11)

Преобразователь частоты состоит из выпрямителя и инвертора, соединенных последовательно. Если, представить их апериодическими звеньями с постоянными времени Тв и Ти соответственно, то передаточная функция WП(р) преобразователя имеет вид:

WП(р)=КП /(( Тв+1)( Тир+1)), (2.12)

где КП - коэффициент усиления ПЧ.

После алгебраических преобразований (2.12) можно записать с учетом Ти=0, т.к. постоянная времени инвертора определяется его конструкцией, в нашем случае инвертор построен на базе транзисторов и его можно считать безынерционным звеном.

WП(р)=f(p)/UзП /( Тв+1), (2.13)

Представим (2.12) в относительных единицах, где базовыми значениями Uз является Uзн, при котором на выходе преобразователя имеется напряжение с частотой fн, равной номинальной. Имея в виду, что в установившемся режиме Uз КП= fн, получаем:

α(р)=U*(p )/(Тв +1). (2.14)

В соответствии с формулами (2.11), (2.12), (2.13) структурная схема разомкнутой системы ПЧ-АД, приведенная на рис. 2.1

Рис. 2.1. Структурная схема системы ПЧ-АД

2.2      Анализ динамических процессов в разомкнутой системе электропривода


Рис. 2.2. Модель разомкнутой системы электропривода

Результат моделирования режима пуска приведен на рис. 2.3.

На графике видно, что пуск двигателя составляет 1,25 сек, после чего наступает установившийся режим.

Рис. 2.3. переходные процессы в разомкнутой системе ПЧ-АД

В данном случае динамический момент не постоянен, в результате чего увеличение скорости происходит неравномерно, что может привести к гидравлическим ударам во время пуска.

Исходя из этого, можно сделать следующий вывод: данный режим работы системы электропривода не в полной мере соответствует технологическим требованиям, а именно:

невозможное автоматическое поддержание напора;

непостоянство динамического момента;

отсутствие ограничения пусковых токов.

Данные недостатки возможно устранить только в замкнутой системе.

.        ИССЛЕДОВАНИЕ ДИНАМИЧЕСКИХ РЕЖИМОВ РАБОТЫ В ЗАМКНУТОЙ СИСТЕМЕ ПРЕОБРАЗОВАТЕЛЬ ЧАСТОТЫ - АСИНХРОННЫЙ ДВИГАТЕЛЬ

3.1    Разработка структурной схемы замкнутой системы

Одним из основных требований, предъявляемых к электроприводам, является минимальное время протекания переходных процессов при минимальном перерегулировании и форма переходных процессов, что возможно только при применении соответствующих систем автоматического управления.

Этим требованиям более всего удовлетворяют системы управления с последовательной коррекцией параметров. По сравнению с ними, системы с параллельной коррекцией имею ряд недостатков, а именно:

-          сложность расчетов параметров корректирующих звеньев;

-          сложность унификации отдельных узлов;

-          сложность отладки и эксплуатации в результате отсутствия унифицированных элементов;

-          худшее качество динамических свойств.

Поэтому в электроприводе преимущественно применяются системы с последовательной коррекцией. Такие системы отличаются простотой расчета и настройки, априори являются устойчивыми, то есть не требуют специальной проверки на устойчивость, обеспечивают заданное качество статических и динамических процессов и легко поддаются унификации.

Вследствие всего выше перечисленного применим с последовательной коррекцией.

В системах автоматического управления (САУ) существует два вида воздействий: управляющее, которое система должна отработать, и возмущающее, результат воздействия которого система должна устранить. В процессе регулирования появляется ошибка £(/), являющаяся разностью заданного X, (t) и выходного X*{t) значений регулируемой величины

ξ(t) = X1(t)-X2(t). (3.1)

Равенство ошибки нулю означало бы, что в процессе регулирования выходной сигнал повторяет входной, то есть вся система превращена в пропорциональное звено путем полной компенсации всех постоянных

времени. Однако физически это возможно только при воздействии на систему сигнала бесконечно большой амплитуды. Поэтому за критерий качества динамических процессов в системах с последовательной

коррекцией может быть принят минимум линейного или квадратичного поля ошибок. Однако при этом переходные процессы характеризуются либо большим перерегулированием, либо большим временем регулирования. Для получения процесса с минимальным временем регулирования при

допустимом перерегулировании необходимо ввести некоторый компромиссный технический оптимум, определяющий, до какой же степени следует минимизировать поле ошибок.

С технической точки зрения оптимальным является процесс, когда перерегулирование < 5 процентов при минимальном времени регулирования

Исходя из определения технически оптимального переходного процесса можно считать оптимальной переходную функцию при соотношении постоянных времени САУ, равным двум. Это условие

T1/T2 = 2 (3.2)

называется Bertran оптимумом, техническим или модульным.

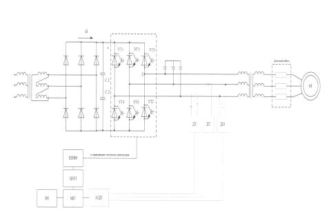
Из структурной схемы разомкнутой системы (рис.3.2) видно, что здесь содержатся две постоянные времени Тм и Тв, одна из которых, является малой. Следовательно, компенсации подлежит одна большая постоянная времени Тм, то есть замкнутая система должна быть одноконтурной и содержать один регулятор - регулятор скорости. Структурная схема такой системы приведена нарис.3.1.

Рис. 3.1. Структурная схема замкнутой системы ПЧ-АД

Для оптимизации системы по Betran оптимуму определяется передаточная функция регулятора скорости (РС)

(3.3)

где Кс=1 - коэффициент обратной связи по скорости.

Рис. 3.2. Принципиальная схема ПЧ-АД для замкнутой системы.

3.2    Анализ динамических процессов в замкнутой системе электропривода

Для исследования динамики системы электропривода в соответствии со структурной схемой (рис. 3.1), спроектирована её схема модели в программной среде MATLAB Simulink на рис. 3.2.

Рис. 3.2. Модель замкнутой системы электропривода

Результаты моделирования режима пуска приведены на рис. 3.3.

Рис. 3.3. Переходные процессы в замкнутой системе ПЧ-АД

Из графиков видно, что динамический момент двигателя постоянен практически все время пуска, что означает, что двигатель разгоняется с постоянным ускорением. Статическое отклонение скорости относительно разомкнутой системы уменьшилось.

Исходя из данных графика, можно сделать вывод, что данный режим работы, а именно замкнутая система электропривода, полностью удовлетворяет технологическим требованиям.

ЗАКЛЮЧЕНИЕ

В данном курсовом проекте была проанализирована технология добычи жидкости из скважин с использованием УЭЦН.

Исходя из технологии, были сформулированы требования, предъявляемые к электроприводу УЭЦН. Осуществлен качественный выбор системы электропривода.

Разработана разомкнутая система электропривода, исследование динамических режимов работы которой показали, что данная система не в полной мере соответствует требованиям, а именно:

невозможное автоматическое поддержание напора;

непостоянство динамического момента;

отсутствие ограничения пусковых токов.

Так как данные недостатки возможно устранить только в замкнутой системе электропривода, была разработана замкнутая система электропривода, исследование динамических режимов работы которой показали, что она полностью удовлетворяет технологическим требованиям.

СПИСОК ИСПОЛЬЗОВАННЫХ ИСТОЧНИКОВ

1.           Лысова О.А., Ведерников4 В.А. Электрический привод. [Текст]: / Учебное пособие. Тюмень: ТюмГНГУ 2007. - 146 с.

2.         Лысова О.А., Ведерников В.А. Системы управления электроприводов: [Текст]: / Учебное пособие Тюмень: ТюмГНГУ 2005. - 115 с.

3.         Меньшов Б. Г., Ершов М. С., Яризов А. Д. Электротехнические установки и комплексы в нефтегазовой промышленности.- [Текст]: / М.: Недра, 2000.- 486 с.

4.         Правила устройства электроустановок. Действующие разделы 7-го издание с изменениями и дополнениями. [Текст]: / Новосибирск.: «Сибирское университетское издательство», 2011. - 464 с.

5.         Соколовский Г.Г. Электроприводы переменного тока с частотным регулированием. [Текст]: / Учебник. М.: ACADEMA, 2006. - 265 с.

6.         <http://www.abb.ru/> - обзор электрооборудования, преобразователей частоты

7.         <http://www.alnas.ru/> -обзор электрооборудования, погружных электроцентробежных насосов

8.           Каплан Л.С., Каплан А.Л.. [Текст]: / Справочное пособие нефтяника. 4.1, II.-Уфа- Октябрьский: ОФ УГНТУ, 2004.- 320 с.

9.           Материалы IX Всероссийской технической конференции «Производство и эксплуатация УЭЦН», [Текст]: / Альметьевск, 2000.

10.      Зейгман Ю.В., Гумеров О.А., Генералов И.В. Выбор оборудования и режима работы скважин с установками штанговых и электроцентробежных насосов: Учеб. пособие. - Уфа: Изд-во УГНТУ, 2000. - 120 с.

Похожие работы на - Разработка электропривода

 

Не нашли материал для своей работы?
Поможем написать уникальную работу
Без плагиата!
Без нейросетей!