Разработка электропривода механизма подъёма грузового лифта
Министерство
образования Российской Федерации
Южно-Уральский
государственный университет
Кафедра
электропривода и автоматизации промышленных установок
Пояснительная
записка к курсовому проекту
по курсу
«Теория электропривода»
.2012.154.00
ПЗ
Челябинск
2012
ИСХОДНЫЕ ДАННЫЕ ДЛЯ ПРОЕКТИРОВАНИЯ
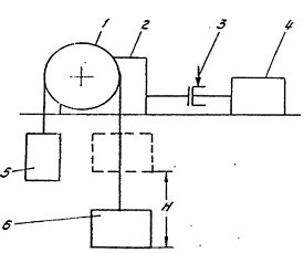
Рисунок 1 - Кинематическая схема грузового
лифта:
- канатоведущий шкив; 2 - редуктор; 3 -
тормозной шкив; 4 - двигатель, 5-клеть; 6-противовес;
Грузовой лифт выполняет операцию
перемещения груза с нижней площадки на верхнюю. Вниз клеть может спускаться как
без груза так и с грузом. Цикл работы включает в себя времена подъёма и
опускания клети, а также времена загрузки и выгрузки. Подъём клети происходит с
установившейся скоростью
, а опускание
со скоростью
.
В процессе расчёта необходимо выбрать наиболее
тяжёлый режим работы, обеспечить выполнение требований по ускорению лифта и
возможность его работы с разными грузами на подъём и спуск.
Таблица
Технические данные механизма грузового лифта
|
Обозначение
|
Наименование
показателя
|
Размерность
|
Величина
|
|
грузоподъёмность
|
т
|
3,5
|
|
|
Масса
клети
|
т
|
6
|
|
|
mk
|
Масса
противовеса
|
т
|
8
|
|
Диаметр
шкива
|
м
|
0,25
|
|
|
Линейная
жесткость
|
Мн/м
|
80
|
|
|
h
|
Высота
подъёма клети
|
м
|
4
|
|
Скорость
подъёма клети
|
м/с
|
0,2
|
|
|
Скорость
опускания клети
|
м/с
|
0,3
|
|
|
a
|
Допустимое
ускорение
|
м/с2
|
0,5
|
|
z
|
Число
циклов в час
|
-
|
50
|
|
tP
|
Суммарное
время работы
|
с
|
60
|
АННОТАЦИЯ
В проекте разработан электропривод механизма
подъёма грузового лифта. В качестве приводного двигателя применили асинхронный
двигатель с короткозамкнутым ротором с преобразователем частоты. Реализуется
методика выбора электродвигателя по мощности. Производится выбор
преобразователя частоты и редуктора для электропривода и проверка их на
перегрузочную способность.
СОДЕРЖАНИЕ
ЗАДАНИЕ
НА КУРСОВОЕ ПРОЕКТИРОВАНИЕ
АННОТАЦИЯ
ВВЕДЕНИЕ
1. РАСЧЕТ
МОМЕНТОВ СТАТИЧЕСКОГО СОПРОТИВЛЕНИЯ И ПРЕДВАРИТЕЛЬНЫЙ РАСЧЕТ МОЩНОСТИ
ЭЛЕКТРОДВИГАТЕЛЯ
2. ВЫБОР
ЭЛЕКТРОДВИГАТЕЛЯ; ОПРЕДЕЛЕНИЕ ПЕРЕДАТОЧНОГО ЧИСЛА И ВЫБОР РЕДУКТОРА
2.1 Выбор
электродвигателя
2.2 Определение
передаточного числа и выбор редуктора
3.
РАСЧЕТ ПРИВЕДЕННЫХ СТАТИЧЕСКИХ МОМЕНТОВ, МОМЕНТОВ ИНЕРЦИИ И КОЭФФИЦИЕНТА
ЖЕСТКОСТИ СИСТЕМЫ ЭЛЕКТРОПРИВОД - РАБОЧАЯ МАШИНА
3.1 Расчет
приведенных статических моментов
3.2 Расчет
приведенных моментов инерции и коэффициента жесткости
.
ПРЕДВАРИТЕЛЬНАЯ ПРОВЕРКА ДВИГАТЕЛЯ ПО НАГРЕВУ И ПРОИЗВОДИТЕЛЬНОСТИ
5.
ВЫБОР ПРЕОБРАЗОВАТЕЛЯ
6.
РАСЧЕТ СТАТИЧЕСКИХ ХАРАКТЕРИСТИК ЭЛЕКТРОПРИВОДА
6.1 Расчет
естественных характеристик двигателя
6.2
Расчет параметров схем включения двигателя, обеспечивающих работу в заданных
точках
.
РАСЧЕТ ПАРАМЕТРОВ СХЕМ ВКЛЮЧЕНИЯ, ОБЕСПЕЧИВАЮЩИХ ПУСК И ТОРМОЖЕНИЕ ДВИГАТЕЛЯ
7.1 Пуск
и торможение в системе преобразователь - двигатель
8.
СОСТАВЛЕНИЕ СТРУКТУРНОЙ СХЕМЫ ЭЛЕКТРОПРИВОДАИ РАСЧЕТ ЕЕ ПАРАМЕТРОВ
8.1 Структурная
схема механической части электропривода
8.2 Структурная
схема асинхронного двигателя
8.3 Структурная
схема преобразователя частоты
9.
РАСЧЕТ ПЕРЕХОДНЫХ ПРОЦЕССОВ И ПОСТРОЕНИЕ НАГРУЗОЧНЫХ ДИАГРАММ ЭЛЕКТРОПРИВОДА
9.1 Переходный
процесс пуска в механической части электропривода с идеально жесткими связями
9.2 Переходный
процесс пуска в механической части электропривода с упругими связями
9.3 Электромеханический
переходный процесс пуска в системе с идеально жестким связями
.4 Электромеханический
переходный процесс пуска в системе с упругими связями
.5 Расчет
нагрузочных диаграмм для всего цикла работы
.6 Расчет
энергетических показателей электропривода
10 ПРОВЕРКА
ЭЛЕКТРОПРИВОДА НА ЗАДАННУЮ ПРОИЗВОДИТЕЛЬНОСТЬ, ПО НАГРЕВУ И ПЕРЕГРУЗОЧНОЙ
СПОСОБНОСТИ ДВИГАТЕЛЯ И ПРЕОБРАЗОВАТЕЛЯ
ЗАКЛЮЧЕНИЕ
СПИСОК
ИСПОЛЬЗОВАННОЙ ЛИТЕРАТУРЫ
ПРИЛОЖЕНИЕ
1. СХЕМА СИЛОВЫХ ЦЕПЕЙ ПРЕОБРАЗОВАТЕЛЯ АТО5-015
ВВЕДЕНИЕ
На всех этапах своего развития человеческое
общество искало способ получения энергии, необходимой для выполнения работы в
производственных процессах. Этот способ оказывал решающее влияние на развитие
производственных сил.
В данном курсовом проекте на основании заданных
технологических требований проектируется электропривод переменного тока по
системе ПЧ-АД для механизма подъёма грузового лифта.
Расчет электропривода производится следующим
образом:
по технологическому заданию определяются
статические моменты сопротивлений и предварительно выбирается двигатель, исходя
из полученной расчетной мощности;
для данного двигателя выбираются редуктор и
преобразователь;
статические моменты и моменты инерции рабочего
органа приводятся к валу двигателя;
производится предварительная проверка выбранного
двигателя по производительности и нагреву;
рассчитываются статические характеристики
системы ПЧ-АД;
составляется структурная схема электропривода;
рассчитываются переходные процессы пуска и
торможения и строятся нагрузочные диаграммы;
рассчитываются энергетические показатели привода;
производится окончательная проверка
электропривода по нагреву, заданную производительность и по перегрузочной
способности.
1. РАСЧЕТ МОМЕНТОВ СТАТИЧЕСКИХ
СОПРОТИВЛЕНИЙ И ПРЕДВАРИТЕЛЬНЫЙ РАСЧЕТ МОЩНОСТИ ЭЛЕКТРОДВИГАТЕЛЯ
Расчёт времён работы на каждом участке работы
лифта
Время пуска
до
установившейся скорости с допустимым ускорением, торможения
от
установившейся скорости до остановки
, (1.1)
где
- заданная скорость движения,
;
- допустимое ускорение,
.
В соответствии с формулой (1.1) при
движении вперед

.
При движении назад

.
Путь, проходимый рабочей машиной за
время пуска и торможения:
(1.2)
В соответствии с формулой (1.2) при
движении вверх
м.
При движении вниз

.
Время установившегося режима
движения со скоростью
:
(1.3)
где h - высота подъёма груза, м.
В соответствии с формулой (1.3) для
движения вверх
с.
Для движения вниз
с.
Найдём время остановки лифта:
(с).
Расчёт статических моментов рабочей
машины
Момент сил трения в подшипниках:
, (1.4)
где
- масса деталей и узлов,
опирающихся на подшипники, кг;
- диаметр шейки вала или оси, м;
- коэффициент трения скольжения в
подшипниках;
- ускорение силы тяжести.
В соответствии с формулой (1.4):
при движении лифта с грузом
Нм;
при движении лифта без груза
Нм.
Момент силы тяжести:
, (1.5)
где
- масса поднимаемого или
опускаемого груза, кг;
D - диаметр
шкива, м.
В соответствии с формулой (1.5):
момент силы тяжести клети и груза
Нм;
момент силы тяжести противовеса
Нм;
момент силы тяжести клети
Нм.
Суммарный статический момент
рабочего органа:
при движении лифта с грузом
Нм;
при движении лифта без груза
Нм.
Расчёт динамических моментов рабочей
машины
Определим момент инерции шкива:
, (1.6)
где
- масса шкива, кг;
- диаметр барабана, м.
Массу шкива определим по формуле:
,
где r=7800(кг/м3) - плотность железа;
l =0,05(м) -
ширина шкива.
(кг).
По формуле (1,6) найдем момент
инерции шкива
(кг×м2).
Определим момент инерции рабочего
органа:
.
При движении с грузом:
(кг×м2);
при движении без груза:
(кг×м2).
При заданной величине допустимого
ускорения определим динамические моменты лифта при движении с грузом и без
груза.
Динамический момент при движении с
грузом:
(Н×м);
динамический момент при движении без
груза:
(Н×м).
Полный момент рабочей машины найдём
по формуле (1.7):
. (1.7)
Первый участок - разгон лифта при
подъёме груза
(Н×м).
Второй участок - равномерное
движение лифта с грузом
(Н×м).
Третий участок - торможение лифта
при подъёме груза
(Н×м).
Четвертый участок - время паузы
.
Пятый участок - разгон лифта при
опускании клети
(Н×м).
Шестой участок - равномерное
движение лифта без груза
(Н×м).
Седьмой участок - торможение лифта
при опускании клети
(Н×м).
По рассчитанным значениям моментов
на каждом участке можно найти среднеквадратичное значение момента:
(1.8)
где
- момент на K-м участке,
Н∙м;
- длительность K-го участка,
с.
Получаем значение момента
Нм
Тогда мощность двигателя
определяется по формуле:
(1.9)
где
=1.3…1.5 - коэффициент, учитывающий
динамические нагрузки, обусловленные вращающимися элементами электропривода, то
есть двигателем, редуктором, а также потери в редукторе;
Dб - диаметр
колеса тележки, м;
- основная скорость движения, м/с;
- фактическое значение
относительной продолжительности включения проектируемого привода;
- ближайшее к ПВф
каталожное значение относительной продолжительности включения для
электродвигателей выбранной серии.
Фактическое значение ПВ рассчитаем,
зная длительность времени работы tK на всех
участках движения к заданному времени цикла:
,(1.10)
где z= 35число
циклов работы машины в час.
с.
(1.11)
В соответствии с формулой (1.11):
.
Для двигателей
краново-металлургической серии ряд ПВ: 15, 25, 40, 60, 100%. Выбираем ближайшее
меньшее ПВ, то есть ПВкат=40.
Тогда мощность двигателя (в
соответствии с формулой (1.9)):
(Вт).
Предварительные нагрузочные
диаграммы приведены в Приложении 1.
2. ВЫБОР ЭЛЕКТРОДВИГАТЕЛЯ;
ОПРЕДЕЛЕНИЕ ПЕРЕДАТОЧНОГО ЧИСЛА И ВЫБОР РЕДУКТОРА
2.1 Выбор электродвигателя
Из двигателей переменного тока с
короткозамкнутым ротором выбираем двигательMTKF
(H)160L6
из [9].
Таблица
2.1
Номинальные данные двигателя
|
Обозначение
|
Наименование
показателя
|
Размерность
|
Величина
|
|
Pн
|
Номинальная
мощность на валу
|
кВт
|
11
|
|
nн
|
Номинальная
частота вращения
|
об/мин
|
910
|
|
I1н
|
Номинальный
ток статора
|
А
|
29
|
|
cos φн
|
Коэффициент
мощности в номинальном режиме
|
-----
|
0,76
|
|
Iп
|
Пусковой
ток
|
А
|
148
|
|
Мп
|
Пусковой
момент
|
Нм
|
340
|
|
Ммакс
|
Максимальный
(критический) момент
|
Нм
|
395
|
|
r1
|
Активное
сопротивление фазной обмотки статора
|
Ом
|
0,35
|
|
Rкз
|
Активное
сопротивление короткого замыкания
|
Ом
|
1,15
|
|
Iон
|
Ток
холостого хода для номинального режима
|
А
|
20,4
|
|
Xкз
|
Индуктивное
сопротивление короткого замыкания
|
Ом
|
1,18
|
|
Kr
|
Коэффициент
приведения сопротивлений
|
------
|
0,695
|
|
Jдв
|
Момент
инерции двигателя
|
Кг*м*м
|
0,23
|
2.2 Определение передаточного числа
и выбор редуктора
Передаточное число редуктора определим по
известной номинальной скорости вращения выбранного электродвигателя и по
основной скорости рабочего органа:
, (2.1)
где
- номинальная скорость вращения
двигателя,
;
D - диаметр
шкива, преобразующего вращательное движение вала в поступательное, м;
- основная скорость рабочего
органа,
.
В соответствии с формулой (2.1)
имеем
.
Выберем редуктор, исходя из того,
что передаточное число должно быть равным или несколько меньшим рассчитанного,
при этом должны быть учтены условия работы механизма, номинальная мощность и
скорость двигателя.
Режим работы редуктора в заданном
механизме является тяжелым, поэтому принимаем при выборе редуктора коэффициент
условий работы k=1.5 для тяжелого режима работы.
Тогда расчетная мощность редуктора рассчитывается по формуле (2.2):
(2.2)
где
- наибольшая мощность, передаваемая
рабочей машиной, Вт.
(2.3)
Тогда

В соответствии с формулой (2.2):

.
По полученной мощности выбираем
редуктор из [4].
Выбранный редуктор: РЦД-350
Данные редуктора заносим в таблицу
2.2.
Таблица
2.2
Характеристики редуктора РЦД-350
|
N, кВт
|
nбыст,
j Мтих,Нм
|
|
|
|
|
20000
|
1000
|
40
|
0,96
|
6000
|
3. РАСЧЕТ ПРИВЕДЕННЫХ СТАТИЧЕСКИХ
МОМЕНТОВ, МОМЕНТОВ ИНЕРЦИИ И КОЭФФИЦИЕНТА ЖЕСТКОСТИ СИСТЕМЫ
ЭЛЕКТРОПРИВОД-РАБОЧАЯ МАШИНА
3.1 Расчет приведенных статических
моментов
После выбора электродвигателя и редуктора, а
также после расчета моментов сопротивления можно привести статические моменты
системы к валу двигателя, воспользовавшись формулой (3.1)
(3.1)
где
- статический момент рабочей
машины, Н∙м;
- передаточное отношение выбранного
редуктора.
При подъёме груза
Нм.
При опускании клети
Нм.
Результаты расчета занесены в
таблицу 4.1 для каждого участка.
Тогда статический момент на валу
двигателя:
(3.2)
где
- коэффициент полезного действия
выбранного редуктора.
При движении с грузом для
двигательного режима
Нм.
При движении без груза для
двигательного режима
Нм.
В тормозных режимах момент
рассчитывается по формуле:
(3.3)
Это связано с тем, что энергия
поступает с вала двигателя и, за вычетом потерь в передаче, поступает на
двигатель.
При движении с грузом для тормозного
режима
Нм;
При движении без груза для
тормозного режима
Нм.
Приведенные статические моменты
системы электропривод - рабочая машина рассчитывают для каждого участка с
учетом режима работы привода:
(3.4)
где
- момент потерь холостого хода
двигателя, Н∙м.
Принимаем
равным 5%
от номинального:
Нм.
Двигательный режим при движении с
грузом
Нм.
при движении без груза
Нм.
Тормозной режим при движении с
грузом
Нм.
при движении без груза
Нм.
3.2 Расчет приведенных моментов
инерции и коэффициентов жесткости
Суммарный приведенный момент
инерции:
(3.5)
где
- приведенный к валу двигателя
момент инерции поступательно и вращательно движущихся частей системы, кг∙м2;
- момент инерции ротора выбранного
двигателя, кг∙м2;
- коэффициент, учитывающий момент
инерции остальных моментов электропривода: тормозного шкива, муфт, редуктора, и
т.д. (
).
Приведенный момент инерции рабочей
машины к валу двигателя:
(3.6)
Найдем приведенный суммарный момент
инерции:
J1,J2,J3 - моменты
инерции соответствующих зубчатых колес редуктора, кг∙м2;
JТШ - момент
инерции тормозного шкива, кг∙м2;
JМ - момент
инерции соединительной муфты, кг∙м2;
Имеем:
В данной формуле принимаем:
(3.7)
Тогда:
(3.8)
где
- установившаяся скорость
двигателя,
;
Установившуюся скорость двигателя
находим по формуле:
(3.9)
Приведенный момент инерции при
движении с грузом
при движении без груза
.
Для каждого участка проведены
расчеты и все значения занесены в таблицу 4.1
Рассчитаем пусковые и тормозные
моменты двигателя, которые требуются для разгона и торможения привода.
Пусковой момент:
(3.10)
где
- статический момент сопротивления
движению, Н∙м;
- динамический момент, Н∙м.
Динамический момент рассчитываем по
формуле (3.11):
(3.11)
где
- допустимое ускорение при пуске и
торможении,
;
D - диаметр
шкива, преобразующей вращение в поступательное движение, м;
J -
приведенный момент инерции привода, кг∙м2.
Динамический момент при движении с
грузом
Нм.
при движении без груза
Нм.
Пусковой момент при движении с
грузом
Нм.
при движении без груза
Нм.
Тормозной момент:
(3.12)
при движении с грузом
Нм.
при движении без груза
Нм.
Ни на одном участке момент при
торможении или разгоне не оказался выше максимального момента двигателя.
Рассчитаем средний момент двигателя
при реостатном пуске:
Нм;
Рассчитаем средний момент двигателя
при реостатном пуске без груза:
Нм;
При динамическом торможении:
Нм.
При динамическом торможении без
груза:
Приведем линейную жесткость рабочего
органа к валу двигателя:
Н/м
4. ПРЕДВАРИТЕЛЬНАЯ ПРОВЕРКА
ДВИГАТЕЛЯ ПО НАГРЕВУ И ПРОИЗВОДИТЕЛЬНОСТИ
Целью предварительной проверки двигателя
является уточнение нагрузочных диаграмм момента, а также диаграммы скорости с
учетом момента инерции выбранного двигателя.
Рассчитаем времена переходных процессов для
каждого участка по формуле (4.1):
(4.1)
где J -
приведенный момент инерции системы к валу двигателя, кг∙м2;
- установившаяся скорость
двигателя,
;
- средний момент двигателя, Н∙м;
- приведенный статический момент, Н∙м.
Первый участок - разгон с грузом
с.
Третий участок - торможение с грузом
с
Пятый участок - разгон без груза
с.
Седьмой участок - торможение без
груза
с.
Угол поворота вала двигателя за
время переходного процесса:
(4.2)
Угол поворота вала
за 1-й и 3-й участки
рад.
за 5-й и 7-й участки
рад
Время работы с установившейся
скоростью:
(4.3)
где
- угол поворота вала двигателя,
соответствующий величине перемещения в данном режиме, рад;
- угол поворота вала за время пуска
и торможения, рад.
Угол поворота вала двигателя,
соответствующий величине перемещения в данном режиме:
(4.4)
В соответствии с формулой (4.4)
рад
В соответствии с формулой (4.3)
с.
с.
Результаты расчета сведены в Таблицу
4.1.
Суммарное фактическое время работы
привода:
с.
Полученное время меньше заданного
времени работы привода, то есть требование по производительности выполнено.
Предварительная проверка двигателя
по нагреву производится по величине среднеквадратичного момента:
(4.5)
где допускаемый момент:
.
Фактическое значение ПВ:
.
Нм.
Фактическое ПВ:
%
Момент двигателя при ПВкат,
ближайшем к ПВф:
Нм
Допускаемый момент:

.
Уменьшаем допустимый момент на 15%:
Н∙м.
Среднеквадратичный момент меньше
допустимого (78,7 Нм<89,3 Нм), следовательно двигатель проходит по нагреву.
Таблица
4.1
Предварительный расчет нагрузочных диаграмм
|
Участок
движения
|
Движение
с грузом
|
Движение
без груза
|
|
|
Пуск
|
Уст.
режим
|
Торможение
|
Пуск
|
Уст.
режим
|
Торможение
|
|
,с0,419,60,40,612,730,6
|
|
|
|
|
|
|
|
 ,м0,043,920,040,093,820,09
|
|
|
|
|
|
|
|
,
м/с-0,2--0,3-
|
|
|
|
|
|
|
|
,Н∙м2824,92824,92824,92520,82520,82520,8
|
|
|
|
|
|
|
|
,
кг∙м2274,6274,6274,6219,9219,9219,9
|
|
|
|
|
|
|
|
,
Н∙м1098,401098,4879,60879,6
|
|
|
|
|
|
|
|
,
Н∙м3923,32824,91726,53400,42520,81641,2
|
|
|
|
|
|
|
|
,
Н∙м70,670,670,663,0263,0263,02
|
|
|
|
|
|
|
|
,
Н∙м73,573,567,865,665,660,5
|
|
|
|
|
|
|
|
,
Н∙м79,379,36271,471,454,7
|
|
|
|
|
|
|
|
,
рад/с-64--96-
|
|
|
|
|
|
|
|
,
кг∙м20,170,170,170,140,140,14
|
|
|
|
|
|
|
|
,
кг∙м20,520,520,520,480,480,48
|
|
|
|
|
|
|
|
,
Н∙м83,2083,276,8076,8
|
|
|
|
|
|
|
|
,
Н∙м162,579,321,2148,271,422,1
|
|
|
|
|
|
|
|
,
Н∙м162,579,321,2148,271,422,1
|
|
|
|
|
|
|
|
,с0,419,60,40,612,730,6
|
|
|
|
|
|
|
|
,рад12,81254,412,828,81222,428,8
|
|
|
|
|
|
|
|
|
|
|
|
|
|
|
|
5. ВЫБОР ПРЕОБРАЗОВАТЕЛЯ
Для регулирования скорости двигателя выберем
преобразователь частоты.
По каталогу выбрали асинхронный регулируемый
транзисторный электропривод Триол АТО5 - 015.
Номинальная мощность
преобразователя………………………..18 кВА;
Номинальный ток преобразователя
………………………………..30 А;
Номинальное напряжение питающей сети частотой
тока 50 Гц 3x380 В;
Соs
электропривода…………………………………………..……..0,95;
Диапазон регулирования выходной частоты
преобразователя 0,5-400 Гц;
Кратность перегрузки по моменту
(токи)……………………………1,5;
Охлаждение преобразователя - воздушное
естественное.
В приложении 2 приведена схема силовых цепей
преобразователя.
6. РАСЧЕТ СТАТИЧЕСКИХ ХАРАКТЕРИСТИК
ЭЛЕКТРОПРИВОДА
Задачей расчета является обеспечение
технологических задач, заложенных в требования к электроприводу:
рабочие скорости рабочего и обратного хода
должны быть обеспечены с заданной степенью точности;
ускорение электропривода не должно превышать допустимых
значений.
6.1 Расчет естественных
характеристик двигателя
Предварительный расчет сопротивлений цепей:
Приведенный номинальный ток ротора
А.
Приведенное активное сопротивление
ротора для номинального
режима
Ом.
Приведенный ток ротора при коротком
замыкании
А.
Приведенное активное сопротивление
ротора для режима короткого замыкания
Ом.
Индуктивное сопротивление статора и
приведенное индуктивное сопротивление ротора
Ом.
Из-за отсутствия точной зависимости
будем
считать, что это прямая линия
(6.1)
В выражении (6.1) определим
, подставив
номинальную точку
В итоге получим зависимость
(6.2)
Учитывая выражение (6.2) в программе
Mathcad строим
естественные характеристики двигателя на рисунках 6.1 и 6.2.
электропривод редуктор
двигатель лифт
Рисунок 6.1 - Естественная механическая
характеристика двигателя
Рисунок 6.2 - Естественные электромеханические
характеристики двигателя
6.2 Расчет параметров схем включения
двигателя, обеспечивающих работу в заданных точках
Найдем жесткость прямолинейного участка
механической характеристики
Найдем отклонение скорости от
синхронной при заданном моменте при движении с грузом
р/с.
при движении без груза
р/с.
Найдем синхронную скорость,
соответствующую заданной точке при движении с грузом
р/с.
при движении без груза
р/с.
Относительное значение частоты
напряжения на статоре при движении с грузом
(6.3)
при движении без груза
(6.4)
Относительное напряжение на статоре
при движении с грузом
(6.5)
при движении без груза
(6.6)
В программе Mathcad строим
характеристики, проходящие через заданные точки на рисунках 6.3…6.6.
Рисунок 6.3 - Механическая
характеристика, проходящая через заданную точку, при движении с грузом
Рисунок 6.4 - Электромеханические
характеристики, проходящие через заданную точку, при движении с грузом
Рисунок 6.5 - Механическая характеристика,
проходящая через заданную точку, при движении без груза
Рисунок 6.6 - Электромеханические
характеристики, проходящие через заданную точку, при движении без груза
7. РАСЧЕТ ПАРАМЕТРОВ СХЕМ ВКЛЮЧЕНИЯ,
ОБЕСПЕЧИВАЮЩИХ ПУСК И ТОРМОЖЕНИЕ ДВИГАТЕЛЯ
.1 Пуск и торможение в системе
преобразователь - двигатель
В установившемся режиме нарастания скорости
двигателя, когда затухают свободные составляющие переходного процесса,
(7.1)
Величина установившегося значения
динамического момента двигателя
. (7.2)
Для формирования линейного закона
изменения напряжения управления на вход преобразователя подключают интегральный
И задатчик интенсивности ЗИ, выходное напряжение которого при подачи на его
вход скачка задающего напряжения
изменяется по линейному закону. При
достижение величины
нарастание
напряжения на выходе ЗИ прекращается. Выходное напряжение ЗИ является
управляющим напряжением преобразователя, а величина
определяет
установившеюся величину скорости
двигателя.
Темп нарастания скорости
определяется величиной базовой постоянной времени ЗИ
.
; (7.3)
, (7.4)
где
- механическая постоянная времени,
с;
- относительное значение
динамического момента двигателя
Механическая постоянная времени по (7.4): при
движении с грузом:
с.
при движении без груза:
c.
Постоянная времени ЗИ по (7.4)
с.
В системе ПЧ-АД начальная пусковая
характеристика определяется минимальной частотой преобразователя, а величина
пускового момента существенно снижена из-за значительного влияния активного
сопротивления статорной цепи двигателя.
8. СОСТАВЛЕНИЕ СТРУКТУРНОЙ СХЕМЫ ЭЛЕКТРОПРИВОДА
И РАСЧЕТ ЕЕ ПАРАМЕТРОВ
.1 Структурная схема механической
части электропривода
Механическая часть электропривода включает в
себя движущиеся массы двигателя, передачи и рабочей машины. Структурные схемы
механической части должны учитывать упругие связи и распределение моментов
инерции между двигателем и рабочей машиной.
Дифференциальное уравнения, описывающие
поведение двухмассовой упругой системы, без учёта диссипативных сил и зазоров в
передаче, имеют вид:
Продифференцировав во времени
последнее уравнение, перепишем систему дифференциальных уравнений. Оставим в
левой части члены уравнений, содержащие производные. Положим также, что
(8.1)
Принимаем в качестве базовых величин
номинальные данные двигателя:
Получим систему дифференциальных
уравнений в о.е.
Структурная схема механической части
построена на рисунке 8.1.
Рисунок 8.1 Структурная схема
механической части электропривода
Коэффициенты при производных
представляют собой постоянные времени.
Постоянная времени двигателя:
с
Постоянная времени упругого звена:
с ;
Постоянная времени рабочего органа:
при движении с грузом
с.
при движении без груза
с.
8.2 Структурная схема асинхронного двигателя
Математическое описание асинхронного двигателя
при наличии шести обмоток на статоре и роторе с учетом их взаимного
расположения, множеством связей между ними достаточно сложно. В практике
электропривода находят применение методы, в которых математическое описание
упрощается за счет различных допущений. Представление двигателя в виде
эквивалентной двухфазной машины позволяет несколько упростить математическое
описание и структурную схему асинхронного двигателя.
Для рассмотрения переходных процессов на рабочем
участке механической характеристики возможно применение более простого
соотношения между моментом и скоростью двигателя:
, (8.2)
Где
- модуль жесткости линеаризованной
механической характеристики, проходящей через номинальную точку;
- электромагнитная постоянная
времени;
- критическое скольжение.
Перепишем выражение (8.2) в
относительных единицах:
,
Где
жесткость механической
характеристики в относительных единицах.
Передаточная функция
электромеханического преобразования в асинхронном двигателе:
После преобразований структурная
схема асинхронного двигателя для рабочего участка механической характеристики
полностью повторяет структурную схему двигателя постоянного тока независимого
возбуждения (рисунок 8.2).
Рисунок 8.2 - Структурная схема асинхронного
двигателя
Для асинхронного двигателя:
Пределы использования полученных
соотношений:
8.3 Структурная схема
преобразователя частоты
При помощи внутренних обратных
связей преобразователя частоты обеспечивается поддержание заданного напряжения
на выходе при изменении нагрузки и появляется возможность не учитывать падение
напряжения внутри него.
Таким образом, преобразователь
частоты является безинерционным звеном с коэффициентом усиления Ктп (в о.е. Ктп
= 1), выходное напряжение и частота которого формируется на его входе с помощью
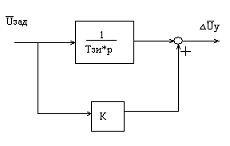
задатчика интенсивности (рисунок 8.3). Наиболее часто применяются интегральные
и пропорционально-интегральные задатчики интенсивности.
Рисунок 8.3 - Структурная схема
задатчика интенсивности
Параметры структурной схемы:
пропорциональный канал
интегральный канал
9. РАСЧЕТ ПЕРЕХОДНЫХ ПРОЦЕССОВ И
ПОСТОРОЕНИЕ НАГРУЗОЧНЫХ ДИАГРАММ ЭЛЕКТРОПРИВОДА
Рассчитываются переходные процессы для пуска при
грузовом движении:
1. без
учёта упругости передачи и электромагнитной инерции (механический процесс
жёсткой системы);
2. с
учётом упругости передачи (механический процесс упругой системы);
3. с
учётом электромагнитной инерции (электромеханический процесс);
4. с
учётом электромагнитной инерции и упругости передачи.
Расчет нагрузочных диаграмм для всего цикла
работы (два пуска и два торможения) выполняется с учетом электромагнитной
инерции и упругости передачи
9.1 Переходный процесс пуска в
механической части электропривода с идеально жесткими связями
Нагрузочные диаграммы построены на рисунке 9.1.
в программе Mathcad.
Рисунок 9.1 - Нагрузочные диаграммы пуска при
Тс=0 и Тя=0
9.2 Переходный процесс пуска в
механической части электропривода с упругими связями
Нагрузочные диаграммы построены на рисунке 9.2.
в программе Mathcad
Рисунок 9.2 - Нагрузочные диаграммы пуска при Тс
≠ 0 и Тя = 0
9.3 Электромеханический переходный
процесс в системе с идеально жесткими связями
Нагрузочные диаграммы построены на рисунке 9.3.
в программе Mathcad
Рисунок 9.3 - Нагрузочные диаграммы пуска при
Тс=0 и Тя ≠ 0
Интегральные показатели пуска представлены в
таблице 9.1.
9.4 Электромеханический переходный
процесс в системе с упругими связями
Нагрузочные диаграммы построены на рисунке 9.4.
в программе Mathcad
Рисунок 9.4 - Нагрузочные диаграммы пуска при Тс
≠ 0 и Тя ≠ 0
Интегральные показатели пуска представлены в
таблице 9.1.
Таблица
9.1
Влияние Тя и Тс на показатели пуска
|
Показатели
|
Единица
измерения
|
Тс
= 0 Тя = 0
|
Тс
¹
0 Тя = 0
|
Тс
= 0 Тя ¹ 0
|
Тс
¹
0 Тя ¹
0
|
|
А
|
кВт.с
|
2,9
|
8,6
|
3,8
|
6,7
|
|
Р
|
кВт.с
|
4,9
|
17,26
|
8,6
|
13,8
|
|
Q
|
кВар.с
|
63,5
|
90,6
|
50,9
|
75,2
|
|
L
|
Рад
|
23,1
|
105,6
|
38
|
81,9
|
|
Iкв1.t
|
А²с
|
687,1
|
1194
|
783,6
|
|
Iкв2.t
|
А²с
|
299,8
|
994,67
|
599,7
|
789,9
|
|
tпп
|
с
|
0,72
|
2,5
|
1,2
|
2
|
|
Ммакс
|
о.е.
|
1,28
|
1,7
|
1,45
|
1,54
|
|
Iмакс
|
о.е.
|
1,19
|
1,44
|
1,3
|
1,35
|
|
wуст
|
1/с
|
64
|
54
|
54
|
55,5
|
|
Муст
|
Н.м
|
82
|
79,3
|
79,4
|
79
|
|
Iуст1
|
А
|
24,4
|
17,7
|
19
|
19,1
|
|
ηср.вз
|
%
|
59
|
50
|
44
|
49
|
|
Cosφср.вз
|
-
|
0,08
|
0,19
|
0,17
|
0,18
|
9.5 Расчет нагрузочных диаграмм для
всего цикла работы
Нагрузочные диаграммы построены на рисунках 9.5
- 9.8 в программе Mathcad.
Интегральные показатели работы электропривода
сведены в таблицу 9.2.
Рисунок 9.5 - Переходные процессы при движении с
грузом
Для наглядности построим нагрузочные диаграммы с
меньшим временем работы в установившемся режиме.
Рисунок 9.6 - Переходные процессы при движении с
грузом (снижено время работы в установившемся режиме)
Рисунок 9.7 - Переходные процессы при движении
без груза
Рисунок 9.8 - Переходные процессы при движении
без груза (снижено время работы в установившемся режиме)
Таблица
9.2
Показатели переходных и установившихся режимов
|
Участок
движения
|
Движение
с грузом
|
Движение
без груза
|
|
Пуск
|
Уст.
режим
|
Торможение
|
Пуск
|
Уст.
режим
|
Торможение
|
|
А,
кВт.с
|
3,8
|
81,45
|
0,68
|
6,6
|
74,32
|
4,8
|
|
Р,
кВт.с
|
8,6
|
124,7
|
1,19
|
12,3
|
98,83
|
5,6
|
|
Q,
кВар.с
|
50,9
|
596,3
|
21,3
|
52,2
|
331
|
39,74
|
|
L,
Рад
|
38
|
1017
|
10,9
|
65,8
|
1014
|
45,1
|
|
Iкв1.t,А2с
|
783,6
|
7491
|
439,4
|
902,1
|
4597
|
1176
|
|
Iкв2.t,А2с
|
599,7
|
5155
|
323,21
|
706,6
|
3146
|
999
|
|
tпп,с
|
1,2
|
---
|
0,7
|
1,2
|
---
|
0,8
|
|
Mмакс, Нм
|
1,45
|
---
|
0,64
|
1,52
|
---
|
0,78
|
|
Iмакс, А
|
1,3
|
---
|
0,33
|
1,51
|
---
|
0,26
|
|
wуст,
1/с
|
54
|
54
|
0
|
89
|
89
|
0
|
|
Муст,
Н.м
|
79,4
|
79,4
|
55
|
71,3
|
71,3
|
49,5
|
|
Iуст1,А
|
19
|
19
|
15,7
|
17,7
|
17,7
|
14,2
|
|
nср.вз,%
|
44
|
65
|
35
|
54
|
75
|
86
|
|
Cosφср.вз
|
0,17
|
0,21
|
0,09
|
0,23
|
0,29
|
0,14
|
9.6 Расчет энергетических
показателей электропривода
Энергетические показатели электропривода
характеризуют экономичность преобразования энергии системой электропривода
(коэффициент полезного действия) и экономичность потребления энергии от сети
(коэффициент мощности).
Для расчета энергетических показателей в проекте
использованы результаты расчета переходных процессов на ЭВМ, вычисляются
значения механической А, активной Р и реактивной Q энергий.
Энергия за время цикла складывается из суммы
энергий за время переходных процессов (2 пуска и 2 торможения) и за время
работы в установившихся режимах.
Механическая энергия за цикл
(9.1)
Активная энергия из сети за цикл
(9.2)
Реактивная энергия за цикл (9.3)
Цикловые значения КПД и cosj определяются по формулам:
(9.4)
, (9.5)
Результаты расчетов занесены в
таблицу 9.3.
Таблица
9.3
Показатели переходных и установившихся режимов
|
Показатели
|
Единица
измерения
|
С
грузом
|
Без
груза
|
Сумма
|
|
А
|
кВт.с
|
85,93
|
85,72
|
171,65
|
|
Р
|
кВт.с
|
135,21
|
116,73
|
251,94
|
|
Q
|
кВар.с
|
668,5
|
422,94
|
1091,44
|
|
L
|
Рад
|
1065,9
|
1124,9
|
2190,8
|
|
Iкв1.t
|
А²с
|
8714
|
6675,1
|
15389,1
|
|
Iкв2.t
|
А²с
|
6077,9
|
4851,6
|
10929,5
|
|
tпр
|
с
|
21,5
|
14,73
|
36,23
|
|
nср.вз
|
%
|
63
|
73
|
68
|
|
Cosφср.вз
|
-
|
0,2
|
0,27
|
0,23
|
10. ПРОВЕРКА ЭЛЕКТРОПРИВОДА НА
ЗАДАННУЮ ПРОИЗВОДИТЕЛЬНОСТЬ, ПО НАГРЕВУ И ПЕРЕГРУЗОЧНОЙ СПОСОБНОСТИ ДВИГАТЕЛЯ И
ПРЕОБРАЗОВАТЕЛЯ
Проверка на заданную производительность состоит
в сравнении рассчитанного времени работы электропривода с заданным временем.
Проверку выбранного двигателя по нагреву
выполняем методом эквивалентного тока
|
Показатели
|
Единица
измерения
|
С
грузом
|
Без
груза
|
Сумма
|
|
А
|
кВт.с
|
85,93
|
85,72
|
171,65
|
|
Р
|
кВт.с
|
135,21
|
116,73
|
251,94
|
|
Q
|
кВар.с
|
668,5
|
422,94
|
1091,44
|
|
L
|
Рад
|
1065,9
|
1124,9
|
2190,8
|
|
Iкв1.t
|
А²с
|
8714
|
6675,1
|
15389,1
|
|
Iкв2.t
|
А²с
|
6077,9
|
4851,6
|
10929,5
|
|
tпр
|
с
|
21,5
|
14,73
|
36,23
|
|
nср.вз
|
%
|
63
|
73
|
68
|
|
Cosφср.вз
|
-
|
0,2
|
0,27
|
0,23
|
(10.1)
где Ii -
среднеквадратичное значение тока на i-ом участке;
Dti - длительность i-го
участка работы;
bi - коэффициент ухудшения теплоотдачи
двигателя ;доп - допустимый по нагреву ток.
Ухудшение условий охлаждения двигателя
в переходных режимах учитывают коэффициентом ухудшения теплоотдачи, который в
зависимости от скорости принимает значения:
при
;
при
;
при
,
где
=0,5 для двигателей закрытых с
самовентеляцией.
Тогда эквивалентный ток по (10.1):
А
При проверке двигателя по нагреву
эквивалентный ток Iэ сравниваем с допустимым током Iдоп при
тех же условиях работы (при той же относительной продолжительности включения).
Рассчитаем относительную
продолжительность включения:
(10.2)
В соответствии с формулой (10.2):
Допустимый ток рассчитываем через
представленное в каталоге значение допускаемого тока Iкат для
каталожной ПВк, ближайшей к фактической ПВф, полученной
по результатам расчета нагрузочных диаграм
(10.3)
А
Приведенным уравнением можно
пользоваться для двигателей краново-металлургической серии.
При проверке двигателя по нагреву
превышение эквивалентного тока над допустимым является неприемлемым.
Выбранный двигатель проходит по
условиям нагрева.
Проверка двигателя на
кратковременную перегрузку заключается в сравнении наибольшего значения момента
двигателя с максимально допустимым значением момента выбранного двигателя:
Нм;
Нм.
Таким образом, выбранный двигатель проходит по
условиям нагрева Iэ<Iдоп
(23,4<25,9А), производительности tрасч<tз
(36,23<60
с) и по перегрузочной способности М<Мк (162,5<395
Н×м).
Проверка на перегрузку преобразователя
;
А
Из таблицы 9.2:
А;
Преобразователь проходит по
перегрузке (43,8 А< 45 А).
ЗАКЛЮЧЕНИЕ
В результате выполнения курсового
проекта, исходя из данных технического задания, были рассчитаны моменты
статического сопротивления.
По предварительно рассчитанной
мощности был выбран короткозамкнутый асинхронный двигатель переменно тока MTKF(H) 160L6 и редуктор
РЦД-350, данные которых занесены в таблицы 2.1 и 2.2 соответственно.
Моменты статического и динамического
сопротивления были приведены к валу двигателя.
Далее была проведена предварительная
проверка двигателя по нагреву и производительности, в результате которой
выяснилось, что двигатель проходит по производительности (34,33 сек.<60
сек.) и по нагреву (78,7 Нм<105,1 Нм).
Был выбран преобразователь частоты
АТО5 - 015.
На основе номинальных данных
электродвигателя были рассчитаны статические характеристики (естественные и
проходящие через заданные точки). При этом внутреннее сопротивление
преобразователя было принято равным нулю. Характеристики построены в программе Mathcad на основе
расчетных соотношений по Т-образной схеме замещения и учетом кривой
намагничивания (универсальная кривая для двигателей серии МТН и МТF).
Далее была рассчитана постоянная
времени задатчика интенсивности (Тзи=0,65 сек.), которая необходима при
построении нагрузочных диаграмм.
Была составлена структурная схема
электропривода, состоящая из элементов:
- преобразователя (без учета инерционности);
- асинхронного двигателя на рабочем
участке механической характеристики;
механической части электропривода;
Были построены нагрузочные диаграммы и
рассчитаны интегральные показатели электропривода в программе Mathcad
на основе алгебраических и дифференциальных уравнений, которые приведены в [2].
Была произведена окончательная проверка
двигателя по нагреву (23,4<25,9А), производительности (36,23<60 с.) и
перегрузочной способности
(162,5<395 Н×м),
а преобразователя только по перегрузочной способности
(43,8 А< 45 А). Спроектированный
электропривод грузового лифта удовлетворяет всем условиям, сформулированным в
данном курсовом проекте.
СПИСОК ИСПОЛЬЗОВАННОЙ ЛИТЕРАТУРЫ
1. Ключев
В.И. Теория электропривода: Учебник для вузов. - М.: Энергоатомиздат, 1985. -
560 с.
2. Драчев
Г.И. Теория электропривода: Учебное пособие к курсовому проектированию. -
Челябинск: Изд. ЮУрГУ, 1998. - 160 с.
. Яуре
А.Г., Певзнер Е.М. Крановый электропривод: справочник. - М.: Энергоатомиздат,
1988. - 344 с.
. Анфимов
М.И. Редукторы: конструкция и расчёт: Альбом.- М.: Машиностроение, 1993. - 432
с.
ПРИЛОЖЕНИЕ 1
Схема силовых цепей преобразователя
АТО5-022
