Разработка электропривода системы дозирования связующего материала

  • Вид работы:
    Курсовая работа (т)
  • Предмет:
    Физика
  • Язык:
    Русский
    ,
    Формат файла:
    MS Word
    2,05 Мб
  • Опубликовано:
    2013-12-01
Вы можете узнать стоимость помощи в написании студенческой работы.
Помощь в написании работы, которую точно примут!

Разработка электропривода системы дозирования связующего материала

МИНОБРНАУКИ РОССИИ

Федеральное государственное бюджетное образовательное учреждение высшего профессионального образования

"Санкт-Петербургский государственный электротехнический университет "ЛЭТИ” им.В.И. Ульянова (Ленина)"

(СПбГЭТУ)

Кафедра РАПС

Курсовая работа

Тема: Разработка электропривода системы дозирования связующего материала

 

 

Студент Сульдин И.Я.

Руководитель Прокофьев Г.И.





Санкт-Петербург

г.

Оглавление

Введение

1. Анализ системы дозирования связующего материала и разработка электропривода для этой системы

1.1 Структура и принцип функционирования системы дозирования

1.2 Перистальтический насос

1.3 Электропривод

1.3.1 Шаговый двигатель

1.3.2 Пьезоэлектрический двигатель

1.3.3 Расчет параметров электропривода, на основании предположительных данных

1.3.4 Допустимая модель шагового электрического привода

1.3.5 Допустимая модель пьезоэлектрического двигателя

1.3.6 Вывод по электроприводу

1.4 Система управления электроприводом

1.5 Вывод по анализу системы дозирования СМ

2. Экспериментальные исследования

2.1 Описание проблемы и задачи экспериментальных исследований

2.2 Конструкция экспериментальной установки

2.3 Сценарий эксперимента

2.4 Обработка результатов эксперимента

Заключение

Список используемой литературы

 

Введение


Система дозирования СМ - это подсистема рабочего органа (РО), задачей которого является равномерное нанесение заданного количества связующего материала на ленту, составленную из армирующего материала (на единицу массы, длины). Работа направлена на исследование системы дозирования СМ, а также анализ выбора электрического привода (ЭП) для исследуемой системы дозирования СМ. Чтобы поставить технические задачи перед электрическим приводом, необходимо поставить технологическую задачу перед всей системой дозирования СМ, а также определить требования к остальным подсистемам, так как все они взаимосвязаны между собой. Поэтому в работе будет проделан краткий анализ остальных подсистемы системы дозирования СМ.

На рисунке 1 изображен рабочий орган и рука робота, которая осуществляет перемещение в пространстве РО с целью формообразования конструкции посредством укладки лент на формообразующую поверхность и друг на друга.

Рисунок 1. Робот-рука с рабочим органом.

Как уже отмечалось, задачей РО является формирование в зоне пропитки армирующего материала (АМ) (армирующего волокна, пропитанного связующим) и выкладку его на формообразующую поверхность в виде ленты. Изменение положения и ориентации РО в пространстве будет осуществляться рукой робота (рис.1), а система дозирования необходима для подачи СМ в зону пропитки армирующего волокна таким образом, чтобы выкладываемая из АМ лента содержала заданное массовое соотношение связующего и армирующего материала в заданном месте выкладки. Блок управления электроприводом, с помощью электропривода, будет регулировать подачу СМ за счет регулирования скорости вращения ротора электропривода, а значит и дозатора, вращающаяся часть которого соединена с валом ЭП, в качестве которого выступает перистальтический насос [1].

Таким образом в процессе анализа системы дозирования СМ необходимо:.          Рассмотреть общий принцип функционирования системы дозирования.

II.      Сформулировать технологическую задачу системы дозирования. Опираясь на технологическую задачу, выявить и описать технические задачи каждой подсистемы системы дозирования СМ..   Рассмотреть подробно подсистему электрического привода, который является объектом исследования данной работы. Четко поставить его технические задачи и способы решения этих задач. Рассмотреть подходящие варианты электрических приводов, опираясь на поставленные задачи перед электроприводом для системы дозирования, рассмотреть особенности, достоинства и недостатки рассмотренных вариантов, сделать вывод о целесообразности использования того или иного рассмотренного электропривода.

VI.     Сделать выводы по проделанной работе, описать трудности и неточности, проявившиеся в ходе исследований и способы их решения, объяснить, с чем они связаны.

Таким образом, можно сказать, что система дозирования имеет свою специфическую структуру, которую необходимо предварительно исследовать и как одно целое, и как набор подсистем, прежде чем рассмотреть только одну ее подсистему - электрический привод, который является объектом исследований этой работы.

электропривод дозирование связующий материал

1. Анализ системы дозирования связующего материала и разработка электропривода для этой системы


1.1 Структура и принцип функционирования системы дозирования


Система дозирования - это одна из основных составляющих разрабатываемого рабочего органа (РО), которая осуществляет и контролирует подачу связующего материала (СМ) в зону пропитки.

Разрабатываемую систему дозирования можно рассмотреть, как набор взаимосвязанных между собой подсистем. В общем случае можно представить 3 такие подсистемы:

)        Дозатор СМ;

2)      Электрический привод;

3)      Блок управления электроприводом;

4)      Накопитель СМ.

Примечание: на основании теоретических исследований по достоинствам и недостаткам дозаторов, проведенных Радюш М.С. в НИР: "Исследование существующих способов дозирования и поиск средств реализации дозирования связующего материала" [1], можно предположить, что наилучшим устройством дозированной подачи СМ из накопителя СМ в зону пропитки является перистальтический насос (ПН), поэтому далее он используется в анализе системы дозирования СМ.

Рассмотрим технологический процесс системы дозирования на основе взаимодействия этих подсистем:

Рисунок 2. Система дозирования с накопителем СМ.

На рис.2 изображена условная конструкция системы дозирования с накопителем СМ, где 1-перистальтический насос, 2,3-корпус в котором находятся электропривод и блок управления электроприводом, 4-накопитель СМ, 5-поршни накопителей СМ.

Общий процесс функционирования системы дозирования СМ можно описать следующим образом: из цилиндров, являющихся накопителями СМ, с помощью нагнетания, предположим, воздуха на поршни [1], связующий материал подается в трубку перистальтического насоса, чтобы уменьшить нагрузку на электрический привод, уменьшив или же вовсе его избавив от развития необходимого момента. Далее блок управления электроприводом, согласно заранее разработанной и поступающей извне программы в него, подает соответствующие сигналы электроприводу, ротор электрического двигателя начинает вращаться с заданной скоростью, и, в свою очередь, приводит во вращение с той же скоростью вращающуюся часть перистальтического насоса, которая прикреплена к валу ЭП. Прижимные ролики ПН, пережимая его трубку и вращаясь, осуществляют перенос СМ по трубке перистальтического насоса. Так начинает осуществляться подача СМ по трубке перистальтического насоса в зону пропитки. Регулируя с помощью блока управления электроприводом скорость вращения ЭП, регулируется подача СМ в зону пропитки. Так осуществляется дозирование СМ.

Таким образом, рассматривая систему дозирования СМ с точки зрения технологического процесса, необходимо решить четыре основные задачи:

.        Доставить СМ из места хранения в зону пропитки к армирующему волокну, из которых и будет формироваться выкладываемая рабочим органом (РО) армирующая лента.

2.       Осуществить точную и программную подачу СМ в зону пропитки, чтобы выкладываемая лента была однообразной, без формообразующих изъянов, и программируемой консистенции.

.        Обеспечить минимальную массу системы дозирования СМ, из-за ограниченной грузоподъемности руки робота (12кг) [4], и минимальные габаритны, т.к. конструкция РО подразумевает ограниченные размеры [5].

.        Система дозирования должна подстраиваться под скорость выкладки армирующего материала, т.е. должна быть регулируемой в процессе функционирования.

Чтобы решить задачи, поставленные перед всей системой пропитки СМ, необходимо определить и решить технические задачи перед каждой ее подсистемой в отдельности. Поэтому далее будет проведен краткий анализ всех элементов системы дозирования СМ и определены их основные задачи. В особенности это касается электрического привода, который является основным исследуемым объектом этой работы.

1.2 Перистальтический насос


Перистальтический насос - дозатор, в котором в качестве дозирующего элемента используются эластичные трубки.

Рисунок 3. Конструкция перистальтического насоса.

Ролики подпружинены, и их давление на трубку регулируется. Когда второй валик подходит к концу паза, первый ролик прижимает трубку и отсекает дозу. Подача (расход) жидкости зависит от внутреннего диаметра трубки, от числа оборотов и от давления роликов. На дозаторе нет клапанов и кранов. Жидкость соприкасается только с материалом трубки. Для правильной эксплуатации большое значение имеет выбор зазора между роликами и корпусом, который должен равняться двукратной толщине стенки эластичного шланга. Если зазор больше, то падает производительность насоса, если зазор мал, то быстро изнашивается шланг [2]. Зазор в нашем случае регулируется перемещением роликов на вращающейся части перистальтического насоса.

Основным недостатком перистальтических насосов является низкий ресурс работы эластичного шланга, который подвергается многократным циклическим деформациям со стороны выжимных элементов при работе насоса. Ресурс работы шланга определяется стойкостью его материала к воздействию выжимных элементов и перекачиваемой среды, а также условиями его нагрузки, которые зависят от конструкции насоса. На рынке существует огромное многообразие шлангов, для выбора устраивающего нас шланга необходимо определить наиболее важные характеристики (гибкость, прочность, рабочее давление, температура и даже прозрачность).

Поэтому для компенсации этого недостатка в конструкции перистальтического насоса должна быть возможность простой замены эластичного шланга.

При этом перистальтический насос имеет ряд преимуществ перед другими типами насосов:

·        Простота конструкции и обслуживания;

·        Герметичность;

·        Отсутствие клапанов, отсутствие контакта перекачиваемого вещества с движущимися частями насоса;

·        Стабильная работа с высоковязкими средами;

·        Возможность реверсивной работы, в том числе с целью самоочистки [3].

Под точностью перистальтического насоса понимается подача заданного объема связующего материала в зону пропитки на каждом интервале времени (по длине ленты). Точность ПН определяется количеством роликов, толщиной трубки. Чем больше роликов и тоньше трубка, тем точнее подача СМ, т.к. объем подаваемого материала определяется объемом материала в трубке насоса между роликами, таким образом, чем меньше этот объем, тем точнее подача, а этот объем тем меньше чем больше роликов и тоньше трубка, однако уменьшается объем подаваемого связующего материала (рис.3) [3].

Под равномерностью понимают подачу заданного объема СМ в каждый момент времени из трубки перистальтического насоса. Чем больше роликов, тем менее равномерный поток СМ (рис.3) [3].

Рисунок 3. Графики зависимости коэффициента неравномерности (правый) и подачи насоса от количества роликов.

Где, δн - коэффициент неравномерности, Q-подача (объем подаваемой СМ в единицу времени), nрол-количество роликов.

Таким образом, чтобы выполнить задачи, поставленные перед системой дозирования СМ, необходимо сформулировать и рассмотреть возможные варианты решения задач перед перистальтическим насосом и выбрать из них оптимальный вариант. А задачи, стоящие перед дозатором СМ следующие:

·        В объемах, определяемых следящей системой, заложенной в блоке управления, и регулируемых с помощью электропривода, подавать СМ в зону пропитки.

·        Добиться высокого ресурса всех элементов перистальтического насоса, в особенности его слабого места - эластичного шланга. Найти или разработать конструкцию с простой заменой его элементов по мере износа.

·        Добиться габаритов перистальтического насоса, подходящих для отведенного ему пространства в РО.

·        Разработать надежную конструкцию перистальтического насоса, предусматривающую контроль изоляции трубок перистальтического насоса, т.к. утечка СМ может привести и поломке всего РО.

Первую задачу, опираясь на выше рассмотренные понятия точности и равномерности, можно решить подбором определенного количества роликов, но отсюда следует необходимость проведения эксперимента, из результатов которого можно будет сделать какие-то выводы по оптимальности числа роликов.

Другой вариант: использование конструкции перистальтического насоса, направленной на решение это проблемы. Пример такой конструкции: головка перистальтического насоса DMD15-13-B компании LongerPump на рис. 4 [6].

Рис. 4. Головка перистальтического насоса.

Рисунок 5. График подачи материала (левый) при использовании двухканальной конструкции головки перистальтического насоса (правый).

Из рис.5 [6] видно, что использование такой конструкции головки перистальтического насоса дает повышение равномерности потока перекачиваемого материала. Однако такая конструкция требует изучения, прежде чем можно будет уверенно говорить о возможности ее применения в исследуемой системе дозирования СМ.

Что касается высокого ресурса эластичного шланга, как уже говорилось ранее, на рынке существует огромное многообразие шлангов, поэтому для выбора шланга, подходящего для исследуемой системы дозирования СМ, необходимо определить наиболее важные характеристики (гибкость, прочность, рабочее давление, температура и даже прозрачность).

Габариты определяются допустимым пространством в РО, которое в свою очередь будет определяться разработчиками, отвечающими за компоновку всех подсистем РО. По предварительным данным, основное ограничение - диаметр перистальтического насоса - до 10 см [5].

Один из вариантов предотвращения утечки СМ является датчик числа оборотов. Он необходим для точного контроля плановой замены шлангового элемента. Плановая замена шланга насоса избавит от неожиданного разрыва при превышении рабочего ресурса шланга.

1.3 Электропривод


Электропривод (ЭП) в системе дозирования СМ будет приводить в движение вращающуюся часть перистальтического насоса. Для выбора необходимого электропривода требуются такие значения параметров электропривода, как: пусковой момент, скорость вращения и т.д. Достаточно сложно дать хотя бы приблизительные значения этих параметров, поэтому очевидно, что для получения значений параметров ЭП потребуется проведение эксперимента. Кроме того, как уже говорилось ранее, система дозирования СМ имеет массогабаритные ограничения, которые распространяются и на электропривод. С помощью электропривода можно регулировать объем подаваемого перистальтическим насосом связующего материала за счет изменения скорости вращения ротора электропривода и насоса. Из рисунка 6 видно, что с ростом скорости вращения ротора растет объем потока СМ из перистальтического насоса [3].

Рисунок 6. График зависимости подачи насоса от скорости вращения ротора.

На рисунке 6, Qф - подача насоса (объем подаваемой жидкости за минуту), nвр - число оборотов ротора в минуту.

Поэтому стоит выделить основные требования к электроприводу, основанные на задачах всей системы дозирования:

·        Электропривод должен обладать достаточным пусковым моментом, чтобы он мог привести во вращение перистальтический насос и развить определенную скорость вращения, определяемую блоком управления электроприводом на основании скорости выкладки армирующего материала РО.

·        Электропривод должен развивать требуемую скорость вращения, а также тормозить, за такой интервал времени, чтобы это не повлияло на требуемый объем выдаваемого перистальтическим насосом в зону пропитки потока связующего материала, а также не повлияло на равномерность этого потока. В случае торможения нельзя допустить подачу лишнего объема СМ.

·        Крутящий момент электропривода при заданной скорости вращения должен быть выше момента нагрузки с запасом, для того чтобы предусмотреть нагрузки, неучтенные при расчетах требуемых параметров электропривода. Этот запас будет исходить из точности полученных результатов эксперимента, который необходимо провести для получения предварительных значений параметров электропривода.

·        Обладать минимально возможной массой, т.к., как было оговорено ранее, грузоподъемность руки робота, который будет осуществлять перемещения рабочего органа, ограничены, в то время как рабочий орган будет состоять из весьма обширного набора массивных механизмов. Поэтому этот показатель является одним из определяющих.

·        Габариты должны быть соразмерными с самими размерами перистальтического насоса.

·        Должен иметь возможность увеличения или уменьшения скорости вращения в процессе работы, чтобы была возможность регулировать подаваемый поток СМ (см. рис 6) на основании возможного изменения скорости выкладки армирующего материала РО [5].

·        Иметь высокий ресурс и высокую надежность при различных режимах работы.

После рассмотрения различных типов электроприводов [2, 6, 8, 9, 17], было сделано заключение, что, из всех распространенных на сегодняшний день электрических приводов, всем выше перечисленным требованиям могут удовлетворять два вида электрических приводов: шаговый и пьезоэлектрический. Чтобы сделать обоснованный выбор из этих двух вариантов, необходимо рассмотреть особенности каждого из этих электроприводов, проанализировать какие вышеуказанные требования выполняются каждым из приводов более эффективно, какие менее эффективно, сделать определенные выводы по целесообразности использования того или иного электропривода. Следует подобрать варианты подходящих моделей каждого из вышеуказанных электрических приводов. Окончательный выбор можно будет сделать после получения обоснованных значений требуемых параметров электропривода системы дозирования СМ, т.е. после проведения экспериментальных исследований. На данный момент мы можем воспользоваться приблизительными значениями параметров, чтобы подобрать примерные варианты моделей каждого из двух ЭП.

1.3.1 Шаговый двигатель

Шаговый электродвигатель - это синхронный бесщёточный электродвигатель с несколькими обмотками, в котором ток, подаваемый в одну из обмоток статора, вызывает фиксацию ротора. Последовательная активация обмоток двигателя вызывает дискретные угловые перемещения (шаги) ротора.

Особенности шагового двигателя:

.        Маленький угол шага. Двигатель проворачивается за каждый импульс управления на определенный фиксированный угол. Чем меньше шаг, тем выше точность позиционирования привода. Одной из особенностей ШД является то, что они могут обеспечивать маленький шаг (обычно 1.8 и 0.9 град.).

2.       Высокая точность частоты вращения. Это важнейший параметр, определяющий качество ШД. Двигатели конструируют так, чтобы в ответ на входной импульс они поворачивались на определенный угол и останавливались в определенном положении. А также ШД имеет очень высокую точность позиционирования (ошибка составляет обычно 5% от величины шага).

.        Высокое отношение электромагнитного момента к моменту инерции дает быстрое начало движения и быструю остановку, что является одним из требований, предъявляемых к электрическому приводу (ЭП).

.        Частота вращения задается числом шагов в секунду, которая в свою очередь определяется числом импульсов, подаваемых на ШД, что дает возможность точного регулирования скорости в любой момент работы двигателя.

.        Шаговые электродвигатели применяются в приводах машин и механизмов, работающих в старт-стопном режиме, или в приводах непрерывного движения, где управляющее воздействие задаётся последовательностью электрических импульсов.

В нашем случае наилучшим вариантом ШД является гибридный шаговый двигатель, т.к. он дополнительно выполняет некоторые из требований к ЭП, которых не выполняет обычный ШД, а именно, он совместил в себе преимущества активного шагового двигателя (повышает развиваемый двигателем момент) и реактивного шагового двигателя (малая величина шага, т. е более высокая точность скорости вращения и др.).

Главный недостаток: не может резко стартовать (требуется плавный разгон) и имеет относительно большую массу. Однако, если говорить о массе, то она не так велика и, возможно, допустима. Для этого необходимо уточнить массу остальных подсистем.

1.3.2 Пьезоэлектрический двигатель

Пьезоэлектрический двигатель - двигатель, в котором рабочим элементом является пьезоэлектрическая керамика, благодаря которой он способен преобразовать электрическую энергию в механическую с большим КПД, превышающим у отдельных видов 90 %. Это позволяет получать приборы, в которых электрические колебания прямо преобразуются во вращательное движение ротора, при этом усилие, развиваемое на валу такого двигателя столь велико, что исключает необходимость применения какого-либо механического редуктора для повышения крутящего момента.

Особенности пьезоэлектрического двигателя:

.        ПЭД имеют значительно меньшие габариты и массу по сравнению с аналогичными по силовым характеристикам электромагнитными двигателями.

2.       ПЭД обладают значительным моментом самоторможения (до 50% величины максимального крутящего момента) при отсутствии питающего напряжения за счет своих конструктивных особенностей. Это позволяет обеспечивать очень малые дискретные угловые перемещения (от единиц угловых секунд) без применения каких-либо специальных мер.

.        Высокая удельная мощность (123 Вт/кг у ПМД и 19 Вт/кг у обычных электромагнитных микродвигателей)

.        Широкий диапазон частот вращения и моментов на валу.

Однако использование пьезоэлектрических двигателей в исполнительных механизмах связано с рядом сложностей:

.        Использование в основном при относительно низких моментах, что существенно усложняет поиск аналога, удовлетворяющего определенным требованиям по моментам и скорости вращения.

2.       Существенная зависимость резонансной частоты преобразователя от напряжения питания электродов, момента нагрузки и момента инерции на валу двигателя затрудняет обеспечение оптимального преобразования энергии.

.        Регулировочные характеристики двигателя нелинейные, параболические; имеется довольно широкая зона нечувствительности.

.        Механические характеристики довольно мягкие и имеют вид гипербол.

.        Серийный выпуск и применение пьезоэлектрических двигателей сдерживается сложностью изготовления хороших пьезокерамических и износостойких материалов. С этим связано в настоящее время ограничение мощности пьезоэлектрических двигателей уровнем порядка 10Вт.

.        Быстрый износ деталей, контактирующих в процессе передачи движения, ограничивает срок службы двигателей (в среднем 400-1000 ч).

Как видно из описания каждого ЭП, они имеют все необходимые параметры для выполнения задач, поставленных перед электроприводом.

Далее, на основании предположительных расчетов, рассмотрим несколько вариантов моделей рассмотренных выше электрических приводов, чтобы сделать предварительный вывод о целесообразности выбора того или иного электрического привода.

1.3.3 Расчет параметров электропривода, на основании предположительных данных

Исходные данные:

?max ленты = 0.5 м/с - максимальная скорость выкладки армирующего материала;

hленты = 0.0007 м - толщина ленты;

wленты = 0.015 м - ширина ленты;

Объем армирующего материала выложенного за секунду:

Vленты =?max ленты ∙ hленты ∙ wленты= 0.00000525 м3

mленты = Vленты ∙ ρленты,

где ρленты-плотность ленты, Vленты - объем армирующего материала выложенного за секунду;

mленты = (0,00000525 м3/с) ∙ (2500 кг/м3) = 0,013125 кг/с;

Армирующий и пропитывающий материал соотносятся 1: 1 (mленты = mсмолы)

Vсмолы = mленты / ρсмолы = (0,013125 кг/с) / (1100 кг/м3) = 0,000012 м3/с;

rтрубки = 0,002 м-внутренний радиус трубки по которой течет смола;

Sтрубки = π ∙ rтрубки2 = 0,00001256 м2-поперечное сечение трубки;

?выдавливания = Vсмолы /Sтрубки = 0,953 м/с - скорость с которой необходимо выдавливать смолу;

Пусть радиус перистальтического насоса rнасоса = 0,05 м;

C = 2π ∙ rнасоса = 0,302 м - длина окружности насоса;

fнасоса = ?выдавливания/C = 3.05 Гц - частота насоса;

ωнасоса = 2π ∙ fнасоса = 19.19 рад/с (1100 град/с; ≈3.1 об/с) - необходимая угловая скорость насоса;

Пусть F = 10 Н - сила действия трубки на ролик насоса (величина взята приблизительно);

Пусть k = 4 - количество роликов перистальтического насоса;

ΣF = k ∙ ΣF = 40 Н;

Mдвигателя= ΣF ∙ rнасоса = 1Н∙м (10, 1971кгс∙см) - необходимый момент;

Таким образом, приблизительно необходим электрический привод, который имеет минимальный момент: 1 Н∙м и скорость вращения до 3.1 об/с.

1.3.4 Допустимая модель шагового электрического привода

Из произведенных расчетов электродвигателя, наиболее подходящим является FL60STH86-2008 [7].

Таблица 1. Основные параметры FL60STH86-2008.


Таблица 2. Параметры FL60STH86-2008.


Рисунок 7. График зависимости крутящего момента FL60STH86-2008. от частоты вращения.

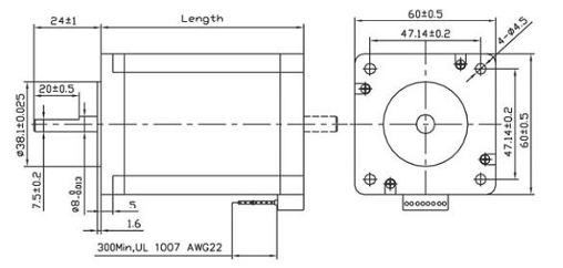
Рисунок 8. Габаритные размеры FL60STH86-2008.

Согласно рекомендациям для ШД, номинальный крутящий момент должен быть примерно равен двум требуемым максимальным моментам, чтобы иметь требуемый пусковой момент и обеспечить необходимую функциональность по всем параметрам и характеристикам в процессе работы ЭП. Данный двигатель удовлетворяет данному условию (см. табл.1,2 и рис.7).

По габаритам, о которых было сказано ранее, данный аналог также удовлетворяет требованиям к электроприводу системы дозирования СМ (см. рис.8). Однако масса привода (табл.1) будет составлять 10% от всей массы РО, что нежелательно.

Использование ШД в перистальтических насосах не редкость. Например, насос перистальтический LOIPLS-301 [8]. Он используется для перекачки и дозирования вязких и агрессивных жидкостей, жидкостей высокой плотности, что схоже с задачей нашей системы дозирования СМ.

Также, в случае уменьшения значений требуемых параметров, что возможно после получения результатов экспериментальных исследований, есть другие подходящие аналоги ШД, которые значительно меньше по массогабаритным показателям. Например, шаговые двигатели серии FL57ST и FL57STH, параметры которых изложены в таблице 3 [10].

Таблица 3. Параметры шаговых двигателей серии FL57ST.


Из таблицы 3 следует, что при меньших крутящих моментах есть возможность использовать более легкие ШД, что является одним из главных требований к электроприводу системы дозирования СМ.

1.3.5 Допустимая модель пьезоэлектрического двигателя

После изучения российского и зарубежного рынка пьезоэлектрических двигателей (ПЭД), был найден только один приблизительно подходящий ПЭД корейской компании RebeckEnterprise, модель RUSM-60 [9].

Рис. 9. Пьезоэлектрический двигатель RUSM-60

Таблица 4. Параметры RUSM-60 [9].

Параметр

Значение

Номинальная мощность

5 Вт

Диапазон скорости вращения

1-150 об/мин

Диапазон развиваемых моментов

0-1.2 Н∙м

Тормозной момент

>2 Н∙м

Время разгона

<8 мс

Время торможения

<6 мс

Направление вращения

По часовой/против часовой

Ресурс

3000 ч

Диапазон температур при работе

-10 oC - +60 oC

Диапазон температур при хранении

-20 oC - +60 oC

Допустимая влажность

<90%

Вес

250 г


Рисунок 10. Габаритные размеры RUSM-60.

Из таблицы 4 следует, что по значению момента данная модель ПЭД подходит под рассчитанные выше параметры. Хотя скорость вращения и недостаточна, стоит сказать, что рассчитанная скорость маловероятна, т.к. очень высока для перистальтического насоса. Поэтому окончательно судить об использовании данной модели ПЭД можно будет после анализа результатов эксперимента, необходимость которого в очередной раз подтверждается. Исходя из таблицы 4 можно сказать, что у данной модели масса значительно меньше аналога рассмотренного ранее шагового двигателя, что является неоспоримым преимуществом. Согласно таблице 4, ресурс данной модели ПЭД также велик (3000ч). Габаритные размеры малы и подходят по предварительному анализу отведенного пространства для системы дозирования СМ [5]. Время старта и торможения мало, что является также преимуществом перед ШД.

Его основные достоинства, описанные производителем, следующие [9]:

. Выдача большого крутящего момента и при низкой и при высокой скорости;

. Быстрая реакция, хорошая управляемость, высокая точность управления;

. Небольшой размер, простота конструкции, большой крутящий момент;

. Большой самоблокирующийся крутящий момент, что даёт фактически моментальную остановку;

. Отличная электромагнитная совместимость, и не чувствительность к магнитному полю, отсутствие магнитного поля интерференции;

. Низкий уровень шума;

. Низкое напряжение питания, может быть использован для портативных устройств.

1.3.6 Вывод по электроприводу

Произведен предварительный анализ подходящих типов электроприводов. Если на первый взгляд сравнить ШД и ПЭД, то преимущества пьезоэлектрического двигателя очевидны. Больший пусковой момент, малое время установления необходимой частоты вращения, очень малые габариты и пр. Но если посмотреть на поставленные требования, то можно сказать, что гибридный шаговый двигатель удовлетворяет всем предъявляемым требованиям. Не идеально, но существуют пути решения, чтобы исключить большинство недостатков ШД. Также, у ШД есть одно неоспоримое преимущество - диапазон скоростей вращения очень велик (рис. 7). Даже при максимальной необходимой частоте вращения (3.1 об/сек) двигатель будет работать в оптимальном режиме нагрузки и с высокими показателями момента (рис. 7).

По ценовым показателям не удалось сравнить данные типы двигателей, но, по выработанному ресурсу, шаговый двигатель значительно опережает ПЭД. Возможно, не были учтены многие зарубежные образцы пьезоэлектрических двигателей, но, исходя из изученных WEB-ресурсов иностранных компаний, занимающихся данной технологией, ПЭД нашли применение в основном для микро и нано систем, где их показатели неоценимы и где им нет конкуренции. Если грамотно подобрать к ШД драйвер управления (будет рассмотрено далее), то многие его недостатки, такие как пропуск шага или резонанс, не допускаются. Но по такому важному показателю как масса преимущество у ПЭД.

Поэтому, чтобы сделать обоснованный выбор, необходимо проведение экспериментальных исследований, чтобы получить более точные значения параметров двигателя, которые являются явно завышенными и слишком приблизительными, чтобы затем оценить допустимые значения скорости вращения и момента, и только после этого будет возможен обоснованный выбор, основанный на фактических данных.

1.4 Система управления электроприводом


Система управления электроприводом представляет собой программно-аппаратное устройство, которое на основании заложенной в него программы, автоматически регулирует весь процесс функционирования электропривода. В системе управления главной составляющей является драйвер управления электроприводом. Для начала необходимо выбрать драйвер управления ЭП, который будет решать определенные технические задачи, необходимые для выполнения требований, поставленных перед системой дозирования СМ, а в частности, перед электроприводом. После выбора драйвера предстоит выбор блока питания, который имеет свои особенности.

Задачи перед драйвером управления электропривода следующие:

.        Должен осуществлять регулирование скорости вращения электроприводом.

2.       Простой и доступный способ введения программы регулирования дозирования СМ во внутреннюю память контроллера драйвера управления. Возможность удаленного доступа к перепрограммированию драйвера управления с ПК.

.        Должен быть многозадачным, чтобы параллельно выполнять несколько требуемых от него функций, например, регулирование, слежение и пр.

.        Требуется быстродействие от драйвера управления ЭП, чтобы исключить возможность перерегулирования электропривода.

.        Должен повышать качество выполнения поставленных перед электроприводом задач. Например, у ШД некоторые драйвера позволяют дробить шаг, чтобы повысить плавность вращения ротора и добиться высокой точности позиционирования, что повышает качество регулирования скорости вращения электропривода [11].

.        Должен быть минимален по массогабаритным показателям, или же иметь возможность его установки вне РО, что недолжно повлиять на выполняемые ими функциями и качество их исполнения.

Структурная схема системы управления представлена на рис.11:

Рисунок 11. Система управления электроприводом системы дозирования СМ.

Управляющая программа определяет траекторию движения РО на формообразующей поверхности и скорость движения по этой траектории, подавая задающее воздействие F на устройство управления манипулятором. При движении по траектории, управляющей программой также задается скорость вращения ЭП системы дозирования, тем самым регулируется подача СМ. Эта скорость согласована со скоростью движения материала в зону выкладки. Поэтому регулирование скорости ЭП системы дозирования определяется по двум параметрам: скоростью движения ленты в зону укладки и заданным соотношением масс армирующего и связующего материалов.

Рассмотрим теперь средства реализации системы управления ЭП системы дозирования СМ.

После изучения российского и зарубежного рынка как ШД и ПЭД электроприводов, так и блоков управления к ним, сделано заключение о том, что ШД имеют огромный выбор блоков управления к ним, в отличии от ПЭД. Например, для выбранного подходящего аналога ШД имеется минимум 4 предназначенных для такой модели ШД драйвера управления [11].

Например: драйвер шагового двигателя G210X [12] (рис.12 [12]).

Рисунок 12. Внешний вид и габаритные размеры G210X.

Таблица 5. Назначение контактных клемм G210X.


Он имеет следующие особенности:

.        Режимы работы (деления шага): целый шаг, 1/2, 1/5 и 1/10 шага;

2.       Режим управления вращением STEP/DIR;

.        Универсальные двухполярные оптоизолированные входы управляющих сигналов STEP/DIR;

.        Компенсация среднечастотного резонанса;

.        Подавление низкочастотных вибраций;

.        Функция "морфинга" (плавный переход в режим целого шага на высоких частотах вращения для увеличения крутящего момента) и плавного пуска двигателя;

.        Адаптивная рециркуляция тока в обмотках ШД, обеспечивающая минимальный нагрев ШД и драйвера;

.        Снижение тока в обмотках ШД до 71% от установленного, при простое более 1 секунды;

.        Установка режимов работы и тока обмоток DIP-переключателем.

Таблица 5. Параметры G210X.


Как видно из особенностей и параметров данного драйвера, он удовлетворяет всем поставленным задачам перед системой управления ЭП.

Что касается ПЭД, то для представленной модели система управления ЭП можно представить следующим образом (рис.13) [9]:

Рисунок 13. Система управления ПЭД.

Источник питания формирует два управляющих напряжения с той же амплитудой, той же частоты и 90° разностью фаз на А-фазу и B-фазу пьезоэлектрической керамики. Если одно из них обратно, двигатель будет вращаться в противоположном направлении. Существует неэнергетический отдел D на пьезоэлектрической керамике, известный как полюс обратной связи. Напряжение, генерируемое на него, отражает вибрацию на статоре, и подается обратно в генератор частоты в режиме реального времени. Данная корректировка сохраняет стабильной скорость двигателя.

Питание осуществляется от источника питания 12 вольт постоянного тока через вход интерфейса J5 (рис.14 [9]). Подключение к двигателю осуществляется через интерфейс J7, который используется для подачи управляющего напряжения и принятия сигнала обратной связи от полюса обратной связи.

Рисунок 14. Назначение входов блока управления ПЭД.

Когда перемычка J2 на 1-2, это ручной режим управления. Панель управления показана на рис. 15 [9]. Переключатель может контролировать направление вращения двигателя; регулятор может управлять скоростью двигателя.

Рис. 15. Панель ручного управления скоростью вращения ПЭД.

Когда перемычка J2 на 2-3, это режим управления компьютером и J3 используется для управления двигателем. Клемма 1 соединяется с землей, клемма 2 получает напряжение 5В или 0В для осуществления запуска и остановки двигателя, клемма 3 получает напряжение 0 В или 5 В для управления вращением по часовой или против часовой стрелки двигателя, клемма 4 получает напряжение от 1,5 В до 3.5V что контролирует скорость вращения двигателя. Чем выше напряжение, тем выше скорость вращения. Когда напряжение 3,5 В, скорость вращения максимальна. Данное напряжение будет подаваться от СУ манипулятором, как видно из структуры системы управления ЭП (рис.11). Т.к. регулирование скорости осуществляется напряжением, то необходимо использовать соответствующий цифро-аналоговый преобразователь.

Таким образом, можно сказать, что блок управления электроприводом для ШД является распространенным на российском рынке, и существуют такие компании, как НПФ "АТОМ", в Санкт-Петербурге, которые могут предоставить широкий ассортимент интересующей нас продукции. Что касается пьезоэлектрических двигателей, то тут все оказалось сложнее и описание способа управления ПЭД основано только на руководстве по эксплуатации к рассматриваемой модели ПЭД, другой информация не была найдена. Выбор ШД значительно упростит создание такой подсистемы как блок управления электроприводом, потому что для шаговых двигателей существует целый набор предназначенных для них различных драйверов управления и блоков питания, в то время как ассортимент драйверов ПЭД крайне узок, что затруднит ремонтопригодность.

1.5 Вывод по анализу системы дозирования СМ


При анализе всех подсистем установлена необходимость постановки экспериментальных исследований, результаты которых окончательно дадут значения необходимых параметров электропривода, что облегчит осуществление выбора необходимой модели ЭП. Также будет исследована структура дозатора СМ - перистальтического насоса, эффективность использования которого обоснована в работе Радюш М.С. [1], и по окончании обработки результатов эксперимента будут предложены основные его параметры, такие как, количество роликов, диаметр трубки. Далее работа будет заключаться в проработке сценария экспериментальных исследований, конструкции экспериментальной установки, будут проделаны экспериментальные исследования и осуществлен окончательный выбор элементов системы на основе экспериментальных исследований и расчетов, выполненных с использованием экспериментальных данных.

2. Экспериментальные исследования


2.1 Описание проблемы и задачи экспериментальных исследований


В процессе анализа системы дозирования СМ установлено, что для получения требуемых значений параметров этой системы необходимо проведение экспериментальных исследований.

Целью разработки экспериментальных исследований является:

·        Постановка задач перед экспериментальными исследованиями;

·        Разработка сценария экспериментальных исследований;

·        Разработка экспериментальной установки;

·        Постановка эксперимента и составление протокола измерений поставленного эксперимента;

·        Обработка результатов и расчет параметров системы;

·        Выбор элементов системы на основе экспериментальных исследований и расчетов, выполненных с использованием экспериментальных данных.

Таким образом, работа направлена на постановку экспериментальных исследований, обработку полученных данных, и получение значений параметров системы дозирования СМ. Цель: выбор элементов системы дозирования СМ на основании полученных параметров системы из экспериментальных исследований, т.е. выбор будет подкреплен фактическими данными, что значительно уменьшит вероятность ошибочного выбора элементов системы дозирования СМ.

Первым этапом экспериментальных исследований является постановка задач, которые необходимо выполнить в процессе осуществления экспериментальных исследований, чтобы сделать обоснованный выбор элементов системы дозирования СМ:

.        Получить значение требуемой силы, приложенной электродвигателем, чтобы осуществить сдвиг с места вращающейся части перистальтического насоса. Рассчитать требуемый пусковой момент электропривода.

2.       Определиться с габаритными размерами перистальтического насоса. Выбрать оптимальный диаметр ролика.

.        Удовлетворить требования, изложенные в анализе системы дозирования СМ экспериментальной установки.

.        Предусмотреть возможность использования роликов и трубок различного диаметра, а также возможность использования различных перекачиваемых установкой материалов (от воздуха, воды и смолы эпоксидной).

Таким образом, необходимо разработать экспериментальный макет, который будет удовлетворять всем поставленным задачам, при этом он должен быть простым в исполнении, чтобы упростить проведение эксперимента, а значит уменьшить временные и денежные ресурсы.

 

2.2 Конструкция экспериментальной установки


Экспериментальная установка проектируется с учетом требований, которые изложены в анализе системы дозирования СМ. С целью повышения равномерности потока экспериментальная установка представляет собой перистальтический насос, который состоит из двух вращающихся частей. Конструкция головы перистальтического насоса представлена на рис. 16 и рис. 17.

      

Рисунок 16 Конструкция головки перистальтического насоса спроектированная в Autodesk Inventor Professional 2013.

Рис. 17. Головка перистальтического насоса напечатанная на трехмерном принтере.

При использовании двух вращающихся частей смещенных друг от друга на 90 градусов, получим конструкцию, которая повысит равномерность подаваемого перистальтическим насосом потока СМ, как видно из графика на стр.11 рис. 5 [16]. (Эта идея взята из конструкции головки перистальтического насоса DMD-13-15 B компании LongerPump).

Для эксперимента необходимы:

.        Головка перистальтического насоса.

2.       Восемь эластичных трубкок длиной 15 см и диаметрами 4-6 мм.

.        Динамометр.

.        0.5 л воды и 0.5 л смолы или другого вязкого вещества.

.        Масло растительное или машинное для смазывания вращающихся частей головки перистальтического насоса.

.        Объемный шприц.

.        Чаша для жидкости.

.        Разветвитель для эластичных трубок, чтобы осуществить перекачивание жидкости двумя вращающимися частями перистальтического насоса, как это показано на рис.3 [16].

Рис. 18. Эластичная трубка с разветвителем, используемая в перистальтическом насосе.

2.3 Сценарий эксперимента


Чтобы получить момент, нужно измерить силу, необходимую для сдвига с места вращающейся части перистальтического насоса. А затем, определившись с расстоянием от оси вращения до точки приложения силы, можно рассчитать требуемый пусковой момент как произведение силы на это расстояние (плечо прикладываемой силы).

Габаритные размеры будут определяться исходя из допустимого пространства РО для перистальтического насоса. На протяжении всего эксперимента будет проведено 2 опыта, выполнение которых предоставит результаты, на основании которых будет произведен расчет параметров системы дозирования СМ. Измеряемая величина - килограмм силы. Измерение будет осуществляться динамометром (безменом), который будет закрепляться к одному концу нити, а второй конец будет закреплен на вращающейся оси ротора перистальтического насоса. Потянув динамометром за нить, мы сдвинем с места вращающуюся часть перистальтического насоса и измерим силу, необходимую для сдвига с места вращающейся части перистальтического насоса. Результаты эксперимента будут занесены в протокол измерений и, впоследствии, обработаны. Результаты обработки дадут искомые параметры головки перистальтического насоса и электродвигателя.

При расчете моментов плечо силы составило 0,025 м, а ускорение свободного падения g взято равным 9,81 м/с2.

Опыт 1

Цели опыта:

·        Проверка перистальтического насоса на способность перекачивания жидкости.

·        Измерение силы, необходимой для сдвига с места вращающейся части перистальтического насоса при перекачивании жидкости.

Для опыта потребуются:

·        Головка перистальтического насоса.

·        2 эластичные трубки длиной 15 см и наибольшим диаметром.

·        Динамометр.

·        Разветвитель для эластичных трубок.

·        0,5 л воды.

·        Чаша для жидкости.

Перекачиваемая жидкость - вода.

Подготовленная чаша заполняется водой и один конец трубки опускается в эту чашу. Вторая чаша остается пустой, и второй конец трубки опускается в нее. Первоначально необходимо убедиться, что насос может перекачивать жидкость. Проворачиваем вращающуюся часть перистальтического насоса с помощью вращения имитации ротора, пока визуально не убедимся в том, что насос перекачивает воду. Вначале измеряем приложенную силу при перекачивании воды с 4 роликами диаметром 10 мм.

Снимаем зависимость приложенной силы от угла поворота ротора перистальтического насоса, т.к. в моменты пережатия новым колесом трубки возникают большие усилия (рис. 19).

Рисунок 19. Ролик перистальтического насоса в момент пережатия трубки

Результаты опыта 1 занесены в таблицу 6. При использовании 4 роликов максимальное значение равно 4,2 кГ.

Опыт 2

Цели опыта:

·        Измерение силы, необходимой для сдвига с места вращающейся части перистальтического насоса при перекачивании жидкости.

·        Получение зависимости приложенного момента от количества роликов

Для опыта потребуются:

·        Головка перистальтического насоса.

·        2 эластичные трубки длиной 15 см и наибольшим диаметром.

·        Динамометр.

·        Разветвитель для эластичных трубок.

·        0,5 л воды.

·        Чаша для жидкости.

Перекачиваемая жидкость - вода.

Снимаем зависимость приложенной силы от угла поворота ротора перистальтического насоса, т.к. в моменты пережатия новым колесом трубки возникают большие усилия. Строим циклограмму нагрузок в зависимости от угла поворота ротора перистальтического насоса при использовании двух и четырех роликов (рис. 20). Значения заносим в таблицу 6.

Как и ожидалось, циклограмма имеет пики нагрузки, которые обусловлены пережатием роликом трубки в момент, показанный на рис.4.

Таблица 6. Результаты экспериментальных исследований.

Циклограмма

 Угол поворота

0

22,5

45

67,5

90

112,5

135

157,5

180

202,5

225

247,5

270

292,5

315

337,5

 (град)

4 колеса

1-й оборот

2,8

3,2

3,8

3,2

3,9

2

1,8

1,7

2,3

4,1

3,2

2,8

2,8

3,2

2,3

 (кГ)

2-й оборот

2,7

3,2

2,7

2,8

3,8

4

1,8

1,7

1,9

1,9

4

2,2

2,2

2,7

2,7

2,7


Наибольшее

2,8

3,2

3,8

2,8

3,8

4

2

1,8

1,9

2,3

4,1

3,2

2,8

2,8

3,2

2,7


Момент

0,68

0,78

0,93

0,686

0,93

0,98

0,49

0,44

0,465

0,563

1,029

0,784

0,686

0,686

0,784

0,6615

 (Н∙м)


7

8

9,5

7

9,5

10

5

4,5

4,75

5,75

10,5

8

7

7

8

6,75

 (кг∙см)

2 колеса

1-й оборот

2,1

1,9

2

0,9

1

1,3

2,5

1,3

1,8

2

0,5

1

1,1

1,5

2,3

1,3

 (кГ)

2-ой оборот

1,9

1,9

2

0,9

0,9

0,9

2,2

1,8

1,7

1,9

0,8

0,9

0,9

1,5

2,1

1,2


Наибольшее

2,1

1,9

2

0,9

1

1,3

2,5

1,8

1,8

1,9

0,8

1

1,1

1,5

2,3

1,3


Момент

0,51

0,46

0,49

0,22

0,24

0,31

0,61

0,44

0,441

0,465

0, 196

0,24

0,26

0,36

0,56

0,318

Н∙м


5,25

4,75

5

2,25

2,5

3,25

6,25

4,5

4,5

4,75

2

2,5

2,75

3,75

5,75

3,25

 (кг∙см)



2.4 Обработка результатов эксперимента


В результате экспериментальных исследований определили:

Оптимальный радиус трубки rтрубки=0,002 м.

Зная радиус трубки и параметры выкладываемой ленты [5]:

·        ?max ленты = 0,5 м/с - максимальная скорость выкладки армирующего материала;

·        hленты = 0,0007 м;

·        wленты = 0,015 м;

·        Vленты =?max ленты ∙ hленты ∙ wленты= 0,00000525 м3/с - объем армирующего материала выложенного за секунду;

mленты = Vленты ∙ ρленты = (0,00000525 м3/с) ∙ (2500 кг/м3) = 0,013125 кг/с;

Так как армирующий и пропитывающий материал соотносятся 1: 1 (mленты = mсмолы)

Vсмолы = mленты / ρсмолы = (0,013125 кг/с) / (1100 кг/м3) = 0,000012 м3

Определим скорость, с которой нужно выдавливать смолу:

rтрубки - радиус трубки по которым течет смола;

Sтрубки =2∙ π ∙ rтрубки2=2∙3,14∙0,0022=5∙10-5 м2;

?выдавливания = Vсмолы /Sтрубки=0,000012/0,00005=0,24 м/с;

Далее определим необходимую угловую скорость насоса ωнасоса:

Для этого необходимо знать радиус перистальтического насоса rнасоса.

C = 2π ∙ rнасоса=2∙ 3,14∙ 0,04=0,25;

fнасоса = ϑвыдавливания/C=0,24/0,25=0,96 с-1;

ωнасоса = 2π ∙ fнасоса=6 рад/с (0,96 об/сек=57 об/мин).

Момент рассчитывается как:

М=m∙g∙l,

где m-измеренное значение килограмм-силы (кГ), g-ускорение свободного падения равное 9,81 м/с2, l-плечо прикладываемой силы равное 0,025 м.

Рассчитанные значения момента также записаны в таблицу 6.

Таким образом, согласно экспериментальным данным, электропривод должен иметь следующие параметры:

·        Мдвиг. макс≥1.029 Н∙м;

·        ωдвиг. макс≥57 об/мин;

Следовательно, можно утверждать, что рассмотренные ранее ЭП подходят под заданные параметры. Следовательно, исходя из проведенного анализа, целесообразнее использовать пьезоэлектрический двигатель, который имеет значительное превосходство в массогабаритном показателе.

Заключение


В процессе работы над ВКР осуществлен анализ системы дозирования СМ, рассмотренной в качестве трех подсистем: электропривод, перистальтический насос, система управления ЭП. Определены задачи как перед всей системой в целом, так и перед каждой её подсистемой в частности и предложены возможные варианты их решения. К каждой подсистеме предложены подходящие элементы, которые удовлетворяют поставленным задачам и, по предварительным исследованиям, могут быть использованы в рассмотренной системе дозирования связующего материала.

Так как целью исследований было разработка электропривода, то анализ этой подсистемы более детальный. Проанализирован выбор электропривода и сделано заключение, что целесообразно использовать в системе один из двух ЭП: шаговый или пьезоэлектрический. Проанализированы особенности данных ЭП и представлены наиболее подходящие варианты существующих аналогов для исследуемой системы дозирования. Предварительно, можно судить о преимуществе пьезоэлектрических электродвигателей, т.к. они выполняют задачи, поставленные перед электроприводом, эффективнее, чем ШД. Однако применение ПЭД связано с рядом сложностей, в том числе и с использованием встроенного блока управления и относительно низкой скоростью вращения. С точки зрения эффективности преимущество за ПЭД, с точки зрения простоты осуществления преимущество перед шаговым приводом. Возникла сложность с выбором драйвера управления к ПЭД, а также необходимость выбора дополнительного устройства - цифро-аналогового преобразователя, т.к. согласно руководству по эксплуатации управление скоростью вращения осуществляется напряжением.

В работе рассмотрена структура системы управления электроприводом системы дозирования СМ, рассмотрены средства реализации данной системы для рассмотренных моделей ЭП. СУ ПЭД является более сложной, т.к. информация в руководстве от производителя поверхностна, а более полные данные не удалось получить. СУ ШД является более простой, т.к. ШД являются распространёнными и для каждой модели существуют различные варианты драйверов управления. Управление ШД цифровое и не требует никаких дополнительных элементов, т.е. ЭП ШД представляет собой связку самого ШД и драйвера управления к нему. Таким образом, с точки зрения управления, ШД является предпочтительным. Однако стоит учитывать, что время установления номинальной скорости вращения на порядок меньше у ПЭД.

В процессе анализа системы дозирования СМ установлена необходимость постановки экспериментальных исследований, результаты которых должны дать окончательные значения необходимых параметров электропривода, что облегчит осуществление выбора ЭП из предложенных в работе. Поэтому разработан сценарий эксперимента, который показывает, чего необходимо достигнуть, проводя экспериментальные исследования, и что понадобится для осуществления экспериментальных исследований. Также разработана конструкция экспериментальной установки в среде Autodesk Inventor Professional 2013. Данная модель была реализована с помощью трехмерного принтера, т.к. является наиболее экономичным и быстрым способом реализации. Напечатанная конструкция является рабочей, но более грубой, чем ожидалось (большие силы трения при вращении ротора перистальтического насоса из-за неточности используемой технологии для реализации конструкции).

Результаты проведенных экспериментальных исследований показали, что рассмотренные аналоги ЭП, как ПЭД, так и ШД, подходят под полученные значения требуемых параметров ЭП. Поэтому, исходя из проделанного анализа, можно сказать, что целесообразнее в разрабатываемом электроприводе использовать пьезоэлектрический двигатель, т.к. он эффективнее выполняет поставленные задачи перед системой дозирования связующего материала.

Однако перед окончательным выбором ЭП необходимо убедиться в возможности реализации требуемой системы управления ПЭД и ее интеграции в систему управления всей установкой, т.к. представленная производителем информация поверхностна, поэтому требуется также экспериментальное исследование ПЭД.

Список используемой литературы


1.       РадюшМ.С. НИР: "Исследование существующих способов дозирования и поиск средств реализации дозирования связующего материала", СПбГЭТУ, кафедра РАПС, 1 семестр магистерской подготовки, 2012 г.

2.       АбиловА.Г., Лютфалиев К.А., "Автоматические микродозаторы для жидкостей", М., "Энергия", 1975 г.

.        Михеев А.Ю. "Исследование характеристики и повышение надежности насосов перистальтического принципа действия": дисс. к. т. н, Уфимский Гос. Тех. Университет, Уфа, 2004 г.

.        Документация по руке RX160L-HB, StдubliInternationalAG. (http://www.staubli.com/en/robotik)

.        Отчет по договору "Разработка и проектирование рабочего органа автоматического формования и формообразования армированных композиционных конструкций", Прокофьев Г.И., 27.09.2012.

6.       Электронный ресурс компании "Longerpump” (www.longerpump.com <http://www.longerpump.com>)

.        Описание продукции компании "НПО Атом". ШД FL60 STH (<http://www.npoatom.ru/katalog/step_motor/fl60sth>)

8.       ЗАО "ЛОИП”. Насос перистальтический LOIP LS-301.

.        (<http://www.loip.ru/site/ru/catalog/self2/product/75308.html>)

.        Описание ПЭД RUSM60. (http://rebeck. en. alibaba.com/product/703088168-215432796/Ultrasonic_motor_RUSM_60.html <http://rebeck.en.alibaba.com/product/703088168-215432796/Ultrasonic_motor_RUSM_60.html>)

.        Описание продукции компании "Электропривод". ШД FL57 STH (http://electroprivod.ru/fl57st_h. htm <http://electroprivod.ru/fl57st_h.htm>)

.        НПО "АТОМ". Использование драйверов для ШД. (<http://www.npoatom.ru/katalog/drivers>)

.        Описание шагового двигателя модели FL60STH, представленного НПО "АТОМ": (<http://www.npoatom.ru/katalog/step_motor/fl60sth>)

.        Описание драйвер шагового двигателя G210X, предоставленного НПО "АТОМ” (<http://www.npoatom.ru/katalog/drivers/g210x>)

.        Описание драйвера управления для ПЭД Японской компании "Technolands ltd" (http://www.technohands. co. jp/en/products/um-driver-ctrl.html <http://www.technohands.co.jp/en/products/um-driver-ctrl.html>)

.        Описание источника питания NES-150 компании НПФ "АТОМ": (<http://www.npoatom.ru/katalog/power_supplies/nes-150/>)

.        Описание головки перистальтического насоса с уменьшенной пульсацией DMD 15-13 компании LongerPump. (<http://longerpump.ru/nasosnye-golovki>)

.        Электронный ресурс компании "Электропривод". (http://electroprivod.ru)

Похожие работы на - Разработка электропривода системы дозирования связующего материала

 

Не нашли материал для своей работы?
Поможем написать уникальную работу
Без плагиата!
Без нейросетей!