Разработка электропривода ленточного конвейера с двумя приводными станциями
Введение
К современным автоматизированным
электроприводам, особенно работающим в сложных системах автоматического
управления прецизионными технологическими установками, предъявляются все более
жесткие требования по качеству управления движением. Электроприводы,
применяемые в точных технологических установках, роботах и манипуляторах должны
обеспечивать заданное быстродействие, точность слежения и позиционирования,
высокую стабильность и широкий диапазон регулирования скорости, ограничения
ускорения и т.п. Одновременно ставится задача существенно увеличить надежность
работы электропривода, упростить наладку и обслуживание оборудования.
В рамках данного курсового проекта был
разработан электропривод ленточного конвейера с двумя приводными станциями. В
ходе выполнения проекта были решены следующие задачи:
выбор системы электропривода, основанный на
анализе исходных данных на проект, изучении литературы по данному механизму, а
также исходя из наилучших показателей той или иной системы;
выбор типа электродвигателя и его параметров;
выполнена проверка выбранного двигателя на
нагрев (так как двигатель является самовентилируемым, а регулирование скорости
происходит вниз от номинальной частотным способом, что ухудшает тепловой
режим);
выполнен расчет параметров системы управления,
которые обеспечивают заданные показатели качества управления;
были рассчитаны и построены статические
механические характеристики системы;
разработана схема электропривода для
моделирования динамических процессов, а также рассчитан закон управления
частотой и напряжением двигателя, и выполнено моделирование, которое показало,
что система удовлетворяет заданным показателям качества управления;
разработана электрическая схема электропривода и
выбраны её элементы;
разработана конструкция электропривода,
компоновка и размещение всех его элементов.
1. Выбор системы электропривода
Основным типом привода ленточных конвейеров,
получившим широкое распространение, является электрический привод.
Основным назначением привода ленточного
конвейера является обеспечение передачи необходимого тягового усилия и
нормального движения конвейерной ленты при всех режимах работы конвейера.
В связи с этим привод конвейера должен отвечать
следующим основным требованиям:
обеспечение плавного пуска и замедления, отсутствие
рывков при движении ленты, повышенный пусковой момент;
во всех режимах работы конвейера с несколькими
приводными барабанами привод должен обеспечивать синхронизацию скорости этих
барабанов;
в конвейерах с регулируемой скоростью движения
ленты привод должен обеспечивать плавный переход от одной скорости к другой;
обеспечение высокой надежности.
В соответствии с исходными данными на курсовой
проект необходимо спроектировать электропривод ленточного конвейера, у которого
скорость движения рабочего органа изменяется в пределах 0,2…1 м/с, т.е.
электропривод регулируемый.
Наиболее разработанными и применяемыми схемами
приводов, обеспечивающих регулирование скорости, являются следующие схемы:
электропривод переменного тока с частотным
преобразователем и короткозамкнутым асинхронным электродвигателем;
электропривод переменного тока с
асинхронно-вентильным каскадом и асинхронным электродвигателем с фазным
ротором;
электропривод постоянного тока с тиристорным
выпрямителем переменного тока (очень редко).
Выполним анализ возможности применения этих схем
для привода ленточного конвейера, который необходимо спроектировать в
соответствии с исходными данными на курсовой проект.
По заданию привод будет эксплуатироваться в
условиях У2 по ГОСТ 15150-69 (условия практически ничем не отличаются от
уличных). Следовательно, применение электропривода постоянного тока невозможно,
из-за того, что коллектор двигателя будет подвержен воздействиям влаги
(конденсата) и двигатель будет выходить из строя.
Остается два варианта, которые могут быть
применены при проектировании ленточного конвейера. Чтобы окончательно выбрать
систему электропривода, выполним расчет суммарной мощности двигателей
конвейера.
Суммарная мощность двигателей приводных станций
(двух)
кВт,
где
- КПД редуктора приводной станции;
-
коэффициент запаса, учитывающий силы сопротивления.
Исходя из расчета суммарной мощности
двигателей конвейера видно, что их мощность не велика. На практике для
конвейеров мощностью до 200 кВт применяются асинхронные двигатели с
короткозамкнутым ротором, а для более мощных уже используют асинхронные
двигатели с фазным ротором.
Для ленточных конвейеров
используются две принципиальные схемы регулируемого электропривода переменного
тока с частотным преобразователем: схема с непосредственным подключением
короткозамкнутого асинхронного двигателя к преобразователю, подключенному к
питающей сети (НПЧ), и схема с преобразователем частоты инверторного типа
(ПЧИ).
Наилучшие показатели регулирования дает
применение преобразователей частоты на основе инверторов (ПЧИ). Такие
преобразователи обеспечивают широкий диапазон регулирования скорости как вниз,
так и вверх относительно номинального значения. При этом соответствующий выбор
закона частотного регулирования позволяет осуществлять его как при постоянстве
допустимого момента, так и при постоянстве допустимой мощности в режиме
продолжительной нагрузки. Различные модификации ПЧИ позволяют реализовать данную
систему электропривода независимо от рода тока в источнике электроэнергии.
Недостатком системы ПЧИ-АД является ее функциональная сложность и более высокая
стоимость, чем у системы НПЧ-АД.
Существенно более простыми и дешевыми являются
непосредственные преобразователи частоты (НПЧ), однако их применение ограничено
небольшой зоной частотного регулирования и низкими энергетическими
характеристиками.
При применении системы НПЧ-АД расчетную мощность
двигателей необходимо будет увеличить в 2 раза, так как максимальная частота
при регулировании будет только 25 Гц, а не 50 Гц. Это обстоятельство увеличит
стоимость данной системы, и она практически сравняется со стоимостью системы
ПЧИ-АД.
Обобщая все сказанное выше, для проектируемого
конвейера выбираем систему - электропривод переменного тока с частотным
преобразователем инверторного типа (ПЧИ-АД), как наиболее отвечающую заданным
показателям и условиям эксплуатации.
2. Выбор электродвигателя
Выбираем диаметр приводного барабана
равным 0,3 м. Выбираем редуктор с передаточным числом
.
Скорость двигателей (двух) конвейера
при скорости ленты
м/с
рад/с,
где D - диаметр
приводного элемента.
Суммарный момент двигателей
конвейера
Н∙м.
По справочнику [2] выбираем два
одинаковых двигателя типа 4А112М4РНУ2 (рудничное исполнение) с параметрами:
номинальная мощность -
кВт;
КПД -
;
номинальное скольжение -
%;
синхронная частота вращения -
об/мин;
;
момент инерции ротора -
кг∙м2.
Параметры схемы замещения (в
относительных единицах):
;
;
;
;
.
Пересчитаем параметры обмоток из относительных
единиц в абсолютные.
;
;
Вт;
А;
Ом;
Ом;
Ом;
Ом;
Ом;
Ом.
Определим номинальную скорость АД и номинальный
вращающий момент:
;
;
рад/с;
рад/с, тогда
Н×м.
Суммарный момент инерции равен:
,
где
;
.
Массу груза определим по следующему
выражению
Тогда
кг×м2.
кг×м2.
3. Проверка выбранного двигателя на
нагрев
Так как выбранный двигатель самовентилируемый и
скорость движения конвейерной ленты регулируется вниз от номинального значения,
то выбранный двигатель необходимо проверить на нагрев. Режим работы конвейера
является продолжительным, поэтому проверку выбранного двигателя по нагреву
выполним исходя из самого неблагоприятного режима (статическая нагрузка
максимальна, а скорость вращения вала двигателя наименьшая, т.е. условия
охлаждения ухудшены).
Двигатель выбран правильно, если в процессе его
эксплуатации соблюдается условие
,
где
- допустимое превышение температуры
для изоляции двигателя, которое определяется классом нагревостойкости изоляции.
В случае постоянной нагрузки при её
длительности
.
Коэффициент теплоотдачи (при
номинальном режиме работы):
.
Т.к. двигатель работает не только на
номинальных скоростях, то коэффициент теплоотдачи на разных скоростях различен.
Поэтому
.
bi -
коэффициент, учитывающий охлаждение двигателя на разных скоростях вращения.
Зависимость b(w) имеет линейный характер
(рис. 1).
Рис 1. Зависимость b(w).
Коэффициент теплоотдачи при работе
двигателя на низшей скорости (0,2·ωном)

.
Мощность тепловых потерь двигателя
;
;
.
Найдем критический момент двигателя
Н·м.
Скорости ротора
с-1
соответствует скорость холостого хода
с-1.
Тогда при
Н·м
напряжение
В.
Ток ротора
А
Ток статора можно приближено найти
по формуле
А.
Ток намагничивания
А.
Потери
Вт.
Вт.
Вт.
Мощность тепловых потерь двигателя
Вт.
Тогда
Выбранные двигатели имеют обмотку, выполненную
по классу изоляции В, для которой предельно допускаемая температура Qдоп
= 130 °С
.
Тогда допустимое превышение температуры для
изоляции двигателя
>
.
Как видно из расчетов, предельное
превышение температуры двигателя за время работы находится на границе
допустимого превышения температуры по классу изоляции. Следовательно, двигатель
используется практически на 100%.
4. Расчет параметров системы
управления
Система управления представляет собой одноконтурную
систему, замкнутою по скорости. Она должна формировать статические механические
характеристики, которые обеспечат необходимую перегрузочную способность на всем
диапазоне частот и нагрузок.
Сделаем допущение, что двигатель работает на
линейном участке механической характеристики, тогда:
С учетом этого, структурная схема
системы примет следующий вид:
Рис. 2.
Рассчитаем жесткость при работе на линейной
части механической характеристики:
.
Определим постоянные времени:
с;
с.
.
Так как m>>4,
то рассматриваемый электропривод может быть представлен в виде двух
последовательно соединенных апериодических звеньев.
Тогда, передаточная функция
двигателя с учетом внутренней обратной связи представляется звеном второго
порядка:
.
Определим корни характеристического
уравнения:
Таким образом:

.
;
.
Желаемая передаточная функция
системы, настроенной на технический оптимум:
.
Принимаем Tm=0,01756 c, то есть
компенсируем большую постоянную времени.
Передаточная функций регулятора
скорости:
Получили пропорционально - интегральный
регулятор скорости (ПИ - РС) со следующими параметрами:
5. Расчет статических механических
характеристик в замкнутой системе
Рассчитаем статические механические
характеристики контура регулирования скорости.
Для этого получим уравнение
механической характеристики.
После преобразования получим:
Уравнение статической механической
характеристики (р=0) выглядит следующим образом:
.
Ошибка регулирования по управляющему
воздействию:
Таким образом, видно, что при
=const в
статическом режиме ошибка по управляющему воздействию отсутствует. Система по
управляющему воздействию обладает астатизмом первого порядка.
Ошибка регулирования по возмущению,
обусловленная статической нагрузкой электропривода:
В статике при Мс=const система
обладает астатизмом по возмущению.
Статические механические характеристики.
Рис 3.
6. Моделирование динамических
процессов
Моделирование динамических процессов произведем
с использованием ЭВМ в программно - методическом комплексе MatLab
6.1.
Для более реалистичного представления процессов
в асинхронном двигателе в статических и динамических режимах используем
описание его математической модели в осях a, b:
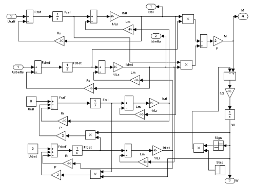
Структурная схема управления двигателями
конвейера представлена на рис.5.
Схема модели электропривода в MatLab
6.1 представлена на рис. 6,7.
Результаты моделирования представлены на стр.
22-34.
Закон управления двигателем будет
заключаться в том, чтобы поддерживать критический момент двигателя постоянным (
).
Рассчитаем вольт-частотную характеристику, по которой будет работать
электропривод.
Рассчитаем величину напряжения,
которое необходимо подать на двигатель для получения различных характеристик.
Для скорости ротора двигателя равной
рад/с:
Тогда при
Н·м
напряжение
В.
Для скорости ротора двигателя равной
рад/с:
Тогда при
Н·м
напряжение
В.
Для скорости ротора двигателя равной
рад/с:
Тогда при
Н·м
напряжение
В.
Для скорости ротора двигателя равной
рад/с:
Тогда при
Н·м
напряжение
В.
Для скорости ротора двигателя равной
рад/с:
Тогда при
Н·м
напряжение
В.
Для скорости ротора двигателя равной
рад/с:
Тогда при
Н·м
напряжение
В.
По полученным значениям построим
вольт-частотную зависимость (рис. 4).
Рис. 4.
Рис. 6. Схема модели электропривода в MatLab
6.1.
Рис. 7. Модель АД в осях α,β.
Результаты моделирования.
Пуск двигателей на скорость
под нагрузкой,
больше номинальной.
Рис. 8. Зависимость
и
от времени.
Рис. 9. Зависимость
и
от времени.
Рис. 10. Зависимость
от времени.
Рис. 11. Зависимость
и
первого
двигателя от времени.
Рис. 12. Зависимость
и
второго
двигателя от времени.
Рис. 13. График изменения задания на частоту
двух двигателей.
Пуск на скорость
в холостую
с последующей нагрузкой на первый двигатель
Нм и нагрузкой на второй двигатель
Нм.
Рис. 14. Зависимость
и
от времени.
Рис. 15. Зависимость
и
от времени.
Рис. 16. Зависимость
от времени.
Рис. 17. Зависимость
и
первого
двигателя от времени.
Рис. 18. Зависимость
и
второго
двигателя от времени.
Рис. 19. График изменения задания на частоту
двух двигателей.
Пуск двигателей на скорость
под
нагрузкой, больше номинальной.
Рис. 20. Зависимость
и
от времени.
Рис. 21. Зависимость
и
от времени.
Рис. 22. Зависимость
от времени.
Рис. 23. Зависимость
и
первого
двигателя от времени.
Рис. 24. Зависимость
и
второго
двигателя от времени.
Рис. 24. График изменения задания на частоту
двух двигателей.
Пуск на скорость
в холостую
с последующей нагрузкой на первый двигатель
Нм и нагрузкой на второй двигатель
Нм.
Рис. 25. Зависимость
и
от времени.
Рис. 26. Зависимость
и
от времени.
электрический привод ленточный
конвейер
Рис. 27. Зависимость
от времени.
Рис. 28. Зависимость
и
первого
двигателя от времени.
Рис. 29. Зависимость
и
второго
двигателя от времени.
Рис. 30. График изменения задания на частоту
двух двигателей.
Анализ результатов:
Как видно из графиков рис. 8-30:
- статическая ошибка по скорости во
всех экспериментах равна нулю (
);
токи двигателей не превышают
максимально допустимого значения (1,5IН).
7. Разработка электрической схемы
электропривода
В качестве преобразователей для управления
работой двигателей выбираем преобразователи частоты серии SJ300
модель 075HF фирмы Hitachi,
имеющие следующие основные технические характеристики:
степень защиты IP20
(NEMA1);
максимальная мощность применяемого двигателя 7,5
кВт;
номинальное входное напряжение-3 фазы
-480В(±10%)50Гц/60Гц(±5%);
номинальный выходной ток - 16А;
метод управления - высокочастотный ШИМ;
диапазон выходной частоты - 0,1- 400 Гц;
пусковой момент - 200%/0,5Гц (в режиме
бессенсорного контроля);
температура окружающей среды - от -10 до 50 єС.
В комплект каждого преобразователя (по желанию
заказчика) входит дистанционный пульт оператора, предназначенный для управления
ПЧ на расстоянии. Данный пульт подключается к клеммам преобразователя по каналу
RS485. Он имеет точно
такой же вид и кол-во кнопок, что и цифровой пульт оператора, который
расположен на ПЧ.
Для обеспечения совместной работы двигателей
задание частоты на втором преобразователе будет формироваться с помощью
микроконтроллера на базе МК51. Этот контроллер, сравнивая токи в фазах каждого
двигателя, будет производить расчет частоты, которую необходимо прибавить или
отнять от основного задания на второй двигатель, чтобы двигатели находились в
равных условиях. В качестве микроконтроллера выбираем однокристальный
микроконтроллер фирмы Atmel
АТ89С51 с тактовой частотой 24 МГц. Значения токов в фазах двигателей должны
подаваться на контроллер в цифровом коде, а так как значение токов с ПЧ выходят
в аналоговой форме, то для согласования необходимо применить аналогово-цифровой
преобразователь (АЦП). В качестве АЦП выбираем преобразователь фирмы MAXIM
MAX165BEWN,
с параметрами:
- разрядность - 8бит;
- время преобразования - 5мкс;
- напряжение питания - +5В;
- ток потребления - ≤5мА;
- опорное напряжение - +1,23В;
- входное напряжение - +2,46В;
- температура окружающей среды -
-40єС…+85єС.
Дополнительный сигнал задания частоты для
второго двигателя должен подаваться на аналоговый вход. А микроконтроллер
выдает его в цифровом коде, поэтому необходимо применить цифро-аналоговый
преобразователь (ЦАП). В качестве ЦАП выбираем преобразователь фирмы MAXIM
MX7224, с
параметрами:
- разрядность - 8бит;
- тип выхода - V;
- напряжение питания - +15В;
- ток потребления - 2мА;
- опорное напряжение - +10В;
- температура окружающей среды -
-40єС…+85єС.
Для защиты преобразователя со стороны
переменного напряжения устанавливаем автоматический выключатель АЕ2043М-100 с
номинальным током 40А.
Условия эксплуатации разрабатываемого привода
соответствуют категории У2 по ГОСТ 15150-69, по которой нижняя температура равна
-45єС, а выбранные ПЧ имеют нижнюю рабочую температуру -10єС. Поэтому
необходимо создать искусственный климат для функционирования преобразователей.
Для этого поместим их в шкаф со степенью защиты IP54
и необходимый диапазон температуры будем поддерживать с помощью промышленного
нагревателя, который будет включаться и отключатся по сигналу от
микроконтроллера. Информация о температуре на микроконтроллер будет поступать
от датчика температуры. В качестве датчика температуры выбираем цифровой датчик
температуры фирмы ANALOG
DEVICES TMP03.
Данный датчик позволяет измерять температуру окружающей его среды в диапазоне
от -40єС до +100єС с погрешностью в ±1,5єС на всем диапазоне.
При достижении температуры внутри шкафа 0єС
микроконтроллер выдает сигнал на замыкание управляемого ключа в качестве
которого используем твердотельное реле, которое включено в цепь нагревателя.
Твердотельные реле используются для подключения моторов, трансформаторов,
нагревательных элементов таким же образом, как и обычные электромагнитные реле.
Главным преимуществом перед электромагнитными реле являются: гальваническая
развязка входа и выхода, высокая чувствительность, малые размеры, отсутствие
дребезга контактов, большое время жизни, нечувствительность к внешним полям,
ударам и вибрациям. Диапазон рабочих температур: -40…+80єС. Выбираем
твердотельное 3-х фазное реле фирмы CRYDOM
D53TP25D,
имеющее следующие параметры:
- управление - пост. напряжение;
- управляющее напряжение min
- 3 В;
- управляющее напряжение mах
- 32 В;
- выходной каскад - тиристорный;
- коммутируемое переменное напряжение
- 48-530 В;
- максимальный ток нагрузки - 25 А;
- время включения mах
- 10мс;
- время отключения mах
- 10мс;
- напряжение изоляции - 4 кВ.
При срабатывании реле включается нагреватель и
происходит нагрев воздуха внутри шкафа. При достижении значения температуры в
10єС происходит обратный процесс (нагреватель отключается).
Рассчитаем мощность нагревателя, которая
необходима для обогрева оборудования в шкафу. Мощность можно рассчитать по
формуле:
,
где
- разница температур между
внутренними стенками шкафа и внешними;
коэффициент теплоотдачи; S
- площадь поверхности.
Вт.
Выбираем нагревательный элемент типа
ТЭН (трубчатый электронагреватель) фирмы МЭК (МиассЭлектроКонверсия) мощностью
0,7 кВт, трехфазный, на номинальное напряжение 380 В, имеющий габаритные
размеры: длина - 480 мм; высота - 200 мм; ширина - 110 мм.
В случае поломки нагревателя предусмотрена
защита компонентов электропривода от холода. Эту защиту обеспечивает магнитный
пускатель ПМ12-040.1.1, который отключает питание от преобразователей по
сигналу от микроконтроллера. Сигнал с МК поступает на электромагнитное реле
(если температура окружающего воздуха опустится ниже -10єС), которое своим
силовым контактом размыкает цепь пускателя.
Для формирования сигнала обратной связи по
скорости используется синхронный тахогенератор СГ - 025 со следующими
параметрами:
число полюсов - 2;
число фаз - 3;
- номинальная частота вращения -
об/мин;
амплитуда выходного напряжения - 60
В;
выходная частота - 50 Гц;
рабочая температура - -40…+50єС.
Для преобразования гармонического
сигнала с выхода тахогенератора в постоянное напряжение применим шестипульсный
мостовой выпрямитель. Для сглаживания пульсаций выпрямленного напряжения
программируем на данном аналоговом входе фильтр. Прежде чем подать
преобразованное напряжение на аналоговый вход ПЧ, который запрограммирован как
обратная связь по скорости, необходимо его понизить таким образом, чтобы при
максимальной скорости двигателя выходное преобразованное напряжение
соответствовало уровню в +10В. Для этого ставим делитель напряжения.
Для питания микросхем необходимо
иметь постоянное напряжение +5В и +15В. Данные уровни напряжения получим
применив микросхему КР145ЕН5А и АС-DC конвертер
фирмы MEAN WELL DR-4515,
имеющий следующие параметры:
выходное постоянное напряжение -
15В;
выходной ток - 2,8А;
выходная мощность - 42Вт;
входное переменное напряжение -
85-264В;
рабочая температура - -10…+50єС.
Для сигнализации оператору о
произошедших авариях (перегрузка двигателя и исчезновение питающего напряжения)
используем светодиоды АЛ307НМ, которые подключены к дискретным выходам 15 и 14
преобразователя. Данные дискретные выходы перед запуском привода должны быть
запрограммированы на выдачу сигнала о соответствующей аварии.
Интегральные микросхемы необходимо
шунтировать по цепи питания. Это достигается за счет подключения к выводам
питания блокирующих конденсаторов, которые устанавливаются в близи корпуса
микросхемы.
В качестве таких конденсаторов
выбираем конденсаторы типа К73-17-250В-0,1 мкФ±20%.
8. Разработка конструкции
электропривода
Требования по конструированию.
Требования по конструированию согласно ГОСТ
14254 - 80.
Для обеспечения теплоотвода с помощью
соответственного охлаждения конструкция должна отвечать следующим требованиям:
1. Обеспечивать хорошее обтекание холодным
воздухом всех элементов, особенно теплонагруженных.
2. Теплочувствительные элементы должны
располагаться ближе к стенкам.
. Теплочувствительные элементы должны
быть защищены от обтекания нагретым воздухом.
. Теплочувствительные блоки, аппаратура,
приборы должны отставать от основания и стенок оболочки, и друг друга не менее
чем на 20 мм для свободного протекания воздуха.
. Теплонагруженные элементы должны иметь
хорошие тепловые контакты с несущими узлами системы.
Все элементы расположены в напольном шкафу со
степенью защиты IP54
по ГОСТ 14254 - 80. Выбираем шкаф ШДО-54-1206045 со следующими параметрами:
высота - 1200 мм;
ширина - 600 мм;
глубина - 450 мм.
Конструктивно силовой канал и система управления
размещены в одном встраиваемом блоке со степенью защиты IP20
по ГОСТ 14254 - 80.
Для обеспечения теплоотвода необходимо хорошее
обтекание холодным воздухом всех элементов, особенно теплонагруженных. Это
достигается за счет применения комбинированного охлаждения. Забор воздуха
производится снизу с боковой стороны, выбрасывается воздух через верхние
жалюзи.
Все теплонагруженные блоки, приборы оснащены
соответствующими охладителями для обеспечения хорошего теплового контакта с
несущими узлами системы. Причем охладители должны отставать от оболочки не
менее чем на 20 мм для свободного протекания воздуха.
Блок электропривода заземлен в соответствии с требованиями
ПУЭ при помощи элементов, предусмотренных в его составе.
Элементы, предназначенные для управления
преобразователями частоты, и элементы для контроля температуры расположены на
отдельной печатной плате, которая расположена в центре шкафа.
Ширина и толщина печатного проводника
определяется плотностью тока, которая должна быть не более 20А/мм2
для внутренних слоев многослойных печатных плат.
Рекомендуются следующие толщины плат, мм: 0,8 ±
0,15; 1,0 ± 0,15; 1,5 ± 0,2; 2,0 ±
0,2; 2,5 ± 0,3; 3,0 ± 0,3. Толщину платы
определяют на основании требований к прочности конструкции сборочной единицы и
с учетом метода изготовления.
В состав платы входят: печатная плата и разъемы.
Размеры печатной платы выбираем из стандартного ряда. Плата имеет следующие
габаритные размеры: высота - 150 мм; ширина - 100мм.
Для более компактного расположения элементов
схемы используем стеклотекстолит СОНФ-2-35-1,5 2 класс ТУ-503.204-88,
предназначенный для двухслойных печатных плат.
Шаг координатной сетки принимаем равным 2,5 мм.
Толщина наклеенной медной фольги 50 мкм.
Автоматический выключатель и магнитный пускатель
располагаем в верхнем правом углу шкафа.
Для обогрева оборудования в холодный период
времени применяем промышленный обогреватель. Электронагревательный прибор типа
ТЭН располагаем внизу шкафа. Нагреваемый им холодный воздух будет подниматься,
и обогревать все элементы.