Расчет и выбор электропривода пресс-брикетного агрегата
Федеральное агентство по образованию
РФ
ГОУ ВПО "СИБИРСКИЙ
ГОСУДАРСТВЕННЫЙ
ТЕХНОЛОГИЧЕСКИЙ УНИВЕРСИТЕТ"
Факультет автоматизации и
информационных технологий
Кафедра автоматизации и
производственных процессов
Пояснительная записка
Тема: Расчет и выбор электропривода
пресс-брикетного агрегата
Учебная дисциплина:
Электромеханические системы
автоматики
Руководитель: Драчев В.А.
Разработал: студент гр.23-1 Федосеев В.М.
Красноярск, 2011 г.
1. Исходные
данные
Исходные данные для расчёта мощности электродвигателей
производственной установки:
Привод цепного конвейера удаления прессованного брикета:
подача конвейера = 15 т/ч; длина конвейера = 10 м; транспортёр - с роликовыми
цепями.
Привод ленточного наклонного конвейера подачи металлолома к
прессу: подача конвейера = 15 т/ч; длина конвейера = 20 м; высота подъёма
изделий = 1,2 м; транспортёр - с роликовыми цепями.
Привод напорного насоса: 10 м3/ч; полный напор =
150 м; гидрожидкость - масло индустриальное И20.
Привод толкателя прессованного брикета: мощность
электродвигателя данного механизма определяется по нагрузочной диаграмме
электропривода, выданной преподавателем, осуществляющим руководство курсовым
проектированием.
Электромагнит управления YA1: мощность управления РУПР
= 12 Вт. Электромагнит управления YA2: мощность управления РУПР = 22 Вт.
Состав силовой части электрооборудования пресса:
М1 - электродвигатель привода напорного насоса масляной
станции пресса, трёхфазный, асинхронный, с к. з. р., нереверсивный,
двухскоростной (соотношение скоростей 2 : 3);
М2 - электродвигатель привода наклонного ленточного
транспортёра подачи металлолома в пресс, трёхфазный, асинхронный, с к. з. р.,
нереверсивный;
М3 - электродвигатель привода толкателя прессованного
брикета, асинхронный с к. з. р., трёхфазный, реверсивный;
М4 - электродвигатель привода цепного конвейера удаления
брикетов, трёхфазный, асинхронный, с к. з. р., нереверсивный;
YA1 - электромагнит управления гидрораспределителя
гидравлического силового цилиндра, однофазный, UПИТ = 24 В;
YA2 - электромагнит управления предохранительного
перепускного клапана, однофазный, UПИТ = 24 В.
Пресс предназначен для получения прессованных брикетов из
мелкоразмерного металлического лома, путём силовой деформации (прессования).
Функциональные возможности релейной схемы
управления и логической программы LOGO:
1.
дистанционное
управление электроприводами;
2.
подача
звукового предупредительного сигнала перед пуском привода М2 на время ∆t1;
3.
автоматическое
включение привода М2 на время ∆t3 через промежуток времени ∆t2
от момента окончания действия звукового предупредительного сигнала;
4.
управление
привода толкателя брикета М3 в функции пути через время Δt3 после начала обратного хода штока гидроцилиндра по циклу: ход
вперёд, сброс брикета, останов в крайнем положении, реверс, останов в исходном
положении;
5.
блокировка
работы электромагнита YA1 (гидроцилиндра) при превышении температуры
нагрева гидравлической жидкости свыше 450С и снижении давления
гидравлической жидкости в гидросистеме до величины 2,0 МПа;
6.
работа
электромагнита YA1 в толчковом режиме обеспечивается кнопкой управления;
7.
автоматический
реверс поршня гидроцилиндра, путём отключения YA1 при давлении
гидравлической жидкости в поршневой полости цилиндра 2,5 МПа;
8.
автоматический
переход на повышенную скорость вращения привода напорного насоса М1 при
снижении давления гидравлической жидкости в гидросистеме до величины 1,5 МПа
через промежуток времени Δt4 после включения привода
М1 на низшей скорости;
9.
автоматический
переход на низшую скорости вращения привода М1 при давлении гидравлической
жидкости в гидросистеме 2,5 МПа;
10. автоматическое
срабатывание электромагнита управления YA2 предохранительного
перепускного клапана при давлении гидрожидкости с гидросистеме свыше 3,2 МПа;
11. наличие световой сигнализации
состояния электроприводов ("включено-отключено");
12. наличие световой
сигнализации температуры гидравлической жидкости (норма - менее + 450С,
перегрев - свыше + 450С);
13. наличие световой
сигнализации давления гидравлической жидкости в гидросистеме (минимум - менее
2,0 МПа, норма - от 2,0 до 2,9 МПа);
14. наличие световой и
звуковой сигнализации периодического действия при давлении гидравлической
жидкости в гидросистеме свыше 3,0 МПа;
15. напряжение питания
релейной схемы сигнализации 220 вольт переменного тока;
16. наличие необходимых
электрических защит электроприводов и схемы управления с учетом режимов работы
и обеспечения безопасных условий работы персонала.
2.
Графический материал
Рисунок 1 - Нагрузочная диаграмма электропривода М3.
3. Перечень
вопросов
Разработать структурно-конструктивную схему производственной
установки, электрические принципиальные схемы и логическую программу управления
электроприводами пресс-брикетного агрегата с учётом выполнения функциональных
возможностей и составом силовой части электрооборудования и произвести расчёт и
выбор электроприводов в соответствии с требованиями, изложенными в разделе 8
[10] по ниже приведённым исходным данным.
Реферат
В данной курсовой работе был произведён расчёт и выбор
электродвигателей пресс-брикетного агрегата: электродвигатель привода напорного
насоса масляной станции пресса, электродвигатель привода наклонного ленточного
транспортёра подачи металлолома в пресс, электродвигатель привода толкателя
прессованного брикета, электродвигатель привода цепного конвейера удаления
брикетов, а также электромагнита управления гидрораспределителя гидравлического
силового цилиндра и электромагнита управления предохранительного перепускного
клапана. В ходе курсовой работы так же были реализованы электрические и
логические схемы управления электроприводами пресс - брикетного агрегата.
Пояснительная записка выполнена в текстовом редакторе Word, которое является
приложением Microsoft Office. Логические схемы разработаны в программе LOGO! Soft Comfort (Version 6.0).
Пояснительная записка содержит ____ листа печатного текста, 5
рисунков, 15 таблиц, 5 использованных литературных источников.
Содержание
1. Исходные данные
2. Графический материал
3. Перечень вопросов
Реферат
Введение
1. Расчёт мощности электродвигателя по нагрузочной диаграмме
методом эквивалентного тока (мощности, момента)
1.1 Определение режима работы электропривода по нагрузочной
диаграмме
1.2 Расчёт эквивалентного тока (мощности, момента)
1.3 Предварительный выбор электродвигателя
1.4 Окончательный выбор электродвигателя
2. Расчёт и выбор типа электродвигателей производственной установки
3. Разработка принципиальной схемы управления электроприводами
4. Расчет и обоснование выбора аппаратуры
4.1 Расчет и обоснование выбора аппаратуры управления
электрическими цепями
4.1.1 Выбор магнитных пускателей
4.1.2 Выбор реле времени
4.1.3 Выбор кнопок управления
4.1.4 Выбор понижающего трансформатора
4.1.5 Выбор путевых выключателей
4.2 Расчет и обоснование выбора аппаратуры защиты
4.2.1 Выбор автоматических выключателей
4.2.2 Выбор тепловых реле
4.2.3 Выбор реле тока
4.3 Расчет и обоснование выбора аппаратуры перемещения
4.3.1 Выбор электромагнитного тормоза
4.4 Расчет и обоснование выбора сигнальной аппаратуры
4.4.1 Выбор светосигнальной аппаратуры
4.4.2 Выбор звукосигнальной аппаратуры
4.5 Расчет и обоснование выбора проводов
5. Логические схемы управления электроприводами производственной
установки
Заключение
Библиографический список
Введение
Современная автоматизация производства невозможна без
использования электрических двигателей и средств управления. Использование
автоматизированного и автоматического электропривода позволяет повышать
производительность труда.
Практически все предприятия в своем производстве имеют хотя
бы небольшие и незначительные электропривода, предназначенные для решения
различных.
Современные предприятия представляют собой промышленные
комплексы с большим потреблением электрической энергии. Следовательно,
рациональное использование электроэнергии может быть обеспечено только при
правильном выборе электрооборудования и грамотной его эксплуатации.
Каждый из электроприводов требует тщательный подход, который
обеспечит требуемые особенности, аппаратуры защиты и управления. При этом необходимо
рассчитать и выбрать электродвигатель, выбрать аппаратуру защиты и управления,
рассчитать и выбрать провода и кабели.
Немало важной деталью является безопасность производства. Для
предотвращения поражения человека электрическим током используются устройства
защитного отключения, оно же используется для предотвращения возгорания
электрооборудования.
1. Расчёт
мощности электродвигателя по нагрузочной диаграмме методом эквивалентного тока
(мощности, момента)
1.1
Определение режима работы электропривода по нагрузочной диаграмме
Для каждого производственного механизма или машины характерна
своя нагрузочная диаграмма, которая определяется условиями её работы.
Следуя рисунку 1 "Нагрузочная диаграмма электропривода
М3" можно определить режим работы электропривода М3. В данном случае это
повторно-кратковременный номинальный режим работы (S3), характеризующийся
тем, что кратковременные периоды пуска и кратковременной неизменной нагрузки
чередуются с периодами отключения двигателя, при этом превышение температуры τ всех частей двигателя не достигается установившегося значения τуст за время одного рабочего цикла.
Повторно-кратковременный режим работы характеризуется
относительной продолжительностью включения.
Продолжительность включения для режима S3 определяется по формуле
, (1)
где - время работы, мин;
- время цикла, мин.
, (2)
Нормируемые значения ПВ - 15,25,40 и 60%.
В зависимости от численного значения ПВ определяется режим работы
электропривода:
· При ПВ > 60% - режим работы считается
продолжительным;
· При ПВ < 10% - режим работы считается
кратковременным;
· При 10% < ПВ < 60% - режим
повторно-кратковременный.
Относительная продолжительность включения составляет 15,33%,
следовательно режим работы электропривода М3 - повторно-кратковременный.
.2 Расчёт
эквивалентного тока (мощности, момента)
Для расчёта эквивалентных значений выходной величины
электропривода график, изображенный на рисунке 1 "Нагрузочная диаграмма
электропривода М3" разбивается на участки времени, на которых выходная
величина неизменна или изменяется незначительно. В тех случаях, когда выходная
величина изменяется интенсивно с целью уменьшения числа временных участков и
упрощения расчёта электропривода на данном участке определяется некоторое
среднее (эквивалентное) значение выходной величины на данном участке.
электропривод производственная установка брикетный
Рисунок 2 - Разбивка графика 
на временные участки.
Выбор мощности двигателя для режима S3 производится по эквивалентной величине мощности и
продолжительности включения. Эквивалентная мощность вычисляется по формуле
, (3)
где
- среднее значение мощности на 1, 2, …, n-ом временном участке, кВт;
- продолжительность времени работы на 1, 2, …, n-ом временном участке, мин;

, (4)
Затем определяют мощность
при повторно-кратковременном режиме, соответствующую данному
значению ПВ

, (5)
Т.к. расчётная продолжительность существенно отличается от
стандартных значений, то расчётная мощность для значения ПВ рассчитывается
следующим образом

, (6)
1.3
Предварительный выбор электродвигателя
По численному значению
в каталоге или справочнике выбираем электродвигатель, исходя из
условия
, где
- номинальная мощность электродвигателя, указанная в каталоге или
справочнике.
Электроприводу М3 соответствует двигатель АИР160М6.
Механические характеристики двигателей представлены в таблице 1.
Таблица 1 - Технические характеристики двигателя типа АИР160М6.
|
тип двигателя
|
Рном,кВт
|
Nном,об/мин
|
КПДпри нагрузке
|
Коэф. мощности
|
Токпри380 В
|
IпускIN
|
MпускMN
|
MмаксMN
|
Моментинерции
|
Масса
|
|
АИР160М6
|
15
|
970
|
89,0
|
0,82
|
31
|
7,0
|
2,3
|
3,0
|
0,075
|
155
|
Проверка
электродвигателя на перегрузочную способность
Проверка электродвигателя на перегрузочную способность
выполняется по максимальному и пусковому моменту.
Используя вычисленное эквивалентное значение мощности,
вычислим эквивалентное значение момента для электропривода М3.
Эквивалентное значение момента находится по формуле
, (7)
где
- эквивалентное значение мощности, кВт;
- значение синхронной скорости электродвигателя, мин-1;
- значение номинального скольжения электродвигателя.

, (8)
Номинальное значение момента электропривода М3 рассчитываем по
формуле

, (9)
, следовательно, условие
выполнено.
Проверка электродвигателя на перегрузочную способность по
максимальному и пусковому моменту выполнена, требования перегрузок
удовлетворены, следовательно, электродвигатель АИР160М6 выбран верно.
1.4
Окончательный выбор электродвигателя
Для электродвигателя привода толкателя прессованного брикета
М3 был выбран двигатель АИР160М6.
Технические и пусковые данные выбранных двигателей приведены
в таблице 1 "Технические характеристики двигателя типа АИР160М6".
Двигатели изготавливаются со степенью защиты IP54.
Проникновение внутрь корпуса пыли не предотвращено полностью, однако количество
проникающей пыли не может нарушить работу изделия. А также гарантирование
защиты от брызг воды (предохранение двигателя от дождя, если двигатель будет
использоваться под открытым небом).
Электродвигатели имеют систему охлаждения IC0041 -
естественное охлаждение, т.к. за рабочие периоды превышение температуры всех
частей двигателя не достигает установившихся значений за время одного рабочего
цикла.
2. Расчёт и
выбор типа электродвигателей производственной установки
Расчет
мощности и выбор электродвигателя привода напорного насоса масляной станции
пресса
М1 - электродвигатель привода напорного насоса масляной
станции пресса, трёхфазный, асинхронный, с к. з. р., нереверсивный,
двухскоростной (соотношение скоростей 2 : 3);
Привод напорного насоса: 10 м3/ч; полный напор =
150 м; гидрожидкость - масло индустриальное И20.
Режим работы - S2
Мощность двигателя (кВт) для привода центробежного насоса
определяется по формуле:
, (10)
где
- подача насоса,
;
- полный напор, м;
- удельный вес перекачиваемой жидкости, Н/
(удельный вес для индустриального масла
И20 = 9810-9010 Н/
, выбираем
=9810 Н/
);
- КПД насоса (от 0,4 до 0,85 в зависимости от режима
использования насоса и его типа, выбираем
=0,5);
- коэффициент запаса;
= от 1,1 до 1,5; выбираем
=1,3;
- КПД передачи; т.к. передача муфтовая
= от 0,98 до 1, выбираем
=0,99;
, (11)
Т.к. значение мощности электропривода М1 составляет 11,59 кВт,
следовательно выбираем двигатель АИР160S4.
Технические характеристики данного двигателя приведены в таблице
2.
Таблица 2 - Технические характеристики двигателя типа АИР160S4.
|
тип двигателя
|
Рном,кВт
|
Nном,об/мин
|
КПДпри нагрузке
|
Коэф. мощности
|
Токпри380 В
|
IпускIN
|
MпускMN
|
MмаксMN
|
Моментинерции
|
Масса
|
|
АИР160S4
|
15
|
1460
|
89.0
|
0.87
|
29
|
7.0
|
1.9
|
2.9
|
0.06
|
120
|
Проверим правильность выбора электродвигателя М1. Для этого
определим эквивалентное и номинальное значения моментов.
Определяем эквивалентный и номинальный моменты

, (12)

, (13)
Критерием адекватности выбора электродвигателя АИР160S4 является
соблюдение условия:
.95,54
95,36, следовательно, условие
выполнено. Двигатель АИР160S4 выбран верно.
Степень защиты выбираем IP54, систему охлаждения IC0041.
Расчет мощности и выбор электродвигателя привода наклонного
ленточного транспортёра подачи металлолома в пресс.
М2 - электродвигатель привода наклонного ленточного транспортёра
подачи металлолома в пресс, трёхфазный, асинхронный, с к. з. р., нереверсивный;
Подача конвейера = 15 т/ч; длина конвейера = 20 м; высота подъёма изделий = 1,2
м; транспортёр - с роликовыми цепями.
Режим работы продолжительный (S2).
Мощность электродвигателя (кВт) передвижных ленточных конвейеров,
если длина конвейера составляет 7-20 метров, определяется по формуле:
, (14)
где:
- коэффициент, зависящий от месторасположения привода конвеера,
привод расположен у приводного барабана, следовательно,
=0,08;
- ширина ленты конвейера, м;
- длина конвейера, м;
- скорость перемещения ленты, возьмем
=1,5 м/с;
- высота подачи материала, м;
- производительность конвейера, т/ч;
- КПД передачи, возьмем
=0,9;
По формуле получим:
, (15)
Т.к. значение мощности электропривода М2 составляет 0,939 кВт,
следовательно выбираем двигатель А80В6.
Технические характеристики данного двигателя приведены в таблице
3.
Таблица 3 - Технические характеристики двигателя типа А80В6.
|
тип двигателя
|
Рном,кВт
|
Nном,об/мин
|
КПДпри нагрузке
|
Коэф. мощности
|
Токпри380 В
|
IпускIN
|
MпускMN
|
MмаксMN
|
Моментинерции
|
Масса
|
|
А80В6
|
1,1
|
930
|
73,5
|
0.72
|
3,2
|
4,0
|
2,0
|
2,4
|
0.0049
|
-
|
Проверим правильность выбора электродвигателя М2.
Для этого определим эквивалентное и номинальное значения
моментов.
Определяем эквивалентный и номинальный моменты

, (16)

, (17)
Критерием адекватности выбора электродвигателя А80В6 является
соблюдение условия:
.10,51
9,66, следовательно, условие
выполнено. Двигатель А80В6 выбран верно. Степень защиты выбираем
IP54, систему охлаждения IC0041.
Расчет мощности и выбор электродвигателя привода цепного конвейера
удаления брикетов.
М4 - электродвигатель привода цепного конвейера удаления брикетов,
трёхфазный, асинхронный, с к. з. р., нереверсивный; подача конвейера = 15 т/ч;
длина конвейера = 10 м; транспортёр - с роликовыми цепями.
Режим работы продолжительный (S1).
Мощность электродвигателя (кВт) цепных конвейеров определяется по
формуле:
, (18)
- коэффициент запаса (1,1-1,3), возьмем
=1,2;
- коэффициент сопротивления транспортируемого материала движению
ходовой части или движению материала по желобу, примем
=1,3;
- горизонтальная проекция конвейера, м;
- высота подачи материала, м;
- производительность конвейера, т/ч;
- КПД передачи, возьмем
=0,9;
По формуле получим:
, (19)
Т.к. значение мощности электропривода М4 составляет 0,71 кВт,
следовательно выбираем двигатель А80А6.
Технические характеристики данного двигателя приведены в таблице
4.
Таблица 4 - Технические характеристики двигателя типа А80А6.
|
тип двигателя
|
Рном,кВт
|
Nном,об/мин
|
КПДпри нагрузке
|
Коэф. мощности
|
Токпри380 В
|
IпускIN
|
MпускMN
|
MмаксMN
|
Моментинерции
|
Масса
|
|
А80А6
|
0,75
|
930
|
71,0
|
0.70
|
2,3
|
4,0
|
2,0
|
2,4
|
0.0040
|
-
|
Проверим правильность выбора электродвигателя М4. Для этого
определим эквивалентное и номинальное значения моментов.
Определяем эквивалентный и номинальный моменты

, (20)

, (21)
Критерием адекватности выбора электродвигателя А80А6 является
соблюдение условия:
.7,35
7,31, следовательно, условие
выполнено. Двигатель А80А6 выбран верно.
Степень защиты выбираем IP54, систему охлаждения IC0041.
3. Разработка
принципиальной схемы управления электроприводами
Рисунок 3 - Принципиальная схема управления электроприводами
Силовая
схема
Рисунок 4 - Силовая схема управления электроприводами
4. Расчет и
обоснование выбора аппаратуры
4.1 Расчет и
обоснование выбора аппаратуры управления электрическими цепями
4.1.1 Выбор
магнитных пускателей
Магнитные пускатели выбираются из условия, что номинальный
ток главной цепи пускателя был больше или равен длительно действующему току
электродвигателя, т.е. должно выполняться условие:
, (22)
Рабочее напряжение пускателя было больше или равно номинальному
напряжению электродвигателя, т.е. должно выполняться условие:
, (23)
Выберем магнитные пускатели для дистанционного пуска двигателей,
их останова и осуществления реверса.
Таблица 5 - Пускатели серии ПМЛ и ПМА
|
Обозначение
|
Тип
|
Iк. н. (А)
|
Потребляемый
ток (А)
|
Число контактов
|
|
КМ1, КМ2
|
ПМЛ 3114-О4А
|
40
|
0,06
|
5 з. + 1 р.
|
|
КМ3
|
ПМЛ 1114-О4А
|
6
|
0,04
|
5 з. + 1 р.
|
|
КМ4, КМ5
|
ПМЛ 3113-О4А
|
40
|
0,06
|
5 з. + 1 р.
|
|
КМ6
|
ПМЛ 1114-О4А
|
6
|
0,04
|
5 з. + 1 р.
|
Все магнитные пускатели имеют степень защиты IP54.
4.1.2 Выбор
реле времени
Реле времени служат для задержки включения или отключения
(возможны и другие функции).
Таблица 6 - Реле времени
|
Обозначение
|
Тип
|
Выдержка
времени
|
Потребляемая
мощность (Вт)
|
Число контактов
с задержкой
|
|
КТ1 - КТ4
|
ВЛ 60Е
|
0,1с. - 30ч.
|
Не более 3,5
|
1 з. + 1 р.
|
Реле ВЛ 60Е имеет задержку включения.
4.1.3 Выбор
кнопок управления
Выбираем выключатели с двумя кнопками: "Пуск" и
"Стоп", для управлением двигателями.
Таблица 7 - Выключатели кнопочные
|
Обозначение
|
Тип
|
Тип толкателя
|
Число контактов
|
|
SB1
- SB2
|
APBB22N
|
Кнопочный
сдвоенный пост
|
4.1.4 Выбор
понижающего трансформатора
Таблица 8 - Понижающий трансформатор
|
Обозначение
|
Тип
|
Мощность (кВА)
|
Напряжение
обмотки (В)
|
|
|
|
Первичной
|
Вторичной
|
|
ТV1
|
ОСМ 0,16
|
0,16
|
380В
|
24В
|
Масса данного трансформатора m=3,8 кг.
Габариты 105x90x107 мм.
4.1.5 Выбор
путевых выключателей
Для контроля движения приводов толкателя прессованного
брикета применяются путевые выключатели. Наиболее распространенными являются
путевые выключатели серии ВП.
Таблица 9 - Путевые выключатели
|
Обозначение
|
Тип
|
Iн (А)
|
Uн (В)
|
Число контактов
|
|
SQ1
- SQ2
|
ВП19М21-А421-54У3
|
10
|
380
|
2 з. + 2 р.
|
4.2 Расчет и
обоснование выбора аппаратуры защиты
4.2.1 Выбор
автоматических выключателей
Автоматические выключатели предназначены для максимально
токовой защиты электрооборудования. Данные аппараты проводят ток при нормальных
условиях работы и отключают электрооборудование при токах короткого замыкания.
Выбираются автоматические выключатели из условия:
АД с к. з. р.:
, (24)
Таблица 10 - Автоматические выключатели
|
Обозначение
|
Тип
|
Iн (А)
|
Uн (В)
|
Характеристика
отключения
|
|
QF1
|
ВА 88-35
|
200
|
380
|
|
|
QF2
|
ВА 61-29
|
30
|
380
|
L
|
|
QF3
|
ВА 61-29
|
5
|
380
|
L
|
|
QF4
|
ВА 88-32
|
35
|
380
|
|
|
QF5
|
ВА 61-29
|
2,5
|
220
|
L
|
4.2.2
Выбор тепловых реле
Ток чувствительного элемента рассчитывают по формуле:
., (25)
Таблица 11 - Тепловые реле
|
Обозначение
|
Тип
|
Код исполнения
|
Предел
регулировки тока (А)
|
Потребляемая
мощность (Вт)
|
|
КК1
|
РТЛ25
|
1012 О4
|
8,0-15
|
1,68
|
|
КК2
|
РТЛ25
|
1008 О4
|
2,5 - 4,0
|
1,87
|
|
КК3
|
РТЛ25
|
1012 О4
|
5,5 - 8,0
|
1,68
|
4.2.3 Выбор
реле тока
Реле тока контролирует возникновение перегрузки двигателя
М3от перегрузки.
Таблица 12 - Реле тока
|
Обозначение
|
Тип
|
Iср. (А)
|
Iн (А)
|
|
KA1 - KA2
|
РТ-140/200
|
100,0 … 200,0
|
16
|
4.3 Расчет и
обоснование выбора аппаратуры перемещения
4.3.1 Выбор
электромагнитного тормоза
Электромагниты применяются для управления тормозными
устройствами электроприводов производственных машин и механизмов.
Электромагниты выбираются по величине номинального тянущего
(толкающего) усилия, мощности управления, величине условного хода якоря и ряду
других характеристик. Также необходимо учитывать род тока (постоянный или
переменный).
Таблица 13 - Характеристики электромагнитного тормоза
|
Обозначение
|
Тип
|
Uном, В
|
Рпотр, Вт
|
|
YA1-YA2
|
ОМ-0520В-12
|
38
|
16
|
4.4 Расчет и
обоснование выбора сигнальной аппаратуры
4.4.1 Выбор
светосигнальной аппаратуры
Выбор светосигнальной аппаратуры осуществляется по напряжению
питания и номинальной мощности. Светосигнальная аппаратура не требует большой
мощности.
Таблица 14 - Светосигнальная аппаратура
|
Обозначение
|
Тип
|
Uн (В)
|
P (Вт)
|
Цвет
|
|
HL1 - HL9
|
ЛС47
|
220
|
0,5
|
зеленый, синий,
красный, желтый
|
4.4.2 Выбор
звукосигнальной аппаратуры
Звукосигнальная аппаратура предназначена для подачи звукового
сигнала. Для предупреждения или информирования персонала о той или иной
технологической операции (пуск двигателя, сигнализация перегрузки) или
внештатной ситуации.
Таблица 15 - Звукосигнальная аппаратура
|
Обозначение
|
Тип
|
Uн (В)
|
Iн (мА)
|
Сила звука (дБ)
|
|
HA1-HA2
|
ЗД47
|
220
|
60
|
60
|
4.5
Расчет и обоснование выбора проводов
Выбор проводов осуществляется исходя из плотности тока
протекающего по проводу. Для медных жил рекомендуемая плотность тока равна от 7
до 10 А/мм2 при токе до 100 А, при токах свыше 100 А - от 3 до 5
А/мм2. Для алюминиевых жил рекомендуемая плотность тока равна от 5
до 8 А/мм2 при токе до 100 А, при токах свыше 100 А - от 1,5 до 2,5
А/мм2.
Выберем сечение провода для подключения двигателя М3.
Расчётное сечение провода находим по формуле
s = Iном / ρ, (25)
где
Iном - номинальный ток двигателя АИС 112 МА4;
ρ - плотность тока в
проводнике (ρ= 7А/мм²),
s = 35/7 = 5 мм², (26)
По рассчитанным значениям подбираем стандартное сечение на
5мм
Марка провода - ППВ-5
Выберем сечение проводов для подключения двигателей М1.
s = 30/7 = 4,29 мм², (27)
По рассчитанным значениям подбираем стандартное сечение на
5мм
Марка провода - ППВ-5
Выберем сечение проводов для подключения двигателей М2.
s = 5/7 = 0,71 мм², (28)
По рассчитанным значениям подбираем стандартное сечение на 1
м².
Марка провода - ППВ-1
Выберем сечение проводов для подключения двигателей М4.
s = 2,5/7 = 0,36 мм², (29)
Произведём выбор сечения провода главной силовой линии.
s = 72,5/7 = 10,36мм², (30)
По рассчитанным значениям подбираем стандартное сечение на
10мм².
Марка провода - ППВ-10.
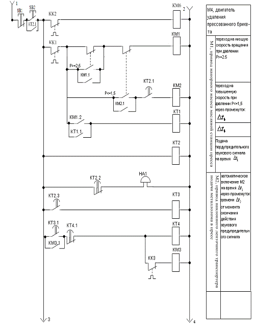
5. Логические
схемы управления электроприводами производственной установки
Разработаем логические схемы управления электроприводами
производственной установки с помощью программного обеспечения LOGO! Soft Comfort (2.0).
Рисунок 5 - Логическая схема управления электроприводами
Заключение
В данной курсовой работе были рассчитаны эквивалентные
мощности и моменты для электродвигателей по нагрузочным диаграммам и по
формулам. Далее выбраны двигатели и проверены на перегрузку.
Была разработана принципиальная и силовая схема управления
электроприводом производственной установкой, отвечающая заданным функциям и
отвечающая условиям безопасности работы. Подобраны аппараты управления, защиты,
сигнализации.
Разработаны логические схемы управления электроприводами на
базе универсальных логических модулей LOGO!
Библиографический
список
1) Драчёв
В.А. Электромеханические системы автоматики: Электропривод: расчёт, выбор и
управление: Учебное пособие по изучению раздела "Автоматизированный
электропривод" и выполнению курсового и дипломного проектирования для
студентов специальности 210200 всех форм обучения. - Красноярск: СибГТУ, 2005.
- 200с.
2) Драчёв
В.А., Драчёва З.А. Автоматизированный электропривод: Методические указания к
выполнению лабораторных работ для студентов специальности 210200 всех форм
обучения. - Красноярск: СибГТУ, 2000.
) Драчёв
В.А. Электромеханические системы автоматизации. Учебное пособие к выполнению
курсового и дипломного проектирования для студентов всех форм обучения
специальности 210200 всех специализаций. Часть 1. - Красноярск: СибГТУ, 2002. -
32 с.
) Драчёв
В.А. Электромеханические системы автоматизации. Учебное пособие к выполнению
курсового и дипломного проектирования для студентов всех форм обучения
специальности 210200 всех специализаций. Часть 2. - Красноярск: СибГТУ, 2002. -
32 с.
) Башарин
А.В., Новиков В.А., Соколовский Г.Г. Управление электроприводами: Учебное
пособие для вузов. - Л.: Энергоиздат. Ленингр. отд-ние, 1982. - 392с., ил.