Система импульсно-фазового управления полупроводниковым преобразователем

  • Вид работы:
    Курсовая работа (т)
  • Предмет:
    Информатика, ВТ, телекоммуникации
  • Язык:
    Русский
    ,
    Формат файла:
    MS Word
    1,54 Мб
  • Опубликовано:
    2015-04-21
Вы можете узнать стоимость помощи в написании студенческой работы.
Помощь в написании работы, которую точно примут!

Система импульсно-фазового управления полупроводниковым преобразователем

ГОУДАРСТВЕННОЕ ОБРАЗОВАТЕЛЬНОЕ УЧРЕЖДЕНИЕ

ВЫСШЕГО ПРОФЕССИОНАЛЬНОГО ОБРАЗОВАНИЯ

СИБИРСКИЙ ФЕДЕРАЛЬНЫЙ УНИВЕРСИТЕТ

Институт горного дела, геологии и геотехнологий

Кафедра Электрификации горно-металлургического производства

 

 

 

 

 



 

КУРСОВОЙ ПРОЕКТ

Дисциплина: Преобразовательная техника

Тема: Система импульсно-фазового управления полупроводниковым преобразователем

Содержание

преобразователь тиристор напряжение импульс

1. Расчет силовой части

.1 Выбор силовой схемы преобразователя

.2 Выбор тиристоров

.3 Построение временной диаграммы

. Структурная схема СИФУ

. Диаграммы закона регулирования

. Синхронизирующее устройство

. Расчет делителя для синхронизирующего устройства

. Расчет формирователя опорного напряжения и фазосдвигающего устройства

.1 Расчет интегратора

.2 Расчет сумматора

.3 Расчет инвертора

.4 Расчет компаратора

. Расчет формирователя импульсов и выходного устройства

.1 Расчет формирователя импульсов и выходного устройства для тиристора управляемого относительно катода

.2 Расчет формирователя импульсов и выходного устройства для оптронного тиристора

8. Расчет блока питания

Список используемых источников

1. Расчет силовой части


.1 Выбор силовой схемы преобразователя

Исходные данные (согласно таблице вариантов, вар. 58):

Число фаз: 3

Схема выпрямления: с нулевой точкой

Тип выпрямителя: нереверсивный

Номинальное выпрямленное напряжение, U0: 460В

Номинальный ток нагрузки, Iн: 22А

│Uу макс│6,5В

Рисунок 1 - Силовая схема преобразователя

.2 Выбор тиристоров

Для силовой части схемы выпрямления выбираем по справочнику тиристорные ключи. для данной схемы выпрямления принимаются оптроны, ток которых фактически соответствует выходному току схемы управления.

Все коэффициенты в формулах принимаем для заданной схемы управления из таблицы 1.

Таблица 1

Схема

U0/U2ф

I2/I0

S2/P0

S1/P0

St/P0

UVSmax/U0

IVS/I0

KП(2)

Однофазная

0,9

1,11

1,23

1,23

1,23

1,57

0,5

0,471

Трехфазная с нулевой точкой

 1,17

 0,577

 1,48

 1,21

 1,35

 2,09

 0,33

 0,177

Трехфазная мостовая

2,34

0,817

1,05

1,05

1,05

1,045

0,33

0,0404


Условные обозначения в таблице:


U0 - среднее значение выпрямленного напряжения;

U2ф-фазное напряжение вторичной обмотки трансформатора;

I2 - ток вторичной обмотки трансформатора;

I0 - среднее значение выпрямленного тока;

P0 - мощность на выходе выпрямителя;

S2 - полная мощность на выходе выпрямителя;

S1 - полная мощность на первичной обмотке трансформатора;

St - полная мощность трансформатора (габаритная);

UVSmax-максимальное обратное напряжение на тиристоре;

IVS -среднее значение тока через тиристор;

kП(2)-коэффициент пульсации выпрямленного напряжения, расчитанный для 2й гармоники.

Напряжение на вторичной обмотке трансформатора (на входе схемы):

Из таблицы 1:

откуда следует:


Максимальное обратное напряжение на тиристоре:

Из таблицы 1:


откуда следует:


Среднее значение выпрямленного тока должно соответствовать номинальному току нагрузки, поэтому: I0 = Iн = 22А

Среднее значение тока через тиристор:

Из таблицы 1:


откуда следует:

IVS = 0,33*I0 = 0,33*22 = 7,26А;

Выбираем тиристор по следующим условиям:

IVSmax > 1,2*IVS = 1,2*7,26 = 8,71А

UVSmax > 1,2*IVS = 1,2*961,4 = 1153,68В;

На основании полученных данных по справочнику принимаем тиристор, и выписываем его основные параметры.

Выбираем оптронный тиристор ТО2-10-10

Основные параметры тиристора сводим в таблицы 2 и 3:

Таблица 2

Тип прибора

Предельные эксплуатационные данные

ТО125-12,5-12

При Тп.max

Iу.пр.и,А

 Uу.при max, В


 Iос.ср.max, А

 Тк, оС

 Uзс.п, В

 Uобр.п, В

Iос.удр,А при tи=10мс, Uобр=0

(duзс./ dt)кр, В/мкс

(diос./ dt)кр, А/мкс

 Тп.max, оС

 min

 max



12,5

85

1200

1200

350

20-500

100

110

0,1

0,8

4


Таблица 3

Тип прибора

Электрические параметры

ТО125-12,5-12

При Тп=25оС

При Тп.max

RТп- к,оС/Вт


Uос.и, В

Iос.и, А

При Uзс=12В

Uразв,К В(Rразв Мом)

tвкл, мкс

tзд, мкс

tвыкл, мкс

Iзс.п, мА

Iобр.п, мА





Iу. от, мА

Uу.от, В









1,4

38,2

80

2,5

(1000)

10

5

100

3

3

1,5


где Iос.ср.max,А - средний максимальный ток в открытом состоянии;

Тк, оС - температура корпуса;

Uзс.п,В - повторяющееся импульсное напряжение в закрытом состоянии;

Uобр.п,В - повторяющееся импульсное обратное напряжение;

Iос.удр,А при tи=10мс, Uобр=0 - ударный неповторяющийся ток в открытом состоянии при tи=10мс длительность импульсного тока в открытом состоянии;

(duзс./dt)кр,В/мкс - критическая скорость нарастания напряжения в закрытом состоянии;

(diос./dt)кр,В/мкс - критическая скорость нарастания тока в открытом состоянии;

Тп.max оС - максимально допустимая температура перехода;

Iу.пр.и,А - прямой импульсный ток управления;

Uу.пр.и max, В - максимальное прямое импульсное напряжение управления;

Uос.и,В - импульсное напряжение в открытом состоянии;

Iос.и, А - импульсный ток в открытом состоянии;

Iу. от,мА-отпирающий постоянный ток управления;

Uу. от,В - отпирающее постоянное напряжение управления;

tвкл, мкс- время включения;

tзд, мкс- время задержки;

tвыкл, мкс- время выключения;

Iзс.п, мА - повторяющий импульсный ток в закрытом состоянии;

Iобр.п, мА - повторяющий импульсный обратный ток;

RТп- к,оС/Вт- тепловое сопротивление переход-корпус.

Рисунок 2 - Тиристор типа ТО125-10-12

.3 Временная диаграмма

Строим диаграммы мгновенного значения напряжения на нагрузке для заданного угла управления.

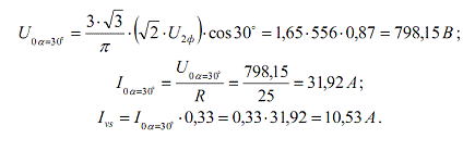
Находим среднее значение выпрямленного напряжения, среднее значение выпрямленного тока и среднее значение тока, протекающего через тиристор, при угле управления α = 30о:


Рисунок 3 - временная диаграмма работы выпрямителя

Рисунок 4 - Регулировочная характеристика Ud = f(α)

- При активной нагрузке.

- При активно-индуктивной нагрузке.

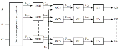
2. Структурная схема СИФУ

Рисунок 5 - структурная схема СИФУ

СУ - синхронизирующее устройство, предназначенное для синхронизации управляющих импульсов с силовой сетью (для временной "привязки" управляющих импульсов к моментам естественной коммутации).

ФОН - формирователь опорного напряжения, предназначенный для получения опорного напряжения Uоп, изменяющегося по косинусоиде в диапазоне регулирования тиристора. При этом в начале диапазона оно равно Uуmax, а в конце диапазона равно нулю (рисунок 6).

ФСУ - фазосдвигающее устройство, предназначенное для получения сдвига фаз между синхронизирующим напряжением и управляющим импульсом на угол управления α в зависимости от величины напряжения управления.

ФИ - формирователь импульсов, формирует импульсы заданной длительности и амплитуды в моменты включения тиристоров.

ВУ - выходное устройство, передающее сформированный импульс на тиристор, предварительно усиливая его.

3. Диаграмма закона регулирования

Для аналоговой системы управления принимаем косинусоидальный закон управления, при котором опорное напряжение Uоп изменяется по косинусоиде в диапазоне регулирования тиристора.

Строим диаграмму закона регулирования для заданной схемы выпрямления:

Рисунок 6 - Диаграмма закона регулирования

Uc=Uдоб=6,5/(1+0,87)=3,48 В,

Uоп=3,48+3,48=6,96 В

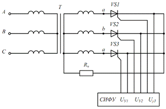
4. Синхронизирующее устройство

Схема синхронизирующего устройства формирует напряжения, совпадающие по фазе с силовым напряжением на тиристорах, и изолирует СИФУ от сети. Напряжения получают с помощью трансформатора, схема соединения которого обеспечивает получение необходимых Uc.

Рисунок 7 - Синхронизирующее устройство для трехфазной схемы выпрямления с нулевой точкой

Выбираем трансформатор синхронизирующего устройства из условия:

U2ф>Uc, U2ф>3,48 В

Выбираем трансформатор марки ТАН1-127/220-50, стержневой U1=220 В, I1=0,215 А

Рисунок 8 - Схема выбранного трансформатора

Напряжение еа отводах первичных обмоток трансформатора ТАН1 на127/220В:

между выводами 1 и 2, 4 и 5 - 110В;

между выводами 2 и 3, 5 и 6 - 7В.

При использовании трансформатора ТАН1-127/220В на 127В необходимо:

соединить выводы 1 и 4, 3 и 6, при этом первичные обмотки соединяются параллельно;

подать напряжение на выводы 1 и 3 или 4 и 6.

При использовании трансформатора ТАН1-127/220В на 220В необходимо:

соединить выводы 2 и 4;

подать напряжение на выводы 1 и 5.

Таблица 4 - Номера вторичных обмоток трансформатора и соответствующие напряжения:

Номер обмоток

7 - 8 9 - 10

11 - 12 13 - 14

15 - 16 17 - 18

19 - 20(21) 22 - 23(24)

Напряжение U2ф

28В

5(6,3)В

Ток I2ф

0,24А

0,19А

0,24А

0,8А


Для получения необходимого напряжения используем три трансформатора ТАН1 - 127/220, а именно выводы 19 - 20 этих трансформаторов (см. рис. 8). U2ф>Uc, 5>3,48 В

5. Расчет делителя для синхронизирующего устройства

Рисунок 9 - Делитель синхронизирующего устройства

Напряжение на выходе делителя должно удовлетворять следующему условию:

Uвых=1,2*Uс,

Uвых=1,2*Uс=1,2*3,48=4,18В;

Для большинства операционных усилителей (ОУ) можно принять

Iвх оу=1мА. Для правильного подбора сопротивлений делителя должно выполняться условие:

IR2=10* Iвх оу;

IR2=10* Iвх оу=10*0,001=0,01А;

По первому закону Кирхгофа:

IR1= IR2+Iвх оу=0,01+0,001=0,011А;

Находим сопротивления делителя, принимая:

R2=R3=2/3*Rд, где:

Rд=Uвых/IR2=4,18/0,01=418Ом;

R2=R3=2/3*418=279Ом;

Из ряда стандартных принимаем ближайшее значение сопротивления:

R2=R3=270Ом;

Резистор R3 выбирается подстроечным и для создания Uвых=4,18В настраивается таким образом, чтобы сопротивление было равно Rд- R2.

Напряжение на выходе трансформатора равно 5В, поэтому:

UR1=U2ф-Uвых=5-4,18=0,82В;

R1= UR1/ IR1=0,82/0,011=74,5Ом;

Из ряда стандартных принимаем ближайшее значение сопротивления:

R1=75Ом;=UR12/R1=0,822/75=0,009Вт;+ PR3= Uвых2/ R2+R3=4,182/540=0,032Вт2=PR3=0,016Вт;

Выбираем резисторы; R1 -МЛТ - 0,125 75Ом+5%

R2 -МЛТ - 0,125 270Ом+5%

R3 -СП3 - 4а - 0,125 270Ом+5%

6. Расчет формирователя опорного напряжения и фазосдвигающего устройства

Формирователь опорного напряжения, предназначен для получения опорного напряжения Uоп, изменяющегося по косинусоиде в диапазоне регулирования тиристора. Он состоит из интегратора, сумматора и инвертора.

ФСУ - фазосдвигающее устройство, предназначенное для получения сдвига фаз между синхронизирующим напряжением и управляющим импульсом на угол управления α в зависимости от величины напряжения управления. Оно выполняется на основе компаратора напряжений.

Коэффициенты передачи первых трех блоков должны быть такими, чтобы из напряжения Uвых получилось напряжение Uоп.

Рисунок 10 - структурная схема формирователя опорного напряжения и фазосдвигающего устройства

Интегратор, сумматор, инвертор и компаратор напряжения выполняются на основе операционного усилителя и имеют различные схемы включения. Марка операционного усилителя для различных схем включения может быть одна, поэтому для интегратора, сумматора, инвертора и компаратора выбираем операционный усилитель К153УД2

Таблица 5 - Номинальные данные операционного усилителя

Тип

Uсф, В

Uп, В

Iпот,мА

Uвых, В

Iвх,нА

Есм, В

К153УД2

+12

+15

6

+10

1500

7,5*10-3


Рисунок 11 - Схема включения операционного усилителя

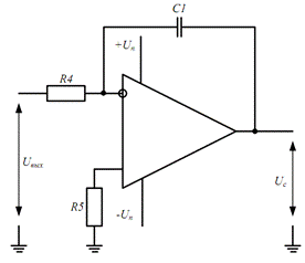
.1 Расчет интегратора

Рисунок 12 - Схема интегратора

Оптимальное входное сопротивление интегратора из условия независимости работы входной цепи ОУ и внешней подключаемой цепи находим по формуле:

R'вх=U 'вх/(Iвх*103)=4,18/(1500*10-9*103)=2787Ом;

где U 'вх входное напряжение блока этой схемы равно Uвых делителя; Iвх входной ток ОУ(из справочника).

Для того чтобы из напряжения на выходе делителя получить опорное напряжение, необходимо выполнение следующего условия:


Допустим из структурной схемы ФОН и ФСУ Ки=Uc/Uвых=3,48/4,18=0,8325.

Для схемы интегратора Ки всегда находится по формуле:


Так как для этой схемы R4= R'вх, то R4=2787Ом. Из ряда стандартных принимаем ближайшее значение сопротивления R4=2,7кОм. Сопротивление R5 принимаем равным сопротивлению R4, поэтому R5=2,7кОм.

Из формулы для коэффициента передачи интегратора находим емкость конденсатора С1:

С1=1/( R4* Ки)=1/(2700*0,8325)=0,0004449 Ф;

Принимаем С1=470 мкФ;

Так как токи очень малы, то потери мощности на резисторах в ФСУ очень малы.

По справочнику выбираем резисторы и емкость:- МЛТ - 0,125 75Ом+5%;

R5 - МЛТ - 0,125 75Ом+5%;

С1 - К50-6 470мкФ 25В.

.2 Расчет сумматора

Рисунок 13 - Схема сумматора

Оптимальное входное сопротивление сумматора из условия независимости работы входной цепи ОУ и внешней подключаемой цепи можно найти по формуле:

R'вх=U 'вх/(Iвх*103)=6,96/(1500*10-9*103)=4640Ом;

где U 'вх входное напряжение блока этой схемы равно Uоп; Iвх входной ток ОУ (из справочника).

При условии, что Ки=0,8325, то для того чтобы из напряжения на выходе делителя получить опорное напряжение, необходимо выполнение следующего условия: Кс=1.

Для данной схемы:


Так как сопротивления подключены по отношению ко входу параллельно, то:


При условии, что Кс=1, все сопротивления равны между собой: R6= R7= R8, откуда


следовательно: R6= R7= R8= R'вх*3=4640*3=13920Ом;

принимаем R6= R7= R8=13кОм;

Сопротивление R9 для сумматора равно входному, поэтому:

= R'вх=4640Ом

принимаем R9=4,7кОм;- МЛТ - 0,125 13кОм+5%;

R7 - МЛТ - 0,125 13кОм+5%;

R8 - МЛТ - 0,125 13кОм+5%;

R9 - МЛТ - 0,125 4,7кОм+5%;

Выходное напряжение сумматора Uоп рассчитываем по формуле:

Uоп= - R8*(Uc/R6+Uдоб/ R7)= - 13000*(3,48/13000+3,48/13000)=

6,96 В,

Uоп= - Кс*(Uc+ Uдоб)= - 1*(3,48+3,48)= - 6,96 В.

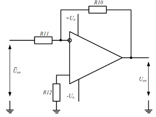
.3 Расчет инвертора

Рисунок 14 - Схема инвертора

Оптимальное входное сопротивление инвертора из условия независимости работы входной цепи ОУ и внешней подключаемой цепи находим по формуле:

R'вх=U 'вх/(Iвх*103)=6,96/(1500*10-9*103)=4640Ом;

При условии, что Ки=0,8325, Кс=1, то для того чтобы из напряжения на выходе делителя получить опорное напряжение, необходимо выполнение следующего условия: Кин=1.

Для данной схемы:


Так как сопротивления подключены по отношению ко входу параллельно, то:


откуда следует,что: R10= R11= R'вх*2=4640*2=9280Ом,

принимаем R10= R11=9,1кОм;

Сопротивление R12 для инвертора равно входному, поэтому:= R'вх=4640Ом

принимаем R12=4,7кОм.

В результате расчета выбираем резисторы:

R10 - МЛТ - 0,125 9,1кОм+5%;

R11 - МЛТ - 0,125 9,1кОм+5%;

R12 - МЛТ - 0,125 4,7кОм+5%;

Выходное напряжение сумматора Uоп рассчитываем по формуле:

Uоп= - Uоп*(R10/R11)= - (-6,96)*(9,1/9,1)=6,96 В,

Uоп= - Uоп*Кс= - (-6,96)*1=6,96 В.

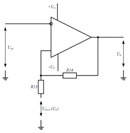
.4 Расчет компаратора

Принимаем произвольное опорное напряжение компаратора из диапазона измерения напряжения управления Uу max, например, Uоп.к=7,3 В (на рисунках 5 и 10 Uоп.к - это Uу.

Рисунок 15 - Схема компаратора

Рассчитываем цепь обратной связи:


где Uвых - максимальное напряжение на выходе ОУ (из справочника); Uпом - напряжение помехи, равное 2% от амплитуды входного напряжения; β - коэффициент обратной связи компаратора.

Напряжение помехи:

Uпом =(2* Uоп*√2)/100=(2*6,96*√2)/100=0,197 В;

коэффициент обратной связи компаратора:

β=(1,1* Uпом)/ Uвых=(1,1*0,197)/10=0,0217 В;

Оптимальное входное сопротивление из условия независимости работы входной цепи ОУ и внешней подключаемой цепи:

R'вх= U 'вх/( Iвх*103)=6,96/(1500*10-9*103)=4640Ом;

где U 'вх входное напряжение блока этой схемы равно Uоп;

Для данной схемы:


Коэффициент обратной связи компаратора определяем по формуле:


откуда:

таким образом, сопротивление R14 определяем следующим образом:= Rвх /β=4640/0,0217=213825Ом;

принимаем R14=220кОм.

Из формулы для коэффициента обратной связи компаратора:

13=(β* R14)/(1-β)=(0,0217*220000)/(1-0,0217)=4879,9Ом;

принимаем R13=4,7кОм.

Напряжения срабатывания компаратора:

=((10*4700)/(4700+220000))+((7,3*220000)/(4700+220000))=7,356 В;=((-10*4700)/(4700+220000))+((7,3*220000)/(4700+220000))=6,938В;= Ur1 - Ur2=7,356 - 6,938=0,418 В.

Проверка по напряжению помехи:

,418/2>1,1*0,197

,209>0,217.

Условие не выполняется, значит необходимо принять ближайшее большее сопротивление R13=5,1кОм, тогда:

Ur1=7,361 В; Ur1=6,908 В= Ur1 - Ur2=7,361 - 6,908=0,453 В.

Проверка по напряжению помехи:

,453/2>1,1*0,197

,227>0,217.

Условие выполняется.

В результате расчета выбираем резисторы:

R13 - МЛТ - 0,125 5,1кОм+5%;

R14 - МЛТ - 0,125 220кОм+5%;

7. Расчет формирователя импульсов и выходного устройства

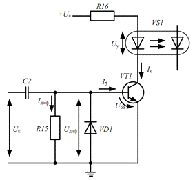
Формирователь импульсов и выходное устройство предназначены для формирования импульсов заданной амплитуды и длительности из прямоугольного выходного сигнала компаратора (сигнал 1, рис. 18). Амплитуда импульса (сигнал 12, рис. 18) должна быть не менее Uу тиристора в течении 3*tвкл (прямоугольник 3, рис. 18). Импульс с требуемыми временными характеристиками получаем на выходе дифференцирующего звена, заданная амплитуда импульса обеспечивается усилительным каскадом на транзисторе, работающем в ключевом режиме. Отрицательный выброс на входе дифференцирующего звена (сигнал 4, рис. 18) должен быть погашен.

.1 Расчет формирователя импульсов и выходного устройства для тиристора управляемого относительно катода

Для расчета формирователя импульсов и выходного устройства необходимо знать следующие параметры выбранного тиристора: Uу.от=2,5 В; Iу. от=0,08 А; tвкл,=10 мкс.

Рисунок 16 - Формирователь импульсов и выходного устройства для тиристора управляемого относительно катода

Выходное устройство состоит из транзистора VT1, резистора R16, импульсного трансформатора Т1 и диодов VD2 и VD3.

Для выходного устройства принимаем стандартный импульсный трансформатор Т1 марки ММТИ-20 с параметрами:

Амплитуда импульса в первичной обмотке U1 до 30 В.

Ток первичной обмотки не более I1=300 мА.

Коэффициент трансформации К=1.

Выбирается транзистор VT1из условий:

Iк.max ≥1,2* Iу.от=1,2*0,080=0,096 А,

где Iк.max - максимальный ток коллектора транзистора.

Uкэ.max ≥1,2* Uп=1,2*15=18 В;

где Uкэ.max - максимальное напряжение коллектор - эмиттер транзистора, Uп - напряжение источника питания, равное напряжению питания операционного усилителя.

Выбираем транзистор КТ817А

Таблица 6 - Номинальные данные транзистора

Электрические параметры

Выходная мощность при UКЭ = 28 В; f = 175 МГц

25 Вт

Коэффициент усиления по мощности при UКЭ = 28 В; f = 175 МГц

25

Коэффициент полезного действия коллектора

не менее 55%

Статический коэффициент передачи тока в схеме с общим эмиттером при UКЭ = 5 В; IК = 0,25 А

25

Напряжение насыщения коллектор - эмиттер, типовое значение при Iк = 1 А; Iб = 100 мА;

0,6

Модуль коэффициента передачи тока при f = 100 МГц; UКЭ = 10 В;IК = 1,5 А

15

Критический ток коллектора при UКЭ = 10 В; f = 100 МГц

3 А

Постоянная времени цепи обратной связи при UКЭ = 10 В; f = 5 МГц; IЭ = 150 мА

не более 20

Емкость коллекторного перехода при UКБ = 10 В; f = 1 МГц

60 пФ

Емкость эмиттерного перехода при UЭБ = 0,5 В; f = 5 МГц

115 пФ

Обратный ток коллектор - эмиттер при UКЭ = 65 В; RЭБ = 100 Ом не более;

100 мкА


1500 мкА


3000 мкА

Обратный ток эмиттера при UЭБ = 4 В не более

1,0


10


2

Индуктивность выводов при l = 1мм

1,1 нГн


2,4 нГн


2,5 нГн

Емкость электродов относительно корпуса

эмиттер-корпус 1,84 пФ


коллектор-корпус 1,53 пФ


база-корпус 0,96 пФ

Предельные эксплуатационные данные

Постоянное напряжение коллектор - эмиттер при RБЭ ≤ 1 кОм

40 В

Постоянное напряжение эмиттер - база

5 В

Постоянный ток коллектора

3 А

Импульсный ток коллектора при τи ≤ 20 мкс, Q ≥ 100

6 А

Средняя рассеиваемая мощность в динамическом режиме

25 Вт


1 Вт

Тепловое сопротивление переход - корпус

6 К/Вт

Температура перехода

423 К

Температура окружающей среды

233-373 К

Напряжение насыщения база - эмиттер при IК = 250 мА; IБ = 50 мА

0,6 В


Проверяем выбранный транзистор:

А ≥ 0,096 А;

В ≥ 18 В

Находим сопротивление R16:

R16 ≥ (Uп - Uкэ.нас - Uу.от)/Iу.от=(15 - 0,6 - 2,5)/0,08=149Ом;

где Uу.от,В - отпирающее постоянное напряжение управления тиристора; Iу.от,мА - отпирающий постоянный ток управления тиристора; Uкэ.нас - напряжение насыщения коллектор - эмиттер.

Принимаем R16=150Ом.

Проверка:

Iк.max > Iк.max расч.= (Uп - Uкэ.нас)/ R16=(15 - 0,6)/150=0,96 А;

А ≥ 0,96 А.

Находим ток коллектора Iк:

Iк=(Uп - Uкэ.нас - Uу.от)/ R16=(15 - 0,6 - 2,5)/150=0,079 А.

Падение напряжения на сопротивлении:

UR16= Iк* R16=0,079*150=11,85 В

Рассеиваемая мощность на сопротивлении R16:

PR16=UR16 2/ R16=11,852/150=0,94 Вт;

Выбираем резистор:

- МЛТ - 2 150Ом+5%.

Выбираем диоды VD2 и VD3 по условию:

Uобр ≥1,2* Uп=1,2*15=18 В;

Iпр ≥1,2* Iу.от=1,2*0,080=0,096 А,

Принимаем диоды:

VD2 и VD3 - КД106А

Таблица 7 - Номинальные данные диода

Тип прибора

Предельные значения параметров режима при Т=25ºС

Диод КД106А

Iпр. ср. max,мА

Т, ºС

f, кГц

Uобр, и, п max, В

Uобрmax, В

Iпрг, А

tи(tпрг), мс

fmax, МГц


300

70

30

100

100

3

1

0,05


где: Iпр.ср.max, мА - максимальный средний прямой ток диода;

Т оС - температура окружающей среды;

f, кГц - частота;

Uобр.и.пmax, В - максимальное повторяющееся импульсное напряжение выпрямительного диода;

Uобр.пmax, В - максимальное постоянное напряжение диода;

Iпрг, А - ток перегрузки выпрямительного диода;

tи(tпрг), мс - длительность одноразового импульса тока перегрузки (время перегрузки в течении переходного процесса);

fmax, МГц - максимально допустимая частота.

Проверка:

Uобр ≥1,2* Uп

В ≥ 18 В;

Iпр ≥1,2* Iвх.max

,3 А ≥ 0,096 А.

Формирователь импульсов состоит из резистора R15, диода VD1 и конденсатора С2.

Принимаем:

Iдиф=10* Iб=10*0,0032=0,032 А,

где Iб - ток базы транзистора:

Iб= Iк/h21эср=0,079/25=0,0032 А,

где h21эср - средний статистический коэффициент передачи тока:

h21эср=(h21эmin+ h21эmax)/2=(30+20)/2=25.

Находим сопротивление R15:

R15=Uк/Iдиф=10/0,032=312,5Ом;

где Uк - напряжение на выходе компаратора и на входе формирователя импульсов, равное напряжнию на выходе операционного усилителя (из справочника), Uк=10 В.

Принимаем R15 = 300Ом.

Расчитываем мощность на сопротивлении R15:

PR15=Uк 2/ R15=102/300=0,333 Вт;

Выбираем резистор:

R15 - МЛТ - 0,5 300Ом+5%.

Находим емкость С2:

Уравнение для напряжения на сопротивлении, через которое протекает ток перезаряда конденсатора:


Для последовательной RC цепи τ = R15*С2 из рисунка 16 Uдиф=Uбэ нас при t=3*tвкл, тогда:


С2=(3*10*10-6)/(300*ln*(10/0,6))=0,0355*10-6 Ф,

где Uбэ нас - напряжение насыщения база - эмиттер из таблицы 6.

Принимаем конденсатор С2=К74-5 36нФ50В±10%

Таблица 8 - Номинальные данные конденсатора

Тип прибора

Номинальное напряжение, В

Номинальная емкость

Допускаемое отклонение, % ряд емкостей

К74-5

50

1нФ - 0,22мкФ

±10;±20;Е6


Выбираем диод VD1 из условий:

Uобр ≥1,2* Uк=1,2*10=12 В;

Iпр ≥1,2* Iвх max=1,2*0,0333=0,04 А,

Iвх max= Uк/ R15=10/300=0,0333 A,

Принимаем диод:

VD1 - КД106А

Таблица 9 - Номинальные данные диода

Тип прибора

Предельные значения параметров режима при Т=25ºС

Диод КД106А

Iпр. ср. max,мА

Т, ºС

f, кГц

Uобр, и, п max, В

Uобрmax, В

Iпрг, А

tи(tпрг), мс

fmax, МГц


300

70

30

100

100

3

1

0,05


Проверка:

Uобр ≥1,2* Uп

В ≥ 12 В;

Iпр ≥1,2* Iвх.max

,3 А ≥ 0,04 А.

7.2 Расчет формирователя импульсов и выходного устройства для оптронного тиристора

Для расчета формирователя импульсов и выходного устройства необходимо знать следующие параметры выбранного тиристора: Uу.от=2,5 В; Iу. от=0,08 А; tвкл,=10 мкс.

Рисунок 17 - Формирователь импульсов и выходное устройство для оптронного тиристора

Выходное устройство состоит из транзистора VT1, резистора R16.

Выбирается транзистор VT1из условий:

Iк.max ≥1,2* Iу.от=1,2*0,080=0,096 А,

где Iк.max - максимальный ток коллектора транзистора.

Uкэ.max ≥1,2* Uп=1,2*15=18 В;

где Uкэ.max - максимальное напряжение коллектор - эмиттер транзистора, Uп - напряжение источника питания, равное напряжению питания операционного усилителя.

Выбираем транзистор КТ817А (номинальные данные приведены в таблице 6)

Проверяем выбранный транзистор:

А ≥ 0,096 А;

В ≥ 18 В

Находим сопротивление R16:

R16 ≥ (Uп - Uкэ.нас - Uу.от)/Iу.от=(15 - 0,6 - 2,5)/0,08=149Ом;

где Uу.от,В - отпирающее постоянное напряжение управления тиристора; Iу.от,мА - отпирающий постоянный ток управления тиристора; Uкэ.нас - напряжение насыщения коллектор - эмиттер.

Принимаем R16=150Ом.

Проверка:

Iк.max > Iк.max расч.= (Uп - Uкэ.нас)/ R16=(15 - 0,6)/150=0,96 А;

А ≥ 0,96 А.

Находим ток коллектора Iк:

Iк=(Uп - Uкэ.нас - Uу.от)/ R16=(15 - 0,6 - 2,5)/150=0,079 А.

Падение напряжения на сопротивлении:

UR16= Iк* R16=0,079*150=11,85 В

Рассеиваемая мощность на сопротивлении R16:

PR16=UR16 2/ R16=11,852/150=0,94 Вт;

Выбираем резистор: R13 - МЛТ - 2 150Ом+5%.

Формирователь импульсов состоит из резистора R15, диода VD1 и конденсатора С2.

Принимаем:

Iдиф=10* Iб=10*0,0032=0,032 А,

где Iб - ток базы транзистора:

Iб= Iк/h21эср=0,079/25=0,0032 А,

где h21эср - средний статистический коэффициент передачи тока:

h21эср=(h21эmin+ h21эmax)/2=(30+20)/2=25.

Находим сопротивление R15:

=Uк/Iдиф=10/0,032=312,5Ом;

где Uк - напряжение на выходе компаратора и на входе формирователя импульсов, равное напряжнию на выходе операционного усилителя (из справочника), Uк=10 В.

Принимаем R15 = 300Ом.

Расчитываем мощность на сопротивлении R15:

PR15=Uк 2/ R15=102/300=0,333 Вт;

Выбираем резистор:

- МЛТ - 0,5 300Ом+5%.

Находим емкость С2:

Уравнение для напряжения на сопротивлении, через которое протекает ток перезаряда конденсатора:


Для последовательной RC цепи τ = R15*С2 из рисунка 16 Uдиф=Uбэ нас при t=3*tвкл, тогда:

С2=(3*10*10-6)/(300*ln*(10/0,6))=0,0355*10-6 Ф,

где Uбэ нас - напряжение насыщения база - эмиттер из таблицы 6.

Принимаем конденсатор С2=36нФ

Выбираем конденсатор (номинальные данные приведены в таблице 8):

С2=К74-5 36нФ50В±10%

Выбираем диод VD1 из условий:

Uобр ≥1,2* Uк=1,2*10=12 В;

Iпр ≥1,2* Iвх max=1,2*0,0333=0,04 А,

Iвх max= Uк/ R15=10/300=0,0333 A,

Принимаем диод (номинальные данные приведены в таблице 9):

VD1 - КД106А

Проверка:

Uобр ≥1,2* Uп

В ≥ 12 В;

Iпр ≥1,2* Iвх.max

,3 А ≥ 0,04 А.




Рисунок 18 - Осциллограммы СИФУ

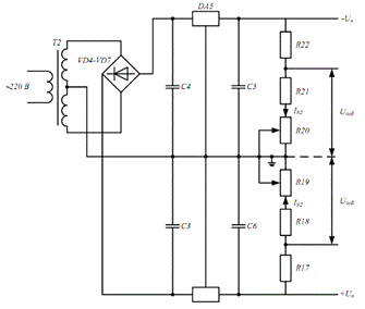
8. Расчет блока питания

Блок питания должен вырабатывать напряжение ±15 В для питания операционного усилителя и ±3,48 В для сумматоров.

Для блока питания выбираем схему:

Рисунок 19 - Блок питания

Выбираем стабилизаторы напряжения:

Для DA5:

Uвых = - 15 В.

Iн = 24* Iпот оу + Iд = 24*0,006+0,000015=0,144015 А;

где Uвых - напряжение необходимое для питания ОУ равное Uп; Iн - ток нагрузки стабилизатора напряжения, определяемый количеством подключаемых ОУ; Iпот оу - потребляемый ОУ ток (из справочника); значение "24" зависит от количества каналов управления: 2 канала - 16, 3 канала - 24; 4 канала - 32; 6 каналов - 48; 8 каналов - 64.

Для DA6:

Uвых = + 15 В.

Iн = 24* Iпот оу + Iд = 24*0,006+0,000015=0,144015 А;

Выбираем стабилизаторы:

DA5 - LM337T: Uвых = - 15 В; Iн.max =1,5 А; Iпот= 50÷100 мкА

Корпус ТО-220(-)

DA5 - LM317T: Uвых = - 15 В; Iн.max =1,5 А; Iпот= 50÷100 мкА

Корпус ТО-220(+)

Выбираем трансформатор блока питания из условий:

) Выпрямленное напряжение на входе стабилизатора должно быть не менее 18 В, так как минимальное напряжение между входом и выходом стабилизатора должно быть не менее 2÷3 В; и на входе стабилизатора не более 35 В, так как максимальное входное напряжение 35 В.

) I2ф ≥ 1,2* Iпот оу = 1,2*0,006 = 0,0072 А.

Используются обмотки 7-8, 9-10 трансформатора ТАН1-127/220-50 (таблица 4), напряжение и ток которых соответственно равны U2ф=28 В; I2ф=0,24 А.

Выбираем диодный блок из условий:

Uобр ≥1,2* U2ф =1,2*28=33,6 В;

Iпр ≥1,2* Iпот оу =1,2*0,006=0,0072 А,

Принимаем диодный блок типа

Таблица 10 - номинальные данные диодного блока


Предельные значения параметров режима при Т=25ºС

 КД102Б

Iпр. ср. max, А

Т, ºС

f, кГц

Uобр, и, п max, В

Uобрmax, В

Iпрг, А

tи(tпрг), мс

fmax, кГц

0,1

50

1

200

300

0,6

0,1

20

Тип прибора

Тmax, ºС

Значение параметров при Т=25ºС

 КД102Б


Uкз(Uпр,ср), В

Iкз(Iпр,ср), А

Iхх(Iобр,ср), мкА


125

1

0,05

1


где: Iпр.ср.max, мА - максимальный средний прямой ток диода;

Т оС - температура окружающей среды;

f, кГц - частота;

Uобр.и.пmax, В - максимальное повторяющееся импульсное напряжение выпрямительного диода;

Uобр.пmax, В - максимальное постоянное напряжение диода;

Iпрг, А - ток перегрузки выпрямительного диода;

tи(tпрг), мс - длительность одноразового импульса тока перегрузки (время перегрузки в течении переходного процесса);

fmax, МГц - максимально допустимая частота.

Тmax, ºС - максимально рабочая температура;кз(Uпр,ср), В - напряжение короткого замыкания (среднее прямое напряжение диода);

Iкз(Iпр,ср), А - ток короткого замыкания (средний прямой ток диода);

Iхх(Iобр,ср), мкА - ток холостого хода (средний обратный ток выпрямительного диода).

Проверяем по условию:

Uобр ≥1,2* U2ф =1,2*28=33,6 В;

В ≥ 33,6 В;

Iпр ≥1,2* Iпот оу =1,2*0,006=0,0072 А;

,1 А ≥ 0,0072 А.

В соответствии с рекомендациями по применению стабилизаторов напряжения, принимаем конденсаторы:

С3 - С6 - К50 - 22 - 2200мкФ 50 В.

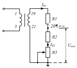
Рассчитываем делитель напряжения:

Рисунок 20 - Делитель для получения напряжения UΣ

Принимаем входной ток ОУ равным 1500*10-9А.

IR18=10* Iвх оу=10*1500*10-9=0,000015 А;

IR17= IR18 + Iвх оу=0,000015+0,0000015=0,0000165 А;

Находим сопротивление делителя, принимая:

R18= R19 =2/3*RД=2/3*232000=154667Ом;

RД=Uвых/ IR18=3,48/0,000015=232000Ом;

Uвых= Uдоб=3,48 В.

Принимаем R18= R19 =160кОм.

R17=(Uп -Uвых)/ IR17=(15-3,48)/0,0000165=698182Ом;

Принимаем R17=680кОм.

Рассчитываем мощность на сопротивлениях:

PR17=(Uп -Uвых)2/ R17=(15-3,48)2/680000=0,00019 Вт;

PR18= PR19= Uвых2/ R18=3,482/160000=0,000076 Вт;

Выбираем резисторы:

R17 - МЛТ - 0,125 680кОм+5%;

R18 - МЛТ - 0,125 160кОм+5%;

R19 - МЛТ - 0,125 160кОм+5%;

Список используемых источников

1. Резисторы: Справочник/В. В. Дубровский, Д.М. Иванов, Н. Я. Пратусевич и др.; Под ред. И. И. Четверткова и В. М. Терехова. - 2-е изд., перераб. И доп. - М.: Радио и связь, 1991. - 528 с.: ил.

. Мощные полупроводниковые приборы. Тиристоры: Справочник/В. Я.

Замятин, Б. В. Кондратьев, В.М. Петухов. - М.: Радио и связь, 1987. -

с.: ил.

. Массовая радиобиблиотека основана в 1947 году выпуск 1155. Тиристоры справочник, Москва.: Радио и связь, 1990. - 269 с.: ил.

. Горячева Г. А., Добромысова Е. Р. Конденсаторы: Справочник. - М.:

Радио и связь, 1984. - 88 с., ил. - (Массовая радиобиблиотека. Вып.

).

. Диоды: Справочник/О. П. Григорьев, В. Я. Замятин, Б. В. Кондратьев,

С. Л. Пожидаев. - М.: Радио и связь, 1990. - 336 с.: ил. - (Массовая радиобиблиотека. Вып. 1158).

. Полупроводниковые приборы: транзисторы Справочник, под общей

редакцией Н.Н. Горюнова издание второе переработанное Москва энергатомиздат 1985 - 897 с.: ил.

. Справочные материалы приложенные к методическому указанию.

Похожие работы на - Система импульсно-фазового управления полупроводниковым преобразователем

 

Не нашли материал для своей работы?
Поможем написать уникальную работу
Без плагиата!
Без нейросетей!