Разработка и проектирование тиристорного преобразователя для электропривода

  • Вид работы:
    Курсовая работа (т)
  • Предмет:
    Физика
  • Язык:
    Русский
    ,
    Формат файла:
    MS Word
    538,25 Кб
  • Опубликовано:
    2012-04-02
Вы можете узнать стоимость помощи в написании студенческой работы.
Помощь в написании работы, которую точно примут!

Разработка и проектирование тиристорного преобразователя для электропривода

Введение

Трехфазные сети широко распространены в энергетике и используются для производства и передачи электрической энергии. Трехфазные системы были разработаны русским электриком М.О.Доливо-Добровольским (1862 - 1919 гг.) и представляют собой систему из трёх источников переменного тока, ЭДС которых сдвинуты друг относительно друга на угол 120°.

В настоящее системы преобразования переменного синусоидального напряжения и тока в постоянные практически полностью представлены полупроводниковыми выпрямителями. Очень часто также необходимо регулировать величину полученного постоянного напряжения. Экономически выгодно снабдить выпрямитель системой импульсно-фазового управления в силу относительной ее дешевизны, высокого КПД и компактности.

С помощью выпрямителей осуществляется преобразование энергии переменного тока в энергию постоянного тока. В промышленных установках применяют различные схемы выпрямления переменного тока в постоянный, каждая из которых имеет свои достоинства и недостатки. При сравнении различных схем выпрямления учитывают следующие их технические характеристики: число полупроводниковых приборов, коэффициент пульсаций выпрямленного напряжения, габаритную мощность трансформатора.

В трехфазной мостовой схеме в любой момент времени при активной нагрузке ток проходит через два диода - один из нечетной, а другой - из четной группы. Диоды нечетной группы коммутируются в момент пересечения положительных участков синусоид, а четной группы - в момент пересечения отрицательных участков. В результате при наличии двух групп получают шестифазное выпрямление.

Достоинствами трехфазных мостовых схем, широко применяемых в выпрямительных устройствах, являются: небольшой коэффициент пульсаций выпрямленного напряжения; малое обратное напряжение; малая габаритная мощность трансформаторов; отсутствие вынужденного подмагничивания, так как ток во вторичной обмотке трансформатора изменяет свое направление.


1. Разработка принципиальной схемы преобразователя

В основных схемах включения тиристоров ток во внешнюю цепь подается только в одном направлении.

Для многих потребителей направление тока определяет технологический режим работы. Например, в машинах циклического действия (экскаваторах, перегрузочных машинах и др.) изменение направления движения рабочих органов осуществляется реверсированием тока нагрузки приводных двигателей.

Существует два способа управлениями тиристорами в реверсивных схемах: совместное и раздельное. В схемах с совместным управлением управляющие импульсы подаются к тиристорам обеих групп. Регулирование импульсов в комплектах тиристоров производится так, чтобы один из них работал в выпрямительном режиме, другой- в инверторном.

    

Рисунок 1. Трехфазная мостовая встречно- параллельная схема

2. Разработка расчетной схемы силовой части преобразователя

В электроприводах средней и большой мощности применяются трехфазная мостовая схема. Расчетная схема преобразователя приведена на рисунке 1.

Схема содержит вентильный блок, выполненный по трехфазной мостовой схеме, силовой трансформатор Т1 и систему защиты тиристоров от коммутационных перенапряжений и перенапряжений со стороны сети.

Расчет и выбор мощности трансформатора вентилей и устройств защиты выполнен по известным методикам. Исходными данными являются паспортные данные подъемного двигателя.

Рисунок 2. Расчетная схема силовой части ТП

2.1 Исходные данные

Технические данные электродвигателя

Номинальное напряжение, В…………………………………..240

Номинальный ток, А…………………………………………...170

Максимальный ток, А………………………………………….425

2.2 Основные параметры трехфазной схемы

Ku=0.427 Ed0/E2ф=2,34 Ks=1.045 KI1=0.817 KI2=0.87


3. Расчет и выбор силового трансформатора

Требуемая величина напряжений на вторичной обмотке трансформатора определяет выражение:

E=KU∙Kc∙Kα∙KR∙Ku∙Uн , (1)

где, Kc- коэффициент учитывающей возможность снижения напряжения в питающей сети. Kα- коэффициент учитывающий неполное открывание тиристора при максимальном управляющем сигнале. KR-коэффициент учитывающей падение напряжения в преобразователе.

После подстановки получаем:

Е2ф=0,427∙1,1∙1,1∙1,1∙240=136,4 В

Действующие значение фазного тока вторичной обмотки трансформатора

I2ф=1,1∙0,87∙170=162,7 А

Действующие значение тока первичной обмотки трансформатора

I1ф=162,7/3,3=49,3 А

Ктр=0,95∙220/136,4=1,53

Расчетная мощность

SТ=√3∙380∙162.7=107кВа

4. Расчет и выбор тиристоров

Для трехфазной мостовой схемы тиристоры выбираются по длительно допустимому току и максимально обратному повторяющему напряжению.

Iмакс=2,5∙170=425 А

Средний ток протекающий через тиристор в каждом плече моста

Iср=425/3=141,7 А

Принимаем принудительное охлаждение:

IП=1,4∙1,1∙141,7=218,2 А

Амплитуда обратного повторяющегося напряжения

UП=1,4∙√2∙√3∙136,4=467,8 В

К установке принимаем тиристор Т133-400

У этого тиристора IП=218,2 А UП=467,8 В

5. Расчет и выбор элементов устройств защиты

Длительная и надежная работа полупроводниковых преобразовательных устройств обеспечивается, если основные параметры полупроводниковых элементов: прямое и обратное напряжение на вентилях не превышает допустимы пределов, скорость нарастание прямого напряжения и тока нагрузки не превышает критического значения, максимальное значение тока нагрузки приводит к перегреву вентилей. Превышение прямого и обратного напряжения на вентилях допустимых величин (перенапряжений) приводит к пробою вентилей и потери работоспособности преобразователей. Превышение прямого тока допустимой величины приводит к перегреву полупроводников и разрушений p-n перехода. Превышение скорости нарастания прямого тока может привести к локальному перегреву p-n перехода и к таким же последствиям. К наиболее характерному аварийному режиму полупроводниковых преобразователей являются: перенапряжение на вентилях; короткие замыкания (внутренние и внешние); перегрузка по току; Предотвращения повреждения вентилей в аварийных режимах осуществляется с помощью устройств защиты. Выбор системы защиты тиристорных агрегатов является сложная технической задачей, требующая учет различных факторов, определяющих протекание аварийных процессов и их последствие. В первую очередь это перегрузочная способность тиристора. Существует ряд факторов, приводящих к разрушению тиристоров, или не допустимому изменению их характеристик в результате нагрева аварийным током. С учётом этого выбираем следующие виды защиты тиристоров:

от коммутационных перенапряжений

от перенапряжений со стороны сети

от внешних коротких замыканий

В связи с высоким напряжением питания силовых трансформаторов для подключения к сети принимаем масляные включатели. На вторичной стороне для защиты от коротких замыканий устанавливаем быстродействующие автоматические выключатели ВА 57-39, у которых UH=400 В, IH=250 А переменного тока частотой 50 и 60 Гц, для отключения тока при аварийных ситуациях; От коммутационных перенапряжений тиристоров защищаем с помощью RC-цепочек, включаемых параллельно каждому из них. Параметры RC-цепочек определяем по ориентировочным формулам

С=10∙425/467,8=9,1 мкФ

Сопротивление резистора включаемого последовательно с конденсатором

R=10∙467,8/425=11 Ом

От перенапряжения со стороны сети принимаем так же RC-цепочеку включаемую к преобразователю через трехфазный мост.

При нормальной работе преобразователя выходное напряжения моста равно:

Е2ф=2,34∙136,4=319,2 В

Примем, что в момент отключения трансформатора без нагрузки выходное напряжение выпрямителя удваивается

U2=2∙319,2=638,4 В

Для выпрямителя выбираем вентили Д-132-40, у которых IH=40 А, импульсный ток равен 500 А. Перепад напряжений в момент выключения составит

∆ U=638,4-319,2=319,2 В

Зарядный ток конденсатора, вызванный перепадом напряжения ограничивается резистором, величина которого определяется из условия

R1≥ ∆ U/ IП≥1.46 Ом R1≥ ∆ U/ Iмакс≥0,75 Ом

В процессе дополнительного заряда конденсатора на нем накапливается энергия

Wм.макс=0,5∙С(U22- U12)=0,5∙√2∙Iµ∙√2Е2ф/ω (2)

Решая это уравнение относительно емкости конденсатора, получим


где, Iµ- действующее значение тока намагничивание. В паспортных данных значение Iµ не приводится. В этом случае Iµ=1,3 А

С=2∙1,3∙136,4/314(638,42-319,22) =3,695 мкФ

Время разряда конденсатора после отключения трансформатора составляет не более 5 R2 C. Время между очередными отключениями трансформатора составляет не менее 10 С. За это время промежуток времени конденсатора разрядится при условии

R2=10/5∙3.695∙10-6=541.3 кОм

6. Выбор системы импульсно- фазового управления

Системы импульсно-фазового управления тиристорными преобразователями (СИФУ) должны удовлетворять ряду специфических требований, которые можно разделить на две группы:

. Требования, относящиеся к управляющему импульсу.

. Требования, обусловленные схемой выпрямления и используемыми режимами тиристорных преобразователей.

Для надежного открывания тиристора на его управляющий электрод нужно подать импульс определенной полярности и длительности. Для надежного открывания любого тиристора данной серии применяемая СИФУ должна обеспечить ток и напряжение управления, превышающие наибольший ток и напряжение управления, указываемые для тиристоров данной серии. Кроме того, мощность потерь, выделяющихся в цепи управляющий электрод - катод также ограничивается максимально допустимым значением.

Минимальная длительность управляющего импульса должна быть больше времени включения тиристора, а за время существования импульса ток в анодной цепи тиристора должен успеть вырасти до уровня тока удержания.

Крутизна переднего фронта напряжения управляющего импульса должна быть достаточной для обеспечения быстрого нарастания тока управления, четкого отпирания тиристора и уменьшения потерь при включении. При малой крутизне из-за различия параметров цепей управления тиристоров в многофазных схемах может появиться асимметрия выпрямленного напряжения.

Особенно высоки требования к крутизне управляющих импульсов при последовательном и параллельном соединении тиристоров, так как недостаточная крутизна приводит к их неодновременному открыванию. При параллельном соединении это приводит к кратковременной перегрузке тиристора, который открывается раньше, а при последовательном соединении все анодное напряжение может быть приложено к тиристору, открывающемуся последним. В обоих случаях неодновременное открывание тиристоров может привести к выходу их из строя.          Обычно управляющий импульс формируется с крутизной переднего фронта 0,2 - 2 А/мкс. При последовательном и параллельном соединении тиристоров крутизну следует выбрать ближе к верхнему пределу.

Необходимый максимальный диапазон регулирования угла а для тиристорного преобразователя, работающего как в выпрямительном, так и инверторном режимах теоретически составляет 180°. Однако максимальный угол регулирования из-за возможности опрокидывания инвертора ограничивается 150-160°.

СИФУ должна обеспечивать симметрию управляющих импульсов по фазам. Асимметрия вызывает неравномерную нагрузку тиристоров из-за различной продолжительности их работы и приводит к ухудшению условий работы питающего трансформатора и сглаживающего дросселя. Допустимая величина асимметрии управляющих импульсов не более 3°.

Быстродействие системы управления тиристорными преобразователями является одним из важнейших ее показателей. С целью достижения максимального быстродействия преобразователя СИФУ выполняются практически безинерционными.

Наиболее распространенными являются многоканальные синхронные системы управления тиристорными преобразователями, построенные по вертикальному принципу. В синхронных СИФУ отсчет угла a выполняется от моментов естественного отпирания для каждого плеча моста (или для каждой пары противофазных плеч). Синхронизация с питающей сетью заключается в том, что управляющие импульсы для каждого тиристора тиристорного преобразователя генерируются в диапазоне, жестко связанном с периодичностью повторения анодного напряжения.

Особенностью многоканальных СИФУ является то, что формирование и фазовый сдвиг импульсов осуществляется в отдельном канале для каждого вентильного плеча многофазного тиристорного преобразователя.

Функциональная схема одного канала СИФУ показана на рис. 3. Каждый канал, как правило, содержит фазосдвигающееся устройство ФСУ и формирователь импульсов ФИ. Фазосдвигающее устройство, в свою очередь, содержит устройство синхронизации с сетью С, генератор развертки ГР и пороговое устройство (нуль-орган) НО. На вход НО подается кроме опорного напряжения сигнал управления тиристорного преобразователя Ur В общем случае напряжение U может подаваться через специальное входное устройство, осуществляющее согласование параметров сигнала управления тиристорного преобразователя со входом СИФУ.

преобразователь тиристор реверсивный схема

Рис. 3. Функциональная схема одного канала СИФУ

В момент равенства опорного напряжения и напряжения управления U пороговое устройство переключается, и формирователь импульсов ФИ в этот же момент времени выдает управляющий импульс. Все перечисленные элементы могут иметь различное исполнение и отличаться по принципу работы.

В СИФУ используют два вида опорных напряжений: линейно изменяющееся во времени и косинусоидальное. В последнем случае при соответствующей фазировке напряжения развертки относительно моментов естественной коммутации тиристоров результирующая регулировочная характеристика тиристорного преобразователя получается линейной

Ud = KUr.

В многофазных системах число каналов СИФУ соответствует числу фаз тиристорного преобразователя. Работа каждого канала синхронизируется с соответствующей фазой напряжения сети.

Для обеспечения симметрии работы системы управления узел введения сигнала управления тиристорного преобразователя Uу выполняется общим для всех каналов.

Достоинством многоканальных СИФУ является простота структурной схемы.

Основной недостаток - необходимость подстройки каналов с целью их симметрирования. Асимметрия импульсов по каналам Да на практике составляет 2^3°. Недостатком также являются повышенные аппаратурные затраты, увеличивающиеся пропорционально числу каналов.         Для формирования СИФУ в настоящее время широко используются серийно выпускаемые интегральные микросхемы общего применения (например, операционные усилители серии К553УД2, логические интегральные микросхемы серии К511, гибридные интегральные микросхемы и др.). Ведутся работы по созданию специальных микросхем, реализующих в одном корпусе отдельные узлы или полный канал системы управления, а также по применению микропроцессорной техники для управления преобразователями.

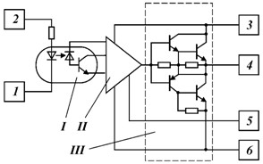
Основной элементной базой для построения преобразователей частоты современных частотно-регулируемых электроприводов малой и средней мощности являются IGB транзисторы. Усилитель импульсов управления, который формирует выходные сигналы требуемой мощности и формы для управления IGB транзистором и изготовленный в виде отдельной интегральной схемы, называется драйвером.

Драйвер (рис. 4) содержит входной узел I, принимающий сигнал информационного канала; узел согласования II, преобразующий информационный сигнал в сигнал управления необходимого уровня; выходной узел III, осуществляющий окончательное формирование импульса управления требуемой мощности и формы. Дополнительно на драйвер могут быть возложены функции защиты силового ключа от перегрузки или слежения за уровнем напряжения питания микросхемы.

В зависимости от применяемого вида гальванической развязки входной узел представляет собой либо фотоприемное устройство оптронной пары, как это показано на рис. 4, либо логическую схему, передающую информационный сигнал в узел высокочастотный трансформаторной системы разделения цепей.

Рис. 4. Структурная схема драйвера IGB транзистора:

I - входной узел;

II - узел согласования; III - выходной узел; 1, 2 - клеммы входного сигнала; 3, 6 - клеммы для подключения источника питания; 4, 5 - клеммы выходного сигнала

Узел согласования представляет собой один или несколько ключевых транзисторов, преобразующих уровень информационного сигнала. Основные требования к узлу согласования - высокий коэффициент усиления по току и повышенное быстродействие.

Входные узлы и узлы согласования драйверов IGB транзисторов строятся по идентичным схемам. Схема построения выходного узла зависит от схемы цепи управления силового ключа и временных параметров режима его управления.

7. Построение внешней и регулировочной характеристики преобразователя

Регулировочные и внешние характеристики реверсивного преобразователя в непрерывном режиме представлены на рис. 5. Они аналогичны характеристикам нереверсивных преобразователей, но учитывают наличие двух комплектов вентилей с противоположным направлением токов и напряжений. В реверсивном преобразователе имеется угол amax, который выбирается из условий инвертирования, чтобы не произошло опрокидывание инвертора. Чтобы произвести реверс, необходимо вначале произвести рекуперативное торможение, при этом двигатель переходит в генераторный режим, напряжение мгновенно изменяться не может, а ток проходит через 2-й комплект, работающий в инверторном режиме. На рис. 5б при этом происходит переход из точки 1 в точку 2.

Переход из точки 1` в точку 2` невозможен из-за опрокидывания инвертора. Поэтому в выпрямительном режиме вводится угол amin из условий предотвращения опрокидывания инвертора.

Рис. 5. Внешние, ограничительные (а) и регулировочные (б) характеристики реверсивного преобразователя. Участки внешних характеристик в прерывистом режиме при раздельном управлении даны пунктиром

Изменение направления тока в нагрузке, необходимое на практике (например, реверсивный электропривод), может быть осуществлено без применения переключающих аппаратов. Для этого достаточно иметь два комплекта вентилей тиристорных преобразователей, каждый из которых обеспечивает протекание тока только в одном направлении.

Наибольшее распространение в трехфазных мостовых схемах выпрямления получила встречно-параллельная схема соединения комплектов вентилей, так как в ней используется более простой двухобмоточный трансформатор (рис. 6, а), и, кроме того, она допускает применение бестрансформаторного питания вентильных комплектов непосредственно от сети трехфазного тока.

В зависимости от полярности напряжения на нагрузке Н и направления тока IН в ней в реверсивном тиристорном преобразователе возможны следующие режимы:

. Напряжение и ток в нагрузке совпадают и имеют прямое направление - первый комплект вентилей УВ1 работает в выпрямительном режиме. При этом угол управления а1 у вентилей этого комплекта 0 < а1 < 90°, и нагрузка потребляет энергию.

. Напряжение на нагрузке обратное, но ток в нагрузке продолжает протекать в прямом направлении - комплект УВ1 работает инвертором (90° < а1 < 180°). Энергия из цепи нагрузки отдается в сеть.

. Напряжение и ток нагрузки обратные - комплект УВ2 работает выпрямителем (0 < а2 < 90°), и нагрузка потребляет энергию.

. Напряжение на нагрузке прямое, а ток обратный - УВ2 работает в инверторном режиме (90° < а2 < 180°), и нагрузка отдает энергию в сеть.

Перевод тиристорного преобразователя и нагрузки из одного режима в другой осуществляется путем воздействия на углы управления вентильными комплектами.

Рис. 6. Схемы реверсивных преобразователей:

а - встречно-параллельная;

Рис. 7. Регулировочная характеристика реверсивного преобразователя

В реверсивных тиристорных преобразователей необходимо, чтобы переход тока от одного вентильного комплекта к другому переходил без пауз, ухудшающих динамические характеристики тиристорных преобразователей, и чтобы в контуре, образованном обеими группами (в схемах на рис. 6 этот контур показан стрелками), уравнительный ток, бесполезно загружающий вентили и трансформатор, был бы сведен к минимальному значению.

Эти требования выполняются, если равны постоянные составляющие напряжений комплекта, работающего в выпрямительном либо в инверторном режиме, и другого комплекта, через который в данный момент времени ток нагрузки не проходит и управление которым подготовлено соответственно к инверторному или выпрямительному режиму.

Зависимость средних значений напряжений каждого из комплектов вентилей от углов управления этими комплектами а и в (регулировочная характеристика) при непрерывном токе нагрузке и принятом допущении, что коммутация мгновенная, определяется косинусоидальным законом (рис. 7)

Uda = Ud0 cos a; Udfj = Ud0 cos p.

При равенстве средних значений напряжений Uda = Udp будем иметь а = β. Если учесть, что для инверторного режима β= 180° - a (см. рис. 7), то

+ a2 = 180°,

где a1 и a2 - углы управления первого и второго комплектов вентилей, отсчитываемые от точки естественного отпирания.

В случае, когда управляющие импульсы подаются одновременно на вентили обоих комплектов тиристорных преобразователей, а углы управления соответствуют приведенным выше равенствам, управление называется согласованным.

Для обеспечения такой связи между углами а1 и а2 необходимо, чтобы характеристики вход-выход a = /(Ц,) систем импульсно-фазового управления (СИФУ) обоими комплектами вентилей были зеркально подобными. Для управления тиристорными преобразователями чаще всего используются системы управления с арккосинусоидальной характеристикой a = K-arccos (U^, при которой результирующая регулировочная характеристика тиристорных преобразователей Ud = f(Uy) получается линейной во всем диапазоне регулирования.

Несмотря на равенство средних значений напряжений при согласованном управлении имеет место разность мгновенных значений выходных напряжений комплектов вентилей тиристорных преобразователей. Причиной этого являются пульсации выходных напряжений комплектов вентилей. Под действием разности мгновенных напряжений через вентили и обмотки трансформатора, минуя цепь нагрузки, протекает уравнительный ток Iур (см. рис. 6). Помимо дополнительных потерь в элементах схемы уравнительный ток в переходных режимах может привести к аварийным отключениям схемы. Для ограничения уравнительного тока в цепь вентильных комплектов включают ограничительные реакторы ОР1 и ОР2.

Полное устранение уравнительного тока может быть получено при раздельном управлении комплектами вентилей. Оно заключается в снятии управляющих импульсов с вентилей того комплекта, который в данный момент не проводит ток. В этом случае один из комплектов вентилей всегда заперт и контур для протекания уравнительного тока отсутствует. Благодаря этому из схемы можно исключить ограничивающие реакторы и полностью использовать установленную мощность тиристорных преобразователей, так как выпрямительный комплект можно открывать с нулевым углом управления. Однако при этом усложняется система управления тиристорными преобразователями, так как приходится вводить в систему датчики тока комплектов вентилей УВ1 и УВ2 либо датчик тока нагрузки ДТ (рис. 8). При спаде тока, протекающего через работающий комплект вентилей либо тока определенного направления в нагрузке до достаточно малого значения, логическим устройством ЛУ вырабатываются команды, управляющие ключами К1 и К2. Последние снимают управляющие импульсы, например, с системы управления СУ1, и подают импульсы на систему управления СУ2 другого комплекта вентилей тиристорных преобразователей.

Рис. 8. Функциональная схема управления преобразователем, питающим якорную цепь электродвигателя

Углы управления вышедшего из работы и вновь вступившего в работу комплектов должны отвечать уравнению согласованного управления а1 + а2 = 180°. При этом не нарушается непрерывность результирующей регулировочной характеристики. Одновременная работа вентильных комплектов тиристорных преобразователей должна быть надежно исключена даже в течение коротких интервалов времени, поскольку при отсутствии ограничивающих реакторов броски уравнительного тока могут быть весьма значительными.

Если тиристорный преобразователь питает обмотку возбуждения электродвигателя, то система управления относительно проста.

При питании якорной цепи электродвигателя от тиристорного преобразователя требуется более сложная система управления, так как рекуперативный режим возможен при сохранении знака управляющего сигнала. В этом случае для формирования сигнала, воздействующего на переключение комплектов, необходимо включить тиристорный преобразователь в замкнутую систему управления, что лишает его той автономности, которой обладает реверсивный тиристорный преобразователь с согласованным управлением.

От этого недостатка свободна схема со сканирующей логикой, в которой логическое устройство не связано с сигналом управления и находится постоянно в режиме поиска нужного комплекта (при отсутствии запрета со стороны датчика тока). Благодаря этому происходит постоянное переключение комплектов до тех пор, пока не появится ток в одном из них.

Регулирование напряжения тиристорных преобразователей осуществляется путем изменения угла открывания тиристоров a. С этой целью каждый тиристорный преобразователь оснащается системой управления, которая обеспечивает формирование управляющих импульсов, а также сдвиг этих импульсов по фазе относительно анодного напряжения тиристоров. Такие системы управления называют импульсно-фазовыми.


Выводы

Курсовой проект выполнен в соответствии с заданием кафедры ЭиАТК, на тему «Разработка и проектирование тиристорного преобразователя для электропривода». В проекте разработана расчетная схема силовой части преобразователя, рассчитаны основные элементы: схема силовой трансформатор, тиристоры, устройства защиты, выбрано СИФУ. Рассчитаны действующие значения фазного тока первичной и вторичной обмотки, максимальный и средний ток якоря двигателя, расчетная мощность.


Список использованной литературы

.     Силовые преобразователи энергии. А.П. Кругликов (Алматы 2008)

2.      Тиристорные преобразователи в приводе горных машин. А.П. Кругликов, С.С. Музгин. ( «Наука» Алма-Ата 1978)

.        Методическое указание по курсовой работе

.        http://www.electromontazh.kz/2010-01-08-19-55-49.html-Электротехнический рынок Казахстана

5. <http://leg.co.ua/knigi/raznoe/elementnaya-baza-i-shemotehnika-ustroystv-silovoy-elektroniki-4.html>

. http://leg.co.ua/knigi/raznoe/elementnaya-baza-i-shemotehnika-ustroystv-silovoy-elektroniki-6.html

.        http://epa.susu.ac.ru/assets/files/PromElectronika/Glava8_Pt.pdf

Похожие работы на - Разработка и проектирование тиристорного преобразователя для электропривода

 

Не нашли материал для своей работы?
Поможем написать уникальную работу
Без плагиата!
Без нейросетей!